Conceptual Design of the Process for Making Cosmetic Emulsion Using Amazonian Oils
Abstract
1. Introduction
2. Materials and Methods
2.1. Study Design
- Phase 1: Information retrieval and observational data collection. This focused on collecting data on vegetable oil extraction and the formulation of cosmetic emulsions through observation, measurement, recording, and analysis.
- Phase 2: Identification and definition of unit operations and processes. This involved identifying, categorizing, and selecting appropriate unit operations for oil extraction and emulsion production based on industry standards and observed procedures.
- Phase 3: Process simulation and diagram construction. This was designed to integrate process data into simulation models and visual representations, ensuring a structured and scalable workflow.
2.1.1. Phase 1: Information Retrieval and Observational Data Collection
- Processing conditions: temperature, time, and sequence of the operations.
- Composition of raw materials: type and quantity of ingredients used in oil extraction and emulsion formulation; these data were subsequently entered into the simulation software.
- Unit operations: identification of essential steps in the vegetable oil extraction and formulation process.
- Material flows: documentation of inputs and outputs at each stage of the process.
2.1.2. Phase 2: Identification and Definition of Unit Operations and Processes
- The process scalability rule: If a unit operation is feasible on a small scale but involves critical conditions (such as temperature, pressure, or residence time), then its scalability should be evaluated with phenomenological models before its industrial implementation.
- The material and equipment compatibility rule: The construction material of the equipment must be compatible with the chemical and physical properties of the processed product in order to avoid product and equipment degradation.
- The energy consumption minimization rule: Whenever possible, production methods should be selected that minimize energy consumption without compromising product quality.
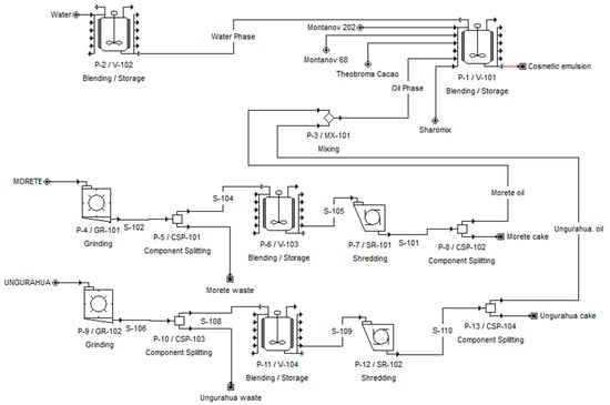
2.1.3. Phase 3: Process Simulation and Diagram Construction
Analysis and Economic Feasibility
3. Results
3.1. Phase 1: Information Retrieval and Observational Data Collection
3.1.1. Extraction of Vegetable Oil from Morete (Mauritia flexuosa L.f.) and Ungurahua (Oenocarpus bataua Mart)
- (a)
- The morete fruits were selected and separated from those showing any damage. Subsequently, 35 kg of fruit was weighed, cleaned, and washed with 12.5 L of water to remove any impurities, such as soil. Then, the fruits were softened with 20 L of water at a temperature of 60 °C for two hours to facilitate the removal of the seed. The rind and pulp of the seed were then separated from the fruit by hand. As a result of this procedure, 8 kg of pulp and 27 kg of residue were obtained. The pulp was subjected to a drying process for a period of 24 h at a temperature of 60 °C, resulting in 3000 g of dry pulp. The oil was then extracted using the decoction method. At this stage, the pulp was boiled to extract the oil contained in it, obtaining 325 mL or 280.82 g of the product. The percentage yield at this stage was 9.36%, which is the proportion of oil in relation to the weight of the dehydrated pulp obtained after the drying process.
- (b)
- The ungurahua fruits were selected and separated from those showing any damage. 3498.30 g of fruit was received and washed to remove molds and impurities. The fruits were then softened by boiling them in 6996.6 mL of water. After boiling, the fruits were left for a period of two hours to allow softening and pulp extraction. The husk and pulp were then ground. After obtaining 1097.53 g of ground pulp, the decoction process was carried out to extract the oil. This procedure resulted in obtaining a total of 19 mL of oil, equivalent to 17.16 g with a yield of 0.6%.
3.1.2. Emulsion Production
- (a)
- Table 1 shows the formulation used to make 1 kg of cosmetic cream as well as the ingredients and quantities used.
- (b)
- After obtaining the raw material in optimal conditions, the ingredients to produce 1 kg of the final product were weighed in order to create the cream. This process was divided into two parts: an aqueous phase, consisting of 645 g of purified sterile water, and an oil phase, containing 3 g of Montanov 202, 10 g of Montanov 68 (emulsifiers), 155 g of cocoa butter, 44 g of morete oil, 102 g of ungurahua oil, and 10 g of preservatives. Previously, the mixtures were subjected to a water bath at a temperature of 75 °C for 20 min to achieve liquid homogeneity across all ingredients (Figure 2). Once the desired temperature was reached and the ingredients were ready, they were transferred to the homogenizer/emulsifier at 7000 rpm for 40 min, where the water was added slowly to the oil phase to achieve a uniform fluid.
3.2. Phase 2: Identification and Definition of Unit Operations and Processes
3.3. Phase 3: Process Simulation and Diagram Construction
3.3.1. Mass and Energy Balance, Consumption vs. Availability of Raw Materials, and Environmental Compatibility of Technology
3.3.2. Equipment Sizing and Procurement Cost
3.3.3. Analysis and Economic Feasibility
4. Discussion
5. Conclusions
Author Contributions
Funding
Data Availability Statement
Acknowledgments
Conflicts of Interest
References
- Bermond, C.; Cherrad, S.; Trainoy, A.; Ngari, C.; Poulet, V. Real-time qPCR to evaluate bacterial contamination of cosmetic cream and the efficiency of protective ingredients. J. Appl. Microbiol. 2021, 132, 2106–2120. [Google Scholar] [CrossRef] [PubMed]
- Gómez Guarguati, I.C. Diseño Integrado Multiescala de Emulsiones Directas: Relación Entre Propiedades Reológicas y Texturales. Master’s Thesis, Universidad de Los Andes, Bogota, Colombia, 2020. [Google Scholar]
- Laura, R.; Javier, O.; Alejandro, H.; Bladimir, G. La Cadena de Valor de los Ingredientes Naturales del Biocomercio en las Industrias Farmacéutica, Alimentaria y Cosmética-FAC; Editorial Tadeo Lozano: Bogota, Colombia, 2012. [Google Scholar]
- Gordillo López, R.C.; Romero Moya, E.A.; Romero, M.E. Optimización del Capital de Trabajo de una Empresa de la Industria Cosmética por Medio de un Esquema de Incentivos a la Fuerza de Ventas. Master’s Thesis, Faculty of Social Sciences and Humanities FCSH-ESPOL, Guayaquil, Ecuador, 2020. [Google Scholar]
- Guardado Yordi, E.; Radice, M.; Scalvenzi, L.; Pérez Martínez, A. Diseño del Proceso Sostenible para la Obtención de una Emulsión Cosmética desde un Enfoque de Biocomercio. Rev. Politécnica 2024, 54, 35–46. [Google Scholar] [CrossRef]
- Asociación de Municipalidades Ecuatorianas. La Selva y Sus Componentes Naturales Para Embellecer. Available online: https://ame.gob.ec/2020/10/16/la-selva-y-sus-componentes-naturales-para-embellecer/ (accessed on 16 March 2025).
- Torres, Y. Elaboración de una Crema con Actividad Exfoliante con Cáscara de Cacao (Theobroma cacao L.), Proveniente de la Provincia de Manabí. Ph.D. Thesis, Universidad Central del Ecuador, Quito, Ecuador, 2017. [Google Scholar]
- Lendínez Gris, M. Estudio de Emulsiones Altamente Concentradas de Tipo W/O: Relación Entre Tamaño de Gota y Propiedades. Ph.D. Thesis, Universitad de Barcelona, Barcelona, Spain, 2015. [Google Scholar]
- Torres Taipe, K.V. Estudio de Factibilidad para la Elaboración de Una Crema Hidratante a Base de Cáscaras de Huevo en La ciudad de Ambato, Provincia de Tungurahua. Licentiate Thesis, Universidad Técnica de Ambato, Ambato, Ecuador, 2021. [Google Scholar]
- Salvador, A.; Chisvert, A. Analysis of Cosmetic Products; Elsevier: Cambridge, MA, USA, 2011. [Google Scholar]
- Milan, A.L.K.; Milão, D.; Souto, A.A.; Corte, T.W.F. Estudo da Hidratação da Pele por Emulsões Cosméticas para Xerose e sua Estabilidade por Reologia. Rev. Bras. Ciências Farm. 2018, 43, 649–657. [Google Scholar] [CrossRef]
- Venkataramani, D.; Tsulaia, A.; Amin, S. Fundamentals and applications of particle stabilized emulsions in cosmetic formulations. Adv. Colloid Interface Sci. 2020, 283, 102234. [Google Scholar] [CrossRef]
- Suaza Montalvo, A. Desarrollo de Una Estrategia de Escalamiento para Procesos de Producción de Emulsiones. Master’s Thesis, Universidad Nacional de Colombia, Bogota, Colombia, 2020. [Google Scholar]
- Ruiz, Á.A.; Álvarez, H. Escalamiento de procesos químicos y bioquímicos basado en un modelo fenomenológico. Inf. Tecnol. 2011, 22, 33–52. [Google Scholar] [CrossRef]
- Eraso Lasso, S.L. Aproximación al Proceso de Escalado de Emulsiones Concentradas Desde el Diseño Multiescala. Chemical Engineering Thesis, Universidad de Los Andes, Bogota, Colombia, 2015. [Google Scholar]
- Schramm, L. Emulsions, Foams, and Suspensions; Wiley-VCH: Hoboken, NJ, USA, 2005. [Google Scholar]
- May-Masnou, A.; Porras, M.; Maestro, A.; González, C.; Gutiérrez, J.M. Scale invariants in the preparation of reverse high internal phase ratio emulsions. Chem. Eng. Sci. 2013, 101, 721–730. [Google Scholar] [CrossRef][Green Version]
- Burakova, M.A.; Abrosimova, O.N.; Ladutko, Y.M.; Smekhova, I.E. Transfer of Cosmetic Emulsion Cream Technology from Laboratory to Pilot Phase. Drug Dev. Regist. 2022, 11, 59–67. [Google Scholar] [CrossRef]
- Türedi, E.; Acaralı, N. Evaluation of cosmetic creams containing Black cumin (Nigella sativa)-Lemon balm (Melissa officinalis L.)-Aloe vera (Aloe barbadensis miller) essences by modeling with Box Behnken method in Design Expert. Ind. Crops Prod. 2022, 187, 115303. [Google Scholar] [CrossRef]
- Campos Prada, D. Estudio de Correlaciones Experimentales para una Emulsión Aceite en Agua (O/W) Comercial. Licentiate Thesis, Universidad de los Andes, Bogota, Colombia, 2018. [Google Scholar]
- Restrepo Jiménez, D. Aproximación al Diseño Multiescala en el Proceso de Escalado de Emulsiones Concentradas-Parámetro de Escalado. Licentiate Thesis, Universidad de los Andes, Bogota, Colombia, 2014. [Google Scholar]
- López-Arévalo, I.; Bañares-Alcántara, R.; Aldea, A.; Rodríguez-Martínez, A.; Jiménez, L. Generation of process alternatives using abstract models and case-based reasoning. Comput. Chem. Eng. 2007, 31, 902–918. [Google Scholar] [CrossRef]
- Yazdanpanah, N. Process simulation and mathematical modelling for process scale-up and technology transfer: Development and manufacturing of active pharmaceutical ingredients. Chim. Oggi-Chem. Today 2020, 38, 1–7. [Google Scholar]
- Pérez-Martínez, A.; Cervantes-Mendieta, E.; Julián-Ricardo, M.C.; González-Suárez, E.; Gómez-Atanay, A.; Oquendo-Ferrer, H.; Galindo-Llanes, P.; Ramos-Sánchez, L. Procedimiento para enfrentar tareas de diseño de procesos de la industria azucarera y sus derivados. Rev. Mex. Ing. Quím. 2012, 11, 333–349. [Google Scholar]
- Gallegos, J.d.C. Análisis del riesgo en la administración de proyectos de tecnología de información. Ind. Data 2006, 9, 104–107. [Google Scholar]
- Rivera, M.; Ramos, M.; Silva, M.; Briceño, J.; Álvarez, M. Efecto de la temperatura previa a la extracción en el rendimiento y perfil de ácidos grasos del aceite de morete (Mauritia flexuosa LF). LA GRANJA. Rev. Cienc. Vida 2022, 35, 98–111. [Google Scholar] [CrossRef]
- Rivera Chasiquiza, M. Efecto de la Temperatura de Extracción en el Rendimiento y Perfil de Ácidos Grasos del Aceite de Morete (Mauritia flexuosa Lf). Licentiate Thesis, Universidad Técnica de Ambato, Ambato, Ecuador, 2019. [Google Scholar]
- Paredes Amasifuen, J.A. Determinación del Rendimiento y Características Fisicoquímicas del Aceite Obtenido Mediante Extracción Mecánica en Frío de Tres Ecotipos de Aguaje (Mauritia flexuosa L.) en la Región de Ucayali. Licentiate Thesis, Universidad Nacional de Ucayali, Pucallpa, Peru, 2021. [Google Scholar]
- Adrianzén, N.; Rojas, C.; Luján, G.L. Efecto de la temperatura y tiempo de tratamiento térmico de las almendras trituradas de Sacha Inchi (Plukenetia volubilis L.) sobre el rendimiento y las características físico-químicas del aceite obtenido por prensado mecánico en frío. Agroind. Sci. 2011, 1, 46–55. [Google Scholar]
- Ocampo-Duran, Á.; Fernández-Lavado, A.; Castro-Lima, F. Aceite de la palma de seje Oenocarpus bataua Mart. por su calidad nutricional puede contribuir a la conservación y uso sostenible de los bosques de galería en la Orinoquia Colombiana. Orinoquia 2013, 17, 215–229. [Google Scholar] [CrossRef]
- Giacopini, M.I.; Guerrero, O.; Moya, M.; Bosch, V. Estudio comparativo del consumo de aceite de oliva virgen o seje sobre el perfil lipídico y la resistencia a la oxidación de las lipoproteínas de alta densidad (HDL) del plasma de rata. Arch. Latinoam. Nutr. 2011, 61, 143. [Google Scholar]
- Peña, L.F.; Carrillo, M.P.; Giraldo, B.; Castro, S.Y.; Cardona, J.; Díaz, R.; Mosquera, L.E.; Hernández, M.S. Desarrollo Tecnológico para el Aprovechamiento Sostenible de Frutos de las Palmas Asaí (Euterpe precatoria), Seje (Oenocarpus bataua), Moriche (Mauritia flexuosa); Instituto Amazónico de Investigaciones Científicas SINCHI: Leticia, Colombia, 2018; p. 95. [Google Scholar]
- Chaves Yela, J.A.; Ortiz Tobar, D.P.; Bahos Ordoñez, E.M.; Ordoñez Forero, G.A.; Villota Padilla, D.C. Análisis del perfil de ácidos grasos y propiedades fisicoquímicas del aceite de palma de mil pesos (Oenocarpus bataua). Perspect. Nutr. Hum. 2020, 22, 175–188. [Google Scholar] [CrossRef]
- Khattab, R.; Rempel, C.; Suh, M.; Thiyam, U. Quality of canola oil obtained by conventional and supercritical fluid extraction. Am. J. Anal. Chem. 2012, 3, 966–976. [Google Scholar] [CrossRef]
- Bom, S.; Jorge, J.; Ribeiro, H.M.; Marto, J. A step forward on sustainability in the cosmetics industry: A review. J. Clean. Prod. 2019, 225, 270–290. [Google Scholar] [CrossRef]
- Mosquera, T.; Noriega, P.; Tapia, W.; Pérez, S.H. Evaluación de la eficacia cosmética de cremas elaboradas con aceites extraídos de especies vegetales Amazónicas: Mauritia flexuosa (Morete), Plukenetia volubilis (Sacha Inchi) y Oenocarpus bataua (Ungurahua). La Granja 2012, 16, 14–22. [Google Scholar] [CrossRef]
- Aliaga Zumaeta, E.; Quispe Alarcon, A. Estudio de Prefactibilidad para la Implementación de una Planta Productora de Mascarillas de Tela Hidratante a Base de Camu Camu (Myrciaria dubia). Licentiate Thesis, Universidad de Lima, Lima, Peru, 2022. [Google Scholar]
- Romero, D.P.; Freire, A.; Aillon, F.E.; Radice, M. Design of an industrial process focused on the elaboration of cosmetics using Amazonian vegetal oils: A biotrade opportunity. In MOL2NET’16, Conference on Molecular, Biomed., Comput. & Network Science and Engineering, 2nd ed.; MDPI: Basel, Switzerland, 2022. [Google Scholar] [CrossRef]
- Aguilar, C. Optimización del Proceso de Fabricación de Productos de Tocador y Limpieza en una Industria Cosmética de Ventas por Catálogo. Licentiate Thesis, Universidad de San Carlos de Guatemala, Guatemala City, Guatemala, 2011. [Google Scholar]
- Zurita Acosta, N.; López Pérez, A.M. Elaboración de Emulsiones Cosméticas con Ingredientes de Origen Natural; Universidad de los Andes: Bogota, Colombia, 2021. [Google Scholar]
- Chauhan, L.; Gupta, S. Creams: A Review on Classification, Preparation Methods, Evaluation and its Applications. J. Drug Deliv. Ther. 2020, 10, 281–289. [Google Scholar] [CrossRef]
- Celeiro, M.; Garcia-Jares, C.; Llompart, M.; Lores, M. Recent Advances in Sample Preparation for Cosmetics and Personal Care Products Analysis. Molecules 2021, 26, 4900. [Google Scholar] [CrossRef] [PubMed]
- Quillupangui, L.; Arroyo, F. Mejoramiento de la eficiencia general del equipo mediante la simulación de eventos discretos. estudio de caso en la industria cosmética. Espacios 2021, 42, 18–28. [Google Scholar] [CrossRef]
- Rocca, R.; Acerbi, F.; Fumagalli, L.; Taisch, M. Sustainability paradigm in the cosmetics industry: State of the art. Clean. Waste Syst. 2022, 3, 100057. [Google Scholar] [CrossRef]
- Cerda, V.R.; González, E.; Guardado, E.; Cerda, G.L.; Pérez, A. Producción de gel hidroalcohólico en tiempos de COVID-19, oportunidad para diseñar el proceso que garantice la calidad. Cent. Azúcar 2021, 48, 88–97. [Google Scholar]
- Costa, V.B.F.d.; Valério, V.E.d.M.; Miranda, R.d.C. Economic analysis of a cosmetic initiative addressing stochastic aspects and risk quantification. Acta Scientiarum. Technol. 2023, 45, e59725. [Google Scholar] [CrossRef]
- Cerda, V.R.; Guardado, E.; Cerda, G.L.; Vinocunga, R.; Pérez, A.; González, E. Procedure for the determination of operation and design parameters considering the quality of non-centrifugal cane sugar. Entre Cienc. Ing. 2022, 16, 43–50. [Google Scholar] [CrossRef]





| Ingredient | Vendor Location | Amount (g) |
|---|---|---|
| Montanov 202 (emulsifier 1) | (Formulator Sample Shop, Lincolnton, NC 28092, USA) | 34 |
| Montanov 68 (emulsifier 2) | (Formulator Sample Shop, Lincolnton, NC 28092, USA) | 10 |
| Cocoa butter | (Local Market, Puyo, Ecuador) | 155 |
| Morete oil | (Local Market, Puyo, Ecuador) | 44 |
| Ungurahua oil | (Local Market, Puyo, Ecuador) | 102 |
| Preservatives | Essential oils were obtained in our laboratory by steam distillation Sharomix (Hebbe cosmetics, Cuernavaca, Mexico) | 10 |
| Water | Distilled in our laboratory | 645 |
| Process Stage | Method: Option 1 (Decoction) | Method: Option 2 (Solvent Extraction) | Method: Option 3 (Cold Pressing) | Method: Option 4 (Hot Pressing) | Equipment Used |
|---|---|---|---|---|---|
| Softening of material | Heating in water at 60 °C | Maceration in the solvent | Heating in water at 60 °C | Heating in water at 60 °C | Jacketed tank |
| Grinding/ Pulping | Manual separation | Manual separation | Ground with a machine | Ground with a machine | Grinding mill or pulper |
| Drying | 24 h at 60 °C | 24 h at 60 °C | 24 h at 60 °C | 24 h at 60 °C | Tray dryer |
| Oil extraction | Boiling and decanting | Solvent extraction | Cold pressing | Hot pressing | Oil press machine or extraction reactor |
| Filtration | Gravity filtration | Solvent evaporation and filtration | Mechanical filtration | Mechanical filtration | Plate filter |
| Process Stage | Unit Operation | Equipment Used |
|---|---|---|
| Raw material preparation | Addition of raw materials | Turbo emulsifier |
| Heating | Water phase heating | Turbo emulsifier |
| Heating | Oil phase heating | Turbo emulsifier |
| Mixing | Homogenization of phases | Turbo emulsifier |
| Cooling | Controlled cooling | Cooling system |
| Environmental Indicator | Input/Output Current | Amount | Unit |
|---|---|---|---|
| Raw material consumption | Montanov 68 | 0.011 | kg/kg |
| Montanov 202 | 0.036 | kg/kg | |
| Morete fruit | 0.136 | kg/kg | |
| Sharomix | 0.011 | kg/kg | |
| Cocoa butter | 0.111 | kg/kg | |
| Ungurahua fruit | 0.563 | kg/kg | |
| Water consumption | Water | 48.411 | kg/kg |
| Energy consumption | Power consumption | 5.86 | kW⋅h/kg |
| Steam consumption | 10 | kg/kg | |
| Refrigerated water | 260 | kg/kg | |
| Discharge | Of gases | - | - |
| Of liquids | - | - | |
| Of solids | 0.56 | kg/kg | |
| Cosmetic emulsion | 4717.48 | kg/yr | |
| Quantity | Equipment | Design Parameter | Unit Cost (USD) | Cost (USD) |
|---|---|---|---|---|
| 1 | Turbo emulsifier | Tank volume = 22.47 L | 20,000 | 20,000 |
| 1 | Turbo emulsifier | Tank volume = 14.66 L | 20,000 | 20,000 |
| 1 | Pulper | Nominal Yield = 2.55 kg/h | 14,000 | 14,000 |
| 1 | Pulper | Nominal Yield = 10.58 kg/h | 14,000 | 14,000 |
| 1 | Jacketed tank | Tank volume = 2.62 L | 10,000 | 10,000 |
| 1 | Jacketed tank | Tank volume = 8.95 L | 10,000 | 10,000 |
| 1 | Crusher | Nominal Yield = 2.55 kg/h | 1000 | 1000 |
| 1 | Crusher | Nominal Yield = 2.16 kg/h | 1000 | 1000 |
| 1 | Press | Nominal Yield = 12.98 kg/h | 6000 | 6000 |
| 1 | Press | Nominal Yield = 45.82 kg/h | 6000 | 6000 |
| Unlisted equipment | 25,000 | 25,000 | ||
| Total | 126,000 | |||
Disclaimer/Publisher’s Note: The statements, opinions and data contained in all publications are solely those of the individual author(s) and contributor(s) and not of MDPI and/or the editor(s). MDPI and/or the editor(s) disclaim responsibility for any injury to people or property resulting from any ideas, methods, instructions or products referred to in the content. |
© 2025 by the authors. Licensee MDPI, Basel, Switzerland. This article is an open access article distributed under the terms and conditions of the Creative Commons Attribution (CC BY) license (https://creativecommons.org/licenses/by/4.0/).
Share and Cite
Guardado Yordi, E.; Guambuguete Guaman, I.S.; Freire Fuentes, M.E.; Radice, M.; Scalvenzi, L.; Abreu-Naranjo, R.; Bravo Sánchez, L.R.; Pérez Martínez, A. Conceptual Design of the Process for Making Cosmetic Emulsion Using Amazonian Oils. Processes 2025, 13, 1770. https://doi.org/10.3390/pr13061770
Guardado Yordi E, Guambuguete Guaman IS, Freire Fuentes ME, Radice M, Scalvenzi L, Abreu-Naranjo R, Bravo Sánchez LR, Pérez Martínez A. Conceptual Design of the Process for Making Cosmetic Emulsion Using Amazonian Oils. Processes. 2025; 13(6):1770. https://doi.org/10.3390/pr13061770
Chicago/Turabian StyleGuardado Yordi, Estela, Irma Sofia Guambuguete Guaman, Mayra Elizabeth Freire Fuentes, Matteo Radice, Laura Scalvenzi, Reinier Abreu-Naranjo, Luis Ramón Bravo Sánchez, and Amaury Pérez Martínez. 2025. "Conceptual Design of the Process for Making Cosmetic Emulsion Using Amazonian Oils" Processes 13, no. 6: 1770. https://doi.org/10.3390/pr13061770
APA StyleGuardado Yordi, E., Guambuguete Guaman, I. S., Freire Fuentes, M. E., Radice, M., Scalvenzi, L., Abreu-Naranjo, R., Bravo Sánchez, L. R., & Pérez Martínez, A. (2025). Conceptual Design of the Process for Making Cosmetic Emulsion Using Amazonian Oils. Processes, 13(6), 1770. https://doi.org/10.3390/pr13061770

