Abstract
Process optimization is a highly successful method for achieving optimal efficiency in industrial production. The conventional optimization approach presupposes that the operational parameters should align with the optimization settings. However, it fails to consider that, influenced by the stochastic performance of the control loops, the operating parameters may deviate from the optimal operating settings. Consequently, this results in the violation of constraints in the optimization results and affects production safety. Therefore, this paper proposes an uncertainty optimization method that considers the stochastic performance of control loops to accurately determine the optimal operational performance that can be practically achieved in industrial production. Firstly, a multi-optimization variational mode decomposition strategy is developed to precisely extract the smooth random and trend terms of the control loop output data. Secondly, the random grouping smooths out the random terms and accurately characterizes the uncertainty associated with these terms. Subsequently, a moment uncertainty set with mild mean-zero net condition is then defined to construct an improved distribution robust optimization model considering the stochastic performance of control loops. Finally, the validation of the proposed optimization method in the actual hydrocracking process shows that the optimization error of the proposed method is reduced by more than 10%, and the constraint violation rate is reduced by 14%, which fully proves the effectiveness and applicability of the method.
1. Introduction
In order to achieve a competitive edge in the market, industrial production typically requires optimizing many factors, such as production operations, process technology, and equipment devices. These optimization measures enhance production efficiency and product quality, decrease expense, and improve the enterprise’s competitiveness and market share. Among these, production operation optimization is a measure that can improve operational performance by merging mathematical modeling, algorithm customization, and computational methods. This approach aims to produce greater efficiency, environmental friendliness, and long-lasting results. Therefore, production operation optimization is paramount as a catalyst in modern industrial processes.
Currently, process operation optimization is extensively employed in several process domains, including chemical processes [1,2,3], transportation [4,5], power systems [6,7], and others. Researchers have extensively studied the optimization of operations from both theoretical and practical perspectives. However, to the author’s best knowledge, the current process operation optimization approach commonly assumes that the operation parameters are executed based on predetermined values in order to formulate the operation optimization problem. In other words, the control loops can precisely follow their designated inputs, resulting in the operational metrics in the real-time optimization layer being extremely close to the desired values. Indeed, in the current industrial production process, the control loop’s performance variability prevents the exact matching of its output value with the specified input value. Hence, the optimization findings based on the assumptions above merely represent the theoretical optimal operating circumstances and do not accurately depict the achievable optimal operating conditions in real-world industrial production. It may even compromise production safety or violate production specifications. In order to guarantee operational safety, a limited boundary setting is implemented at most once the solution space of operation parameters has been established [8,9]. Nevertheless, this is a deterministic optimization problem, and its solution could result in conservative optimization outcomes. Therefore, uncertain optimization research is required.
Compared with deterministic optimization algorithms, uncertainty optimization approaches can more accurately reflect the actual state of the process by introducing random variables to explain the uncertainty in the optimization process. Using probabilistic statistical theory to examine uncertain optimization problems might lead to more resilient and dependable solutions for optimizing production operations. The uncertain optimization method most frequently employed in these investigations is stochastic optimization [10,11,12]. This approach fulfills the process constraints associated with uncertain variables by establishing a particular confidence level. It is generally resolved by translating the method into a corresponding deterministic mathematical programming problem or intelligent optimization algorithm. Mesfin et al. [13] modeled the chance constraints of a natural gas processing plant so that the process constraints with feedstock flow and compositional uncertainties were satisfied with some probability. Jordehi [14] used conditional value-at-risk (CVaR) as a risk metric using a two-stage stochastic model for power procurement to effectively reduce the cost of power purchase and the associated risk. Andrea [15] and others proposed a new decomposition algorithm for the multi-stage stochastic planning problem and applied it to a large power plant in Italy. However, the aforementioned stochastic optimization methods are severely constrained since uncertainty problems typically lack adequate data, and uncertain variables’ continuous probability distribution integral is computationally expensive. As a result, robust optimization has gradually attracted the attention of researchers. The method requires no prior knowledge of the distribution of uncertainty parameters. Hadi et al. [16] developed a robust optimization model for the smelting industry that considered environmental hazards. Li et al. [17] considered the operational optimization of the refining process faced with complex coupled states and frequently varying conditions, and researched and designed a two-layer data-driven robust optimization framework. In general, uncertain information in robust optimization is usually described by an uncertainty set. However, this uncertainty set tends to be limited to boundary values, resulting in more conservative optimization decisions.
In order to solve the above problem, a practical approach has been introduced in recent years, integrating the benefits of stochastic and robust optimization into a distributionally robust optimization (DRO) method [18,19,20]. It can make solid conclusions using incomplete probability distributions of random data. The method has been applied in various fields, including portfolio management [21], economic dispatch of power systems [22], unit optimization [23], and network design [24]. Xiong et al. [25] addressed the issue of instability in wind power generation by utilizing a distributionally robust optimization model that incorporates distance uncertainty sets. In order to examine both profit and risk, Yang et al. [26] introduced conditional value-at-risk as a risk management tool into the distributional robust optimization model. He et al. [27] developed a data-driven two-stage distributional robust optimization model using the Wasserstein distance to solve the production planning problem of oil refineries under uncertainty in product prices. Ceria et al. [28] and Kang et al. [29] added a new constraint to better reflect the uncertain information, which helps overcome the problem of over-conservatism in robust portfolio optimization. Nevertheless, due to the relatively modest magnitude of the control loop stochastic performance, existing methods for describing uncertainty sets do not adequately reflect the associated uncertainty.
Essentially, distributionally robust optimization offers more credible optimization strategies for process operation optimization, considering the stochastic performance of control loops. However, it remains a challenging task. The main challenges frequently faced while optimizing uncertainty during production processes are as follows:
- (1)
- Usually, industrial production processes can be categorized into three layers: the planning and scheduling layer, the real-time optimization layer, and the process control layer. The diverse production operation mechanisms at each layer pose difficulties when quantifying the influence of control loop stochastic performance on operation optimization.
- (2)
- The complex and uncertain trends in the output timing of control loops make it difficult to analyze their stochastic performance.
- (3)
- Typically, modern industrial control systems undergo regular calibration with control parameters, resulting in small values for the stochastic performance of the controllers. Due to the minimal numerical variations, effectively representing the uncertainty of the stochastic performance of the control loop becomes challenging when constructing uncertain optimization problems for production processes.
In order to address the aforementioned challenges, this paper proposes an uncertainty optimization method for industrial production operations that considers the stochastic performance of control loops. Specifically, it tackles the issue of how uncertain variations within the production process affect the optimization of operations. The novelty and contributions of the proposed approach in comparison with existing operating optimization methodologies can be stated as follows:
- (1)
- It provides a novel information interactive framework for the uncertain optimization of production operations and reveals the influence mechanism of the process control layer on the real-time optimization layer.
- (2)
- It designs a multi-optimization variational modal decomposition (MO-VMD) strategy to extract random terms from the control loop output data accurately.
- (3)
- It defines a set of moment uncertainties with the net condition that the mild mean is zero, and based on this, it develops an improved distributionally robust optimization method to enhance uncertain optimization performance successfully.
The remainder of this paper is organized as follows. Section 2 introduces the production operation optimization and stochastic performance of control loops, while Section 3 details the proposed method. Section 4 discusses the feasibility and effectiveness of the above approach and validates it with an industrial hydrocracking process. Finally, Section 5 presents conclusions and discusses future extensions.
2. Problem Description and Proposed Solution
2.1. Problem Description
In order to improve the efficiency of industrial production, setting the values of the relevant control variables according to the desired optimization objectives is one of the most common ways. Therefore, the effectiveness of optimization largely depends on the quantitative influence of the control variables on the optimization process. Generally, during process optimization, it is assumed that the output of the loop in which the control variables are located will not deviate from the pre-set optimized values. However, due to the control loops’ stochastic performance, the output values of the loops where the actual control variables are located cannot be consistent with the predefined optimized values. Consider the single-input single-output (SISO) system shown in Figure 1. In this figure, is the set point; and are the proper transfer functions for the plant and disturbance, respectively; is the transfer function of the controller; is the control signal; is a white noise with zero mean and variance ; and is the system output non-stationary time series, which can be given by Equation (1).
where represents the trend term, which reflects certain information on the set value of the control system; represents the remaining stochastic portion after is extracted from , which contains information that reflects the stochastic performance of the controller. The process output can therefore be considered to be composed of two parts: loop set value and stationary random item. In other words, the closed-loop output value fluctuates relative to the set value because of its randomness. Therefore, it is necessary to consider the control loop performance of control variables during optimization to achieve more accurate and feasible process optimization.
Figure 1.
Schematic of SISO process under feedback control.
2.2. Proposed Solution
The above analysis demonstrates that production optimization can be formulated as an uncertain optimization problem when considering the stochastic performance of the control loop output, as depicted in Equation (2) (consider two optimization objectives as an illustration).
where x is the control variables and is the smooth stochastic term of the control loop output where the control variables are located. Thus, the problem of optimizing industrial production operations, considering the stochastic performance of control loops, can be divided into two main issues: extracting smooth stochastic terms for the control loop outputs where key control variables are situated and optimizing production operations in uncertainty.
For this reason, an improved distributionally robust optimization approach for the optimal operation of industrial processes while considering the stochastic performance of controllers is proposed in the paper. The framework of the proposed method is illustrated in Figure 2. The stochastic performance of the controller with an unknown deterministic trend output is first evaluated using the routine closed-loop output data. The proposed method provides a multi-optimization variational mode decomposition strategy to tackle the issue of incomplete decomposition and the limitation of using a set number of signals in the conventional variational modal decomposition methods. The smoothed random-term data are then organized into random groups. After that, a mild zero-mean moment uncertainty set is created for each group of smooth stochastic term data, which leads to the construction of an improved distributionally robust optimization model that considers the stochastic performance of the control loops. This improved distributionally robust optimization is referred to as distributionally robust optimization with mild zero-mean (MDRO).
Figure 2.
The framework of uncertainty optimization for industrial production operations considering the stochastic performance of control loops.
3. Methods
3.1. Smooth Random Term Extraction
3.1.1. Multi-Optimization Variational Mode Decomposition
The smooth random term of the controller reflects the stochastic performance of the control loop. In order to obtain the random term of the controller, subsequently build the uncertainty set, and finally obtain the optimization model that considers the random performance of the control loop, it is necessary to extract the stochastic term of the controller first.
Industrial production data are commonly composed of multiple data types, and their specific and general features can be efficiently illustrated using signal decomposition methods. As a modal decomposition method, VMD can effectively decompose the original signal into multiple intrinsic modal functions. This approach implies that each element represents a signal concentrated on a specific frequency to limit the range of frequencies covered by these elements. It is subject to the constraint that the sum of all the elements must be equal to the original signal. While the VMD algorithm allows for signal decomposition by specifying the number of modes k and the penalty factor α, it is susceptible to incomplete decomposition, compromising the decomposition process’s reliability. Hence, this paper presents the application of the whale optimization method to optimize the VMD [30] algorithm’s parameters. Furthermore, to prevent the whale optimization algorithm from becoming trapped in a local optimization, this study proposes incorporating a chaos factor, denoted ‘a’, to enhance the optimization process; ‘a’ can be modified in the following manner.
The ranges of the convergence factor fluctuate depending on the number of iterations. During the initial optimization stage, the convergence factor ensures that the coefficient A remains the same size, allowing the algorithm to search over a wide range. However, optimizing throughout the intermediate and advanced stages increases the number of iterations and the value of the convergence factor. It can significantly alter the value of coefficient A over a wide range, thereby considerably improving the optimization capability in those stages. Figure 3 shows the extraction of the smooth random term by MO-VMD, which consists of two key steps.
Figure 3.
Flowchart of MO-VMD.
(1) Decomposition of the original data series. A whale optimization algorithm with a confusing convergence factor is designed to solve the VMD parameter , to achieve fast and efficient acquisition of the optimal combination, and to decompose to obtain the sequence of each frequency component.
(2) Screening the decomposed sequence to obtain a smooth random term. First, mutual information is introduced to filter the effective signal obtained from the decomposition. Then, singular spectrum analysis (SSA) [31] is applied to filter the signal sequence further to eliminate noise interference and enhance the signal. Finally, the filtered signal sequence is reconstructed to obtain the accurate smoothed random term.
3.1.2. Crossover Filtering Screening
Following the decomposition of the control loop output data by MO-VMD, this study utilizes mutual information to carefully choose and combine the harmonic signals derived from the decomposition. It aims to optimize the extraction of significant data from the decomposed signals. Furthermore, to prevent noise interference when extracting and combining harmonic signals, singular spectrum analysis is employed to filter each sequence of signals and eliminate any potential noise. The precise sequence of steps is as follows.
Step 1: Normalize the original signal sequence data according to Equation (4).
where is the normalized value, u is the original signal sequence value, and and are the minimum and maximum values in the sequence.
Step 2: Calculate the mutual information of each sequence obtained using WO-VMD with the original signal sequence.
Step 3: Compute the standard deviation of mutual information between each signal sequence and the original signal using Equation (5). Then, determine the threshold for distinguishing between valid and noisy signals, and filter out the eligible sequences.
where represents the mutual information coefficient of the two sequences, N is the number of sequences obtained by decomposition, and is the mean of the mutual information.
Step 4: Filtering reconstruction of selected sequences using the SSA method.
Step 5: Linearly superimposing the signal obtained in Step 4 to obtain the smooth random term.
3.2. Distributionally Robust Optimization with Mild Zero-Mean
In order to achieve production operation optimization considering the stochastic performance of the control loops, this paper proposes an improved distributionally robust optimization strategy with mild zero-mean. The framework of the proposed strategy is shown in Figure 4, where operating variables consists of loop setting variables and stationary random variables . The setting variables represented by need to be optimized, while the random variable can be described as a set of moments with mild mean-zero net conditions. Constraints (represented by can be set as safety, yield, and quality requirements. The optimization objective can be the maximization of economic benefits or the minimization of costs. The final optimization variable is , which includes the effect of uncertainty.
Figure 4.
The framework of the distributionally robust optimization method with mild zero-mean.
3.2.1. DRO Model Construction
DRO is founded on the principles of stochastic programming, which essentially involves calculating the expected value of the objective function. Thus, the optimization problem for the DRO with uncertain parameters can be formulated as Equation (6).
where x is the decision variable; ξ is the random variable; is the objective function; E denotes the expectation; F is the distribution of the random variable; and D, are the set of distributions of the random variables and the feasible set of the decision variables, respectively. Uncertain variables in distributionally robust optimization models usually belong to an uncertain set of probability distributions of random variables. These distributions are constructed based on finite information that is already known. For example, the uncertainty set in Equation (7) employs two constraint parameters to limit the range of expected values and covariance matrix estimations of the random variable.
where u and are the expectation and covariance matrices of random variables estimated based on historical data, respectively; is the set of probabilities in the measurable space (, B); B is the Borel σ-algebra on ; and , are limiting parameters.
Based on the analysis provided, it is evident that utilizing the uncertainty set Da to represent the stationary random term of the extracted control loop output data enables the development of a moment distributionally robust optimization model that considers the control loops’ stochastic performance. Distributionally robust optimization aims to identify the ideal solution that performs the worst in the uncertainty set, with a low possibility of this optimal solution occurring in real-world scenarios. The moment uncertain distributionally robust optimization approach needs to be revised since it fails to accurately capture the variations in random variables with small values. Therefore, this study provides a new uncertainty set limit, as shown in Equation (8), to account for the variations in performance across different controllers and the influence of different control loops on production optimization, which constructs a distributionally robust optimization method with mild and zero mean.
where represents the impact of each control loop on the optimization objective, which can be measured by Equation (9).
where n denotes the dimension of the random variable, and is the coefficient of variation in the results obtained for each loop under the same disturbance; it reflects the fluctuation of each control loop. The constraints accurately represent the impact of each control loop on the optimization results. Consequently, it can significantly decrease the variability of the model’s output, enhance its ability to adapt to unexpected data, and strengthen the model’s robustness. Hence, the uncertainty set that describes the stochastic performance of the control loops can then be designed as follows.
Obtaining an accurate probability distribution of a random variable with only one set of data is challenging due to limited processing resources and the localized character of the data. This research randomly divided the random variable data into K groups and constructed and evaluated multiple uncertainty sets for more precise information. Thus, the problem can be defined as Equation (11).
where is the K-th uncertain set.
3.2.2. Objective Functions and Dual Problems
Based on the analysis in Section 3.2.1, the uncertainty optimization objective function can be defined as shown in Equation (12). It is constructed as a min–max problem within each uncertainty set, as shown in Equation (10).
Since the above optimization problem is an NP-hard problem, it is more challenging to solve directly. Therefore, it must be reformulated as a dual problem before solving it. The inner sup problem is initially reformulated based on dual and cone optimization theory [32]. A simplified dual primal optimization problem can be obtained for each set as in Equation (13), by referencing [16].
where , , , , are the introduced dual variables, < > denotes the Frobenius product, , are the slack variables, and ≥0 denotes that the matrix is semi-positive definite.
3.2.3. Constraints and Dual Problems
Since distributionally robust optimization methods are based on finding expectations, they can only deal with the expectation function so that the inequality constraints are satisfied at the expectation level. However, due to the uncertain variables in the constraints, it is challenging to accurately represent the probability that the constraints will remain by only ensuring they are met at the expected level. Hence, this paper introduces an equivalent conditional expectation function [33] to preprocess the inequality function to enhance the accuracy of constraint information. By introducing the equivalent conditional expectation function (as shown in Equation (14)), the original inequality constraints can be reformulated as expectations (as shown in Equation (15)), resulting in a more comprehensive evaluation of constraints.
where z is the introduced auxiliary variable; β is the confidence level; and R is the conditional expectation limiting value, which is generally taken as a value near 0 or 0 directly. Therefore, the dual problem of the constraints can be defined as Equation (15).
4. Case Studies
4.1. Hydrocracking Process
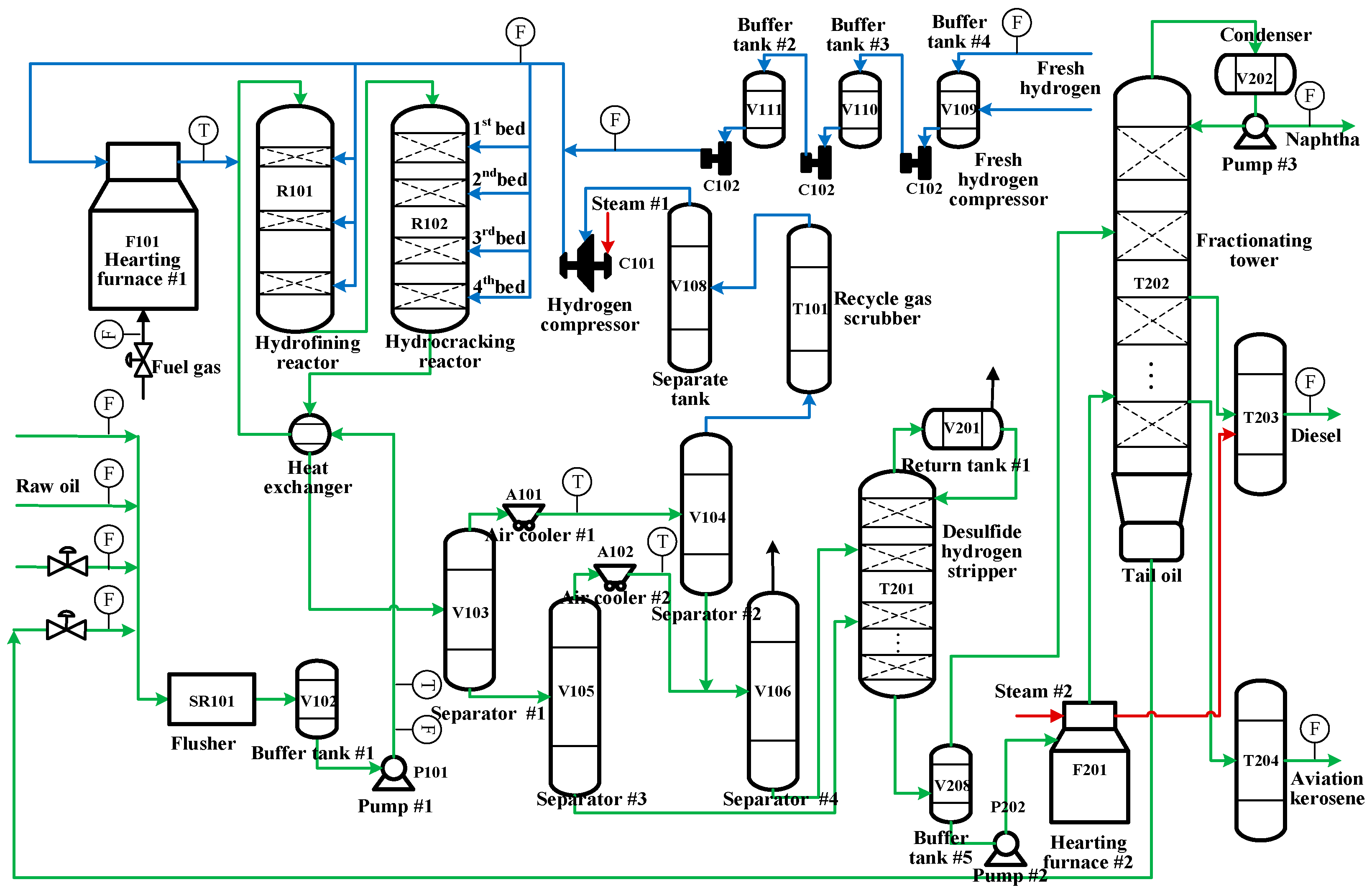
Hydrocracking is a petrochemical process that chemically transforms heavy oil and hydrogen into light oil through an intricate reaction. This reaction occurs in the presence of a catalyst, in a controlled environment, at high temperatures, and under high hydrogen pressure. Figure 5 displays the flowchart of the hydrocracking process. The hydrocracking process occurs through two main chemical reactions: hydrofining and hydrocracking. The reaction processes in the hydrofining and hydrocracking reactor are depicted in Figure 6. The feedstock enters the hydrofining reactor during the reaction process to undergo desulphurization and denitrogenation reactions to ensure that the nitrogen and sulfur levels at the reactor outlet are as required. Subsequently, the effluent from the hydrofining reaction effluent is sent into the hydrocracking reactor to undergo cracking reactions. The effluent from the hydrocracking reactor then enters the fractionation column for fractionation processing and physical distillation for the production of tail oils (unreacted feedstock oils), diesel fuel, aviation paraffin, heavy naphtha, light naphtha, and light-end gasses. The temperatures of the four reaction beds of the cracking reactor R102 are related to the quality and composition of the six output products. In order to keep the reactor operating under optimum conditions and to maximize the efficiency of the refinery, it is necessary to optimize the temperature of the cracking reactor, i.e., to obtain the optimum set values of the operating variables. Therefore, this paper selects the temperatures of the four inlet reaction beds in the hydrocracking reactor as the operating variables.
Figure 5.
Flowchart of hydrocracking process.
Figure 6.
Flowchart of hydrofining (R101) and hydrocracking reactors (R102).
The inlet temperature of each bed of the cracking reactor is controlled by a SISO system. Due to measurement noise, controller noise, electromagnetic or vibration disturbances from the external environment, and degradation of the controller’s performance, the actual measurable output of the control loop is not the initially optimized desired value, but fluctuates around the setpoint. This makes it difficult to operate the optimization objective in most state conditions. It is necessary to mitigate this negative effect by incorporating the effect of the stochastic performance of the controller on the optimization results into the operational optimization model.
4.2. Validation of the MO-VMD Method
This paper selects 1440 sets of sampling data (with a sampling interval of 1 min) from four-bed temperature control loops of a hydrocracking reactor in a petrochemical company in China to validate the random term extraction method. The performance of random term extraction based on MO-VMD (the method proposed in this paper), VMD, and a wavelet basis filtering (Wavelet) method are comparatively analyzed. Figure 7 demonstrates the effectiveness of the above three methods for extracting smooth random terms from the output data of the hydrocracking reactor’s third-bed temperature control loop, where (a) represents the values of the 1400 original data and the values of the trend terms calculated by the VMD, Wavelet, and MO-VMD, and (b) represents a detailed comparison of 400–600 of these data.
Figure 7.
Smooth random term extraction results of MO-VMD, VMD, and Wavelet methods.
As shown in Figure 7a, compared with the VMD method, the wavelet method and MO-VMD are more capable of reflecting the subtle fluctuations and general trends of the data. From Figure 7b, the output value curves of the VMD and wavelet methods more or less ignore the trend of the original data, while MO-VMD can reflect the trend of the original data more accurately. In order to better reflect the accuracy of the MO-VMD method, this paper further investigates the related errors of the above three methods, as shown in Figure 8.
Figure 8.
Scatterplot of the errors of the extraction results.
Figure 8 illustrates that the ultimate synthesis error of the signal, derived from MO-VMD processing, diminished, predominantly within the interval of 0 to 0.2. Other approaches exhibit error components over 0.3 and demonstrate inferior stability compared to MO-VMD. This discovery validates the robust decomposition efficacy of the methodologies outlined in this research.
4.3. Validation of the Distributionally Robust Optimization with Mild Zero-Mean
4.3.1. DRO Model Construction of Hydrocracking Process
The main goal of this paper is to maximize the financial gain corresponding to the unit mass of cracking reactor effluent while ensuring that product quality and safety standards are met, which can be represented as Equation (16).
where pr represents the market price of the six products; pf denotes the six product quality components (from R102), which can be described by a lasso regression model.
where denotes the lasso regression coefficient matrix, and represents the constant vector. In evaluating the stochastic performance of the controller, y can be articulated in the format
where x, y, and ξ denote the control loop setup values, control loop outputs, and smooth stochastic terms, respectively. Consequently, the distributionally robust objective function, which considers the stochastic performance of the control loops, can be articulated as follows:
Then, the dual reformulation of the above objective function can be expressed in the form shown in Equation (20).
Moreover, the first constraint can be further simplified via the Schur supplement [20,34], which can be expressed as Equation (21).
4.3.2. Constraints on the Optimization of Hydrocracking Production Operations
- Constraints on bed inlet temperature
In order to ensure the reliable operation of the cracking reactor’s reaction beds, it is essential to regulate the temperature at which the reactants enter each reaction bed and to limit the temperature variation at the entrances of each bed. The limitation for the temperature differential at the bed inlet is frequently articulated as follows.
where , , are the inlet temperature, inlet temperature minimum, and inlet temperature maximum of the jth bed, respectively. The dual problem can be represented as Equation (23).
- 2.
- Constraints on inlet temperature difference
To ensure the optimal functioning of a cracking reactor, it is essential to maintain uniform intake temperatures across each reaction bed. If the temperature disparity among the several reaction beds is excessive, the catalyst in the elevated temperature zone will attain the anticipated maximum operating temperature prematurely. This may result in diminished catalyst activity and decreasing reaction efficiency and output quality. Consequently, it is essential to regulate the temperatures of adjacent reaction beds, as follows.
where , , and are the temperature difference between the ith and (i+1)th bed inlet and the minimal and maximal values of the temperature difference between the ith and (i+1)th bed inlet, respectively. The dual problem is similar to the above.
4.3.3. Analysis of the Optimization Results
This study examines the effect of control loop stochastic performance on production optimization by analyzing temperature data from the four-bed inlet in the temperature control system of an actual hydrocracking process. The data were collected at 8:00 and 20:00 every day between 2 December 2015 and 30 April 2018. As a result of adjustments in raw materials and product specifications, the working conditions of the cracking reactor usually change [35], leading to corresponding adjustments in bed temperatures. Therefore, based on a single case temperature, the existing model fails to represent the working conditions accurately. The inlet temperature data are divided into three categories of I, II, and III, which can be issued via K-means clustering algorithm. The clustering centers for each category are shown in Table 1.
Table 1.
Cluster centers for each category.
To better reflect the impact of control loop stochastic performance on production operation optimization, this paper chooses optimization error and constraint overrun rate as evaluation indexes to measure the method.
- Optimization error
The control loop’s stochastic performance complicates the output value’s accurate alignment with the optimization parameters. Consequently, considering the impact of the stochastic performance of the control loops in the production optimization process aids in identifying the ideal operational target that aligns more closely with the actual operating conditions. In other words, the optimal outcome (economic efficiency) of the optimization objective, derived from the stochastic performance of the control loop, will more accurately reflect the actual production conditions. Therefore, the optimization error is used in this study as a significant assessment index for technique validation. As delineated in Equation (25), the optimization error is the disparity between the optimal value established by the optimization model and the actual value derived from the production operation digital twin model.
where represents the economic benefit calculated by the digital twin model, while represents the maximum economic benefit calculated by the optimization model. In order to more fully represent the impact of the control loop’s stochastic performance on operational optimization, this paper analyzes and compares three different scenarios. The three scenarios are the deterministic model (DM), which does not account for control loop stochasticity; the distributionally robust optimization model (DRO), which accounts for control loop stochasticity; and the approach proposed in this paper (MDRO). The basic parameters can be set as . Moreover, in order to verify the applicability under different operating conditions, four sets of data are selected for each of the three categories, I (1–4), II (5–8), and III (9–12), as shown in Figure 9.
Figure 9.
Optimization error bars for three different methods on three different categories.
It can be seen from Figure 9 that while there are variations in the optimization errors among the three operating condition categories, the uncertainty optimization method, which considers the impact of control loop stochastic performance, generally yields significantly more minor optimization errors compared with the deterministic optimization method, which does not assess control loop performance. Considering the impact of the stochastic performance of the control loop can significantly enhance the robustness of operation optimization. Furthermore, it is worth noting that for the same category of operating conditions, MDRO exhibits much smaller optimization error values than DRO and DM, indicating that the proposed method has better optimization performance than the conventional moment-distribution robust optimization.
To further illustrate the effect of control loop stochastic performance on operation optimization, the experiment also compares the optimization errors of each optimization model in the case of control loop stochastic performance degradation. Figure 10 shows the block diagrams of the optimization errors obtained from the analysis of 300 stochastic simulation experiments of the above four optimization models using the condition category II temperature data. Among them, scenarios a, b, c, and d are four different cases of further performance degradation of 200%, 300%, 500%, and 800% based on the stochastic performance of the initial controller, respectively.
Figure 10.
Box plots of optimization errors under different levels of stochastic performance degradation of control loops under operating condition II.
By analyzing Figure 10, it is evident that for the same controller performance, the box size of MDRO becomes smaller, and the variation range is constricted, indicating a lower error. The range of optimization error fluctuations escalates as the stochastic performance of the controller deteriorates, signifying that neglecting controller performance leads to inadequate adaptation to extreme conditions, thereby exacerbating the impact on optimization outcomes.
- 2.
- Constraint Violation Ratio
In addition to the optimization error, this paper defines a constraint violation ratio (CAR) metric (shown in Equation (26)) to measure how the operational optimization setpoints exceed the production requirement constraints when affected by the stochastic performance of the control loop to validate the robustness of the proposed method more fully.
where NC1, NC2 denote the total number of bed inlet temperature extreme constraints and bed inlet temperature difference constraints, respectively; NOutC1, NOutC2 denote the number of times the optimization setpoints exceeded these three constraints. In instances where the likelihood that the operation optimization setpoint surpasses the process requirement constraint value is elevated, the safety of the production operation is significantly jeopardized. Three hundred stochastic simulation experiments focused on operation optimization have been performed using the temperature data from operating condition class I. The CARs for the three methods, MD, MDRO, and IDRO, were calculated independently under 14 constraints, resulting in the scatter plots presented in Figure 11.
Figure 11.
Scatterplot of CAR for three optimization models.
Figure 11 illustrates that the CAR of DM exceeds 0.2, whereas the CAR of the uncertain optimization method, which accounts for the stochastic performance of the control loop, is considerably lower. In this study, the MDRO method demonstrates the smallest CAR and exhibits a more concentrated scatter. It clearly illustrates that the method presented in this paper is more robust and secure in optimizing production operations.
Figure 12 presents a comparative analysis of the CAR across the three methods under three distinct operating conditions. The figure indicates that the deterministic optimization method, which disregards the stochastic performance of the controller, achieves the highest CAR, approximately 0.2. The distributional robust optimization model aims to identify the optimal expected value of the objective function under the worst-case distribution within the uncertain set, thereby enhancing the model’s resilience to disturbances. In the meantime, the CAR achieved through the uncertain optimization method, which accounts for the stochastic performance of the controller, remains at a low level of 0.07. The MDRO model exhibits the lowest and most consistent constraint overrun rate among the options evaluated. Adding new constraints enhances the characterization of uncertainty in random variables, while the pre-processing of inequality constraints through the equivalent conditional expectation function clarifies the probability levels associated with these constraints.
Figure 12.
Line plots of CAR for the three methods under three different categories.
5. Conclusions
Conventional operational optimization presumes that control loops function consistently from their initial settings and are optimized deterministically. In practice, controller performance declines over time due to extended operation and insufficient maintenance. The control loop does not consistently operate at optimal settings. The optimization results derived from the assumptions above fail to accurately reflect the optimal operating conditions in the production process. This paper proposes an uncertainty optimization method to achieve an optimal production operation scheme that aligns more closely with actual production processes, considering the stochastic performance of the control loop. Based on the proposed multi-optimization variational model decomposition method, the analysis error of control loop stochastic performance can be stabilized in the range of 0~0.1 on average, which can more accurately calculate the influence of control loop performance on the optimization results. In light of the varying effects of control loop stochasticity on production operation optimization, a robust optimization method characterized by mild zero-mean distribution is proposed to identify optimal operating conditions that align more closely with actual production scenarios. The optimization error is reduced by more than 10%, and the constraint violation rate is reduced by 14% compared with not considering the control loop stochastic performance, demonstrating the effectiveness of the proposed method. Analysis of actual hydrocracking industrial data indicates that the proposed method demonstrates superior optimization performance and robustness.
However, as the scale of industrial production becomes more extensive and complex, the production operation uncertainty optimization based on a linear single objective cannot fully describe the actual behavior of the complex production process. Therefore, linear uncertain optimization needs to be extended to nonlinear uncertain optimization to reflect the complex relationships and interactions among multiple variables accurately. The methodology proposed in this paper can be applied not only to chemical processes but also to industries with the same phenomenon of uncertainty in information feedback between operating structures, such as power dispatching or energy management.
Author Contributions
Conceptualization, L.L.; Methodology, J.X.; Software, J.X.; Validation, S.L. and H.L.; Writing–original draft, J.X.; Writing—review & editing, J.L. and Y.X.; Supervision, L.L. All authors have read and agreed to the published version of the manuscript.
Funding
This work was supported in part by the National Natural Science Foundation of China (62103063, 62303494, 62303073), in part by the Science Research Project of Hunan Provincial Education Department (22B0329), and in part by the Natural Science Foundation of Hunan Province of China (2022JJ40510, 2024JJ6722).
Data Availability Statement
The data presented in this study are available on request from the corresponding author due to (data confidentiality).
Conflicts of Interest
Author Shu Liu was employed by the company Hangzhou Zhiyuan Research Institute Co., LTD. The remaining authors declare that the research was conducted in the absence of any commercial or financial relationships that could be construed as a potential conflict of interest.
References
- Yeo, L.S.; Teng, S.Y.; Ng, W.P.Q.; Lim, C.H.; Leong, W.D.; Lam, H.L.; Wong, Y.C.; Sunarso, J.; How, B.S. Sequential Optimization of Process and Supply Chains Considering Re-Refineries for Oil and Gas Circularity. Appl. Energy 2022, 322, 119485. [Google Scholar] [CrossRef]
- Wang, T.; Ye, Z.; Wang, X.; Li, Z.; Du, W. Improved Distributed Optimization Algorithm and Its Application in Energy Saving of Ethylene Plant. Chem. Eng. Sci. 2022, 251, 117449. [Google Scholar] [CrossRef]
- Wang, Z.; Nabavi, S.R.; Rangaiah, G.P. Multi-Criteria Decision Making in Chemical and Process Engineering: Methods, Progress, and Potential. Processes 2024, 12, 2532. [Google Scholar] [CrossRef]
- Liu, R.; Geng, H.; Miao, L. Research on Scheduling Optimization of Trains in Rail-Sea Intermodal Coal Supply Chain. In Proceedings of the Seventh International Conference on Traffic Engineering and Transportation System (ICTETS 2023), Dalian, China, 22–24 September 2023; Ghanizadeh, A.R., Jia, H., Eds.; SPIE: Dalian, China, 2024; p. 86. [Google Scholar]
- Song, Y.; Zhang, Y. Modeling and Optimization of the Inland Container Transportation Problem Considering Multi-Size Containers, Fuel Consumption, and Carbon Emissions. Processes 2024, 12, 2231. [Google Scholar] [CrossRef]
- Li, J.; Xu, L.; Zhang, Y.; Kou, Y.; Liang, W.; Bieerke, A.; Yuan, Z. Economic Dispatch of Integrated Energy Systems Considering Wind–Photovoltaic Uncertainty and Efficient Utilization of Electrolyzer Thermal Energy. Processes 2024, 12, 1627. [Google Scholar] [CrossRef]
- Wu, Q.; Li, C. Modeling and Operation Optimization of Hydrogen-Based Integrated Energy System with Refined Power-to-Gas and Carbon-Capture-Storage Technologies under Carbon Trading. Energy 2023, 270, 126832. [Google Scholar] [CrossRef]
- Godoy, J.L.; Ferramosca, A.; González, A.H. Economic Performance Assessment and Monitoring in LP-DMC Type Controller Applications. J. Process Control 2017, 57, 26–37. [Google Scholar] [CrossRef]
- Zhao, C.; Zhao, Y.; Su, H.; Huang, B. Economic Performance Assessment of Advanced Process Control with LQG Benchmarking. J. Process Control 2009, 19, 557–569. [Google Scholar] [CrossRef]
- Yang, Y.; Vayanos, P.; Barton, P.I. Chance-Constrained Optimization for Refinery Blend Planning under Uncertainty. Ind. Eng. Chem. Res. 2017, 56, 12139–12150. [Google Scholar] [CrossRef]
- Garcia-Verdier, T.G.; Gutierrez, G.; Méndez, C.A.; Palacín, C.G.; De Prada, C. Optimization of Crude Oil Operations Scheduling by Applying a Two-Stage Stochastic Programming Approach with Risk Management. J. Process Control 2024, 133, 103142. [Google Scholar] [CrossRef]
- Yang, Y.; Lu, Q.; Yu, Z.; Wang, W.; Hu, Q. Multi-Type Energy Storage Collaborative Planning in Power System Based on Stochastic Optimization Method. Processes 2024, 12, 2079. [Google Scholar] [CrossRef]
- Mesfin, G.; Shuhaimi, M. A Chance Constrained Approach for a Gas Processing Plant with Uncertain Feed Conditions. Comput. Chem. Eng. 2010, 34, 1256–1267. [Google Scholar] [CrossRef]
- Rezaee Jordehi, A. Risk-Aware Two-Stage Stochastic Programming for Electricity Procurement of a Large Consumer with Storage System and Demand Response. J. Energy Storage 2022, 51, 104478. [Google Scholar] [CrossRef]
- Fusco, A.; Gioffrè, D.; Francesco Castelli, A.; Bovo, C.; Martelli, E. A Multi-Stage Stochastic Programming Model for the Unit Commitment of Conventional and Virtual Power Plants Bidding in the Day-Ahead and Ancillary Services Markets. Appl. Energy 2023, 336, 120739. [Google Scholar] [CrossRef]
- Gholizadeh, H.; Fazlollahtabar, H. Robust Optimization and Modified Genetic Algorithm for a Closed Loop Green Supply Chain under Uncertainty: Case Study in Melting Industry. Comput. Ind. Eng. 2020, 147, 106653. [Google Scholar] [CrossRef]
- Li, T.; Long, J.; Zhao, L.; Du, W.; Qian, F. A Bilevel Data-Driven Framework for Robust Optimization under Uncertainty—Applied to Fluid Catalytic Cracking Unit. Comput. Chem. Eng. 2022, 166, 107989. [Google Scholar] [CrossRef]
- Scarf Herbert, E.; Arrow, K.J.; Karlin, S. A Min-Max Solution of an Inventory Problem. Int. J. Gen. Syst. 1957, 53, 1161–1191. [Google Scholar] [CrossRef]
- Bertsimas, D.; Popescu, I. Optimal Inequalities in Probability Theory: A Convex Optimization Approach. SIAM J. Optim. 2005, 15, 780–804. [Google Scholar] [CrossRef]
- Delage, E.; Ye, Y. Distributionally Robust Optimization Under Moment Uncertainty with Application to Data-Driven Problems. Oper. Res. 2010, 58, 595–612. [Google Scholar] [CrossRef]
- Wu, Z.; Sun, K. Distributionally Robust Optimization with Wasserstein Metric for Multi-Period Portfolio Selection under Uncertainty. Appl. Math. Model. 2023, 117, 513–528. [Google Scholar] [CrossRef]
- Hajebrahimi, A.; Kamwa, I.; Delage, E.; Abdelaziz, M.M.A. Adaptive Distributionally Robust Optimization for Electricity and Electrified Transportation Planning. IEEE Trans. Smart Grid 2020, 11, 4278–4289. [Google Scholar] [CrossRef]
- Chen, Y.; Guo, Q.; Sun, H.; Li, Z.; Wu, W.; Li, Z. A Distributionally Robust Optimization Model for Unit Commitment Based on Kullback–Leibler Divergence. IEEE Trans. Power Syst. 2018, 33, 5147–5160. [Google Scholar] [CrossRef]
- Liu, B.; Ge, X.; Liu, B.; Yuan, X. Distributionally Robust Optimization of Non-Fossil Fuels Processing Network under Uncertainty. Chem. Eng. J. 2022, 445, 136756. [Google Scholar] [CrossRef]
- Xiong, P.; Jirutitijaroen, P.; Singh, C. A Distributionally Robust Optimization Model for Unit Commitment Considering Uncertain Wind Power Generation. IEEE Trans. Power Syst. 2017, 32, 39–49. [Google Scholar] [CrossRef]
- Yang, L.; Yang, Y.; Chen, G.; Dong, Z. Distributionally Robust Framework and Its Approximations Based on Vector and Region Split for Self-Scheduling of Generation Companies. IEEE Trans. Ind. Inf. 2022, 18, 5231–5241. [Google Scholar] [CrossRef]
- He, W.; Zhao, J.; Zhao, L.; Li, Z.; Yang, M.; Liu, T. Data-Driven Two-Stage Distributionally Robust Optimization for Refinery Planning under Uncertainty. Chem. Eng. Sci. 2023, 269, 118466. [Google Scholar] [CrossRef]
- Ceria, S.; Stubbs, R.A. Incorporating Estimation Errors into Portfolio Selection: Robust Portfolio Construction. J. Asset. Manag. 2006, 7, 109–127. [Google Scholar] [CrossRef]
- Kang, Z.; Li, X.; Li, Z.; Zhu, S. Data-Driven Robust Mean-CVaR Portfolio Selection under Distribution Ambiguity. Quant. Financ. 2019, 19, 105–121. [Google Scholar] [CrossRef]
- Dragomiretskiy, K.; Zosso, D. Variational Mode Decomposition. IEEE Trans. Signal Process. 2014, 62, 531–544. [Google Scholar] [CrossRef]
- Broomhead, D.S.; King, G.P. Extracting Qualitative Dynamics from Experimental Data. Phys. D Nonlinear Phenom. 1986, 20, 217–236. [Google Scholar] [CrossRef]
- Shapiro, A. On Duality Theory of Conic Linear Problems. In Semi-Infinite Programming; Goberna, M.Á., López, M.A., Eds.; Nonconvex Optimization and Its Applications; Springer: Boston, MA, USA, 2001; Volume 57, pp. 135–165. ISBN 978-1-4419-5204-2. [Google Scholar]
- Kolla, R.K.; Prashanth, L.A.; Bhat, S.P.; Jagannathan, K. Concentration Bounds for Empirical Conditional Value-at-Risk: The Unbounded Case. Oper. Res. Lett. 2019, 47, 16–20. [Google Scholar] [CrossRef]
- Cottle, R.W. Manifestations of the Schur Complement. Linear Algebra Appl. 1974, 8, 189–211. [Google Scholar] [CrossRef]
- Gong, S.; Shao, C.; Zhu, L. An Energy Efficiency Integration Optimization Scheme for Ethylene Production with Respect to Multiple Working Conditions. Energy 2019, 182, 280–295. [Google Scholar] [CrossRef]
Disclaimer/Publisher’s Note: The statements, opinions and data contained in all publications are solely those of the individual author(s) and contributor(s) and not of MDPI and/or the editor(s). MDPI and/or the editor(s) disclaim responsibility for any injury to people or property resulting from any ideas, methods, instructions or products referred to in the content. |
© 2025 by the authors. Licensee MDPI, Basel, Switzerland. This article is an open access article distributed under the terms and conditions of the Creative Commons Attribution (CC BY) license (https://creativecommons.org/licenses/by/4.0/).











