Uncertainty Optimization of Industrial Production Operations Considering the Stochastic Performance of Control Loops
Abstract
1. Introduction
- (1)
- Usually, industrial production processes can be categorized into three layers: the planning and scheduling layer, the real-time optimization layer, and the process control layer. The diverse production operation mechanisms at each layer pose difficulties when quantifying the influence of control loop stochastic performance on operation optimization.
- (2)
- The complex and uncertain trends in the output timing of control loops make it difficult to analyze their stochastic performance.
- (3)
- Typically, modern industrial control systems undergo regular calibration with control parameters, resulting in small values for the stochastic performance of the controllers. Due to the minimal numerical variations, effectively representing the uncertainty of the stochastic performance of the control loop becomes challenging when constructing uncertain optimization problems for production processes.
- (1)
- It provides a novel information interactive framework for the uncertain optimization of production operations and reveals the influence mechanism of the process control layer on the real-time optimization layer.
- (2)
- It designs a multi-optimization variational modal decomposition (MO-VMD) strategy to extract random terms from the control loop output data accurately.
- (3)
- It defines a set of moment uncertainties with the net condition that the mild mean is zero, and based on this, it develops an improved distributionally robust optimization method to enhance uncertain optimization performance successfully.
2. Problem Description and Proposed Solution
2.1. Problem Description
2.2. Proposed Solution
3. Methods
3.1. Smooth Random Term Extraction
3.1.1. Multi-Optimization Variational Mode Decomposition
3.1.2. Crossover Filtering Screening
3.2. Distributionally Robust Optimization with Mild Zero-Mean
3.2.1. DRO Model Construction
3.2.2. Objective Functions and Dual Problems
3.2.3. Constraints and Dual Problems
4. Case Studies
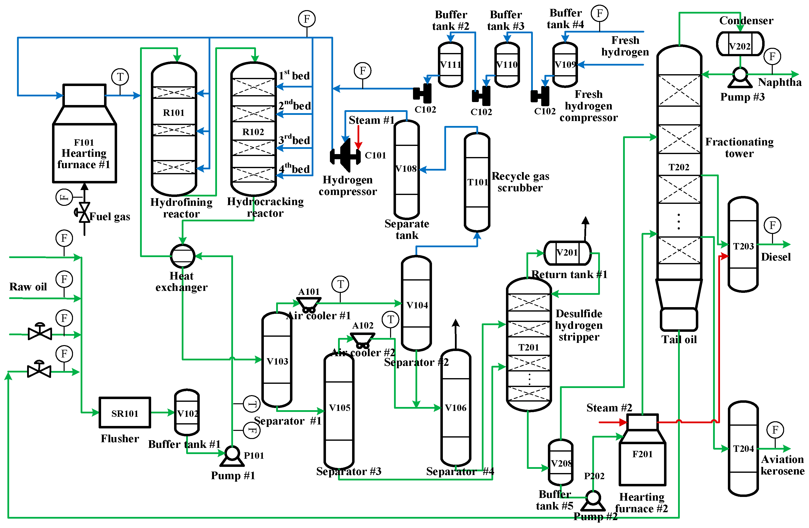
4.1. Hydrocracking Process
4.2. Validation of the MO-VMD Method
4.3. Validation of the Distributionally Robust Optimization with Mild Zero-Mean
4.3.1. DRO Model Construction of Hydrocracking Process
4.3.2. Constraints on the Optimization of Hydrocracking Production Operations
- Constraints on bed inlet temperature
- 2.
- Constraints on inlet temperature difference
4.3.3. Analysis of the Optimization Results
- Optimization error
- 2.
- Constraint Violation Ratio
5. Conclusions
Author Contributions
Funding
Data Availability Statement
Conflicts of Interest
References
- Yeo, L.S.; Teng, S.Y.; Ng, W.P.Q.; Lim, C.H.; Leong, W.D.; Lam, H.L.; Wong, Y.C.; Sunarso, J.; How, B.S. Sequential Optimization of Process and Supply Chains Considering Re-Refineries for Oil and Gas Circularity. Appl. Energy 2022, 322, 119485. [Google Scholar] [CrossRef]
- Wang, T.; Ye, Z.; Wang, X.; Li, Z.; Du, W. Improved Distributed Optimization Algorithm and Its Application in Energy Saving of Ethylene Plant. Chem. Eng. Sci. 2022, 251, 117449. [Google Scholar] [CrossRef]
- Wang, Z.; Nabavi, S.R.; Rangaiah, G.P. Multi-Criteria Decision Making in Chemical and Process Engineering: Methods, Progress, and Potential. Processes 2024, 12, 2532. [Google Scholar] [CrossRef]
- Liu, R.; Geng, H.; Miao, L. Research on Scheduling Optimization of Trains in Rail-Sea Intermodal Coal Supply Chain. In Proceedings of the Seventh International Conference on Traffic Engineering and Transportation System (ICTETS 2023), Dalian, China, 22–24 September 2023; Ghanizadeh, A.R., Jia, H., Eds.; SPIE: Dalian, China, 2024; p. 86. [Google Scholar]
- Song, Y.; Zhang, Y. Modeling and Optimization of the Inland Container Transportation Problem Considering Multi-Size Containers, Fuel Consumption, and Carbon Emissions. Processes 2024, 12, 2231. [Google Scholar] [CrossRef]
- Li, J.; Xu, L.; Zhang, Y.; Kou, Y.; Liang, W.; Bieerke, A.; Yuan, Z. Economic Dispatch of Integrated Energy Systems Considering Wind–Photovoltaic Uncertainty and Efficient Utilization of Electrolyzer Thermal Energy. Processes 2024, 12, 1627. [Google Scholar] [CrossRef]
- Wu, Q.; Li, C. Modeling and Operation Optimization of Hydrogen-Based Integrated Energy System with Refined Power-to-Gas and Carbon-Capture-Storage Technologies under Carbon Trading. Energy 2023, 270, 126832. [Google Scholar] [CrossRef]
- Godoy, J.L.; Ferramosca, A.; González, A.H. Economic Performance Assessment and Monitoring in LP-DMC Type Controller Applications. J. Process Control 2017, 57, 26–37. [Google Scholar] [CrossRef]
- Zhao, C.; Zhao, Y.; Su, H.; Huang, B. Economic Performance Assessment of Advanced Process Control with LQG Benchmarking. J. Process Control 2009, 19, 557–569. [Google Scholar] [CrossRef]
- Yang, Y.; Vayanos, P.; Barton, P.I. Chance-Constrained Optimization for Refinery Blend Planning under Uncertainty. Ind. Eng. Chem. Res. 2017, 56, 12139–12150. [Google Scholar] [CrossRef]
- Garcia-Verdier, T.G.; Gutierrez, G.; Méndez, C.A.; Palacín, C.G.; De Prada, C. Optimization of Crude Oil Operations Scheduling by Applying a Two-Stage Stochastic Programming Approach with Risk Management. J. Process Control 2024, 133, 103142. [Google Scholar] [CrossRef]
- Yang, Y.; Lu, Q.; Yu, Z.; Wang, W.; Hu, Q. Multi-Type Energy Storage Collaborative Planning in Power System Based on Stochastic Optimization Method. Processes 2024, 12, 2079. [Google Scholar] [CrossRef]
- Mesfin, G.; Shuhaimi, M. A Chance Constrained Approach for a Gas Processing Plant with Uncertain Feed Conditions. Comput. Chem. Eng. 2010, 34, 1256–1267. [Google Scholar] [CrossRef]
- Rezaee Jordehi, A. Risk-Aware Two-Stage Stochastic Programming for Electricity Procurement of a Large Consumer with Storage System and Demand Response. J. Energy Storage 2022, 51, 104478. [Google Scholar] [CrossRef]
- Fusco, A.; Gioffrè, D.; Francesco Castelli, A.; Bovo, C.; Martelli, E. A Multi-Stage Stochastic Programming Model for the Unit Commitment of Conventional and Virtual Power Plants Bidding in the Day-Ahead and Ancillary Services Markets. Appl. Energy 2023, 336, 120739. [Google Scholar] [CrossRef]
- Gholizadeh, H.; Fazlollahtabar, H. Robust Optimization and Modified Genetic Algorithm for a Closed Loop Green Supply Chain under Uncertainty: Case Study in Melting Industry. Comput. Ind. Eng. 2020, 147, 106653. [Google Scholar] [CrossRef]
- Li, T.; Long, J.; Zhao, L.; Du, W.; Qian, F. A Bilevel Data-Driven Framework for Robust Optimization under Uncertainty—Applied to Fluid Catalytic Cracking Unit. Comput. Chem. Eng. 2022, 166, 107989. [Google Scholar] [CrossRef]
- Scarf Herbert, E.; Arrow, K.J.; Karlin, S. A Min-Max Solution of an Inventory Problem. Int. J. Gen. Syst. 1957, 53, 1161–1191. [Google Scholar] [CrossRef]
- Bertsimas, D.; Popescu, I. Optimal Inequalities in Probability Theory: A Convex Optimization Approach. SIAM J. Optim. 2005, 15, 780–804. [Google Scholar] [CrossRef]
- Delage, E.; Ye, Y. Distributionally Robust Optimization Under Moment Uncertainty with Application to Data-Driven Problems. Oper. Res. 2010, 58, 595–612. [Google Scholar] [CrossRef]
- Wu, Z.; Sun, K. Distributionally Robust Optimization with Wasserstein Metric for Multi-Period Portfolio Selection under Uncertainty. Appl. Math. Model. 2023, 117, 513–528. [Google Scholar] [CrossRef]
- Hajebrahimi, A.; Kamwa, I.; Delage, E.; Abdelaziz, M.M.A. Adaptive Distributionally Robust Optimization for Electricity and Electrified Transportation Planning. IEEE Trans. Smart Grid 2020, 11, 4278–4289. [Google Scholar] [CrossRef]
- Chen, Y.; Guo, Q.; Sun, H.; Li, Z.; Wu, W.; Li, Z. A Distributionally Robust Optimization Model for Unit Commitment Based on Kullback–Leibler Divergence. IEEE Trans. Power Syst. 2018, 33, 5147–5160. [Google Scholar] [CrossRef]
- Liu, B.; Ge, X.; Liu, B.; Yuan, X. Distributionally Robust Optimization of Non-Fossil Fuels Processing Network under Uncertainty. Chem. Eng. J. 2022, 445, 136756. [Google Scholar] [CrossRef]
- Xiong, P.; Jirutitijaroen, P.; Singh, C. A Distributionally Robust Optimization Model for Unit Commitment Considering Uncertain Wind Power Generation. IEEE Trans. Power Syst. 2017, 32, 39–49. [Google Scholar] [CrossRef]
- Yang, L.; Yang, Y.; Chen, G.; Dong, Z. Distributionally Robust Framework and Its Approximations Based on Vector and Region Split for Self-Scheduling of Generation Companies. IEEE Trans. Ind. Inf. 2022, 18, 5231–5241. [Google Scholar] [CrossRef]
- He, W.; Zhao, J.; Zhao, L.; Li, Z.; Yang, M.; Liu, T. Data-Driven Two-Stage Distributionally Robust Optimization for Refinery Planning under Uncertainty. Chem. Eng. Sci. 2023, 269, 118466. [Google Scholar] [CrossRef]
- Ceria, S.; Stubbs, R.A. Incorporating Estimation Errors into Portfolio Selection: Robust Portfolio Construction. J. Asset. Manag. 2006, 7, 109–127. [Google Scholar] [CrossRef]
- Kang, Z.; Li, X.; Li, Z.; Zhu, S. Data-Driven Robust Mean-CVaR Portfolio Selection under Distribution Ambiguity. Quant. Financ. 2019, 19, 105–121. [Google Scholar] [CrossRef]
- Dragomiretskiy, K.; Zosso, D. Variational Mode Decomposition. IEEE Trans. Signal Process. 2014, 62, 531–544. [Google Scholar] [CrossRef]
- Broomhead, D.S.; King, G.P. Extracting Qualitative Dynamics from Experimental Data. Phys. D Nonlinear Phenom. 1986, 20, 217–236. [Google Scholar] [CrossRef]
- Shapiro, A. On Duality Theory of Conic Linear Problems. In Semi-Infinite Programming; Goberna, M.Á., López, M.A., Eds.; Nonconvex Optimization and Its Applications; Springer: Boston, MA, USA, 2001; Volume 57, pp. 135–165. ISBN 978-1-4419-5204-2. [Google Scholar]
- Kolla, R.K.; Prashanth, L.A.; Bhat, S.P.; Jagannathan, K. Concentration Bounds for Empirical Conditional Value-at-Risk: The Unbounded Case. Oper. Res. Lett. 2019, 47, 16–20. [Google Scholar] [CrossRef]
- Cottle, R.W. Manifestations of the Schur Complement. Linear Algebra Appl. 1974, 8, 189–211. [Google Scholar] [CrossRef]
- Gong, S.; Shao, C.; Zhu, L. An Energy Efficiency Integration Optimization Scheme for Ethylene Production with Respect to Multiple Working Conditions. Energy 2019, 182, 280–295. [Google Scholar] [CrossRef]












| Category | Inlet Temperature of the First to Fourth Beds for R102 (°C) | |||
|---|---|---|---|---|
| I | 391.13 | 391.77 | 391.49 | 394.35 |
| II | 385.28 | 386.19 | 386.96 | 389.81 |
| III | 373.87 | 379.02 | 378.83 | 382.47 |
Disclaimer/Publisher’s Note: The statements, opinions and data contained in all publications are solely those of the individual author(s) and contributor(s) and not of MDPI and/or the editor(s). MDPI and/or the editor(s) disclaim responsibility for any injury to people or property resulting from any ideas, methods, instructions or products referred to in the content. |
© 2025 by the authors. Licensee MDPI, Basel, Switzerland. This article is an open access article distributed under the terms and conditions of the Creative Commons Attribution (CC BY) license (https://creativecommons.org/licenses/by/4.0/).
Share and Cite
Li, L.; Xiang, J.; Liu, S.; Li, J.; Long, H.; Xue, Y. Uncertainty Optimization of Industrial Production Operations Considering the Stochastic Performance of Control Loops. Processes 2025, 13, 113. https://doi.org/10.3390/pr13010113
Li L, Xiang J, Liu S, Li J, Long H, Xue Y. Uncertainty Optimization of Industrial Production Operations Considering the Stochastic Performance of Control Loops. Processes. 2025; 13(1):113. https://doi.org/10.3390/pr13010113
Chicago/Turabian StyleLi, Ling, Junlin Xiang, Shu Liu, Jiaxin Li, Hangli Long, and Yongfei Xue. 2025. "Uncertainty Optimization of Industrial Production Operations Considering the Stochastic Performance of Control Loops" Processes 13, no. 1: 113. https://doi.org/10.3390/pr13010113
APA StyleLi, L., Xiang, J., Liu, S., Li, J., Long, H., & Xue, Y. (2025). Uncertainty Optimization of Industrial Production Operations Considering the Stochastic Performance of Control Loops. Processes, 13(1), 113. https://doi.org/10.3390/pr13010113

