Low-Power Very-Large-Scale Integration Implementation of Fault-Tolerant Parallel Real Fast Fourier Transform Architectures Using Error Correction Codes and Algorithm-Based Fault-Tolerant Techniques
Abstract
1. Introduction
- error detection;
- fault location;
- reconfiguration;
- recovery and continued service.
- We research the issues and challenges related to soft errors in digital systems.
- We propose a solution that can detect and correct the errors.
- We design and implement two memory-based Real Fast Fourier Transform (RFFT) architectures that achieve the proposed goals.
- Experimental results show that the proposed single RAM-based and dual RAM-based fault-tolerant parallel RFFT architectures are fault-tolerant, along with less hardware utilization in both FPGA and ASIC platforms.
- The successful implementation of RFFT architectures with a reduced hardware utilization.
2. Literature Survey
3. Problem Statement
- For applications like OCT, OFDM, etc., high-speed and fault-tolerant FFTs are used, in which all of the FFTs operate in parallel to process different data at a time.
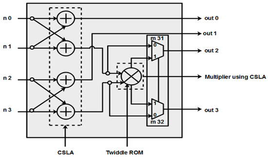
- In the FFT architecture, the processing element (PE) plays a major role. The efficient design of its components decides the entire architectural efficiency (in terms of area, power, and delay), which depends on choosing proper adder and multiplier architectures.
- Soft error occurrence may affect the FFT operation for an iteration time, which leads to the corruption of the processed data of that particular iteration.
- Therefore, protected parallel FFTs with less redundancy is needed.
4. RFFT Architectures
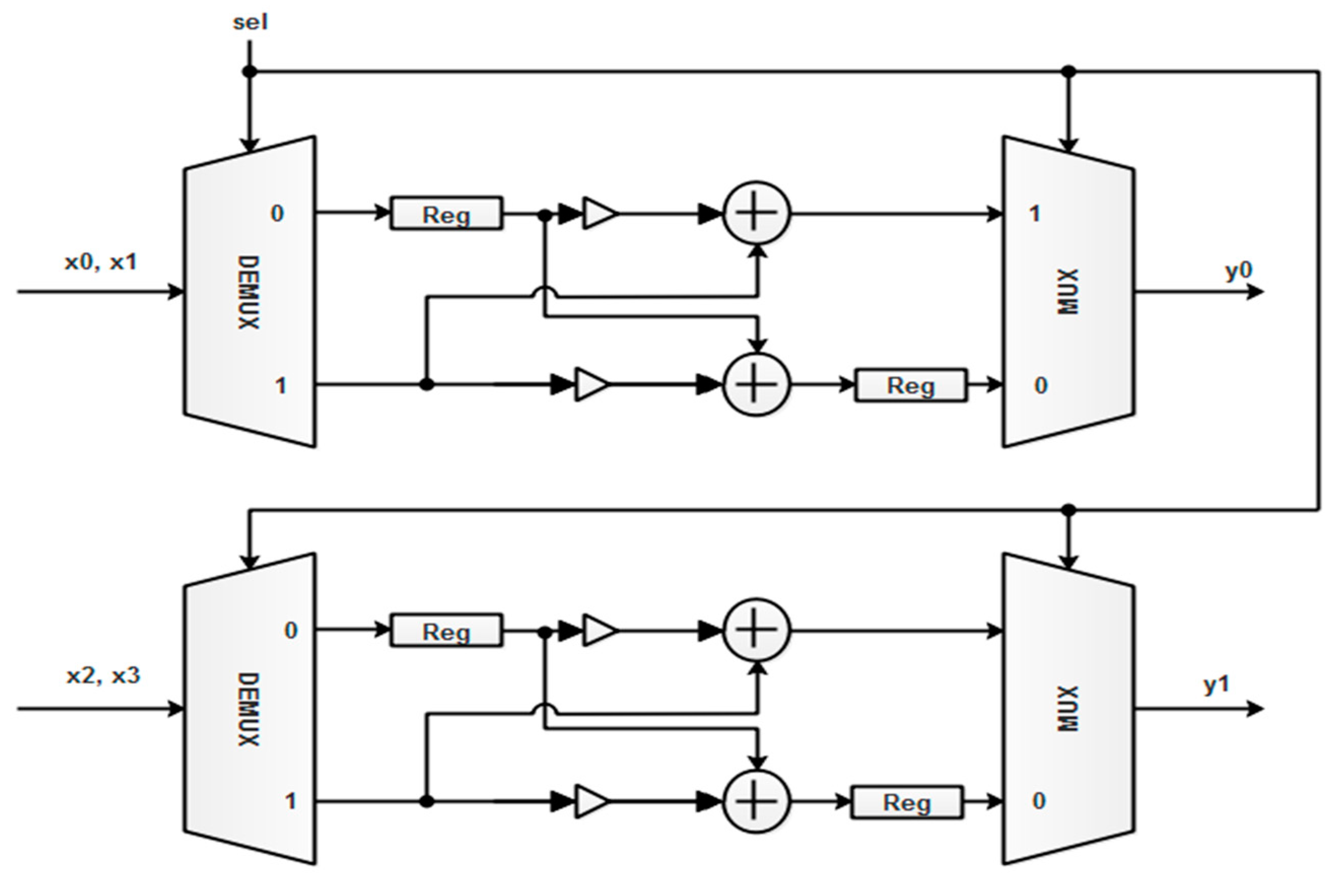
4.1. Dual RAM-Based RFFT Architecture
- Control unit: For coordinating each and every block in the architecture.
- RAM0: To hold input data.
- RAM1: To hold intermediate data and output results.
- Address generators: To provide addresses to RAM0 and RAM1.
- Processing element: To perform butterfly operation.
- Multiplexer: To select which data to process among input and intermediate data.
- Demultiplexer: Distributes the processed data to RAM units.
- Register bank: Stores the final output.
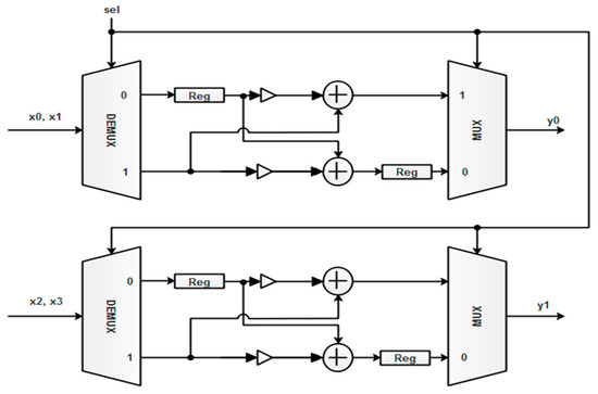
4.2. Single RAM-Based RFFT Architecture
5. Proposed Memory-Based Protection Techniques for Parallel RFFTs
5.1. Using Error Correction Codes (ECCs)
5.2. Using Parity Sum of Squares (SOSs)
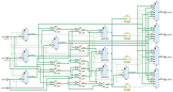
5.3. Using Parity-SOS-ECC
6. Experimental Results and Discussion
7. Conclusions
Author Contributions
Funding
Data Availability Statement
Conflicts of Interest
References
- Baumann, R. Soft errors in advanced computer systems. IEEE Des. Test Comput. 2005, 22, 258–266. [Google Scholar] [CrossRef]
- International Technology Roadmap for Semiconductors. 2008. Available online: http://www.itrs.net/Links/2008ITRS/Home2008.html (accessed on 14 August 2008).
- Ko, Y. Characterizing System-Level Masking Effects against Soft Errors. Electronics 2021, 10, 2286. [Google Scholar] [CrossRef]
- Vijay, M.; Mittal, R. Algorithm-based fault tolerance: A review. Microprocess. Microsyst. 1997, 21, 151–161. [Google Scholar] [CrossRef]
- Reddy, L.N.; Banerjee, P. Algorithm-based fault detection for signal processing applications. IEEE Trans. Comput. 1990, 39, 1304–1308. [Google Scholar] [CrossRef]
- Koren, I.; Su, S. Reliability Analysis of N-Modular Redundancy Systems with Intermittent and Permanent Faults. IEEE Trans. Comput. 1979, C-28, 514–520. [Google Scholar] [CrossRef]
- Shim, B.; Shanbhag, N.R. Energy-efficient soft error-tolerant digital signal processing. IEEE Trans. Very Large Scale Integr. (VLSI) Syst. 2006, 14, 336–348. [Google Scholar] [CrossRef]
- Jou, J.Y.; Abraham, J.A. Fault-tolerant FFT networks. IEEE Trans. Comput. 1988, 37, 548–561. [Google Scholar] [CrossRef]
- Wang, S.-J.; Jha, N.K. Algorithm-based fault tolerance for FFT networks. IEEE Trans. Comput. 1994, 43, 849–854. [Google Scholar] [CrossRef]
- Saravanan, M.; Parthasarathy, E. Impact of Pocket Layer on Linearity and Analog/RF Performance of InAs-GaSb Vertical Tunnel Field-Effect Transistor. J. Electron. Mater. 2023, 52, 2772–2779. [Google Scholar] [CrossRef]
- Saravanan, M.; Parthasarathy, E. A Review of III-V Tunnel Field Effect Transistors for Future Ultra Low Power Digital/Analog Applications. Microelectron. J. 2021, 114, 105102. [Google Scholar] [CrossRef]
- Joshi, S.M. FFT Architectures: A Review. Int. J. Comput. Appl. 2015, 116, 33–36. [Google Scholar]
- Tang, S.-N.; Jan, F.-C.; Cheng, H.-W.; Lin, C.-K.; Wu, G.-Z. Multimode Memory-Based FFT Processor for Wireless Display FD-OCT Medical Systems. IEEE Trans. Circuits Syst. I Regul. Pap. 2014, 61, 3394–3406. [Google Scholar] [CrossRef]
- Stüber, G.L.; Barry, J.R.; McLaughlin, S.W.; Li, Y.; Ingram, M.A.; Pratt, T.G. Broadband MIMO-OFDM wireless communications. Proc. IEEE 2004, 92, 271–294. [Google Scholar] [CrossRef]
- Ayinala, M.; Brown, M.; Parhi, K.K. Pipelined parallel FFT architectures via folding transformation. IEEE Trans. VLSI Syst. 2012, 20, 1068–1081. [Google Scholar] [CrossRef]
- Gao, Z.; Reviriego, P.; Pan, W.; Xu, Z.; Zhao, M.; Wang, J.; Maestro, J.A. Fault tolerant parallel filters based on error correction codes. IEEE Trans. Very Large Scale Integr. (VLSI) Syst. 2015, 23, 384–387. [Google Scholar] [CrossRef]
- Gao, Z.; Reviriego, P.; Xu, Z.; Su, X.; Zhao, M.; Wang, J.; Maestro, J.A. Fault Tolerant Parallel FFTs Using Error Correction Codes and Parseval Checks. IEEE Trans. Very Large Scale Integr. (VLSI) Syst. 2016, 24, 769–773. [Google Scholar] [CrossRef]
- Xie, Y.; Yang, C.; Mao, C.-A.; Chen, H.; Xie, Y.-Z. A novel low-overhead fault tolerant parallel-pipelined FFT design. In Proceedings of the 2017 IEEE International Symposium on Defect and Fault Tolerance in VLSI and Nanotechnology Systems (DFT), Cambridge, UK, 23–25 October 2017; pp. 1–4. [Google Scholar] [CrossRef]
- Liang, X.; Chen, J.; Tao, D.; Li, S.; Wu, P.; Li, H.; Ouyang, K.; Liu, Y.; Song, F.; Chen, Z. Correcting soft errors online in fast fourier transform. In Proceedings of the International Conference for High Performance Computing, Networking, Storage and Analysis (SC ‘17), Denver, CO, USA, 12–17 November 2017; Association for Computing Machinery: New York, NY, USA, 2017. Article 30. pp. 1–12. [Google Scholar] [CrossRef]
- González-Toral, R.; Reviriego, P.; Maestro, J.A.; Gao, Z. A Scheme to Design Concurrent Error Detection Techniques for the Fast Fourier Transform Implemented in SRAM-Based FPGAs. IEEE Trans. Comput. 2018, 67, 1039–1045. [Google Scholar] [CrossRef]
- Mao, C.-A.; Xie, Y.; Xie, Y.; Chen, H.; Shi, H. An Automated Fault Injection Platform for Fault Tolerant FFT Implemented in SRAM-Based FPGA. In Proceedings of the 2018 31st IEEE International System-on-Chip Conference (SOCC), Arlington, VA, USA, 4–7 September 2018; pp. 192–196. [Google Scholar] [CrossRef]
- Wei, X.; Xie, Y.Z.; Xie, Y.; Chen, H. Dynamic partial reconfiguration scheme for fault-tolerant FFT processor based on FPGA. Inst. Eng. Technol. J. 2019, 2019, 7424–7427. [Google Scholar] [CrossRef]
- Rajasekhar, T.; Ram, M.S.S. Low area high-speed LC-CSLA-FFT architecture for radix-2 decimation in frequency algorithm. J. Adv. Res. Dyn. Control Syst. 2018, 10, 811–826. [Google Scholar]
- Rajasekhar, T.; Ram, M.S.S. Low power VLSI implementation of real fast Fourier transform with DRAM-VM-CLA. Microprocess. Microsyst. 2019, 69, 92–100. [Google Scholar]
- Kumar, A.; Kumar, A.; Devrari, A. Hardware Chip Performance Analysis of Different FFT Architecture. Int. J. Electron. 2020, 108, 1124–1140. [Google Scholar] [CrossRef]













| b1, b2, b3 | Error Bit Position |
|---|---|
| 000 | No error |
| 111 | E1 |
| 110 | E2 |
| 101 | E3 |
| 011 | E4 |
| 100 | E5 |
| 010 | E6 |
| 001 | E7 |
| Type of RFFT | Technique | Slice Registers | Slice LUTs | LUT–Flip-Flop Pairs | Delay (ns) | Frequency (MHz) |
|---|---|---|---|---|---|---|
| Radix-2 Burst I/O [25] | ECC | 992 | 5349 | 784 | 3.54 | 282.48 |
| Parity-SOS | 775 | 5244 | 624 | 3.85 | 259.74 | |
| Parity-SOS-ECC | 876 | 5784 | 814 | 3.67 | 272.47 | |
| Dual RAM-Based RFFT | ECC | 768 | 4499 | 585 | 2.41 | 336.70 |
| Parity-SOS | 851 | 3669 | 457 | 2.57 | 340.13 | |
| Parity-SOS-ECC | 786 | 3747 | 457 | 2.24 | 363.63 | |
| Single RAM-Based RFFT | ECC | 358 | 269 | 412 | 2.41 | 414.93 |
| Parity-SOS | 167 | 3072 | 229 | 2.57 | 389.10 | |
| Parity-SOS-ECC | 38 | 809 | 37 | 2.24 | 446.42 |
| Technology | Type of RFFT | Technique | Area (um2) | Power (mW) | Delay (ns) | Power Delay Product (pJ) |
|---|---|---|---|---|---|---|
| 45 nm | Radix-2 Burst I/O [25] | ECC | 11,362.74 | 2.61 | 1.85 | 4.83 |
| Parity-SOS | 104,799.24 | 3.35 | 1.77 | 5.93 | ||
| Parity-SOS-ECC | 87,864.83 | 3.93 | 1.77 | 6.96 | ||
| Dual RAM-Based RFFT | ECC | 10,145.30 | 2.35 | 1.73 | 4.06 | |
| Parity-SOS | 93,570.86 | 3.02 | 1.72 | 5.20 | ||
| Parity-SOS-ECC | 78,462.35 | 3.54 | 1.72 | 6.08 | ||
| Single RAM-Based RFFT | ECC | 9967.54 | 2.05 | 1.65 | 3.38 | |
| Parity-SOS | 85,277.52 | 2.75 | 1.63 | 4.48 | ||
| Parity-SOS-ECC | 66,341.38 | 1.49 | 1.73 | 2.58 | ||
| 90 nm | Radix-2 Burst I/O [25] | ECC | 15,052.34 | 3.86 | 1.87 | 7.21 |
| Parity-SOS | 158,245.07 | 4.97 | 1.84 | 9.14 | ||
| Parity-SOS-ECC | 132,693.45 | 5.42 | 1.84 | 9.97 | ||
| Dual RAM-Based RFFT | ECC | 13,089.07 | 3.36 | 1.69 | 5.67 | |
| Parity-SOS | 137,604.41 | 4.32 | 1.64 | 7.08 | ||
| Parity-SOS-ECC | 115,385.61 | 5.06 | 1.63 | 8.24 | ||
| Single RAM-Based RFFT | ECC | 11,414.82 | 2.93 | 1.59 | 4.65 | |
| Parity-SOS | 125,408.12 | 3.93 | 1.54 | 6.05 | ||
| Parity-SOS-ECC | 97,561.34 | 2.14 | 1.53 | 3.27 |
| Technology | Type of RFFT | Technique | Reduced % of Power | Reduced % of PDP |
|---|---|---|---|---|
| 45 nm | Radix-2 Burst I/O [25] | ECC | 21.45 | 30.02 |
| Parity-SOS | 17.91 | 24.45 | ||
| Parity-SOS-ECC | 62.08 | 62.93 | ||
| Dual RAM-Based RFFT | ECC | 12.76 | 16.74 | |
| Parity-SOS | 8.94 | 13.84 | ||
| Parity-SOS-ECC | 57.90 | 57.56 | ||
| 90 nm | Radix-2 Burst I/O [25] | ECC | 24.09 | 35.50 |
| Parity-SOS | 20.92 | 33.80 | ||
| Parity-SOS-ECC | 60.51 | 67.20 | ||
| Dual RAM-Based RFFT | ECC | 12.79 | 17.98 | |
| Parity-SOS | 9.02 | 14.54 | ||
| Parity-SOS-ECC | 57.70 | 60.31 |
Disclaimer/Publisher’s Note: The statements, opinions and data contained in all publications are solely those of the individual author(s) and contributor(s) and not of MDPI and/or the editor(s). MDPI and/or the editor(s) disclaim responsibility for any injury to people or property resulting from any ideas, methods, instructions or products referred to in the content. |
© 2023 by the authors. Licensee MDPI, Basel, Switzerland. This article is an open access article distributed under the terms and conditions of the Creative Commons Attribution (CC BY) license (https://creativecommons.org/licenses/by/4.0/).
Share and Cite
Chowdary, M.K.; Turaka, R.; Alabduallah, B.; Khan, M.; Babu, J.C.; Kiran, A. Low-Power Very-Large-Scale Integration Implementation of Fault-Tolerant Parallel Real Fast Fourier Transform Architectures Using Error Correction Codes and Algorithm-Based Fault-Tolerant Techniques. Processes 2023, 11, 2389. https://doi.org/10.3390/pr11082389
Chowdary MK, Turaka R, Alabduallah B, Khan M, Babu JC, Kiran A. Low-Power Very-Large-Scale Integration Implementation of Fault-Tolerant Parallel Real Fast Fourier Transform Architectures Using Error Correction Codes and Algorithm-Based Fault-Tolerant Techniques. Processes. 2023; 11(8):2389. https://doi.org/10.3390/pr11082389
Chicago/Turabian StyleChowdary, M. Kalpana, Rajasekhar Turaka, Bayan Alabduallah, Mudassir Khan, J. Chinna Babu, and Ajmeera Kiran. 2023. "Low-Power Very-Large-Scale Integration Implementation of Fault-Tolerant Parallel Real Fast Fourier Transform Architectures Using Error Correction Codes and Algorithm-Based Fault-Tolerant Techniques" Processes 11, no. 8: 2389. https://doi.org/10.3390/pr11082389
APA StyleChowdary, M. K., Turaka, R., Alabduallah, B., Khan, M., Babu, J. C., & Kiran, A. (2023). Low-Power Very-Large-Scale Integration Implementation of Fault-Tolerant Parallel Real Fast Fourier Transform Architectures Using Error Correction Codes and Algorithm-Based Fault-Tolerant Techniques. Processes, 11(8), 2389. https://doi.org/10.3390/pr11082389

