Environmental Economical Dispatching of Electric–Gas Integrated Energy System Considering Hydrogen Compressed-Natural Gas
Abstract
1. Introduction
2. Construction of the EGIES Considering HCNG
2.1. P2H Model
2.2. Hydrogen Storage Device
2.3. Flexible Hydrogen Doping Mode
3. Dispatch Model of the EGIES Considering HCNG
3.1. Objective Function
3.2. Constraints
3.2.1. Power System Constraints
3.2.2. Natural Gas Constraints
3.3. Model Solution
Linearization of Nonlinear Equations
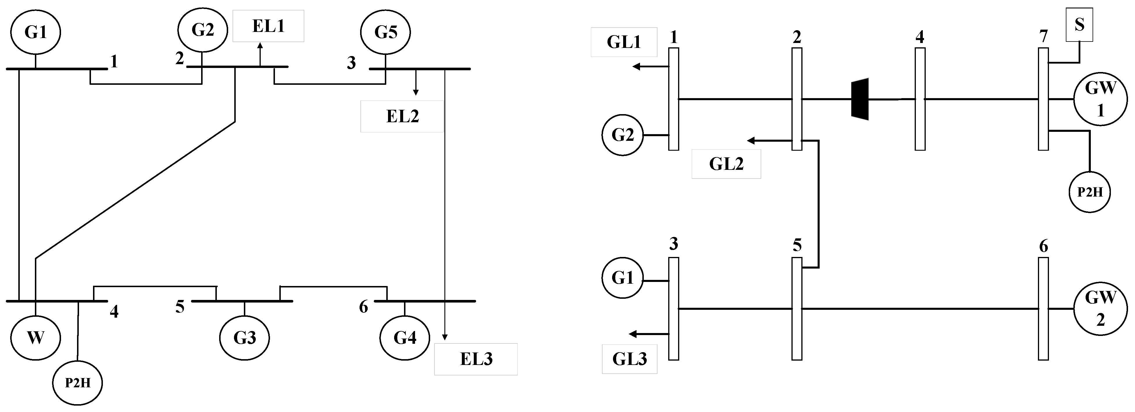
4. Results and Discussion
- Case 1: Environmental and economic dispatch of the EGIES without considering P2H equipment.
- Case 2: Based on Case 1, P2H and HFC equipment are added, but hydrogen is not mixed into the natural gas pipeline.
- Case 3: Based on Case 1, P2H equipment is added, and the case where hydrogen is mixed into the natural gas pipelines is the only one considered.
- Case 4: Based on Case 2, the case where hydrogen is mixed into the natural gas pipeline is added.
4.1. Optimization Results and Analysis
4.2. Wind Power Reduction Results and Analysis
4.3. Analysis of Hydrogen Doping Results
4.4. Sensitivity Analysis
5. Conclusions
Author Contributions
Funding
Institutional Review Board Statement
Informed Consent Statement
Data Availability Statement
Acknowledgments
Conflicts of Interest
Appendix A

| Unit | /(MBtu/MW2h) | /(MBtu/MWh) | /MBtu | /MBtu | /MBtu | /(USD/MBtu) |
|---|---|---|---|---|---|---|
| G1 | 0.0024 | 12.33 | 28 | 120 | 0 | 2.5 |
| G2 | 0.008 | 14.51 | 42 | 30 | 0 | 2.5 |
| G3 | 0.0459 | 15.47 | 74.33 | 40 | 0 | 2.5 |
| G4 | 0.0128 | 17.82 | 10.15 | 50 | 0 | 2.5 |
| G5 | 0.0044 | 13.29 | 39 | 100 | 0 | 2.5 |
| Unit | /MW | /MW | /MW | /MW | /h | /h | /(kcf/MWh) |
|---|---|---|---|---|---|---|---|
| G1 | 50 | 250 | 100 | 100 | 3 | 3 | 14.38 |
| G2 | 10 | 50 | 30 | 30 | 2 | 2 | 14.38 |
| G3 | 40 | 80 | 30 | 30 | 3 | 3 | 14.38 |
| G4 | 50 | 100 | 40 | 40 | 4 | 4 | 15.28 |
| G5 | 100 | 200 | 80 | 80 | 5 | 5 | 14.02 |
| Start Node | Termination Node | /(p.u.) | Transmission Restrictions/MW |
|---|---|---|---|
| 1 | 2 | 0.037 | 200 |
| 1 | 4 | 0.016 | 200 |
| 2 | 3 | 0.1015 | 175 |
| 2 | 4 | 0.117 | 175 |
| 3 | 6 | 0.0355 | 175 |
| 4 | 5 | 0.037 | 200 |
| 5 | 6 | 0.127 | 200 |
| Gas Well | /(kcf/h) | /(kcf/h) | /(USD/kcf) |
|---|---|---|---|
| GW1 | 1000 | 500 | 5 |
| GW2 | 1200 | 600 | 5.5 |
| /(kcf) | /(kcf) | /(kcf/h) | /(USD/kcf) | /(kcf) | /(USD/kcf) |
|---|---|---|---|---|---|
| 2000 | 200 | 500 | 200 | 1000 | 1 |
| Start Node | Termination Node | /(kcf/Psig) | ||
|---|---|---|---|---|
| 1 | 2 | 60.6 | / | / |
| 2 | 4 | 58.1 | 1.2 | 1 |
| 2 | 5 | 47.5 | / | / |
| 3 | 5 | 58.5 | / | / |
| 4 | 7 | 58.1 | / | / |
| 5 | 6 | 69.3 | / | / |
| Node | /Psig | /Psig |
|---|---|---|
| 1 | 60 | 55 |
| 2 | 70 | 60 |
| 3 | 65 | 55 |
| 4 | 70 | 60 |
| 5 | 67 | 55 |
| 6 | 72 | 60 |
| 7 | 72 | 60 |
References
- Li, J.; Obara, S. Study on Hydrogen Energy Supply System with Natural Gas Pipeline in China. In Proceedings of the 2019 IEEE PES Asia-Pacific Power and Energy Engineering Conference (APPEEC), Macao, China, 1–4 December 2019; pp. 1–4. [Google Scholar] [CrossRef]
- Rohith, P.K.; Priolkar, J.; Kunkolienkar, G.R. Hydrogen: An Innovative and Alternative Energy for the Future. In Proceedings of the 2016 World Conference on Futuristic Trends in Research and Innovation for Social Welfare (Startup Conclave), Coimbatore, India, 29 February–1 March 2016; pp. 1–5. [Google Scholar] [CrossRef]
- Zhang, Y.; Zhou, Y.; Song, P.; Liu, W.; Wang, X.; Chen, H.; Lei, X. The Research on Application of Power-to-Heat (P2H) Technologies Combined into Integrated Energy System. In Proceedings of the 2018 International Conference on Power System Technology (POWERCON), Guangzhou, China, 6–8 November 2018; pp. 4537–4543. [Google Scholar] [CrossRef]
- Clegg, S.; Mancarella, P. Integrated Modeling and Assessment of the Operational Impact of Power-to-Gas (P2G) on Electrical and Gas Transmission Networks. IEEE Trans. Sustain. Energy 2015, 6, 1234–1244. [Google Scholar] [CrossRef]
- Wu, Q.H.; Qin, Y.J.; Wu, L.L.; Zheng, J.H.; Li, M.S.; Jing, Z.X.; Zhou, X.X.; Wei, F. Optimal operation of integrated energy systems subject to coupled demand constraints of electricity and natural gas. CSEE J. Power Energy Syst. 2020, 6, 444–457. [Google Scholar] [CrossRef]
- Ji, Z.; Kang, C.; Chen, Q.; Xia, Q.; Jiang, C.; Chen, Z.; Xin, J. Low-Carbon Power System Dispatch Incorporating Carbon Capture Power Plants. IEEE Trans. Power Syst. 2013, 28, 4615–4623. [Google Scholar] [CrossRef]
- Li, Y.; Du, Y.; Xiang, K.; Lin, C.; Lin, H.; Yang, Y. Planning Model of Integrated Energy System Considering P2G and Energy Storage. In Proceedings of the 2019 IEEE 3rd Conference on Energy Internet and Energy System Integration (EI2), Changsha, China, 8–10 November 2019; pp. 1246–1251. [Google Scholar] [CrossRef]
- Zhang, Y.; Wang, X.; He, J.; Xu, Y.; Pei, W. Optimization of Distributed Integrated Multi-energy System Considering Industrial Process Based on Energy Hub. J. Mod. Power Syst. Clean Energy 2020, 8, 863–873. [Google Scholar] [CrossRef]
- Martínez-Mares, A.; Fuerte-Esquivel, C.R.; de Ingeniería, I. Integrated Energy Flow Analysis in Natural Gas and Electricity Coupled Systems. In Proceedings of the 2011 North American Power Symposium, Boston, MA, USA, 4–6 August 2011; pp. 1–7. [Google Scholar] [CrossRef]
- Xie, D.; Kang, L.; Jia, Y.; Chen, H.; Tian, F.; Bai, Y.; Zhang, B.; Cui, X. Low-Carbon Economic Dispatch of Integrated Energy System Considering Hydrogen Mixing in Natural Gas Pipeline. In Proceedings of the 2021 IEEE 5th Conference on Energy Internet and Energy System Integration (EI2), Taiyuan, China, 22–24 October 2021; pp. 160–164. [Google Scholar] [CrossRef]
- Tabkhi, F.; Azzaro-Pantel, C.; Pibouleau, L.; Domenech, S. A mathematical framework for modeling and evaluating natural gas pipeline networks under hydrogen injection. Int. J. Hydrogen Energy 2008, 33, 6222–6231. [Google Scholar] [CrossRef]
- Liu, C.; Shahidehpour, M.; Fu, Y.; Li, Z. Security-Constrained Unit Commitment With Natural Gas Transmission Constraints. IEEE Trans. Power Syst. 2009, 24, 1523–1536. [Google Scholar] [CrossRef]
- Li, G.; Zhang, R.; Jiang, T.; Chen, H.; Bai, L.; Li, X. Security-constrained bi-level economic dispatch model for integrated natural gas and electricity systems considering wind power and power-to-gas process. Appl. Energy 2017, 194, 696–704. [Google Scholar] [CrossRef]
- Urbina, M.; Li, Z. A Combined Model for Analyzing the Interdependency of Electrical and Gas Systems. In Proceedings of the 39th North American Power Symposium, Las Cruces, NM, USA, 30 September–2 October 2007. [Google Scholar]
- Correa-Posada, C.M.; Sanchez-Martin, P. Gas Network Optimization: A Comparison of Piecewise Linear Models. Available online: http://www.optimization-online.org/DB_HTML/2014/10/4580.html (accessed on 15 February 2022).
- He, C.; Wu, L.; Liu, T.; Shahidehpour, M. Robust Co-Optimization Scheduling of Electricity and Natural Gas Systems via ADMM. IEEE Trans. Sustain. Energy 2017, 8, 658–670. [Google Scholar] [CrossRef]











| Case | Total Cost/USD | Fuel Cost/USD | Carbon Tax Cost/USD | Wind Abandonment Penalty Cost/USD |
|---|---|---|---|---|
| 1 | 660,961.27 | 459,645.22 | 114,486.38 | 86,829.67 |
| 2 | 583,590.90 | 452,978.90 | 95,494.67 | 35,117.33 |
| 3 | 539,374.13 | 376,531.29 | 109,092.18 | 53,750.66 |
| 4 | 435,415.79 | 111,975.03 | 63,608.53 | 259,832.23 |
Publisher’s Note: MDPI stays neutral with regard to jurisdictional claims in published maps and institutional affiliations. |
© 2022 by the authors. Licensee MDPI, Basel, Switzerland. This article is an open access article distributed under the terms and conditions of the Creative Commons Attribution (CC BY) license (https://creativecommons.org/licenses/by/4.0/).
Share and Cite
Song, X.; Qu, Z.; Kou, J.; Wang, Y.; Georgievitch, P.M. Environmental Economical Dispatching of Electric–Gas Integrated Energy System Considering Hydrogen Compressed-Natural Gas. Processes 2022, 10, 2642. https://doi.org/10.3390/pr10122642
Song X, Qu Z, Kou J, Wang Y, Georgievitch PM. Environmental Economical Dispatching of Electric–Gas Integrated Energy System Considering Hydrogen Compressed-Natural Gas. Processes. 2022; 10(12):2642. https://doi.org/10.3390/pr10122642
Chicago/Turabian StyleSong, Xinhui, Zhengwei Qu, Jianan Kou, Yunjing Wang, and Popov Maxim Georgievitch. 2022. "Environmental Economical Dispatching of Electric–Gas Integrated Energy System Considering Hydrogen Compressed-Natural Gas" Processes 10, no. 12: 2642. https://doi.org/10.3390/pr10122642
APA StyleSong, X., Qu, Z., Kou, J., Wang, Y., & Georgievitch, P. M. (2022). Environmental Economical Dispatching of Electric–Gas Integrated Energy System Considering Hydrogen Compressed-Natural Gas. Processes, 10(12), 2642. https://doi.org/10.3390/pr10122642

