Resistance-Capacitance Gas Sensor Based on Fractal Geometry
Abstract
:1. Introduction
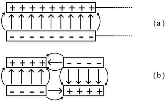
2. Fractal Electrode Design
3. Methods
3.1. Fractal Electrode Manufacture
3.2. Carbon Nano Tube Coatings
3.3. Sensor Measurement
4. Results and Discussion
4.1. Morphology
4.2. Gas Sensing Characteristic
5. Conclusions
Author Contributions
Funding
Conflicts of Interest
References
- Li, S.; Wang, W.; Liang, F.; Zhang, W.X. Heavy metal removal using nanoscale zero-valent iron (nZVI): Theory and application. J. Hazard. Mater. 2016, 322, 163–171. [Google Scholar] [CrossRef] [PubMed]
- Chen, X. Method for Improving Detection Accuracy of Electronic Nose System. Master’s Thesis, Chongqing University, Chongqing, China, 2016. [Google Scholar]
- Zhang, W. Research on Key Technologies of Gas Identification Based on Sensor Array Transient Response. Ph.D. Thesis, National University of Defense Technology, Changsha, China, 2013. [Google Scholar]
- Schroeder, V.; Savagatrup, S.; He, M.; Lin, S.; Swager, T.M. Carbon Nanotube Chemical Sensors. Chem. Rev. 2019, 119, 1599–1663. [Google Scholar] [CrossRef] [PubMed]
- Ishihara, S.; Labuta, J.; Nakanishi, T.; Tanaka, T.; Kataura, H. Amperometric Detection of Sub-ppm Formaldehyde Using Single-Walled Carbon Nanotubes and Hydroxylamines: A Referenced Chemiresistive System. ACS Sens. 2017, 2, 1405–1409. [Google Scholar] [CrossRef] [PubMed]
- Wang, X. Fabrication of Porous Metal Oxide Semiconductors and Analysis of Their Properties. Ph.D. Thesis, Shandong University, Jinan, China, 2014. [Google Scholar]
- Gillet, M.; Aguir, K.; Bendahan, M.; Mennini, P. Grain size effect in sputtered tungsten trioxide thin films on the sensitivity to ozone. Thin Solid Films 2005, 484, 358–363. [Google Scholar] [CrossRef]
- Xiao, C. Study on the One-Dimensional Structure Design of Nanomaterials and Their Gas Sensing Properties. Master’s. Thesis, Jilin University, Changchun, China, 2015. [Google Scholar]
- Bo, L. Study on Structure Improvement of Microstructured Si-based SnO2 Gas Sensor. Master’s Thesis, Dalian University of Technology, Dalian, China, 2010. [Google Scholar]
- Zhang, Q.; Guan, Z.-S. Gas Sensors of Electric Resistance Semiconductors. Instrum. Tech. Sens. 2006, 7, 6–9. [Google Scholar]
- Ma, X. Study on Design and Characteristics of Micro-Structure Gas Sensor Based on Silicon Substrate. Master’s Thesis, Jilin University, Changchun, China, 2013. [Google Scholar]
- Lin, X. Philosophical Random Walk in Fractals; Capital Normal University Press: Beijing, China, 1999. [Google Scholar]
- Iijima, S. Helical microtubules of graphitic carbon. Nature 1991, 354, 56–58. [Google Scholar] [CrossRef]
- Zhou, C.; Kong, J.; Dai, H. Electrical measurements of individual semiconducting single-walled carbon nanotubes of various diameters. Appl. Phys. Lett. 2000, 76, 1597–1599. [Google Scholar] [CrossRef]
- Hannon, A.; Lu, Y.; Li, J.; Meyyappan, M. Room temperature carbon nanotube based sensor for carbon monoxide detection. J. Sens. Sens. Syst. 2014, 3, 349–354. [Google Scholar] [CrossRef]
- Kong, J.; Franklin, N.R.; Zhou, C.; Chapline, M.G.; Peng, S.; Cho, K.; Dai, H. Nanotube molecular wires as chemical sensors. Science 2000, 287, 622–625. [Google Scholar] [CrossRef] [PubMed]
- Li, J.; Lu, Y.; Ye, Q.; Cinke, M.; Han, J.; Meyyappan, M. Carbon Nanotube Sensors for Gas and Organic Vapor Detection. Nano Lett. 2003, 3, 929–933. [Google Scholar] [CrossRef]
- Hoa, N.D.; Quy, N.V.; Cho, Y.; Kim, D. An ammonia gas sensor based on non-catalytically synthesized carbon nanotubes on an anodic aluminum oxide template. Sens. Actuators B Chem. 2007, 127, 447–454. [Google Scholar] [CrossRef]
- Peano, G. Sur une courbe, qui remplit toute une aire plane. Math. Ann. 1970, 36, 157–160. [Google Scholar] [CrossRef]
- Hilbert, D. Über die stetige Abbildung einer Linie auf ein Flächenstück. Math. Ann. 1891, 38, 459–460. [Google Scholar] [CrossRef]
- Frame, M.; Urry, A. Fractal Worlds: Grown, Built, and Imagined; Yale University Press: New Haven, CT, USA, 2016. [Google Scholar]
- Xu, W.; Zhuang, M.; Wang, D. Fractal Planar Capacitors Based on Interdigital Structures. J. Jimei Univ. Nat. Sci. 2010, 15, 389–393. [Google Scholar]
- Deng, H. Research of the MWNTs Benzene Series Vapor Sensor. Master’s Thesis, Harbin Institute of Technology, Harbin, China, 2010. [Google Scholar]
- Chengdu Organic Chemicals Co., Ltd. Chinese Academy of Sciences. Multi-Walled Carbon Nanotube Material Technical Data [EB/OL]. Available online: http://meizhenqu.l58a.bolead.com/view.php?prt=3,29,50,81&id=114 (accessed on 6 May 2019).













| Characteristic | Unit | MWCNTs | Characterization Method |
|---|---|---|---|
| Outer Diameter | nm | 20–30 | HRTEM (high resolution transmission electron microscope), Raman |
| Purity | wt% | >98 | TGA (thermal gravimetric analyzer) & TEM (transmission electron microscope) |
| Length | μm | 10–30 | TEM |
| Special Surface Area | m2/g | >110 | BET (Brunauer, Emmett, Teller) Specific Surface Area Detection Method |
| ASH | wt% | <1.5 | TGA |
| Electric Conductivity | s/cm | >100 | - |
| Tap Density | g/cm3 | 0.28 | - |
| -COOH Content | wt% | 1.23 | XPS (X-ray photoelectron spectroscopy) & Titration |
© 2019 by the authors. Licensee MDPI, Basel, Switzerland. This article is an open access article distributed under the terms and conditions of the Creative Commons Attribution (CC BY) license (http://creativecommons.org/licenses/by/4.0/).
Share and Cite
Yang, T.; Tian, F.; Covington, J.A.; Xu, F.; Xu, Y.; Jiang, A.; Qian, J.; Liu, R.; Wang, Z.; Huang, Y. Resistance-Capacitance Gas Sensor Based on Fractal Geometry. Chemosensors 2019, 7, 31. https://doi.org/10.3390/chemosensors7030031
Yang T, Tian F, Covington JA, Xu F, Xu Y, Jiang A, Qian J, Liu R, Wang Z, Huang Y. Resistance-Capacitance Gas Sensor Based on Fractal Geometry. Chemosensors. 2019; 7(3):31. https://doi.org/10.3390/chemosensors7030031
Chicago/Turabian StyleYang, Taicong, Fengchun Tian, James A. Covington, Feng Xu, Yi Xu, Anyan Jiang, Junhui Qian, Ran Liu, Zichen Wang, and Yangfan Huang. 2019. "Resistance-Capacitance Gas Sensor Based on Fractal Geometry" Chemosensors 7, no. 3: 31. https://doi.org/10.3390/chemosensors7030031
APA StyleYang, T., Tian, F., Covington, J. A., Xu, F., Xu, Y., Jiang, A., Qian, J., Liu, R., Wang, Z., & Huang, Y. (2019). Resistance-Capacitance Gas Sensor Based on Fractal Geometry. Chemosensors, 7(3), 31. https://doi.org/10.3390/chemosensors7030031

