Abstract
Higher education plays a crucial role in modern society and in emerging energy systems, due to the rising complexity of the phenomena and the interplay among various layers (physical, cyber, social and economic). To cope with this context, universities need to develop new visions and tools for education and training. Real-time simulation (RTS) is emerging as a novel and effective approach to analyzing power system aspects, and this characteristic can be effectively used in power system courses. Hence, after the presentation of the basics about the RTS, the paper will show the advantages of employing RTS for teaching activities. Finally, two examples of didactic activities involving RTS at Politecnico di Torino will be presented. In fact, RTS is part of both multi-disciplinary projects (where students with different backgrounds can face the issues affecting the protection and control of power systems) and the course “Electrical systems and safety”, where RTS is used to study the behavior of voltage transformers in saturation.
1. Introduction
Nowadays, the power system is facing a paradigm change, due to the increasing share of non-dispatchable renewable energy sources (RES) mainly installed at the distribution level [1]. Furthermore, smart equipment, such as smart metering infrastructures, are being utilized to actively engage the loads within the power system operation, in order to add additional flexibility to the system and cope with the intermittence of non-dispatchable RES [2]. The infrastructures are also growing in terms of complexity and interaction with each other [3], and the communication systems used with the aim of exchanging information between the different components are also being extensively developed [4]. Therefore, the development of advanced management systems, either equipment or strategies, is becoming more and more important for power networks [5].
In this framework, higher education plays a crucial role in the development of emerging energy systems, and universities need to develop new visions and tools employed in education and training [6]. New syllabi have to balance theoretical knowledge and hands-on work to put the students at the core of the concepts and issues in an environment virtualizing the real world, and allowing for real-like immersive experiences in dedicated facilities.
There are many different types of simulation tools that can be adopted to virtualize the real world, for studying different aspects of power system operation and planning (from large-scale high-voltage transmission systems to low-voltage distribution grids or even small controllers or devices), for a variety of applications (from transient analysis to long-term planning).
An innovative laboratory for students in electrical engineering courses is presented in [7], designed to provide high ICT content for each test rig, a multidisciplinary experience, and to enable a hands-on teaching methodology, allowing the student to safely have access to complex electrical and electromechanical systems. A feature comparison with other innovative laboratories described in the literature is also presented.
In [8], an example of the implementation of the CDIO (Conceive, Design, Implement, Operate) approach, an innovative engineering education mode already implemented by several universities all over the world, was analyzed, expounding the peculiar characteristics and the implementation process, and emphasizing the advantages on the quality of teaching.
In [9], four innovative approaches, which allow for the inclusion of distance learning students and the usage of computer-simulated tools widely used in industry (such as PSIM or Simulink), have been compared: multimedia for remote education, virtual experiments, the project-based education method and the problem-based learning method. A unique virtual laboratory has been described and designed to provide a practical example.
The role of a comprehensive teaching software in a power system analysis course is investigated in [10] by using the VTPCE-PS (Virtual Teaching Platform for Comprehensive Experiments of Power Systems) platform to assist the laboratory exercise carried out with the project-based learning approach, highlighting the improvement in the understanding of the power systems by the students.
A detailed description of a Virtual Experimental platform for Power System teaching (VEPS) based on object-oriented thinking and developed in Python language is provided in [11], highlighting the modularity of the structure (divided into object, function and interface layers), the flexibility of the elements and parameters settings and the quality of the man–machine interaction interface with respect to traditional existing Python power system libraries, such as PyPower, PyPSA and pandapower.
However, the deployment of new systems requires tests and validations before implementation: new equipment models should be tested before making any prototypes, or the physical prototypes should be replaced with virtual models in advance and hence tested in a virtual environment or network model. This requires power network simulation as close as possible to the real world. New strategies (e.g., fault location algorithms, demand side management, and so on) should also be verified before applying them to the real world. To meet all these requirements, real-time simulation (RTS) of power systems seems to be a promising approach; it can therefore also be used for hands-on works with the students, in particular in hardware-in-the-loop or power hardware-in-the-loop setups, in order to provide a better knowledge on the use and behavior of innovative components and systems.
This paper focuses on these didactic aspects of RTS: after an introduction of the basics of RTS (Section 2), a literature review about the use of RTS for teaching is presented in Section 3. After that, the adopted methodology is introduced in Section 4, and two examples of the use of RTS at Politecnico di Torino are shown in Section 5. Finally, the discussion and conclusions are reported in Section 6.
2. Introduction to Real-Time Simulation and Its Application in Power Systems
A simulation is defined as an experiment carried out by using an ad hoc code developed with the aim of replicating, in the computer environment, real phenomena by solving a proper mathematical model, by including temporal and environmental boundaries. What makes a simulation a real-time simulation (RTS) is the amount of time required to compute all equations/functions representing a system; in fact, in the real-time simulation, this time is exactly equal to the duration of the time-step (1 s in the real world is exactly equal to 1 s in the simulation).
RTS involves two computers, called Target and Host Computer. The Target represents the real-time simulator, while the Host is a computer that communicates with the Target in order to send and receive data from it. Target and Host Computer are interfaced by dedicated communication protocols, such as UDP/IP (User Datagram Protocol). Finally, there are two different types of communication within an RTS environment: synchronous communication and asynchronous communication:
- Synchronous communication:
- Used for communication among CPU cores.
- Extremely high speed.
- Capable for RTS.
- Asynchronous communication:
- Used for communication between Target and Host computer.
- Relatively low speed.
RTS provides a virtual environment of the systems in which new control strategies or technologies can be tested ex ante, i.e., before implementing them in the real world, providing reliable real-like information on the impacts and benefits.
In power systems, RTS is becoming an emerging tool due to its main advantage of replacing physical systems with virtual systems, by maintaining the connection with external Devices Under Test (DUT). This allows the test costs to be reduced and enables a more complete and continuous testing of the entire system without interruptions. Many possible configurations without physical modifications can be tested under possibly dangerous conditions (in the real world) but safely (thanks to the simulation environment).
This advantage can be mainly gained from three simulation setups, such as software-in-the-loop (SIL), hardware-in-the-loop (HIL) and power hardware-in-the-loop (PHIL). In SIL configuration, software that works on a real component or on a control system interacts with the simulator that represents the remaining part of the system where it is necessary to test the new element. For instance, an algorithm or a model can be tested with respect to the real network or system. In HIL configuration, physical components are also included in the simulation and the interaction between them, and the software occurs through the exchange of low power signals. HIL testing leverages RTS to connect real equipment, through sensors and actuators, and “fools” them into thinking that they are connected to the real environment. This allows users to perform realistic closed-loop tests without the need to test in the real environment. Typically, the DUT is a controller device, a sensor or an intelligent electronic device. In the PHIL configuration, it is possible to include in the simulation physical components able to supply a power-intensive real physical device. PHIL can be interpreted as an extension of HIL and requires a virtual power interface between the digital simulation and DUT. Typically, the power interface involves power amplifiers, which can be linear or switching based. Some examples of DUT in a PHIL simulation are power controllers, power converters (e.g., inverters and rectifiers), protection devices, electric machines and batteries.
One of the most important features of RTS is its computation parallelism capability, in which different components of the model could be assigned to different calculation cores: more processors of the same computer are used, with the aim of reducing the execution time of the model, and this provides the ability to run larger models since more memory and more computational power are available. The problem is broken into discrete parts that can be solved concurrently, and each part is further broken down into a series of instructions. This approach is opposite to that of sequential computing, where the problem is also broken into a discrete series of instructions that can be executed only one after another, and not concurrently. The concepts of parallel and sequential computing are shown in Figure 1.
Figure 1.
Exemplification of sequential and parallel computing: (a) the power system equations may be solved only sequentially; (b) the power system equations are divided into blocks and solved separately (e.g., the equation related to the inertial and primary response of the generators to a system frequency variation are decoupled and may be solved in parallel separately).
The computation parallelism capability also allows us to divide the model into different subsystems and assign them to different computational cores (one core for each subsystem). In this way, the overall model (monolithic) is decoupled across multiple computational cores, obtaining what is called real-time co-simulation. The overall simulation can be carried out with different machines located in the same area (e.g., a laboratory) and interconnected through a Local Area Network (LAN). Real-time co-simulation can be interpreted as an evolution of parallel simulation with the computing cores belonging to different machines interconnected via LAN. Figure 2 shows the concept of the co-simulation.
Figure 2.
Exemplification of real-time co-simulation.
The principles of real-time co-simulation can also be used to create a distributed virtual environment in which different users or computers, located in different labs (e.g., located in different cities or countries), concurrently execute a simulation. In this case, the simulation is called geographically distributed real-time co-simulation (GD-RTS).
GD-RTS refers to the concept of partitioning a monolithic simulation model into subsystems that are simulated concurrently on multiple real-time simulators located at geographically dispersed facilities [12,13,14]. The overall simulation is obtained by running the different simulations of the various subsystems that interact with each other through the exchange of appropriate variables. Typically, the exchanged variables are those that define the power (i.e., current and voltage) and they are exchanged through a Wide Area Network (WAN).
This type of approach allows for the implementation of remote software-in-the-loop (R-SIL), remote hardware-in-the-loop (R-HIL) and remote power hardware-in-the-loop (R-PHIL), i.e., the possibility of including hardware and software elements from remote laboratories in the overall simulation. Figure 3 illustrates an example in which n sites are interconnected to each other via a VPN (Virtual Private Network) using different configuration setups.
Figure 3.
Example of GD-RTS.
There are mainly four conditions for which the interconnection of GD-RTS can be a beneficial solution: (i) soft-sharing of hardware (HW) and software (SW) facilities (without moving them or going where they are) [15]; (ii) enhancing simulation capabilities to simulate larger systems and more complicated systems (What makes a system “large” is not only the size of the model in terms of number of nodes, but also the simulation time step. The simulation time step is usually set based on the purpose of the simulation and the required time scale for the analysis. Regarding the interconnection issue, the time step should be set at least equal to the round-trip communication delay. Considering this limit, in case the model cannot be run using all available calculation cores of a local machine, it is a “large” case, which needs to be split and run on more than one machine.); (iii) soft-sharing of expertise in a large knowledge-based virtual environment (different labs may need RTS for different purposes and applications according to their research interests or available experts, while not necessarily in each single lab, experts in all fields of power systems are working); (iv) keeping susceptible data/model/algorithm confidential.
However, there are some critical aspects that can affect the fidelity and reliability of the co-simulation mainly due to communication through the Internet, which does not allow for the implementation of any simulation [16].
3. Literature Review about the Didactic Approaches for Power System Studies Involving RTS
Real-time simulation has been seldom used as a teaching approach in academia. In this section, the main examples from the literature are presented.
The usage of a real-time digital simulator (RTDS) in university teaching of electrical systems is shown in [17]; specifically, 16 students of the “Power System Operations and Control” course and 25 students of the “Power System Stability, Security and Vulnerability” course at Mississippi State University had the opportunity to perform part of their final project on the RTDS system. The conclusions outline that the students’ feedback was largely positive; in particular, the use of the RTDS can help students to get a better idea of real-life problems and gain a deeper understanding of concepts and experience the behavior of newly designed algorithms or controller actions.
In [18], several industrial applications in different fields (avionics, motor drives, power systems, robotics), where the use of RTS has had a strong impact, are described together with opportunities that exist to include them in modern engineering education curricula. The authors point out how the inclusion of simulation applications in academic curricula can be an added value for students, allowing for an easier connection with the professional world and advanced industries.
A comparison among the various real-time simulation techniques is presented in [19], considering rapid control prototyping (RCP), HIL, SIL and RT-LAB real-time platform. After a systematic discussion of the available approaches, many examples of real-time applications applied to engineering education are provided, most of them related to the field of electrical engineering, highlighting the positive impacts in terms of better understanding of the observed phenomena, ability to perform a multitude of tests and parameter changes in a short time and the development of sensitivity to the studied system.
Kotsampopoulos et al. [20] show the use of PHIL simulation in laboratory education to simulate components that were not physically available in the laboratory and to study system-level interactions. RTS with PHIL combines the advantages of the hardware approach with the simulation approach, allowing students to familiarize themselves with real hardware while maintaining the flexibility and modeling capability of digital simulation. At the end of the course, the authors offered a satisfaction questionnaire to the students and obtained very positive feedback.
Another experience of laboratory teaching with the auxilium of a real-time digital simulation platform is presented in [21]: two examples of power system simulation and control are shown, highlighting the advantages with respect to computer-based simulations and full-hardware test bench approaches. The main benefits are the reduction of the learning curve of hardware implementation and the high effectiveness in comparing multiple case studies.
In 2021, Zhang et al. [22] proposed a detailed description of a cost-effective digital real-time hybrid simulation platform for engineering education in the renewable energy field, based on an Opal-RT simulator. Highlighted benefits include rapid knowledge digestion, problem-oriented learning, contribution to fast prototyping, flexibility and extendibility, as well as a lower cost than many existing laboratory teaching platforms.
The social distancing required by the COVID-19 pandemic situation raised problems also in the educational sector, especially in those disciplines where laboratory activities are fundamental to the learning process, which include STEM courses. From this consideration, in [23] an innovative R-HIL laboratory was presented, together with the methodology to insert this kind of teaching method in a fully online class period. However, although the system was set up for interacting with physical hardware, no external hardware was connected, and only digital signals have been exchanged.
Finally, Saha [24] illustrated the effectiveness of real-time simulation in teaching electrical engineering, using Bloom’s taxonomy to determine teaching strategies to support and enhance the learning process. A wide variety of software tools are considered, comparing their characteristics to select the one best suited to the context, opting for RTDS. A model form for collecting feedback from students is also proposed.
4. Adopted Methodology
In this section, the methodology used to evaluate the impact of the adopted teaching approach based on RTS is presented. However, the description of the adopted methodology requires preliminary information regarding the boundary conditions in which it was conducted.
One of the two courses that will be presented in Section 5 (namely, the interdisciplinary project) is not active anymore due to the affiliation change of the main teacher, who is also co-authoring this study. Unfortunately, for those students, it was not possible to recover any feedback about the course and the introduction of the RTS within the teaching activities. We are planning to reactivate these activities again in the near future, because we believe in the proposed approach.
For the second course, instead, a survey was introduced at the end of the course. However, due to the fact that this course was taught in the academic year 2021/2022 for the first time, we cannot compare it with other similar courses using different approaches to cover the same topic.
The survey was composed of the following questions:
- Do you think that it was useful to make the numerical laboratory on EMT simulation on your PC directly with ATP?
- How useful, on a scale from 1 to 5, do you think the exercises with the ATP software were to better understand the theoretical topics covered during the course?
- Do you think that the use of ATP could be useful for your future job?
- Do you think it was interesting to carry out the laboratory experience with the RTDS real-time simulator?
- On a scale of 1 to 5, how useful do you think the laboratory experience was to better understand the theoretical topics covered during the course?
- On a scale of 1 to 10, what do you think was the added value of doing these EMT simulation exercises?
- Do you think that it could be useful to increase the number of lab experiences?
- Did the introduction of this simulation (both with ATP and RTDS) increase your interest in the topics of the course?
- Would you have appreciated these teaching activities in other courses that you attended in the past?
The results of the survey will be presented in Section 5.3.2.
5. Teaching Approaches Involving RTS at Politecnico di Torino
In the following, two examples of the current use of the RTS in university courses at Politecnico di Torino are presented. Some discussion about the impact of these activities will be highlighted, stressing what would be the added learning, what could not be learnt previously that can be learnt now and what drawbacks should be taken into account for learning.
5.1. First Example: Interdisciplinary Project on Real-Time Co-Simulation of Physical and Communication Layers of Smart Grids
As a key element of the teaching approach in modern power systems and smart grids, Interdisciplinary Projects were introduced to the students when they applied knowledge and experiences from different domains, such as ICT and power system. The students, with different backgrounds, worked together in groups to solve real-world problems, to broaden their knowledge, to improve communication and interpersonal/social skills, to enhance their leadership skills, to increase their creativity and to improve their writing and communication skills.
Studying the interactive behavior of power and communication systems requires both systems to be understood and modeled together. RTS can provide a basis for integrating different simulation tools and models with relatively little effort.
Using RTS platforms allows for the co-simulation of different systems either through near RTS or event-based simulation. However, creating a platform in which different tools including digital real-time simulators could interact requires an appropriate communication configuration, because of the latency issue and the necessity to involve many devices and users. Among the different mechanisms, those based on the Internet-of-Things (IoT) proved to be more effective and efficient. IoT enables user (e.g., instructors, students, researchers, etc.) interactions with many distributed devices including software, hardware, data and expertise.
The objective of the presented project was twofold. It first developed a generic and flexible communication architecture to support the testing and validation of smart functions or algorithms on the virtual model of smart grids through SIL. The second objective was to develop a simplified simulator of the communication network to emulate the real communication delay of a specific functionality considering a relevant protocol. This co-simulation would have allowed for the assessment of the feasibility and performance of new algorithms or control strategies for the specific function in the smart grid.
The project activities were conducted in two steps:
- Step 1. Developing a software-in-the-loop generic architecture for smart grids (SGs).
An IoT-oriented approach (e.g., publish/subscribe based on MQTT, REST, etc.) was implemented to interconnect the real-time simulation of the physical layer of the smart grid with a function layer model. The physical layer including the grid model was implemented and run on the RTS machine, while the function layer including the control and management algorithms was accommodated by other computers. The implemented architecture retrieved relevant information from a real-time simulator (as UDP/TCP packets) and provided them over the network to other algorithms, control functions (not running on the real-time simulator) or more in general to cloud platforms.
- Step 2. Cyber-physical real-time co-simulation of SGs.
The communication network exploited in SGs was modeled through a developed simulator, by introducing delays between its input and output according to the type of input measurement or command signals and functions. A specific function with its corresponding media and protocols was selected as a case. The communication layer simulator virtually created a wide geographic area, where communicating components and data sources (e.g., smart meters, controllers, etc.) were distributed. The average delay of the involved media in both WAN and LAN should have been propagated considering the corresponding standard or protocols (with respect to the domain and the type of the function). In other words, the communication system simulator was a simplified delay emulator, in which the delay could have been calculated based on several factors including the type of involved devices (IEDs), exchanged information type, traffic amount, function, protocols, etc.
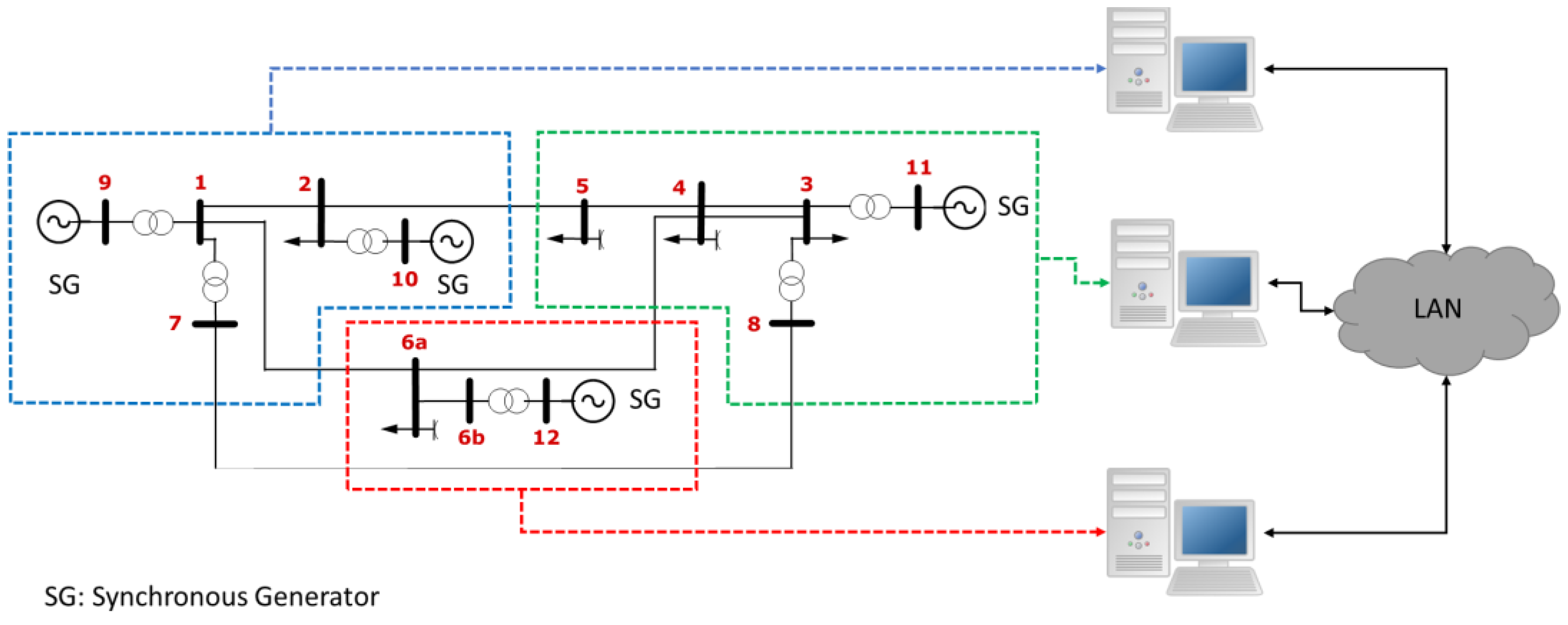
In summary, the proposed architecture contained three main blocks: real-time simulator (for power system physical elements), control center server simulator and communication system simulator. The students developed an interface to interconnect these blocks and, in addition, designed and implemented a simplified communication system simulator for a selected function. Moreover, the effect of traffic jams and security issues was examined by designing attack scenarios. A representation of the overall experiment is shown in Figure 4.
Figure 4.
Block diagram of the interdisciplinary project.
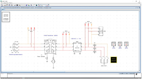
The overall bidirectional architecture and its components are shown in Figure 5, and an example of a co-simulation implementation for student interdisciplinary project is illustrated in Figure 6.
Figure 5.
An example of a co-simulation implementation for student interdisciplinary project.
Figure 6.
An example of a co-simulation implementation for student interdisciplinary project.
Starting from the left-hand side, we recognize:
- Real-time simulator: it allows us to run the Simulink model of the electric grid; from the data exchange point of view, it is able to establish TCP or UDP communication towards a server and hence behaves as a client.
- Server adapter: it is executed on a different device, and it is able to receive data from and send data to the simulator according to the chosen communication protocol (TCP/UDP). On the other side, it also interfaces with the MQTT broker. The communication is based on a publish/subscribe paradigm: it forwards data by publishing them and receives commands for the simulator by subscribing to them.
- Mosquitto-MQTT broker: it is the entity in charge of handling the MQTT clients and forwarding published messages to the subscribers. It runs a bidirectional operation as shown in Figure 5.
- Client adapter: as the name might suggest, it can be seen as the dual of the server adapter; it forwards data to the smart function host and sends back to the rest of the architecture the commands resulting from the smart function execution. It interacts through the MQTT protocol on one side, and it behaves as a TCP client towards the smart function host.
- Smart function host: this component works as a server, and it can be executed on a different terminal device as well. Once it receives data from the rest of the architecture, it is able to process them and send commands back to the real-time simulator to manage the status of the grid.
The main challenge to overcome, in order to implement Fault Detection, Isolation and Restoration (FDIR), was granting a fast and reliable exchange of information between RTUs, IEDs and the application, limiting as much as possible the problem of flooding. One of the proposed approaches was to use IEC 61850 capable devices since they support GOOSE (Generic Object-Oriented Substation Event) messages together with a publish/subscribe mechanism.
The model of the network is extracted from a portion of the Turin distribution system. It was modeled in MATLAB and run using RT-Lab on an Opal-RT real-time simulator. The FDIR algorithm is run on Python on another machine.
The students created the communication architecture to couple different elements in this set up including a real-time simulator, adapters, the machine running the algorithms, the broker host and an in-home simple communication network simulator. The communication simulator used in this project was actually a delay emulator.
In this project example, both the host machine running the algorithm and the real-time simulator running the grid model were physically in the same LAN. Thus, the delay introduced by the communication architecture could be neglected. However, the students deliberately imposed some delay using a delay emulator to examine the impacts of using different communication technologies. In fact, in a real environment, the communication delay, depending on the access technology used to transmit the data, might be relevant and it has to be taken into account. In this work, mobile networks (2G, 3G and 4G technologies), whose typical end-to-end delays are reported in Table 1, were used together with the achievable data rates.
Table 1.
End-to-end delays and data rates for mobile networks.
The simulation platform was able to integrate different simulation tools specifically for different disciplines and applications. The students were assumed to be familiar with their main course tools, but they might not be so familiar with the tools used in the other discipline. In the first couple of lab sessions, the supervisor taught the minimum requirements to use other tools. Additionally, the main platform required a bit of knowledge of IoT to plug and play simulation modules; the students were trained in a course on how to apply IoT in smart applications with the relevant knowledge of Python programming.
Integrating RTS into the overall simulation experiment had added value to the outcome of the students’ research. Before introducing this RTS-enabled simulation platform, the students studying communication engineering needed to create remarkably simple models of the power grid—and even with only the information of load and generation without grid—to examine how the new assets exchange data, if they aimed to test a smart grid application such as fault detection. They could only run some communication network simulators without modeling the dynamic behavior of the power system. Using the new lab, they could integrate a communication network emulator with a power grid simulator and create a near real-world environment in the lab.
5.2. Second Example: EMT Simulation, Real-Time Simulation and Hardware-in-the-Loop in the Course “Electrical Systems and Safety”
Since the academic year 2021–2022, the master’s degree in electrical engineering at Politecnico di Torino has offered a new course, called “Electrical systems and safety”. It is divided into four main sections, regarding:
- Overvoltages in power systems and insulation coordination;
- DC traction electrification systems for railway and tramway;
- Applications of electrical safety;
- Electro-Magnetic Transient (EMT) simulation.
The fourth section, in which EMT simulation for power systems is presented to the students, firstly provides the theoretical basis for EMT simulation and the main solution methodologies; then, it addresses the main numerical problems and issues which can affect the solution, together with some hints on the correct modeling of components; finally, the last part of the course introduces the RTS, HIL and PHIL concepts.
In this last section of the course, several practical exercises are carried out by the students, in order to model and simulate the EMT transients related to different aspects studied in the first part of the course. The students are provided with EMT simulation software and have to build the system model and run the simulations on their personal computer. The exercises are solved in the classroom with the help of the professor. Three case studies are addressed. The first two case studies are related to:
- The modeling of the behavior of a Surge Protective Device (SPD) when a lightning overvoltage hits a transmission line;
- The modeling of the behavior of an AC/DC conversion substation for the tramway electrification system in case of fault on the DC side.
The above case studies are modeled and simulated with an offline simulation tool.
Vice versa, the third application example is modeled with RSCAD to be run in real-time with the RTDS real-time simulator available in our laboratory and will be described in detail here.
It is worth highlighting that in the curriculum studiorum of the electrical engineering students at Politecnico di Torino, before the introduction of this course, no other practical activities were dealing with EMT or RTS. The main simulation methodologies and tools used in other subjects of the curriculum studiorum are: (i) the Finite Element Method for Electric and Magnetic field studies, (ii) the steady-state model of power systems (power flow equations and their solution) and (iii) the Electro-Mechanical transients of electrical machines.
The objective of the third case study is to analyze the behavior of a Voltage Transformer (VT) installed in an MV feeder under switching transients, by taking into account the saturation of the magnetic core. Non-correct behavior could, in fact, impact the proper operation of the relays of the protection system.
A simple power system model is given to the students to be developed in RSCAD, which is the proprietary development tool of the RTDS RTS. The modeled system, depicted in Figure 7, is composed of a HV equivalent generator which represents the HV sub-transmission system, a HV/MV transformer installed in a primary substation, an MV line, an MV aggregated load, a capacitor bank which can be connected or disconnected with a switch and the VT under study. The output voltage of the VT is sent to the analog output of the RTDS for the HIL application.
Figure 7.
Draft view of RTDS RSCAD model for the students’ exercise.
In particular, the analog outputs of the RTDS have been used to monitor with an oscilloscope the voltage signals measured by the simulated VT, in order to give to the students an idea of a possible HIL experiment, where these signals could be sent to a real protection relay as DUT.
When the model is running in real time, the system status can be monitored in RSCAD through the Runtime application, which is shown in Figure 8.
Figure 8.
Runtime view of RTDS RSCAD model for the students’ exercise.
During the practical exercise in the laboratory, the students implemented the simple model in RSCAD, ran the simulation and could monitor the waveforms of the voltage signals measured by the simulated VT with an oscilloscope, when applying different types of events to the simulated power system:
- A tap change of the HV/MV transformer;
- A load variation in the system;
- The connection or disconnection of the capacitor bank.
The transient shown in Figure 8 as an example is related to the latter one, i.e., the closure of the circuit breaker that connects the capacitors bank to the MV bus # 3. Due to the saturation of the magnetic core of the VT, the peaks of the output waveform are slightly underestimated.
5.3. The Role of RTS and Added Learning
5.3.1. Some Hints from the Interdisciplinary Project Experience
In the interdisciplinary project, students from different disciplines including electrical engineering, computer science and ICT worked on the same project with minimum effort for the adaptation of their models. Without the RTS platform, the students in one major needed to become really familiar with the modeling of the other discipline before appreciating the simulation results and, in some cases, that might not be feasible as each tool has its own limitations and applications. For example, the ICT students needed to create the power network model and implement it in an environment that they used for communication modeling. Electrical engineering students needed to study the communication protocols and standards to develop ICT models measuring latency and other factors.
The students realized and tested a flexible simulation architecture aiming to support the testing and validation of different algorithms on the virtual model of the grid, using an IoT-oriented approach. In the field of SGs, new algorithms are continuously designed and implemented, to activate new control strategies and automatic technologies providing advanced services to users and distributed systems owners. Studying and testing the performance of different algorithms on the same grid without remodeling the grid requires a communication architecture which can decouple the grid simulation and the under-test application model. This would enable setting a so-called real-time simulation Software-in-the-loop (SIL). Without RTS, the students could not experience what exactly happens to the communication, data exchange and physical systems in the real world unless they learn deeply all the aspects of the system to make an integrated model. Using RTS, different components could be easily coupled, and some components could remain unchanged while the focus is on other components. For example, once a test case power network is modeled for RTS, different scenarios, algorithms, communication systems, etc., could be tested on it without remodeling the power system again. In this way, the ICT students, for instance, can connect their devices and tools to the RTS as if they would do the same in the real-world network.
This is quite useful from a didactic and professional point of view, because it provides knowledge about a tool of testing that may become more and more common in the future and allows the student to apply a “learning by doing” approach for topics not included in their major. In fact, at least two different disciplines, power system and communication technology, can be easily involved in one project thanks to RTS. Like the real-world system where many different sectors and systems work and interact together, a co-simulation setup based on digital real-time simulators enables coupling variant networks and systems.
Testing newly developed algorithms on real-world systems is not safe or feasible; therefore, the RTS test bed provided a low-cost and safe lab environment for testing.
Regarding the didactic approach, it is worth highlighting that RTS itself may not be enough to facilitate such an interdisciplinary project. The IoT-based platform allowed for efficient interaction among different components including machines, users and software. Using this platform, students could learn how elements from different sectors are coupling and working in the real-world system. It also allowed for the modeling of each system using the best available tool, rather than regenerating approximate models in inappropriate software or platforms.
RTS and the IoT-based platform enabled the students to do some hands-on experiments in the lab even for a test which involved only software. Previously, all those models could be made and run virtually on computers, servers or simulators. In this project, instead, the students stimulated creativity by reconfiguring the setup, and testing different solutions for interconnecting different modules. They could do this by using physical devices, wires, routers and electronic adapters. The big system could be decoupled to independent systems as could be seen in the real-world systems. This presumably will increase memory recall. The level of approximation was low, and the results of the experiment were more accurate, which can help to make better decisions.
5.3.2. Practical Experience in the Course “Electrical Systems and Safety”
Thanks to this practical exercise, conducted together with the students in the real-time laboratory, the students could have two benefits. On the one hand, they could learn new methodologies for the testing of devices which resort to RTS and HIL, which can be beneficial for their future profession. On the other hand, they could visualize in a practical experiment the behavior of a VT in case of a switching transient. This last point is not trivial, as this type of experiment, due to the high voltages involved, cannot be easily performed with a real device in a laboratory with students.
In fact, in order to set-up an experiment involving MV devices, the laboratory has to respect the prescriptions of Standard EN 50191 [25] on the “Erection and operation of fixed and temporary electrical test installations”, which for medium voltage are particularly strict.
In addition, the students could compare the computational speed of the RTS with respect to the offline simulation software used in the previous case study, practically understand the problem of overruns and test some methodologies to avoid them.
However, besides the described benefits, in the described approach we also faced some difficulties. In fact, modeling a system to be run on the real-time simulator requires learning to use new software, which is time-consuming and reduces the time for teaching the main topics of the course. Furthermore, the students had to be divided into small groups in order to be properly tutored during the laboratory experience, and this requires an additional effort from the teachers.
A further limitation of the described RTS laboratory experience is the fact that, due to the time constraints, the proposed application was not a full PHIL experiment, which would involve a longer time to be prepared and set up by the students.
As introduced in Section 4, a survey was delivered to the students at the end of the course and 50% of them answered.
To the first question, i.e., “Do you think that it was useful to make the numerical laboratory on EMT simulation on your PC directly with ATP?”, 100% replied YES. This response highlights the high interest of the students in practical activities involving the simulation of real-like systems.
To the second question, i.e., “How useful, on a scale from 1 to 5, do you think the exercises with the ATP software were to better understand the theoretical topics covered during the course?”, the answers, showed in Figure 9, show that the practical exercises with ATP were appreciated by the students. Hence, accompanying the theoretical parts with suitable practical experience is beneficial for the students to fully appreciate the theoretical concepts previously presented.
Figure 9.
Answers to question 2.
To the third question, i.e., “Do you think that the use of ATP could be useful for your future job?”, 44% replied YES and 56% replied NO. The answer to this question can be linked to the idea that the students still have about the profession. Most of them probably aim to be a professional engineer and think that their future activities will be more devoted to designe new plants instead of analyzing phenomena. However, at least in the developed countries, new large plants are not so common and most of the work will be based on renewing plants and studying solutions to accommodate issues coming from aged infrastructure or new applications (e.g., harmonic pollution). Hence, analysis abilities must be developed during their entire professional career, and this type of exercise also aims to reach this goal. This concept will be stressed more in the next edition of the course.
To the fourth question, i.e., “Do you think it was interesting to carry out the laboratory experience with the RTDS real-time simulator?”, all the students replied positively, denoting a strong interest in RTS.
The answers to question n. 5, i.e., “On a scale of 1 to 5, how useful do you think the laboratory experience was to better understand the theoretical topics covered during the course?”, are reported in Figure 10. In this case, the idea was to understand the interest of the students in RTS activities, and they were considered even more useful than the simple use of ATP. This appreciation will encourage us to reinforce and enhance the RTS laboratory part for the next course edition.
Figure 10.
Answers to question 5.
The answers to question n. 6, i.e., “On a scale of 1 to 10, what do you think was the added value of doing these EMT simulation exercises?” are summarized in Figure 11: 77% of the students rated between 8 and 10. This interest in EMT will highlight the necessity to reinforce in our courses the EMT simulation parts, even offering them in other courses, by focusing on using it to study other applications (e.g., study of the effects of lightning on the transmission system and not only on a particular component).
Figure 11.
Answers to question 6.
To the seventh question, i.e., “Do you think that it could be useful to increase the number of lab experiences?”, 78% replied YES, and this is perfectly in line with the previous answers about the appreciation of the students for the lab experiences.
To question eight, i.e., “Did the introduction of this simulation (both with ATP and RTS) increase your interest in the topics of the course?”, 89% replied YES, showing that innovative teaching methods are helpful in stimulating students’ interest.
Lastly, to the ninth question, i.e., “Would you have appreciated these teaching activities in other courses that you attended in the past?”, 78% replied YES. This point needs to be considered in case of restructuring the curriculum studiorum, to investigate how to introduce similar approaches also in other courses.
6. Conclusions
Higher education plays a crucial role in the development of emerging energy systems, and particularly in power systems. In this framework, universities need to develop new visions and tools for education and training. New programs are needed, balancing theoretical knowledge and hands-on work, to put the students at the core of the innovative concepts and issues. This should be addressed in a safe laboratory environment, virtualizing the real world, and allowing innovative components, devices and control systems to be studied and tested in their natural (but virtual) environment.
For these reasons, the use of real-time simulators can become an important part of training students and personnel to be employed in the power system sector. Some examples of training activities that are possible to offer may include:
- Emulation of control rooms for system operation: the creation of failures on the simulated network will allow procedures to be checked, such as the ones related to fault location and clearance able to improve the system reliability level.
- Training the students on field, for example, by creating a console aiming to show the different parts of a protection scheme (relays, circuit breakers or fuses, switches, and so on) that can be compared with the real connections among the components at the same time, to understand the consequence of any operation.
Moreover, it provides some opportunities thanks to the introduction, in the teaching curricula, of multidisciplinary projects where different domains (such as communication layer and the network layer) can be studied together in a real multidisciplinary approach. Furthermore, it allows experiments to be carried out with high power equipment in safe conditions, without the risk of injury.
Finally, the main advantages and possibilities provided by RTS can be further expanded by resorting to the geographically distributed real-time co-simulation. This kind of approach is already in place for research purposes for (i) soft sharing of hardware and software facilities within a federation of labs, (ii) testing of devices by integrating R-(P)HIL and R-SIL without moving the DUT, and (iii) enhancing simulation capabilities for large systems. Some notable examples are the European Real-time Integrated Co-simulation laboratory (ERIC-LAB) [26], Real-time Super Lab [12] and EnSiEL National Energy Transition Real-Time Lab (ENET-RT Lab) [27]. These kinds of laboratories may become a tool to offer experiments in power system courses using equipment that can be shared by other universities, for example, in the framework of the European University Alliances. Politecnico di Torino is part of the University Network for Innovation, Technology and Engineering (UNITE!) Alliance (currently fully involving also Aalto University, KTH, Technical University of Darmstadt, Grenoble INP-UGA, Universitat Politecnica the Catalunya, Universidade de Lisboa) [28] and participates in this alliance with its Global Real-Time Super-Lab (G-RTS Lab) [29]. This can lay the foundations for partially integrating the power systems curricula of the different universities, facilitating it with the exploitation of the RTS technology, and this can really open new perspectives for the future of power system teaching and training at (but not limited to) the European level.
Author Contributions
Conceptualization, A.E., A.M., E.B and E.P.; methodology, A.M and E.P.; investigation, A.E., A.M. and E.P.; resources, E.B.; data curation, L.S.; writing—original draft preparation, A.E., A.M., E.P. and L.S.; writing—review and editing, A.E., A.M. and E.P. All authors have read and agreed to the published version of the manuscript.
Funding
This research received no external funding.
Institutional Review Board Statement
Not applicable.
Informed Consent Statement
Not applicable.
Data Availability Statement
Not applicable.
Conflicts of Interest
The authors declare no conflict of interest.
References
- Chicco, G.; Ciocia, A.; Colella, P.; Di Leo, P.; Mazza, A.; Musumeci, S.; Pons, E.; Russo, A.; Spertino, F. Introduction—Advances and Challenges in Active Distribution Systems. In Planning and Operation of Active Distribution Networks; Zambroni de Souza, A.C., Venkatesh, B., Eds.; Lecture Notes in Electrical Engineering; Springer International Publishing: Cham, Switzerland, 2022; Volume 826, pp. 1–42. ISBN 978-3-030-90811-9. [Google Scholar]
- Mazza, A.; Chicco, G. High-Quality Load Pattern Reconstruction from Smart Meter Data to Enhance the Assessment of Peak Power and Network Losses. IEEE Trans. Ind. Appl. 2022, 58, 3261–3274. [Google Scholar] [CrossRef]
- Benato, R.; Sessa, S.D.; Guizzo, L.; Rebolini, M. Synergy of the Future: High Voltage Insulated Power Cables and Railway-highway Structures. IET Gener. Transm. Distrib. 2017, 11, 2712–2720. [Google Scholar] [CrossRef]
- Bui, N.; Castellani, A.; Casari, P.; Zorzi, M. The Internet of Energy: A Web-Enabled Smart Grid System. IEEE Netw. 2012, 26, 39–45. [Google Scholar] [CrossRef]
- European Commission; Joint Research Centre; Institute for Energy and Transport; Politecnico di Torino; RWTH Aachen University. A European Platform for Distributed Real Time Modelling & Simulation of Emerging Electricity Systems; Publications Office: Luxembourg, 2016. [Google Scholar]
- Chicco, G.; Crossley, P.; Nucci, C.A. Electric Power Engineering Education: Cultivating the Talent in the United Kingdom and Italy to Build the Low-Carbon Economy of the Future. IEEE Power Energy Mag. 2018, 16, 53–63. [Google Scholar] [CrossRef]
- Cavagnino, A.; Pellegrino, G.; Estebsari, A.; Armando, E.; Bojoi, R. A New Laboratory for Hands-on Teaching of Electrical Engineering. In Proceedings of the 2018 IEEE 27th International Symposium on Industrial Electronics (ISIE), Cairns, QLD, Australia, 13–15 June 2018; pp. 883–889. [Google Scholar]
- Xiaoju, Z.; Xin, W. Teaching Practice Research of Electric Power System Analysis Based on CDIO Mode. In e-Learning, e-Education, and Online Training; Liu, S., Glowatz, M., Zappatore, M., Gao, H., Jia, B., Bucciero, A., Eds.; Lecture Notes of the Institute for Computer Sciences, Social Informatics and Telecommunications Engineering; Springer International Publishing: Cham, Switzerland, 2018; Volume 243, pp. 134–143. ISBN 978-3-319-93718-2. [Google Scholar]
- Wen, H. Exploration of Virtual Laboratory in Power Engineering Courses. In Proceedings of the 2018 IEEE International Conference on Power Electronics, Drives and Energy Systems (PEDES), Chennai, India, 18–21 December 2018; pp. 1–6. [Google Scholar]
- Wei, M.; Zhang, H.; Fang, T. Enhancing the Course Teaching of Power System Analysis with Virtual Simulation Platform. Int. J. Electr. Eng. Educ. 2020, 002072092095343. [Google Scholar] [CrossRef]
- Fang, T.; Zhang, H. Design and Implementation of Virtual Experimental Platform for Power System Teaching. In Proceedings of the 2018 9th International Conference on Information Technology in Medicine and Education (ITME), Hangzhou, China, 19–21 October 2018; pp. 759–765. [Google Scholar]
- Monti, A.; Stevic, M.; Vogel, S.; De Doncker, R.W.; Bompard, E.; Estebsari, A.; Profumo, F.; Hovsapian, R.; Mohanpurkar, M.; Flicker, J.D.; et al. A Global Real-Time Superlab: Enabling High Penetration of Power Electronics in the Electric Grid. IEEE Power Electron. Mag. 2018, 5, 35–44. [Google Scholar] [CrossRef]
- Stevic, M.; Estebsari, A.; Vogel, S.; Pons, E.; Bompard, E.; Masera, M.; Monti, A. Multi-site European Framework for Real-time Co-simulation of Power Systems. IET Gener. Transm. Distrib. 2017, 11, 4126–4135. [Google Scholar] [CrossRef]
- Stevic, M.; Vogel, S.; Monti, A. From Monolithic to Geographically Distributed Simulation of HVdc Systems. In Proceedings of the 2018 IEEE 19th Workshop on Control and Modeling for Power Electronics (COMPEL), Padua, Italy, 25–28 June 2018; pp. 1–5. [Google Scholar]
- Mazza, A.; Estebsari, A.; Morandi, G.; Bompard, E.; Lok, H. Remote Hardware-In-the-Loop Measurement System for Electrolyser Characterization. In Proceedings of the 2019 IEEE International Conference on Environment and Electrical Engineering and 2019 IEEE Industrial and Commercial Power Systems Europe (EEEIC/I&CPS Europe), Genova, Italy, 11–14 June 2019; pp. 1–6. [Google Scholar]
- Bompard, E.; Bruno, S.; Cordoba-Pacheco, A.; Diaz-Londono, C.; Giannoccaro, G.; Scala, M.L.; Mazza, A.; Pons, E. Latency and Simulation Stability in a Remote Power Hardware-in-the-Loop Cosimulation Testbed. IEEE Trans. Ind. Appl. 2021, 57, 3463–3473. [Google Scholar] [CrossRef]
- Srivastava, A.; Schulz, N. Applications of a Real Time Digital Simulator in Power System Education and Research. In Proceedings of the 2009 Annual Conference & Exposition, Austin, TX, USA, 14–17 June 2009; pp. 14.226.1–14.226.10. [Google Scholar]
- Dufour, C.; Andrade, C.; Bélanger, J. Real-Time Simulation Technologies in Education: A Link to Modern Engineering Methods and Practices. In Proceedings of the 11th International Conference on Engineering and Technology Education, Ilhéus, Brazil, 7–10 March 2010. [Google Scholar]
- Menghal, P.; Laxmi, A.J. Real Time Simulation A Novel Approach in Engineering Education. In Proceedings of the 2011 3rd International Conference on Electronics Computer Technology, Kanyakumari, India, 8–10 April 2011. [Google Scholar]
- Kotsampopoulos, P.C.; Kleftakis, V.A.; Hatziargyriou, N.D. Laboratory Education of Modern Power Systems Using PHIL Simulation. IEEE Trans. Power Syst. 2017, 32, 3992–4001. [Google Scholar] [CrossRef]
- Jiang, Z.; Konstantinou, G.; Zhong, Z.; Acuna, P. Real-Time Digital Simulation Based Laboratory Test-Bench Development for Research and Education on Solar Pv Systems. In Proceedings of the 2017 Australasian Universities Power Engineering Conference (AUPEC), Melbourne, VIC, Australia, 19–22 November 2017. [Google Scholar]
- Zhang, X.; Li, R.; Wang, Y.; Manandhar, U. Digital Twin Real-Time Hybrid Simulation Platform for Engineering Education in Renewable Energy. In Proceedings of the 2021 31st Australasian Universities Power Engineering Conference (AUPEC), Perth, Australia, 26–30 September 2021. [Google Scholar]
- Gonschor, D.; Jung, M.; Costa, J.P.D.; Brandl, R. Remote Hardware-in-the-Loop Laboratory and Its Application in Engineering Education. In Proceedings of the 2022 IEEE Global Engineering Education Conference (EDUCON), Tunis, Tunisia, 28–31 March 2022. [Google Scholar]
- Saha, A.K. A Real-Time Simulation-Based Practical on Overcurrent Protection for Undergraduate Electrical Engineering Students. IEEE Access 2022, 10, 52537–52550. [Google Scholar] [CrossRef]
- EN 50191:2010; Erection and Operation of Electrical Test Equipment. European Committee for Electrotechnical Standardization—CENELEC: Bruxelles, Belgium, 2010.
- European Real-time Integrated Co-Simulation Laboratory. Available online: www.eric-lab.eu (accessed on 2 January 2023).
- Benedetto, G.; Bompard, E.; Mazza, A.; Pons, E.; Bruno, S.; Giannoccaro, G.; La Scala, M.; De Caro, F.; Bonfiglio, A.; Bracco, S.; et al. Ensiel National Energy Transition Real Time Lab: A Novel Tool to Shape the Future Energy System. In Proceedings of the 2022 AEIT International Annual Conference (AEIT), Rome, Italy, 3–5 October 2022. [Google Scholar]
- Global Real Time Super Lab. Available online: http://g-rtslab.polito.it (accessed on 2 January 2023).
- University Network for Innovation, Technology and Engineering (UNITE!) Alliance. Available online: https://www.unite-university.eu (accessed on 2 January 2023).
Disclaimer/Publisher’s Note: The statements, opinions and data contained in all publications are solely those of the individual author(s) and contributor(s) and not of MDPI and/or the editor(s). MDPI and/or the editor(s) disclaim responsibility for any injury to people or property resulting from any ideas, methods, instructions or products referred to in the content. |
© 2023 by the authors. Licensee MDPI, Basel, Switzerland. This article is an open access article distributed under the terms and conditions of the Creative Commons Attribution (CC BY) license (https://creativecommons.org/licenses/by/4.0/).










