Abstract
Within the new air traffic management concept, using the Global Navigation Satellite System (GNSS), it is assumed that distance measurement equipment (DME) will be retained. The results of research carried out by several authors have confirmed that global navigation satellite systems (GNSS) can be put out of operation in cases of interference. Therefore, it is very timely to investigate the accuracy and resistance to interference of DME systems. The presented work contains the results of research in the field of assessment of the accuracy and resistance of a DME system, which works in conditions of narrowband interference, using modeling and simulation. Based on the derived model of the DME measurement signal, its parameters, and narrowband interference, algorithms for processing the measurement signals of a DME system in conditions of narrowband interference were derived. A quasi-optimal nonlinear filtering method was used in the derivation of the measurement signal-processing algorithms. A quadratic loss function was used as an optimality criterion, which allows us to obtain the results of measuring the parameters of the DME measurement signal as a minimum of the a posteriori mean error. Within this method, Gaussian approximation and large and small parameter methods were used. Simulation of the operation of the DME system confirmed that the measurement accuracy of this system depends on the stability of the frequency of the DME support generator, and also depends on the signal-to-noise ratio and the signal-to-interference ratio of the DME receiver input. Comparing the results of the DME system receiver designed by us with the parameters listed in in published works that discuss the accuracy of this system, we can conclude that its accuracy is much better. The simulation results confirmed that the potential accuracy of the distance measurement is equal to 2.2 m. However, the mentioned algorithms require substantial simplification to be used for real-time signal processing. This will be our next research direction.
1. Introduction
A new concept of air traffic management using the Global Navigation Satellite System (GNSS) has been recently developed. It is assumed that the distance-measuring equipment infrastructure substituting GNSS will be retained and expanded. The Federal Aviation Administration (FAA) have also confirmed and recommended using DME systems for air navigation until 2030. This will require a significant expansion of the current DME ground infrastructure due to its poor distance measuring accuracy. If the position of the flying object is determined using the rangefinder method, the accuracy of determining the position Δl can be determined according to the following relationship:
where γ is the angle between the position lines of the DME systems; , are the linear errors of the position lines of the DME systems. From the aforementioned relationship, it is clear that the accuracy of determining the position of the flying object depends, among other things, on the geometry of the system (angle γ) and on the accuracy of the measurement of the DME systems (, ).
One of the disadvantages of the DME system is its low resistance to interference [1]. Based on this, it is very timely to investigate the possibilities of designing a receiver of the DME system that can process measurement signals even in conditions of narrowband interference. Older DME systems show a distance measurement error of around 200.0 m. It is clear from the above relationship that such an error will not allow accurate determination of the aircraft’s position.
Research in the field of the operation of navigation systems has confirmed that the accuracy of the system is affected by interference [1,2,3,4,5,6,7,8,9]. The most common types of interference include broadband fluctuation interference, narrowband interference, and chaotic impulse interference. These types of interference significantly affect the accuracy of measurement of navigation parameters using these systems. When investigating the accuracy and resistance of electronic systems to interference, it is necessary to create models of signal processing that represent these systems. These models usually describe random processes and include models of measured signals and disturbances [1]. The basic requirement for these models is the greatest possible accuracy of a priori data, which ensures the high reliability of the simulation results according to the used models. To verify models of random processes, it is advisable to use statistical tests [1].
In works devoted to the use of telemetric methods in navigation, it is stated that the signals of satellite navigation systems are not always available or are degraded by interference [1,2,3,4,5,6,7,8,9], which significantly affects the safety of flight operations. In the work [6], it is stated that DME signals cause interference in satellite navigation systems. This creates errors when tracking the flight trajectory of aircraft. It is clear the accuracy of determining the position of a flying object using a DME system depends on the accuracy of the distance measurement between the DME system and the flying object. Based on this, we proceeded to research the design of a DME system that would be able to work under the conditions of narrowband interference. We are interested in whether it is possible to increase the accuracy and robustness of a DME operating under the conditions of narrowband interference. The design of the DME system, which works under interference conditions, is presented in [2]. In this study, algorithms for processing measurement signals when using binary carrier signals were derived. The algorithms presented in this work allowed us to estimate the potential accuracy of DME, but did not allow us to simulate the real accuracy of distance measurement carried out by the DME system.
In the study [5], the problems of improving the accuracy of aircraft distance measurement with a DME navigation system using a Kalman filter under the conditions of wide-band interference of the white noise type were solved. This approach makes it possible to optimize this system and significantly increase its accuracy. The modeling results showed that the variance of the distance measurement error was 14.42 m2, and the mean value of the error was close to zero. The design of the DME/DME navigation system algorithms is presented in [8]. The simulation results of this system confirmed that the accuracy of the DME/DME system is better than 0.1 nautical miles. The authors of the article did not solve the issue of the immunity of DME systems to interference. The accuracy of distance measurement carried out by the DME system can also be increased by using new measurement signals [2,9]. The results presented in this work confirm an accuracy improvement of up to 77.3% compared to classical signals.
The authors of the paper [10] proposed a solution for increasing the accuracy of the DME system based on the implementation of a Kalman filter. The authors concluded that by increasing the accuracy of the DME system, it is possible to improve the accuracy of determinations of the position of a flying object. The Mosaic/DME system is investigated in [11], from the point of view of FO positioning accuracy, using the Monte Carlo method. The research results confirm that such a system can be used for tracking the trajectory of flying objects. In this article, the immunity of this system to interference has been not solved. An L-band Digital Aeronautic Communication Systems receiver prototype which uses rank-ordered absolute differences (ROAD) statistics to detect the distance measuring equipment (DME) interference was designed in [12]. For the SNR value of 0 dB, the proposed method of detection could achieve a 3% increase in terms of accuracy, with a reduction of 4% in false alarms. In article [13], an algorithm for mitigating DME interference in L-band digital aeronautical communication system type 1 (LDACS1)-based aeronautical communication systems is presented. In the proposed method, an estimation of DME interference component in the received LDACS1 signal is executed, and then the subtraction signal is estimated before the final LDACS1 decoding section. The simulation confirmed that the proposed method is suitable for interference suppression.
An analysis of intra-system and inter-system electromagnetic interference in the DME system is given in [14]. It is reported that large errors may be made in interference analysis if a large number of aircraft cooperate with the DME ground equipment.
For the use of the DME system in the air traffic control process, it is advisable to verify the impact of interference on this system. When performing the analysis, a problem arises if the DME system is used by more than one aircraft. The authors of the paper [14] solve this problem by creating an analytical model of interference analysis on DME, which enabled the determination of the effective replies and capacity of the DME.
In the literature [15], several methods of eliminating the interference of navigation systems are analyzed, which include detection, mitigation, localization, and classification. The authors of this work state that narrowband interference and broadband interference are among the most dangerous interferences in aeronautical navigation systems. An overview of different interference detection techniques is given in [16]. The authors of this work emphasize that the elimination of interference is possible if a monitoring system is available, because commercial receivers do not have such a system. This approach is disadvantageous in that it requires additional hardware that is not part of the navigation system.
Interference suppression using the pulse blanking (PB) method is analyzed in [17]. It is stated that the disadvantage of this solution is the loss of information in cases in which the receiver is blocked due to the presence of interference.
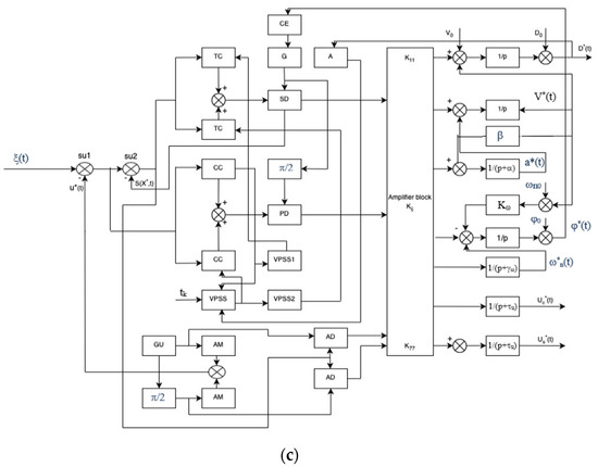
The presented work contains the results of research in the field of an accuracy and resistance assessment of the DME system, which works in conditions of narrowband interference, using modeling and simulation. The use of the modeling and simulation method makes it possible to evaluate the operation of the DME system under the conditions of narrowband interference. Based on the derived model of the DME measurement signal, its parameters, and narrowband interference, algorithms for processing the measurement signals of the DME system under the conditions of narrowband interference were derived. The block wiring of the receiver is shown in Figure 1c. The simulation results presented in Figure 2, Figure 3, Figure 4, Figure 5, Figure 6, Figure 7, Figure 8, Figure 9, Figure 10, Figure 11, Figure 12, Figure 13, Figure 14, Figure 15, Figure 16, Figure 17 and Figure 18 confirm that the created models are relatively sensitive to the input of a priori data. Entering a priori data that are in accordance with the physical meaning of the task allow the achievement of high accuracy in the simulation results. The sensitivity of the algorithms to changes in DME operating parameters was determined. The simulation confirmed that the measurement accuracy of the DME system depends on the stability of the frequency of the DME support generator, the signal-to-noise ratio, and the signal-to-interference ratio at the input of the DME receiver.

Figure 1.
Dependence of the slant distance D(t) on time t. (a) Dependence of the acceleration a(t) on time t. (b) Dependence of the instability of the frequency ωn of the signal S1(X,t) on time t. (c) Functional block diagram of the DME receiver. In (c), AM—amplitude modulator, CE—control element, VPSS—video pulse shaping source, AB—amplifier block, TC—timing circuit, CC—coincidence circuit, G, Gu—generator, SD—synchronous detector, FD—phase detector, A—amplifier.

Figure 2.
(a) Dependence of the δDD of the standardized measurement error of the slant range D(t) between FO and DME on time t. (b) Detailed dependence of the δDD of the standardized measurement error of the slant range D(t) between FO and DME on time t.
Figure 3.
Dependence of the δDD of the standardized measurement error of the slant range D(t) between FO and DME on a priori dispersion σD.
Figure 4.
Dependence of the error ΔD = (δDD. σ2D)0.5 of measurement of the slant range D(t) on the a priori dispersion σD.
Figure 5.
Dependence of the δDD of the standardized measurement error of the slant range D(t) between FO and DME on the useful signal performance-to-noise ratio S/N.
Figure 6.
Dependence of the δDD of the standardized measurement error of the slant range D(t) between FO and DME on the interference power-to-noise ratio AKUN.
Figure 7.
(a) The dependence of the δφφ = Kφφ. σφ−2 standardized measurement error of the random phase of the DME signal on time t. (b) Detail of the dependence of the δφφ = Kφφ. σφ−2 standardized measurement error of the random phase of the DME signal on time t.
Figure 8.
The dependence of the δφφ standardized a posteriori dispersion of the random phase of the DME signal on the a priori dispersion σφ .
Figure 9.
The dependence of the error Δφ = (δφφ . σφ2) of measurement of the random phase of the DME signal on the a priori dispersion σφ.
Figure 10.
Dependence of the δDD of standardized measurement error of the random phase of the DME signal on the useful signal performance-to-noise ratio S/N.
Figure 11.
(a) The dependence of the standardized a posterior dispersion δDφ, on time t. (b) Details of the dependence of the standardized a posterior dispersion δDφ, on time t.
Figure 12.
The dependence of the standardized a posteriori dispersion of the speed δVV, on time t.
Figure 13.
The dependence of the standardized posterior dispersion of the acceleration δaa on time t.
Figure 14.
The dependence of the standardized posterior dispersion of the narrowband interference δ2UC, on time t.
Figure 15.
The dependence of the standardized posterior dispersion δ2UC on the ratio of the power of narrowband interference to the noise AKUN.
Figure 16.
The dependence of the distance measurement error ΔD of the DME receiver on time t.
Figure 17.
The dependence of the distance measurement error ΔD on the S/N ratio.
Figure 18.
The dependence of the distance measurement error ΔD on the ratio of the power of narrowband interference to the noise AKUN.
2. Materials and Methods
In this chapter, the methodology for creating a model of the measurement signal of the DME system is presented. In order to evaluate the accuracy and resistance to interference of the DME system, it was necessary to create models of the measured signal parameters and interference models. Furthermore, we assume that the DME system operates under the conditions of narrowband interference. Algorithms for processing the measurement signals of the DME system were derived based on the created models. In the article [1], the problems of signal processing in the DME system, which works under the conditions of broadband interference of the white noise type, were solved. In designing a DME receiver that is resistant to narrowband interference, we used some results obtained in previous works [1]. When designing the DME receiver, which should be resistant to interference, we assumed that it would be possible to restore this interference in the receiver, and then read off the received signal with the DME antenna. We designed our derived algorithms in such a way that it was possible to restore the narrowband interference in the receiver and subsequently use it to process the results of measurements made by the DME receiver. In this case, we refer to the primary processing of the DME signal at a high frequency. The advantage of this approach is that it does not introduce additional errors into the measurement results of the DME system, which may be caused by sampling the degraded received signal. We assumed that based on the filtered parameters of narrowband interference, it is possible to reconstruct this interference quite reliably, and then remove it from the received signal at the input of the DME receiver. Subsequently, we may process such a signal in the circuits of the receiver, and determine its parameters, which are carriers of navigation information. The contribution of this work is the application of the theory of nonlinear filtering of signals in the DME system, which operates under conditions of narrowband interference. Derived algorithms make it possible to create the architecture of a DME system that works under narrowband interference conditions. They also make it possible to estimate the influence of narrowband interference on the accuracy of the DME system. The difference between the algorithms presented in [1] and in this work is that the DME system includes a channel for identifying a narrowband interfering signal and suppressing its influence on the measurement results.
2.1. Model of DME Signal at the Receiver Input
If we want to evaluate the accuracy and resistance of the DME navigation system to interference, we have to create a priori models of the processes that we will investigate. First of all, we must create a model of the measurement signal of the DME device, which is received by the ground receiver of the system. We will refer to this input signal as μ(t). To create a model of the input signal of the DME navigation device, we need to know what signals the DME antenna receives. The real operation of the DME takes place under interference conditions. The most common types of interference include narrowband interference u(t), wideband interference of the white noise type n(t), chaotic impulse interference NY(t), and other types of interference. In further considerations, we proceed from the fact that we will investigate the influence of the narrowband interference u(t) and the wideband interference of the white noise type n(t) on the accuracy and robustness of the DME navigation device. Then, the signal on the DME receiver antenna in the interval <0, t), is expressed as follows:
Subsequently, we will create models of individual processes in Relation (1). The basic causes of white noise at the input of the DME receiver include antenna noise, the noise of the input circuits of the DME receiver, cosmic noise, uneven attenuation of radio waves when propagating in the environment, thermal radiation of the earth, etc. We consider the frequency spectra of the mentioned noises to be broadband. We consider the intensity of the spectrum of the process n(t) to be constant in the entire bandwidth of the DME receiver. Based on this, we approximate the process n(t) with white Gaussian noise. The characteristics of the process n(t) are as follows:
In Relation (2), we used the following symbols. E(·) is the mean value, and we consider N0 to be the process intensity n(t). It follows from Relation (2) that the dispersion of the process n(t) is infinite. This is not true, because the DME receiver has a finite bandwidth. We will model the narrowband disturbance u(t) as a quasi-harmonic random process. We consider this process to be normal, and the narrow-band to be stationary. Based on this, we express the narrowband interference u(t) as follows:
u(t) = U(t). cos[Ω0.t − Φn(t)],
or u(t) = UC(t).cosΩ0.t + US(t).sin Ω0.t,
where UC(t) = U(t).cos Φn(t); US(t) = U(t).sin Φn(t).
U(t) is the amplitude of narrowband process u(t); Ω0 is the mean value of the narrowband interference frequency, and U(t), Φn(t) are slowly changing functions compared to cos Ω0t. The narrowband process spectrum u(t) is symmetric due to the frequency Ω0. The slowly changing random functions Uc(t), Us(t) we obtain as a linear transformation of narrowband processes u(t) and du(t)/dt. Therefore, the probability distribution density of these processes will be normal. In the next step, we will express an a priori model of the Uc(t) process:
The model of the Us(t) process is expressed as follows:
The meaning of the symbols used in Equations (6) and (7) is as follows. u−1 is the time of correlation of processes UC(t) and US(t); nuc(t) and nus(t) are independent white Gaussian noise with known statistical characteristics E(nuc(t)) = E(nus(t)) = 0.
E{nuc(t1).nuc(t2)} = 1.d(t2 − t1);
E{nus(t1).nus(t2)} = 1.d(t2 − t1).
When creating the DME signal S1(X,t) model, we took into account the parameters of the onboard transponder of this system. The DME signal parameters are given in Annex 10: Aeronautical Telecommunications. Based on this, the DME signal model is expressed as follows:
It is clear from Equation (8) that the model S1(X,t) represents a sequence of two-pulse signals with the code interval τk. In Relation (8), A(t) is the pulse amplitude. In the calculations, A(t) = A0 = const. The parameter D(t) is the slant distance of the flying object (FO) from the overground responder; Ω0 is the signal frequency S1(X,t); φ(t) is the random phase S1(X,t); τi is the signal pulse length S1(X,t); and tk = t0 + k × Ti, k = 0, 1, 2, 3, … n is the a moment of transmitting the kth—pulse. t0 is the start of measurement; tz is the time delay of a signal in the transmitter circuitry. Ti = 1.66 × 10−3 represents the interrogation pulse’s period; tk is the moment of the first pulse’s transmission. To compare the results of this study with [1], we have chosen τi = 3.5 × 10−6 s.
The model of the inclined distance of a flying object (FO) from the overground responder D(t) is expressed in the form [1]:
In Equation (9), Vf(t) is the fluctuation part of the velocity V(t); V0 = E(V(t)) means of velocity V(t); α, β are variable coefficients characterized by the spectral density of random changes in acceleration, which are determined by the fluctuating components of wind velocity, object type, and the conditions of its movement. σa2 = E (a2(t)) is the variance of acceleration fluctuation, which depends upon atmosphere turbulence ability, motor thrust fluctuation, etc. na(t) is a white Gaussian noise with a zeroing mean and intensity equal to 1. The model calculation of the coefficients of a flying object’s movement (9) is stated in the literature [3]. The initial conditions for the state vector are XT = [D, ] = [1000; 10; 5].
The results of the simulation of the slant distance D(t) of the flying object (FO) from the ground transponder of the DME system as a function of time, according to Equation (9), are presented in Figure 1. It is clear from the figure that D(t) increases with increasing time. We assume that the flight is horizontal. A priori data of the model (9) are entered according to (26).
Figure 1a shows the dependence of FO acceleration a(t) on flight time according to algorithm (9). It is clear from the figure that the acceleration of the FO changes due to the turbulence of the atmosphere and the thrust of the engines, and it has a random character.
We assume that the frequency of the signal S1(X,t) is unstable. Based on this, we create a model of , which we express as follows [1]:
In Equations (10) and (11), ωn expresses the instability of the frequency of the signal S1(X,t); nφ(t), nω(t) are the white Gauss noise with zero mean value and an intensity equal to one; γω−1 is the time of the correlation of processes ωn; and σωn2 is the dispersion of the S1(X,t) signal frequency fluctuation. The processing of signals with a random phase is analyzed in more detail in [18]. The parameters of the signal model (8) with a random phase are described in [1,3].
Figure 1c shows the dependence of the frequency instability of the DME signal S1(X,t) on the time of flight according to the algorithm (11). It is clear from the figure that the frequency stability of the DME signal is satisfactory. The maximum frequency deviation does not exceed 5.8 s−1. The simulation results confirmed that the models (9)–(11) well express the physical nature of the investigated processes.
Equations (1)–(11) define the state vector X, which has the form
We express the state vector X using the following differential equation:
Matrix F and G of (7 × 7) dimensions consist of nonzero elements:
When calculating the matrix elements F and G, it is assumed that the S(.) signal period is known. Nx = [0, 0, na, nφ, nω,, ]T is a white Gaussian noise vector of zero mean value and of an intensity equal to one [1].
2.2. DME Signal Processing under Narrowband Interference Conditions
Algorithms for processing DME signals under white Gaussian noise conditions are given in [1]. In the work [1], it is stated that the DME input signal is expressed as
where S(X, t) is the signal of DME, and n(t) is the wide band interference. The interference n(t) is approximated by the white Gaussian noise with known characteristics [1]. If the DME system operates in narrowband interference conditions, then in accordance with relation (1), the signal on the DME antenna in the interval <0, t), is expressed as follows:
In relation (14), we make a formal exchange:
where S is an additive mixture of the signal DME (8), and the narrowband interference (3)–(7).
The input signal models (8), (14), and (15) were used to derive algorithms for DME signal processing under narrowband interference conditions. A procedure similar to that described in [1] has been used in cases wherein the algorithms for DME signal processing under broadband fluctuation interference conditions are given. Next, we present the conditions of validity and the procedure for deriving algorithms for processing DME signals in narrowband interference conditions.
If the realization of the process μ(t) at the time interval <0, t), is denoted as , then all pieces of information on the state vector X(t) implementation contain the conditional (a posterior) probability distribution p(X, t/) for the value of X, under the condition that there is the signal at the input of the optimum receiver [19]. If we determine the quadratic loss function as the criterion of accuracy, it is expressed as:
where E(t) = [X(t) − X*(t)]. Then, the result of the optimal X*(t) measurement of the state vector X(t) is determined as the minimum of a posterior mean error:
c[E(t)] = [X(t) − X*(t)] . [X(t) − X*(t)]T,
For the quadratic loss function that corresponds to the minimum mean squared error criterion, the quality of the measurement is characterized by a [3,18] matrix of second-order a posteriori central moments of filtration errors K(t):
In accordance with relation (16), the following is applied:
The criterion of optimality will be the minimum of the mean square error. Then, the measurement results given by Equation (19) represent the a posteriori mean value of the vector X(t). To express p (X, t| we need a relation for the a priori probability density pa (X (t)). The a priori probability density pa (X(t)) of the X(t) process complies with the Fokker–Plank–Kolmogorov Equation [19]:
where pa(X, t)) is the Fokker–Plank–Kolmogorov operator.
The derivation of general equations for the a posteriori probability density p (X, t|) is given, for example, in [3,18], based on the use of the Bayes formula. Furthermore, it is shown that if the measurement signal S(X, t) is received in the background of normal noise n(t), then the posterior probability density p (X, t|) satisfies the differential equation of Stratonovič [19].
To obtain X*(t), it is necessary to find a solution for the a posteriori probability density p (X,t|). The exact solution of this equation is very complicated, and therefore, different methods based on approximations of p (X,t|) are used in practice. In [3,18], the solutions are given for p (X,t|) in the case that the signal S(X, t) depends on the multivariate Markov process X(t). In our research, we were looking for a solution for processing DME signals received with narrowband interference and in the background of the white noise. We used Gaussian approximation methods [18], the continuous linearization method [19], and the method of large and small parameters [3]. Based on this, we derived algorithms for processing DME signals under narrowband interference and noise interference conditions n(t).
In accordance with Equations (1)–(20), the algorithms of optimum nonlinear DME signal filtration have the following forms [1,7,18]:
The symbol * indicates the measured parameters of the DME signal and narrowband interference. K is the a posteriori dispersion of errors of the measured components of the state vector X*. Based on algorithms (21) and (22), it is possible to create the architecture of a quasi-optimal DME signal receiver and evaluate its accuracy and resistance to interference.
A functional block diagram of the DME receiver is shown in Figure 1c. The proposed receiver is a nonlinear filter with one input and seven outputs. It contains an information channel that ensures the measurement of the components of the state vector X(t). The phase tuning system forms the reference signal for the phase tuning of the reference generator of the DME receiver. The signal from the reference generator of the DME receiver is used in the recovery of the useful signal S1(X*,t) in the DME receiver. It is clear from the algorithms [11,20] that the proposed receiver of the DME system includes a narrowband interference compensation channel, which restores the narrowband interference u*(t) and amplification blocks Kij, which provide cross-coupling between the components of the state vector X*(t). We obtain the parameters of the state vector X*(t) from the output of the linear filters for shaping the parameters of the useful signal. The receiver contains a block in which the difference between the received signal from the DME antenna ξ(t) and the restored narrowband interference u*(t) is formed. The difference signal ΔR(t) = ξ(t) − u*(t) is fed to the phase-tuning circuits of the reference generator, and ensures the opening of the phase-tuning circuits of the reference generator of the DME receiver if there is a measured signal at the input of the receiver. The input signal from the DME receiver antenna ξ(t) is led to the next block, in which the difference between the received signal ξ(t), the narrowband interference u*(t), and the recovered signal S1(X*,t) is created as a differential voltage Δ(t) = ξ(t) − u*(t) – S1(X*,t). This signal is led to the opening control circuits of the receiver if there is a useful signal at its input. Subsequently, the receiver processes the received signal and evaluates the measurement result. If there is no signal at the receiver input, the receiver performs the interpolation of the measured signal parameters S1(X*,t) in accordance with the algorithms (21,22).
To verify the accuracy of the synthesized DME, a simulation of the measurement of navigation parameters by the DME system, according to Equations (21) and (22), was performed, and its ability to operate in narrowband interference conditions was verified. By calculating the relation (22) and substituting the covariance matrix of the a posteriori error filtering of the signal parameters (8) K(t) into Equation (21), it is possible to model the process of measuring the distance of the flying object from the DME using PC modeling; thus allowing the dependence of the DME characteristics on changes in the input signal parameters, narrowband interference, wide-band fluctuation failure, and flight dynamics of the flying object to be determined. The modeling results can be used in the practical construction of the DME receiver [2,11,20]. The created algorithms allow us to determine the sensitivity of the DME to the intensity of the narrowband interference signal. The simulation results are shown in Figure 2, Figure 3, Figure 4, Figure 5, Figure 6, Figure 7, Figure 8, Figure 9, Figure 10, Figure 11, Figure 12, Figure 13, Figure 14, Figure 15, Figure 16, Figure 17 and Figure 18. The matrix K(t) is expressed in a standard form:
where σi−1.σj−1 is the a priori variance of the signal parameters (15); i = {1, 2, … 7}; j = {1, 2, … 7}.
The initial conditions for matrices K(t) have the form δii = 1; δij = 0.
In simulations, the initial conditions were determined to correspond to the physical sense of the resolved task [1,2]. We chose the parameters of the signal (8) so that it was possible to compare the results of the simulation of signal processing using the DME system under the conditions of narrowband interference with the results achieved in the work [1], in which the results of the simulation of DME signal processing under the conditions of wide-band interference of the white noise type are presented.
α = 0.5 s−1; β = 3.5 × 10−2 s−2; σF = 0.7 to 6.28 rad; DF = 10−3; σD = 5 to 20.0 m;
V00 = 250.0 m.s−1; σV = 0.1 m s−1; σa = 1.0 m s−2; γω = 300.0 s−1;
τu = 1.10−3.s−1; σωn = 1 to 103 s−1; f0 = 1.025 × 109 s−1;
V00 = 250.0 m.s−1; σV = 0.1 m s−1; σa = 1.0 m s−2; γω = 300.0 s−1;
τu = 1.10−3.s−1; σωn = 1 to 103 s−1; f0 = 1.025 × 109 s−1;
The useful signal performance-to-noise ratio S/N was equal in the range of 5–20. The narrowband interference performance-to-noise ratio AKUN was equal in the range 2–20. The initial conditions for the state vector XT = [1000; 10; 5; 0; 0; 0; 0].
3. Result and Discussion
On the basis of algorithms (1)–(25), a simulation of the potential (maximum) accuracy of DME was performed. The simulation results are shown in Figure 2. Figure 2 shows the dependence of the δDD = Kdd . σD −2 is the standardized measurement error of the slant distance D(t) between FO and DME, at time t. Kdd is the a posteriori dispersion of the measurement error of the slant distance D(t) between FO and DME. The following signal and interference parameters have been used in the simulations:
S/N = 10; AKUN = 5; τu = 1.103.s−1; σD =5.0 m;
σV = 0.1 m.s−1; σa = 3.10−3 m.s−2; DF = 10−3; σφ = 6.28 rad.
From Figure 2a, it is obvious that the standardized posterior dispersion decreases as the time increases. After 0.9 s, the value of δDD is equal to 0.194, which corresponds to the potential accuracy of distance measurement ΔDP = (δDD . σ2D)0.5= 2.2 m. The δDD waveform confirms that the DME receiver is operating in a stationary state after one second.
In the time between the received pulses of the measurement signal, which is equal to 1/Ti, the parameters of the state vector are extrapolated according to algorithms (21) and (22), which have the following form:
The simulation results in Figure 2b confirm that the δDD increases in the gaps between the received measurement signal pulses. After receiving the measurement signal, the measurement results are corrected.
Figure 3 shows the dependence of the δDD standardized measurement error on the a priori dispersion σD. It is clear from the figure that as σD increases, the standardized coefficient δDD decreases. The simulation results confirmed that if the a priori dispersion σD varies from 2.0 m to 15.0 m, the δDD standardized measurement error varies from 0.6 to 0.02.
We assume that this is why the transition process in the receiver is shortened. We further investigated how the potential accuracy of the DME ΔDp system depends on the σD parameter.
The dependence of the potential accuracy ΔD = (δDD.σ2D)0.5 on the a priori dispersion σD is shown in Figure 4. The simulation results show that increasing the a priori dispersion σD in the range from 2 to 15 does not cause a decrease in the potential accuracy ΔD. Therefore, we can confirm that the potential accuracy of the receiver basically does not depend on the a priori dispersion σD.
The dependence δDD of the standardized error of the slant range measurement D(t) between the FO and the DME on the useful signal-to-noise ratio S/N is shown in Figure 5. The figure shows that the standardized posterior dispersion δDD decreases as the S/N ratio increases. This fact indicates that the accuracy of the receiver improves as the S/N ratio increases. When the S/N is increased by 4 times, the δDD standardized measurement error decreased by 2.5 times.
The dependence δDD of the standardized error of the slant range measurement D(t) between FO and DME on the interference power-to-noise ratio AKUN is shown in Figure 6. The figure shows that the normalized posterior dispersion δDD increases as the AKUN ratio increases. This fact indicates that the accuracy of the DME receiver deteriorates as the AKUN ratio increases.
When the AKUN is increased by 7.5 times, the δDD standardized measurement error increases by 1.5 times. Based on this, we can confirm that the DME receiver is resistant to narrowband interference.
Figure 7a shows the dependence of the δφφ = Kφφ.σφ−2 standardized measurement error of the random phase of the DME signal on time t. Kφ φ is the posteriori dispersion of the measurement error of the random phase of the DME signal. Signal and noise parameters during simulations are determined by relation (27). The figure shows that after 0.45 s, the coefficient δφφ settles at a value of 0.44. In the gaps between the received pulses of the measurement signal, the coefficient δφφ increases. After receiving the measurement signal, the measurement results are corrected (see Figure 7b).
The dependence of the standardized a posteriori dispersion of the random phase of the DME signal δφφ on the a priori dispersion σφ is shown in Figure 8. The simulation results confirmed that as the a priori dispersion of the random phase σφ increases by 8 times, the a posteriori dispersion δφφ decreases by 48.4 times. Increasing a posteriori dispersion σφ causes an increase in the measurement error of the phase of the measurement signal Δφ (see Figure 9).
The dependence of the Δφ = (δφφ . σφ2) potential accuracy of measurement of the random phase of the DME signal on the a priori dispersion σφ is shown in Figure 9. The simulation results show that increasing the a priori dispersion σφ in the range from 0.78 to 6.28 causes a decrease in the potential accuracy of the Δφ the measurement from 3.65 to 4.2 rad. Therefore, we can confirm that the potential accuracy of measuring the random phase of the DME signal does not depend on the a priori dispersion σφ.
The dependence of the standardized posterior dispersion of the random phase of the DME signal δφφ on the ratio of the power of the useful signal to the noise S/N is shown in Figure 10. The figure shows that the normalized posterior dispersion δφφ decreases as the S/N ratio increases. This fact indicates that the accuracy of the random phase measurement improves as the S/N ratio increases. When the S/N increases by 4 times, the normalized posterior dispersion of the random phase δφφ decreases by 2.1 times.
Figure 11a shows the dependency of the standardized a posterior dispersion δDφ on time t. The parameter δDφ expresses the mutual dependence of the distance measurement accuracy D(t) and the random phase φ(t). The simulation confirmed that with increasing time, δDφ increases, which causes errors in measuring the distances between FO and DME. Since δDφ ≠ 0, the accuracy of the D(t) measurement is affected by the phase fluctuation of the DME measurement signal.
In the time between the received pulses of the measurement signal, which is equal to 1/Ti, the δDφ parameter increases. After receiving the measurement signal, the measurement results are corrected (ee Figure 7b).
The dependence of the standardized a posteriori dispersion of the speed δVV on time is shown in Figure 12. It is obvious from the figure that the coefficient δVV decreases with increasing time, which allows a more accurate measurement of the speed of movement of FO.
Figure 13 shows the dependency of the standardized posterior dispersion of acceleration δaa on time t. The simulation results show that as time increases, the coefficient δaa increases. This is due to the FO acceleration model used, which is sensitive to acceleration fluctuations. The increasing coefficient δaa causes errors in the estimation of the FO acceleration.
The dependence of the standardized posterior dispersion of narrowband interference δ2UC on time is shown in Figure 14. The simulation results show that the coefficient δ2UC settles at a value of 0.57 in a short time, which allows a good estimate of the interference at the input of the DME receiver. This is due to the presence of narrowband interference at the receiver input.
Figure 15 shows the dependency of the standardized posterior dispersion δ2UC on the ratio of the power of narrowband interference to the noise AKUN. When the AKUN ratio increases by 7.5 times, the normalized posterior dispersion δ2UC decreases by 1.8 times. It follows that as AKUN increases, the receiver can better identify narrowband interference and eliminate this interference from the additive mixture of useful signal and narrowband interference. Even so, higher AKUN values worsen the accuracy of measuring the navigation parameter D(t) (see Figure 17).
The dependence of the distance measurement error ΔD = D − D* of the DME receiver on time, for signal and interference parameters (27), is shown in Figure 16. D* is the measured value of the slant range D(t) between FO and DME, which was calculated according to Equation (21). The figure shows that the distance measurement error ΔD increases in the transition mode of the receiver. After 0.58 s, the distance measurement error ΔD decreases. In the transition mode, the mean value of the measurement error of the distance FO from DME D(t) is equal to −6.24 m, and the dispersion is equal to 2.1 m2.
The dependence of the distance measurement error ΔD on the S/N ratio is shown in Figure 17. The simulation time equals 1.0 s. The results of the simulation show that the accuracy of distance measurement by the DME receiver improves as the S/N ratio increases. If the S/N ratio varies from 5 to 20, then the distance measurement error ΔD varies from +4.0 m to −1.4 m.
Figure 18 shows the dependency of the distance measurement error ΔD on the ratio of the power of narrowband interference to the noise AKUN.
If the AKUN ratio changes ten times, then the distance measurement error ΔD increases four times. The simulation confirmed that the accuracy of the DME system deteriorates as the power of the narrowband interference increases. The results of the simulation, which was performed according to algorithms (21) and (22), showed that the accuracy of such a system would meet the current requirements for determining the position and navigation of flying objects using DME systems.
4. Conclusions
A characteristic feature of air traffic at present is the emphasis on its safety. With the increase in the intensity of air traffic, the problem of replacing classic navigation systems with new technologies has come to the fore. These technologies reduce costs and increase the safety of air traffic control. The new air traffic management concept envisages the use of the Global Navigation Satellite System (GNSS) and the preservation of Distance Measuring Equipment (DME). As stated in the introduction of this work, it assumes the expansion of the DME infrastructure as a substitute for GNSS. This requires an expansion of the current DME infrastructure, as these systems are not sufficiently accurate. Therefore, in our research, we focused on the possibility of increasing the accuracy and resistance to interference of DME systems. In this work, we present selected research results from the field of accuracy and robustness assessments of DME systems, which operate under the conditions of narrowband interference. In our research, a modeling and simulation method was used, which allowed us to evaluate the operation of a DME system in the conditions of narrowband interference. Models of the DME’s measurement signal, its parameters, and a narrowband interference model were created. Based on this, algorithms were derived for processing the measurement signals of the DME system under narrowband interference conditions. A non-linear filtering method was used in the derivation of the algorithms. The quadratic loss function, the Gaussian approximation method, and the large and small parameter methods were used in the optimization. Algorithms (21,22) determine the architecture of an optimal DME receiver that operates under the conditions of narrowband interference. The proposed receiver is a nonlinear filter that consists of the information channel that ensures the measurement of the components of the state vector X(t). It contains the phase-tuning system of the DME generator and a narrowband interference compensation channel. The simulation results presented in Figure 2, Figure 3, Figure 4, Figure 5, Figure 6, Figure 7, Figure 8, Figure 9, Figure 10, Figure 11, Figure 12, Figure 13, Figure 14, Figure 15, Figure 16, Figure 17 and Figure 18 confirm that the created models are relatively sensitive to the input of a priori data. Entering a priori data that are in accordance with the physical meaning of the task allows for the achievement of high accuracy in the simulation results. The sensitivity of algorithms to changes in DME operating parameters was determined. The simulation confirmed that the measurement accuracy of the DME system depends on the stability of the frequency of the DME support generator, the signal-to-noise ratio, and the signal-to-interference ratio at the input of the DME receiver. Based on the results of the simulation of the operation of the DME system according to algorithms (21) and (22), we can conclude that these algorithms are applicable for evaluating the potential and actual accuracy of the DME. It is common knowledge that companies do not publish navigation system algorithms. Based on the derived algorithms, it is possible to create a DME system architecture that is resistant to interference. Algorithms determine the block connection of the receiver and the requirements for the transmission functions of individual blocks. Subsequently, it is possible to propose the basic connection of these blocks. Assuming the availability of a priori data in existing radio navigation systems and their signals, it is possible to use algorithms to analyze these systems in terms of their accuracy and immunity to interference. Based on algorithms (21) and (22), the potential (maximum) accuracy of the DME system was evaluated. The standardized posterior dispersion of the measurement error of the slant distance D(t) between FO and DME decreases as time increases. After 0.9 s, the value of δDD is equal to 0.194, which corresponds to the potential accuracy of distance measurement ΔDP = (δDD. σ2D)0.5= 2.2 m. The simulation showed that after the end transition process, the DME receiver operates in quasi-stationary mode thus making it possible to substantially simplify the structure of the quasi-optimal DME, thereby shortening the time it takes to process measurement signals and evaluate measurement results. The simulation results confirm that the standardized posterior dispersion δDD decreases as the S/N ratio increases. This fact indicates that the accuracy of the receiver improves as the S/N ratio increases. The accuracy of the DME receiver deteriorates as the AKUN ratio increases. The simulation confirmed that the accuracy of the D(t) measurement is affected by the phase fluctuation of the DME measurement signal. The simulation results show that the DME receiver allows a good estimate of the interference at the input of the DME receiver. IF as AKUN increases, the receiver can better identify narrowband interference, and eliminate this interference from the additive mixture of useful signal and narrowband interference. Even so, higher AKUN values worsen the accuracy of measuring the navigation parameter D(t). The simulation results confirm that the distance measurement error ΔD increases in the transition mode of the receiver. After 0.58 s, the distance measurement error ΔD decreases. In the transition mode, the mean value of the measurement error of the distance FO from DME D(t) is equal to −6.24 m, and the dispersion is equal to 2.1 m2. The results of the simulation show that the accuracy of distance measurement by the DME receiver improves as the S/N ratio increases. The simulation confirmed that the accuracy of the DME system deteriorates as the power of the narrowband interference increases. Comparing the results of the DME system receiver designed by us with the parameters listed in [5,8,9,12], we can conclude that its accuracy is much better. Therefore, it would be appropriate to use the derived algorithms in the construction of the DME receiver. However, the mentioned algorithms require substantial simplification to be used for real-time signal processing. We assume that by performing further simulations, we will determine which coefficients of the receiver can be excluded from the derived algorithms or considered constants, which would significantly reduce the time required to evaluate the results of the slant distance measurement. This will be our next research direction.
Author Contributions
All co-authors contributed to the completion of this article. Specifically, their contributions are as follows: M.D. and L.M. equally contributed to writing original drafts, conceptualization, data collection and analysis, formal analysis, methodology, and final revision; M.D. contributed to the analysis, review, and editing of the paper; L.M. contributed to the editing of the paper. All authors have read and agreed to the published version of the manuscript.
Funding
This research received no external funding.
Data Availability Statement
Not applicable.
Conflicts of Interest
The authors declare no conflict of interest.
References
- Dzunda, M.; Dzurovcin, P. Selected Aspects of Navigation System Synthesis for Increased Flight Safety, Protection of Human Lives, and Health. Int. J. Environ. Res. Public Health 2020, 17, 1550. [Google Scholar] [CrossRef] [PubMed]
- Džunda, M. Accuracy and resistance of the radionavigation distance meter against chaotics impulse interference when using binary carriers signals. Radioengineering 1996, 5, 5–9. [Google Scholar]
- Jarlykov, M.S. Statističeskaja Teorija Radionavigacii; Radio i Svjaz: Moscow, Russia, 1985. [Google Scholar]
- Lo, S.; Chen, Y.H.; Enge, P.; Erikson, R.; Lilley, R. Distance measuring equipment accuracy performance today and for future alternative position navigation and timing (APNT). In Proceedings of the 26th International Technical Meeting of the Satellite Division of the Institute of Navigation, ION GNSS, Nashville, TN, USA, 16–20 September 2013; pp. 711–721. [Google Scholar]
- Džunda, M.; Dzurovčin, P.; Koščák, P.; Semrad, K. Impact of interference on DME Operations. In Proceedings of the International Scientific Conference on Modern Safety Technologies in Transportation (MOSATT), Kosice, Slovakia, 28–29 November 2019; pp. 49–52. [Google Scholar]
- Li, J.; Wu, R.; Hao, Y.; Wang, X.; Wang, Y.; Zhao, A. DME interference suppression algorithm based on signal separation estimation theory for civil aviation system. Eur. J. Wirel. Commun. Netw. 2016, 247. [Google Scholar] [CrossRef]
- Džunda, M. Accuracy and resistance of the radio communications system against chaotic impulse interference. In MOSATT; SDS-SAV: Košice, The Slovak Republic, 2005; ISBN 8096910612. [Google Scholar]
- Tekin, M.; Karakas, M. DME/DME Based Navigation for GNSS Interference Mitigation: Simulation, Algorithms. In Proceedings of the 2018 IEEE/AIAA 37th Digital Avionics Systems Conference (DASC), London, UK, 23–27 September 2018; p. 1628. [Google Scholar] [CrossRef]
- Kim, E.; Seo, J. SFOL Pulse: A High Accuracy DME Pulse for Alternative Aircraft Position and Navigation. Sensors 2017, 17, 2183. [Google Scholar] [CrossRef] [PubMed]
- Ostroumov, I.V.; Kuzmenko, N.S. Accuracy assessment of aircraft positioning by multiple radio navigational AIDS. Telecommun. Radio Eng. 2018, 77, 705–715. [Google Scholar] [CrossRef]
- Kim, O.J.; Kim, C.; Song, J.; Lee, T.; Park, B.; Kee, C. A Single Distance Measuring Equipment (DME) Station-Based Positioning System for Alternative Position Navigation and Timing (APNT). J. Inst. Navig. 2015, 62, 313–327. [Google Scholar] [CrossRef]
- Keshkar, M.; Muthalagu, R.; Rajak, A. ROAD Statistics-Based Noise Detection for DME Mitigation in LDACS. Appl. Sci. 2022, 12, 3774. [Google Scholar] [CrossRef]
- Muthalagu, R. Mitigation of DME interference in LDACS1-based future air-to-ground (A/G) communications. Cogent Eng. 2018, 5, 1472199. [Google Scholar] [CrossRef]
- Jiang, G.; Fan, Y. A Method for Analyzing the Impact of Intra-System and Inter-System Interference on DME Based on Queueing Theory . Sensors 2019, 19, 348. [Google Scholar] [CrossRef] [PubMed]
- Morales Ferre, R.; de la Fuente, A.; Lohan, E.S. Jammer Classification in GNSS Bands Via Machine Learning Algorithms. Sensors 2019, 19, 4841. [Google Scholar] [CrossRef] [PubMed]
- Lineswala, P.L.; Shah, S.N. Performance analysis of different interference detection techniques for navigation with Indian constellation. IET Radar Sonar Navig. 2019, 13, 1207–1213. [Google Scholar] [CrossRef]
- Borio, D. Swept GNSS jamming mitigation through pulse blanking. In Proceedings of the European Navigation Conference (ENC), Helsinki, Finland, 30 May 2016–2 June 2016; pp. 1–8. [Google Scholar] [CrossRef]
- Tichonov, V.I.; Kuľman, N.K. Nelinejnaja Fiľtracija i Kvazikogerentnyj Prijem Signalov; Sov. Radio: Moscow, Russia, 1975. [Google Scholar]
- Džunda, M.; Kotianová, N. The accuracy of relative navigation system. In Production Management and Engineering Sciences, Scientific Publication of the International Conference on Engineering Science and Production Management, ESPM 2015; Routledge in association with GSE Research: Sheffield, UK, 16–17 April 2015; pp. 369–376.
- Yu, L.; Haifeng, Z.; Huabo, W.; Min, W.; Huizhu, Z. Integrated Navigation Based on DME+VOR/INS under the Integrated Radio Condition. In Proceedings of the International Conference on Unmanned Aircraft Systems, Dallas, TX, USA, 12–15 June 2018; pp. 1352–1358. [Google Scholar]
Disclaimer/Publisher’s Note: The statements, opinions and data contained in all publications are solely those of the individual author(s) and contributor(s) and not of MDPI and/or the editor(s). MDPI and/or the editor(s) disclaim responsibility for any injury to people or property resulting from any ideas, methods, instructions or products referred to in the content. |
© 2023 by the authors. Licensee MDPI, Basel, Switzerland. This article is an open access article distributed under the terms and conditions of the Creative Commons Attribution (CC BY) license (https://creativecommons.org/licenses/by/4.0/).