An Efficient and Scene-Adaptive Algorithm for Vehicle Detection in Aerial Images Using an Improved YOLOv3 Framework
Abstract
1. Introduction
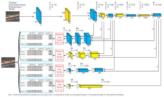
2. Methodology
2.1. Feature Map Generation
2.2. Context-Aware-Based Feature Map Fusion
2.2.1. Fusion Critical Condition
2.2.2. Feature Map Fusion
2.3. Sloping Bounding Box Based Prediction
2.3.1. Sloping Bounding Box
2.3.2. Multi-Task Loss Function with Angle Classification Punishment
3. Experiments and Analysis
3.1. Determination of the Fusion Weight for the Feature Map Fusion
3.2. Determination of the Angle Step
3.3. Performance on the Two Data Sets
4. Conclusions
Author Contributions
Funding
Acknowledgments
Conflicts of Interest
References
- Zhang, S.; He, G.; Chen, H.B.; Jing, N.; Wang, Q. Scale Adaptive Proposal Network for Object Detection in Remote Sensing Images. IEEE Geosci. Remote Sens. Lett. 2019, 16, 864–868. [Google Scholar] [CrossRef]
- Tao, H.; Lu, X. Automatic smoky vehicle detection from traffic surveillance video based on vehicle rear detection and multi-feature fusion. IET Intell. Transp. Syst. 2019, 13, 252–259. [Google Scholar] [CrossRef]
- Zhou, H.; Wei, L.; Lim, C.P.; Creighton, D.; Nahavandi, S. Robust Vehicle Detection in Aerial Images Using Bag-of-Words and Orientation Aware Scanning. IEEE Trans. Geosci. Remote Sens. 2018, 56, 1–12. [Google Scholar] [CrossRef]
- Lin, C.; Chen, S.Y.; Chen, C.C.; Tai, C.H. Detecting newly grown tree leaves from unmanned-aerial-vehicle images using hyperspectral target detection techniques. ISPRS J. Photogramm. Remote Sens. 2018, 142, 174–189. [Google Scholar] [CrossRef]
- Wang, J.; Wang, X.; Ke, Z.; Cai, Y.; Yue, L. Small UAV Target Detection Model Based on Deep Neural Network. J. Northwest. Polytech. Univ. 2018, 36, 258–263. [Google Scholar] [CrossRef]
- Sun, M.; Li, Y.; Qiang, C. Automatic Urban Vehicle Detection from Airborne LiDAR Data with Aerial Image. Remote Sens. Technol. Appl. 2014, 29, 886–890. [Google Scholar]
- Hu, X.; Xu, X.; Xiao, Y.; Chen, H.; He, S.; Qin, J.; Heng, P.A. SINet: A Scale-Insensitive Convolutional Neural Network for Fast Vehicle Detection. IEEE Trans. Intell. Transp. Syst. 2019, 20, 1010–1019. [Google Scholar] [CrossRef]
- Cheng, H.Y.; Weng, C.C.; Chen, Y.Y. Vehicle detection in aerial surveillance using dynamic Bayesian networks. IEEE Trans. Image Proc. 2012, 21, 2152–2159. [Google Scholar] [CrossRef] [PubMed]
- Teutsch, M.; Kruger, W. Robust and fast detection of moving vehicles in aerial videos using sliding windows. In Proceedings of the 2015 IEEE Conference on Computer Vision and Pattern Recognition Workshops (CVPRW), Boston, MA, USA, 7–12 June 2015; pp. 26–34. [Google Scholar]
- Koga, Y.; Miyazaki, H.; Shibasaki, R. A CNN-Based Method of Vehicle Detection from Aerial Images Using Hard Example Mining. Remote Sens. 2018, 10, 124. [Google Scholar] [CrossRef]
- Girshick, R. Fast R-CNN. In Proceedings of the 2015 IEEE International Conference on Computer Vision, Santiago, Chile, 7–13 December 2015; pp. 1–9. [Google Scholar]
- Redmon, J.; Divvala, S.; Girshick, R.; Farhadi, A. You Only Look Once: Unified, Real-Time Object Detection. arXiv 2016, arXiv:1506.02640. [Google Scholar]
- Wang, H.; Zhang, Z. A vehicle real-time detection algorithm based on YOLOv2 framework. In Proceedings of the Real-time image and video processing in Industrial and IoT Applications using Big Data Analytics, Mantra, Gold Coast, Australia, 20–22 June 2018; p. 10670. [Google Scholar]
- Sommer, L.W.; Schuchert, T.; Beyerer, J. Fast Deep Vehicle Detection in Aerial Images. In Proceedings of the IEEE Winter Conference on Applications of Computer Vision, Shanghai, China, 18–21 May 2017; pp. 311–319. [Google Scholar]
- Saribas, H.; Cevikalp, H.; Kahvecioglu, S. Car detection in images taken from unmanned aerial vehicles. In Proceedings of the 2018 26th Signal Processing and Communications Applications Conference (SIU), Cesme, Izmir, 2–5 May 2018; pp. 1–4. [Google Scholar]
- Redmon, J.; Farhadi, A. YOLO9000: Better, Faster, Stronger. In Proceedings of the IEEE Conference on Computer Vision and Pattern Recognition, Honolulu, HI, USA, 21–26 July 2017; pp. 7263–7271. [Google Scholar]
- Kim, K.J.; Kim, P.K.; Chung, Y.S.; Choi, D.H. Performance Enhancement of YOLOv3 by Adding Prediction Layers with Spatial Pyramid Pooling for Vehicle Detection. In Proceedings of the 2018 15th IEEE International Conference on Advanced Video and Signal Based Surveillance (AVSS), Auckland, New Zealand, 27–30 November 2018; pp. 1–6. [Google Scholar]
- Redmon, J.; Farhadi, A. YOLOv3: An Incremental Improvement. arXiv 2018, arXiv:1804.02767. [Google Scholar]
- Shi, X.; Shan, S.; Kan, M.; Wu, S.; Chen, X. Real-Time Rotation-Invariant Face Detection with Progressive Calibration Networks. In Proceedings of the IEEE Conference on Computer Vision and Pattern Recognition, Salt Lake City, UT, USA, 18–23 June 2018; pp. 2295–2303. [Google Scholar]
- Hsu, G.S.; Ambikapathi, A.M.; Chung, S.L.; Su, C.P. Robust license plate detection in the wild. In Proceedings of the IEEE International Conference on Advanced Video and Signal Based Surveillance, Lecce, Italy, 29 August–1 September 2017; pp. 1–6. [Google Scholar]
- Ali, W.; Abdelkarim, S.; Zahran, M.; Zidan, M.; Sallab, A.E. YOLO3D: End-to-end real-time 3D Oriented Object Bounding Box Detection from LiDAR Point Cloud. In Proceedings of the European Conference on Computer Vision (ECCV), Munich, Germany, 8–14 September 2018; pp. 1–12. [Google Scholar]
- Gong, C.; Zhou, P.; Han, J. Learning Rotation-Invariant Convolutional Neural Networks for Object Detection in VHR Optical Remote Sensing Images. IEEE Trans. Geosci. Remote Sens. 2016, 54, 7405–7415. [Google Scholar]
- Liu, Z.; Hu, J.; Weng, L.; Yang, Y. Rotated region based CNN for ship detection. In Proceedings of the IEEE International Conference on Image Processing, Beijing, China, 17–20 September 2017; pp. 900–904. [Google Scholar]
- Worrall, D.E.; Garbin, S.J.; Turmukhambetov, D.; Brostow, G.J. Harmonic Networks: Deep Translation and Rotation Equivariance. In Proceedings of the IEEE Conference on Computer Vision and Pattern Recognition, Honolulu, HI, USA, 21–26 July 2017; pp. 5028–5037. [Google Scholar]
- Zhang, Z.; Liang, X.; Dong, X.; Xie, Y.; Cao, G. A Sparse-View CT Reconstruction Method Based on Combination of DenseNet and Deconvolution. IEEE Trans. Med. Imaging 2018, 37, 1407–1417. [Google Scholar] [CrossRef] [PubMed]
- Ratha, D.; De, S.; Celik, T.; Bhattacharya, A. Change Detection in Polarimetric SAR Images Using a Geodesic Distance Between Scattering Mechanisms. IEEE Geosci. Remote Sens. Lett. 2017, 14, 1066–1070. [Google Scholar] [CrossRef]
- Liu, X.; Tao, Y.; Jing, L. Real-Time Ground Vehicle Detection in Aerial Infrared Imagery Based on Convolutional Neural Network. Electronics 2018, 7, 78. [Google Scholar] [CrossRef]








| Frames | Mutual Information Entropy | Normalization |
|---|---|---|
| 1 | 5.3673 | 0.7886 |
| 2 | 4.2117 | 0.7967 |
| 3 | 4.7344 | 0.8552 |
| 4 | 5.3724 | 0.8725 |
| 5 | 4.1674 | 0.8336 |
| ⋯ | ⋯ | ⋯ |
| 72 | 5.5330 | 0.7083 |
| 73 | 3.7809 | 0.8037 |
| Fast-CNN Module Precision Recall F1-Score | YOLOv3 Module Precision Recall F1-Score | The proposed Algorithm Precision Recall F1-Score | |||||||
|---|---|---|---|---|---|---|---|---|---|
| VIVID_egtest01 | 87.0% | 91.0% | 89.0% | 91.1% | 94.2% | 91.9% | 95.3% | 98.3% | 96.5% |
| VIVID_egtest02 | 88.0% | 90.4% | 89.2% | 90.9% | 93.5% | 92.9% | 94.9% | 98.7% | 97.1% |
| VIVID_egtest03 | 90.4% | 90.0% | 90.2% | 93.3% | 93.8% | 93.7% | 97.7% | 98.2% | 97.6% |
| VIVID_egtest04 | 88.7% | 89.2% | 89.0% | 91.9% | 92.6% | 93.3% | 96.4% | 97.1% | 98.1% |
| OIRDS_dataset1 | 89.9% | 88.1% | 88.9% | 92.5% | 91.9% | 92.8% | 97.3% | 96.3% | 96.9% |
| OIRDS_dataset4 | 88.3% | 89.0% | 90.1% | 91.3% | 92.2% | 93.7% | 95.1% | 96.6% | 97.8% |
| OIRDS_dataset10 | 89.3% | 88.7% | 89.1% | 92.1% | 91.4% | 93.1% | 96.6% | 97.7% | 98.7% |
| OIRDS_dataset11 | 87.9% | 89.1% | 88.9% | 91.7% | 92.8% | 92.3% | 95.8% | 96.8% | 97.9% |
| Average | 88.7% | 89.4% | 89.3% | 91.9% | 92.8% | 93.0% | 96.1% | 97.5% | 97.6% |
| Video Sequences | Fast-CNN Module | YOLOv3 Module | The Proposed Algorithm |
|---|---|---|---|
| VIVID_egtest01 | 0.77 | 0.75 | 0.85 |
| VIVID_egtest02 | 0.72 | 0.69 | 0.83 |
| VIVID_egtest02 | 0.80 | 0.75 | 0.87 |
| VIVID_egtest02 | 0.76 | 0.77 | 0.89 |
| OIRDS_dataset1 | 0.65 | 0.63 | 0.76 |
| OIRDS_dataset4 | 0.59 | 0.55 | 0.68 |
| OIRDS_dataset10 | 0.63 | 0.58 | 0.70 |
| OIRDS_dataset11 | 0.55 | 0.52 | 0.62 |
| Average | 0.68 | 0.66 | 0.76 |
| Video Sequences | Fast-CNN Module | YOLOv3 Module | The Proposed Algorithm |
|---|---|---|---|
| VIVID_egtest01 | 14.5 | 11.2 | 10.6 |
| VIVID_egtest02 | 28.6 | 28.2 | 16.3 |
| VIVID_egtest02 | 35.4 | 27.0 | 19.2 |
| VIVID_egtest02 | 39.3 | 28.6 | 20.7 |
| OIRDS_dataset1 | 17.8 | 13.2 | 11.5 |
| OIRDS_dataset4 | 26.3 | 18.6 | 13.5 |
| OIRDS_dataset10 | 26.8 | 25.4 | 14.9 |
| OIRDS_dataset11 | 25.9 | 19.3 | 14.3 |
| Average | 26.8 | 21.4 | 15.1 |
© 2019 by the authors. Licensee MDPI, Basel, Switzerland. This article is an open access article distributed under the terms and conditions of the Creative Commons Attribution (CC BY) license (http://creativecommons.org/licenses/by/4.0/).
Share and Cite
Zhang, X.; Zhu, X. An Efficient and Scene-Adaptive Algorithm for Vehicle Detection in Aerial Images Using an Improved YOLOv3 Framework. ISPRS Int. J. Geo-Inf. 2019, 8, 483. https://doi.org/10.3390/ijgi8110483
Zhang X, Zhu X. An Efficient and Scene-Adaptive Algorithm for Vehicle Detection in Aerial Images Using an Improved YOLOv3 Framework. ISPRS International Journal of Geo-Information. 2019; 8(11):483. https://doi.org/10.3390/ijgi8110483
Chicago/Turabian StyleZhang, Xunxun, and Xu Zhu. 2019. "An Efficient and Scene-Adaptive Algorithm for Vehicle Detection in Aerial Images Using an Improved YOLOv3 Framework" ISPRS International Journal of Geo-Information 8, no. 11: 483. https://doi.org/10.3390/ijgi8110483
APA StyleZhang, X., & Zhu, X. (2019). An Efficient and Scene-Adaptive Algorithm for Vehicle Detection in Aerial Images Using an Improved YOLOv3 Framework. ISPRS International Journal of Geo-Information, 8(11), 483. https://doi.org/10.3390/ijgi8110483
