Bidirectional Operation Scheme of Grid-Tied Zeta Inverter for Energy Storage Systems
Abstract
1. Introduction
2. Proposed Inverter
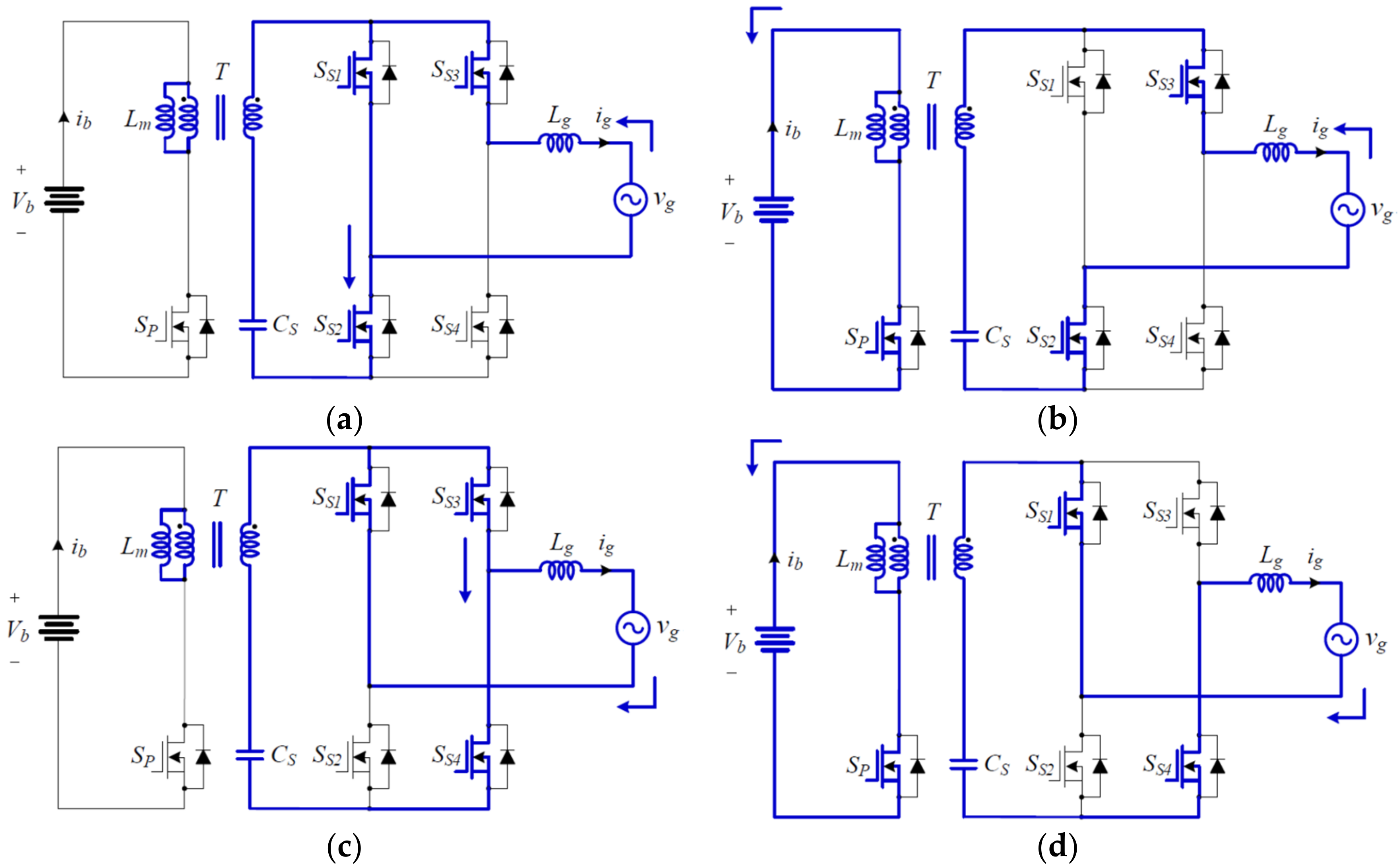
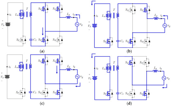
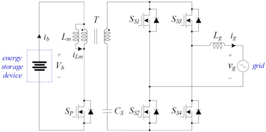
2.1. Circuit Configuration
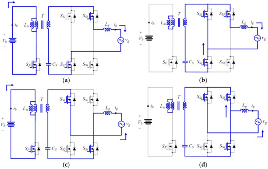
2.2. Operation Mode
2.3. Control Method
2.4. Control Implementation
3. Experiment Results
4. Concluding Remark
Author Contributions
Funding
Conflicts of Interest
References
- Dong, M.; Tian, X.; Li, L.; Song, D.; Wang, L.; Zhao, M. Model-based current sharing approach for DCM interleaved flyback microinverter. Electronics 2018, 11, 1685. [Google Scholar]
- Feng, X.; Wang, F.; Wu, C.; Luo, J.; Zhang, L. Modeling and comparisons of aggregated flyback microinverters in aspect of harmonic resonances with the grid. IEEE Trans. Ind. Electron. 2019, 66, 276–285. [Google Scholar] [CrossRef]
- Lodh, T.; Pragallapati, N.; Agarwal, V. Novel control scheme for an interleaved flyback converter based solar PV microinverter to achieve high efficiency. IEEE Trans. Ind. Appl. 2018, 54, 3473–3482. [Google Scholar] [CrossRef]
- Han, B.; Lee, J.S.; Kim, M.S. Repetitive controller with phase-lead compensation for Cuk CCM inverter. IEEE Trans. Ind. Electron. 2018, 65, 2356–2367. [Google Scholar] [CrossRef]
- Han, B.; Lai, J.-S.; Kim, M.S. Bridgeless Cuk-derived single power conversion inverter with reactive-power capability. IEEE Trans. Power Electron. 2020, 35, 2629–2645. [Google Scholar] [CrossRef]
- Han, B.; Lai, J.-S.; Kim, M.S. Dynamic modeling and controller design of dual-mode Cuk inverter in grid-connected PV/TE applications. IEEE Trans. Power Electron. 2018, 33, 8887–8904. [Google Scholar] [CrossRef]
- Viero, R.C.; Lopez, H.F.M.; Zollmann, C.A.; dos Reis, F.S. Dynamic modeling of a sinusoidal inverter based on zeta converter working in DCM for PV arrays. In Proceedings of the Annual Conference on IEEE Industrial Electronics Society (IECON), Glendale, AZ, USA, 7–10 November 2010; pp. 439–444. [Google Scholar]
- Levin, G.H.; Flores, J.V.; Salton, A.; dos Reis, F.S. Internal model control of the zeta converter for the grid connection of photovoltaic panels. In Proceedings of the Brazilian Power Electronics Conference, Gramado, Brazil, 27–31 October 2013; pp. 666–671. [Google Scholar]
- Surapaneni, R.K.; Rathore, A.K. A single-stage CCM zeta microinverter for solar photovoltaic AC module. IEEE J. Emerg. Sel. Topics Power Electron. 2015, 3, 892–900. [Google Scholar] [CrossRef]
- Choi, W.Y.; Yang, M.K. High-efficiency design and control of zeta inverter for single-phase grid-connected applications. Energies 2019, 12, 974. [Google Scholar] [CrossRef]
- Liu, Y.C.; Chen, M.C.; Yang, C.Y.; Kim, K.A.; Chiu, H.J. High-efficiency isolated photovoltaic microinverter using wide-band gap switches for standalone and grid-tied applications. Energies 2018, 11, 569. [Google Scholar] [CrossRef]
- Liu, Y.C.; Chen, M.C.; Yang, C.Y.; Kim, K.A.; Chiu, H.J. Research on digital synchronous rectification for a high-efficiency dc-dc converter in an auxiliary power supply system of magnetic levitation. Energies 2020, 13, 51. [Google Scholar]
- Sandelic, M.; Sangwongwanich, A.; Blaabjerg, F. Reliability evaluation of PV systems with integrated battery energy storage systems: Dc-coupled and ac-coupled configurations. Electronics 2019, 8, 1059. [Google Scholar] [CrossRef]
- Fang, J.; Tang, Y.; Li, H.; Li, X. A battery/ultracapacitor hybrid energy storage system for implementing the power management of virtual synchronous generators. IEEE Trans. Power Electron. 2018, 33, 2820–2824. [Google Scholar] [CrossRef]
- Lai, R.; Wang, F.; Burgos, R.; Boroyevich, D.; Zhang, D.; Ning, P. A shoot-through protection scheme for converters built with SiC JFETs. IEEE Trans. Ind. Appl. 2010, 46, 2495–2500. [Google Scholar] [CrossRef]
- Caiza, D.L.; Kouro, S.; Flores-Bahamonde, F.; Hernandez, R. Unfolding PV microinverter current control: Rectified sinusoidal vs sinusoidal reference waveform. In Proceedings of the Annual Conference on IEEE Energy Conversion Congress and Exposition (ECCE), Portland, OR, USA, 7–10 September 2018; pp. 7094–7100. [Google Scholar]
- Hernandez-Vidal, R.; Renaudineau, H.; Kouro, S. Sub-module photovoltaic microinverter with cascaded flybacks and unfolding H-bridge inverter. In Proceedings of the Annual Conference on IEEE International Symposium on Industrial Electronics (ISIE), Edinburgh, UK, 19–21 June 2017; pp. 1035–1040. [Google Scholar]
- Kim, N.; Parkhideh, B. PV-battery series inverter architecture: A solar inverter for seamless battery integration with partial-power dc-dc optimizer. IEEE Trans. Energy Convers. 2019, 34, 478–485. [Google Scholar] [CrossRef]
- Dong, D.; Thacker, T.; Cvetkovic, I.; Burgos, R.; Boroyevich, D.; Wang, F.; Skutt, G. Modes of operation and system-level control of single-phase bidirectional PWM converter for microgrid systems. IEEE Trans. Smart Grid 2012, 3, 93–104. [Google Scholar] [CrossRef]
- Tan, G.; Zong, C.; Sun, X. Tan-Sun transformation-based phase-locked loop in detection of the grid synchronous signals under distorted grid conditions. Electronics 2020, 9, 674. [Google Scholar] [CrossRef]
- Zmood, D.N.; Holmes, D.G. Stationary frame current regulation of PWM inverters with zero steady-state error. IEEE Trans. Power Electron. 2003, 18, 814–822. [Google Scholar] [CrossRef]
- Jiang, S.; Cao, D.; Li, Y.; Liu, J.; Peng, F.Z. Low-THD, fast-transient, and cost-effective synchronous-frame repetitive controller for three-phase UPS inverters. IEEE Trans. Power Electron. 2012, 27, 2139–2149. [Google Scholar] [CrossRef]
- Pereira, L.F.A.; Flores, J.V.; Bonan, G.; Coutinho, D.F.; da Silva, J.M.G. Multiple resonant controllers for uninterruptible power supplies-a systematic robust control design approach. IEEE Trans. Ind. Electron. 2014, 61, 1528–1538. [Google Scholar] [CrossRef]







| Symbol | Quantity | Value |
|---|---|---|
| Vb | battery voltage | 48 V |
| vg | grid voltage | 60 Hz/220 Vrms |
| fs | switching frequency | 50 kHz |
| Lm | magnetizing inductor | 60 μH |
| nP | primary winding turns | 15 |
| nS | secondary winding turns | 64 |
| CS | secondary capacitor | 1.0 μF |
| Lg | filter inductor | 2.0 mH |
| SP | primary swich | IXFK150N30P3 |
| SS1 ~ SS4 | secondary switches | UJC1206K |
© 2020 by the author. Licensee MDPI, Basel, Switzerland. This article is an open access article distributed under the terms and conditions of the Creative Commons Attribution (CC BY) license (http://creativecommons.org/licenses/by/4.0/).
Share and Cite
Choi, W.-Y. Bidirectional Operation Scheme of Grid-Tied Zeta Inverter for Energy Storage Systems. Electronics 2020, 9, 1159. https://doi.org/10.3390/electronics9071159
Choi W-Y. Bidirectional Operation Scheme of Grid-Tied Zeta Inverter for Energy Storage Systems. Electronics. 2020; 9(7):1159. https://doi.org/10.3390/electronics9071159
Chicago/Turabian StyleChoi, Woo-Young. 2020. "Bidirectional Operation Scheme of Grid-Tied Zeta Inverter for Energy Storage Systems" Electronics 9, no. 7: 1159. https://doi.org/10.3390/electronics9071159
APA StyleChoi, W.-Y. (2020). Bidirectional Operation Scheme of Grid-Tied Zeta Inverter for Energy Storage Systems. Electronics, 9(7), 1159. https://doi.org/10.3390/electronics9071159