A Study on the Analytic Power Estimation of the Electromagnetic Resonant Energy Harvester for the High-Speed Train
Abstract
1. Introduction
2. Measurement of Ambient Energy during Operation of Railroad System
2.1. Vibration Acceleration for Energy Harvesting Measurement Position and Sensors
2.2. Results of Vibration Energy Source Measurement during the Train Operation
3. Estimation of Energy Harvesting Power during the High-Speed Train Operation
3.1. Computation Spectrograms
- The data is divided into segments of 213 samples (8.192 seconds when the sample time is 1 millisecond).
 - Acceleration is checked for anomalies (low-frequency drift, sensor limit hits). If anomalies are found, the segment is rejected.
 - The mean-squared spectrum (MSS) of the vibration acceleration during the segment is computed using a Hamming window length 211 (frequency resolution 0.49 Hz) with a 50% overlap. The spectrum is transformed into an amplitude spectrum.
 - The train velocity change (max–min) during the segment is computed, and the segment is rejected if it is more than 10 km/h. (The purpose of this is to reduce the effects of frequency modulation of vibration signals due to train velocity changes).
 - The mean value of the train velocity during the segment is computed.
 - The spectrums and mean velocities from all accepted segments are saved.
 - The segment data from all accepted test runs are combined, sorted according to the mean velocity, and plotted as a 3D spectrogram.
 
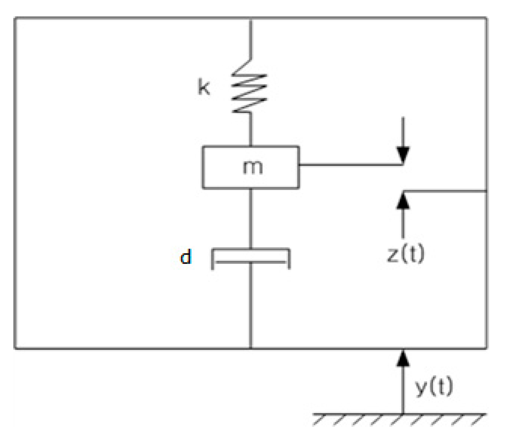
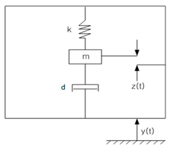
3.2. Analytic Estimation of the Energy Harvesting Power on the Railroad System
- is the dissipated power [W]
 - m is the vibrating mass [kg]
 - A is the vibration acceleration amplitude of the frame of the mass-spring-damper system [m/s2]
 - is the undamped natural frequency of the mass-spring-damper system [rad/s]
 - is the total damping ratio [–]
 
- D is the amplitude of the mass vibration with respect to the frame of the mass-spring-damper system [m]
 
- s is the Laplace variable [rad]
 - V(s) is the Laplace transform of , i.e., the relative velocity of the mass with respect to the frame
 - A(s) is the Laplace transform of , i.e., the acceleration of the frame.
 
- Z(s) is the Laplace transform of , i.e., the relative position of the mass with respect to the frame
 
4. Results
5. Conclusions
Funding
Conflicts of Interest
References
- Jung, H.J.; Song, Y.; Hong, S.K.; Yang, C.H.; Hwang, S.J.; Jeong, S.Y.; Sung, T.H. Design and optimization of piezoelectric impact-based micro wind energy harvester for wireless sensor network. Sens. Actuators A Phys. 2015, 222, 314–321. [Google Scholar] [CrossRef]
 - Takezawa, A.; Kitamura, M.; Vatanabe, S.L.; Silva, E.C.N. Design methodology of piezoelectric energy-harvesting skin using topology optimization. Struct. Multidiscip. Optim. 2014, 49, 281–297. [Google Scholar] [CrossRef]
 - Knight, C.; Davidson, J.; Behrens, S. Energy options for wireless sensor nodes. Sensors 2008, 8, 8037–8066. [Google Scholar] [CrossRef]
 - Song, Y. Finite-element implementation of piezoelectric energy harvesting system from vibrations of railway bridge. J. Energy Eng. 2019, 145. [Google Scholar] [CrossRef]
 - Khan, F.U.; Iqbal, M. Electromagnetic Bridge Energy Harvester Utilizing Bridge’s Vibrations and Ambient Wind for Wireless Sensor Node Application. J. Sens. 2018, 2018, 18. [Google Scholar] [CrossRef]
 - Takeya, K.; Sasaki, E.; Kobayashi, Y. Design and parametric study on energy harvesting from bridge vibration using tuned dual-mass damper systems. J. Sound Vib. 2016, 361, 50–65. [Google Scholar] [CrossRef]
 - Sazonov, E.; Li, H.; Curry, D.; Pillay, P. Self-powered sensors for monitoring of highway bridges. IEEE Sens. J. 2009, 9, 1422–1429. [Google Scholar] [CrossRef]
 - Wang, D.; Chiu, C.; Pham, H. Electromagnetic energy harvesting from vibrations induced by Kármán vortex street. Mechatronics 2012, 22, 746–756. [Google Scholar] [CrossRef]
 - Mullen, C.; Lee, S. Optimization of An Electromagnetic Energy Harvesting Backpack under Actual Walking and Running Scenarios, ASME Smart Materials, Adaptive Structures and Intelligent Systems (SMASIS); SMASIS2016-9291, V002T07A015; American Society of Mechanical Engineers: New York, NY, USA, 2016; p. 8. [Google Scholar]
 - Jung, H.J.; Nezami, S.; Lee, S. Power Supply Switch Circuit for Intermittent Energy Harvesting. Electronics 2019, 8, 1446. [Google Scholar] [CrossRef]
 - Nagode, C.; Ahmadian, M.; Taheri, S. Effective Energy Harvesting Devices for Railroad Applications. Proc. SPIE 2010, 76430. Available online: https://spie.org/Publications/Proceedings/Paper/10.1117/12.847866?SSO=1 (accessed on 29 January 2020). [CrossRef]
 - Eshghi, A.T.; Lee, S.; Sadoughi, M.K.; Hu, C.; Kim, Y.; Seo, J. Design optimization under uncertainty and speed variability for a piezoelectric energy harvester powering a tire pressure monitoring sensor. Smart Mater. Struct. 2017, 26, 18. [Google Scholar] [CrossRef]
 - Orrego, S.; Shoele, K.; Ruas, A.; Doran, K.; Caggiano, B.; Mittal, R.; Kang, S.H. Harvesting ambient wind energy with an inverted piezoelectric flag. Appl. Energy 2017, 194, 212–222. [Google Scholar] [CrossRef]
 - Elvin, N.G.; Lajnef, N.; Elvin, A.A. Feasibility of structural monitoring with vibration powered sensors. Smart Mater. Struct. 2006, 15, 977–986. [Google Scholar] [CrossRef]
 - Kure, G. Condition monitoring: The apotheosis of maintenance. Int. Railw. J. 2009, 49, 42–43. [Google Scholar]
 - Gatin, O. WSN and Energy Harvesting Opportunities for Railway Applications at SNCF. In Proceedings of the Energy harvesting & Storage Europe Conference, Munich, Germany, 26–27 May 2010. [Google Scholar]
 - Seong, S.; Hu, C.; Lee, S. Design under uncertainty for reliable power generation of piezoelectric energy harvester. J. Intell. Mater. Syst. Struct. 2017, 28. [Google Scholar] [CrossRef]
 - Mitcheson, P.D.; Reilly, E.K.; Toh, T.; Wright, P.K.; Yeatman, E.M. Performance limits of the three MEMS inertial energy generator transduction types. J. Micromech. Microeng. 2007, 17, 211–216. [Google Scholar] [CrossRef]
 - Nezami, S.; Jung, H.; Lee, S. Design of a disk-swing driven piezoelectric energy harvester for slow rotary system application. Smart Mater. Struct. 2019, 28. [Google Scholar] [CrossRef]
 - Meninger, S.; Mur-Miranda, J.O.; Amirtharajah, R.; Chandrakasan, A.; Lang, J.H. Vibration-to-electric energy conversion. IEEE Trans. Very Large Scale Integr. (VLSI) Syst. 2001, 9, 64–76. [Google Scholar] [CrossRef]
 - Yang, B.; Lee, C.; Xiang, W.; Xie, J.; He, J.H.; Kotlanka, R.K.; Low, S.P.; Feng, H. Electromagnetic energy harvesting from vibrations of multiple frequencies. J. Micromech. Microeng. 2009, 19, 035001. [Google Scholar] [CrossRef]
 - Khan, F.; Stoeber, B.; Sassani, F. Modeling of linear micro electromagnetic energy harvesters with nonuniform magnetic field for sinusoidal vibrations. Microsyst. Technol. 2015, 21, 683–692. [Google Scholar] [CrossRef]
 - Mathúna, C.Ó.; O’Donnell, T.; Martinez-Catala, R.V.; Rohan, J.; O’Flynn, B. Energy scavenging for long term deployable wireless sensor networks. Talanta 2008, 75, 613–623. [Google Scholar] [CrossRef] [PubMed]
 - Cepnik, C.; Lausecker, R.; Wallrabe, U. Review on electrodynamic energy harvesters—A classification approach. Micromachines 2013, 4, 168–196. [Google Scholar] [CrossRef]
 - Paul, D.M.; Eric, M.Y.; Rao, G.K.; Andrew, S.H.; Tim, C.G. Energy Harvesting from Human and Machine Motion for Wireless Electronic Devices. Proc. IEEE 2008, 96, 1457–1486. [Google Scholar]
 - Anton, S.R.; Sondano, H.A. A review of power harvesting using piezoelectric materials. Smart Mater. Struct. 2007, 16, R1–R21. [Google Scholar] [CrossRef]
 - Priya, S. Advances in energy harvesting using low profile piezoelectric transducers. J. Electroceram 2007, 19, 165–182. [Google Scholar] [CrossRef]
 - Williams, C.B.; Yates, R.B. Analysis of a micro-electric generator for microsystems. Sens. Actuators A Phys. 1996, 52, 8–11. [Google Scholar] [CrossRef]
 - Järviluoma, M.; Strömmer, E. Vibration Analysis Report; VTT Technical Research Centre of Finland: Oulu, Finland, 2013; pp. 7–19. [Google Scholar]
 - Caruso, G.; Chirianni, G.; Vairo, G. Energy harvesting from wind-induced bridge vibrations via electromagnetic transduction. Eng. Struct. 2016, 115, 118–128. [Google Scholar] [CrossRef]
 - Roundy, S.; Wright, P.K.; Rabaey, J.M. Energy Scavenging for Wireless Sensor Networks with Special Focus on Vibrations; Springer Nature: Berlin/Heidelberg, Germany, 2004. [Google Scholar]
 - Khan, F. Review of non-resonant vibration based energy harvesters for wireless sensor nodes. J. Renew. Sustain. Energy 2016, 8, 44702. [Google Scholar] [CrossRef]
 















| Location | Peak Frequencies, Hz | |||
|---|---|---|---|---|
| V_Ax06_L | 29.79 | 47.36 | 50.30 | 61.04 | 
| V_Ax06_R | 29.79 | 47.36 | 50.30 | 61.04 | 
| V_BN3_M_R | 30.27 | 45.90 | 55.18 | 59.57 | 
| Max Power at Each Location [mW] | Mean Power at Each Location [mW] | |||
|---|---|---|---|---|
| Damping ratio | V_Ax06_L | V_Ax06_R | V_Ax06_L | V_Ax06_R | 
| 0.001 | 290.9715 | 305.5768 | 49.0 | 51.4 | 
| 0.01 | 162.9827 | 161.3689 | 42.1 | 44.8 | 
| 0.1 | 65.9643 | 68.0817 | 25.7 | 26.9 | 
| Max Power at Each Location [mW] | Mean Power at Each Location [mW] | |
|---|---|---|
| Damping ratio | V_BN3_M_R | V_BN3_M_R | 
| 0.001 | 87.5 | 7.5 | 
| 0.01 | 73.7 | 6.3 | 
| 0.1 | 21.5 | 2.9 | 
© 2020 by the author. Licensee MDPI, Basel, Switzerland. This article is an open access article distributed under the terms and conditions of the Creative Commons Attribution (CC BY) license (http://creativecommons.org/licenses/by/4.0/).
Share and Cite
Kim, J. A Study on the Analytic Power Estimation of the Electromagnetic Resonant Energy Harvester for the High-Speed Train. Electronics 2020, 9, 403. https://doi.org/10.3390/electronics9030403
Kim J. A Study on the Analytic Power Estimation of the Electromagnetic Resonant Energy Harvester for the High-Speed Train. Electronics. 2020; 9(3):403. https://doi.org/10.3390/electronics9030403
Chicago/Turabian StyleKim, Jaehoon. 2020. "A Study on the Analytic Power Estimation of the Electromagnetic Resonant Energy Harvester for the High-Speed Train" Electronics 9, no. 3: 403. https://doi.org/10.3390/electronics9030403
APA StyleKim, J. (2020). A Study on the Analytic Power Estimation of the Electromagnetic Resonant Energy Harvester for the High-Speed Train. Electronics, 9(3), 403. https://doi.org/10.3390/electronics9030403
        
