A Compound Current Limiter and Circuit Breaker
Abstract
1. Introduction
- Ability to remain invisible to the grid under normal operation mode, introducing negligible impedance in the network;
- Short recovery time and ability to limit the fault current before initiation of the first peak;
- By connecting the proposed CLCB to the grid, the mechanical circuit breaker can be replaced;
- Using the proposed CLCB in the network decreases the grid short-circuit levels;
- Fast recovery after fault removal.
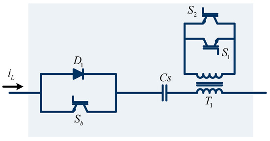
2. Electrical Network Modeling
3. Analytical Studies
3.1. CLCB Operation in Normal Mode
3.2. CLCB Operation in Fault Current Limiting Mode
3.3. CLCB Operation in Circuit Breaking Mode
4. Control Strategy
5. Simulation Results
6. Experimental Results
- A low number of series power electronic switches (two switches);
- Series switch low voltage stress;
- Low current magnitude in breaking state;
- Combination of fault current limiting structure with solid-state breaker;
- Very fast operation in comparison with mechanical breakers.
7. Conclusions
Author Contributions
Funding
Conflicts of Interest
References
- Elmitwally, A. Proposed hybrid superconducting fault current limiter for distribution systems. Int. J. Electr. Power Energy Syst. 2009, 31, 619–625. [Google Scholar] [CrossRef]
- Didier, G.; Lévêque, J. Influence of fault type on the optimal location of superconducting fault current limiter in electrical power grid. Int. J. Electr. Power Energy Syst. 2014, 56, 279–285. [Google Scholar] [CrossRef]
- Prigmore, J.R.; Mendoza, J.A.; Karady, G.G. Comparison of four different types of ferromagnetic materials for fault current limiter applications. IEEE Trans. Power Deliv. 2013, 28, 1491–1498. [Google Scholar] [CrossRef]
- Chen, S.; Yang, P.; Xu, W.; Bian, X.; Wang, W. Side effects of Current-Limiting Reactors on power system. Int. J. Electr. Power Energy Syst. 2013, 45, 340–345. [Google Scholar] [CrossRef]
- Tian, M.; Li, Q.; Li, Q. A controllable reactor of transformer type. IEEE Trans. Power Deliv. 2004, 19, 1718–1726. [Google Scholar] [CrossRef]
- Didier, G.; Leveque, J.; Rezzoug, A. A novel approach to determine the optimal location of SFCL in electric power grid to improve power system stability. IEEE Trans. Power Deliv. 2013, 28, 978–984. [Google Scholar] [CrossRef]
- Aracil, J.C.; Lopez-Roldan, J.; Coetzee, J.C.; Darmann, F.; Tang, T. Analysis of electromagnetic forces in high voltage superconducting fault current limiters with saturated core. Int. J. Electr. Power Energy Syst. 2012, 43, 1087–1093. [Google Scholar] [CrossRef]
- Rouzbehi, K.; Candela, J.I.; Luna, A.; Gharehpetian, G.B.; Rodriguez, P. Flexible Control of Power Flow in Multiterminal DC Grids Using DC–DC Converter. IEEE J. Emerg. Sel. Top. Power Electron. 2016, 4, 1135–1144. [Google Scholar] [CrossRef]
- Heidary, A.; Radmanesh, H.; Fathi, S.H.; Gharehpetian, G.B. Series transformer based diode-bridge-type solid state fault current limiter. Front. Inf. Technol. Electron. Eng. 2015, 16, 769–784. [Google Scholar] [CrossRef]
- Ghanbari, T.; Farjah, E. Development of an efficient solid-state fault current limiter for microgrid. IEEE Trans. Power Deliv. 2012, 27, 1829–1834. [Google Scholar] [CrossRef]
- Fereidouni, A.R.; Vahidi, B.; Mehr, T.H. The impact of solid state fault current limiter on power network with wind-turbine power generation. IEEE Trans. Smart Grid 2013, 4, 188–1196. [Google Scholar] [CrossRef]
- Heidary, M.A.; Radmanesh, H.; Rouzbehi, K.; Pou, J. A dc-reactor based solid-state fault current limiter for hvdc applications. IEEE Trans. Power Deliv. 2019, 34, 720–728. [Google Scholar] [CrossRef]
- Javadi, H.; Ali Mousavi, S.M.; Khederzadeh, M. A novel approach to increase FCL application in preservation of over-current relays coordination in presence of asynchronous DGs. Int. J. Electr. Power Energy Syst. 2013, 44, 810–815. [Google Scholar] [CrossRef]
- Naderi, S.B.; Jafari, M.; Hagh, M.T. Controllable resistive type fault current limiter (CR-FCL) with frequency and pulse duty-cycle. Int. J. Electr. Power Energy Syst. 2014, 61, 11–19. [Google Scholar] [CrossRef]
- Rouzbehi, K.; Miranian, A.; Candela, J.; Luna, A.; Rodriguez, P. Intelligent voltage control in a dc micro-grid containing PV generation and energy storage. In Proceedings of the 2014 IEEE PES T&D Conference and Exposition, Chicago, IL, USA, 14–17 April 2014; pp. 1–5. [Google Scholar]
- Rouzbehi, K.; Miranian, A.; Luna, A.; Rodriguez, P. Towards fully controllable multi-terminal DC grids using flexible DC transmission systems. In Proceedings of the 2014 IEEE Energy Conversion Congress and Exposition (ECCE), Pittsburgh, PA, USA, 14–18 September 2014; pp. 5312–5316. [Google Scholar]
- Kang, B.; Park, J.-D. Application of thyristor-controlled series reactor for fault current limitation and power system stability enhancement. Int. J. Electr. Power Energy Syst. 2014, 63, 236–245. [Google Scholar] [CrossRef]
- Lanes, M.; Matusalem, B.; Barbosa, P.G. Fault current limiter based on resonant circuit controlled by power semiconductor devices. IEEE Lat. Am. Trans. 2007, 5, 311–320. [Google Scholar] [CrossRef]
- Radmanesh, H.; Heidary, A.; Fathi, S.H.; Gharehpetian, G.B. Dual function ferroresonance and fault current limiter based on DC reactor. IET Gener. Trans. Distrib. 2016, 10, 2058–2065. [Google Scholar] [CrossRef]
- Heidary, A.; Radmanesh, H.; Fathi, S.H.; Khamse, H.R.R. Improving transient recovery voltage of circuit breaker using fault current limiter. Res. J. Appl. Sci. Eng. Technol. 2012, 4, 5123–5128. [Google Scholar]
- Javadi, H. Fault current limiter using series impedance combined with bus sectionalizing circuit limiter. Int. J. Electr. Power Energy Syst. 2011, 33, 731–736. [Google Scholar] [CrossRef]
- Hoshino, T.; Itsuya, M.; Nakamura, T.; Salim, K.M.; Yamada, M. Non-inductive variable reactor design and computer simulation of rectifier type superconducting fault current limiter. IEEE Trans. Appl. Supercond. 2005, 15, 2063–2066. [Google Scholar] [CrossRef]
- Radmanesh, H.; Fathi, S.H.; Gharehpetian, G.B.; Heidary, A. A novel solid-state fault current-limiting circuit breaker for medium-voltage network applications. IEEE Trans. Power Deliv. 2016, 31, 236–244. [Google Scholar] [CrossRef]
- Sano, K.; Takasaki, M. A surge-less solid-state DC circuit breaker for voltage source converter based HVDC systems. IEEE Trans. Ind. Appl. 2014, 50, 2690–2699. [Google Scholar] [CrossRef]
- Zou, J.; Chen, J.; Dong, E. Study of fast-closing switch based fault current limiter with series compensation. Int. J. Electr. Power Energy Syst. 2002, 24, 719–722. [Google Scholar] [CrossRef]
- Gregory, G.; Lippert, K.J. Applying low-voltage circuit breakers to limit arc-flash energy. IEEE Trans. Ind. Appl. 2012, 48, 1225–1229. [Google Scholar] [CrossRef]
- Meyer, C.; De Doncker, R.W. Solid-state circuit breaker based on active thyristor topologies. IEEE Trans. Power Electron. 2006, 21, 450–458. [Google Scholar] [CrossRef]
- Gharibpour, H.; Monsef, H.; Ghanaatian, M. The comparison of two control methods of power swing reduction in power system with UPFC compensator. In Proceedings of the 20th Iranian Conference on Electrical Engineering (ICEE2012), Tehran, Iran, 15–17 May 2012; pp. 386–391. [Google Scholar]
- Sharma, J.P.; Chauhan, V. Analysis and control of fault current by firing angle control of solid state fault current limiter. In Proceedings of the 2015 International Conference on Energy Systems and Applications, Pune, India, 30 October 2015; pp. 527–530. [Google Scholar]














| Parameters | Value | Description |
|---|---|---|
| Vs(t) | 20 kV | Nominal voltage |
| ω | 314 rad/s | Nominal frequency |
| Rs | 0.5 Ω | Source resistance |
| Ls | 9 mH | Source inductance |
| Cs | 56 uF | Series capacitor |
| Lp | 20 mH | Primary inductance of the transformer |
| Lm | 0.18 H | Magnetization inductance of the transformer |
| Lt | 50 mH | Secondary inductance of the transformer |
| Rp | 2 Ω | Primary resistance of the transformer |
| Rt | 2 Ω | Secondary resistance of the transformer |
| ZL | 0.27 + j0.35 Ω/km | Line impedance |
| ZT | 0.07 + j2.16 Ω | Transformer impedance |
| Parameters | Value | Description |
|---|---|---|
| Vs(t) | 110 V | Nominal voltage (rms) |
| ω | 314 rad/sec | Nominal frequency |
| rs | 0.5 Ω | Source resistance |
| Ls | 10 mH | Source inductance |
| Cs | 56 uF | Series capacitor |
| Lp | 20 mH | Primary inductance of transformer |
| Lm | 0.18 H | Magnetization inductance of transformer |
| reL | 0.016 Ω | Linkage resistance |
| XeL | 0.65 Ω | Linkage inductance |
| RcL | 29.62 Ω | Transformer core resistance |
| RL | 600 Ω | Transformer impedance |
| LTS25-NP | 25 A | Current sensor |
| Atmega32 | Pulse generator | |
| TLP-250 | IGBTS gate drivers | |
| IGBT(NGTB25N120IHL) | 1200 V, 25 A | Fast-closing switches |
| Power Diode(SEMIKRON) | 1200 V, 25 A | Transmission line switches |
© 2019 by the authors. Licensee MDPI, Basel, Switzerland. This article is an open access article distributed under the terms and conditions of the Creative Commons Attribution (CC BY) license (http://creativecommons.org/licenses/by/4.0/).
Share and Cite
Heidary, A.; Radmanesh, H.; Bakhshi, A.; Rouzbehi, K.; Pouresmaeil, E. A Compound Current Limiter and Circuit Breaker. Electronics 2019, 8, 551. https://doi.org/10.3390/electronics8050551
Heidary A, Radmanesh H, Bakhshi A, Rouzbehi K, Pouresmaeil E. A Compound Current Limiter and Circuit Breaker. Electronics. 2019; 8(5):551. https://doi.org/10.3390/electronics8050551
Chicago/Turabian StyleHeidary, Amir, Hamid Radmanesh, Ali Bakhshi, Kumars Rouzbehi, and Edris Pouresmaeil. 2019. "A Compound Current Limiter and Circuit Breaker" Electronics 8, no. 5: 551. https://doi.org/10.3390/electronics8050551
APA StyleHeidary, A., Radmanesh, H., Bakhshi, A., Rouzbehi, K., & Pouresmaeil, E. (2019). A Compound Current Limiter and Circuit Breaker. Electronics, 8(5), 551. https://doi.org/10.3390/electronics8050551

