Next Article in Journal
RTDNet: Modulation-Conditioned Attention Network for Robust Denoising of LPI Radar Signals
Previous Article in Journal
DOVCII-Based Notch Filter Employing a Single Tunable Active Inductor
 
 
Font Type:
Arial Georgia Verdana
Font Size:
Aa Aa Aa
Line Spacing:
Column Width:
Background:
Article

Advanced Energy Management and Dynamic Stability Assessment of a Utility-Scale Grid-Connected Hybrid PV–PSH–BES System

by
Sharaf K. Magableh
1,*,
Mohammad Adnan Magableh
2,
Oraib M. Dawaghreh
1 and
Caisheng Wang
1
1
Department of Electrical and Computer Engineering, Wayne State University, Detroit, MI 48202, USA
2
Electrical Engineering Department, Jordan University of Science & Technology, Irbid 22110, Jordan
*
Author to whom correspondence should be addressed.
Electronics 2026, 15(2), 384; https://doi.org/10.3390/electronics15020384
Submission received: 20 December 2025 / Revised: 9 January 2026 / Accepted: 14 January 2026 / Published: 15 January 2026
(This article belongs to the Special Issue Advances in Power Electronics Converters for Modern Power Systems)

Abstract

Despite the growing adoption of hybrid energy systems integrating solar photovoltaic (PV), pumped storage hydropower (PSH), and battery energy storage (BES), comprehensive studies on their dynamic stability and interaction mechanisms remain limited, particularly under weak grid conditions. Due to the high impedance of weak grids, ensuring stability across varied operating scenarios is crucial for advancing grid resilience and energy reliability. This paper addresses these research gaps by examining the interaction dynamics between PV, PSH, and BES on the DC side and the utility grid on the AC side. The study identifies operating-region-dependent instability mechanisms arising from negative incremental resistance behavior and weak grid interactions and proposes a virtual-impedance-based active damping control strategy to suppress poorly damped oscillatory modes. The proposed controller effectively reshapes the converter output impedance, shifts unstable eigenmodes into the left-half plane, and improves phase margins without requiring additional hardware components or introducing steady-state power losses. System stability is analytically assessed using root-locus, Bode, and Nyquist criteria within a developed small-signal state-space model, and further validated through large-signal real-time simulations on an OPAL-RT platform. The main contributions of this study are threefold: (i) a comprehensive stability analysis of a utility-scale grid-connected hybrid PV–PSH–BES system under weak grid conditions, (ii) identification of operating-region-dependent instability mechanisms associated with DC–link interactions, and (iii) development and real-time validation of a practical virtual-impedance-based active damping strategy for enhancing system stability and grid integration reliability.

1. Introduction

As the world shifts toward clean energy and deep decarbonization, hybrid systems that combine solar photovoltaic (PV), pumped storage hydropower (PSH), and battery energy storage (BES) are emerging as vital components in the renewable landscape [1,2]. These systems combine the strengths of solar and hydropower generation, with battery storage providing adaptability that boosts efficiency and grid stability, which present the key factors in the move to a sustainable energy future [3]. By 2030, solar is expected to contribute around 33% of global renewable capacity [4], while hydropower is projected to increase by 17% (adding around 230 GW) from 2021 until 2030, underscoring their roles in grid balance and reliability [4]. This expansion aligns with efforts to meet energy transition goals and reduce carbon emissions, as investments in renewable energy technologies continue to increase [5]. Battery storage technology continues to advance, and projections suggest substantial growth, expanding from 9 GW in 2018 to a projected 1.095 TW by 2040, further enhancing energy resilience and flexibility [6]. In hybrid energy configurations, integrating the PV generator with PSH and BES units at a shared DC–link, connected to the grid via a grid-side voltage-source converter (GS-VSC), enables robust grid support and stable operation across diverse conditions [7]. A single-stage PV configuration is recognized for its cost-effectiveness and efficiency in large-scale applications [8], while the permanent magnet synchronous machine (PMSM) in PSH systems ensures high power quality and resilience against grid disturbances, making it ideal for large-scale integration. The lithium-ion BES connected at the DC–link strengthens system resilience by addressing demand fluctuations and stabilizing operations, even in weak-grid scenarios [9]. Therefore, this study examines the stability and interaction dynamics within a utility-scale grid-connected hybrid PV–PSH–BES system, identifying stability challenges and proposing solutions that enhance resilience. The following literature review evaluates existing research on hybrid energy control, modeling, and stability, highlighting critical gaps that this study aims to address. For clarity and ease of reference, a list of abbreviations is provided at the beginning of the paper, while a complete nomenclature of symbols and parameters is included at the end of the manuscript.
Existing studies can be broadly categorized based on their focus on control strategies, modeling approaches, and stability analysis under weak grid conditions. Several studies have investigated control-based strategies to mitigate stability issues arising from converter-grid interactions under weak grid conditions. Ref. [10], the authors analyzed the stability challenges of virtual synchronous generator (VSG) control in weak grid settings. An impedance-based model was developed to evaluate VSG-grid interactions, revealing that a weak grid can induce wideband oscillations in VSGs. To improve stability, the authors proposed an inertia-damping-strengthened control approach. While the study introduced an inertia-damping control method to enhance stability, their study did not include PV systems, nor did it examine hybrid energy storage solutions like PSH or BES systems. In contrast, our work addresses instabilities in a critical operating region through an active damping control strategy for the entire proposed system. Similarly, the researchers Ref. [11], explored the stability issues in vector-controlled voltage-source converters (VSCs) connected to weak grids, where high grid impedance and VSC interactions cause instability. A small-signal analysis was employed to design a VSC output voltage controller and a full-order state-space model, applying modal and sensitivity analyses to identify critical control parameters. Although their compensation method improved stability, it did not consider hybrid systems with storage like PSH or batteries.
The dynamic behavior of PSH-integrated hybrid systems has been explored primarily from a modeling perspective. Ref. [12], developed a unified model of a PSH integrated with a hybrid solar and wind system, aiming to quantify the interaction effects of hydraulic forces and shaft vibration on PSH stability. Although the authors validated the model’s feasibility under steady and fault scenarios, the study lacks a detailed stability analysis of the full PSS-hybrid renewable system under varied operating conditions. Further extending this line of research, Ref. [13] investigated a nonlinear model of a grid-connected PSH–wind power system to analyze its stability and multi-frequency dynamics. The analysis revealed that multi-frequency oscillations rise from a coupling between the wind and PSH subsystems, and increasing the capacity of either subsystem adversely affects stability. However, the study did not explore dynamic stability enhancement strategies under weak and stiff grid operations.
Hybrid renewable systems operating under weak grid conditions have received increasing attention. Ref. [14], investigated the dynamic stability of a hybrid PV and wind system connected to weak grids, using both a time-domain nonlinear model and a linearized state-space model to assess stability at peak and off-peak power points. The study concluded that while PV-only and WT-only setups remained stable, the PV-WT hybrid system faced instability in the constant-current-region (CCR) due to high dynamic resistances interacting with the weak grid. Building on this, our paper examines a hybrid PV-PSH-battery system for enhanced stability in weak grid, introducing an active damping control strategy validated through real-time simulations.
In the current literature, extensive research has focused on grid-connected hybrid PV, PSH, and BES systems, with emphasis on cost optimization, sizing, and dynamic stability analysis, mainly considering operation under standard operating conditions. However, to the best of the authors’ knowledge, there remains a gap in investigating the interaction dynamics between energy sources and the utility grid under weak grid conditions and across various operational regions.
To further clarify the contribution of this work relative to recent studies, the key distinctions are summarized as follows:
  • Control strategy: Existing studies primarily focus on inertia emulation, PLL tuning, or converter voltage control for single-source systems (e.g., PV or wind), whereas this work introduces a virtual-impedance-based active damping strategy applicable to a multi-source hybrid PV–PSH–BES system.
  • System scope: Prior work typically considers either converter-based generation or limited hybrid configurations (e.g., Floating PV and PSH), while this study addresses a utility-scale hybrid system integrating PV, PSH, and BES through a common DC–link.
  • Operating-region analysis: Many existing studies are restricted to nominal operation or the maximum power point (MPP), whereas this work explicitly investigates system stability across multiple operating regions, including the CCR, constant-voltage region (CVR), under-rated speed (URS), maximum power point (MPP), and over-rated speed (ORS). In addition, this work examines different battery energy storage (BES) systems operating modes, namely charging (Ch), standby (SB), and discharging (DCh).
  • Stability mechanism: Previous studies often identify instability phenomena without providing a unified physical explanation across subsystems; in contrast, this work systematically links instability to negative incremental resistance and DC-AC interaction dynamics under weak grid conditions.
  • Validation level: Unlike most analytical studies, the proposed damping strategy is validated using large-signal real-time simulations on an OPAL-RT platform under weak grid conditions.
In addition to individual converter and hybrid generation studies, recent work by Ref. [15] reviewed the role of Hybrid Power Plants (HPPs) in supporting voltage and frequency stability in weak grids. This paper synthesizes state-of-the-art control methods for frequency and voltage regulation in renewable plants and highlights that, despite the increasing use of HPPs to provide flexibility and reduced variability through the integration of wind, solar, and storage, the literature on voltage control specifically leveraging hybrid plant configurations remains limited. The study underscores the need for advanced control strategies tailored to HPPs to ensure both voltage and frequency stability under varying grid strengths, further illustrating the research gap in practical weak-grid stability mechanisms for multi-source hybrid systems.
Complementary to broader hybrid plant reviews, the authors of Ref. [16] conducted a comprehensive survey on the stability of PV grid-connected inverters operating under weak grid conditions, where low short-circuit capacity and reduced inertia make conventional control approaches prone to instability. This review examines various modeling techniques, control strategies, and analytical frameworks developed to address weak-grid voltage and current stability challenges in PV inverters. The work further identifies emerging trends and gaps in the literature, notably in advanced inverter control algorithms and robust stability criteria, highlighting that stability considerations remain largely focused on single-technology systems and reinforcing the need for integrated stability analysis in hybrid architectures. Furthermore, the authors of Ref. [17] investigated the stability characteristics of grid-forming and grid-following converters under varying grid conditions using impedance and transient analysis methods. Their study contrasted the small-signal and transient responses of grid-forming and grid-following control modes, revealing that grid-forming control exhibits greater robustness against small disturbances in weak networks, whereas grid-following control is more suitable for strong grids but can introduce oscillatory behavior under weak grid conditions.
In addition to stability and control challenges, the increasing reliance on communication and data exchange in converter-dominated and DC-based hybrid energy systems introduces emerging cyber-physical security concerns. In particular, false data injection (FDI) attacks targeting measurement and control signals can compromise system operation, leading to voltage or current violations without triggering conventional protection mechanisms. Recent work in Ref. [18] proposed a data-driven detection and localization framework for FDI attacks in DC microgrids, where subspace identification techniques are used to construct input-output models directly from measurement data. By employing adaptive residual generators and localization observers, the framework enables timely detection and identification of malicious data manipulation. Although this study focuses on DC microgrids from a cybersecurity perspective, it highlights the growing importance of integrating resilience against cyber threats alongside dynamic stability and control considerations in modern hybrid and converter-interfaced energy systems.
Building of these studies, existing literature lacks proposed solutions to enhance system stability under these specific conditions. Motivated by these challenges, this paper presents an in-depth analysis of interaction dynamics and stability assessment for grid-connected hybrid single-stage bifacial PV-based practical single diode model (PSDM), PSH-PMSM, and lithium-ion BES units. Through the development of both large-signal model (LSM) and small-signal model (SSM), this study evaluates system stability across diverse operating conditions, including weak grid operation and varied operational modes for PV, PSH, and BES units. A novel virtual damping control approach is introduced to stabilize system dynamics. Additionally, interaction dynamics between the dc and ac sides are examined through real-time simulation tests, validating both the analytical findings and the proposed stabilization approach.
From a physical perspective, instability in weak-grid-connected hybrid systems is often driven by negative incremental resistance behavior at the DC–link. In operating regions such as the CCR of PV systems or certain off-nominal operating modes of storage and hydro units, an increase in DC voltage can result in a reduction in injected current, effectively producing a negative slope in the voltage–current characteristic. When coupled with the high impedance and limited damping of weak grids, this negative incremental resistance reduces the overall system damping and can excite poorly damped oscillatory modes. As a result, small disturbances may grow rather than decay, leading to sustained oscillations or instability. This phenomenon is further exacerbated in hybrid systems where multiple energy sources interact through a common DC–link, motivating the need for active damping strategies that reshape the effective system impedance.
To provide a clear overview of the proposed system configuration, Figure 1 illustrates the overall architecture of the grid-connected hybrid PV–PSH–BES system considered in this study. The figure highlights the main energy sources and storage units, their power electronic interfaces, the common DC–link coupling, and the grid-side converter. In addition, the hierarchical control structure and key signal flows associated with DC–link voltage ( V d c ) regulation, power management, and active damping under weak grid conditions are explicitly indicated. This system-level schematic serves as a visual reference for the detailed modeling, control design, and stability analysis presented in the subsequent sections.
In this study, grid strength is characterized by using the short-circuit ratio (SCR) and the reactance-to-resistance ratio (X/R), which are widely adopted metrics in weak-grid analysis. The SCR is defined as the ratio of the grid short-circuit capacity at the point of common coupling to the rated power of the connected converter-based system. Note that the formulas for computing SCR and X/R are illustrated in Section 3.2. Lower SCR values indicate weaker grids with higher impedance and reduced voltage stiffness. In general, grids with SCR < 3 are classified as weak, SCR between 3 and 5 as moderate, and SCR > 5 as strong. The X/R ratio further reflects the relative dominance of reactive versus resistive grid impedance and influences system damping and dynamic response under disturbed conditions.

2. Methodology, Control Strategy, and Energy Management for Grid-Connected Hybrid System

The configuration of the VSC-based grid-connected hybrid system, comprising a single-stage PV-PSDM, PSH-PMSM, and Lithium-ion BES, is implemented on the OPAL-RT real-time simulation platform (RT-LAB 2021) integrated with MATLAB/Simulink R2021b, as shown in Figure 2. In this setup, the DC–link bus of the GS-VSC directly connects to the PV unit through a dc cable, eliminating the need for a dc-dc converter, while interfacing with the PSH-PMSM unit through a machine-side VSC (MS-VSC) and with the BES cabinet through a two-quadrant (2-Q) bi-directional dc-dc converter. This configuration is designed to minimize losses and costs, particularly in utility-scale applications [19]. On the ac-side of the GS-VSC, a filter is utilized to eliminate high-frequency harmonics, and a transformer steps up the voltage to match the grid voltage, reducing power losses [14].
The bifacial PV-PSDM is employed due to its simplicity and accuracy. The PSH unit operates through two reservoirs linked by a pump/turbine, storing energy by elevating water to the upper reservoir during charging mode and generating power as the water flows downward during discharge mode. The 2-Q bi-directional converter functions as a boost or buck converter, managing power flow in both forward (discharging mode) and reverse (charging mode) directions. A comprehensive energy management and control structure coordinates these subsystems. The control loops for the GS-VSC, MS-VSC, and 2-Q converters are organized into inner and outer loops. The inner loops manage the GS-VSC current, the PSH-PMSM stator current, and the BES current, while the outer loops control the V d c , the point of common coupling (PCC) voltage, and PSH-PMSM rotor speed.
To achieve robust and stable performance across all control loops, the inner control loop bandwidths are typically set at 10–20% of the converters’ switching frequency, with a common nominal value around 15%. The outer loop bandwidths are further tuned to approximately 10–20% of the inner loop’s bandwidth, ensuring a proper separation of time scales. Additionally, a minimum phase margin of 45° is maintained throughout the control architecture to ensure system stability and avoid oscillatory behavior, in line with standard control design practices [14,20].

3. Mathematical Modelling and Formulation

The configuration of the three-phase grid-tied hybrid PV–PSH–BES system is illustrated in Figure 2. On the AC side, the GS-VSC converter, which can operate either as a voltage source inverter (VSI) or as a voltage source rectifier (VSR) for bidirectional energy conversion according to grid demand, is connected to the point of common coupling (PCC) through an AC filter and a step-up transformer. This configuration attenuates high-frequency switching harmonics and ensures appropriate voltage level compatibility with the utility grid, thereby minimizing transmission losses [21]. On the DC side, the GS-VSC is directly linked to the PV arrays via a single-stage DC transmission line, which reduces system cost and conduction losses compared to conventional two-stage PV architectures [22]. In addition, the DC–link is connected to a PSH unit equipped with a permanent magnet synchronous machine (PMSM) through an MS-VSC converter. The converter can operate either as a VSI, enabling efficient conversion of mechanical energy from stored water into electrical energy, or as a VSR, enabling excess electrical energy to be stored as mechanical energy by pumping water from the lower to the upper reservoir [14]. A two-quadrant (2-Q) bidirectional dc-dc converter is also integrated to manage the interaction between the BES and the DC–link, supporting both charging and discharging modes.
The MS-VSC is responsible for rectifying the AC output from the PSH generator to DC, while the 2-Q converter governs bidirectional energy flow between the BES and the DC–link. The GS-VSC, in turn, injects the regulated DC power into the grid in AC form. As shown in Figure 3, the control system for the GS-VSC, MS-VSC, and 2-Q converter adopts a hierarchical two-layered structure, consisting of fast inner loops for current control and slower outer loops for voltage and power regulation, as commonly used in power electronics converter control [23]. The inner loops are designed to regulate fast electrical dynamics such as grid current, generator stator current, and battery current. The outer loops handle slower dynamics, including V d c , PCC voltage, PSH rotor speed, and Synchronous Reference Frame Phase-Locked Loop (SRF-PLL).

3.1. Virtual-Impedance-Based Active Damping Controller

Under weak grid conditions, the interaction between converter control dynamics and the grid impedance can introduce poorly unstable oscillatory modes, particularly due to reduced grid stiffness and negative incremental resistance behavior observed at the DC–link. These effects may significantly degrade system stability and even lead to sustained oscillations or instability when multiple converter-interfaced energy sources are connected to a common DC–link. To mitigate these adverse interactions, a virtual-impedance-based active damping controller is incorporated into the grid-side GS-VSC control architecture.
To mitigate these effects, a virtual-impedance-based active damping controller is incorporated into the GS-VSC control architecture. The proposed approach follows the principle of active impedance shaping, whereby damping characteristics are emulated through control action rather than physical components, allowing stabilization without additional hardware, resistive losses, or DC–link capacitance augmentation.
The structure and signal flow of the proposed virtual-impedance-based active damping controller integrated into the GS-VSC control loop are illustrated in Figure 4. As shown, the damping mechanism emulates effective resistive behavior through software by modifying the converter’s closed-loop output impedance. This approach enables flexible and adaptive reshaping of the converter impedance profile, consistent with active damping strategies reported for both AC- and DC-side instability suppression in converter-dominated systems [24].
In the proposed design, the damping signal is derived from measured V d c variations, which contain valuable information about oscillatory dynamics arising from converter-grid interactions. A high-pass filter is employed to extract the oscillatory components of the V d c while rejecting steady-state components, thereby preserving normal operating accuracy. The filtered signal is then scaled by a virtual damping gain, representing the magnitude of the emulated resistive effect.
The resulting damping signal is superimposed onto the active current reference of the GS-VSC through a summation block, effectively injecting an auxiliary damping current component into the converter control loop. This injected signal counteracts oscillatory power exchange between the DC–link and the grid, suppresses resonant modes, and repositions critical unstable eigenmodes toward the left half of the complex plane. In parallel, the active damping mechanism reshapes the DC–link impedance dynamics to comply with the Nyquist stability criterion, thereby ensuring a positive effective damping characteristic of the GS-VSC even under weak grid conditions.
By modifying the closed-loop impedance characteristics of the GS-VSC, the proposed virtual-impedance-based damping controller improves phase and gain margins and enhances robustness against grid impedance variations. Importantly, the damping action is selectively activated during dynamic transients, while remaining inactive under steady-state conditions. This ensures that system efficiency and steady-state performance are not compromised.
The proposed damping strategy does not require additional sensors or hardware modifications and can be readily implemented within existing digital control platforms, including real-time simulation environments. The effectiveness of this controller in stabilizing the hybrid PV–PSH–BES system under varying grid strength conditions is quantitatively evaluated in the subsequent small-signal and impedance-based stability analyses.
The next subsections provide detailed modeling and control formulations for the system’s major components.

3.2. Modeling and Control of the GS-VSC

The stiffness of the grid is typically quantified using two key parameters: the SCR and the reactance-to-resistance ratio (X/R). These metrics influence the impedance profile of the grid, denoted as Z g = R g + j ω ° L g . The exact expressions for the grid inductance L g and resistance R g are provided in Equations (1) and (2), respectively [14].
L g = v g 2 / P p c c * S C R / ω ° 1 + 1 / X / R 2
R g = v g 2 / P p c c * S C R / 1 + X / R 2
Within the d q -reference frame aligned to the grid, the voltage–current dynamic behavior of the series resistive–inductive element of the AC filter is captured by Equation (3). The combined dynamic response of the grid impedance and the step-up transformer is described in Equation (4):
L f d i d q g / d t ω L f i q d g + R f + r o n i d q g = v i d q g v d q g
L T d i g d q g / d t ω L T i g q d g + R T i g d q g = v d q g / N v g d q g
where R T = R g + R t r , R t r = R t r s + R t r p / N 2 , L T = L g + L t r , L t r = L t r s + L t r p / N 2 . Accordingly, the dynamics of the shunt capacitive branch within the AC filter, also modeled in the grid-aligned d q -reference frame, are represented by Equation (5). The electrical configuration of the interface with the step-up transformer and grid impedance is depicted in Figure 5 for clarity of the system’s physical layout. This formulation serves as the foundational representation of the grid interface and filtering dynamics essential for accurate control system design and stability assessment.
C f d v d q g / d t ± ω C f v q d g = i d q g i g d q g / N
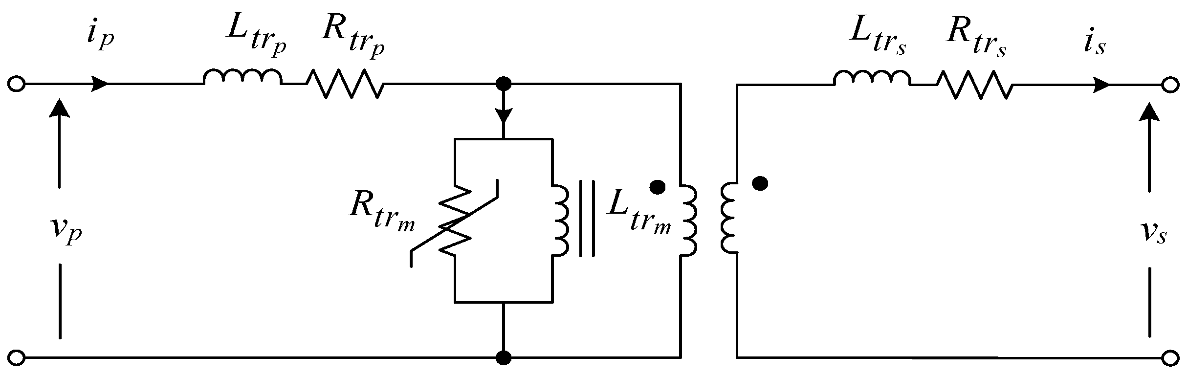
As illustrated in Figure 5, a step-up transformer is employed to elevate the AC voltage at the output of the inverter’s AC filter to match the nominal grid voltage at the point of common coupling (PCC). Figure 6 shows the detailed equivalent circuit of the transformer, which includes the primary and secondary winding impedances, as well as the magnetizing branch. For simulation and control design purposes, the transformer model can be referred to either the primary or secondary side. In this study, it is referred to the secondary side, and the magnetizing branch is neglected. This simplification allows the transformer’s dynamics to be integrated directly with the utility grid impedance for a more practical and efficient modeling approach.
Accurate synchronization is essential for aligning the GS-VSC with the grid. While several synchronization techniques have been proposed in the literature [25,26,27], the synchronous reference frame phase-locked loop (SRF)-PLL is widely adopted due to its simplicity, low cost, and ease of implementation. In this study, the SRF-PLL employs a PI controller defined as    G δ = g p δ + g i δ / s , which regulates the q-axis component of the AC filter’s capacitor voltage v q c to zero and generates the synchronization angle δ c . This angle facilitates transformation between the grid and converter reference frames, as described by Equation (6) and depicted before in Figure 4.
d δ c / d t ω c = G δ v q c / v d o ω + ω °
Under weak grid conditions, precise transformation between the converter controllers’ variables in the d q c frame ( f d q c = e j δ c f α β ), and the measured grid variables in the d q g frame ( f d q g = e j δ g f α β ) becomes crucial for assessing the dynamic influence of SRF-PLL on system behavior. The composite transformation between these frames is given by Equation (7).
f d q c = e j δ c e j δ g f d q g = e j δ c δ g f d q g = e j δ f d q g
Now, for optimal PV generation, a maximum power point tracking algorithm (MPPTPV ) , such as the perturb and observe method, is used to determine the reference DC–link voltage V d c * , like conventional designs that place the V d c controller in the BES subsystem, this architecture integrates the controller G d c = g p d c + g i d c / s into the GS-VSC control structure, top portion of Figure 4, to improve robustness in scenarios where the BES system may be offline for maintenance. The actual squared DC–link voltage V d c 2 is regulated toward the squared reference V d c 2 * , with the resulting control signal used to generate the d-axis reference current ( i d * ) for the GS-VSC as shown in Equation (8).
i d * = 1 / 1.5 v d o η 1 P d c G d c V d c 2 * V d c 2
Here, η 1 acts as a feedforward compensation gain to mitigate nonlinear effects and enhance the dynamic response of the V d c loop.
In addition to synchronization and reference generation, the dynamic behavior of the DC–link capacitor plays a critical role in regulating power flow across system components. The governing equation for the DC–link capacitor dynamics, considering the influence of the PV, PSH, and BES subsystems, is expressed in Equation (9) [28].
0.5 C d c d V d c 2 / d t = P e x t p v + P e x t P S H ± P e x t B E S P d c
Here, C d c = C p v + C P H S + C B E S is the total equivalent capacitance at the DC–link, combining contributions from the PV, PSH, and battery interfaces. The external power injected by the PV system is given as P e x t p v = I p v V d c , while the external power from the PSH unit is modeled as the real output of the stator, P e x t P S H P s = 1.5 v s d i s d + v s q i s q . The battery power exchange is represented as P b a t e x t = d I b a t V d c , where d is the duty ratio of the two-quadrant (2-Q) converter. The total power delivered to the GS-VSC is denoted as P d c P i n v = 1.5 v i d i d + v i q i q , assuming negligible switching losses.
To regulate the terminal voltage at the point of common coupling (PCC), a PI-based AC voltage controller G a c = k p a c + k i a c / s is employed. This controller maintains the d-axis voltage v d at its reference value v d * , while its output is used to generate the q-axis current reference i q * for the GS-VSC as described in Equation (10).
i q * = 1 / 1.5 v d o G a c v d * v d
The inner current loop employs another PI controller G i = g p i + g i i / s to ensure accurate tracking of the reference ac current components i d q c by the actual converter-side current i d q * . The modulating voltage command for the GS-VSC is then determined as follows.
v i d q c = v d q c f e e d f o r w a r d + j ω ° L f i d q c d e c u p l i n g + G i i d q * i d q c
This closed-loop control structure enables decoupled regulation of active and reactive power, ensuring a rapid dynamic response under varying load conditions and grid disturbances. The resulting control signals are fed into a conventional pulse-width modulation (PWM) generator, which drives the gate signals of the GS-VSC’s IGBT switches. It should be noted that the V d c must be kept above twice the peak amplitude of the output voltage v i to maintain linear modulation and avoid overmodulation [29].

3.3. Modeling of the PV Generator

As previously shown in Figure 3, this study adopts the practical single-diode model (PSDM) to represent the PV generator, given its favorable balance between modelling accuracy and computational simplicity compared to more complex multi-diode configurations [30]. The detailed mathematical formulation of the PSDM-based PV generator is presented in Equations (12)–(15).
P p v = N p I p h N p I D N p V D / R s h I p v V p v
V D = V p v + N s / N p R s I p v / N s
I p h = I i r r / I i r r * I s c 1 + α i T T *
I D = I r s exp V D / n s A k B T / q V T 1
In the literature, two key resistive metrics are often used to characterize PV behavior [31]. (1) the static resistance, defined as r s = V p v / I p v , and (2) the dynamic resistance ( r d ), defined as r d = I p v / V p v 1 . Due to the nonlinear and time-varying nature of PV operating conditions, r d is particularly critical in analyzing real-time dynamic system response.
To accurately evaluate the interaction dynamics of the grid-tied PV system under different irradiance and temperature conditions, the r d behavior is studied not only at the MPP but also across the constant current region (CCR) and constant voltage region (CVR). These regions are visualized in Figure 7, which shows the corresponding resistance variations even when operating under standard test conditions. The expression for the r d derived from the PSDM model is given by (16). In addition to the generator itself, the DC transmission cable linking the PV array to the DC bus introduces electrical dynamics that must be accounted for in transient studies. Its behavior is modeled using a first-order differential equation as in (17).
r d = 1 + R s / R s h + I r s R s / n s A V T exp V D / n s A V T 1 / N s / N p R s h + N p I r s / N s n s A V T exp V D / n s A V T
L d c d I p v / d t + R d c I p v = V p v V d c 2

3.4. Modeling and Control of the Pumped Storage Hydropower (PSH) Unit

This study employs a full-scale PSH system equipped with a PMSM, which operates as both a generator and a motor (pump) depending on the mode of operation. The PSH unit utilizes a two-mass mechanical model to represent the dynamics of the hydraulic turbine-pump and the rotating shaft system. During generation mode, water from the upper reservoir drives the turbine, converting potential energy into mechanical torque to rotate the PMSM in generator mode. In pumping mode, electrical energy from the grid or renewable sources powers the PMSM to pump water back into the upper reservoir [32].

3.4.1. Generating and Pumping Mode

The mechanical power extracted during generation mode and the corresponding torque are calculated as shown in (18) and (19), respectively [33].
    P g e n = η g e n × ρ × g × Q × H
  T P S H = P P S H ω r m e c h
where η P S H is the generation efficiency, ρ is the water density, g is the gravitational constant, Q is the water flow rate (m3/s), H is the effective water head (m), and ω r m e c h is the mechanical angular speed of the generator rotor. On the other hand, in pumping mode, the PMSM operates as a motor to elevate water to the upper reservoir, the electrical energy required and associated load torque are modeled as in (20) and (21) [34].
  P p u m p = η p u m p 1 × ρ × g × Q × H
        T l o a d = P p u m p ω r m e c h
Here, η p u m p 1 represents the inverse of the pump-mode efficiency, and T l o a d denotes the load torque applied to the PMSM during pumping operations.

3.4.2. Penstock, Drive-Train, and PMSM Electrical and Mechanical Dynamics

The transient behavior of the water flow through the penstock in both modes is captured by the dynamic expression in (22) [35].
    J w × d Q d t + B w × Q = H u H d H L L p
In this expression, J w represents the inertia of the water column within the penstock, while B w is the damping coefficient, L p is the length of the penstock conduit, H u and H d are the upstream and downstream heads, and H L accounts for additional head losses arising from pipe wall friction, turbulence, and minor losses along the flow path. The extracted mechanical power of water flow exhibits a nonlinear characteristic across both MPP and off-MPP regions, i.e., ORS and URS regions. The analytical mechanical dynamics of the two-mass gearbox used in the PSH unit follow Equations as in (23)–(25) [36,37].
        2 H P S H d d t ω P S H = T P S H T s h
d d t θ s h = ω b ω P S H ω r m e c h
  T s h = K s h θ s h + D s h ω W T ω r m e c h
The electrical and mechanical dynamics of the PMSM dq-frame used in the PSH unit follow the formulation as given in Equations (26) and (27), accordingly [38,39].
  d φ d q d t + j P ω s m a g n   φ d q R s   i s d q = v s d q
  J r d ω r m e c h d t + B r   ω r m e c h = T m T e  
where ϕ d q is the flux linkage of the PMSM in the dq-reference frame; ϕ s and ϕ r are the flux linkage of the stator and rotor magnets, respectively; and ϕ d = ϕ s d + ϕ r , ϕ q = ϕ s q , ϕ s d q = L s d i s d j L s q i s q , ϕ r = λ p m , ω s m a g n = ω r m e c h , T m = T s h , e s d = P ω s m a g n L s q i s q , e s q = P ω s m a g n λ p m L s d i s d , and T e = R e 1.5 e s d q i s d q * = 1.5 P λ p m i s q for surface-mounted PMSM, i.e., L s d = L s q .

3.4.3. DC–Link Interface Dynamic Resistance and Control

To ensure optimal energy transfer and robust dynamic response, a hierarchical control structure is implemented. Maximum Power Point Tracking for PSH (MPPTPSH) determines the reference rotor speed based on the water flow under different modes. The speed is regulated by a PI controller K s =   k p s + k i s / s , with current references defined by Equation (28).
i s q * = 1 1.5 P λ p m   η 3   T m K s ( ω r m e c h ω r m e c h )
where ω r m e c h denotes the reference mechanical rotor speed, which is determined by the M P P T H P S bl controller to ensure optimal energy extraction, and λ p m is the permanent magnet flux linkage. The stator current is regulated using another PI controller K i   =   k p i   + k i i / s resulting in the control law in Equation (29) [40]. Figure 8 illustrates the block diagram summarizing the bidirectional control structure of the PSH unit, including MPPTHPS, rotor speed and stator current regulation, and conventional PWM modulation.
v s d q = K i i s d q * i s d q + j P ω s m a g n   φ d q  
The modulation signals from this control structure are passed to the MS-VSC switching unit, interfacing the PMSM with the DC–link. The r d of the PSH-PMSM subsystem is evaluated based on the changes in mechanical input torque T m and its impact on current and voltage at the dc side. For dynamic interaction analysis, the electrical output voltage can be modeled as in (30) [41].
  V P S H = r H P S   I P S H                
where r P S H is the equivalent dynamic resistance of the hydro unit and is obtained by linearizing the relation between dc current injection and voltage drop at varying operating points. The r P S H can be numerically estimated by Equation (31). where P o p denotes the operating point. This resistance reflects the internal voltage–current behavior during transient operation and affects the damping characteristics of the overall DC–link system.
r P S H = V P S H I P S H | P o p
The dynamic behavior of the PSH unit under varying torque inputs can be characterized through two important relationships. Figure 9 presents the approximate power-speed characteristic of the PSH system, highlighting the nonlinear correlation between turbine angular speed and hydro power output across different operating regions—URS, PPP, and ORS [42]. This curve is essential for designing MPP-tracking strategies and understanding operational efficiency.
The dynamic resistance of r P S H can be graphically analyzed from the voltage–current (V-I) characteristic curves under varying mechanical torque inputs, as illustrated in Figure 10. These curves demonstrate the linear relationship between the terminal voltage and current of the PSH generator during transient operation. For instance, under a mechanical torque input of T m P S H  = 20 N.m, the output current increases while the terminal voltage drops proportionally, resulting in a more negative slope. This negative slope represents the internal r P S H of the PSH unit and becomes steeper at higher torque levels (i.e., T m P S H  = 30 N.m), indicating stronger power injection into the DC–link. Such behavior is critical for stability analysis and controller tuning in grid-connected systems, especially during fast-changing load or generation conditions.

3.5. Modeling and Control of the BES

The Battery Energy Storage (BES) System employed in this study comprises a modular battery cabinet connected to the DC–link via a cost-effective, low-loss, and highly efficient two-quadrant (2-Q) bidirectional dc-dc converter, as shown previously in Figure 2. This converter enables seamless control of power flow in both directions, thereby supporting both charging and discharging modes [43,44]. The battery cabinet comprises multiple racks of battery modules, each consisting of numerous cells configured in series and parallel to achieve the required voltage and current ratings and overall capacity.
Among the available modeling techniques, this study adopts a widely used practical equivalent circuit battery model that excludes the self-discharging impedance and voltage components to strike a balance between computational simplicity and adequate accuracy. This model includes three primary elements: (1) the open-circuit voltage E o c , which depends on the battery’s state of charge (SoC) and temperature; (2) the internal resistance R o B E S , which captures instantaneous voltage drops due to internal losses; and (3) a first-order RC branch represented by R 1 B E S and C 1 B E S , accounting for electrochemical time delays [45,46]. The dynamic voltage–current behavior of the battery is described by Equations (32) and (33).
E o c V B E S = R o B E S I B E S + R 1 B E S I R 1 B E S
I B E S I R 1 B E S = C 1 B E S R 1 B E S d I R 1 B E S / d t
To regulate the battery current I B E S to its desired value I B E S * , a PI controller L i = l p i + l i i / s is employed to generate the duty ratio d , as computed as in (34).
D = L i   I B E S I B E S *
As previously depicted in Figure 2, the BES and its associated two-quadrant (2-Q) bidirectional dc-dc converter operate in three distinct modes determined by the logic of the gating signals S 1 and S 2 . In Standby Mode (SB), both switches remain inactive or are modulated with equal duty cycles, resulting in zero net energy transfer between the battery and the DC–link. In Charging Mode (Ch), switch S 1 is active with a duty ratio defined as D = V b a t / V d c , while S 2  remains off. This configuration enables the converter to function in buck mode, facilitating energy flow from the DC–link into the battery. Conversely, in Discharging Mode (DCh), switch S 2 is activated with a duty ratio of D = 1 V b a t / V d c , and  S 1 remains off, causing the converter to operate in boost mode to inject battery energy into the DC–link.
To accurately evaluate the dynamic interaction of the BES unit within the grid-tied system, it is essential to consider the variation in the battery’s dynamic resistance across different operating modes, as shown in Figure 11. This resistance is inherently positive during charging and negative during discharging, reflecting the direction of current flow relative to the battery terminals.
The dynamic current-voltage relationships for each mode are captured by Equations (35) and (36). These describe the converter’s behavior under charging and discharging operations, respectively. A generalized equivalent form that combines these behaviors is given by Equation (37).
D L B E S d d t I B E S + R B E S I B E S = V B E S V d c
1 D L B E S d d t I B E S + R B E S I B E S = V B E S
L B E S d I B E S / d t + R B E S I B E S = V B E S D V d c
Here, V B E S = P B E S / I B E S , and for dynamic resistance analysis as detailed in the next Section 4, it can be expressed as V B E S = r B E S I B E S , where r B E S  denotes the equivalent dynamic resistance of the battery system.
The dynamic voltage behavior of the battery under varying discharge currents is illustrated in Figure 12, which demonstrates how increasing current levels (0.5 kA, 1 kA, 2 kA) accelerate the voltage drop and expose the combined influence of the internal resistance and RC-branch effects. Specifically, Figure 12a shows how the voltage profile decays more rapidly with higher current magnitudes, while Figure 12b depicts the corresponding decline in voltage as a function of extracted battery capacity.
Figure 13 presents further insights into the battery’s internal r B E S . The resistance-current characteristics during both discharging and charging phases are captured, showing how resistance values vary nonlinearly and even change signs depending on the direction of current. These curves help reveal the dual behavior of the battery as an active or passive element in different modes, which is critical for accurate modeling and control in hybrid energy systems.

3.6. Power Management at the DC–Link

In the proposed hybrid energy system, the DC–link serves as the central interface through which power from the PV array, PSH unit, and BES is dynamically exchanged and regulated before being delivered to the utility grid via the VSI. The stability and efficiency of this multi-source system are critically dependent on accurate modeling and management of the power balance at the DC–link.
The dynamic behavior of the V d c is governed by the differential equation shown in (38), which captures the net energy flow into the capacitor bank. This equation accounts for the cumulative effect of energy contributions from the PV system and the PSH generator, the bidirectional exchange with the battery, and the power drawn by the inverter for grid injection [47].
1 2 C d c   d d t V d c 2 = P e x t p v ± P e x t P H S ± P B E S B E S P d c
Here, C d c represents the total equivalent DC–link capacitance, incorporating contributions from the PV interface, PSH unit, and battery-side capacitors. The term P e x t p v = I p v V d c refers to the real-time power injected into the DC–link by the PV system, based on the measured PV current and the instantaneous DC voltage.
Unlike traditional unidirectional generators, the PSH subsystem in this configuration supports both generation and pumping modes, depending on operational requirements. As such, P e x t H P S may be positive (during turbine generation) or negative (during water pumping). When generating, the external power is approximated by the real component of the stator power of the PMSM, i.e., P s = 1.5 v s d i s d + v s q i s q . When in pumping mode, the PSH absorbs power from the DC–link to raise water back to the upper reservoir.
Similarly, the BES system contributes power through a two-quadrant dc-dc converter. The term P e x t B E S = D I B E S V d c quantifies the battery’s interaction with the DC–link, where D I b a t reflects the duty-cycle-dependent direction and magnitude of current flow. Positive power values correspond to battery discharge, while negative values represent charging activity.
The final term, P d c , accounts for the power drawn by the GS-VSC for AC grid injection, and is modeled under lossless conversion assumptions as P i n v = 1.5 v i d i d + v i q i q .
To sum up, Equation (38) encapsulates the fundamental dynamics governing energy exchange at the DC–link. By considering the bidirectional nature of both the PSH and BES units, the equation provides a robust analytical foundation for developing real-time control strategies that balance generation, storage, and load demands in a coordinated and resilient manner.

4. Stability Assessment and Damping Technique

To thoroughly evaluate system stability and robustness, both time and frequency domain analyses are employed. Root locus analysis begins the assessment, tracking pole movements in the S-plane to illustrate how control gains and the dynamic resistance of different energy sources influence stability under various conditions. In the frequency domain, Bode plots are used to examine the open-loop frequency response, particularly focusing on gain and phase margins to evaluate resilience to frequency-specific variations. Since open-loop responses may show positive or negative phase and gain margins, i.e., potential indicators of instability, Bode plots alone can be inconclusive, especially for systems with right-half-plane (RHP) singularities. Therefore, the generalized Nyquist stability criterion, based on Cauchy’s argument principle, i.e., Z = N + P, provides a more robust approach to confirm closed-loop stability, ensuring robustness against potential instabilities. Together, these methods enable comprehensive dynamic stability and robustness analysis, supporting reliable integration of renewable energy sources into the grid.
In addition to identifying pole locations and stability margins, particular attention is paid to key frequency-domain features, including gain crossover frequency, phase margin, and the presence of RHP poles. These features provide physical insight into the robustness of the system and the mechanisms leading to instability under weak grid conditions.

4.1. Validation of the Developed Small-Signal Model

The singular perturbation method is utilized to analyze complex systems with multiple time scales. To facilitate this, a linearized state-space model, i.e., SSM, is developed by introducing perturbations to the system’s nonlinear differential equations. This subsection presents a validation of the SSM against the original LSM for the uncompensated system to confirm its accuracy. The validated uncompensated model includes 24 state variables, incorporating the dynamic resistance representations for each of the three renewable subsystems: PV, PSH, and BES. On the other hand, the compensated system comprises 25 states, with the additional state representing a filter component designed to mitigate unstable oscillatory response.
Figure 14 compares real-time simulations of the LSM (TDLSM) and the SSM across key responses, such as grid-delivered power (Figure 14a,b), PSH-PMSM mechanical speed (Figure 14c,d), and V d c (Figure 14e). Validation is conducted by applying a 5% step increase to the reference inputs of both LSM and SSM models under weak grid conditions and varying operational regions. Under non-oscillatory highly damped design conditions, the SSM responses align closely with the detailed LSM.
Additionally, oscillatory lightly damp conditions are induced by adjusting the controllers’ parameters to reduce system’s phase margins, further validating the accuracy of the SSM model in capturing system dynamics.

4.2. Stability Assessment Under Weak Grid Conditions

Due to rapidly changing operating conditions and grid demands, the PV, PSH, and BES sources experience fluctuations across various operating scenarios. This subsection explores interaction dynamics between the dc-side dynamic resistance and the high dynamic resistance of the ac side under weak grid conditions.
To understand the relationship between operating conditions and system stability, it is essential to examine the sign of the incremental (dynamic) resistance contributed by each energy subsystem at the DC–link. In converter-interfaced renewable systems, operating regions that exhibit negative incremental resistance do not dissipate disturbances but instead reinforce oscillatory dynamics by supplying energy to them, thereby reducing effective damping. This behavior can lead to sustained oscillations or instability, particularly under weak grid conditions characterized by high grid impedance.
Table 1 summarizes the sign of the incremental resistance associated with the PV, PSH, and BES subsystems across their typical operating modes. Operating regions with negative or near-zero incremental resistance are therefore more susceptible to interaction-induced oscillations and require additional stabilization measures, motivating the virtual-impedance-based active damping strategy introduced in this study. It should be noted that “slightly negative” incremental resistance indicates a weak destabilizing tendency that may lead to low-frequency oscillations under adverse grid conditions, rather than unconditional instability.
Table 2 summarizes the number of open-loop right-half-plane poles (P), Nyquist encirclements (N), and the resulting closed-loop pole count (Z = N + P) across all investigated operating regions. This helps in providing a concise and unified overview of the stability outcomes obtained from the Nyquist analysis. This tabular representation complements the graphical analyses presented in Figure 15, Figure 16, Figure 17 and Figure 18 and clearly highlights the instability observed in the undamped PV CCR, as well as the complete stabilization achieved after applying the proposed virtual-impedance-based active damping strategy. Table 2. Nyquist stability criterion–based assessment of the hybrid PV–PSH–BES system under weak grid conditions (SCR = 2, X/R = 5), summarizing the number of open-loop right-half-plane poles (P), Nyquist encirclements (N), resulting Z, and corresponding stability outcomes for undamped and damped configurations.

4.2.1. Interaction Dynamics Under Various BES Operating Conditions

In Figure 15a, system stability is maintained as eigenvalues remain in the left-half plane (LHP) across different BES operating modes.
Figure 15b indicates the open-loop frequency response has RHP poles of P = 2, P = 2, and P = 1 during discharging (DCh), standby (SB), and charging (Ch) states, respectively. The corresponding clockwise encirclements in Figure 15c are N = −2, N = −2, and N = −1, respectively, leading to closed-loop stability in Figure 15d with zero RHP poles, i.e., Z = 0, across all BES operating modes.
Note that, the Bode responses in Figure 15b indicate sufficient phase margins at the gain crossover frequencies for all BES operating modes, explaining the absence of closed-loop instability despite the presence of RHP poles in the open-loop system. The corresponding Nyquist plots in Figure 15c,d confirm that the encirclement conditions satisfy the Nyquist stability criterion, resulting in stable operation across charging, standby, and discharging modes.

4.2.2. Interaction Dynamics Under Various PSH Operating Conditions

As shown in Figure 16a, eigenvalues shift within the LHP across all PSH operating regions, maintaining system stability. Figure 16b shows open-loop frequency response RHP poles as P = 1, P = 2, and P = 2 in URS, maximum-power-point (MPP), and ORS regions, respectively. Corresponding clockwise encirclements are N = −1, N = −2, and N = −2 in Figure 16c, resulting in closed-loop system stability in Figure 16d with zero RHP poles, i.e., Z = 0, across all PSH operating conditions.

4.2.3. Interaction Dynamics Under Various PV Operating Conditions

As shown in Figure 17a, system stability is preserved as eigenvalues stay in the LHP for CVR and MPP modes, but it is compromised in CCR region as eigenvalues migrate to the RHP. Figure 17b shows open-loop frequency response RHP poles with P = 2, P = 2, and P = 1 for CVR, MPP, and CCR regions, respectively.
The clockwise encirclements in Figure 17c are N = −2, N = −2, and N = 1, respectively, leading to closed-loop stability system in Figure 17d for CVR and MPP, i.e., Z = 0, but instability in CCR, with two conjugate RHP poles at 10 rad/s, i.e., Z = 2.
In contrast, the CCR operating region exhibits a pronounced reduction in phase margin at the gain crossover frequency, as observed in Figure 17b, which directly contributes to the emergence of unstable conjugate poles in the RHP in closed-loop operation. The Nyquist plot in Figure 17c confirms this behavior through an additional clockwise encirclement, leading to closed-loop instability in Figure 17d. This highlights the critical role of PV dynamic resistance in destabilizing the system under weak-grid CCR operation.

4.2.4. Damped System Under Unstable Operating Conditions

Participation factor analysis indicates the V d c state as the primary influence on system stability related to the RHP unstable eigenmode. A virtual damping technique is introduced, incorporating a high-pass filter within the V d c control loop to counteract instabilities.
In Figure 18a, eigenvalues are shifted into the LHP across all PV operating regions, including CCR. The open-loop frequency response in Figure 18b indicates RHP poles of P = 1, P = 2, and P = 0 across CVR, MPP, and CCR regions, respectively. The corresponding clockwise encirclements are N = −1, N = −2, and N = 0, as illustrated in Figure 18c. In Figure 18d, the closed-loop damped system demonstrates stable performance, with zero RHP poles, i.e., Z = 0, across all PV operating conditions.
The introduction of virtual-impedance-based active damping increases the effective damping of the system, resulting in improved phase margins and a shift of the gain crossover frequency away from critical resonance points. As shown in Figure 18b–d, the elimination of RHP poles and unstable encirclements restores closed-loop stability across all PV operating regions, including the previously unstable CCR mode.

4.3. Quantitative Stability Performance Comparison

To complement the eigenvalue, frequency-domain, and Nyquist-based stability analyses presented in the previous subsections, a quantitative comparison of system stability performance with and without the proposed virtual-impedance-based active damping strategy is provided. This comparison enables a concise evaluation of how the damping controller improves system robustness under weak grid conditions beyond qualitative observations.
Table 3 summarizes key stability indicators and dynamic performance metrics of the hybrid PV–PSH–BES system under weak grid conditions, both with and without active damping. The comparison highlights a clear improvement in dominant eigenvalue locations, damping ratios, phase margins, and DC–link voltage behavior when the damping controller is enabled. In particular, the unstable right-half-plane modes observed in the CCR operating region are shifted into the left-half plane, resulting in well-damped responses and finite settling times. These quantitative results corroborate the frequency-domain and eigenvalue analyses presented in Figure 17 and Figure 18 and confirm the enhanced robustness of the proposed control strategy under adverse grid-strength conditions.
To further quantify the stabilization effect of the proposed virtual-impedance-based active damping, key dynamic performance indicators are extracted from the eigenvalue locations and time-domain responses. In the undamped CCR operating condition, the dominant conjugate pole pair is located in the right-half plane at approximately ±j10 rad/s, corresponding to a negative damping ratio and sustained oscillatory behavior in the DC–link voltage. After applying the damping controller, these poles are shifted to the left-half plane, yielding an estimated damping ratio in the range of 0.25–0.30, which indicates a well-damped system response.
This improvement is also evident in the time-domain behavior, where the DC–link voltage oscillations transition from a divergent response in the undamped case to a decaying response with a settling time of approximately 0.4–0.6 s following damping implementation. Furthermore, the Bode responses show a notable increase in phase margin (exceeding 20°), confirming enhanced robustness against weak-grid disturbances. These quantitative indicators substantiate the effectiveness of the proposed damping strategy beyond the qualitative stability observations.
While the proposed virtual-impedance-based active damping strategy is implemented purely in software and does not require additional hardware, its practical deployment may be influenced by non-idealities inherent to real-world converter control systems. In particular, measurement delays, digital control sampling effects, and uncertainties in grid impedance estimation can affect the accuracy of the damping action. Excessive delays may reduce the effective phase margin improvement, while inaccuracies in impedance estimation could lead to suboptimal damping gain selection. Nevertheless, the proposed approach relies on locally measured DC–link and converter signals and does not require explicit real-time grid impedance identification, which enhances its robustness and practical feasibility. Appropriate controller bandwidth selection and delay-aware tuning can further mitigate these effects, making the strategy suitable for implementation in modern digital control platforms.

5. Real-Time System Validation Analysis

In this section, real-time simulation results are presented to validate the stability assessment and the effectiveness of the proposed stabilization technique under weak grid operation and various operating conditions of energy sources.
The real-time validation of the proposed hybrid PV–PSH–BES system and control strategy is carried out using an OPAL-RT real-time digital simulation platform interfaced with MATLAB/Simulink through the RT-LAB environment. The complete large-signal model, including power electronic converters, control loops, and grid interface, is implemented in Simulink and executed in real time on the OPAL-RT real-time simulator using a fixed-step discrete-time solver. A real-time simulation step size of 50 µs is selected to accurately capture the fast dynamics of converter control and system interactions while ensuring stable real-time execution. This setup enables hardware-realistic validation of the stability assessment and damping performance under weak grid operating conditions.
Unless otherwise stated, all results presented in this section correspond to weak grid operating conditions characterized by a short-circuit ratio (SCR) of SCR = 2 and a reactance-to-resistance ratio of X/R = 5 at the point of common coupling. These values represent a realistically weak grid with reduced voltage stiffness and limited short-circuit capacity, consistent with the weak-grid classification introduced in Section 1. The selected parameters are used throughout the stability assessment to evaluate interaction dynamics and control robustness under adverse grid-strength conditions.
Although this study focuses on a conservative weak grid condition (SCR = 2), the proposed modeling and damping framework is directly extendable to variable-SCR scenarios, which will be investigated in future work, enabling systematic robustness assessment across different grid strengths.
Figure 17, Figure 18, Figure 19 and Figure 20 demonstrate system performance under a range of energy management scenarios. The PV may operate in standby mode when atmospheric conditions are inadequate, or it can be controlled to operate at its MPP when generating 1 MW or less in off-MPP modes, such as CVR and CCR. The PSH energy source functions similarly: it can be in standby mode with its valve off, operate in charging mode as a storage unit, or discharge power to the grid, potentially at its MPP, when generating 1 MW or less in its off-MPP modes, such as URS and ORS. The BES unit, which can operate in Ch, SB, or DCh modes, supports these operations based on its state-of-charge (SoC) level and grid energy demand.
Figure 19 illustrates system performance across BES operating modes. During the interval from 0 to 1 min, the BES, with SoC ≤ 100%, supplements the maximum power of 2 MW generated by the PV and PSH units to meet the grid demand when it exceeds 2 MW. From 1 to 2 min, the BES, with SoC ≤ 100%, remains on standby, as the grid demand is fulfilled exactly at 2 MW by the combined PV and PSH output. Between 2 and 3 min, the BES, with SoC < 100%, absorbs excess power generated by the PV and PSH units when the grid demand drops below 2 MW.
When grid demand falls below 2 MW and the BES reaches full capacity, i.e., SoC = 100%, surplus power generated by the PV and PSH units beyond immediate grid needs must be efficiently managed to avoid power wastage and ensure system stability. Such power curtailment strategies to manage this surplus power may involve adjustments to rotor speed, as illustrated in Figure 20, or modifications to V d c , as shown in Figure 21, enabling the PSH and PV units to operate within off-MPP modes. For instance, operating the PSH in URS and ORS regions (Figure 20) or the PV unit in the CVR region (Figure 21) does not compromise system stability. However, when the PV operates in CCR mode from 2 to 3 min in Figure 21, the system stability may be compromised. To stabilize system performance under CCR conditions, it is essential to apply the virtual damping controller, as shown in Figure 21, during the interval from 3 to 4 min.
Figure 22 presents system performance when the BES is fully charged, i.e., SoC = 100%, and grid demand is at 1 MW or less. Between 0 and 1 min, the PV unit operates at its MPP, meeting grid demand, while the PSH remains in SB mode. From 1 to 2 min, the PSH discharges power at its MPP to meet grid demand, with the PV unit on SB mode. During the 2 to 3 min interval, the PV unit generates maximum power at its MPP, with grid demand below 1 MW. Here, the PSH transitions to charging mode, storing surplus energy from the PV unit that exceeds grid demand.

6. Conclusions

This study presents a detailed stability analysis of a hybrid energy system consisting of PV, PSH, and BES units, demonstrating the effectiveness of advanced control strategies for stabilizing interaction dynamics among different resources, particularly under weak-grid scenarios and diverse energy resource operating modes. By developing a state-space SSM, this research identifies primary stability challenges and evaluates the system’s stability across various operational conditions. The proposed virtual damping control method effectively addresses instabilities by repositioning unstable eigenmodes and modifying DC–link and impedance transfer functions, ensuring adherence to the Nyquist stability criterion. Real-time simulations on the OPAL-RT platform using a large-signal model further validate the robustness of the proposed control strategy under large disturbances. These findings highlight the capability of this control method to enhance resilience and energy reliability in utility-scale hybrid systems, facilitating the seamless integration of renewable energy sources into the grid.
While the OPAL-RT real-time simulation results provide a high level of confidence in the effectiveness and robustness of the proposed stabilization strategy, future work will focus on experimental validation using laboratory-scale testbeds and hardware-in-the-loop (HIL) platforms with physical power electronic converters. Such experiments will enable further assessment of implementation aspects, including measurement delays, sensor noise, and converter non-idealities, and will facilitate the transition of the proposed control framework toward field deployment in real hybrid power plants.

Author Contributions

Conceptualization, S.K.M. and M.A.M.; methodology, S.K.M.; software, S.K.M. and M.A.M.; validation, M.A.M.; formal analysis, S.K.M. and O.M.D.; visualization, S.K.M. and O.M.D.; data curation, M.A.M.; writing—original draft preparation, S.K.M.; writing—review and editing, M.A.M., O.M.D. and C.W.; supervision, C.W.; project administration, C.W.; funding acquisition, C.W. All authors have read and agreed to the published version of the manuscript.

Funding

This research was funded by the U.S. National Science Foundation (NSF) under Grant No. ECCS-2146615.

Data Availability Statement

The simulation data supporting the findings of this study are available from the corresponding author upon reasonable request. Real-time OPAL-RT test files are not publicly distributed due to licensing constraints.

Acknowledgments

The authors would like to acknowledge the support of the U.S. National Science Foundation (NSF) under Grant No. ECCS-2146615. Any opinions, findings, conclusions, or recommendations expressed in this material are those of the authors and do not necessarily reflect the views of the sponsor.

Conflicts of Interest

The authors declare no conflicts of interest.

Nomenclature

The following symbols, parameters, units, and abbreviations are used in this manuscript:
Symbol Name Unit
C 1 b a t Battery RC branch capacitance in F
C d c Total DC–link capacitance in F
DDuty cycle
E o c Open-circuit voltage of the battery in V
HHydraulic head (water head) in m
I b a t Battery current in A
I P S H Hydro output current in A
I p v PV output current in A
L b a t Battery inductance in H
P b a t e x t External battery power in W
P d c DC power delivered to the inverter in W
P i n v Inverter output AC power in W
P o p Operating point
P p v Photovoltaic power in W
P p v e x t External PV power to DC–link in W
P P S H Hydro power output in W
QWater flow rate in m3/s
R 1 b a t RC branch resistance in Ω
R b a t Battery equivalent series resistance in Ω
R o b a t Battery internal resistance in Ω
r b a t Dynamic resistance of the battery in Ω
r P S H Dynamic resistance of PSH in Ω
S 1 ,   S 2 Switching signals
T m Mechanical torque in Nm
V H P S Hydro output voltage in V
V b a t Battery voltage in V
V d c DC–link voltage in V
V p v PV terminal voltage in V
Greek Symbols
Δ ω Frequency deviation in rad/s
δ c PLL phase angle in rad
η P S H Overall efficiency of PSH unit
λ p m Permanent magnet flux linkage in Wb
ρWater density in kg/m3
φ d q Flux linkage vector in dq-frame
ω c Angular frequency of PLL in rad/s
ω r m e c h Mechanical angular speed in rad/s
Subscript and Superscript
d , q Components along direct and quadrature axes
d q The rotating dq-reference frame
gSystem’s measured signals in the grid dq-reference frame
cController’s output signals in the converter dq-reference frame
* Reference or nominal value
° Steady-state operating point
GS-VSC Variables and Parameters
ω , v g , i g Grid frequency, voltage, and current in rad/s, V, and A, respectively
P i n v Total output power from all sources delivered to the lossless GS-VSC converter in W
R g , L g Grid resistance and inductance in Ω and H, respectively
R f , L f Filter resistance and inductance in Ω and H, respectively
r o n On-state resistance of VSI switches in Ω
i , v i AC current and voltage at VSI output in A and V, respectively
j Imaginary unit
N Transformer turns ratio
R t r p , L t r p Transformer primary resistance and inductance in Ω and H, respectively
R t r s , L t r s Transformer secondary resistance and inductance in Ω and H, respectively
v , C f Filter voltage and shunt capacitance in V and F, respectively
P p c c AC power delivered at the point of interconnection
P d c DC input power to the GS-VSC
G δ , G d c , G a c , G i PI-controllers for the PLL, dc voltage, PCC voltage, and ac current
g p x , g i x Proportional and integral gains of   G x  controllers
PV Parameters and Variables
V p v , I p v PV terminal voltage and current in V and A, respectively
P p v PV output of PV module in W
I s c , I p h Short-circuit and photo-generated currents in A
I r s , I D Reverse saturation current and diode current in A
V T , V D Thermal voltage and diode voltages in V
T , I i r r Temperature and irradiance in °C, and W/m2, respectively
k B Boltzmann constant in J/K
q Elementary charge in C
α i Temp. coefficient of Isc in A/°C
R s , R s h PV series and shunt resistances in Ω
R d c , L d c DC cable resistance and inductance cable in Ω and H, respectively
V d c , C d c DC voltage and total capacitors in V and F, respectively
C p v PV-side capacitor in F
P e x t p v External PV power injected into DC–link in W
MS-VSC Variables and Parameters
P P S H , H P S H PSH output power and inertia in W, and kg·m2, respectively
T P H S , ω P H S PSH torque and angular speed of PSH turbine in Nm, and rad/s, respectively
K s h , θ s h , T s h Shaft stiffness, angle, and torque in Nm/rad, rad, and Nm, respectively
ω r m e c h Rotor speed (mechanical) in rad/s
D s h , ω b Damping and base angular speed in Nm/rad, and rad/s, respectively
P Number of pole pairs
ω s m a g n Magnetic Stator frequency in rad/s
L s , R s Stator inductance and resistance in H and Ω, respectively
i s , v s Stator current and voltage in A and V, respectively
B r , J r Rotor friction and inertia in (Nm.s)/rad, kg·m2, respectively
T m , T e Mechanical and electromagnetic torques in Nm
λ p m Rotor magnetic flux linkage in Wb
P m Mechanical power to PMSM in W
P s Electrical stator power output in W
C P H S PSH-side capacitor in F
P e x t P H S External power from PSH system in W
K i , K s PI controllers for PMSM current and speed
k p x , k i x PI gains for  K x  controllers
BES Parameters and Variables
V B E S , I B E S Battery voltage and current in V and A, respectively
Z s d , E s d Self-discharge impedance and equivalent voltage in Ω and V, respectively
I R 1 Current through R1 in battery model in A
C B E S BES-side capacitor in F
P e x t B E S External BES charging/discharging power in W
L i PI-controller for battery current
l p x , l i x PI gains for  L x  controllers
Abbreviations
2-QTwo Quadrant Bidirectional Converter
BESBattery Energy Storage
CCRConstant Current Region
ChCharging Mode
CVRConstant Voltage Region
DC–linkDirect Current Link
DChDischarging Mode
GS-VSCGrid-Side Voltage Source Converter
PSHPumped Storage Hydropower
LFOLow-Frequency Oscillation
LHPLeft-Half Plane
LSMLarge-Signal Model
MPPMaximum Power Point
MS-VSCMachine-Side Voltage Source Converter
OPAL-RTReal-Time Digital Simulation Platform
ORSOver-Rated Speed
PCCPoint of Common Coupling
PFAParticipation Factor Analysis
PLLPhase-Locked Loop
PMSMPermanent Magnet Synchronous Machine
PSDMPractical Single Diode Model
PVPhotovoltaic
PWMPuls Width Modulation
RHPRight Half Plane
SBStandby Mode
SCRShort-Circuit Ratio
SoCState of Charge
SRFSynchronous Reference Frame
SSMSmall-Signal Model
TDLSMTime-Domain Large-Signal Model
TDSSMTime-Domain Small-Signal Model
URSUnder-Rated Speed
VSCVoltage Source Converter
VSIVoltage Source Inverter
VSRVoltage Source Rectifier
X/RReactance-to-Resistance Ratio

References

  1. Emrani, A.; Berrada, A. A comprehensive review on techno-economic assessment of hybrid energy storage systems integrated with renewable energy. J. Energy Storage 2024, 84, 111010. [Google Scholar] [CrossRef]
  2. Magableh, S.K.; Dawaghreh, O.; Wang, X.; Wang, C. Assessing the Performance and Impact of PV Technologies on Storage in Hybrid Renewable Systems. arXiv 2025, arXiv:2502.19653. [Google Scholar] [CrossRef]
  3. Calero, F.; Cañizares, C.A.; Bhattacharya, K.; Anierobi, C.; Calero, I.; de Souza, M.F.Z.; Farrokhabadi, M.; Guzman, N.S.; Mendieta, W.; Peralta, D. A review of modeling and applications of energy storage systems in power grids. Proc. IEEE 2022, 111, 806–831. [Google Scholar] [CrossRef]
  4. International Energy Agency. Renewables 2024, Analysis and Forecast to 2030. 2024. Available online: https://iea.blob.core.windows.net/assets/17033b62-07a5-4144-8dd0-651cdb6caa24/Renewables2024.pdf (accessed on 9 September 2024).
  5. Gielen, D.; Gorini, R.; Wagner, N.; Leme, R.; Gutierrez, L.; Prakash, G.; Asmelash, E.; Janeiro, L.; Gallina, G.; Vale, G. Global Energy Transformation: A Roadmap to 2050; IRENA: Abu Dhabi, United Arab Emirates, 2019. [Google Scholar]
  6. Magableh, M.A.K.; Radwan, A.; Mohamed, Y.A.-R.I.; El-Saadany, E.F. A Novel Reduced-Order Modeling Approach of a Grid-Tied Hybrid Photovoltaic–Wind Turbine–Battery Energy Storage System for Dynamic Stability Analysis. IEEE Open J. Power Electron. 2024, 5, 1459–1483. [Google Scholar] [CrossRef]
  7. Li, L.; Lin, J.; Wu, N.; Xie, S.; Meng, C.; Zheng, Y.; Wang, X.; Zhao, Y. Review and outlook on the international renewable energy development. Energy Built Environ. 2022, 3, 139–157. [Google Scholar] [CrossRef]
  8. Ahmed, S.; Ali, A.; Ansari, J.A.; Qadir, S.A.; Kumar, L. A Comprehensive Review of Solar Photovoltaic Systems: Scope, Technologies, Applications, Progress, Challenges and Recommendations. IEEE Access 2025, 13, 69723–69750. [Google Scholar] [CrossRef]
  9. Wali, S.B.; Hannan, M.; Ker, P.J.; Abd Rahman, M.; Mansor, M.; Muttaqi, K.; Mahlia, T.; Begum, R. Grid-connected lithium-ion battery energy storage system: A bibliometric analysis for emerging future directions. J. Clean. Prod. 2022, 334, 130272. [Google Scholar] [CrossRef]
  10. Li, C.; Yang, Y.; Cao, Y.; Wang, L.; Blaabjerg, F. Frequency and voltage stability analysis of grid-forming virtual synchronous generator attached to weak grid. IEEE J. Emerg. Sel. Top. Power Electron. 2020, 10, 2662–2671. [Google Scholar] [CrossRef]
  11. Rezaee, S.; Radwan, A.; Moallem, M.; Wang, J. Voltage source converters connected to very weak grids: Accurate dynamic modeling, small-signal analysis, and stability improvement. IEEE Access 2020, 8, 201120–201133. [Google Scholar] [CrossRef]
  12. Xu, B.; Chen, D.; Venkateshkumar, M.; Xiao, Y.; Xing, Y. Modeling a pumped storage power integration to a hybrid power system with solar-wind power and its stability analysis. Energy Procedia 2019, 158, 6225–6230. [Google Scholar] [CrossRef]
  13. Guo, W.; Li, J. Stability and multi-frequency dynamic characteristics of nonlinear grid-connected pumped storage-wind power interconnection system. Nonlinear Dyn. 2023, 111, 20929–20958. [Google Scholar] [CrossRef]
  14. Magableh, M.A.K.; Radwan, A.; Mohamed, Y.A.-R.I. Interaction Dynamics Analysis and Active Stabilization of a Weak Grid-Tied Hybrid PV-Wind Power Generator. IEEE Trans. Smart Grid 2024, 15, 3808–3823. [Google Scholar] [CrossRef]
  15. Shahnazian, F.; Das, K.; Yan, R.; Sørensen, P.J.E. Aspects of Relevance of Hybrid Power Plants in Control and Stability of Weak Grids. Energies 2024, 17, 6353. [Google Scholar] [CrossRef]
  16. Li, M.; Zhang, X.; Fu, X.; Geng, H.; Zhao, W. Stability studies on PV grid-connected inverters under weak grid: A review. Chin. J. Electr. Eng. 2024, 10, 1–19. [Google Scholar] [CrossRef]
  17. Xu, Z.; Qin, Y.; Li, Z.; Jiao, C.; Zhai, B.; Chang, X. Stability analysis of different control modes of grid-connected converters under different grid conditions. Front. Energy Res. 2023, 11, 1242024. [Google Scholar] [CrossRef]
  18. Wang, X.; Zhu, H.; Luo, X.; Guan, X. Data-Driven-based Detection and Localization Framework against False Data Injection Attacks in DC Microgrids. IEEE Internet Things J. 2025, 12, 36079–36093. [Google Scholar] [CrossRef]
  19. Chen, T.; Yu, R.; Huang, A.Q. Variable-switching-frequency single-stage bidirectional GaN AC–DC converter for the grid-tied battery energy storage system. IEEE Trans. Ind. Electron. 2021, 69, 10776–10786. [Google Scholar] [CrossRef]
  20. Wu, H.; Li, Y.; Xing, Y. LLC resonant converter with semiactive variable-structure rectifier (SA-VSR) for wide output voltage range application. IEEE Trans. Power Electron. 2015, 31, 3389–3394. [Google Scholar] [CrossRef]
  21. Magableh, M.A.K.; Radwan, A.A.A.; Mohamed, Y.A.-R.I. Dynamic stabilization of a centralized weak grid-tied VSC system considering PV generator dynamics. IEEE Trans. Power Syst. 2023, 39, 2209–2226. [Google Scholar] [CrossRef]
  22. Singh, V.; Pattnaik, S.; Anand, V.; Neti, S.S. Comparison of two-stage and single-stage photovoltaic inverter for grid-connected system. In Proceedings of the 2024 Third International Conference on Power, Control and Computing Technologies (ICPC2T), Raipur, India, 18–20 January 2024; pp. 462–467. [Google Scholar]
  23. Magableh, M.A.K.; Radwan, A.; Mohamed, Y.A.-R.I. A novel hybrid approach based on analytical and metaheuristic algorithms for parameters and dynamic resistance estimation of a PV array. IEEE Trans. Power Syst. 2023, 38, 5459–5474. [Google Scholar] [CrossRef]
  24. Radwan, A.A.A.; Mohamed, Y.A.-R.I. Improved vector control strategy for current-source converters connected to very weak grids. IEEE Trans. Power Syst. 2015, 31, 3238–3248. [Google Scholar] [CrossRef]
  25. Mumtahina, U.; Alakahoon, S.; Wolfs, P. A comparative study of phase locked loops for microgrid and storage converter applications. In Proceedings of the 2021 IEEE PES Innovative Smart Grid Technologies-Asia (ISGT Asia), Brisbane, Australia, 5–8 December 2021. [Google Scholar]
  26. García-Ceballos, C.; Mora-Flórez, J.; Pérez-Londoño, S. A comparative review of phase locked loop systems for microgrids applications considering multiple VSC-based distributed generators. In Proceedings of the 2019 FISE-IEEE/CIGRE Conference-Living the energy Transition (FISE/CIGRE), Medellin, Colombia, 4–6 December 2019. [Google Scholar]
  27. Jaalam, N.; Rahim, N.; Bakar, A.; Tan, C.; Haidar, A.M. A comprehensive review of synchronization methods for grid-connected converters of renewable energy source. Renew. Sustain. Energy Rev. 2016, 59, 1471–1481. [Google Scholar] [CrossRef]
  28. Guo, X.; Yang, Y.; Wang, X. Optimal space vector modulation of current-source converter for DC-link current ripple reduction. IEEE Trans. Ind. Electron. 2018, 66, 1671–1680. [Google Scholar] [CrossRef]
  29. Yazdani, A.; Iravani, R. Voltage-Sourced Converters in Power Systems: Modeling, Control, and Applications; John Wiley & Sons: New York, NY, USA, 2010. [Google Scholar]
  30. Al-Masri, H.M.; Magableh, S.K.; Abuelrub, A. Output power computation and sizing of a photovoltaic array by advanced modeling. Sustain. Energy Technol. Assess. 2021, 47, 101519. [Google Scholar] [CrossRef]
  31. Zhang, H.; Shen, B.; Chen, X.; Jiang, Z. Dynamic resistance and dynamic loss in a ReBCO superconductor. Supercon. Sci. Technol. 2022, 35, 113001. [Google Scholar] [CrossRef]
  32. Magableh, S.K.; Dawaghreh, O.; Wang, C. Optimizing and exploring untapped micro-hydro hybrid systems: A multi-objective approach for crystal lake as a large-scale energy storage solution. Renew. Energy Focus 2024, 51, 100624. [Google Scholar] [CrossRef]
  33. Magableh, S.K.; Wang, X.; Dawaghreh, O.; Wang, C.; Mehdipour Abadi, E. Tool-Based Case Studies on Strategic Deployment of Untapped Micro-Pumped Hydro Storage in Michigan; Solar Energy Technologies Office (SETO) Renewables Advancing Community: Washington, DC, USA, 2025. [Google Scholar]
  34. Xiao, L.; Liu, Y.; Ding, Y.; Tang, X. Compact Pumped Hydro Storage-Based Wind Power Generator: Transients/Dynamics Modeling and Performance Analysis. 2023. Available online: https://ssrn.com/abstract=4656694 (accessed on 9 September 2024).
  35. Gurecky, W.; Wang, H.; Ou, S. One Dimensional Penstock Flow Models for Hydropower Digital Twin; Oak Ridge National Laboratory (ORNL): Oak Ridge, TN, USA, 2022. [Google Scholar]
  36. Chen, Y.; Wu, F.; Shi, L.; Li, Y.; Wang, Z.; Ding, Y. Analysis and Suppression Strategies of Sub-Synchronous Oscillations in DFIG Wind Farm Integrated with Synchronous Pumped Storage System. Sustainability 2025, 17, 4588. [Google Scholar] [CrossRef]
  37. Xiao, L.; Liu, Y.; Ding, Y.; Tang, X. Transients-Dynamics Modeling and Simulation of Compact Pumped Hydro Storage-Integrated Wind Power Generator with Advanced Performance. 2023. Available online: https://ssrn.com/abstract=4753923 (accessed on 9 September 2024).
  38. Liu, J.; Chen, W. Generalized DQ model of the permanent magnet synchronous motor based on extended park transformation. In Proceedings of the 2013 1st International Future Energy Electronics Conference (IFEEC), Tainan, Taiwan, 3–6 November 2013; pp. 885–890. [Google Scholar]
  39. Huang, A.; Chen, Z.; Wang, J. Research on the dq-Axis Current Reaction Time of an Interior Permanent Magnet Synchronous Motor for Electric Vehicle. World Electr. Veh. J. 2023, 14, 196. [Google Scholar] [CrossRef]
  40. Achour, H.B.; Ziani, S.; Chaou, Y.; El Hassouani, Y.; Daoudia, A. Permanent magnet synchronous motor PMSM control by combining vector and PI controller. WSEAS Trans. Syst. Control 2022, 17, 244–249. [Google Scholar] [CrossRef]
  41. Zhao, L.; Wang, X.; Jin, Z. Impedance-based dynamics analysis for DC-link voltage-synchronized voltage-source converters. IEEE Trans. Power Electron. 2023, 38, 10829–10844. [Google Scholar] [CrossRef]
  42. Erinle, T.J.; Ejiko, S.O.; Oladebeye, D.H. Design of micro hydro turbine for domestic energy generation. Int. Adv. Res. J. Sci. 2020, 7, 85–93. [Google Scholar] [CrossRef]
  43. Shan, Y.; Hu, J.; Chan, K.W.; Fu, Q.; Guerrero, J.M. Model predictive control of bidirectional DC–DC converters and AC/DC interlinking converters—A new control method for PV-wind-battery microgrids. IEEE Trans. Sustain. Energy 2018, 10, 1823–1833. [Google Scholar] [CrossRef]
  44. Forouzesh, M.; Siwakoti, Y.P.; Gorji, S.A.; Blaabjerg, F.; Lehman, B. Step-up DC–DC converters: A comprehensive review of voltage-boosting techniques, topologies, and applications. IEEE Trans. Power Electron. 2017, 32, 9143–9178. [Google Scholar] [CrossRef]
  45. Tran, M.-K.; Mathew, M.; Janhunen, S.; Panchal, S.; Raahemifar, K.; Fraser, R.; Fowler, M. A comprehensive equivalent circuit model for lithium-ion batteries, incorporating the effects of state of health, state of charge, and temperature on model parameters. J. Energy Storage 2021, 43, 103252. [Google Scholar] [CrossRef]
  46. Navas, S.J.; González, G.C.; Pino, F.; Guerra, J. Modelling Li-ion batteries using equivalent circuits for renewable energy applications. Energy Rep. 2023, 9, 4456–4465. [Google Scholar] [CrossRef]
  47. Liu, X.; Wang, P.; Loh, P.C. A hybrid AC/DC microgrid and its coordination control. IEEE Trans. Smart Grid 2011, 2, 278–286. [Google Scholar] [CrossRef]
Figure 1. Overall architecture of the grid-connected hybrid PV–PSH–BES system, showing the main components, power electronic interfaces, common DC–link coupling, control hierarchy, and power and signal flow under various operating conditions.
Figure 1. Overall architecture of the grid-connected hybrid PV–PSH–BES system, showing the main components, power electronic interfaces, common DC–link coupling, control hierarchy, and power and signal flow under various operating conditions.
Electronics 15 00384 g001
Figure 2. Schematic diagram of the OPAL-RT platform for control and energy management of the grid-connected hybrid PV–PSH–BES system. Colored arrows indicate charging and discharging power flow directions between the PSH reservoirs, BES cabinet, PV unit, and the grid through the DC-link and corresponding converters.
Figure 2. Schematic diagram of the OPAL-RT platform for control and energy management of the grid-connected hybrid PV–PSH–BES system. Colored arrows indicate charging and discharging power flow directions between the PSH reservoirs, BES cabinet, PV unit, and the grid through the DC-link and corresponding converters.
Electronics 15 00384 g002
Figure 3. Control architecture of the GS-VSC subsystem including synchronous reference frame (SRF)-PLL, PCC voltage regulation, V d c , and inner current control loops, including active damping for enhanced dynamic performance under weak grid conditions. Colored boxes highlight the major control subsystems, and colored arrows indicate key signal flow paths.
Figure 3. Control architecture of the GS-VSC subsystem including synchronous reference frame (SRF)-PLL, PCC voltage regulation, V d c , and inner current control loops, including active damping for enhanced dynamic performance under weak grid conditions. Colored boxes highlight the major control subsystems, and colored arrows indicate key signal flow paths.
Electronics 15 00384 g003
Figure 4. Block diagram of the virtual-impedance-based active damping controller integrated into the GS-VSC control loop, showing signal measurement, filtering, damping gain, and injection into the active current reference. Colored arrows indicate the auxiliary damping current injection path and the reference current flow.
Figure 4. Block diagram of the virtual-impedance-based active damping controller integrated into the GS-VSC control loop, showing signal measurement, filtering, damping gain, and injection into the active current reference. Colored arrows indicate the auxiliary damping current injection path and the reference current flow.
Electronics 15 00384 g004
Figure 5. Exact equivalent circuit of the transformer includes magnetizing and leakage elements. The black dot denotes the winding polarity convention.
Figure 5. Exact equivalent circuit of the transformer includes magnetizing and leakage elements. The black dot denotes the winding polarity convention.
Electronics 15 00384 g005
Figure 6. Simplified equivalent circuit of a step-up transformer and grid impedance referred to the secondary side.
Figure 6. Simplified equivalent circuit of a step-up transformer and grid impedance referred to the secondary side.
Electronics 15 00384 g006
Figure 7. The r d regions of the PV I-V curve, highlighting the CCR, CVR, and MPP under standard test conditions. The purple curve represents the PV dynamic resistance r d , while the red curve represents the PV power characteristic in per-unit.
Figure 7. The r d regions of the PV I-V curve, highlighting the CCR, CVR, and MPP under standard test conditions. The purple curve represents the PV dynamic resistance r d , while the red curve represents the PV power characteristic in per-unit.
Electronics 15 00384 g007
Figure 8. Control architecture of the PSH unit including MPPT-based rotor speed regulation, stator current control, and PWM signal generation for grid-interfaced power exchange via a PMSM.
Figure 8. Control architecture of the PSH unit including MPPT-based rotor speed regulation, stator current control, and PWM signal generation for grid-interfaced power exchange via a PMSM.
Electronics 15 00384 g008
Figure 9. Approximate power-speed characteristic of the PSH unit.
Figure 9. Approximate power-speed characteristic of the PSH unit.
Electronics 15 00384 g009
Figure 10. Voltage–current characteristics of the PSH-PMSM subsystem under different torque levels ( T m = 10, 20, 30 N.m), illustrating the negative r P S H behavior during power injection into the DC link.
Figure 10. Voltage–current characteristics of the PSH-PMSM subsystem under different torque levels ( T m = 10, 20, 30 N.m), illustrating the negative r P S H behavior during power injection into the DC link.
Electronics 15 00384 g010
Figure 11. Control representation of the bidirectional BES converter showing battery current reference tracking, converter switching logic, and PWM-based modulation.
Figure 11. Control representation of the bidirectional BES converter showing battery current reference tracking, converter switching logic, and PWM-based modulation.
Electronics 15 00384 g011
Figure 12. Battery terminal voltage behavior under different discharge current levels: (a) Time-domain voltage response showing faster voltage decay at higher discharge currents (0.5 kA, 1 kA, and 2 kA), illustrating the impact of internal resistance and RC dynamics. (b) Voltage variation as a function of extracted battery capacity, highlighting accelerated voltage depletion under higher current demands.
Figure 12. Battery terminal voltage behavior under different discharge current levels: (a) Time-domain voltage response showing faster voltage decay at higher discharge currents (0.5 kA, 1 kA, and 2 kA), illustrating the impact of internal resistance and RC dynamics. (b) Voltage variation as a function of extracted battery capacity, highlighting accelerated voltage depletion under higher current demands.
Electronics 15 00384 g012
Figure 13. Dynamic resistance characteristics of the BES system: (a) Resistance-current relationship during discharging mode, showing negative r B E S behavior associated with power injection into the DC–link; and (b) Resistance-current relationship during charging mode, illustrating positive r B E S behavior when absorbing power from the DC–link. The red curve represents the battery dynamic resistance, while the purple curve represents the battery voltage in per-unit.
Figure 13. Dynamic resistance characteristics of the BES system: (a) Resistance-current relationship during discharging mode, showing negative r B E S behavior associated with power injection into the DC–link; and (b) Resistance-current relationship during charging mode, illustrating positive r B E S behavior when absorbing power from the DC–link. The red curve represents the battery dynamic resistance, while the purple curve represents the battery voltage in per-unit.
Electronics 15 00384 g013
Figure 14. Validation of the SSM against the large-signal real-time model (TDLSM) under weak grid conditions: (a,b) Grid-delivered power response comparison. (c,d) PSH-PMSM mechanical rotor speed response comparison. (e) V d c response comparison, demonstrating close agreement between the SSM and LSM across dynamic transients.
Figure 14. Validation of the SSM against the large-signal real-time model (TDLSM) under weak grid conditions: (a,b) Grid-delivered power response comparison. (c,d) PSH-PMSM mechanical rotor speed response comparison. (e) V d c response comparison, demonstrating close agreement between the SSM and LSM across dynamic transients.
Electronics 15 00384 g014
Figure 15. Stability assessment of the undamped system under different BES operating modes: (a) Eigenvalue distribution in the complex plane. (b) Open loop Bode magnitude and phase response. (c) Open-loop Nyquist plots showing clockwise encirclements, where arrows indicate the frequency sweep direction relative to the 1 ± j 0 stability boundary; and (d) Closed-loop Nyquist plots confirming system stability across charging, standby, and discharging modes.
Figure 15. Stability assessment of the undamped system under different BES operating modes: (a) Eigenvalue distribution in the complex plane. (b) Open loop Bode magnitude and phase response. (c) Open-loop Nyquist plots showing clockwise encirclements, where arrows indicate the frequency sweep direction relative to the 1 ± j 0 stability boundary; and (d) Closed-loop Nyquist plots confirming system stability across charging, standby, and discharging modes.
Electronics 15 00384 g015
Figure 16. Stability assessment of the undamped system under different PSH operating regions: (a) Eigenvalue trajectories for URS, MPP, and ORS conditions. (b) Open-loop frequency response highlighting right-half-plane poles. (c) Nyquist encirclements corresponding to each operating region, where arrows indicate the frequency sweep direction relative to the 1 ± j 0 stability boundary; and (d) Closed-loop Nyquist plots demonstrating stable operation across all PSH modes.
Figure 16. Stability assessment of the undamped system under different PSH operating regions: (a) Eigenvalue trajectories for URS, MPP, and ORS conditions. (b) Open-loop frequency response highlighting right-half-plane poles. (c) Nyquist encirclements corresponding to each operating region, where arrows indicate the frequency sweep direction relative to the 1 ± j 0 stability boundary; and (d) Closed-loop Nyquist plots demonstrating stable operation across all PSH modes.
Electronics 15 00384 g016
Figure 17. Stability assessment of the undamped system under different PV operating regions: (a) Eigenvalue locations showing stability in CVR and MPP and instability in CCR. (b) Open loop Bode response indicating reduced phase margin in CCR. (c) Nyquist plots revealing unstable encirclements in CCR operation, where arrows indicate the frequency sweep direction relative to the 1 ± j 0 stability boundary; and (d) Closed-loop Nyquist plots confirming instability under CCR conditions.
Figure 17. Stability assessment of the undamped system under different PV operating regions: (a) Eigenvalue locations showing stability in CVR and MPP and instability in CCR. (b) Open loop Bode response indicating reduced phase margin in CCR. (c) Nyquist plots revealing unstable encirclements in CCR operation, where arrows indicate the frequency sweep direction relative to the 1 ± j 0 stability boundary; and (d) Closed-loop Nyquist plots confirming instability under CCR conditions.
Electronics 15 00384 g017
Figure 18. Stabilized system performance under virtual-impedance-based active damping across PV operating regions: (a) Eigenvalue migration from the right-half plane to the left-half plane after damping implementation, indicating increased modal damping. (b) Open-loop frequency response showing improved gain and phase margins at the gain crossover frequency. (c) Nyquist plots illustrating the elimination of unstable encirclements and satisfaction of the Nyquist stability criterion, where arrows indicate the frequency sweep direction relative to the 1 ± j 0 stability boundary; and (d) Closed-loop Nyquist plots confirming restored stability under all PV operating conditions, including CCR, with enhanced damping characteristics and reduced oscillatory behavior.
Figure 18. Stabilized system performance under virtual-impedance-based active damping across PV operating regions: (a) Eigenvalue migration from the right-half plane to the left-half plane after damping implementation, indicating increased modal damping. (b) Open-loop frequency response showing improved gain and phase margins at the gain crossover frequency. (c) Nyquist plots illustrating the elimination of unstable encirclements and satisfaction of the Nyquist stability criterion, where arrows indicate the frequency sweep direction relative to the 1 ± j 0 stability boundary; and (d) Closed-loop Nyquist plots confirming restored stability under all PV operating conditions, including CCR, with enhanced damping characteristics and reduced oscillatory behavior.
Electronics 15 00384 g018
Figure 19. Energy management under different BES operating modes.
Figure 19. Energy management under different BES operating modes.
Electronics 15 00384 g019
Figure 20. Energy management under different PSH operating modes.
Figure 20. Energy management under different PSH operating modes.
Electronics 15 00384 g020
Figure 21. Energy management under different PV operating modes.
Figure 21. Energy management under different PV operating modes.
Electronics 15 00384 g021
Figure 22. Energy management under combined PV and PSH operating modes.
Figure 22. Energy management under combined PV and PSH operating modes.
Electronics 15 00384 g022
Table 1. Summary of incremental (dynamic) resistance characteristics of the PV, PSH, and BES subsystems across typical operating modes and their associated stability implications under weak grid conditions.
Table 1. Summary of incremental (dynamic) resistance characteristics of the PV, PSH, and BES subsystems across typical operating modes and their associated stability implications under weak grid conditions.
SubsystemOperating ModeIncremental (Dynamic) Resistance SignStability Implication Under Weak Grid
PVCVRPositiveStable, well-damped response
MPPSlightly Positive/Near ZeroMarginally stable, sensitive to grid strength
CCRNegativeProne to oscillatory instability
PSH (PMSM-based)URSPositiveStable operation
MPPNear ZeroReduced damping under weak grids
ORSSlightly NegativePotential low-frequency oscillations
BESChPositiveStable operation
SBNear ZeroNeutral impact
DChSlightly NegativeMild destabilizing effect
Table 2. Nyquist stability assessment of the hybrid PV–PSH–BES system under different operating regions (SCR = 2, X/R = 5).
Table 2. Nyquist stability assessment of the hybrid PV–PSH–BES system under different operating regions (SCR = 2, X/R = 5).
ModelSubsystemOperating RegionN (Encirclements)P (RHP Poles)Z = N + PStability
UndampedBESCh−110Stable
SB−220Stable
DCh−220Stable
PVCVR−220Stable
MPP−220Stable
CCR+112Unstable
PSHURS−110Stable
MPP−220Stable
ORS−220Stable
DampedPVCVR−110Stable
MPP−220Stable
CCR000Stable
Table 3. Comparison of system stability performance with and without virtual-impedance-based active damping under weak grid conditions (SCR = 2, X/R = 5).
Table 3. Comparison of system stability performance with and without virtual-impedance-based active damping under weak grid conditions (SCR = 2, X/R = 5).
Metric/IndicatorWithout Active DampingWith Active Damping
Dominant eigenvalue location (CCR mode)RHP, ≈±j10 rad/sLHP, shifted left
Estimated damping ratio (CCR mode)Negative/unstable≈0.25–0.30
Phase margin at gain crossoverLow (<5°)Improved (>20°)
Nyquist encirclements (CCR mode)Additional clockwise encirclementNo encirclement
DC–link voltage responseSustained/divergent oscillationsDecaying oscillations
DC–link voltage settling timeNot well-defined (unstable)≈0.4–0.6 s
Stability across PV operating regionsUnstable in CCRStable in all regions
Stability across PSH and BES modesMarginally stableFully stable
Overall weak-grid robustnessLimitedSignificantly enhanced
Disclaimer/Publisher’s Note: The statements, opinions and data contained in all publications are solely those of the individual author(s) and contributor(s) and not of MDPI and/or the editor(s). MDPI and/or the editor(s) disclaim responsibility for any injury to people or property resulting from any ideas, methods, instructions or products referred to in the content.

Share and Cite

MDPI and ACS Style

Magableh, S.K.; Magableh, M.A.; Dawaghreh, O.M.; Wang, C. Advanced Energy Management and Dynamic Stability Assessment of a Utility-Scale Grid-Connected Hybrid PV–PSH–BES System. Electronics 2026, 15, 384. https://doi.org/10.3390/electronics15020384

AMA Style

Magableh SK, Magableh MA, Dawaghreh OM, Wang C. Advanced Energy Management and Dynamic Stability Assessment of a Utility-Scale Grid-Connected Hybrid PV–PSH–BES System. Electronics. 2026; 15(2):384. https://doi.org/10.3390/electronics15020384

Chicago/Turabian Style

Magableh, Sharaf K., Mohammad Adnan Magableh, Oraib M. Dawaghreh, and Caisheng Wang. 2026. "Advanced Energy Management and Dynamic Stability Assessment of a Utility-Scale Grid-Connected Hybrid PV–PSH–BES System" Electronics 15, no. 2: 384. https://doi.org/10.3390/electronics15020384

APA Style

Magableh, S. K., Magableh, M. A., Dawaghreh, O. M., & Wang, C. (2026). Advanced Energy Management and Dynamic Stability Assessment of a Utility-Scale Grid-Connected Hybrid PV–PSH–BES System. Electronics, 15(2), 384. https://doi.org/10.3390/electronics15020384

Note that from the first issue of 2016, this journal uses article numbers instead of page numbers. See further details here.

Article Metrics

Back to TopTop