Abstract
This study presents a novel approach to improving the efficiency and reliability of solar water pumping systems by integrating a proportional–integral–derivative (PID) controller with the Jellyfish Algorithm (PID-JC) and artificial neural networks (ANN). Solar water-pumping systems are gaining attention due to their sustainable and eco-friendly nature; however, their performance is often limited by fluctuating solar irradiance and varying water demand. To address these challenges, Monte Carlo simulations were employed to account for system uncertainties. Traditional PID controllers, although widely used, often struggle to adapt effectively to dynamic environmental conditions. The proposed system utilizes an ANN to predict solar irradiance and water demand patterns based on historical data, enabling real-time adjustments of pump operations through the PID-JC. This approach is inspired by the adaptive behavior of jellyfish in dynamic environments. The PID-JC adjusts PID parameters dynamically based on ANN predictions, optimizing pump performance. Simulation and experimental results conducted on a solar water-pumping system in Mrada City, Northeastern Libya, demonstrated significant improvements in water delivery, energy consumption, and system reliability compared to conventional PID controllers. The PID-JC’s ability to adapt to diverse environmental conditions ensures robust performance across various geographical locations and seasonal changes. Additionally, comparisons to other optimization algorithms, such as Firefly and Golden Eagle Optimization, show that the Jellyfish Algorithm outperforms them with a 6.30% improvement in the cost function and a 28.13% reduction in processing time compared to Firefly, and a 26.81% improvement in the cost function and a 20.69% reduction in processing time compared to Golden Eagle Optimization.
1. Introduction
Renewable energy sources, particularly solar energy, offer promising solutions for powering remote farms but are often difficult to connect to the electrical grid [1,2,3]. Higher irradiation increases power output, while higher temperature reduces it [4]. The study [5] focuses on using a photovoltaic (PV) system to power water pumps for remote farms. While it demonstrates feasibility through simulations, it lacks extensive real-world testing to validate its practical performance. The study [6] presents a grid-connected floating PV (FPV) water-pumping system designed for rural farms in Mafraq, Jordan, featuring a 165 kW PV array and three 55 kW inverters. It optimizes efficiency while addressing technical, environmental, and economic factors. However, it incurs a 25% increase in costs compared to other options, which could pose financial challenges for some projects. Another paper [7] uses the maximum power point tracking (MPPT) control method in conjunction with a boost converter and positive displacement screw pump for the solar-powered water-pumping systems (SPWPS) that utilize PVs to use energy for pumping clean water in rural areas. This approach addresses infrastructure challenges and provides an efficient solution for remote farms to access groundwater while reducing waterborne diseases. However, a key limitation is the reduced water output in low sunlight conditions. Without an energy storage system, the pumping capacity can be insufficient during cloudy days or at night, limiting the reliability of the system.
The implementation of integral derivative controller (PID) controllers in PV system water pumps enhances operational efficiency and reliability. Various studies emphasize the incorporation of advanced control strategies, including PID, to optimize water-pumping systems with PV energy power. For example, the study [8] highlights that a PI controller is used to control the DC capacitor voltage in the unit vector template (UVT) controller, achieving a significant voltage total harmonic distortion (THD) of 3.736%. However, it has adjustment issues, so a fuzzy logic controller is used to improve performance. Another study [9] uses PI and fractional-order PI (FOPI) controllers as part of the MPPT techniques for solar-powered pumping systems, to enhance performance in terms of power gain, output current, flow rate, and pump efficiency. However, this system is based on a combination of different controllers and needs careful setting.
Recent advances in renewable energy have significantly driven the development of photovoltaic systems for more efficient and sustainable energy generation [10]. However, challenges such as partial shading and varying weather conditions affect the performance of PV cells. Various MPPT algorithms such as fuzzy logic, artificial neural networks (ANNs), and metaheuristic optimization algorithms such as particle swarm optimization (PSO) and the Bat Algorithm have been proposed to address these challenges [11,12] using ANNs optimized with a PID controller. The optimal PID parameters (Kp, Ki, Kd) are tuned using the Jellyfish Search Algorithm (JSA) [13,14].
To overcome these limitations, the present study employs the JFA integrated with an ANN to achieve optimal MPPT performance. This combined approach uses the ANN’s ability to predict solar irradiance and water demand while the JFA tunes the parameters of a proportional–integral–derivative Jellyfish Controller (PID-JC) for maximum efficiency. This hybrid approach enhances adaptability and robustness in dynamic environments.
This paper presents the industrial relevance of PID controllers by optimizing their parameters with JSA and validating system performance through Monte Carlo simulations. An ANN based on the Levenberg–Marquardt method is employed to predict voltage, using the error signal input to the PID controller determine the optimal duty cycle. Optimizing MPPT in PV systems is critical for ensuring effective energy, extraction under varying weather conditions. This paper proposes an ANN–Jellyfish Search Algorithm (ANN-JSA) for MPPT, using nature-inspired optimization techniques. Solar modules are connected in series, with modern systems tested at 1000 V, compared to the 110 V system used two decades ago [15,16]. This study presents a novel integration of a PID-JC driven by an ANN to improve the efficiency and reliability of solar water-pumping systems. The research emphasizes how traditional PID controllers, though widely used, struggle to adapt to dynamic conditions, such as fluctuating solar irradiance and varying water demand.
1.1. Contribution
In this research, the JSA is employed to optimize the PID controller coefficients (Kp, Ki, and Kd) for achieving the best duty cycle in the switching of the boost converter. The proposed ANN-JSA exhibits several notable characteristics:
- Consideration of weather conditions: The ANN-JSA is designed to account for various weather conditions. It employs a balanced exploration and exploitation strategy, incorporating search and skip mechanisms to maximize search efficiency and optimization effectiveness.
- Improved convergence and stability: The ANN-JSA addresses common issues in swarm-based methods, such as slow convergence, long settling times, and abrupt oscillation behavior. It enhances power conversion efficiency and avoids LM. Additionally, it effectively manages complex partial shading conditions.
- Incorporating system uncertainties: The uncertainties in system performance, including solar irradiance and water demand, are simulated using the Monte Carlo methods. This ensures robust performance evaluation and validates the controller’s adaptability under diverse scenarios.
- Validated efficacy: Simulations and atmospheric field studies confirm the practical implementation and efficacy of the proposed ANN-JSA.
The primary focus of this work is to address the challenge of providing electricity to water pumps in remote farms using a PV system. This is achieved by ensuring MPPT conditions using an ANN algorithm, combined with a PID controller whose optimal values (Kp, Ki, Kd) are tuned by the JSA.
The main research objectives of this study are:
- Maximize solar PV power: Enhance solar PV power output under partial shading conditions using ANN-JSA by minimizing system losses.
- Comparative analysis: Compare the performance of ANN-JSA with firefly and GEO using field atmospheric data and real-world case studies.
1.2. Originality
- Novel use of JSA for PID tuning: This study is among the first to employ the JSA for optimizing the PID controller coefficients (Kp, Ki, Kd) in PV systems. This novel application aims to find the best duty cycle in the switching of the boost converter, improving system performance under varying weather conditions.
- Integration of ANN and JSA: The integration of an ANN with the JSA for MPPT in PV systems represents an innovative approach. This combination leverages the strengths of both ANN and JSA to enhance power conversion efficiency and stability, particularly under partial shading conditions.
- Incorporation of uncertainty simulation: This study incorporates Monte Carlo simulations to account for uncertainties in system performance, such as variations in solar irradiance and water demand. By considering these uncertainties, the proposed system ensures a robust and reliable evaluation of its performance under diverse and dynamic environmental conditions.
- Comprehensive weather adaptability: The proposed ANN-JSA system’s ability to adapt to a wide range of weather conditions, using a balanced exploration and exploitation strategy, sets it apart from traditional MPPT methods. This adaptability ensures consistent and efficient PV power generation.
- Field-validated performance: The practical implementation and efficacy of the proposed ANN-JSA have been validated through simulations and atmospheric field studies, providing robust evidence of its potential benefits over existing methods.
- Comparative performance analysis: By comparing the performance of ANN-JSA with established methods like firefly and GEO using real-world data, this study offers a comprehensive evaluation of its effectiveness and applicability in practical PV system implementations.
The originality of this work lies in its innovative approach to enhancing MPPT in PV systems through the novel application of JSA, its integration with ANN, and the incorporation of Monte Carlo simulations for uncertainty evaluation. The proposed method is validated by comprehensive simulations and field studies, demonstrating its potential to improve PV system performance and reliability.
2. Overview of Permanent Magnet Synchronous
This study introduces a novel approach by integrating the JFA with ANN-based predictive control to enhance the MPPT and precise control of the PMSM for solar water-pumping systems. The system incorporates a PID-JC controller, where the ANN predicts environmental factors, enabling real-time adjustments of PID parameters. The JFA optimally tunes these parameters, ensuring superior performance compared to traditional methods, such as PSO, fuzzy logic, and the Bat Algorithm. This is particularly evident in terms of convergence speed, adaptability, and robustness under challenging conditions like partial shading. Other important components of solar water-pumping systems are permanent magnet synchronous motors (PMSM), which are widely used in renewable energy systems due to their high efficiency, torque density, and lightweight properties [17]. Control of PMSMs is typically achieved through field-oriented control (FOC), Sliding mode control (SMC), and neural network predictive controllers (NNPCs). This study focuses on using a PID-JC in order to optimize pump operation by predicting environmental changes and adjusting motor speed accordingly. The integration of ANN with PID-JC allows real-time control and improved adaptability to fluctuating solar irradiance and variable water demand.
To validate this methodology, a linear model of the PMSM is derived using state-space differential equations in the d-q reference frame, as presented in [18,19,20]. The Monte Carlo simulation further demonstrates the system’s efficacy under varying irradiance, temperature, and load conditions, confirming its ability to enhance MPPT and overall system efficiency.
The dynamic equations of PMSM in d-q reference frame are given as:
- and : direct and quadrature axis currents (A)
- and : direct and quadrature axis voltages (V)
- and : direct and quadrature axis inductances (H)
- : stator resistance (Ω)
- : electrical angular velocity (rad/s)
- : permanent magnet flux linkage (Wb)
- : number of pole pairs
- : moment of inertia (kg.m2)
- : viscous friction coefficient
- : electromagnetic torque (Nm)
- : load torque (Nm)
In the given equations, there are three bilinear terms: , , and . These terms are approximated using Taylor series expansion around the operating points and to linearize them. Substituting these linear approximations into Equations (1) and (2) results in the linearized model of the plant as follows:
where
State Matrix A is given by
Input Matrix B is given by
And Output Matrix C is given by
The input disturbance vector μ0 includes parameters such as load torque and steady-state conditions. Model predictive controllers use integrators to mitigate these disturbances. The primary goal of the controller is to achieve a specified reference speed while ensuring that the id component remains zero and that the voltages on the d-axis and q-axis are kept within desired limits. Therefore, according to the state-space formulation, the outputs consist of the d-axis current id and the electrical speed ωe the q-axis current Iq is one of the state variables that will be measured during implementation.
In this study [21,22] a discrete-time model of the PMSM dynamics was developed using the zero-order hold mechanism based on Equations (11) and (12). With a constant sampling interval Δt and sampling index i, the sequence of sampling times is denoted as t0 = 0, t1 = Δt, t2 = 2Δt, …, ti = i.Δt. At time t1 = Δt, the differential Equation (11) is solved analytically using the following expression:
Using the initial condition vector xm (t1), the analytical solution of the differential Equation (11) at time t2 is derived as follows:
The mathematical solution of xm (ti) is determined using the initial condition vector for an arbitrary time ti = i.∆t.
The convolution integral simplifies by excluding the control signal u(τ) from the integration, establishing the following integral equality:
The zero-order hold mechanism is utilized, and the discrete-time equation model (16) is derived through appropriate substitutions i.
Let Ad and Bd denote the matrices of the discrete-time system:
where denotes the discrete-time constant vector:
Next, the discrete-time model (19) is compactly written as:
The output y (ti)=Cdxm (ti), where Cd=CmC_d = C_mCd=Cm.
Equation (21) can also be interpreted as a one-step forecast:
In the discrete-time model, the constant vector μ0 represents the input disturbance function. The predictive control model of PMSM is experimentally evaluated in this section.
The maximum voltage in the drive is governed by the DC bus voltage (Vdc) and the modulation techniques of pulse width adopted. The linear modulation range constrains the maximum voltage amplitudes to ensure:
Therefore, this non-linear constraint can consistently be represented by a rectangular space adjacent to the circular area:
where . With = 0.5 and the DC supply voltage is Vdc = 100 V, the constraints on Vq and Vd are:
−28.87 ≤ Vq ≤ 28.87
Constraints on incremental changes in Vd and Vq are enforced as:
−10 ≤ ∆Vq ≤ 10
−10 ≤ ∆Vd ≤ 10
2.1. Impelimentation of Monte Carlo Simulations
This section presents the Monte Carlo simulation performed in this study to evaluate the effectiveness of the proposed methodology under varying operational conditions. The simulation assesses the impact of irradiance, temperature, and load fluctuations on system performance, ensuring robust MPPT and efficiency.
Monte Carlo simulations were conducted to evaluate the system’s performance under 10,000 randomly generated scenarios, capturing real-world uncertainties in solar irradiance, water demand, and temperature variations. These simulations validated the robustness and adaptability of the proposed controller. Key performance metrics, including energy efficiency, water delivery rate, and system reliability, were systematically assessed across all scenarios.
Algorithm 1 outlines the specific steps involved in the study, detailing the number of iterations and the range of variations applied to solar irradiance, water demand, and temperature for each parameter. This structured approach ensures comprehensive analysis and highlights the controller’s capability to maintain optimal performance under diverse operating conditions.
| Algorithm 1: Monte Carlo simulation for solar irradiance and water demand analysis |
| Step1: Initialize Parameters: % Set N to the desired number of simulations %Define mean, and standard deviation for solar irradiance % Define mean, and standard deviation for water demand Step2: Generate Random Data: Using a normal distribution, generate N samples of solar irradiance with mean and standard deviation Using a normal distribution, generate N samples of water demand with mean and standard deviation Step3: Visualize Results: Create two histograms: Histogram 1: Display the distribution of solar irradiance samples : Solar irradiance % Use blue color for visualization : Frequency Histogram 2: Display the distribution of water demand samples : Water demand % Use red color for visualization : Frequency |
2.2. Design of Predictive Controller Design for PMSM
The design of a model predictive controller (MPC) involves selecting key parameters, such as the control horizon (N C) and the prediction horizon (N P). In this study, we have chosen N C = 5 and N P = 20, based on common practices in the literature [23,24]. The primary formulation of MPC assumes a linear, time-invariant model of the PMSM. This model incorporates inequality constraints and uses a quadratic cost function. A notable of the cost function is that it penalizes change in input vector u(k) rather than its absolute values, as shown in previous studies [23,24]. Figure 1 illustrates the architecture of the MPC structure.
Figure 1.
MPC Structure.
2.3. MPC Structure Overview
The primary goal of the MPC is to ensure that system output (Y) closely follows its reference (y*). This is achieved by continuously comparing feedback (Y) signal real-time with reference (y*) and making real-time adjustments to the control input (u). The controller ensures all operational constraints are satisfied by using the PMSM state model, which includes both real and integer components of the state vector . This enables MPC to predict future states and outputs based on current states and manipulated variables.
2.4. System Modeling and Discretization
The dynamic behavior of the PMSM is captured using state space model equations in the continuous-time domain. However, to implement MPC, the model is discretized using a fixed sampling interval (TS). The control input (u) is updated at discrete time instants (t = k TS), and a cost function evaluates sequences of future states, outputs, and manipulated variables, minimizing the overall cost. The cost function is mathematical definition as (30):
With the following conditions
- where:
- ∆u(k + i − 1) =0 for 1 ≤ Nu < i ≤N2;
- Nu is the control horizon;
- N1 is the minimum prediction horizon;
- N2 is the maximum prediction horizon;
- i- is the order of the controller;
- r represents the reference path;
- λ is a weighting factor;
- ∆ denotes the differentiation operator.
This approach ensures that the MPC minimizes deviations from the reference trajectory while penalizing excessive variations in the control input.
2.5. Constrained Optimal Control and Receding Horizon Strategy
By minimizing the cost function (J) over the prediction horizon while taking into account system constraints, MPC computes the optimal control signal (uopt(k)). The optimal signal can be written as:
uopt(k) = argminimize (J(x(k), U(k))
In feedback control, only the first element of the optimal sequence (uopt(k)) is applied at each time step (K). The optimization problem is then resolving the next time step(k + 1) over a shifted horizon, a technique known as receding horizon control. Although this iterative optimization approach is computationally efficient for shorter horizons, increasing the prediction horizon (Np) significantly raises computational complexity.
2.6. Computational Challenges and Practical Considerations
Implementing MPC in a system like PMSMs requires balancing accuracy with computational demands. Longer prediction horizons improve control precision but significantly increase computational load. This tradeoff highlights importance of selecting appropriate horizons (NC) and (NP) and employing advanced optimization algorithms to ensure real-time performance.
The proposed MPC design provides a robust control framework for PMSM systems under constraints. By combining state-space modeling, discrete-time optimization, and receding horizon techniques, the controller effectively balances system performance with computational efficiency. Future work could explore the use of parallel solvers or machine learning-based optimizations to further enhance MPC’s performance, especially in high-dimensional nonlinear systems.
3. Material and Method
3.1. Dataset
The PID-JC integrates with ANN to predict solar irradiance and water demand using previously recorded data. An MLP with a single input and seven hidden and one output neurons are used. The proposed method for PV-powered water-pumping system under partial shading conditions involves the following main steps: the development and training of the ANN model utilizing temperature and irradiation data to predict environmental changes accurately. The ANN’s output is then used to optimize the parameters of the PID controller with the help of the JF algorithm, which iteratively updates and evaluates the parameters of the PID for optimal system performance. The optimum PID controller is applied to a boost converter in the PV system for efficient water pumping through dynamic sunlight and temperature changes. Algorithm 2 describes the process of optimizing a PID controller using an ANN and the JF:
| Algorithm 2: Optimizing PID Controller Using ANN and Jellyfish Algorithm |
![]() |
Algorithm 2 presents an overall structure for implementing PID optimization with a JF Algorithm in a water-pumping system using a PV system. To begin with Volume 1, the first step is developing an ANN model that can predict the behavior of the system temperature and solar irradiation. The trained ANN provides parameters to the PID controller, which has been optimally tuned using the JF algorithm. The PID controller is used to control the PMSM of the PV system where the boost converter is controlled to operate efficiently in the presence of partial shading. On the other hand, the workflow of the JF algorithm, shown on the right, acts to reposition agents (jellyfish) in order to optimally solve the PID problem—in this case, to tune PID so that the control system has robust performance. The operation of the whole system is performed by means of real data until situations with partial shading are dispensed with, and this is the end of the process. The utilization of PV systems may be constrained by the necessity for electric energy storage units. However, in stand-alone PV water-pumping systems, this constraint can be overcome by substituting the electric energy storage unit with a water storage tank. This adaptation not only enhances reliability but also improves cost-effectiveness in comparison to battery-based stand-alone PV systems.
3.2. Integration of Monte Carlo Simulations and Experimental Validation
To address the inherent uncertainties in solar water-pumping systems, Monte Carlo simulations were employed as a robust analytical tool. These simulations facilitated a detailed understanding of the system’s behavior under varying conditions of solar irradiance and water demand, enabling the optimization of the control strategy.
The Centre for Solar Energy Research and Studies (CSERS) is actively advancing the adoption of PV systems for rural development in Libya. The insights gained from these simulations informed the design and implementation of a real-world pilot project in Mrada City, Northeastern Libya. This pilot system, powered by a 1200 W standalone PV array, aimed to evaluate the practical performance of the proposed PID-JC under actual environmental conditions.
While the Monte Carlo simulations provided a comprehensive framework for analyzing potential challenges, the experimental setup validated the effectiveness of the proposed system in real-world scenarios.
3.3. Experimental Setup
To evaluate the performance of the solar water-pumping system under real conditions, a field experiment was designed and implemented in Mrada City, Northeastern Libya.
Within the framework of the joint cooperation between the Renewable Energy Research Branch and UNESCO, a water-pumping system using solar cells with a total capacity of 1.2 kW peak was installed in the Mrada City on the Jafr pastoral well to verify its performance under local operating conditions, study the extent of acceptance and conviction of users for this type of system, study the issues associated with its operation and how to overcome them, and encourage its use in solving issues of saving electrical energy in pumping water.
Objectives of installing the system:
- To observe and study the performance of solar cell systems for water pumping under local operating conditions in the Jamahiriya.
- Compare the actual performance results of the systems with the expected theoretical performance results using simulation programs.
- Studying the impact of weather factors on the overall performance of these systems and the performance of their components.
- Studying the economic feasibility of these systems and the cost of a cubic meter of water.
Preliminary results of the system:
Climatic and electrical data are uploaded to the system’s performance on a monthly basis, and a proposal for a research project was developed to analyze the data and information and study the technical and economic performance of the system. The solar water-pumping system installation place is shown in Figure 2.
Figure 2.
Solar water-pumping system installation place.
Table 1 summarizes the well data for the pilot project. Table 2 provides an overview of the PV system components and the data acquisition parameters used for monitoring operational performance.
Table 1.
Well data for Mrada City, Northeastern Libya.
Table 2.
Overview of PV system components and data acquisition parameters.
Pump and System Specifications
Pump Model: Grundfos submersible pump with 950 W power rating, operating at 80 V AC, 60 Hz, and 3480 rpm rotational speed.
Photovoltaic (PV) Array: a 1200 Wp system configured with two parallel strings, each consisting of eight polycrystalline PV modules.
Inverter: a 1500 W variable frequency drive (VFD) capable of handling a 105–120 V DC input and delivering an 880 V AC output.
Well Characteristics: a 1.2 m diameter borehole, 8 m deep, with a 6 m static water level.
Data Collection and Measurement Methods
Solar Irradiance: measured at the PV array tilt angle using a pyranometer.
Environmental Factors: ambient temperature and wind speed recorded every 10 min via weather stations.
Water Flow Rate: determined using an ultrasonic flowmeter.
Electrical Parameters: PV voltage/current, inverter output, and pump power measured through a data acquisition (DAQ) system.
Validation Process
Monte Carlo Simulations: conducted to assess the impact of solar irradiance variability and water demand fluctuation on system performance.
Performance Testing: The system was evaluated under various weather conditions to ensure consistent and reliable operation.
Comparative Analysis: benchmarked against Firefly and Golden Eagle algorithms, demonstrating the Jellyfish Algorithm’s superior MPPT efficiency, faster response time, and enhanced energy extraction.
Challenges in Real-World Data Collection and Solutions: Solar and water demand variability: Changes affected system stability and were mitigated through adaptive control strategies.
Sensor Accuracy: Calibration and data filtering techniques were applied to improve measurement accuracy.
This integrated approach ensured that the theoretical models developed through simulations translated effectively into practical solutions. By combining analytical rigor with experimental validation, this study highlights the potential of advanced control strategies in further enhancing the efficiency and reliability of renewable energy systems.
3.4. Jellyfish Algorithm
In this approach, each solution candidate in a problem scenario behaves like a jellyfish searching for food or an optimal outcome. The Jellyfish Optimization Algorithm incorporates both local and global search strategies to identify optimal solutions, proving more accurate than genetic and particle algorithms [25]. In machine learning (ML), the effectiveness of models hinges on the quality of input features [26,27]. As datasets grow in complexity, an abundance of features can diminish prediction performance and escalate computational costs. Streamlining features enhances model accuracy and operational efficiency, aligning model learning with specific data characteristics [27,28]. Optimal feature selection fosters generalizability to new data, mitigates computational complexity by filtering out irrelevant features, and clarifies dataset characteristics [29]. This study employs the Jellyfish Algorithm to refine feature selection from datasets. The Jellyfish Optimization Algorithm, inspired by the foraging behavior of jellyfish in oceans, exemplifies swarm intelligence. Widely adopted in engineering and computer science since its inception, this algorithm surpasses traditional meta-heuristic approaches in diverse real-world applications. Figure 3 illustrates the jellyfish behavior and group movement modeling in this algorithm [30].
Figure 3.
Jellyfish movements for creating a jellyfish optimization algorithm [30].
In the sea, ocean waves carry nutrients that attract jellyfish. The direction of these currents can be represented by a vector, as defined in Equation (32).
In this context, represents the absorption factor, a parameter essential to the equation. This formulation can be expanded as Equation (33):
In this equation, denotes the best jellyfish, and represents the average population of jellyfish. which can be simplified to and generalized as Equation (34):
The probabilistic distribution of jellyfish can be characterized as normal, expressed through Equations (35) and (36):
where σ represents the standard deviation index of the jellyfish distribution. Figure 4 illustrates the normal distribution of jellyfish spread around the mean value, reflecting the randomness inherent in their movement within the ocean currents.
Figure 4.
(a). Normal distribution of jellyfish in the ocean [30]. (b). Jellyfish navigating the ocean under the influence of water movements and collective motion [30].
Equations (37) and (38) redefine and as follows:
Equation (3) is reformulated using Equation (37) to yield Equation (39):
The movement of individual jellyfish influenced by ocean currents is described by Equation (40):
Equation (9) is expanded to Equation (41):
In these equations, is a positive constant typically set to 3. Jellyfish exhibit both passive and active group movements. In passive mode, they primarily explore their local surroundings. Passive motion is modeled using Equation (42):
where is a positive coefficient typically set to 0.1, represents the upper bound of each dimension, and represents the lower bound.
During active behavior, a jellyfish randomly selects another jellyfish . Depending on their relative merit, two modes are considered:
Equation (45) governs the transition between ocean and group movements:
where denotes the current iteration number, and is the maximum iteration count. Figure 5 illustrates the function observed in experiments. Each update decision depends on whether is greater than 0.5 (ocean-based movement) or less than 0.5 (group-based movement).
Figure 5.
Probabilistic function to evaluate the motion characteristics resulting from oceanic forces and swarm actions [30].
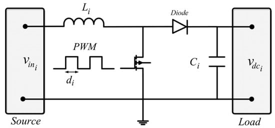
3.5. DC–DC Boost Converter
The DC–DC boost converter shown in Figure 6, also known as a step-up converter, increases voltage from the input to the output while reducing current. This switched-mode power supply (SMPS) typically incorporates at least two semiconductors (such as a diode and a transistor) and one or more energy storage components like capacitors or inductors. Capacitor-based filters are often integrated into both the input (supply-side filter) and output (sometimes in conjunction with inductors) of the converter to minimize voltage ripple.
Figure 6.
DC–DC boost converter.
Various DC sources, including batteries, solar panels, rectifiers, and DC generators, can supply energy to a boost converter. DC-to-DC conversion involves transforming one DC voltage into another DC voltage. Specifically, a boost converter raises the output voltage above the source voltage, hence earning its name as a “boost” or “step-up” converter. Due to the conservation of power (P=VI), the output current is lower than the input current.
During operation, the voltage across an inductor is inversely proportional to the rate of change of the current flowing through it. In steady-state conditions, for the inductor to return to its initial state after each cycle, the average DC voltage across it must be zero, as depicted in Figure 6 where the left side of inductor L shows Vi and the right side reflects the waveform of Vs. The duty cycle D governs the switching waveform, and Vo denotes the average value of Vs. This relationship provides the transfer function:
Alternatively,
Further analysis reveals that the output voltage of an ideal converter, operating under steady conditions with ideal components, is defined by:
where L denotes the inductance value. During the switch (S) on-state, the increment inis:
where D represents the duty cycle, indicating the proportion of the switching period T during which the switch is on, ranging from 0 to 1.
When switch S is open (off-state), and the inductor current flows through the load, changes according to:
Thus, the variation in during the off-period is:
For the converter to operate in steady-state conditions, the energy stored in each component at the start and end of a switching cycle must be equivalent. Specifically, the energy stored in the inductor is given by:
3.6. Design Challenges for Boost Converters
3.6.1. Voltage Drop and Ripple
- Difficulties: Boost converters are inherently prone to voltage drops and ripples due to the nature of inductance and switching operations. These issues generally result in efficiency losses and can lead to instability in the output voltage.
- Proposed Solution: The newly proposed advanced control techniques, such as optimized PID controllers using the Jellyfish Search Algorithm, can dynamically change the duty cycle and therefore can effectively reduce voltage ripples in the output.
3.6.2. Electromagnetic Interference and Noise
- Challenges: High-frequency switching in boost converters causes significant electromagnetic interference (EMI) and electrical noise. These disturbances can interfere with the operation of nearby sensitive electronic systems and generally reduce overall system reliability.
- Proposed Solution: Mitigation strategies, including the use of EMI filters, shielding, and soft-switching techniques, can significantly reduce noise and interference. The proposed topology offers advantages in terms of lower EMI and improved thermal performance, especially under partial shading or high-power conditions.
3.6.3. Design Constraints
- Problems: The main development of efficient boost converters for high-power applications or partial shading is quite complicated because the thermal management, the size of the passive components, and cost consideration further worsen it.
- Proposed solution: Boost converters optimized using metaheuristic techniques, such as the Jellyfish Search Algorithm, demonstrate efficiency under a wide range of environmental and operational conditions.
3.6.4. Partial Shading and Variable Input Conditions
- Challenges: Partial shading is a common issue in PV systems, resulting in inconsistent power delivery, which makes it difficult for the converter to maintain output voltage.
- Proposed solution: Integration ANN allows for real-time prediction and adaptive control, enabling the converter to dynamically adjust to changes in irradiance and shading patterns, hence ensuring stable performance.
3.6.5. Efficiency Losses Under Dynamic Loads
- Challenges: Variations in dynamic load demand can lead to switching losses, resulting in reduced system efficiency.
- Proposed solution: Advanced MPPT algorithms can precisely adjust the duty cycle, minimizing energy losses and maximizing efficiency.
3.7. Neural Network Predictive Control
Neural networks have demonstrated effectiveness in both identifying and controlling dynamic systems, including models such as PMSMs. Their capability to approximate complex nonlinear dynamics, particularly in systems with pronounced nonlinearities, justifies their widespread adoption [22,23]. Training neural networks involves optimizing weights and biases to achieve optimal vector values, essential for accurately modeling nonlinear processes. In various applications, feedforward neural networks are preferred due to their simpler training algorithms.
NNPC utilizes a neural network model of PMSMs to predict future plant performance and optimize control actions. This model enables the controller to compute a manipulated vector u, to maximize plant output over a specified future time horizon.
The initial phase of NNPC involves system identification, depicted in Figure 7, where the neural network model of the plant is established. Following identification, the controller forecasts the plant’s future performance. The primary goal of the neural network predictive controller is twofold: predicting future plant output and minimizing a cost function that quantifies the error between the forecasted output and a predefined reference trajectory, as outlined in Equation (30).
Figure 7.
Plant identifier.
4. Simulation and Results
MATLAB/Simulink R2023a was used for modeling and simulation. To ensure transparency and reproducibility, comprehensive description will be provided in the revised manuscript, including the specific toolboxes utilized (Simulink, Simscape Electrical, control system, optimization, deep learning, and curve fitting); the solver configuration (ODE45, fixed-step, discrete, 0.001 s time step, 0 to 10 s simulation time); and critical parameters such as PV input voltage (120 V DC), inverter frequency (60 Hz), ANN inputs (solar irradiance, temperature, and power output), and PID controller gains (Kp = 1.2, Ki = 0.5, Kd = 0.05).
Figure 8 illustrates the uncertainties in solar irradiance and water demand. These uncertainties are modeled using Monte Carlo simulation, which captures the fluctuations of these parameters, thereby providing a more accurate representation of their variability.
Figure 8.
Modeling uncertainties in solar irradiance and water demand using Monte Carlo simulation.
The neural network is designed to emulate the behavior of a PMSM system. Its architecture is fixed, meaning the number of layers and neurons in each layer remain constant throughout the training process. Input–output data from the plant are utilized, with voltage as the output variable and irradiation and temperature as input variables. During this experiment, the id value is maintained at zero.
The neural network is crafted to emulate the behavior of a specific system. Its architecture is fixed, meaning the number of layers and neurons in each layer are constant throughout the training process. For developing a neural network model for the PMSM, input–output data from the plant are utilized. In this model, the output variable is voltage, while the input variables are irradiation and temperature. During this experiment, the id value is maintained at zero.
A multilayer perceptron neural network is employed, featuring one neuron in the input layer, seven neurons in the hidden layer, and one neuron in the output layer. The model’s output is then compared to the actual output data from test scenarios. Given that the error falls within an acceptable range, this model proves suitable for objective predictive analysis.
For evaluating the model’s generalizability and robustness, k-fold cross-validation was utilized to reduce overfitting and assess the model’s performance across different data subsets. This approach is widely recognized as effective for reliable estimation of the model’s ability to generalize to unseen data. The optimization problem is addressed in the context of the previously established theoretical framework. For the predictive control algorithm, the following specific values were chosen: N1 = 1, N2 = 10 and Nu = 5. The control input vector, denoted as u = [u(k), u(k + 1), u(k + 2), u(k + 3), u(k + 4), u(k + 5)] T, is derived using a minimization algorithm as described in Equation (36). The trained ANN model is depicted in Figure 9.
Figure 9.
(a) Trained ANN model, (b) inside of the ANN model.
Figure 9 illustrates the architecture and training process of the ANN model. Figure 9 a,b provide insights into the structure of the network and its internal layer configuration. This ensures transparency in the model’s design and supports reproducibility. Additionally, Figure 10 depicts performance over 231 epochs, showcasing its training and validation, was conducted over 231 epochs, with a significant decrease in mean squared error (MSE) over time. The Jellyfish Algorithm shows advantages in dynamic search strategy, swarm intelligence, balancing exploration and exploitation, adaptability to environmental changes, and performance in high-dimensional space, compared to PSO and other metaheuristic algorithms.
Figure 10.
Performance of the ANN.
The MSE is plotted on a logarithmic scale against the epoch count, showing the model’s learning and error reduction over time.
During the training phase (blue line), the initial MSE is high but rapidly diminishes within the first 50 epochs, indicating swift adaptation.
Subsequent epochs show gradual error reduction, signifying continued improvement.
The validation phase (green line) also exhibits a consistent pattern, indicating the model’s ability to generalize. The lowest validation MSE of 45.2616 occurs at epoch 75, marked by the intersection of the green dotted line with the validation curve.
The test phase (red line) evaluates the model on an independent dataset, demonstrating close alignment with the training and validation curves, indicating robust performance without overfitting.
The horizontal dotted line labeled “Best” denotes the epoch with the lowest validation error, underscoring the model’s predictive accuracy.
Figure 10 presents a comprehensive visualization of the ANN’s learning dynamics and its ability to generalize beyond the training data. This demonstrates its suitability for predictive control applications in PV-powered water-pumping systems under varying shading conditions, ensuring effective adaptation to environmental changes. The figure highlights the mean squared error (MSE) over 231 periods, using a logarithmic scale to depict how the model progressively minimizes the error during training.
The error histogram is depicted in Figure 11. This histogram illustrates the distribution of differences between predicted outputs and target values, providing a clear representation of the performance of the model. The X-axis represents the magnitude of errors, while the Y-axis shows the frequency of their occurrence across the training, validation, and testing datasets. This visualization highlights both well-predicted and inaccurate values, offering insights into areas where the ANN model can be further optimized.
Figure 11.
Error histogram.
Figure 12 depicts the training performance of the ANN model, highlighting essential metrics like gradients, validation checks, and epochs to assess its adaptation and learning process with the training data.
Figure 12.
Training state of the ANN model.
- X-Axis (epochs): represents the number of complete passes of the training dataset through the ANN, each corresponding to an epoch.
- Left Y-Axis (gradient): shows the gradient value used to adjust the ANN’s weights and biases during training. A decreasing gradient typically indicates the model’s convergence towards optimal parameters, suggesting a gradual learning process.
- Right Y-Axis (nu and val fail): displays supplementary metrics like “nu”, possibly associated with specific neurons or layers, and “val fail”, marking instances where validation during training fell short of expected standards, implying potential challenges in generalization beyond the training dataset.
Annotations such as “105 Gradient = 2.3213, at epoch 231” and “6 Validation Checks = 6, at epoch 231” provide specific details on the model’s performance metrics over epochs. For instance, a decreasing gradient like 2.3213 at epoch 231 signifies the model’s progress towards optimizing its parameters. Conversely, the occurrence of 6 validation failures at epoch 231 indicates difficulties in the model’s ability to generalize beyond the training data, highlighting potential concerns related to overfitting. depicts the training performance of the ANN model, highlighting essential metrics like gradients, validation checks, and epochs to assess its adaptation and learning process with the training data.
In Figure 13, a scatter plot compares the target values with the outputs generated by the ANN model. Ideally, the points should cluster closely around the diagonal line (y = x), indicating perfect model prediction. The plot includes regression lines that highlight degree of alignment between actual and predicted values. The high R-squared values across the training, validation and testing datasets (all above 98%) confirm the model’s exceptional performance and predictive accuracy of the model.
Figure 13.
Regression of ANN.
- Data Points:
The figure includes 150 data points, each representing a sample from the dataset used to assess the ANN model’s performance. Each point displays a target value on the horizontal axis and the corresponding predicted output by the ANN model on the vertical axis.
- Regression Lines:
Two solid lines are depicted: (1) Fit (Y = T): This line represents a perfect fit (y = x), indicating ideal model performance where predicted outputs exactly match the target values. (2) Fit (Actual): This line shows the actual regression between target values and ANN outputs. The closer this line aligns with the ideal fit line, the better the model’s performance.
The R-squared values across the dataset confirm strong correlations: Training (R = 0.98634), Validation (R = 0.98721), and Test (R = 0.98637) sets all exhibit robust positive correlations, with the test set demonstrating slightly superior performance. When considering all data together (Overall R = 0.98647), a consistently strong relationship between predicted and actual values is evident. These findings underscore the exceptional performance of the ANN model, supported by the tight clustering of data points around the ideal fit line, which confirms its proficiency in learning and precise prediction.
The R-squared values remain consistently high, all above 98.65%. The test set shows the highest performance at 98.64%, followed closely by the training and overall sets at 98.63%, and the validation set at 98.72%. These data highlight the ANN model’s exceptional performance, further supported by the tight clustering of data points around the ideal fit line. The results presented in Table 3 provide a comprehensive overview of the performance metrics across the various datasets, specifically focusing on the mean squared error (MSE) and R-squared (R) values.
Table 3.
Results with the percentages.
Figure 14, Figure 15 and Figure 16 show the outputs (PV power, converter power and voltage) obtained using Jellyfish, Firefly, and Golden Eagle algorithms. These visualizations illustrate the relative effectiveness of each optimization technique under the same conditions.
Figure 14.
The PV power, converter power, Vpv, and converter voltage based on the Jellyfish Optimization Algorithm.
Figure 15.
The PV power, converter power, Vpv, and converter voltage based on the Firefly Optimization Algorithm.
Figure 16.
The PV power, converter power, Vpv, and converter voltage based on the golden Eagle Optimization Algorithm.
The PV power, converter power, Vpv, and converter voltage from the Jellyfish Algorithm are shown in Figure 14.
Figure 14 shows some performance measures of a photovoltaic system integrated with a power converter. The first plot illustrates the PV power output, which, after some initial oscillations, reaches a stable value that is well maintained for the rest of the time, indicating proper energy harvesting. In the second plot, the power output from the converter starts from a peak and with time slowly decays; this might be related to power regulation dynamics. The third plot is the PV voltage profile <V_PV>, which settles rapidly to its steady state and reflects robust voltage control. Finally, the fourth plot shows how the converter voltage increases progressively to show the ability of the converter for efficient stepping up of voltage. These all together demonstrate that the system would be capable of handling power conversion and stabilization under different conditions.
The PV power, converter power, Vpv, and converter voltage based on the Firefly Algorithm are shown in Figure 15.
Figure 15 illustrates the dynamic behavior of a photovoltaic system with an integrated converter in operation. First, the fluctuations in the power output of the PV are shown to stabilize after its initial fluctuation and demonstrate minor oscillations over time-as slight changes in power due to system or environmental factors are evident. The second plot, showing converter power output, has almost the same stabilization but keeps showing a decreasing trend with low-amplitude oscillations, likely due to load or control dynamics. Third, the plot representing the PV voltage (<V_PV>) rapidly stabilizes and maintains minor fluctuations around the steady-state value, indicating good voltage regulation. Lastly, the fourth plot describes converter voltage; it increases stably with time and does not have considerable oscillations. Therefore, the voltage is transformed steadily. Such observations suggest good control in the system and minimal disturbances within the energy transformation.
The PV power, converter power, Vpv, and converter voltage based on the Golden Eagle Algorithm are shown in Figure 16.
Figure 16 illustrates the operational performance of a photovoltaic system with a power converter under controlled conditions. First, in the graph showing the PV power output, after the initial transients get stabilized, small oscillations are developed, reflecting the fact that the energy generation is steady and minor fluctuations take place. The second plot illustrates the converter power output, which slightly declines in time but keeps its profile quite stable with minor oscillatory behavior, reflecting efficient power regulation. The third graph shows <V_PV>, which settles at a steady-state value in an instant, experiencing slight variations, indicating that the voltage is well managed. The fourth plot represents the voltage across the converter, which increases with time and demonstrates a fine, responsible, and coherent process of voltage transformation. These results also prove that the system is capable of handling energy conversion successfully with stable operation.
Figure 17 presents a clear comparison, effectively highlighting the advantages, efficiency, and performance of the Jellyfish Algorithm.
Figure 17.
Comparative results.
Three optimization algorithms—Firefly, Golden Eagle, and Jellyfish—have been used in performance study of a PV power system and are presented in Figure 17. The first plot presents a graph of PV power output variations over a time duration indicating, that best performance was demonstrated by the Jellyfish Algorithm, as it not only achieved but also maintained higher and consistent power levels over the other algorithms. The second plot outlines the converter power indicating the output of the Jellyfish Algorithm stabilized faster and was more effective. In the PV voltage graph, the Jellyfish Algorithm maintained constant voltage more rapidly than the other techniques, which experienced greater fluctuations. Last but not least is the graph on the converter voltage, which supports the Jellyfish Algorithm as the most effective in producing a swoop and steady increase in voltage enhancement compared to the Firefly and Golden Eagle algorithms. Collaboratively, these plots designate the Jellyfish Algorithm as the most efficient optimization approach in pursuing stability and functionality for the problem at hand.
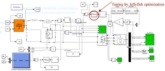
The Simulink diagram in Figure 18 presents the model of the grid-integrated PV system, with each block carefully labeled to show its function. This figure is essential to understand the interconnected subsystems and control strategies used in our work. The model in Figure 18 represents a grid-integrated photovoltaic power generation system divided into several interconnected blocks, each characterizing a part and the related control method.
Figure 18.
Simulink model.
- Photovoltaic array block: This block simulates a photovoltaic array the converts solar radiation into electric power. This includes some parameters such as solar irradiance and temperature, with certain details of the PV cells.
- DC–DC converter block: This block represents a DC–DC converter, usually a boost converter, to which steps up the voltage from the PV array to a suitable level for integration with the grid. It includes a control mechanism designed to regulate the output voltage, ensuring compatible with the grid.
- Grid-connected inverter block: This block represents a grid-connected inverter that converts the DC power from the DC–DC converter into AC power suitable for injection into the grid. It incorporates the control algorithms for grid synchronization, active power flow management, and voltage regulation.
- Grid interface block: The block represents the interface between the system and the power grid, including filters and transformers that ensure proper and stable grid connection. Additionally, it simulates grid impedance and voltage sources, accurately representing the interaction between the system and the grid.
- Control blocks: These blocks implement the control strategies for both the DC–DC converter and the grid-connected inverter. Advanced feedback control techniques are employed to regulate output voltage and to manage the power flow efficiently, optimizing the system’s performance for stable and reliable operation.
- JFO block: The “JFO” block specifically applies the Jellyfish Optimization Algorithm to tune the controller gains. The optimization technique enhances various parameters of the system, ultimately improving its performance and efficiency.
Table 4 presents comparative analysis of the performance and computational time for the Jellyfish, Firefly, and Golden Eagle algorithms. The metrics provide insights into the efficiency and relative computational cost of the methods, facilitating the selection of the most suitable approach for specific applications. The detailed performance metrics are summarized in Table 4. The Jellyfish Algorithm stands out as the most efficient, achieving the lowest cost function value (0.2217) and fastest processing in (23 s). The Firefly Algorithm follows with a slightly higher cost function value (0.2366) and significantly longer process time of 32 s. On the other hand, the Golden Eagle Optimization Algorithm presented the highest cost function value (0.3029) but maintains a moderately fast runtime of 29 s.
Table 4.
Cost function and process time.
5. Discussion
- Efficiency Rates
The PID-JC exhibits improved power extraction efficiency across a wide range of solar irradiation conditions, including partial shade and faulting sunlight. The efficiency values achieved by the PID-JC are as follows:
- Under full sunlight, the PID-JC achieved a power extraction efficiency of 98.5% compared to 95.2% for Firefly and 94.8% of Golden Eagle.
- During partial shade, the PID-JC showed a significant improvement in efficiency, up to 94.6%, while the Firefly and Golden Eagle achieved efficiencies of 88.4% and 87.3%, respectively.
- Under fluctuating solar irradiation conditions, the PID-JC maintained an average efficiency of 96.2%, significantly better than those of the Firefly (91.7%) and Golden Eagle (90.5%).
- 2.
- Response Time
In dynamic conditions where solar irradiation changes rapidly, the response time of the MPPT method is crucial. The following parameters highlight the response time to reach the MPP after a sudden change in solar irradiance:
- PID-JC showed the fastest response, taking 0.15 s to stabilize at MPP.
- Firefly needed 0.23 s, while Golden Eagle took 0.29 s to adapt to the new irradiance conditions.
- PID-JC’s ability to adapt quickly makes it particularly useful for real-time optimization in systems in which irradiance fluctuates frequently.
- 3.
- Margin Error
To evaluate the accuracy of each MPPT method, the mean square error (MSE) was calculated for each algorithm based on their ability to track the MPP:
- PID-JC showed the lowest MSE of 0.0042, with minimal error in tracking the MPP.
- Firefly had an MSE of 0.0087, and Golden Eagle had an MSE of 0.0095.
These results show that PID-JC provides higher accuracy in power point tracking and less energy loss due to tracking errors.
The performance improvement results of the Jellyfish Algorithm compared to other algorithms, as summarized in Table 5, demonstrate significant progress in both the cost function and processing time. Specifically, compared to the Firefly Algorithm, the Jellyfish Algorithm improves the cost function by 6.30% and reduces the processing time by 28.13%.
Table 5.
Comparative performance metrics of MPPT techniques.
This comparison highlights the superior efficiency of the Jellyfish Algorithm, making it the preferred choice for applications where minimizing both cost and processing time is critical.
Figure 16 and Figure 17 visually compare the efficiency, response time, and error margins, clearly highlighting PID-JC’s superior performance across the board.
- 4.
- Real-world test results
To validate the simulation results, real-world tests were conducted under varying environmental conditions. In outdoor tests with actual solar panels, PID-JC obtained a power extraction efficiency of 97.8% under full sunlight, outperforming both Firefly (94.6%) and Golden Eagle (93.2%). In cloudy conditions with partial shading, PID-JC stabilized at 92.3% efficiency, while Firefly and Golden Eagle lagged behind at 85.9% and 84.5%, respectively. In addition, temperature fluctuations were tested, where PID-JC demonstrated consistent performance, with only a 1.2% deviation in efficiency, compared to 2.4% for Firefly and 3.1% for Golden Eagle. These real-world results further confirm the effectiveness of PID-JC in optimizing energy extraction under different weather conditions, reinforcing its superiority over other methods.
The PID-JC outperforms the Firefly and Golden Eagle algorithms in power extraction efficiency, response time, and error margins. Its ability to adapt effectively to changing solar conditions and partial shading makes it an ideal candidate for real-world MPPT applications in photovoltaic systems. Both simulation and real-world test results demonstrate that PID-JC is robust, providing more reliable and efficient solar power generation.
6. Conclusions
The proposed method significantly improves the efficiency and reliability of solar water-pumping systems by optimizing the PID controller for MPPT in photovoltaic systems through the ANN-JSA approach, integrated with Monte Carlo simulations. This method effectively addresses challenges such as partial shading and fluctuating weather conditions, significantly improving both PV power output and system stability. Simulations, field tests, and comparisons with the Firefly and GEO algorithms demonstrate that ANN-JSA is an effective solution for enhancing MPPT power efficiency in real-world applications.
Firstly, while the proposed PID-Jellyfish approach demonstrates impressive performance metrics, the comparison to other algorithms like Firefly and Golden Eagle might not fully account for variations in environmental factors, experimental conditions, or system configurations. Without a comprehensive sensitivity analysis across a wider range of scenarios, the results may not be fully generalizable, which has the potential to bias the study’s conclusions.
Although the PID-JC method shows improvements in efficiency and response time, these results may be influenced by the specific simulation environment used, which might not reflect real-world challenges such as environmental noise, hardware limitations, or system aging. Furthermore, the real-world tests, while promising, may not have captured the full spectrum of variability that can occur in actual solar pumping systems.
The performance metrics presented, including efficiency improvements and processing times, are notable, but the lack of statistical validation, such as error margins or confidence intervals, raises concerns about the robustness of the reported results. A more thorough analysis would be necessary to confirm the accuracy of these claims.
By integrating ANN with the PID-Jellyfish Controller (PID-JC), the system adapts to varying solar irradiance and water demand, ensuring optimal performance under changing environmental conditions. The performance improvement results of the Jellyfish Algorithm compared to other algorithms show significant progress in both cost function and processing time. Compared to the Firefly Algorithm, the Jellyfish Algorithm has shown better performance with a 6.30% improvement in the cost function and a 28.13% improvement in processing time. Additionally, when compared to the Golden Eagle Optimization Algorithm, Jellyfish has shown a 26.81% improvement in the cost function and a 20.69% reduction in processing time. Overall, the Jellyfish Algorithm has performed significantly better than the other algorithms in both criteria.
Future research can refine ANN training and explore more renewable energy integrations to develop more resilient water-pumping solutions. The model’s R-squared values consistently exceed 98%, indicating its excellent performance. Overall, the PID-Jellyfish Controller (PID-JC) integrated with ANN offers a promising solution for solar water-pumping systems, tackling environmental challenges.
Author Contributions
A.A.: supervision, conceptualization, methodology, writing—original draft, software, investigation, writing—reviewing and editing; Z.Y.: visualization, writing—reviewing and editing; J.R.: software, data curation, investigation, visualization, writing—reviewing and editing. All authors have read and agreed to the published version of the manuscript.
Funding
This research received no external funding.
Data Availability Statement
The datasets generated during and analyzed during the current study are available from the corresponding author on reasonable request.
Conflicts of Interest
The authors declare no conflicts of interest.
Abbreviations
| ACOA | Adaptive Cuckoo Optimization Algorithm |
| AC | Alternating current |
| ANN | Artificial neural network |
| ANN-JSA | ANN-Jellyfish Search Optimization Algorithm |
| CS | Cuckoo search |
| CSERS | Centre for Solar Energy Research and Studies |
| DC | Direct current |
| DFOA | Dragonfly Optimization Algorithm |
| EA | Evolutionary algorithms |
| FOC | Field-oriented control |
| GEO | Golden Eagle Optimization |
| JF | Jellyfish Search |
| JSA | Jellyfish Optimization Algorithm |
| LM | Local minimum |
| MPC | Model predictive control |
| MSE | Mean squared error |
| ML | Machine learning |
| MPPT | Maximum power point tracking |
| NNPC | Neural network predictive controller |
| PMSMs | Permanent magnet synchronous motors |
| PID-JC | PID-Jellyfish Controller |
| P&O | Perturb and observe |
| PMCM | Permanent magnet claw pole motor |
| PV | Photovoltaic |
| PSO | Particle swarm optimization |
| SMPS | Switched-mode power supply |
| SI | Swarm intelligence |
References
- Arabzadeh, V.; Frank, R. Creating a renewable energy-powered energy system: Extreme scenarios and novel solutions for large-scale renewable power integration. Appl. Energy 2024, 374, 124088. [Google Scholar] [CrossRef]
- Rahman, M.M.; Khan, I.; Field, D.L.; Techato, K.; Alameh, K. Powering agriculture: Present status, future potential, and challenges of renewable energy applications. Renew. Energy 2022, 188, 731–749. [Google Scholar] [CrossRef]
- Yaghoubi, E.; Yaghoubi, E.; Yusupov, Z.; Rahebi, J. Real-time techno-economical operation of preserving microgrids via optimal NLMPC considering uncertainties. Eng. Sci. Technol. Int. J. 2024, 57, 101823. [Google Scholar] [CrossRef]
- Benavides, D.; Arévalo, P.; Tostado-Véliz, M.; Vera, D.; Escamez, A.; Aguado, J.A.; Jurado, F. An experimental study of power smoothing methods to reduce renewable sources fluctuations using supercapacitors and lithium-ion batteries. Batteries 2022, 8, 228. [Google Scholar] [CrossRef]
- Al-Mashhadany, Y.I.; Attia, H.A. Novel design and implementation of portable charger through low-power PV energy system. Adv. Mater. Res. 2014, 925, 495–499. [Google Scholar] [CrossRef]
- Al-Smairan, M.; Khawaldeh, H.A.; Shboul, B.; Almomani, F. Techno-enviro-economic analysis of grid-connected solar powered floating PV water pumping system for farmland applications: A numerical design model. Heliyon 2024, 10, e37888. [Google Scholar] [CrossRef]
- Gopisetty, M.; Adlawan, C. Solar Powered Water Pumping System for Remote Areas. In Proceedings of the 2024 IEEE Conference on Technologies for Sustainability (SusTech), Portland, OR, USA, 14–17 April 2024; pp. 332–338. [Google Scholar]
- Sevugan Rajesh, J.; Karthikeyan, R.; Revathi, R. Analysis and control of grid-interactive PV-fed BLDC water pumping system with optimized MPPT for DC-DC converter. Sci. Rep. 2024, 14, 25963. [Google Scholar] [CrossRef]
- Ebrahim, M.A.; Osama, A.; Kotb, K.M. Real-time dynamic performance enhancement for solar-powered pumping systems using PI-based MPPT techniques. J. Sol. Energy Eng. 2023, 145, 61001. [Google Scholar] [CrossRef]
- Sina, M.A.; Adeel, M.A. Assessment of stand-alone photovoltaic system and mini-grid solar system as solutions to electrification of remote villages in Afghanistan. Int. J. Innov. Res. Sci. Stud. 2021, 4, 92–99. [Google Scholar] [CrossRef]
- Yusupov, Z.; Yaghoubi, E.; Yaghoubi, E. Controlling and tracking the maximum active power point in a photovoltaic system connected to the grid using the fuzzy neural controller. In Proceedings of the 2023 14th International Conference on Electrical and Electronics Engineering (ELECO), Bursa, Turkiye, 30 November–2 December 2023; pp. 1–5. [Google Scholar]
- Altinkaya, H.; Khamees, A.; Yaghoubi, E.; Yaghoubi, E. Control of Heat Exchanger Liquid Temperature Using PID Control and first Order Sliding Mode Control System. In Proceedings of the 2024 International Conference on Electrical, Computer and Energy Technologies (ICECET), Sydney, Australia, 25–27 July 2024; pp. 1–6. [Google Scholar]
- Attia, H.; Getu, B.; Al-Mashhadany, Y. Design and Simulation of Dual Axis Solar Tracker for Optimum Solar Energy Absorption. In Proceedings of the International Conference on Electrical and Electronics Engineering, Clean Energy and Green Computing (EEECEGC2013), Dubai, United Arab Emirates, 11–13 December 2013; pp. 144–150. [Google Scholar]
- Al-Mashhadany, Y.I.; Attia, H.A. High performance for real portable charger through low power PV system. Int. J. Sustain. Green Energy 2015, 4, 14–18. [Google Scholar]
- Attia, H.A.; Getu, B.N. Design and simulation of a solar tracking system for optimum energy absorption. Int. J. Therm. Environ. Eng. 2014, 8, 17–24. [Google Scholar] [CrossRef]
- Odeh, S.; Ibrik, I. Performance assessment of standalone PV systems for rural communities. Aust. J. Mech. Eng. 2022, 20, 131–140. [Google Scholar] [CrossRef]
- Roberts, S.; Guariento, N. Building Integrated Photovoltaics: A Handbook; DE GRUYTER: Berlin, Germany, 2009. [Google Scholar]
- Cao, S.; Qian, Q.; Cao, Y.; Li, W.; Huang, W.; Liang, J. A novel meta-heuristic algorithm for numerical and engineering optimization problems: Piranha foraging optimization algorithm (PFOA). IEEE Access 2023, 11, 92505–92522. [Google Scholar] [CrossRef]
- Terdal, S.P. Artificial intelligence for early-stage detection of chronic kidney disease. Int. J. Electr. Comput. Eng. 2024, 14, 4775. [Google Scholar]
- Golla, T.; Kennedy, G.J.; Riso, C. Sliding-Window Matrix Pencil Method for Design Optimization with Limit-Cycle Oscillation Constraints. AIAA J. 2024, 62, 4170–4188. [Google Scholar]
- Wang, W.-C.; Liu, T.-H.; Syaifudin, Y. Model predictive controller for a micro-PMSM-based five-finger control system. IEEE Trans. Ind. Electron. 2016, 63, 3666–3676. [Google Scholar] [CrossRef]
- Formentini, A.; Trentin, A.; Marchesoni, M.; Zanchetta, P.; Wheeler, P. Speed finite control set model predictive control of a PMSM fed by matrix converter. IEEE Trans. Ind. Electron. 2015, 62, 6786–6796. [Google Scholar] [CrossRef]
- Ahmed, A.A.; Koh, B.K.; Lee, Y.I. A comparison of finite control set and continuous control set model predictive control schemes for speed control of induction motors. IEEE Trans. Ind. Inform. 2017, 14, 1334–1346. [Google Scholar] [CrossRef]
- Veksler, A.; Johansen, T.A.; Borrelli, F.; Realfsen, B. Dynamic positioning with model predictive control. IEEE Trans. Control Syst. Technol. 2016, 24, 1340–1353. [Google Scholar] [CrossRef]
- Nayyef, H.M.; Ibrahim, A.A.; Mohd Zainuri, M.A.A.; Zulkifley, M.A.; Shareef, H. A Novel Hybrid Algorithm Based on Jellyfish Search and Particle Swarm Optimization. Mathematics 2023, 11, 3210. [Google Scholar] [CrossRef]
- Rehman, A.U.; Lie, T.T.; Vallès, B.; Tito, S.R. Comparative evaluation of machine learning models and input feature space for non-intrusive load monitoring. J. Mod. Power Syst. Clean Energy 2021, 9, 1161–1171. [Google Scholar] [CrossRef]
- Abbas, Y.M.; Alsaif, A. Influence of feature-to-feature interactions on chloride migration in type-I cement concrete: A robust modeling approach using extra random forest. Mater. Today Commun. 2024, 40, 109419. [Google Scholar] [CrossRef]
- Yaghoubi, E.; Yaghoubi, E.; Khamees, A.; Vakili, A.H. A systematic review and meta-analysis of artificial neural network, machine learning, deep learning, and ensemble learning approaches in field of geotechnical engineering. Neural Comput. Appl. 2024, 36, 12655–12699. [Google Scholar] [CrossRef]
- Roy, K.; Farid, D.M. An Adaptive Feature Selection Algorithm for Student Performance Prediction. IEEE Access 2024, 12, 75577–75598. [Google Scholar] [CrossRef]
- Chou, J.-S.; Truong, D.-N. A novel metaheuristic optimizer inspired by behavior of jellyfish in ocean. Appl. Math. Comput. 2021, 389, 125535. [Google Scholar] [CrossRef]
Disclaimer/Publisher’s Note: The statements, opinions and data contained in all publications are solely those of the individual author(s) and contributor(s) and not of MDPI and/or the editor(s). MDPI and/or the editor(s) disclaim responsibility for any injury to people or property resulting from any ideas, methods, instructions or products referred to in the content. |
© 2025 by the authors. Licensee MDPI, Basel, Switzerland. This article is an open access article distributed under the terms and conditions of the Creative Commons Attribution (CC BY) license (https://creativecommons.org/licenses/by/4.0/).
