A New Aging-Aware Multi-Objective Thermal Management Strategy for IGBT Modules in Wind Power Converters
Abstract
1. Introduction
2. Preliminaries
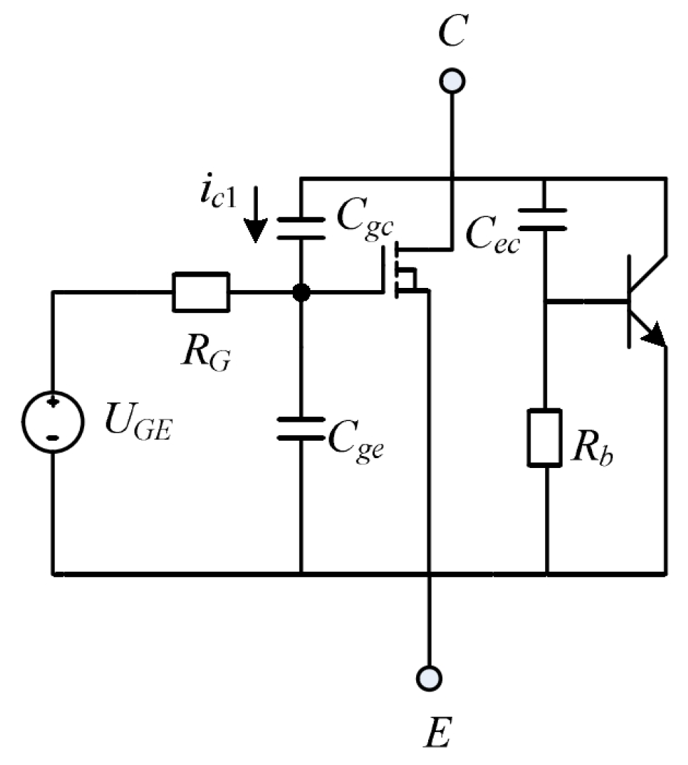
2.1. Analysis of the Impact of Module Aging Processes on Thermal Management
2.2. Comprehensive Evaluation System of Thermal Management Effectiveness
3. Proposed Thermal Management Strategy
3.1. Thermal Management Control Parameters and Their Constraints
3.1.1. Switching Frequency Constraints
3.1.2. Driving Resistance Constraints
3.2. Thermal Management Decisions Based on Multi-Objective Optimization
3.2.1. Objective Function
3.2.2. MOGWO-TOPSIS Based Thermal Management Decision
4. Simulation and Discussion
4.1. Validation of the Impact of Module Aging on Thermal Management Effectiveness
4.2. Verification and Analysis of the AAMO-TM Method
5. Conclusions
Author Contributions
Funding
Data Availability Statement
Conflicts of Interest
References
- Zhao, S.L.; Yang, J.L.; Tong, Y.; Yao, E.X. Research Progress on Corrosion and Protection of IGBT Modules in Offshore Wind Power Converters. Mater. Rev. 2023, 37, 407–413. [Google Scholar]
- Yang, H.; Wang, L.; Zhang, Y.; Qi, X.; Wu, H. Reliability Assessment of Wind Farm Electrical System Based on a Probability Transfer Technique. Energies 2018, 11, 744. [Google Scholar] [CrossRef]
- Hsu, J.Y.; Wang, Y.; Lin, K.; Chen, M.-Y.; Hsu, J.H.-Y. Wind Turbine Fault Diagnosis and Predictive Maintenance Through Statistical Process Control and Machine Learning. IEEE Access 2020, 8, 23427–23439. [Google Scholar] [CrossRef]
- Li, Y.; Yang, P.; Wang, H. Study of Double Rotor Speed-Regulating Wind Power Generation System. EURASIP J. Wirel. Commun. Netw. 2018, 2018, 1. [Google Scholar] [CrossRef]
- Vernica, I.; Ma, K.; Blaabjerg, F. Optimal Derating Strategy of Power Electronics Converter for Maximum Wind Energy Production with Lifetime Information of Power Devices. IEEE J. Emerg. Sel. Top. Power Electron. 2018, 6, 267–276. [Google Scholar] [CrossRef]
- Wang, H.; Liserre, M.; Blaabjerg, F. Toward Reliable Power Electronics: Challenges, Design Tools, and Opportunities. IEEE Ind. Electron. Mag. 2013, 7, 17–26. [Google Scholar] [CrossRef]
- Choi, U.-M.; Blaabjerg, F.; Lee, K.-B. Study and Handling Methods of Power IGBT Module Failures in Power Electronic Converter Systems. IEEE Trans. Power Electron. 2015, 30, 2517–2533. [Google Scholar] [CrossRef]
- Fang, H.; Zheng, L.; Wang, C.; Fang, G.; Han, L. Relationship Between Gate Voltage Miller Plateau Delay and Junction Temperature of IGBT Modules. J. Electr. Eng. Technol. 2016, 31, 134–141. [Google Scholar]
- Deng, E.; Zhang, J.W.; Liu, Y.S.; Jin, R.; Zhao, Z.; Hu, Y.Z. Analysis of the Reliability Difference Between IGBT Modules and Press Pack IGBTs. Semicond. Technol. 2016, 11, 801–810. [Google Scholar]
- Peck, D.S. The Analysis of Data from Accelerated Stress Tests. In Proceedings of the 9th Reliability Physics Symposium, Las Vegas, NV, USA, 31 March–2 April 1971; pp. 69–77. [Google Scholar]
- Du, X.; Li, G.X.; Li, T.F.; Sun, P.; Zhou, L. Life Assessment of Wind Power Inverter IGBT Modules on Multi-Time Scales. Proc. CSEE 2015, 35, 6152–6161. [Google Scholar]
- Zhou, Z.; Kanniche, M.S.; Butcup, S.G.; Igic, P. High-Speed Electro-Thermal Simulation Model of Inverter Power Modules for Hybrid Vehicles. IET Electr. Power Appl. 2011, 5, 636–643. [Google Scholar] [CrossRef]
- Wei, L.; McGuire, J.; Lukaszewski, R.A. Analysis of PWM Frequency Control to Improve the Lifetime of PWM Inverter. IEEE Trans. Ind. Appl. 2011, 47, 922–929. [Google Scholar]
- Polom, T.; Wang, B.; Lorenz, R. Control of Junction Temperature and Its Rate of Change at Thermal Boundaries via Precise Loss Manipulation. IEEE Trans. Ind. Appl. 2017, 53, 4796–4806. [Google Scholar] [CrossRef]
- Andresen, M.; Buticchi, G.; Liserre, M. Study of Reliability-Efficiency Tradeoff of Active Thermal Control for Power Electronic Systems. Microelectron. Reliab. 2016, 58, 119–125. [Google Scholar] [CrossRef]
- Zhang, J.; Du, X.; Qian, C.; Du, R.; Hu, X.; Tai, H.-M. Thermal Management of IGBT Module in the Wind Power Converter Based on the ROI. IEEE Trans. Ind. Electron. 2022, 69, 8513–8523. [Google Scholar] [CrossRef]
- Ali, S.H.; Heydarzadeh, M.; Dusmez, S.; Li, X.; Kamath, A.S.; Akin, B. Lifetime Estimation of Discrete IGBT Devices Based on Gaussian Process. IEEE Trans. Ind. Appl. 2018, 54, 395–403. [Google Scholar] [CrossRef]
- van der Broeck, C.H.; Ruppert, L.A.; Lorenz, R.D.; de Donker, R.W. Active Thermal Cycle Reduction of Power Modules via Gate Resistance Manipulation. In Proceedings of the 2018 IEEE Applied Power Electronics Conference and Exposition (APEC), San Antonio, TX, USA, 4–8 March 2018; pp. 3074–3082. [Google Scholar]
- Engelmann, G.; Ludecke, C.; Bundgen, D.; de Donker, R.W.; Lu, X.; Xu, Z.; Zou, K. Experimental Analysis of the Switching Behavior of an IGBT Using a Three-Stage Gate Driver. In Proceedings of the 8th International Symposium on Power Electronics for Distributed Generation Systems (PEDG), Florianópolis, Brazil, 17–20 April 2017; pp. 1–8. [Google Scholar]
- Luo, H.; Iannuzzo, F.; Ma, K.; Blaabjerg, F.; Li, W.; He, X. Active Gate Driving Method for Reliability Improvement of IGBTs via Junction Temperature Swing Reduction. In Proceedings of the 7th International Symposium on Power Electronics for Distributed Generation Systems (PEDG), Vancouver, BC, Canada, 27–30 June 2016; pp. 1–7. [Google Scholar]
- Cui, X.D.; Wu, J.L.; Lei, M.; Zhang, J.F.; Xu, J.B.; Li, W.; Fang, Y.J. Discussion on the Cascade Fault Induction and Accident Chain Search Technology of Power Systems with High Renewable Energy Penetration. Electr. Power Autom. Equip. 2021, 41, 135–143. [Google Scholar]
- Liu, R.K.; Li, H.; Yu, K.; Yao, R.; Lai, W.; An, J.P.; Wang, X.; Li, H.R. Analysis of Packaging State Monitoring Methods for Welded IGBT Devices. Electr. Eng. Technol. 2022, 15, 71–78, 82. [Google Scholar] [CrossRef]
- Hu, B.; Konaklieva, S.; Kourra, N.; Williams, M.A.; Ran, L.; Lai, W. Long-Term Reliability Evaluation of Power Modules With Low Amplitude Thermomechanical Stresses and Initial Defects. IEEE J. Emerg. Sel. Top. Power Electron. 2021, 9, 602–615. [Google Scholar] [CrossRef]
- Chen, M.Y.; Chen, Y.G.; Gao, B.; Lai, W.; Xu, S. Life Assessment of IGBT Modules Considering Aging Effects on Thermal Parameters. Proc. CSEE 2017, 37, 5427–5436+5542. [Google Scholar]
- Chen, H.; Ji, B.; Pickert, V.; Cao, W. Real-Time Temperature Estimation for Power MOSFETs Considering Thermal Aging Effects. IEEE Trans. Device Mater. Reliab. 2014, 14, 220–228. [Google Scholar] [CrossRef]
- Cui, H.; Guo, T.; Yang, C.; Dai, Y.; Wang, C.; Du, H.; Qin, L.; Yu, H. A New Thermal Management Strategy of IGBT in DFIG for Economic Benefit Maximization. IEEE Trans. Ind. Inform. 2024, 20, 1335–1347. [Google Scholar] [CrossRef]
- Wang, Z.H.; Zhang, X.Y.; Qiu, Y.J.; Zhao, X.Y.; Shi, S.S.; Zhou, D.Y. Suppression Strategy for Junction Temperature Rise of Inverter IGBT Under Low Voltage Ride-Through Operation in DFIG Wind Turbines. Sol. Energy J. 2020, 41, 259–267. [Google Scholar]
- Yang, Y.; Wu, Y.; Ding, X.; Zhang, P. A Novel Thermal Management Method for Enhancing the Consistency of IGBT Heat Stress in Converter. IEEE Trans. Ind. Electron. 2023, 70, 10628–10638. [Google Scholar] [CrossRef]
- Andresen, M.; De Carne, G.; Liserre, M. Load-Dependent Active Thermal Control of Grid-Forming Converters. IEEE Trans. Ind. Appl. 2020, 56, 2078–2086. [Google Scholar] [CrossRef]
- Wang, B.; Zhou, L.; Zhang, Y.; Sun, P. A Method of Active Junction Temperature Control for IGBT. In Proceedings of the Annual Conference of the IEEE Industrial Electronics Society, Beijing, China, 29 October–1 November 2017; pp. 7917–7922. [Google Scholar]
- Andresen, M.; Ma, K.; Buticchi, G.; Falck, J.; Blaabjerg, F.; Liserre, M. Junction Temperature Control for More Reliable Power Electronics. IEEE Trans. Power Electron. 2018, 33, 765–776. [Google Scholar] [CrossRef]
- Alhmoud, L. Reliability Improvement for a High-Power IGBT in Wind Energy Applications. IEEE Trans. Ind. Electron. 2018, 65, 7129–7137. [Google Scholar] [CrossRef]
- Yu, Y.L. Research on Junction Temperature Control of Power Modules Based on Drive Circuit Parameter Adjustment. Master’s Thesis, Chongqing University, Chongqing, China, 2015. [Google Scholar]
- Luo, X.; Wang, X.M.; Wu, H.P. Selection of IGBT and Switching Frequency for Electric Vehicle Inverter Based on Multi-Objective Optimization. J. Electr. Eng. Technol. 2020, 35, 2181–2193. [Google Scholar]
- Torabi, A.; Yosefvand, F.; Shabanlou, S.; Rajabi, A.; Yaghoubi, B. Optimization of Integrated Operation of Surface and Groundwater Resources Using Multi-Objective Grey Wolf Optimizer (MOGWO) Algorithm. Water Resour. Manag. 2024, 38, 2079–2099. [Google Scholar] [CrossRef]
- Wang, D.; Wang, G.; Wang, H. Optimal Lane Change Path Planning Based on the NSGA-II and TOPSIS Algorithms. Appl. Sci. 2023, 13, 1149. [Google Scholar] [CrossRef]












| Thermal Resistance and Time Constant | IGBT | Diode | 
|---|---|---|
| 0.00534 | 0.0092 | |
| 0.0196 | 0.0332 | |
| 0.0313 | 0.0607 | |
| 0.00836 | 0.0109 | |
| 0.000677 | 0.000613 | |
| 0.213 | 0.0158 | |
| 0.0735 | 0.0558 | |
| 0.805 | 0.622 | 
| Strategy | Aging State | °C | °C | °C | 
|---|---|---|---|---|
| SFA | Normal | 53.20 | 39.51 | 16.90 | 
| Aged | 58.74 | 44.08 | 20.85 | |
| DRA | Normal | 59.15 | 45.07 | 19.01 | 
| Aged | 69.11 | 52.94 | 25.81 | 
| Parameter | Value | Parameter | Value | Parameter | Value | 
|---|---|---|---|---|---|
| 0 | 0 | 0 | |||
| Strategy | °C | °C | °C | /% | 
|---|---|---|---|---|
| WTM | 43.23 | 101.46 | 69.73 | 2.73 | 
| SFA | 18.30 | 55.02 | 40.29 | 2.83 | 
| DRA | 15.97 | 56.17 | 44.35 | 2.73 | 
| AAMO-TM | 7.43 | 41.16 | 35.71 | 2.57 | 
| v.s. Strategy | |||
|---|---|---|---|
| v.s. SFA | 59.40%↓ | 25.19%↓ | 11.36%↓ | 
| v.s. DRA | 53.49%↓ | 26.72%↓ | 19.47%↓ | 
| Disclaimer/Publisher’s Note: The statements, opinions and data contained in all publications are solely those of the individual author(s) and contributor(s) and not of MDPI and/or the editor(s). MDPI and/or the editor(s) disclaim responsibility for any injury to people or property resulting from any ideas, methods, instructions or products referred to in the content. | 
© 2025 by the authors. Licensee MDPI, Basel, Switzerland. This article is an open access article distributed under the terms and conditions of the Creative Commons Attribution (CC BY) license (https://creativecommons.org/licenses/by/4.0/).
Share and Cite
Liu, X.; Cui, H.; Yang, C.; Xue, L.; Li, D. A New Aging-Aware Multi-Objective Thermal Management Strategy for IGBT Modules in Wind Power Converters. Electronics 2025, 14, 836. https://doi.org/10.3390/electronics14050836
Liu X, Cui H, Yang C, Xue L, Li D. A New Aging-Aware Multi-Objective Thermal Management Strategy for IGBT Modules in Wind Power Converters. Electronics. 2025; 14(5):836. https://doi.org/10.3390/electronics14050836
Chicago/Turabian StyleLiu, Xuan, Haoyang Cui, Cheng Yang, Liang Xue, and Dongdong Li. 2025. "A New Aging-Aware Multi-Objective Thermal Management Strategy for IGBT Modules in Wind Power Converters" Electronics 14, no. 5: 836. https://doi.org/10.3390/electronics14050836
APA StyleLiu, X., Cui, H., Yang, C., Xue, L., & Li, D. (2025). A New Aging-Aware Multi-Objective Thermal Management Strategy for IGBT Modules in Wind Power Converters. Electronics, 14(5), 836. https://doi.org/10.3390/electronics14050836
 
        


 
       