Abstract
When the electromagnetic transient simulation of a large-scale power grid is carried out, because the simulation is limited by the scale of simulation software, it is necessary to divide the grid into internal and external grids, and the external grid is modeled with equivalent simplification. Aiming at resolving the difficulties of the traditional grid equivalence method, such as a cumbersome calculation process and harsh calculation conditions, a static grid equivalence method based on the genetic algorithm is proposed in this paper. The method first constructs an external grid equivalence network, which includes coupling branches between boundary nodes, and each boundary node is connected to the external grid equivalence power supply through the branches. Then, the external grid equivalence model is used to establish an optimization model for solving the equivalence network parameters based on the information of the internal network, the difference of the power input from the external grid to the boundary nodes before and after equivalence is used as the objective function, and the genetic algorithm is used to realize the iterative optimization of the objective function to obtain a set of optimal post-equivalence network model parameters so that the state variables of the internal power grid before and after the equivalence are matched. The accuracy and effectiveness of the proposed method are verified through simulation with the CERPI36V7 node system.
1. Introduction
With the construction of ultra-high-voltage lines and the gradual interconnection of power systems [1], the scale of China’s power grid, containing thousands of nodes, continues to expand. Limited by the computing power of computers and the computing scale of simulation software, it will become more and more difficult to directly build the entire power system in simulation software and perform simulation calculations. Therefore, in actual engineering calculations, only the detailed modeling of the research area is needed, while the rest of the grid can be simplified equivalently [2,3]. However, in the context of the electricity market, each power company in China belongs to different interests that are both cooperating and competing with each other. Each power operator is often reluctant to disclose complete and accurate information. Due to the inconsistency of information collected by different local power grids, it is difficult to obtain information transmitted from adjacent power grids in real time [4]. Under this condition of a lack of external grid information, it is of great significance to study the static equivalent method of power grids based on internal network information only.
At present, the static equivalent method of power grids can be divided into two categories according to the acquisition of external network information.
(1) The static equivalent method of power grids with known external information. The research of this kind of method is relatively mature. Ward equivalence and its improved method [5], Thevenin equivalence and its improved method [6], and the radial equivalence independent method and its improved method [7] can be used to make a more accurate equivalence of the external network, but it cannot solve the problem of unknown or partially known equivalence of the external network information. Greater research is required to determine how to ensure the accuracy of the power grid equivalent based on only one state of the internal power grid when the state of the internal power grid changes greatly.
(2) The static equivalent method of power grids with unknown or partially known external network information. These methods are based on the internal network information, and the equivalent parameters of the external power grid model are estimated by various methods. Reference [8] proposed a single-port network equivalence method based on internal network information. The external power grid is equivalent to a single-port Thevenin equivalent model with a voltage source in series with an impedance, and the equivalent parameters are solved by using the multi-period measurement voltage and current of the boundary nodes. However, this method is only applicable to the equivalence of single-port networks. References [9,10] proposed a multi-port network equivalent method based on internal network information which utilizes the measurement data before and after the internal network branch is disconnected to solve the equivalent parameters. This method requires harsh equivalent conditions and is difficult to apply to the actual system. In order to avoid a series of problems caused by unplanned disconnection of the internal network, reference [11] proposed to simulate the disconnection of the internal network branch by node power perturbation so as to obtain effective supplementary measurement information, which is advantageous in engineering applications. Reference [12] proposed to obtain supplementary measurement information based on historical data instead of internal network branch breaking, which improves the practicability of the method. However, the measurement data at different times lack explicit correlation, and the reliability of the network equivalent parameters obtained from the solution needs to be verified. Reference [13] proposed the Thevenin equivalent impedance calculation method with stratified estimation, which stratifies the samples according to the load-side parameters and transforms the equivalent impedance calculation problem into a statistical problem. This significantly reduces the computational error, but the workload of the equivalent calculation is large when the number of nodes at the grid boundary is large. Although many achievements have been made in the static equivalent method of power grids based on internal network information, there are still many limitations and complicated calculation processes when using the existing methods to solve the equivalent parameters. The optimization algorithm is a global optimization random search algorithm. In principle, it can find the global optimal solution of the equivalent parameters with a large probability, which can provide a new idea for the static equivalent method of power grids.
Therefore, this paper proposes a static equivalent method of power grids based on the genetic algorithm. The external power grid equivalent network of this method includes the coupling branches between the boundary nodes, which can effectively reflect the electrical coupling relationship between the external power grids. This method is based on the measurement data of the internal network at one moment, which avoids the impact on the grid caused by an interruption or disturbance on the power grid. The algorithm uses the difference in the power input from the external grid to the boundary node before and after equipartitioning as the objective function. The genetic algorithm is used to solve the equivalent parameters of the equivalent external power grid model, which solves the problems such as harsh requirements for solving the equivalent parameters and a complicated solving process. The correctness and practicability of the method proposed in this paper are verified by the CERPI36v7 system.
The rest of this paper is organized as follows. In Section 2, we present a brief description of the structure and parameters of the equivalent power grid model. In the Section 3, the optimization model of power grid parameters after equivalence and the process of solving equivalent parameters based on genetic algorithm are introduced. Later, results and discussion are provided in Section 4. Finally, Section 5 concludes the paper.
2. Static Equivalent Network Model of Power Grids
According to the needs of the study, the whole system is divided into the internal power grid, the boundary node, and the external power grid shown in Figure 1. The internal power grid is the part of the power grid that needs to be studied and analyzed. It is not necessary to model other regions in detail, and this part is referred to as the external power grid. The external power grid is connected to each boundary node in the form of an equivalent branch of voltage source series impedance, and the electrical coupling relationship between the external power grids is reflected by establishing the coupling branch between the boundary nodes [14]. The equivalent network is shown in Figure 2.
Figure 1.
Power grid structure topology diagram.
Figure 2.
Equivalent grid structure topology diagram.
In Figure 2, n is the number of boundary nodes, Ui∠θi denotes the voltage and phase angle of boundary node i, Pi and Qi are the active and reactive power input from the external grid to the internal grid through boundary node i, respectively, and i = 1, 2, 3, …, n; Zij = Rij + jXij is the impedance parameter of the coupling branch between the boundary node i and the boundary node j, where Rij and Xij represent the resistance and reactance, respectively; Zi = Ri + jXi is the impedance parameter of the extended branch between the boundary node i and its corresponding equivalent generator; and Ei and αi are the voltage amplitude and phase angle of the equivalent generator, respectively.
3. Power Grid Equivalent Method Based on Genetic Algorithm
3.1. Optimization Model for Network Parameter Solving
For the equivalent power grid model shown in Figure 2, the power input from the external power grid to the internal power grid through the boundary node must be consistent before and after the equivalence:
where ΔP and ΔQ are the active and reactive power difference between the external grid input to the internal grid before and after the equivalence, respectively; Pce,i and Qce,i are the active power and reactive power input from the external power grid to the internal power grid before the equivalence; Pi and Qi are the active power and reactive power input from the external power grid to the internal power grid after the equivalence, and their calculation equations are shown in Equation (2) and Equation (3), respectively [15].
where θir is the difference between the voltage phase angle of the boundary node i and the voltage phase angle of the equivalent generator; θij is the difference between the voltage of boundary node i and the voltage phase angle of boundary node j; and Yij = Gij + jBij is the admittance parameter of the coupling branch between the boundary node i and the boundary node j, where Gij and Bij denote the resistance and reactance, respectively, and Yi = Gi + jBi is the admittance parameter of the extended branch between the boundary node i and its corresponding equivalent generator.
In Equations (2) and (3), the variables to be estimated are Ei, θi, Ri, Xi, Rij, and Xij. Because most of the impedance parameters are directly input when the grid is constructed based on the simulation software, the network impedance parameters are selected for the power grid equivalence. This can minimize the equivalent error caused by the difference in the number of decimal points when the network equivalent parameters are calculated, and the simulation software inputs the network equivalent parameters.
Based on the measured data of the internal network, the absolute value and the minimum of the difference between the active power and the reactive power of the external power grid input to the internal power grid through the boundary node before and after the equivalence are constructed as the optimization objective, and the voltage of the equivalent generator and the impedance of the equivalent branch are within a certain range as the constraints. The specific expression is as follows:
where Emin and Emax represent the lower and upper limits of the equivalent generator voltage, respectively; Rmin and Rmax represent the lower and upper limits of the equivalent branch resistance, respectively; and Xmin and Xmax represent the lower and upper limits of the equivalent branch reactance, respectively.
3.2. Network Parameter Solving Method Based on Genetic Algorithm
When the number of boundary nodes is n, the network equivalent parameters to be solved for variables Ei, θi, Ri, and Xi each have n, respectively, and the network equivalent parameters to be solved for variables Rij and Xij each have n(n − 1), respectively, so the total number of variables to be solved is n2 + 3n. The traditional network parameter solving method based on internal network information essentially functions by obtaining the boundary measurement information of multiple time periods. There are 2n measurement equations available for each time, and there are 2mn measurement equations for m time periods. To make Equation (4) solvable, the number of measurement equations must be greater than the number of variables to be estimated:
With an increase in the number of boundary nodes, the number of measurement equations required to solve the equivalent network parameters also increases linearly. However, when the boundary node measurements of several time periods in proximity do not differ much, the iterative convergence is poor or non-convergent [16], and the value of the boundary nodes obtained by the internal power grid branch breaking or by a disturbance will affect the safe and stable operation of the power grid. In order to overcome this problem, this paper uses the optimization algorithm to solve the equivalent parameters of the equivalent network model. This algorithm only needs the measurement data of the internal power grid in a time period. A flowchart for solving model parameter essence based on the optimization algorithm is shown in Figure 3.
Figure 3.
Flowchart for solving model parameter essence based on optimization algorithm.
The genetic algorithm is an optimization algorithm inspired by evolutionary theory and genetics mechanisms [17,18]. It has the advantages of robustness, simple structure, good global convergence, etc. In this paper, the genetic algorithm is used to solve the parameters of the equivalent network model. The main idea is to find the parameter group that makes the objective function obtain the optimal solution through multiple iterations. The calculation process is shown in Figure 4. The main calculation steps are as follows:
Figure 4.
The flowchart for solving model parameters based on genetic algorithm.
- Input the measured data. Because it is assumed that the power flow data of the internal power grid is unchanged before and after the equivalence, the measured data include the voltage and phase angle of the boundary node and the power flow information of the internal power grid;
- Set the population size, the maximum number of iterations, and the range of parameters to be optimized and initialize the population. Unsuitable selection of an initial value may lead to problems such as convergence difficulties or non-convergence of subsequent current calculations based on this equivalent network. Since the operation mode of the power grid must be between the maximum and minimum operation modes, the maximum and minimum values of the generator voltage and branch impedance values of the internal power grid under these two operation modes are referred to, and then the upper and lower limits of the voltage of the equivalent generator and the impedance value of the equivalent branch are set;
- Calculate the fitness value of the population. According to the objective function Equation (4), the fitness function is defined as follows:where f is the fitness value (the larger the f is, the higher the equivalent accuracy is), and n is the number of boundary nodes.
- Roulette selection, crossover, and mutation are performed on the population to obtain the next generation of the population;
- According to the number of boundary nodes and the structure of the grid model after the equivalence, considering the estimation accuracy of the equivalence parameter and the actual engineering experience to determine the iteration termination value, detect whether the fitness value of the current iteration number is smaller than the set value. If it meets, the iteration will be ended, and the optimal solution of the iterative process should be outputted. If it does not meet, then it will return to continue the iteration.
4. Example Analysis
This section addresses the CERPI36v7 node system as an arithmetic example to verify the effectiveness of the model and method proposed in this paper. The CERPI36v7 node system is a common power system simulation model. It consists of 36 nodes, including 8 generator nodes and 8 load nodes, and a total of 37 branches, representing a typical power system. In the simulation, firstly, the equivalent parameters of the external network are calculated based on the genetic algorithm, and then the accuracy of this paper’s method is verified by comparing it with the accurate power flow results of the power grid before the equivalence. Finally, by comparing the opening and closing of the grid branches inside the grid before and after the equalization with the results of the current calculation for changing the load of the grid inside the grid, we verify that the external grid equalization model obtained by this method can be adjusted accordingly under the influence of the random measurement error. At present, most of the practical calculations are based on the direct hanging equivalent machine method for power grid equivalence [19,20,21]. In this paper, the direct hook-up equalizer method is compared with the method proposed herein in order to comparatively verify the equalization accuracy of the method proposed in this paper.
4.1. Simulation Objects and Conditions
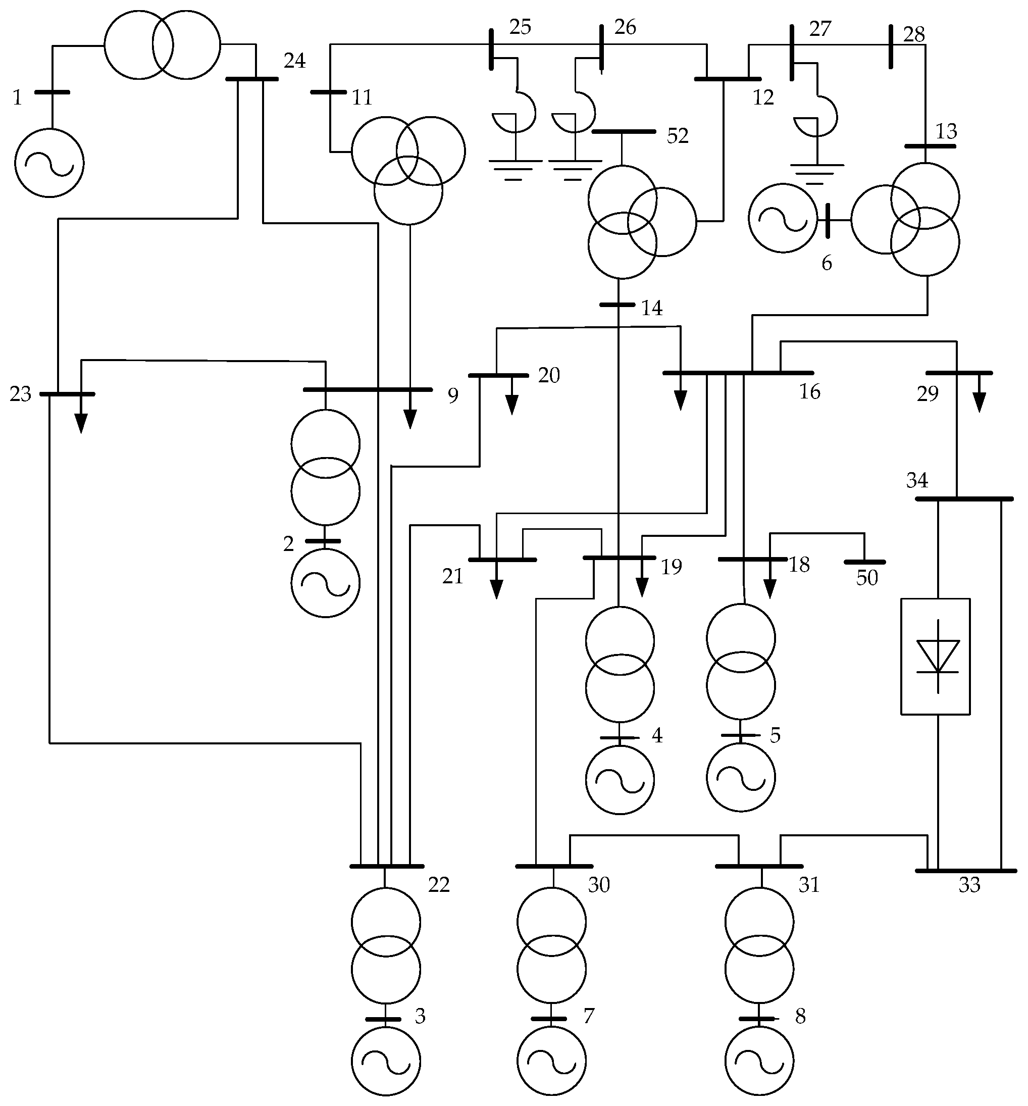
The simulation example system is the CERPI36v7 node system. As shown in Figure 5, four boundary nodes are set up in the CERPI36v7 node system, namely, boundary nodes 9, 14, 16, and 19. Nodes 6, 7, 8, 11, 12, 13, 25, 26, 27, 28, 29, 30, 31, 33, 34, 51, and 52 belong to external power grid nodes, and other nodes belong to internal power grid nodes.
Figure 5.
CERPI36v7 node system structure diagram.
The purpose of the static equivalence of a power system is mostly to analyze the static security of the power system, which is used to judge whether the system will overload or reach its voltage limit after the expected accident. The analysis results are related to the absolute error of power flow calculation. Therefore, this paper uses the average relative error of power flow and the maximum error of power flow to measure the equivalent accuracy of the equivalent method.
The average relative error of ξave is as follows:
where Pl, Pl,eq, Ql, and Ql,eq represent the active power and reactive power values transmitted by the internal power grid lines before and after the equivalence, respectively; and Ul, Ul,eq, θl, and θl,eq represent the voltage amplitude and phase angle of internal power grid nodes before and after equivalence, respectively. Ave represents the mean value of the expression.
The maximum relative error of ξmax is as follows:
where max denotes the maximum value of the expression.
4.2. Simulation Results Analysis
4.2.1. Results of Network Parameter Solving Based on Genetic Algorithm
Firstly, the network parameters of the CERPI36v7 node system are solved based on the genetic algorithm. The results of the external network parameter solving iterations for the CERPI36v7 node system are shown in Figure 6. The direct hanging equivalent machine method uses the equivalent machine to characterize the power input from the external power grid to the internal power grid, and the power of the equivalent machine is the sum of the power input from the external power grid to the internal power grid through the boundary nodes, as shown in Table 1.
Figure 6.
Iterative results of equivalent parameters of external network of CERPI36v7 node system.
Table 1.
The external network equivalent parameters calculated by the direct hanging equivalent machine method.
The obtained parameters of the external grid network are substituted into the equivalent grid model, and the power flow is calculated. The average relative error of the power flow and the maximum relative error of the power flow are shown in the following Table 2.
Table 2.
Equivalent error of power flow results of different equivalent methods.
It can be seen from Table 2 that the average relative error and the maximum relative error of the power flow between the method proposed in this paper and the method of directly hanging the equivalent machine are kept within 1%, which meets the requirements of the equivalent accuracy. The equating process of this paper’s method is to equate a state of the grid into the form of an equipotential machine plus an equipotential branch, while the process of the direct hanging equivalent machine method is to directly replace the power input from the external power grid to the boundary node with an equal power equivalent machine and substitute it into Equation (6). Therefore, the fitness value calculated by the direct hanging equivalent method is infinity. When the internal power grid state does not change, the power flow error of the direct hanging equivalent method is relatively low.
4.2.2. Load Power Growth
Table 3 provides the average relative error of the tidal current, the maximum relative error of the tidal current of the CERPI36v7 node system for this paper’s method, and the direct hooked equalizer method for the internal grid node 21 load power growth. It can be seen from the table that the average relative error of the proposed model and method is kept within 1.1%, and the maximum relative error of the power flow is kept within 4%, which meets the requirements of the equivalent accuracy. However, the average relative error of the maximum power flow of the direct hanging equivalent method exceeds 5%, the maximum relative error of the power flow exceeds 16%, and the power flow error of the internal network may be greatly increased due to an error of the equivalent network.
Table 3.
The equivalent error of the internal grid node 21 when the load power increases.
Although the direct hanging equivalent method is equivalent based on the power flow results in the initial state, the equivalent results can accurately reflect the external power grid without any change in the power grid. However, when the internal state of the power grid changes, the average relative error and the maximum relative error of the power flow of the equivalent results of the direct hanging equivalent method begin to increase significantly, which cannot accurately reflect the external power grid when the power grid changes. Compared with the direct hanging equivalent machine method, the grid equivalent model established by the proposed method can still maintain high accuracy when the grid state changes and is more suitable for the actual situation of power flow state changes.
4.2.3. Line Breaking
Table 4 shows the equivalent model error of the CERPI36v7 node system breaking branches 9–23, branches 22–23, branches 21–22, and branches 16–18 under four kinds of internal power grid state changes. It can be seen from the table that the method proposed in this paper achieves a lower equivalent error than the direct hanging equivalent method, whether it is the relative error of the power flow or the maximum error of the power flow. Although the equivalent error is large when the internal power grid topology changes, (e.g., the average relative error of the power flow reaches 96.62% when line 22–23 is disconnected), and although the maximum relative error of the power flow exceeds 100%, the proposed method in this paper can be carried out in real time, and the interval of each equivalence is short. When the topology of the internal power grid changes, the next equivalence will begin soon, which can meet the requirements of power flow calculation accuracy.
Table 4.
Equivalent error of internal power grid line breaking.
In addition, whether it is the method proposed in this paper or the direct hanging equivalent machine method, the equivalent error caused by line interruption is large. This is because when the line is disconnected, the power flow near the boundary node will change greatly, and the greater the power transmitted on the line before the interruption, the greater the fluctuation in the power flow redistribution.
From the above simulation results, it can be concluded that the method proposed in this paper is superior to the direct hanging equivalent machine method used in the actual power grid. When using the direct hanging equivalent machine method, one inputs the constant equivalent power into the internal power grid through the boundary node. When the state of the internal power grid changes, it is bound to produce a relatively large equivalent error. The model used in this paper reflects the electrical coupling relationship between the external power grids by establishing the coupling branches between the boundary nodes. The external power grid has a certain supporting effect on the power and voltage of the internal power grid. When the state of the internal power grid changes, the equivalent machine of the external power grid can make corresponding adjustments to reduce the equivalent error.
5. Conclusions
In this paper, a static equivalent method of power grids based on the genetic algorithm is proposed. Based on the measurement information of the internal power grid in a certain period of time, the method constructs the grid equivalence network and the optimization model for solving the network parameters. The difference in the power input from the external power grid to the boundary node before and after the equivalence is utilized as the objective function. The equivalent parameters of the external network are solved by the genetic algorithm, which avoids the influence of an unplanned branch interruption of the internal network on the power grid and effectively improves the adaptive range of solving the equivalent parameters of the external grid. Simulation of the CERPI36v7 node system verified the accuracy and effectiveness of the method proposed in this paper. The method proposed in this paper is simple to calculate and its potential application is wide; further, it is expected to be applied in practical engineering.
Author Contributions
Conceptualization, methodology, formal analysis, writing—review and editing, supervision, and funding acquisition, X.J.; writing—original draft preparation, software, and validation, P.P.; investigation, H.W.; data curation, L.L.; visualization, G.C.; project administration, X.W.; resources, X.H. All authors have read and agreed to the published version of the manuscript.
Funding
This research was supported by State Grid Sichuan Electric Power Company Science and Technology Project “Power Grid Operation Control Technology to Ensure Reliable, Stable and Efficient Power Supply of Electrified Railway under the Condition of Weak Power Grid in High Altitude Mountain Area” (52199722000Z).
Data Availability Statement
Data are available upon request.
Conflicts of Interest
Author Xiaoyan Han was employed by the company State Grid Sichuan Electric Power Company. The remaining authors declare that the research was conducted in the absence of any commercial or financial relationships that could be construed as a potential conflict of interest.
References
- Haghighat, H.; Karimianfard, H.; Zeng, B. Integrating energy management of autonomous smart grids in electricity market operation. IEEE Trans. Smart Grid 2020, 11, 4044–4055. [Google Scholar] [CrossRef]
- Mohapatra, S.; Jang, W.; Overbye, T.J. Equivalent line limit calculation for power system equivalent networks. IEEE Trans. Power Syst. 2014, 29, 2338–2346. [Google Scholar] [CrossRef]
- Shultz, R.D.; Muslu, M.; Smith, R.D. A new method in calculating line sensitivities for power system equivalencing. IEEE Trans. Power Syst. 1994, 9, 1465–1470. [Google Scholar] [CrossRef]
- Xie, S.; Hu, Z.; Wu, F. Static equivalent parameter identification method of multi-port external network based on recursive least squares algorithm. Power Syst. Prot. Control 2018, 46, 26–34. [Google Scholar]
- Burchett, S.M.; Douglas, D.; Ghiocel, S.G.; Liehr, M.W.A.; Chow, J.H.; Kosterev, D.; Faris, A.; Heredia, E.; Matthews, G.H. An optimal Thevenin equivalent estimation method and its application to the voltage stability analysis of a wind hub. IEEE Trans. Power Syst. 2017, 33, 3644–3652. [Google Scholar] [CrossRef]
- Yun, Z.H.; Cui, X.H.; Ma, K.G. Online Thevenin equivalent parameter identification method of large power grids using LU factorization. IEEE Trans. Power Syst. 2019, 34, 4464–4475. [Google Scholar] [CrossRef]
- Oatts, M.L.; Erwin, S.R.; Hart, J.L. Application of the REI equivalent for operations planning analysis of interchange schedules. IEEE Trans. Power Syst. 1990, 5, 547–555. [Google Scholar] [CrossRef]
- Sun, H.; Chen, S.; Chang, X.; Lin, W. A tracing algorithm of Thevenin equivalent parameters for power systems with large disturbance. Proc. CSEE 2021, 32, 126–132. [Google Scholar]
- Debs, A.S. Estimation of external network equivalents from internal system data. IEEE Trans. Power Appar. Syst. 1975, 94, 273–279. [Google Scholar] [CrossRef]
- Contaxis, G.; Debs, A. Identification of external equivalent for steady state security assessment. IEEE Trans. Power Appar. Syst. 1978, 97, 409–414. [Google Scholar] [CrossRef]
- Gan, M. A new on-line equivalent method for power grid. J. Shanghai Electr. Technol. 2020, 13, 17–21. [Google Scholar]
- Xiao, J.; Gan, M.; Liu, Y.; Zi, H.; Lin, J. Practical online equivalent method for external grid based on measurement data. Autom. Electr. Power Syst. 2021, 45, 157–163. [Google Scholar]
- Zhang, S.; Wang, H.; Ye, R. Thevenin equivalent impedance online calculation method based on hierarchical estimation. Power Syst. Prot. Control 2023, 51, 90–98. [Google Scholar]
- Yan, W.; Li, S.; Chen, J.; Lu, J.; Guo, L.; Li, Q.; Zhao, X. Parameter estimation for two-port external network static equivalent model on the basis of Internal network measured information. Proc. CSEE 2011, 31, 101–106. [Google Scholar]
- Li, X.; Fang, Y.; Wu, X.; Hou, Y.; Li, Z.; Liu, F. Quantitative index of transient voltage stability based on instability mechanism analysis. Electr. Power Autom. Equip. 2023, 43, 195–202. [Google Scholar]
- Yang, J.; Cao, D. Convergence property of newton’s method for solving a class of singular nonlinear equations. J. Zhengzhou Univ. (Nat. Sci. Ed.) 2015, 47, 1–6. [Google Scholar]
- Li, X.; Liu, Y.; Chen, H.; Tang, W.; Li, P. Comparative study of genetic algorithm and traditional optimization in power load modeling. J. Hunan Univ. (Nat. Sci.) 2005, 2, 29–32. [Google Scholar]
- Feng, K.; Bian, H.; Chen, L.; Liu, X. Study on Optimized Allocation of distributed photovoltaic distribution network energy storage based on genetic algorithm. Process Autom. Instrum. 2024, 45, 64–68. [Google Scholar]
- Yu, J.; Zhu, L.; Yan, W.; Zhao, X.; Lu, J.; Guo, W. Static equivalence of external multi-port network based on measured information of internal network. Electr. Power Autom. Equip. 2013, 33, 32–37. [Google Scholar]
- Chen, J.Y.; Hu, H.; Wang, M.; Ge, Y.; Wang, K.; Huang, Y.; Yang, K.; He, Z.; Xu, Z.; Li, Y. Power Flow Control-Based Regenerative Braking Energy Utilization in AC Electrified Railways: Review and Future Trends. IEEE Trans. Intell. Transp. Syst. 2024; in press. [Google Scholar]
- Lin, H.; Cai, C.; Chen, J.; Gao, Y.; Vazquez, S.; Li, Y. Modulation and Control Independent Dead-Zone Compensation for H-Bridge Converters: A Simplified Digital Logic Scheme. IEEE Trans. Ind. Electron. 2024; in press. [Google Scholar]
Disclaimer/Publisher’s Note: The statements, opinions and data contained in all publications are solely those of the individual author(s) and contributor(s) and not of MDPI and/or the editor(s). MDPI and/or the editor(s) disclaim responsibility for any injury to people or property resulting from any ideas, methods, instructions or products referred to in the content. |
© 2024 by the authors. Licensee MDPI, Basel, Switzerland. This article is an open access article distributed under the terms and conditions of the Creative Commons Attribution (CC BY) license (https://creativecommons.org/licenses/by/4.0/).





