Static Equivalence Method of Power Grid Based on Genetic Algorithm
Abstract
1. Introduction
2. Static Equivalent Network Model of Power Grids
3. Power Grid Equivalent Method Based on Genetic Algorithm
3.1. Optimization Model for Network Parameter Solving
3.2. Network Parameter Solving Method Based on Genetic Algorithm
- Input the measured data. Because it is assumed that the power flow data of the internal power grid is unchanged before and after the equivalence, the measured data include the voltage and phase angle of the boundary node and the power flow information of the internal power grid;
- Set the population size, the maximum number of iterations, and the range of parameters to be optimized and initialize the population. Unsuitable selection of an initial value may lead to problems such as convergence difficulties or non-convergence of subsequent current calculations based on this equivalent network. Since the operation mode of the power grid must be between the maximum and minimum operation modes, the maximum and minimum values of the generator voltage and branch impedance values of the internal power grid under these two operation modes are referred to, and then the upper and lower limits of the voltage of the equivalent generator and the impedance value of the equivalent branch are set;
- Calculate the fitness value of the population. According to the objective function Equation (4), the fitness function is defined as follows:where f is the fitness value (the larger the f is, the higher the equivalent accuracy is), and n is the number of boundary nodes.
- Roulette selection, crossover, and mutation are performed on the population to obtain the next generation of the population;
- According to the number of boundary nodes and the structure of the grid model after the equivalence, considering the estimation accuracy of the equivalence parameter and the actual engineering experience to determine the iteration termination value, detect whether the fitness value of the current iteration number is smaller than the set value. If it meets, the iteration will be ended, and the optimal solution of the iterative process should be outputted. If it does not meet, then it will return to continue the iteration.
4. Example Analysis
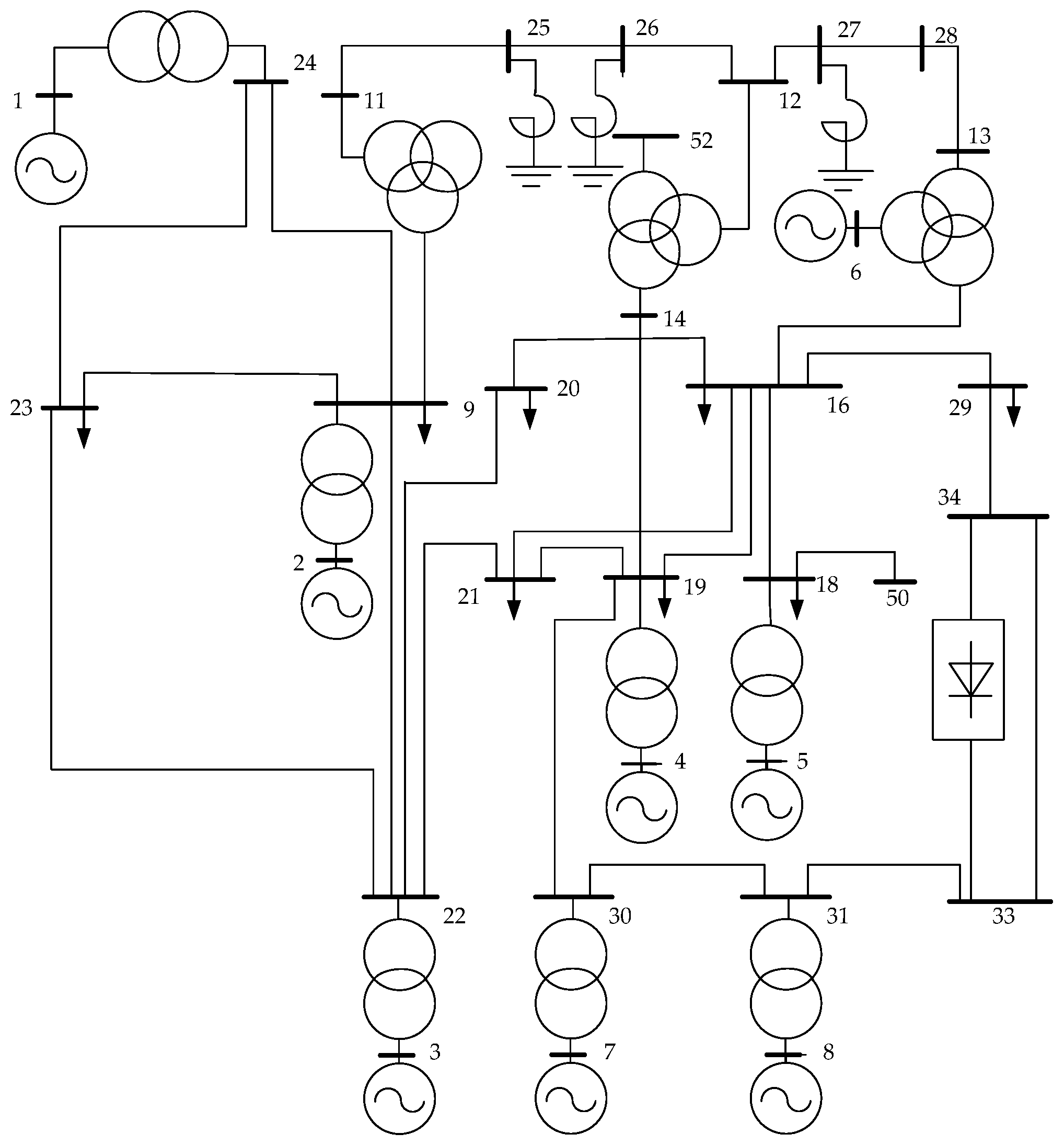
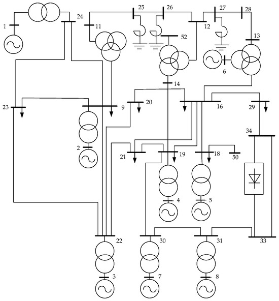
4.1. Simulation Objects and Conditions
4.2. Simulation Results Analysis
4.2.1. Results of Network Parameter Solving Based on Genetic Algorithm
4.2.2. Load Power Growth
4.2.3. Line Breaking
5. Conclusions
Author Contributions
Funding
Data Availability Statement
Conflicts of Interest
References
- Haghighat, H.; Karimianfard, H.; Zeng, B. Integrating energy management of autonomous smart grids in electricity market operation. IEEE Trans. Smart Grid 2020, 11, 4044–4055. [Google Scholar] [CrossRef]
- Mohapatra, S.; Jang, W.; Overbye, T.J. Equivalent line limit calculation for power system equivalent networks. IEEE Trans. Power Syst. 2014, 29, 2338–2346. [Google Scholar] [CrossRef]
- Shultz, R.D.; Muslu, M.; Smith, R.D. A new method in calculating line sensitivities for power system equivalencing. IEEE Trans. Power Syst. 1994, 9, 1465–1470. [Google Scholar] [CrossRef]
- Xie, S.; Hu, Z.; Wu, F. Static equivalent parameter identification method of multi-port external network based on recursive least squares algorithm. Power Syst. Prot. Control 2018, 46, 26–34. [Google Scholar]
- Burchett, S.M.; Douglas, D.; Ghiocel, S.G.; Liehr, M.W.A.; Chow, J.H.; Kosterev, D.; Faris, A.; Heredia, E.; Matthews, G.H. An optimal Thevenin equivalent estimation method and its application to the voltage stability analysis of a wind hub. IEEE Trans. Power Syst. 2017, 33, 3644–3652. [Google Scholar] [CrossRef]
- Yun, Z.H.; Cui, X.H.; Ma, K.G. Online Thevenin equivalent parameter identification method of large power grids using LU factorization. IEEE Trans. Power Syst. 2019, 34, 4464–4475. [Google Scholar] [CrossRef]
- Oatts, M.L.; Erwin, S.R.; Hart, J.L. Application of the REI equivalent for operations planning analysis of interchange schedules. IEEE Trans. Power Syst. 1990, 5, 547–555. [Google Scholar] [CrossRef]
- Sun, H.; Chen, S.; Chang, X.; Lin, W. A tracing algorithm of Thevenin equivalent parameters for power systems with large disturbance. Proc. CSEE 2021, 32, 126–132. [Google Scholar]
- Debs, A.S. Estimation of external network equivalents from internal system data. IEEE Trans. Power Appar. Syst. 1975, 94, 273–279. [Google Scholar] [CrossRef]
- Contaxis, G.; Debs, A. Identification of external equivalent for steady state security assessment. IEEE Trans. Power Appar. Syst. 1978, 97, 409–414. [Google Scholar] [CrossRef]
- Gan, M. A new on-line equivalent method for power grid. J. Shanghai Electr. Technol. 2020, 13, 17–21. [Google Scholar]
- Xiao, J.; Gan, M.; Liu, Y.; Zi, H.; Lin, J. Practical online equivalent method for external grid based on measurement data. Autom. Electr. Power Syst. 2021, 45, 157–163. [Google Scholar]
- Zhang, S.; Wang, H.; Ye, R. Thevenin equivalent impedance online calculation method based on hierarchical estimation. Power Syst. Prot. Control 2023, 51, 90–98. [Google Scholar]
- Yan, W.; Li, S.; Chen, J.; Lu, J.; Guo, L.; Li, Q.; Zhao, X. Parameter estimation for two-port external network static equivalent model on the basis of Internal network measured information. Proc. CSEE 2011, 31, 101–106. [Google Scholar]
- Li, X.; Fang, Y.; Wu, X.; Hou, Y.; Li, Z.; Liu, F. Quantitative index of transient voltage stability based on instability mechanism analysis. Electr. Power Autom. Equip. 2023, 43, 195–202. [Google Scholar]
- Yang, J.; Cao, D. Convergence property of newton’s method for solving a class of singular nonlinear equations. J. Zhengzhou Univ. (Nat. Sci. Ed.) 2015, 47, 1–6. [Google Scholar]
- Li, X.; Liu, Y.; Chen, H.; Tang, W.; Li, P. Comparative study of genetic algorithm and traditional optimization in power load modeling. J. Hunan Univ. (Nat. Sci.) 2005, 2, 29–32. [Google Scholar]
- Feng, K.; Bian, H.; Chen, L.; Liu, X. Study on Optimized Allocation of distributed photovoltaic distribution network energy storage based on genetic algorithm. Process Autom. Instrum. 2024, 45, 64–68. [Google Scholar]
- Yu, J.; Zhu, L.; Yan, W.; Zhao, X.; Lu, J.; Guo, W. Static equivalence of external multi-port network based on measured information of internal network. Electr. Power Autom. Equip. 2013, 33, 32–37. [Google Scholar]
- Chen, J.Y.; Hu, H.; Wang, M.; Ge, Y.; Wang, K.; Huang, Y.; Yang, K.; He, Z.; Xu, Z.; Li, Y. Power Flow Control-Based Regenerative Braking Energy Utilization in AC Electrified Railways: Review and Future Trends. IEEE Trans. Intell. Transp. Syst. 2024; in press. [Google Scholar]
- Lin, H.; Cai, C.; Chen, J.; Gao, Y.; Vazquez, S.; Li, Y. Modulation and Control Independent Dead-Zone Compensation for H-Bridge Converters: A Simplified Digital Logic Scheme. IEEE Trans. Ind. Electron. 2024; in press. [Google Scholar]






| The Node Connected to the Equivalent Machine | P/p.u. | Q/p.u. |
|---|---|---|
| 9 | −3.851 | 0.1798 |
| 14 | −1.0982 | −0.0992 |
| 16 | 2.276 | 1.299 |
| 19 | 2.429 | −0.4645 |
| Method | ξave/% | ξmax/% |
|---|---|---|
| Method of this article | 0.021 | 0.26 |
| Direct hanging equivalent machine method | 0.003 | 0.022 |
| Load Increment | Method | ζave/% | ζmax/% |
|---|---|---|---|
| 1% | Method of this article | 0.088 | 0.34 |
| Direct hanging equivalent machine method | 0.56 | 1.61 | |
| 2% | Method of this article | 0.2 | 0.92 |
| Direct hanging equivalent machine method | 1.15 | 3.15 | |
| 3% | Method of this article | 0.3 | 1.19 |
| Direct hanging equivalent machine method | 1.72 | 4.76 | |
| 10% | Method of this article | 1.04 | 3.91 |
| Direct hanging equivalent machine method | 5.8 | 16.06 |
| Circuit | Method | ζave/% | ζmax/% |
|---|---|---|---|
| 9–23 | Method of this article | 12.51 | 30.77 |
| Direct hanging equivalent machine method | 22.86 | 71.51 | |
| 22–23 | Method of this article | 96.62 | 131.33 |
| Direct hanging equivalent machine method | 196.88 | 1685.1 | |
| 21–22 | Method of this article | 48.47 | 320.33 |
| Direct hanging equivalent machine method | 127.43 | 653.8 | |
| 16–18 | Method of this article | 3.19 | 12.59 |
| Direct hanging equivalent machine method | 14.43 | 36.65 |
Disclaimer/Publisher’s Note: The statements, opinions and data contained in all publications are solely those of the individual author(s) and contributor(s) and not of MDPI and/or the editor(s). MDPI and/or the editor(s) disclaim responsibility for any injury to people or property resulting from any ideas, methods, instructions or products referred to in the content. |
© 2024 by the authors. Licensee MDPI, Basel, Switzerland. This article is an open access article distributed under the terms and conditions of the Creative Commons Attribution (CC BY) license (https://creativecommons.org/licenses/by/4.0/).
Share and Cite
Jiang, X.; Pan, P.; Wang, H.; Liu, L.; Chen, G.; Wang, X.; Han, X. Static Equivalence Method of Power Grid Based on Genetic Algorithm. Electronics 2024, 13, 1647. https://doi.org/10.3390/electronics13091647
Jiang X, Pan P, Wang H, Liu L, Chen G, Wang X, Han X. Static Equivalence Method of Power Grid Based on Genetic Algorithm. Electronics. 2024; 13(9):1647. https://doi.org/10.3390/electronics13091647
Chicago/Turabian StyleJiang, Xiaofeng, Pengyu Pan, Hao Wang, Lei Liu, Gang Chen, Xi Wang, and Xiaoyan Han. 2024. "Static Equivalence Method of Power Grid Based on Genetic Algorithm" Electronics 13, no. 9: 1647. https://doi.org/10.3390/electronics13091647
APA StyleJiang, X., Pan, P., Wang, H., Liu, L., Chen, G., Wang, X., & Han, X. (2024). Static Equivalence Method of Power Grid Based on Genetic Algorithm. Electronics, 13(9), 1647. https://doi.org/10.3390/electronics13091647

