Abstract
With the ongoing development of electronic power technologies, harmonic pollution in the power grid has become a topic of great concern. This study takes a substation as its background. The safe and steady operation of the station’s equipment was impacted by a 10 kV bus’s harmonic current, which was significantly higher than the required amount. We propose a sliding-mode current decoupling control strategy based on an internal model to address the problems of complex harmonic current detection and distortion in the power supply current when there are nonlinear load changes in hybrid active power filters. By establishing a mathematical model for a HAPF, our proposed strategy can be used for inner current loops with the goal of stability, decoupling control between the d- and q-axes, fast-tracking harmonic reference currents, and optimizing the controller by enhancing the system’s anti-jamming performance to ensure that the system operates stably when line parameter ingressions or step changes in the load demand occur. The outer voltage loop uses the fractional-order sliding-mode control method to keep the capacitor voltage smooth and to dynamically adjust when the load changes suddenly. Finally, this filter is compared with a filter controlled by a PI in MATLAB/Simulink, and the feasibility and effectiveness of the proposed control strategy are verified based on a diode-embedded three-level parallel-type HAPF platform. The simulation and experimental results show that our sliding-mode current decoupling control strategy based on the internal mode is characterized by simplicity, stability, and fast responses.
1. Introduction
With the social economy growing at a rapid pace in recent years, nonlinear equipment has been used in power systems more frequently. The large number of applications for nonlinear equipment in industry, commerce, and all kinds of new energy grids has resulted in serious harmonic pollution in the power grid. The distortion of voltage and current waveforms in the power network causes these systems to run at a loss, and an excessive harmonic current affects the correct operation of relay protection devices. Given its detrimental effects on the reliable and safe operation of system equipment, harmonic pollution has emerged as a significant issue that requires immediate attention [1,2,3]. Traditional passive power filters (PFs) used for harmonic management and reactive power compensation technology cannot meet the requirements of power quality; thus, the use of active power filters (APFs) for dynamic real-time compensation in grid harmonics has become an effective way to reduce harmonic pollution. However, there are limitations due to the capacity period and costs, so APFs are more difficult to use for wide applications with respect to high-voltage change. For this reason, hybrid active power filters (HAPFs) have been rapidly applied because of their fast responses, high controllability, and excellent voltage resistance [4,5,6].
Researchers investigating HAPFs are paying closer attention to power grid harmonic management. The earliest shunt hybrid active power filters can be divided into the APF and PF parallel models and the APF and PF series models, as well as an injection circuit method of three major categories. Their similarities reduce the capacity of the APFs and solve the problem of passive filters susceptible to grid impedances [7,8,9]. The field of power electronics technology is developing quickly, so researchers have investigated new HAPFs with better topology performance than traditional HAPFs. For example, in [10], a novel hybrid structure that combines a hybrid active power filter with a static reactive power compensator in tandem (SVC//HAPF) is presented. The SVC in this topology performs dynamic reactive power adjustments, while the HAPF part is responsible for a small amount of reactive power compensation and harmonic management. This hybrid active filter shows great promise in compensating harmonic currents and a wide range of reactive power. As for HAPF control systems, typically, one uses a double closed-loop controller that combines the voltage outer loop and the current inner loop [11]. The traditional PI control method can theoretically achieve DC signal non-differential tracking, but it is difficult when the command signal is an AC signal in a HAPF [12]. Decoupling between the d- and q-axes is incomplete during operations, and changes in the system’s d-axis current can cause changes in the q-axis current, which affects performance [13]. A control strategy based on conventional PI control, with repeated control and PI control in parallel, has been suggested in the literature [14]. Relative to the conventional theory of PI control, this method improves steady-state accuracy, but its dynamic performance is still determined by the PI control, and there is still the problem of incomplete decoupling. The authors of [15] propose a sliding-mode APF control technique that employs a modified exponential convergence law and saturation function to weaken jitter during sliding-mode control. The authors of [16] proposed an integral sliding-mode control method that strengthens the exponential convergence law to reduce jitter and minimize high-frequency noise interference by incorporating the state variable integral into the sliding mode’s surface. The authors of [17] proposed a multi-resonance sliding-mode control method that achieves the high-precision chasing of arbitrary high-frequency periodic signals by adding multiple resonant terms for current tracking errors on the sliding-mode surface; however, this model’s computational complexity is high. The authors of [18] proposed a super-helical second-order sliding-mode control method that shifts the discontinuous terms in the sliding-mode control output signal to a higher order, thus making the control quantities continuous in time to weaken jitter.
In this study, we designed a voltage–current double closed-loop control architecture based on a mathematical HAPF model; the inner-loop current is controlled by sliding-mode current decoupling, thus fast-tracking the harmonic current in the system. We optimized the system’s anti-interference and the design of the appropriate control law to ensure that the system’s parameters occur during regression and can quickly restore stability. The outer voltage loop uses a fractional-order sliding-mode control method to keep the capacitor voltage stable and to realize dynamic regulation and anti-disturbance capabilities when the load changes suddenly. MATLAB/Simulink-based simulation analysis and experimental verification of a diode-embedded three-level shunt-type HAPF platform demonstrate the superiority of the proposed control strategy.
In the first part of this paper, we present the load profile of the background substation and analyze the causes of the harmonic excesses in this substation. In the second part, the topology of the active power filter is introduced, and a mathematical model is established on the basis of the topology. Through the analysis of the mathematical model, it can be seen that there are a large number of coupling terms between the d- and q-axes. In the third part, the proposed controller is designed with a fractional-order sliding-mode control strategy for the voltage outer loop and a sliding-mode current decoupling control strategy for the current inner loop. Finally, the feasibility and practicality of the proposed control strategy are demonstrated through simulation and experiment.
2. Research Background and HAPF Mathematical Model
2.1. Research Background
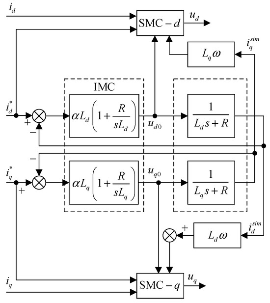
We used a substation in the Hunan region as the research background. A wiring diagram of the substation is shown below (Figure 1). The highest voltage level of the substation is 110 kV. The station’s 10 kV busbar uses a single-busbar segmented wiring method, and the bus tie switch is in the open state. There are two main transformers installed at the station with capacities of 50 and 31.5 MVA. There are two reactive power compensation capacitors installed at the substation installed on the 10 kV I bus and II bus. The minimum short-circuit capacity of the busbar is 124.6 MVA.
Figure 1.
Primary wiring diagram of the substation.
Surveys of customers in the area supplied by the substation show that it mainly supplies power to urban residents and industrial parks. The industrial park contains a large number of iron and steel smelting plants. The main nonlinear equipment at the steel smelting plant is a six-vein intermediate frequency power supply. The six-vein IF power supply circuit topology is equivalent to a three-phase six-vein fully controlled bridge rectifier circuit [19]. By using Fourier analysis and ignoring the three-phase bridge thyristor finishing circuit phase change process and current pulsation, and treating the focus of the current’s negative and positive half-waves as time zero, the AC side of the A-phase current expression can be introduced as follows (1):
Equation (1) shows that the six-vein intermediate frequency power supply generates a large number of 6 k ± 1 harmonics during operations, which is the main reason it exceeds the harmonic current of the busbar at the station. During recent harmonic current detection at the substation, it was found that the harmonic current content of the 10 kV I bus exceeded the standard, among which the 5th, 7th, 9th, and 11th harmonic currents all exceeded the national standard. The harmonic current values were 38.94, 30.32, 16.58, and 18.32 A, respectively; according to [20] and the substation bus’s minimum short-circuit capacity, the limits of the 5th, 7th, 11th, and 13th harmonic currents are 24.9, 18.68, 11.58, and 9.84 A. Thus, they exceeded the limits by 14.04, 11.64, 13.74, and 4.9 A, respectively. The harmonic distortion rate reached 21.95%. Excessive harmonic current can affect the proper functioning of relay protection devices and can affect the safe and stable operation of power grid equipment. Therefore, the local power supply company urgently needs to formulate a plan to control harmonics, and an active filter is the best solution to the above problems.
2.2. HAPF Mathematical Model
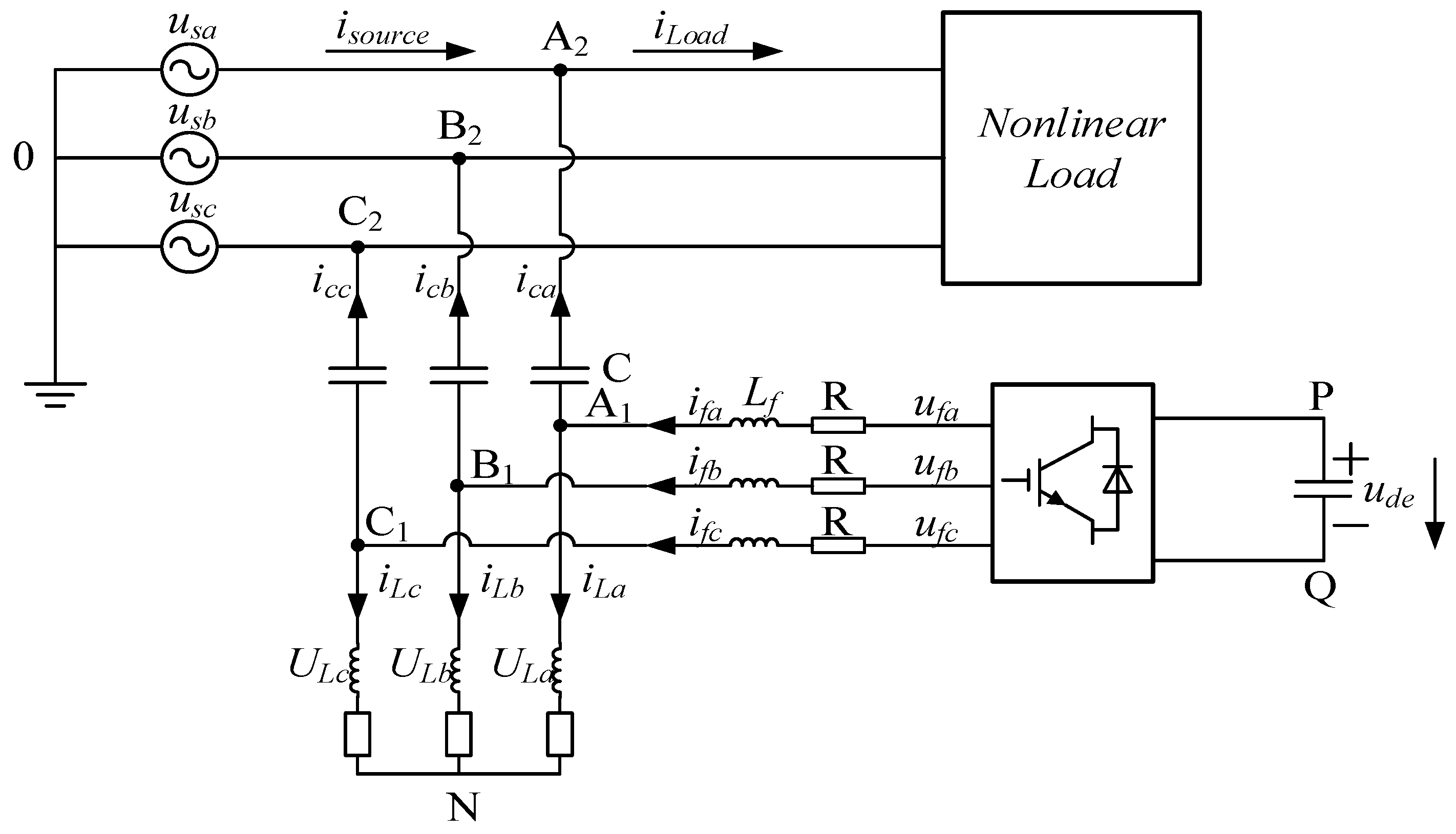
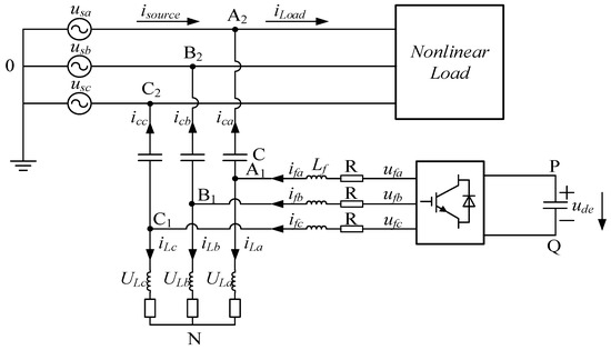
Figure 2 displays the primary topology circuit schematic for a HAPF.
Figure 2.
Diagram of the HAPF’s main topology circuit.
represent the power grid’s three-phase voltage; represent the active filter’s output voltage; represent the voltage across the inductance of the filter; represent the output current of the converter; denote passive-branch inductor currents; represents the DC-side voltage. According to Kirchhoff’s law, a mathematical model of the synchronous rotating coordinate system can be constructed based on Figure 2 as follows. A detailed explanation of the symbols used in this paper is provided in Table 1.
where L represents filter inductance; R is the system and filter inductor’s internal resistance; represent the d- and q-axis components of the grid voltage. The d- and q-axis components of the grid current are represented by id and iq, and ω indicates grid frequency.
Table 1.
Symbol description.
3. Controller Design
Given the inconsistency of harmonic current, DC-side voltage fluctuation, and rates, separate controls are applied to the voltage outer loop and the current inner loop. The voltage outer loop uses a fractional-order sliding-mode control method, and the current inner loop uses a sliding-mode current decoupling control strategy.
3.1. Design of the Voltage Outer Loop Controller
According to the principle of voltage-oriented vector control, a fractional-order sliding-mode controller is designed. The voltage tracking error is the input, and the current inner loop’s d-axis reference value is the output. ed and eq are the disturbance signals. From Equation (2), a model of the inner-loop current subsystem can be obtained.
Ignoring the resistance value of the filter inductance, L, and switching loss, the DC input power and AC output power of the APF satisfy
When the output reactive current is zero,
The voltage deviation is defined as , where is the target voltage signal. The following is a selection of the control surface for the fractional-order sliding mode:
where is the fractional-order integral operator; α is the order of the fractional-order integral operator; 0 < α < 1; c1 is the positive definite adjustment parameter.
The derivation of Equation (6) yields
and
The choice of the exponential convergence law is
In the formula, and .
From Equation (4) to Equation (9), the reference value of the current inner loop is
3.2. Current Inner-Loop Controller Design
3.2.1. d- and q-Axis Decoupling
According to Equation (2), for the grid current, and , the HAPF is a first-order time lag link, and the d-axis and q-axis currents generate coupled electromotive forces in the q-axis and d-axis directions, respectively.
If and are completely decoupled, Equation (2) can obtain the following:
where Ud0 and Uq0 are the d- and q-axis voltages after current decoupling, respectively.
The Laplace transform of (10) can be obtained:
where
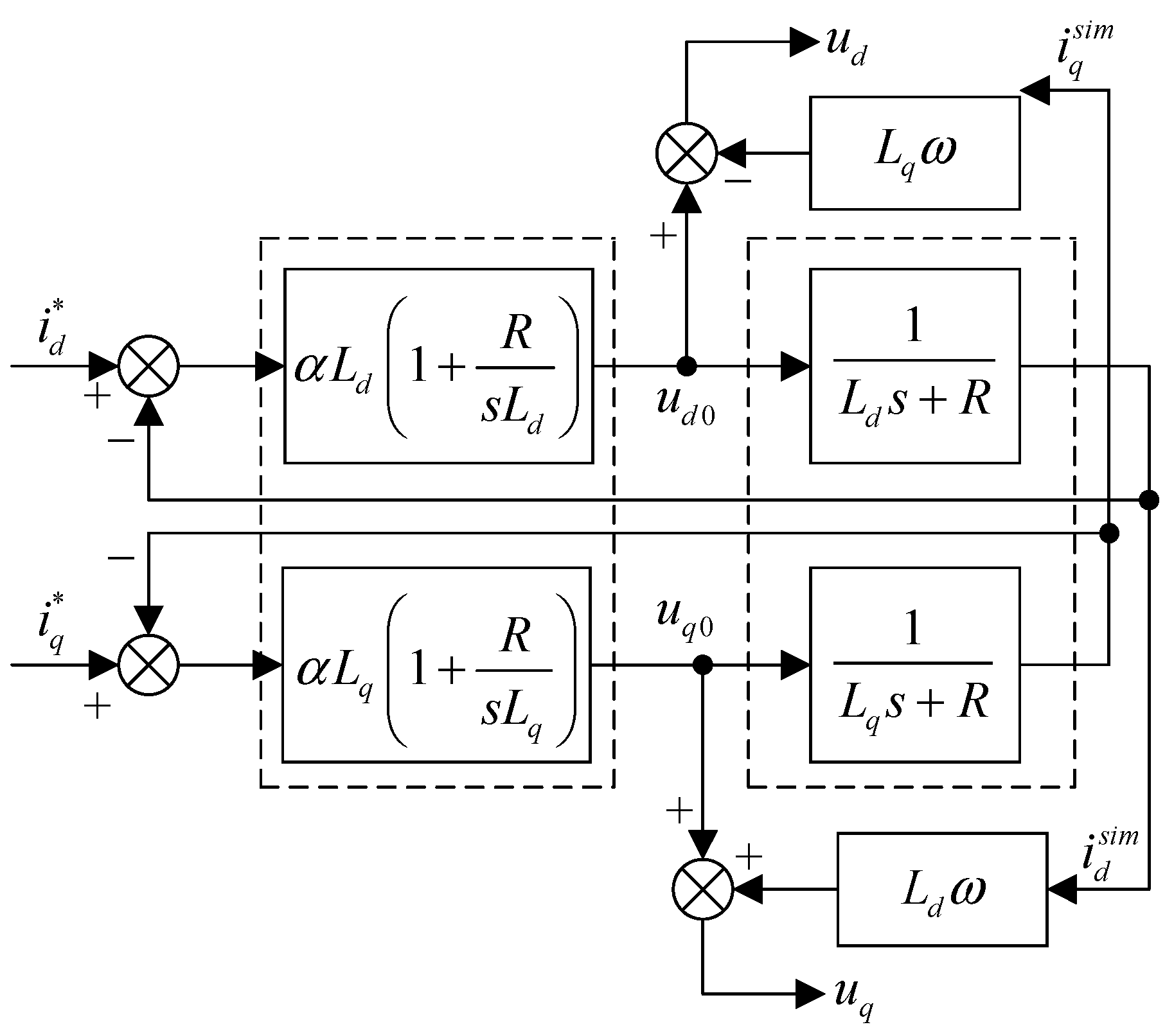
3.2.2. Internal-Model Control (IMC)
The current IMC-based decoupling strategy is a reliable control technique. The principle is shown in Figure 3, where is the system model, is the internal model, and is the controller.
Figure 3.
The principle of the current decoupling strategy of internal-model control.
Assuming the internal model is precise, that is, , the system’s transfer function is also precise, and there is no feedback link.
Therefore, the system’s stability can be guaranteed only if and are stable.
The dotted line in Figure 3 is represented by ; thus,
According to Equation (12), since has no zero point in the right-half plane, and the system is a first-order system, , so we can define
where , and is the modulation coefficient.
Substituting Equation (15) into Equation (14), the internal-model controller can be defined as
Substituting Equation (15) into Equation (13), the system transfer function matrix can be determined as follows:
By comparing Formula (16) with the traditional PI system, it can be seen that the adjustment parameters are reduced from 2 to 1, and the system has no overshoot, which is naturally stable, thus reducing the difficulty of parameter adjustment. The response speed of the system is directly related to . If the response time, tr, is defined as the time required for the system to respond to 10% to 90% of the step, then
Therefore, given the requirements of the system’s dynamic response time, can be directly determined according to Equation (18), which avoids repeated tests. At the same time, Formula (18) also shows that reducing will prolong the system’s response time; increasing will accelerate the response speed of the system, but cannot be infinitely increased. In practice, the response time of the system is limited by the electrical time constant.
By replacing with in Figure 3, a system model based on internal-model control can be obtained, as shown in Figure 4: is the output current of the system model after the d- and q-axis current is completely decoupled, which is defined as
Figure 4.
Decoupling model of a system based on an internal-model control.
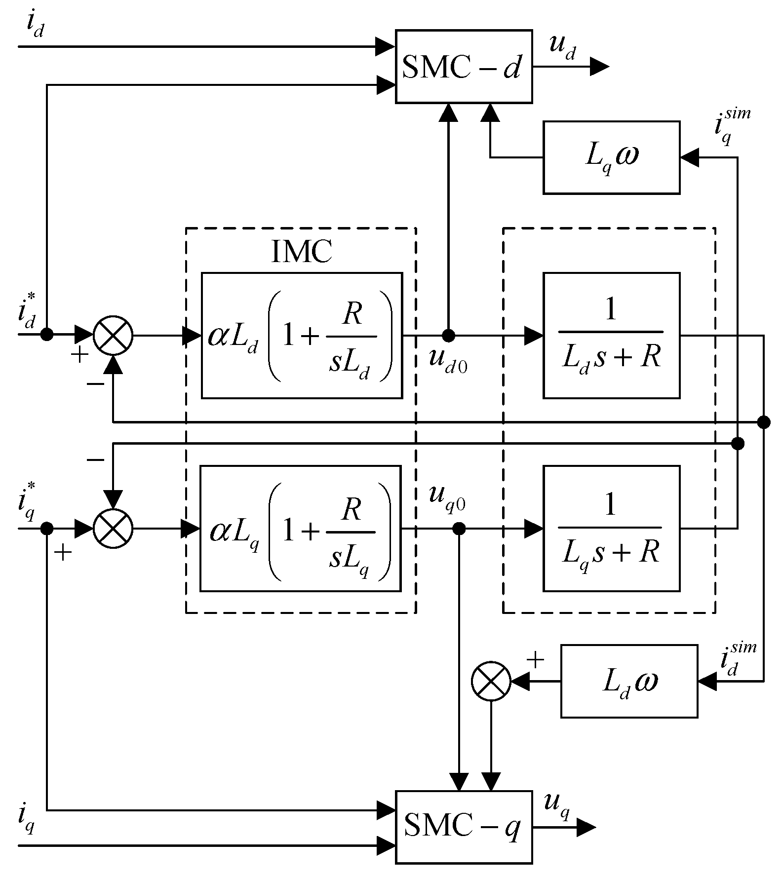
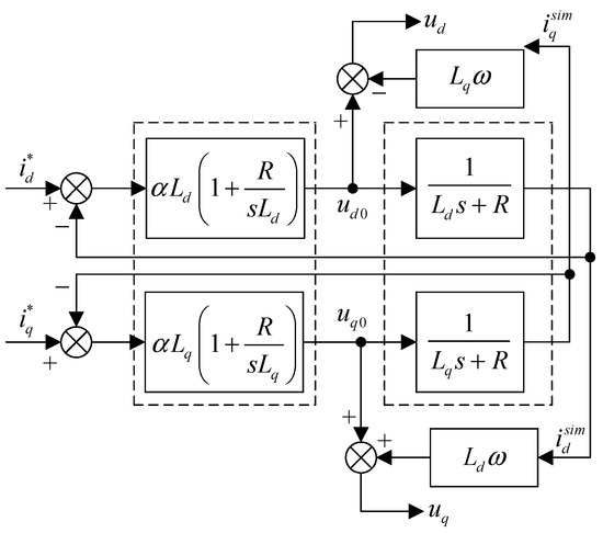
An open-loop control principle based on an internal model is shown in Figure 5. The output voltage, Ud0 and Uq0, of the internal-model control current decoupling strategy and the voltage of the d- and q-axis current coupling part are added to obtain
Figure 5.
Open-loop control principle based on an internal model.
If the HAPF model parameters and APF parameters in Figure 5 are the same, the output voltage, and , in Figure 6 can be applied to the HAPF, and the real current, and , will be the same as the model current.
Figure 6.
Principle of d-axis current sliding-mode control.
3.2.3. Sliding-Mode Current Decoupling Control (SMC)
Here, , , and are the changes in L, R, and , respectively; and are the equivalences of various external disturbances and unmodeled parts.
Finding an appropriate control law u that ensures that the state trajectory displayed in (21) is consistent with (2) is the aim of robust control. Therefore, the simplest method is to add to the control law of the ideal system so that the effect of can eliminate the disturbance, .
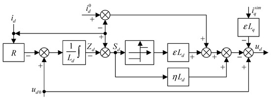
To enhance the effectiveness of the existing decoupling approach via internal-model control, as depicted in Figure 5, and to improve the robustness of the system to ensure that the sliding-mode control output satisfies Equation (24), a sliding-mode control technique is devised. Given that the system is only resistant to disturbances during the sliding-mode phase and not during the reaching phase, to guarantee the system’s resilience, the system must operate as much in the sliding-mode phase throughout the entire motion process. Therefore, the sliding-mode surface of the d-axis current [17] is defined as
where is the d-axis voltage output from the current decoupling strategy based on the internal-model control in Figure 5, that is, the voltage in Equation (20) following the decoupling of the d- and q-axis current. To prevent approaching motion and guarantee the system’s robustness throughout the entire motion process, the sliding-mode surface ensures the system state trajectory is on it at the outset.
Equation (2) is substituted into Equation (23), is used instead of , and the sliding surface is derived with respect to time t.
We then select the Lyapunov function:
Equation (25) is then derived with respect to time:
According to the Lyapunov stability theory, to ensure the stability of the system, is required, and the system must have good dynamic quality in the motion stage. Therefore, the d-axis current sliding-mode control law is defined as
Substituting Equation (24) and Equation (27) into Equation (26), we obtain
Therefore, as long as and , can be ensured. This ensures the accessibility and existence of the d-axis current sliding mode; in other words, the system can achieve sliding-mode motion, ensuring the stability of the d-axis current sliding-mode control system.
The d-axis current sliding-mode control principle is shown in Figure 6.
The current sliding-mode surface of the q-axis is defined as
The q-axis current sliding-mode control law is defined as Equation (30), which also proves that the q-axis current sliding-mode control system is stable.
To suppress the sliding-mode chattering problem, the saturation function (31) is used instead of the sign function in (27) and (30).
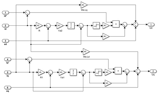
Figure 7 shows a HAPF current decoupling control principle combining internal-model control and sliding-mode control.
Figure 7.
Principle of the sliding-mode current decoupling control strategy.
3.3. Proof of Robustness
When the system operates, external disturbances, perturbations in the parameters, and other factors can have an impact on the switching function. According to Formula (21), Formula (24) can be redefined as
Substituting Equations (26) and (31) into Equation (25),
Therefore, as long as can prove , the system’s sliding mode is independent of parameters and outside disruptions, thus proving the robustness of the whole system. Similarly, the robustness of the q-axis current sliding-mode control can be proved. Therefore, the control strategy proposed in this paper has strong robustness.
4. Simulation Analysis and Experimental Analysis
4.1. Simulation Analysis
To confirm the accuracy and practicability of the control strategy suggested in this research, a MATLAB/Simulink 2018b simulation model of the HAPF system was created with the parameters listed in Table 2.
Table 2.
Simulation parameters of the HAPF system.
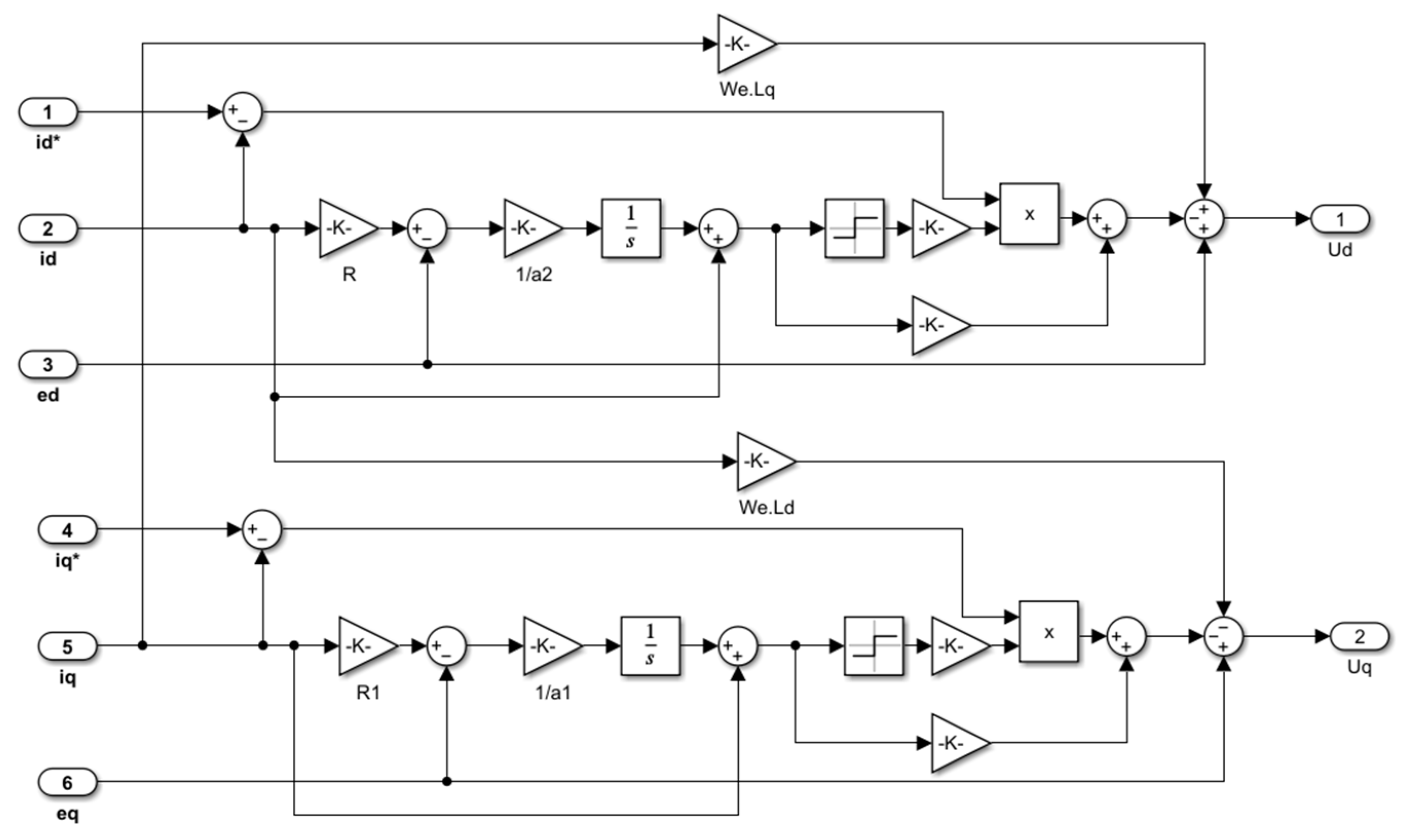
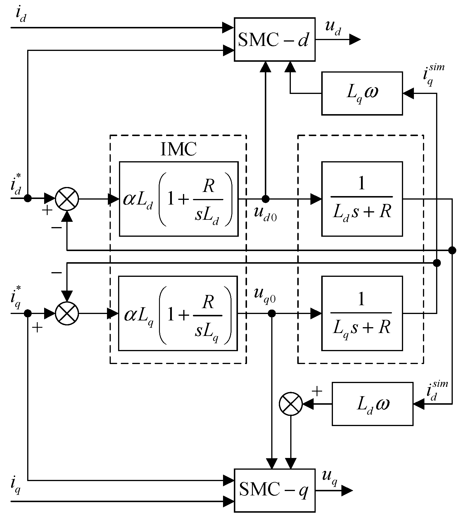
A block diagram of the current inner-loop control system is shown in Figure 8. The current inner-loop controller adopts a sliding-mode current decoupling control strategy based on the internal mode, which is beneficial to decoupling the d- and q-axes in order fast track the reference current and enhance the filtering effect of the system.
Figure 8.
Block diagram of sliding-mode current decoupling control based on the internal mode.
To simultaneously compare the steady-state and dynamic control performance of the two control strategies, the nonlinear load resistance halved at 0.5 s (which corresponds to a sudden increase in the load current to two times the original value) and recovered at 1 s (so that the load current is restored to the original value by a sudden decrease). Simulation graphs are shown in Figure 9 and Figure 10 with the A-phase as an example:
Figure 9.
Capacitor current.

Figure 10.
Simulation at the time of load surge. (a) Sudden change in load current at 0.5 s, (b) Filter tracking current, (c) DC-side voltage.
The capacitor current simulation graph is shown in Figure 9:
As shown in Figure 9, regarding the capacitor current, the HAPF goes into operation at 0.05 s and stabilizes at 0.09 s after a transition time of 0.04 s. During the load current surge phase, the capacitor current stabilizes at 0.52 s after an excess time of 0.02 s. During the stage of sudden load current reduction, the capacitor current reaches a steady state at 1.06 s after an excessive time of 0.06 s.
Firstly, an analysis of the two control techniques’ filtering effects is performed from the perspective of steady-state control. Figure 10b and Figure 11b show that both strategies can track the harmonic currents well in the steady-state phase, and the harmonic current tracking effect does not present a significant difference. For the DC-side voltage in the same figure, the DC-side voltage fluctuation is almost the same as conventional PI control and sliding-mode current decoupling control when the compensation current of the HAPF system is stabilized at a fixed value. The steady-state fluctuations in DC voltage at a load current amplitude of 126 A are 5 and 2 V. The steady-state fluctuations in DC voltage at a load current of 285 A are 7 and 10 V. Thus, the percentage fluctuation gap is small. The above analysis shows that there is little difference between the performance of traditional PI control and sliding-mode decoupling control in terms of harmonic current tracking and DC voltage control during steady-state control, but the sliding-mode current decoupling control still has advantages.

Figure 11.
Simulation effect of sudden load reduction. (a) Sudden change in load current at 1.0 s, (b) filter tracking current, and (c) DC-side voltage.
Next, the filtering effect of the two control strategies is analyzed from a dynamic control perspective. Figure 10b and Figure 11b show that the compensation current waveform generated by the traditional PI control has an obvious error with the tracking command current signal at 0.5 and 1.0 s when the load current changes suddenly. It cannot track without a difference. The compensation current waveform of our strategy matches the tracking command current signal, and the current tracking effect is better. The gap in voltage modulation on the DC side with different control strategies can be observed more clearly in Figure 10c and Figure 11c. During the 0.5 s load current surge phase, the PI-controlled DC voltage drop is as high as 110 V, and the whole transition process lasts for 0.15 s. When the fluctuation amplitude of the DC-side voltage is only 32 V while using the sliding-mode current decoupling control, the transition time shortens to 0.02 s. Similarly, after the sudden load current change at 1.0 s, the PI-controlled DC-side voltage drop is 120 V for 0.16 s, and the sliding-mode current decoupling control DC-side voltage fluctuation amplitude is 45 V for 0.04 s. The performance of the dynamic response speed of the DC-side voltage, and the dip amplitude is reflected in the output compensation current of the HAPF. The overshoot amplitude of the compensation current of the sliding-mode current decoupling control can also be reduced from 145 A to 132 A if there is a sudden change in load caused by the PI control.
Finally, the effect of the internal-model-based sliding-mode current decoupling control is compared with a traditional PI control strategy. After implementing the two control strategies, an FFT analysis of the system’s harmonic compensation was conducted, as shown in Figure 12. The total harmonic distortion rate of the system’s current was 21.95% before compensation; the traditional PI control for the harmonic compensation and the total harmonic distortion rates of the system’s current reduced to 3.83% with the sliding mode current decoupling control strategy. The total harmonic distortion rate after compensation is reduced to 1.89% with lower harmonic content (Figure 13 and Table 3).
Figure 12.
Total harmonic current distortion rate before compensation.
Figure 13.
Total harmonic distortion rate after compensation. (a) PI Controller. (b) Improved controllers.
Table 3.
Comparison of harmonic current before and after filtering.
The simulation graphs show that the system can maintain smooth operation under constant parameters; when the circuit’s nonlinear load changes suddenly, the system can be restored to a smooth state on patrol, with a small static difference in steady-state operations and strong robustness. The control strategy based on decoupling sliding-mode currents can effectively serve the harmonic currents and capacitive voltage tracking errors caused by changes in the line parameters, and it has strong robustness, which is proved by the simulation results. The simulation results prove the rationality and effectiveness of the control strategy proposed in this study.
4.2. Experimental Analysis
A three-level parallel HAPF experimental platform based on diode clamping was established. The platform was tested using a fully digital control system based on a TMS320F28335 digital signal processor (TI Corporation, Dallas, TX, USA) + XCS200 field programmable gate array. The DC-side capacitance is Cdc = 5400 μF; the passive filter parameters are Cp = 145 μF and LP = 2.5 mH; the DC-side capacitance is Udc = 16 kV; the load is an inverse–parallel thyristor impedance with a resistance of 100 Ω and an inductance of 2 mH.
Figure 14 and Table 4 show that the compensated grid-side current can be effectively controlled within 5% after adopting a synovouplinial current decg control strategy. The system obtains a good harmonic compensation effect, and the grid-side current can accurately track the control current.
Figure 14.
Grid current waveform before and after compensation: THD.
Table 4.
Harmonic analysis after compensation.
5. Conclusions
By establishing a mathematical HAPF model, we were able to design a nonlinear control strategy combining current inner-loop sliding-mode decoupling control and voltage outer-loop fractional-order sliding-mode control. Its stability and jitter were analyzed, and its corresponding double-closed-loop controller was designed. Through simulation and experimental verification, the sliding-mode current decoupling control strategy was used to control the HAPF, which tracked the filter output current in real time. The superiority of the proposed control strategy in terms of the current tracking effect, DC-side voltage stabilization control, and filtering performance was confirmed by comparing it with a traditional PI control strategy under steady-state and dynamic conditions.
Author Contributions
C.P. proposed the research problems and designed the research schemes; H.D. participated in the field investigation, simulation model building, graphics production, and thesis writing; Z.L. took part in the writing, editing, and review process; Z.L. played a role in data processing and verification, writing, review, and editing. All authors have read and agreed to the published version of the manuscript.
Funding
This research was funded by the National Natural Science Foundation of China, grant number 52377185.
Data Availability Statement
The simulation parameters of each module are provided in the paper, and the relevant data for the training operation can be obtained by contacting the authors via email.
Conflicts of Interest
The authors declare no conflicts of interest.
References
- Li, Q.Z. The generation and harm of power grid harmonics, as well as harmonic suppression and treatment technology. In Technological Innovation and Economic Structure Adjustment; Bai, B.Y., Ed.; Inner Mongolia People’s Publishing House: Hohhot, China, 2012; pp. 963–966. [Google Scholar]
- Xu, N. Criticality analysis and suppression measures of high voltage power harmonic. Autom. Appl. 2013, 2, 66–68. [Google Scholar]
- Alasali, F.; Nusair, K.; Foudeh, H.; Holderbaum, W.; Vinayagam, A.; Aziz, A. Modern optimal controllers for hybrid active power filter to minimize harmonic distortion. Electronics 2022, 11, 1453. [Google Scholar] [CrossRef]
- Xue, H.; Wang, Y.F. Passivity-based adaptive sliding mode control of shunt active fiters. Electr. Power Autom. Equip. 2011, 31, 60–64. [Google Scholar] [CrossRef]
- Bhattacharya, A.; Chakraborty, C. A shunt active power filter with enhanced performance using ANN-based predictive and adaptive controllers. IEEE Trans. Ind. Electron. 2011, 58, 421–428. [Google Scholar] [CrossRef]
- Rahmani, S.; Hamadi, A.; Mendalek, N.; Al-Haddad, K. A new control technique for three-phase shunt hybrid power filter. IEEE Trans. Ind. Electron. 2009, 56, 2904–2915. [Google Scholar] [CrossRef]
- Wang, Z.A.; Liu, J.J.; Wang, Y.; Yang, J. Harmonic Suppression and Reactive Power Compensation, 3rd ed.; China Machine Press: Beijing, China, 2015. [Google Scholar]
- Wang, L.; Lam, C.S.; Wong, M.C. Selective compensation of distortion, unbalanced and reactive power of a thyristor-controlled LC-coupling hybrid active power filter (TCLC-HAPF). IEEE Trans. Power Electron. 2017, 32, 9065–9077. [Google Scholar] [CrossRef]
- Zhang, M.; Wen, J.M.; Wu, S.Y.; Guan, Y.C.; Feng, C.S.; Lu, J.H. Dual-loop control of hybrid active power filter. Electr. Mach. Control 2023, 27, 119–126. [Google Scholar] [CrossRef]
- Liang, Y.Y.; Liu, J.Z.; Li, Z.Y. Improved deadbeat-repetitive control strategy for active power filter. Trans. China Electrotech. Soc. 2018, 33, 4573–4582. [Google Scholar] [CrossRef]
- Sun, Z.K.; Song, L.G.; Gao, Y.; Chen, H.N. Research on PI decoupling control algorithm for series hybrid active power filter. Power Electron. 2021, 55, 41–44. [Google Scholar] [CrossRef]
- Geng, P. Control and Design of Three-Phase Three-Wire Shunt Active Power Filter. Master’s Thesis, Huazhong University of Science and Technology, Wuhan, China, 2006. [Google Scholar]
- Kong, L.J.; Zhang, X.; Li, X.X.; Li, C.J. Research on DC-side voltage fuzzy internal model of shunt active power filter. Trans. China Electrotech. Soc. 2011, 26, 224–228. [Google Scholar] [CrossRef]
- Wang, F.; Zhang, X.; Zhang, X.L.; Cao, Y.J. Research on control method of active filter based on sliding mode variable structure. Power Electron. 2022, 56, 91–94. [Google Scholar] [CrossRef]
- Cao, X.Q.; Ge, Q.X.; Zhu, J.Q.; Sun, P.K.; Wang, X.X. Traction-system research of high-speed maglev train based on integral sliding mode control. Trans. China Electrotech. Soc. 2022, 37, 3598–3607. [Google Scholar] [CrossRef]
- Hao, X.; Yang, X.; Liu, T.; Huang, L.; Chen, W.J. A sliding-mode controller with multiresonant sliding surface for single-phase grid-connected VSI with an LCL filter. IEEE Trans. Power Electron. 2013, 28, 2259–2268. [Google Scholar] [CrossRef]
- Gong, C.; Sou, W.K.; Lam, C.S. Second-order sliding-mode current controller for LC-coupling hybrid active power filter. IEEE Trans. Ind. Electron. 2021, 68, 1883–1894. [Google Scholar] [CrossRef]
- Qian, C.Y.; Wang, L.K.; Zhao, Y.; Lian, T.; Wang, B.A. The application of APF in harmonic control of the 6-pulse IF furnace. Electr. Power Eng. Technol. 2013, 32, 19–22. [Google Scholar] [CrossRef]
- Yu, Z.D.; Jin, X.C.; Tan, J.B.; Fu, Y. Power regulation control in rectification and inversion for power supply with parallel resonant in mid-frequency based on FSM. Power Electron. 2024, 58, 19–22. [Google Scholar]
- GB/T14549-93; Quality of Electric Energy Supply. Harmonics in Public Supply Network. Standardization Administration: Beijing, China, 1993. Available online: https://openstd.samr.gov.cn/bzgk/gb/newGbInfo?hcno=10A576E61901DA59E9A6AC555C2BAFD1 (accessed on 24 March 2024).
Disclaimer/Publisher’s Note: The statements, opinions and data contained in all publications are solely those of the individual author(s) and contributor(s) and not of MDPI and/or the editor(s). MDPI and/or the editor(s) disclaim responsibility for any injury to people or property resulting from any ideas, methods, instructions or products referred to in the content. |
© 2024 by the authors. Licensee MDPI, Basel, Switzerland. This article is an open access article distributed under the terms and conditions of the Creative Commons Attribution (CC BY) license (https://creativecommons.org/licenses/by/4.0/).















