Abstract
This work presents a novel, fully integrated low-dropout (LDO) regulator optimized for low-power applications with a wide load current range. By utilizing dynamic biasing to improve transient response, the LDO regulator achieves impressive performance with 0.26 V/mA load regulation (LDR) and 19.92 V/V line regulation (LNR). It also features a fast 8.6 s settling time during load transitions up to 30 mA and a low quiescent current of 6.3 A. The LDO regulator maintains a 1.8 V output for input voltages ranging from 2.1 V to 3.3 V, with a dropout voltage of 100 mV and supports load currents from 0.3 mA to 30 mA over a temperature range of −40 °C to +85 °C. The design, implemented in a standard 180 nm CMOS process, offers high accuracy and efficiency, making it a well-suited solution for battery-powered systems.
1. Introduction
The increasing demands for low-power applications (i.e., telecommunication systems and battery-powered systems for Internet-of-Things (IoT) and System-on-Chip (SoC)) has made efficient power management mandatory [1,2,3]. To meet the strict requirements of state-of-the-art applications, power management circuits like LDO regulators are essential for delivering stable, low-noise power to various components. At the same time, the need for completely on-chip solutions remains a crucial goal for researchers, as they offer benefits like reduced system complexity, lower production costs, improved reliability, and enhanced performance by eliminating the need for external components and interconnections. Consequently, efficient and fully integrated LDO design has become a key area of research in recent years [4].
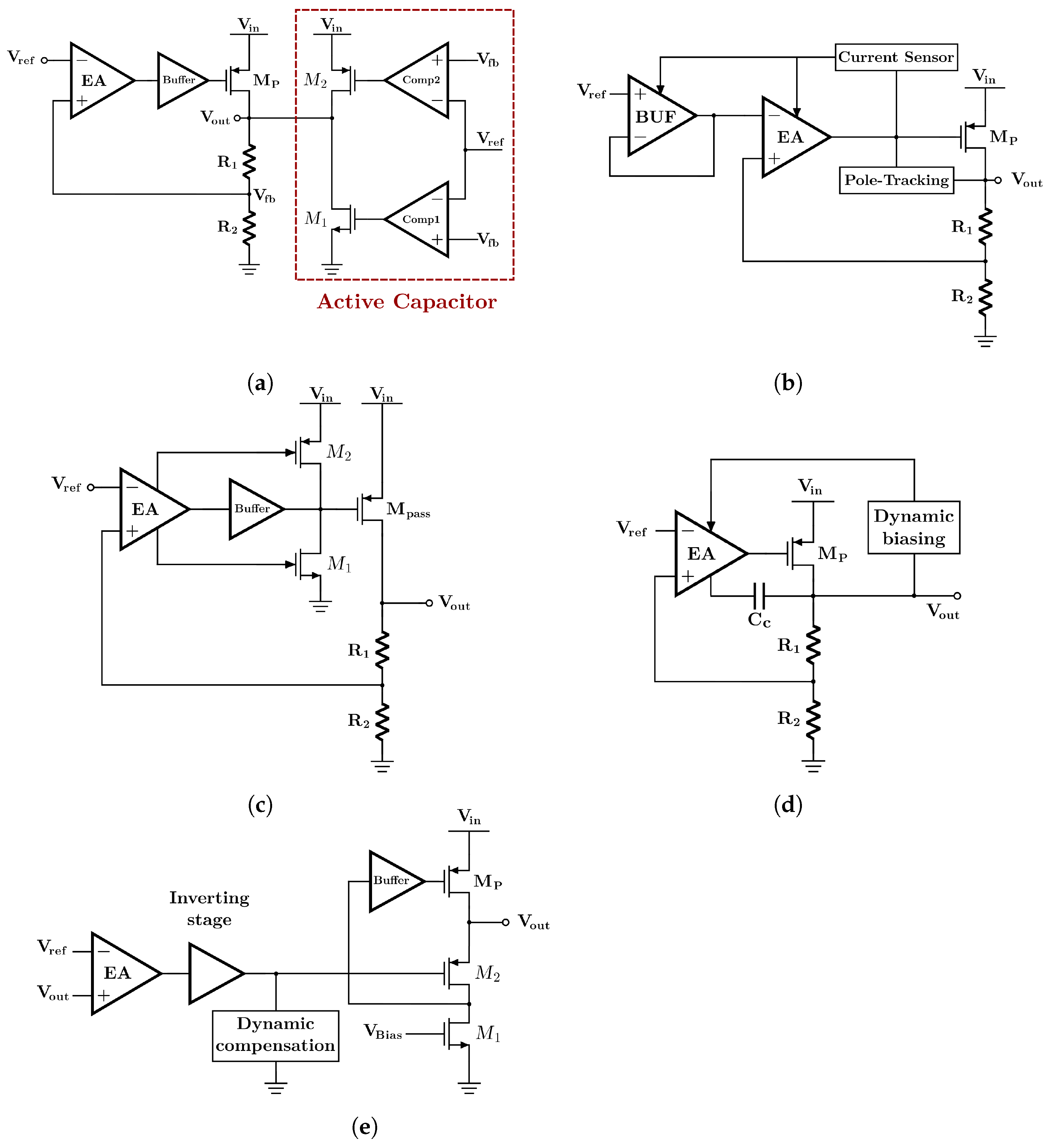
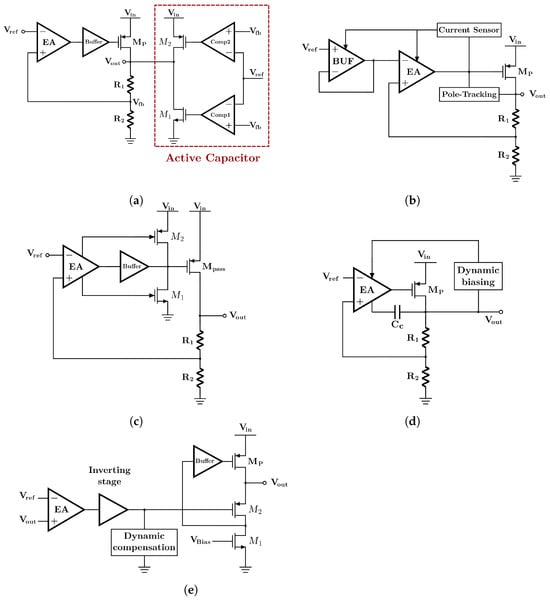
An LDO regulator regulates the system’s supply voltage over a wide range of battery voltages and load currents. To ensure stability across this operating range, conventional LDO topologies rely on large external output capacitors (i.e., bypass and compensation capacitors), which occupy significant space on the printed circuit board (PCB) and require an additional pad on the final chip exclusively for the LDO output. As a result, fully integrated LDO designs, which eliminate the need for bulky external components, have become a crucial area of research, aiming to reduce the system footprint while maintaining stability and performance across varying conditions. In this regard, various topologies have been explored. Approaches such as capacitance simulation combined with on-chip Miller compensation [5] and the use of quasi-floating gate (QFG) MOS transistors [6,7] have been proposed. Another method involves adaptive biasing of the error amplifier based on the pass transistor’s current with pole-tracking compensation [8]. Dynamic compensation networks [9], combined with improved buffer topologies, have also been presented. Enhanced error amplifiers with push–pull outputs and additional current sources [10] have been introduced with the aim of improving the pass transistor’s driving capability. Furthermore, transient control circuits using QFG MOS transistors [11] have been utilized to enhance the error amplifier’s ability to reduce overshoot and undershoot without requiring an external capacitor. While these techniques are designed to improve performance, they also introduce significant challenges, such as increased circuit complexity, higher quiescent current, reduced input voltage range, and the inclusion of coupling capacitors, which ultimately increase the total area.
Figure 1 illustrates the top-level architecture of these works, and Table 1 provides a comparative overview of their performance metrics.
Figure 1.
The schematics of various works found in the literature: (a) [5]; (b) [8]; (c) [10]; (d) [11]; (e) [9].
Table 1.
Performance comparison summary of methods from the literature.
This work proposes a novel approach to enhance the LDO’s performance by improving the conventional LDO loop. An advanced fast buffer is incorporated to drive the pass transistor, significantly increasing the accuracy of the LDO regulator by boosting the error amplifier’s gain through the buffer’s level-shifting capability. Frequency compensation is achieved using a simple Miller capacitor integrated into the chip, with compact size to optimize the silicon area. Additionally, a transient control circuit (TCC) is proposed to enhance the transient response at the output node while keeping the total quiescent current low and minimizing the area by using a single coupling capacitor. The circuit includes a current source and a current sink at the output of the buffer, which remain off during equilibrium but activate during large transients. When engaged, these current sources operate in strong inversion, either supplying or drawing current from the pass transistor’s gate capacitance. This increases the slew rate and effectively reduces both the amplitude and duration of overshoots and undershoots. Furthermore, a bulk regulation circuit is included to eliminate any potential reverse current, ensuring that the circuit maintains a low-power profile.
The proposed LDO regulator demonstrates excellent performance compared to state-of-the-art solutions, with reduced overshoots and undershoots during full output current () transitions. It operates effectively across a wide range of input voltages, temperatures, and load currents while maintaining a safe phase margin (PM) and stability across various load capacitors, all with a low dropout voltage.
2. LDO Topology and Circuit Functionality Overview
2.1. Static and Small-Signal Response
The LDO architecture proposed in this work is shown in Figure 2. The circuit features a conventional LDO loop enhanced by the addition of a buffer block, specifically designed to provide an adequate level shift that optimizes the gain of the error amplifier (EA). In this design, the traditional output compensation capacitor has been eliminated, and instead an internal Miller compensation capacitor Cc is utilized, which facilitates integration due to its small footprint. The complete removal of the external bypass capacitor at the output further supports the objective of developing a fully integrated LDO design.
Figure 2.
LDO core structure with voltage follower.
Since all the output capacitors have been removed, in Figure 2 serves as a simulation capacitor that models the total load parasitic capacitance experienced by the LDO regulator at the output. Also, is an ideal resistor that models the LDO’s load current used in the simulation.
Regarding the DC operation, the above LDO regulator’s output voltage is defined by Equation [12]:
By selecting a suitable ratio for with a given , the desired output voltage can be achieved. Therefore, the connection of the buffer at the gate of the pass transistor () does not affect the DC operation of the circuit; however, it can affect the AC performance. This is because the LDO loop contains two poles, associated with nodes and . By inserting the Miller capacitor Cc between these two nodes, due to the Miller compensation’s pole-splitting action, is pushed towards lower frequencies and becomes the system’s dominant pole. At the same time, pole at node is pushed towards higher frequencies. This system would be stable, but due to the buffer, one extra pole at node appears in the loop. If this pole is located between and , then it can lower the phase margin and cause stability issues. Therefore, to mitigate potential issues caused by this pole regarding stability and frequency compensation, the buffer must be designed with very low output impedance, allowing to shift to higher frequencies beyond the loop’s intended gain bandwidth. In this way, it does not interfere with the compensation process or affect the loop’s stability, and the system behaves like a typical compensated two-pole system. Finally, as a side effect of the Miller compensation, a right half-plane (RHP) zero appears in the loop, which can also decrease the loop’s phase margin and thus degrade its stability if it is located within the loop’s gain bandwidth. The frequencies of the three poles and the zero after compensation are given by the following expressions [13,14]:
where and are the EA’s output resistance and total parasitic capacitance at node , respectively; is the buffer’s output impedance; and are ’s transconductance and gate capacitance, respectively; is the total output capacitance (including ); and is the output resistance given approximately by the following:
where is the pass transistor’s output impedance.
In this paper, the buffer is designed to provide the desired level shift that maximizes the gain of the EA without introducing an additional pole within the loop’s gain bandwidth. Additionally, it is designed to maintain the LDO regulator’s static power consumption at a minimal level. To achieve this, high bandwidth and low power consumption are targeted to ensure that it effectively isolates the pass transistor’s gate capacitance while enhancing the circuit’s overall dynamic response. This focused design enables optimal performance of the LDO regulator while adhering to stringent power and stability requirements.
2.2. Large-Signal Response
When the compensated loop is designed with a safe phase margin, the loop can autonomously recover from small-signal variations in the output caused by minor fluctuations in load current or input voltage, without generating significant overshoots or undershoots. However, in a low-power design, the buffer’s low static current ultimately restricts the slew rate at the gate of the pass transistor during larger variations. As a result, the buffer becomes unable to drive the pass transistor effectively, limiting its ability to respond rapidly to changes in output. This trade-off between maintaining a low static power consumption and ensuring adequate dynamic response poses a challenge in the design of efficient low-power LDO regulators.
The response time of a conventional LDO loop without an external bypass capacitor that has a given bandwidth and slewing-current at the gate of can be estimated as [15,16]:
where is the total capacitance at ’s gate node and is the change in the voltage at the gate of . Thus, to enable the LDO regulator to respond quickly, it is essential to achieve not only high bandwidth—a small-signal parameter—but also a high slew rate. Therefore, an additional mechanism must be implemented to address this issue and ensure stability and performance under extreme disturbance conditions.
A typical response of the LDO regulator’s output to rapid changes in load current is shown in Figure 2. For small changes, the resulting voltage spikes are minimal in both amplitude and duration. But as the output voltage variations become larger, small-signal analysis becomes inadequate for predicting the system’s response, since the loop enters the non-linear region of operation. In such cases, may experience significant overshoots or undershoots, with voltage spikes potentially reaching as high as , or fall at critical voltage levels (i.e., 1 V) if not properly controlled. Thus, while omitting this capacitor is advantageous for reducing size and cost, it introduces the challenge of handling large transients, requiring an alternative method to mitigate overshoots and undershoots.
The core concept of the novel solution proposed in this work is depicted in Figure 3. It proposes the addition of a current source and a current sink to boost the buffer’s driving capability [10,17].
Figure 3.
Basic concept of transient control scheme.
By including a current source (), the buffer’s ability to charge the pass transistor’s gate capacitor quickly is enhanced. When the main loop forces transistor ’s gate to charge rapidly, dynamically supplies the additional current required by the gate capacitor, effectively increasing the buffer’s slew rate. Then, responds fast and the overshoot in the output is reduced. Similar logic is applied for the undershoots. In that case, an extra current sink () is inserted, which together with the buffer discharges faster. As a result, responds faster, mitigating the undershoot in the output.
3. Building Blocks’ Design and Performance Assessment
3.1. LDO Core Design
The proposed LDO regulator, presented in Figure 4, was designed and simulated in a 180 nm standard CMOS process. All transistors used in figure are V thick-oxide devices. The PMOS ’s size was set to mm/300 nm, ensuring that at maximum mA its mV, meaning that the LDO regulator’s dropout voltage is mV. Its quiescent current was set to 1 A. With an output voltage of V and a reference voltage of V, the voltage divider, operating at 1 A, was designed with K. The resistor values are chosen to balance accuracy in setting the output voltage and maintaining low power consumption.
Figure 4.
The LDO regulator’s core structure.
The EA in Figure 4 is implemented with a high-gain folded-cascode amplifier, operating with low quiescent current A, followed by a buffer. As explained in Section 2.1, a low-power high-bandwidth buffer is crucial for the design. To meet these requirements, the super source follower (SSF) topology shown in Figure 4 is exploited. The SSF, introduced in [14,18], is a variant of the voltage follower that, compared to a simple voltage follower, achieves lower output resistance and thus offers higher bandwidth, all while maintaining the same quiescent current, making it highly suitable for this low-power LDO application. This buffer’s output resistance is [18]:
where is the self-gain of and the transconductance of . The equation that demonstrates the improved performance of the SSF buffer proves that its output impedance is similar to that of a simple source follower (i.e., ) but divided by the intrinsic gain of the MOS transistor. Hence, for the same static current, this structure results in an output impedance that can be smaller by several orders of magnitude compared to a simple source follower. In this way, the buffer’s output pole moves to higher frequencies and does not interfere with the frequency compensation of the loop. However, since the SSF itself is a closed-loop system, it can be prone to instability. Its open-loop transfer function includes two poles: one at the output and another at the internal node [9]. For this reason, in this work, an extra Miller compensation network (- network) was used inside the buffer, with = 700 K and = 1 pF. This network helps to prevent large overshoots that could cause oscillations in the LDO regulator’s output and also increases the buffer’s bandwidth through the careful selection of these passive component values. The buffer’s static current was set to A to maintain low power consumption without compromising performance.
As for the compensation of the LDO regulator’s main loop, the Miller capacitor used was pF to provide the loop with a safe PM over the whole operating range. Both and were implemented using metal-insulator-metal (MIM) capacitors chosen for their compact size and high capacitance density, which helps save silicon area. Also, , , and were implemented using high-resistance poly resistors which provide the necessary resistance values while minimizing the footprint.
In Figure 5, the simulated frequency response of the LDO core, conducted with maximum mA, V, and °C, shows a unity-gain frequency () of 109 kHz, an excellent value for low-power base-band applications, with a PM of , indicating robust stability within the system.
Figure 5.
Loop gain (red) and loop phase (blue) of the LDO core operating at maximum mA and pF.
Finally, regarding capacitor , which represents the parasitic load capacitance at the output, its value is kept at the range of a few picofarads. For this work, the maximum value of pF is selected, which is both standard and effective for the majority of typical connected loads. The designed LDO regulator operates with a PM for values from 0 pF up to 50 pF.
3.2. Transient Response Performance
As already discussed in Section 2.2, limited slew rate and bandwidth limit the loop’s ability to respond quickly to large output variations, leading to overshoots and undershoots in . Figure 6 illustrates this scenario, where a rapid change in from 30 mA to 0 mA occurs with a fall time of 1 s. As a result, overshoots to V with an error settling time of 84.3 s, which is considerably large.
Figure 6.
Output voltage transient profile for the LDO core topology for a fast load-current transition from 0 mA to 30 mA to 0 mA.
To overcome this problem, a transient control circuit is proposed. The circuit’s schematic is depicted in Figure 7.
Figure 7.
Proposed transient control circuit (TCC).
At the core of the TCC is the QFG MOS transistor [5,6,11]. Using capacitor , changes in the output are coupled to the gate of , while the output DC level ( V) is filtered. Biasing the QFG MOS is accomplished using transistor , which is a diode-connected MOS transistor operating in the cutoff region. This transistor acts like a large resistance () due to the minimal reverse current flowing through the reverse-biased junction of the MOS transistor. This configuration also functions as a high-pass filter, with a cutoff frequency of , where is the total capacitance in node . This pole is located at very low frequencies, far below 1 mHz; thus, it does not affect the circuit’s overall operation. Transistor is biased in the sub-threshold region with mV < = 720 mV, ensuring that it remains “off” during equilibrium and small-signal operation. The TCC is designed to activate only in response to significant output variations. This approach minimizes power dissipation and prevents any disruption to the standard operation of the LDO regulator’s main loop.
The TCC is divided into two sub-circuits, the overshoot control and the undershoot control, as shown in Figure 7. When an overshoot appears in , this change in the voltage is coupled through to the gate of , turning it on in the strong inversion region. This activation generates a current proportional to the overshoot magnitude. This current is then mirrored, amplified by a factor of K and supplied to the gate of through , effectively increasing the buffer’s slew rate. Thus, ’s gate capacitance charges more rapidly, which mitigates the overshoot at the output. At the same time, one extra transistor is connected at the output node of the LDO regulator. This transistor also operates in the sub-threshold region during normal operation and turns on in response to overshoots. It enables the output node total capacitance to discharge quickly, thereby reducing the settling time associated with the overshoots.
For the undershoots, a similar circuit is designed. Transistor acts as a DC current source that supplies a static current, which is divided between transistors and . operates in the linear region, acting as a variable resistor, that varies with . By adjusting the value of this resistor, the current through can be controlled. In the steady state, remains in cutoff, allowing the entire current to pass through . The gate voltage of is the same as ’s gate voltage, which is sub-threshold. However, for effective undershoot detection, must operate in the strong inversion in equilibrium. For this reason, for , a low- transistor was used, and mV > = 440 mV, so that for a given in equilibrium it is biased in strong inversion. As the output voltage undershoots, begins to turn off, resulting in an increase in its equivalent resistance and, consequently, an increase in the current flowing through . This current is then mirrored and multiplied by a factor M. Ultimately, starts sinking this current from ’s gate capacitance, assisting in the discharge process, and the undershoot in is reduced.
The simulation results presented in Figure 8 show the transient behavior comparison between the LDO regulator with and without the TCC. Figure 8 illustrates the load transient response for a load current step of 30 mA, with both rise and fall times set to 1 s, representing an extreme scenario. The results indicate a substantial reduction in the overshoot, decreasing from V to 281 mV, which represents an improvement of V. Similarly, the undershoot was reduced from 603 mV to mV, ensuring that the output voltage does not drop below V. Additionally, the settling time for the error in the overshoot significantly improved, dropping from 84.3 s to 6.75 s after implementing the TCC, highlighting its effectiveness in enhancing speed and performance.
Figure 8.
Output transient performance comparison without (red line) and with (blue line) the TCC with their respective error settling times: (a) load transient response for a 30 mA step in ; (b) line transient response for a V to V to V transition in .
In Figure 8b, the line transient response for a V to V and back to V transition in illustrates a significant reduction. The overshoot decreases from V to 398 mV, and the undershoot is reduced from V to 105 mV, almost an 1 V reduction in both, which further demonstrates the effectiveness of the TCC in enhancing transient performance during rapid input voltage changes.
In comparison to similar studies, the results presented in [11] indicate a maximum overshoot voltage of 326 mV and a maximum undershoot of 340 mV during a full load current transition, both of which are higher than the values reported in this work. Additionally, the line transient response shows a maximum undershoot of 314 mV, further highlighting the improvements in transient behavior achieved in this work.
The proposed TCC provides these improvements while operating at the low static current of A, with low circuit complexity. Since all the QFG transistors are turned off in equilibrium, they do not impact the small-signal behavior of the LDO core. Furthermore, the EA remains unaffected by the operation of the TCC; the buffer effectively isolates the two, ensuring that the DC gain of the EA remains high at all times, thus preserving the accuracy and the LDO regulator’s UGF. Moreover, the area occupied by this circuit is minimized compared to [11], as all three QFG MOS transistors share the single small input coupling capacitor pF, without compromising the circuit’s performance.
3.3. Bulk Regulation
Reverse current is an issue in power management systems, especially in applications involving stochastic energy sources like renewable energy systems or disrupted power supplies. It occurs when current flows in the opposite direction, from the output () to the input (), instead of the intended path. This typically happens through the body diode of the power MOSFET rather than the normal conducting channel. If left unchecked, reverse current can lead to long-term reliability problems, potentially causing damage to the LDO regulator and other components in the system. In scenarios where power sources fluctuate or are unstable, the risk of reverse current increases, potentially compromising the entire system and causing device failure. Proposed solutions to mitigate reverse current typically require additional circuitry, such as active bulk control mechanisms, which include active diodes or voltage-sensing comparators [19,20,21]. While these methods are effective in preventing reverse current, they significantly increase the overall complexity of the circuit. Bulk regulation is an efficient alternative to prevent the large reverse currents from going from the output towards , through ’s drain junction, which is forward biased, when drops suddenly below or reaches zero [22].
For that purpose, the conventional bulk regulation circuit was used in this work, as shown in Figure 9. In this circuit, and behave as two large resistors that short ’s bulk to either or , depending on which one is turned on. For that reason, their size was selected as 0.42 m/30 m.
Figure 9.
Schematic of the bulk regulation circuit employed.
Without the bulk regulation, the LDO regulator’s reverse current profile follows the behavior shown in Figure 10a for different values. However, after the implementation of the bulk regulation circuit, the reverse currents are significantly reduced, as illustrated in Figure 10b, for different values, when drops suddenly from V to 0 V. These currents always remain within the nanoampere range. Hence, power efficiency is enhanced. It is important to note that for larger capacitors, the reverse current can increase to the milliampere range, which could potentially harm the circuit. Furthermore, in low-power applications, reverse currents in the microampere range are not negligible and must be carefully considered to avoid compromising the system’s efficiency and performance.
Figure 10.
The LDO regulator’s reverse currents for different values: (a) without bulk regulation; (b) with bulk regulation.
3.4. Noise Performance
Noise performance was also evaluated in this work. In Figure 11, the LDO regulator’s output-referred noise spectrum is presented, primarily characterized by flicker noise in the frequency range of 1 mHz to 100 kHz, where 100 kHz represents the nominal UGF of the proposed LDO regulator. This observation aligns with what is expected, as flicker noise is dominant at low frequencies. Specifically, RMS noise within the LDO regulator’s operating frequency range was found to be 209 , with the main noise contributors being the EA’s input differential pair and the current sources and of the EA’s folded branch (Figure 4). This output-referred noise level is typical for LDO regulators, and its performance is adequate for many standard use cases in low-power systems.
Figure 11.
The LDO regulator’s equivalent output noise.
3.5. Static Behavior
In Figure 12, the LDO regulator’s transfer characteristic is shown for different values ranging between the minimum A and the maximum mA. As illustrated, the output voltage exhibits only a slight deviation from the target value of V (by a few V), remaining consistently at V within the whole operating load current range. This robust stability is due to the 110 dB gain of the EA.
Figure 12.
The LDO’s transfer characteristic for different values of .
In Figure 13a,b the line and load regulation are presented. Specifically, Figure 13a, shows the dependency of on the input voltage . At maximum mA, exhibits a minimal change of only V, as changes from V to V (’s edge of saturation). Therefore, the LDO regulator’s line regulation can be calculated as V/1.2 V = 19.92 V/V, an ultra-low value. Similarly, Figure 13b shows the dependency of on the load current . At maximum V, experiences a minimal change of only V, as the load current varies from 0 mA to 30 mA. Thus, the LDO regulator’s load regulation is V/30 mA = 0.26 V/mA, also a very small value. In summary, both LNR and LDR demonstrate very good performance due to the accuracy afforded by the high gain of the error amplifier.
Figure 13.
(a): Line regulation of the LDO regulator; (b) load regulation of the LDO regulator.
From Figure 12, it can be observed that the LDO regulator operates with input voltages ranging from V down to V at maximum load current (). In the range of V to V, the LNR increases to mV/V, which is due to the pass transistor entering the triode region, where its current-sourcing capability is reduced. Below V, the pass transistor fully transitions into the linear region, causing the LDO regulator to enter the dropout region. This results in a dropout voltage of mV, which is a good value for LDO performance.
3.6. Corner Analysis
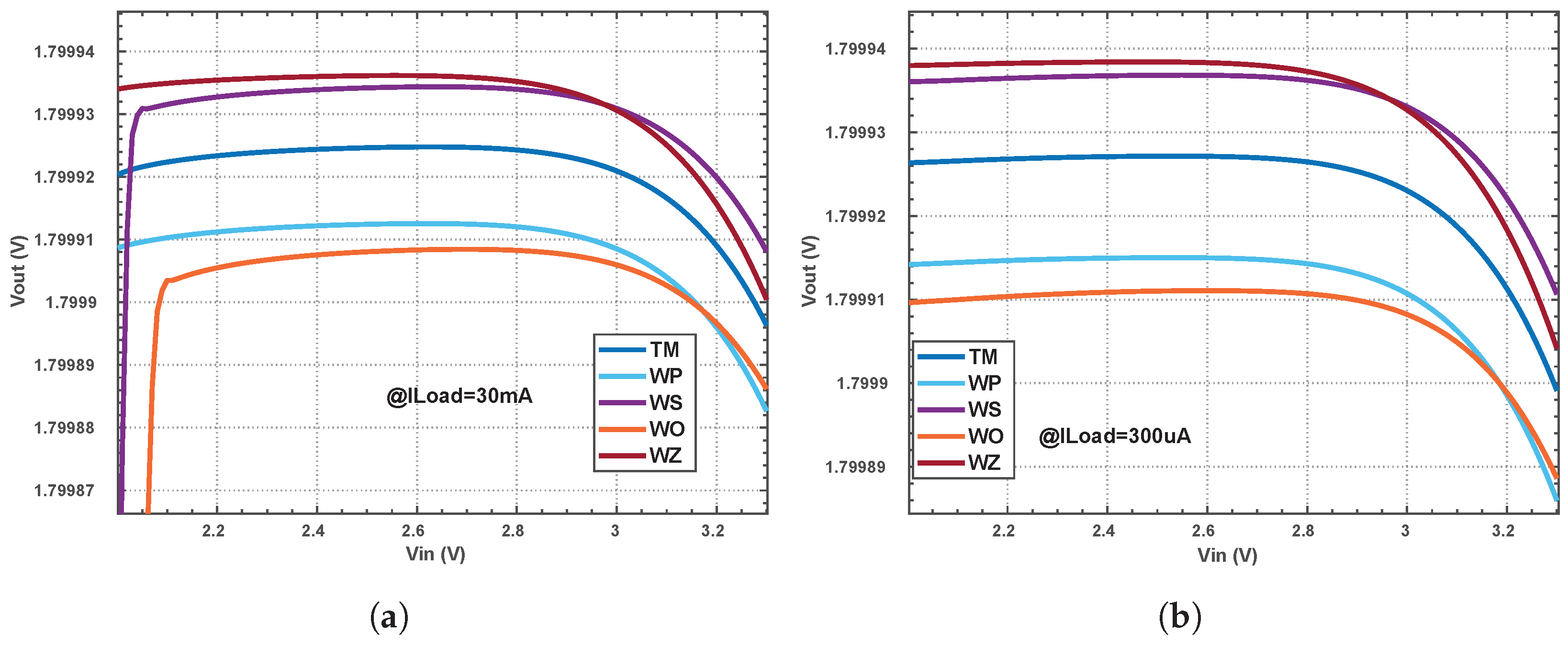
Process–voltage–temperature (PVT) corner analysis was performed over all process corners, i.e., typical (TM), slow–slow (WS), fast–fast (WP), slow–fast (WZ), and fast–slow (WO), for two input voltages V and V (the input voltage range in which the pass transistor is in saturation and the LDO regulator operates well) at four different temperatures T = −40 °C, 0 °C, 25 °C, and +85 °C. The analysis included two load current scenarios: minimum A and maximum load current and mA. In Table 2, the LDO regulator’s simulated metrics are presented across all PVT conditions.
Table 2.
Minimum and maximum values of the LDO regulator’s metrics across all corners.
As seen in Table 2, the largest quiescent current observed across all corners is A, a low value that aligns well with low-power design requirements. The lowest unity-gain frequency is kHz, acceptable for base-band applications. The table additionally shows minimal variation with PVT conditions, indicating the system’s unconditional stability. The EA’s gain consistently exceeds dB, contributing to the system’s high accuracy. Furthermore, the power-supply rejection ratio (PSRR) remains below dB, reflecting the robust performance attributed to the gain of the EA.
In Figure 14, the bode plot corners are presented. The worst-case occurs at corner at °C, V for mA, and it is kHz, with a respective PM of , whereas the largest is 186 kHz at the corner, at °C, V for mA with a respective PM of . In all cases, both the and remain within a range of acceptable values across all corners.
Figure 14.
Corner analysis over all PVT conditions for maximum mA and minimum A: (a) the bode plot for mA; (b) the bode plot for A.
In Figure 15, the PSRR corners are shown across all PVT conditions. The best PSRR was dB at corner, at °C, V for A and worst PSRR was dB at corner at °C, V for mA. In all cases, a high PSRR is maintained, as anticipated, due to the high gain of the EA across all corners ( dB). Additionally, the use of a cascode topology within the amplifier further enhances the PSRR performance.
Figure 15.
The LDO regulator’s PSRR frequency response variation across all PVT conditions for minimum and maximum load current.
In Figure 16, the line regulation curve over all process corners for minimum and maximum is presented. As shown, high-precision line regulation is maintained for all cases.
Figure 16.
The LDO regulator’s transfer characteristic variation across all process corners: (a) for maximum load current mA; (b) for minimum load current A.
3.7. Monte Carlo Analysis
Monte Carlo analysis was also performed. The results are summarized in Table 3. These results show that the quiescent current is A with a maximum value of A, which is lower than the worst-case power consumption identified in the corner analysis, further enhancing the design’s suitability for low-power applications. The unity-gain frequency is kHz, and the minimum is kHz, indicating improved speed compared to the worst-case speed corner. The error amplifier’s gain shows minimal variation, with a minimum value of dB, contributing to the LDO regulator’s overall accuracy. The PSSR is centered around dB. Finally, the output voltage is V, with a standard deviation of only mV, proving the LDO regulator’s output voltage accuracy.
Table 3.
Monte Carlo simulation results of the average values for the designed LDO regulator’s metrics.
Additionally, in Figure 17, the histograms of the LDO regulator’s main metrics from Monte Carlo analysis are also presented.
Figure 17.
Monte Carlo simulation results for the key LDO parameters, including process and mismatch: (a) phase margin distribution; (b) UGF distribution; (c) EA DC Gain distribution; (d) PSRR distribution; (e) quiescent current distribution; (f) Vout distribution.
3.8. Layout
The layout of the designed LDO regulator is shown in Figure 18. Designed using standard 180 nm CMOS n-well technology provided by XFAB, the overall area occupied by the LDO regulator is 90 m × 145 m. The design incorporates three capacitors in total: two Miller compensation capacitors—one for the LDO regulator’s main control loop and another for the buffer’s internal loop—and one coupling capacitor for the input of the transient control circuit. The total capacitance in the design is 6 pF, occupying of the whole design area. The total capacitance area has been minimized, as discussed in Section 3.2. The design also includes three resistors: the feedback network resistor and the buffer compensation resistor, which are split into multiple fingers to enhance matching. The area occupied by the resistors constitutes of the total silicon area. Finally, the pass transistor, with a size of mm/300 nm, is implemented using multiple fingers. A minimum nm was chosen for this device to minimize its total area, which finally occupies the of the total footprint, being the largest device in the design.
Figure 18.
The proposed LDO design’s final layout view: (a) the complete layout view; (b) internal circuits zoomed view.
4. Comparison with the State of the Art
To compare the performance of this work with similar studies, a Figure of Merit (FoM) is utilized, as mentioned in [23].
where is the total output capacitance, the undershoot in for a maximum load current step, is the quiescent current and is the maximum current the LDO regulator can provide. Additionally, to demonstrate the area efficiency of the proposed design, a second Figure of Merit is adopted from [24], defined as . For both FoMs, a smaller value indicates better LDO performance.
As seen in Table 4, it can drive a total output load capacitor from 0 pF up to 50 pF load currents up to 30 mA while maintaining an output voltage at V. This capability demonstrates a wider current range compared to other works, along with an input voltage range spanning V. At the same time, the dropout voltage is minimized at 100 mV, which is lower than that of other designs. The quiescent current is also minimized at A, while only [11] can operate at a slightly lower quiescent current of A. However, this lower quiescent current is achieved at the expense of disconnecting the transient-enhance circuit, which deteriorates the transient response of the LDO regulator. In addition, compared to other methods presented in Table 4 the proposed solution comes with low circuit complexity, since simplified topologies are chosen for each sub-block. If designed correctly, the circuit can achieve competitive behavior, without the need for advanced techniques. Finally, the circuit presents a compact silicon area compared to other designs. All the above metrics are encapsulated within and , both of which are significantly lower for the proposed LDO regulator compared to other state-of-the-art works. This highlights the superior performance of the design, demonstrating its efficiency in terms of power consumption and area utilization. The proposed LDO regulator not only maintains a low quiescent current and a compact footprint but also presents enhanced transient response and output stability. Overall, these advancements make the proposed LDO regulator an excellent choice for low-power systems, particularly those targeting energy harvesting applications and power conversion for IoT modules [25,26,27,28].
Table 4.
Performance comparison with the state-of-the-art designs.
5. Conclusions
In this paper, a fully integrated LDO regulator designed using a 180 nm CMOS process node has been presented. The proposed LDO regulator maintains a stable output voltage of 1.8 V for a wide input voltage range from 3.3 V down to 1.9 V and accommodates load currents ranging from 300 A to 30 mA, making it highly versatile for various operating conditions. It achieves this with a remarkably low quiescent current of just 6.3 A while occupying a compact area of only 0.013 mm2, emphasizing its efficiency and suitability for SoC applications. The static performance of the LDO regulator demonstrates exceptional precision, with an LNR of 19.92 V/V and an LDR of 0.26 V/mA, alongside a low dropout voltage of mV, ensuring high accuracy across the entire operating range. The transient response also exhibits significant improvement, with minimized undershoot and overshoot amplitudes and reduced settling times, ensuring enhanced stability during dynamic load changes. Additionally, this design incorporates an innovative transient control circuit, which effectively reduces output deviations during rapid load transients while maintaining low complexity and power consumption and a bulk regulation scheme, which protects the system from reverse currents and associated power losses. Compared to the state of the art, the LDO regulator achieves superior FoMs, demonstrating its optimized power efficiency and performance. This makes it ideal for energy harvesting applications and power conversion for IoT modules, where low power dissipation is crucial for extending battery life and sustainable autonomous operation.
Author Contributions
Conceptualization, N.Z., V.G. and T.N.; methodology, N.Z. and V.G.; validation, N.Z., V.G. and T.N.; formal analysis, N.Z.; investigation, N.Z.; writing—original draft preparation, N.Z.; writing—review and editing, V.G.; visualization, N.Z.; supervision, T.N. All authors have read and agreed to the published version of the manuscript.
Funding
This research received no external funding.
Data Availability Statement
Data are contained within the article.
Acknowledgments
Results presented in this work have been produced using the Aristotle University of Thessaloniki (AUTh) High Performance Computing Infrastructure and Resources.
Conflicts of Interest
The authors declare no conflicts of interest.
References
- Li, S.; Calhoun, B.H. Sub-microAmp Energy Harvesting and Power Management Units for Self-Powered IoT SoCs: Analog vs. Digital Implementations. In Proceedings of the 2020 IEEE Custom Integrated Circuits Conference (CICC), Boston, MA, USA, 22–25 March 2020; pp. 1–8. [Google Scholar] [CrossRef]
- Li, S.; Breiholz, J.; Kamineni, S.; Im, J.; Wentzloff, D.D.; Calhoun, B.H. An 85 nW IoT Node-Controlling SoC for MELs Power-Mode Management and Phantom Energy Reduction. In Proceedings of the 2020 IEEE International Symposium on Circuits and Systems (ISCAS), Seville, Spain, 12–14 October 2020; pp. 1–5. [Google Scholar] [CrossRef]
- Elhebeary, M.; Yang, C.K.K. A 92%-Efficiency Battery Powered Hybrid DC-DC Converter for IoT Applications. IEEE Trans. Circuits Syst. I Regul. Pap. 2020, 67, 3342–3351. [Google Scholar] [CrossRef]
- Lai, L.F.; Ramiah, H.; Tan, Y.C.; Lai, N.S.; Lim, C.C.; Chen, Y.; Mak, P.I.; Martins, R.P. Design Trends and Perspectives of Digital Low Dropout Voltage Regulators for Low Voltage Mobile Applications: A Review. IEEE Access 2023, 11, 85237–85258. [Google Scholar] [CrossRef]
- Gao, M.; Cai, X.; Gao, Y.; Xia, R.; Li, B. Fully Integrated 1.8 V Output 300 mA Load LDO with Fast Transient Response. Electronics 2023, 12, 1409. [Google Scholar] [CrossRef]
- Lopez-Martin, A.; Orradre, D.; Garde, M.P.; Sanchis, P.; Gubia, E.; Perez, G.; Astrain, D.; Ramírez-Angulo, J. Energy harvesting microsystems based on the QFG MOS transistors. In Proceedings of the 2015 IEEE 15th International Conference on Environment and Electrical Engineering (EEEIC), Rome, Italy, 10–13 June 2015; pp. 2035–2039. [Google Scholar] [CrossRef]
- Aloui, I.; Hassen, N.; Nouet, P.; Besbes, K. Low-voltage Low-power current-mode square-root circuit based on Quasi-floating gate technique. In Proceedings of the 2020 17th International Multi-Conference on Systems, Signals & Devices (SSD), Monastir, Tunisia, 20–23 July 2020; pp. 761–764. [Google Scholar] [CrossRef]
- Han, X.; Wu, L.; Gao, Y.; Ki, W.H. An Adaptively Biased Output-Capacitor-Free Low-Dropout Regulator with Supply Ripple Subtraction and Pole-Tracking-Compensation. IEEE Trans. Power Electron. 2021, 36, 12795–12804. [Google Scholar] [CrossRef]
- Cai, G.; Lu, Y.; Zhan, C.; Martins, R.P. A Fully Integrated FVF LDO with Enhanced Full-Spectrum Power Supply Rejection. IEEE Trans. Power Electron. 2021, 36, 4326–4337. [Google Scholar] [CrossRef]
- Chen, C.; Sun, M.; Wang, L.; Huang, T.; Xu, M. A Fast Transient Response Capacitor-Less LDO with Transient Enhancement Technology. Micromachines 2024, 15, 299. [Google Scholar] [CrossRef]
- Pérez-Bailón, J.; Calvo, B.; Medrano-Marqués, N. A Fully-Integrated 180 nm CMOS 1.2 V Low-Dropout Regulator for Low-Power Portable Applications. Electronics 2021, 10, 2108. [Google Scholar] [CrossRef]
- Pérez-Bailón, J.; Márquez, A.; Calvo, B.; Medrano, N. A 0.18 μm CMOS LDO Regulator for an On-Chip Sensor Array Impedance Measurement System. Sensors 2018, 18, 1405. [Google Scholar] [CrossRef]
- Hinojo, J.; Lujan-Martinez, C.; Torralba, A. Internally Compensated LDO Regulators for Modern System-on-Chip Design; Springer: Berlin/Heidelberg, Germany, 2018. [Google Scholar] [CrossRef]
- Al-Shyoukh, M.; Lee, H.; Perez, R. A Transient-Enhanced Low-Quiescent Current Low-Dropout Regulator with Buffer Impedance Attenuation. IEEE J. Solid State Circuits 2007, 42, 1732–1742. [Google Scholar] [CrossRef]
- Oh, W.; Bakkaloglu, B. A CMOS Low-Dropout Regulator with Current-Mode Feedback Buffer Amplifier. IEEE Trans. Circuits Syst. II Express Briefs 2007, 54, 922–926. [Google Scholar] [CrossRef]
- Liu, N.; Chen, D. A Transient-Enhanced Output-Capacitorless LDO with Fast Local Loop and Overshoot Detection. IEEE Trans. Circuits Syst. I Regul. Pap. 2020, 67, 3422–3432. [Google Scholar] [CrossRef]
- Moon, J.; Hyun, J.; Kim, S. Design of low-power, fast-transient-response, capacitor-less low-dropout regulator for mobile applications. IEICE Electron. Express 2016, 13, 20160882. [Google Scholar] [CrossRef]
- Gray, P.R.; Meyer, R.G.; Hurst, P.J.; Lewis, S.H. Analysis and Design of Analog Integrated Circuits, 4th ed.; John Wiley & Sons, Inc.: Hoboken, NJ, USA, 2001. [Google Scholar]
- Ma, G.; Zhan, C.; Zhang, Y. A Transient-Improved Dynamic-Replica LDO Regulator with Bulk Modulation. In Proceedings of the 2018 IEEE International Conference on Electron Devices and Solid State Circuits (EDSSC), Shenzhen, China, 6–8 June 2018; pp. 1–2. [Google Scholar] [CrossRef]
- Tao, X.; Zhang, H.; Ren, L. Reverse-Current-Prevention Protection Circuit of LDO (Low Dropout Regulator). Patent No. CN108776502A, 9 November 2018. Available online: https://eureka.patsnap.com/view/#/?patentId=b2da7f93-1d4c-4f68-81fc-e7a1b8436139 (accessed on 18 November 2018).
- Devices, A. Low-Dropout Linear Regulator (LDO) Application Tutorial. In Analog Devices Application Tutorial; Analog Devices: Wilmington, MA, USA, 2018. [Google Scholar]
- Miyauchi, R.; Tanno, K.; Tamura, H. New active diode with bulk regulation transistors and its application to integrated voltage rectifier circuit. Int. J. Electr. Comput. Eng. (IJECE) 2019, 9, 902. [Google Scholar] [CrossRef]
- Hazucha, P.; Karnik, T.; Bloechel, B.; Parsons, C.; Finan, D.; Borkar, S. Area-efficient linear regulator with ultra-fast load regulation. IEEE J. Solid-State Circuits 2005, 40, 933–940. [Google Scholar] [CrossRef]
- Huang, C.H.; Ma, Y.T.; Liao, W.C. Design of a Low-Voltage Low-Dropout Regulator. IEEE Trans. Very Large Scale Integr. (VLSI) Syst. 2014, 22, 1308–1313. [Google Scholar] [CrossRef]
- Kukunuru, S.R.; Naeimi, Y.; Salem, L.G. A Series-Parallel Switched-Photovoltaic DC–DC Converter. IEEE J. Solid State Circuits 2023, 58, 742–756. [Google Scholar] [CrossRef]
- Mandourarakis, I.; Gogolou, V.; Koutroulis, E.; Siskos, S. Integrated Maximum Power Point Tracking System for Photovoltaic Energy Harvesting Applications. IEEE Trans. Power Electron. 2022, 37, 9865–9875. [Google Scholar] [CrossRef]
- Carlson, E.J.; Smith, J.R. A ±0.5-mV-Minimum-Input DC-DC Converter with Stepwise Adiabatic Gate-Drive and Efficient Timing Control for Thermoelectric Energy Harvesting. IEEE Trans. Circuits Syst. I Regul. Pap. 2023, 70, 977–990. [Google Scholar] [CrossRef]
- Zhao, M.; Li, M.; Song, S.; Hu, Y.; Yao, Y.; Bai, X.; Hu, R.; Wu, X.; Tan, Z. An Ultra-Low Quiescent Current Tri-Mode DC-DC Buck Converter with 92.1. IEEE Trans. Circuits Syst. I Regul. Pap. 2022, 69, 428–439. [Google Scholar] [CrossRef]
- Lin, M.; Chen, X.; Zhang, L.; Sheng, X. A fully integrated ultra-low noise low-dropout regulator inherently combined with bandgap reference for SoC applications. Microelectron. J. 2023, 138, 105824. [Google Scholar] [CrossRef]
- Manikandan, P.; Bindu, B. Dual-summed flipped voltage follower LDO regulator with active feed-forward compensation. AEU Int. J. Electron. Commun. 2020, 123, 153314. [Google Scholar] [CrossRef]
- Liu, Y.; Zhao, X.; Yu, L.; Li, S.; Dong, L. A capless NMOS low-dropout regulator with 15ns transient response time. AEU Int. J. Electron. Commun. 2022, 148, 154159. [Google Scholar] [CrossRef]
- Lu, Y.; Chen, M.; Wang, K.; Yang, Y.; Wang, H. A Capacitorless Flipped Voltage Follower LDO with Fast Transient Using Dynamic Bias. Electronics 2022, 11, 3009. [Google Scholar] [CrossRef]
Disclaimer/Publisher’s Note: The statements, opinions and data contained in all publications are solely those of the individual author(s) and contributor(s) and not of MDPI and/or the editor(s). MDPI and/or the editor(s) disclaim responsibility for any injury to people or property resulting from any ideas, methods, instructions or products referred to in the content. |
© 2024 by the authors. Licensee MDPI, Basel, Switzerland. This article is an open access article distributed under the terms and conditions of the Creative Commons Attribution (CC BY) license (https://creativecommons.org/licenses/by/4.0/).

















