Research on Sub-Module Fluctuating Power Decoupling Strategy for Modular Multilevel Converter-Based Medium-Voltage Motor Drive System with Wide Speed Range
Abstract
1. Introduction
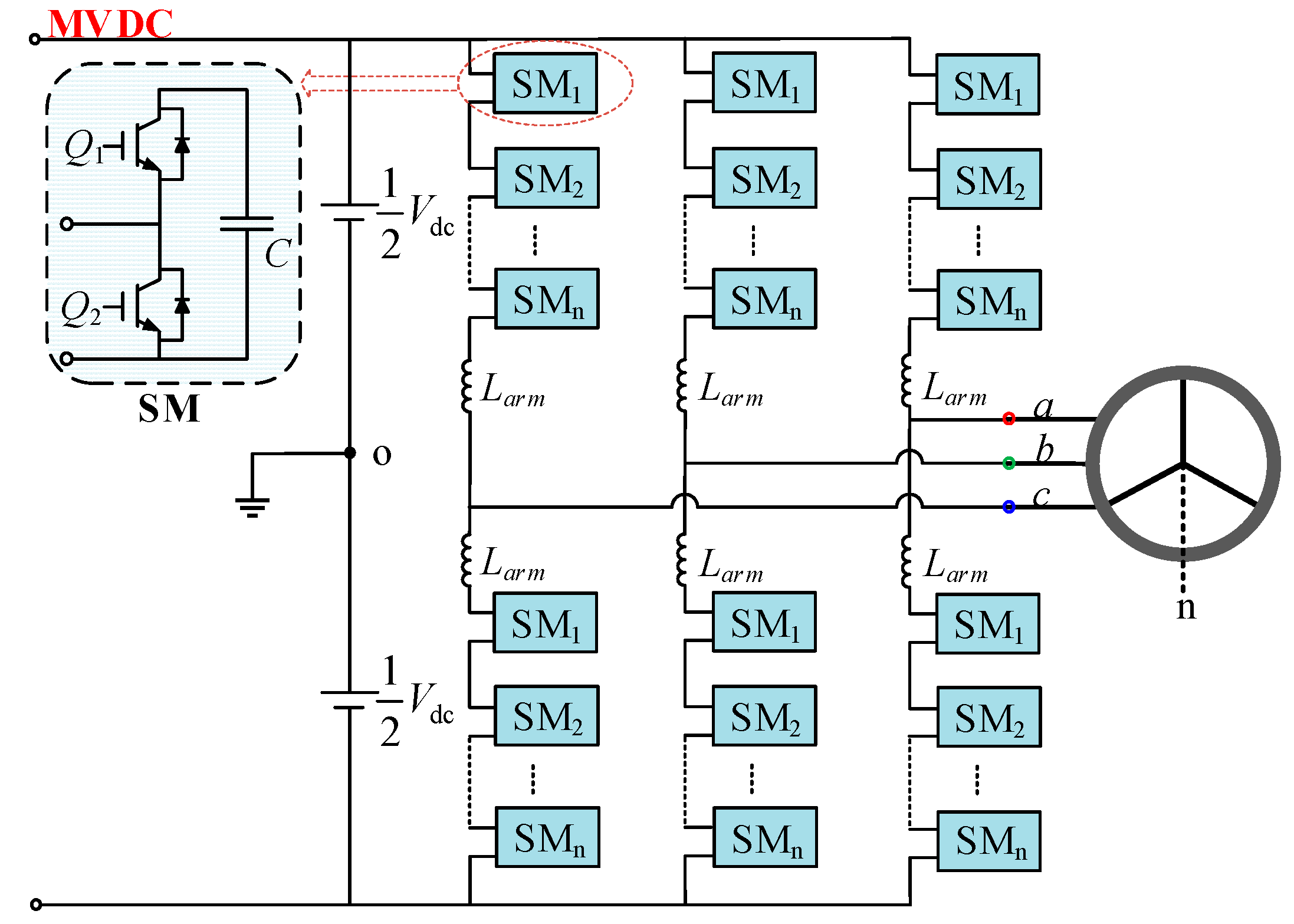
2. Traditional MMC Motor Drive System
2.1. Topology Structure
2.2. Sub-Module Capacitor Constraints
3. LC-MMC Motor Drive System
3.1. Symmetry Characteristics of Fluctuating Currents
3.2. Topology Configuration
3.3. Control Strategy
- (1)
- Control method of overall system
- (2)
- Synchronous modulation of HFL
4. LC-MMC Capacitor Lightweight Design
4.1. HFL Fluctuating Current Optimization
4.2. New Constraint of Sub-Module Capacitance
5. LC-MMC Lightweight Evaluation
5.1. System Volume and Cost Evaluation
- (1)
- With a 5% voltage ripple requirement at a rated frequency of 50 Hz, based on Equation (2) and considering a certain margin, the capacitance of the traditional MMC SM is 1.3 mF. Four B25680C1158K503 capacitors from TDK, rated at 1.5 kV and 1.5 mF, are selected and arranged in a series-parallel configuration to form the required sub-module capacitor. The total volume of the three-phase SM capacitors is 38.7 dm3, and the total cost is USD 876.6. At a low frequency of 10 Hz with a 5% voltage ripple requirement, the traditional MMC sub-module capacitance is 6.5 mF. Eighteen B25680C1158K503 capacitors from TDK, rated at 1.5 kV and 1.5 mF, are selected and arranged in a series-parallel configuration to form the required SM capacitor, resulting in a total volume of 174.2 dm3 and a total cost of USD 3094.2 for the three-phase sub-module capacitors. The capacitance of the LC-MMC SM is less affected by the operating frequency. With a 5% voltage ripple requirement across all frequencies, based on simulation results and considering a certain margin, the LC-MMC sub-module capacitance is 750 μF. Two B25680C1158K503 capacitors from TDK, rated at 1.5 kV and 1.5 mF, are selected and arranged in series to form the required sub-module capacitor, with a total volume of 19.4 dm3 and a total cost of USD 343.8. The volume of the LC-MMC sub-module capacitors is reduced to one-ninth of that of the traditional MMC.
- (2)
- Considering certain voltage and current margins, both the traditional MMC and LC-MMC half-bridge sub-modules use Infineon’s 3.3 kV, 200 A half-bridge module FF200R33KF2C. Taking into account space margins, the total volume is 6.5 dm3 and the total cost is USD 2193.6. The additional HFL in the LC-MMC also uses the half-bridge module FF200R33KF2C, with a total switching volume of 6.5 dm3 and a total cost of USD 2193.6.
- (3)
- Based on the loss calculation results, the total volume of the heat sink for the traditional MMC is approximately 14.5 dm3. In the LC-MMC, the additional HFL circuit has a conduction current lower than the MMC sub-module current and achieves soft switching. The losses introduced by the additional circuit are relatively small compared to the MMC circuit losses, resulting in a total heat sink volume of about 19.8 dm3.
- (4)
- The insulation voltage level required for the HFT is 10 kVrms, with epoxy resin used as the insulating material [27]. Based on ABB’s design scheme for medium-voltage high-frequency transformers [28], the volume of the HFT in the additional HFL circuit of the LC-MMC is 10.6 dm3, and the cost is estimated at USD 2097.5.
5.2. System Efficiency Evaluation
- (1)
- Switching devices
- (2)
- High-frequency transformer
5.3. Discussion
6. Simulation and Experimental Validations
6.1. Simulation Validation
6.2. Experimental Validation
7. Conclusions
Author Contributions
Funding
Data Availability Statement
Conflicts of Interest
References
- Siemaszko, D.; Carpita, M. Continuous Time Simulation and System-Level Model of a MVDC Distribution Grid Including SST and MMC-Based AFE. Electronics 2024, 13, 2193. [Google Scholar] [CrossRef]
- Lin, X.; Wu, C.; Yao, W.; Liu, Z.; Shen, X.; Xu, R.; Sun, G.; Liu, J. Observer-Based Fixed-Time Control for Permanent-Magnet Synchronous Motors With Parameter Uncertainties. IEEE Trans. Power Electron. 2023, 38, 4335–4344. [Google Scholar] [CrossRef]
- Perez, M.A.; Bernet, S.; Rodriguez, J.; Kouro, S.; Lizana, R. Circuit topologies modeling control schemes and applications of modular multilevel converter. IEEE Trans. Power Electron. 2015, 30, 4–17. [Google Scholar] [CrossRef]
- Alhaj Omar, F.; Pamuk, N. Analyzing Impacts of Amplitude Modulation Index on Performance Characteristics of Three-Phase Nine-Level Modular Multilevel Converters. Electronics 2023, 12, 4114. [Google Scholar] [CrossRef]
- Ali, S.; Ling, Z.; Tian, K.; Huang, Z. Recent Advancements in Submodule Topologies and Applications of MMC. IEEE J. Emerg. Sel. Top. Power Electron. 2021, 9, 3407–3435. [Google Scholar] [CrossRef]
- Zhou, J.; Sun, X.; Zhao, T.; Mu, Q.; Guo, X. An Improved One-Dimensional Space Vector Modulation for Three-Phase Five-Level Cascaded H-Bridge Inverters. In Proceedings of the 2023 IEEE Energy Conversion Congress and Exposition (ECCE), Nashville, TN, USA, 29 October–2 November 2023; pp. 3349–3354. [Google Scholar]
- Abolhassani, M. Modular multipulse rectifier transformers in symmetrical cascaded H-bridge medium voltage drives. IEEE Trans. Power Electron. 2012, 27, 698–705. [Google Scholar] [CrossRef]
- Zhou, J.; Sirat, A.P.; Roy, C.; Mu, Q.; Mustakin, Z.; Wang, L.; Parkhideh, B.; Zhao, T. Finite Control Set Model Predictive Control Based on In-Situ Junction Temperature for Reliability Enhancement of Power Converters. In Proceedings of the 2023 IEEE 10th Workshop on Wide Bandgap Power Devices & Applications (WiPDA), Charlotte, NC, USA, 4–6 December 2023; pp. 1–6. [Google Scholar]
- Wang, Z.; Teng, J.; Zhang, M.; Bu, Z.; Lin, X.; Qi, L.; Zhao, W.; Li, X.; Sun, X. Common-Mode Voltage Suppression Strategy for CHB-Based Motor Drive Based on Topology and Modulation Optimization. IEEE Trans. Power Electron. 2024. [Google Scholar] [CrossRef]
- Diab, M.; Massoud, A.; Ahmed, S.; Williams, B. A dual modular multilevel converter with high-frequency magnetic links between submodules for MV open-end stator winding machine drives. IEEE Trans. Power Electron. 2018, 33, 5142–5159. [Google Scholar] [CrossRef]
- Pou, J.; Ceballos, S.; Konstantinou, G. Circulating current injection methods based on instantaneous information for the modular multilevel converter. IEEE Trans. Ind. Electron. 2015, 62, 777–788. [Google Scholar] [CrossRef]
- Okazaki, Y.; Hagiwara, M.; Akagi, H. A speed-sensorless start-up method of an induction motor driven by a modular multilevel cascade inverter. IEEE Trans. Ind. Appl. 2014, 50, 2671–2680. [Google Scholar] [CrossRef]
- Kumar, Y.; Poddar, G. Control of medium-voltage AC motor drive for wide speed range using modular multilevel converter. IEEE Trans. Ind. Electron. 2017, 64, 2742–2749. [Google Scholar] [CrossRef]
- Huang, X.; Wang, Z.; Kong, Z.; Xiong, J.; Zhang, K. Modular multilevel converter with three-port power channels for medium-voltage drives. IEEE J. Emerg. Sel. Top. Power Electron. 2018, 6, 1495–1507. [Google Scholar] [CrossRef]
- Diab, M.; Massoud, A.; Ahmed, S.; Williams, B. A modular multilevel converter with ripple-power decoupling channels for three-phase MV adjustable-speed drives. IEEE Trans. Power Electron. 2019, 34, 4048–4063. [Google Scholar] [CrossRef]
- Dang, X.; Pan, S.; Pan, X.; Gong, J.; Ge, X.; Shi, J.; Wang, M.; Hao, L.; Jin, P. A Decentralized Adaptive Voltage Regulation Control Strategy Based on A Novel Modular Three-Phase Integrated PV Inverter. In Proceedings of the 2021 IEEE Energy Conversion Congress and Exposition (ECCE), Vancouver, BC, Canada, 10–14 October 2021; pp. 137–142. [Google Scholar]
- Yang, R.; Li, B.; Wang, G.; Cecati, C.; Zhou, S.; Xu, D. Asymmetric mode control of MMC to suppress capacitor voltage ripples in low-frequency, low-voltage conditions. IEEE Trans. Power Electron. 2017, 32, 4219–4230. [Google Scholar] [CrossRef]
- Song, S.; Liu, J.; Ouyang, S.; Chen, X. An improved high-frequency common-mode voltage injection method in modular multilevel converter in motor drive application. In Proceedings of the 2018 IEEE Applied Power Electronics Conference and Exposition (APEC), San Antonio, TX, USA, 4–8 March 2018; pp. 2496–2500. [Google Scholar]
- Li, B.; Hu, J.; Zhou, S.; Xu, D. Hybrid back-to-back MMC system for variable speed AC machine drives. CPSS Trans. Power Electron. Appl. (CPSSTPEA) 2020, 5, 114–125. [Google Scholar] [CrossRef]
- Farzamkia, S.; Noushak, M.; Iman-Eini, H.; Khoshkbar-Sadigh, A.; Farhangi, S. Fault-Tolerant method to reduce voltage stress of submodules in postfault condition for regenerative MMC-based drive. IEEE Trans. Ind. Electron. 2021, 68, 4718–4726. [Google Scholar] [CrossRef]
- Teng, J.; Sun, X.; Zhang, M.; Zhao, W.; Li, X. Low-Capacitance CHB-Based SST Based on Resonant Push–Pull Decoupling Channel. IEEE Trans. Ind. Electron. 2024, 71, 2477–2488. [Google Scholar] [CrossRef]
- Tu, C.; Xiao, F.; Lan, Z.; Guo, Q.; Shuai, Z. Analysis and control of a novel modular-based energy router for DC microgrid cluster. IEEE J. Emerg. Sel. Top. Power Electron. 2018, 7, 331–342. [Google Scholar] [CrossRef]
- Li, S.; Yang, J.; Wang, Y.; Yang, G. Dual Closed-Loop Control Strategy on Harmonic Plane for Multiphase Induction Motor With Harmonic Injection Based on Air-Gap Flux Orientation Control. IEEE J. Emerg. Sel. Top. Power Electron. 2022, 10, 6101–6111. [Google Scholar] [CrossRef]
- Chen, B. Electrical Driving Automatic Control System—Motion Control System; China Machine Press: Beijing, China, 2003; pp. 76–83. [Google Scholar]
- Teng, J.; Bu, Z.; Sun, X.; Fu, H.; Zhao, W.; Li, X. Common High-Frequency Bus-Based Cascaded Multilevel Solid-State Transformer With Ripple and Unbalance Power Decoupling Channel. IEEE Trans. Power Electron. 2022, 37, 9345–9361. [Google Scholar] [CrossRef]
- Song, Q.; Liu, W.; Li, X.; Rao, H.; Xu, S.; Li, L. A steady-state analysis method for a modular multilevel converter. IEEE Trans. Power Electron. 2013, 28, 3702–3713. [Google Scholar] [CrossRef]
- Yi, Z.; Sun, K.; Liu, H.; Cao, G.; Lu, S. Design and optimization of the insulation of medium-voltage medium-frequency transformers for solid-state transformers. IEEE J. Emerg. Sel. Top. Power Electron. 2021, 36, 10548–10560. [Google Scholar] [CrossRef]
- Gradinger, T.; Drofenik, U.; Alvarez, S. Novel insulation concept for an MV dry-cast medium-frequency transformer. In Proceedings of the 2017 19th European Conference on Power Electronics and Applications (EPE’17 ECCE Europe), Warsaw, Poland, 11–14 September 2017; pp. 1–10. [Google Scholar]
- Rohner, S.; Bernet, S.; Hiller, M.; Sommer, R. Modulation, losses, and semiconductor requirements of modular multilevel converters. IEEE Trans. Ind. Electron. 2010, 57, 2633–2642. [Google Scholar] [CrossRef]
- Bierhoff, M.; Fuchs, F. Semiconductor losses in voltage source and current source IGBT converters based on analytical derivation. In Proceedings of the 2004 IEEE 35th Annual Power Electronics Specialists Conference (IEEE Cat. No.04CH37551), Aachen, Germany, 20–25 June 2004; Volume 4, pp. 2836–2842. [Google Scholar]
- Guo, Z.; Yu, R.; Xu, W.; Feng, X.; Huang, A. Design and optimization of a 200-kW medium-frequency transformer for medium-voltage SiC PV inverters. IEEE Trans. Power Electron. 2021, 36, 10548–10560. [Google Scholar] [CrossRef]
- Debnath, S.; Qin, J.; Saeedifard, M. Control and stability analysis of modular multilevel converter under low-frequency operation. IEEE Trans. Ind. Electron. 2015, 62, 5329–5339. [Google Scholar] [CrossRef]

























| References | Power (MW) | DC Voltage (kV) | Number of Bridge Arm Sub-Modules (N) | Rated Frequency (Hz) | SM Cap (mF) |
|---|---|---|---|---|---|
| [17] | 0.45 | 9 | 3 | 50 | 1.5 |
| [18] | 1 | 8 | 4 | 50 | 3 |
| [19] | 1.3 | 4.16 | 10 | 50 | 4 |
| [20] | 0.22 | 6 | 6 | 50 | 3.6 |
| Traditional MMC | [11,12] | [14,15] | [16] | LC-MMC | |
|---|---|---|---|---|---|
| Low-frequency SM ripple-voltage | all | even | none | none | none |
| Arm circulating current | all | even | none | none | none |
| Ripple-decoupling control loop | -- | closed | closed | closed | open |
| Number of SM switching tubes | 2 | 4 | 4 | 6 | 4 |
| Number of transformers | -- | 1/2 | 1/3 | 1 | 1/3 |
| Parameters | Simulation Values | Experimental Values |
|---|---|---|
| MMC Parameters | ||
| Apparent Power/SN | 1.11 MVA | 4.7 kVA |
| DC Voltage/Udc | 8 kV | 800 V |
| AC Voltage/Uac | 4.16 kV | 400 V |
| Sub-Module Capacitor Voltage/Uc | 2 kV | 400 V |
| Equivalent Capacitance of Sub-Module/Csm | 750 μF/5 mF | 470 μF/2 mF |
| Arm Inductance/Larm | 2.6 mH | 3 mH |
| Carrier Frequency/fc | 2 kHz | 2 kHz |
| Number of Sub-Modules/N | 4 | 2 |
| HFL Parameters | ||
| Transformer Turns Ratio | 1:1:1 | 1:1:1 |
| Transformer Leakage Inductance | 5 μH | 3 μH |
| Switching Frequency/fc | 10 kHz | 12.5 kHz |
| Motor Parameters | ||
| Rated Power | 1 MW | 4 kW |
| Rated Line Voltage | 4.16 kV | 400 V |
| Rated Power Factor | 0.9 | 0.85 |
| Rated Frequency | 50 Hz | 50 Hz |
| Rated Speed | 1480 rpm | 1430 rpm |
| Number of Poles | 2 | 2 |
| AC Voltage THD (%) | AC Current THD (%) | Efficiency (%) | |
|---|---|---|---|
| Rated parameters | 39.56 | 4.14 | 94.50 |
| Motor resistance increasing by 50% | 38.92 | 2.78 | 93.85 |
| IGBT conduction resistance increasing by 50% | 39.44 | 4.28 | 95.03 |
| IGBT conduction resistance decreasing by 50% | 39.68 | 3.92 | 93.72 |
| IGBT snubber resistance increasing by 50% | 39.42 | 3.69 | 94.59 |
| IGBT snubber resistance decreasing by 50% | 39.40 | 3.80 | 94.22 |
Disclaimer/Publisher’s Note: The statements, opinions and data contained in all publications are solely those of the individual author(s) and contributor(s) and not of MDPI and/or the editor(s). MDPI and/or the editor(s) disclaim responsibility for any injury to people or property resulting from any ideas, methods, instructions or products referred to in the content. |
© 2024 by the authors. Licensee MDPI, Basel, Switzerland. This article is an open access article distributed under the terms and conditions of the Creative Commons Attribution (CC BY) license (https://creativecommons.org/licenses/by/4.0/).
Share and Cite
You, Y.; Shao, K.; Fan, X.; Yu, M.; Lin, X.; Qi, L.; Teng, J. Research on Sub-Module Fluctuating Power Decoupling Strategy for Modular Multilevel Converter-Based Medium-Voltage Motor Drive System with Wide Speed Range. Electronics 2024, 13, 4268. https://doi.org/10.3390/electronics13214268
You Y, Shao K, Fan X, Yu M, Lin X, Qi L, Teng J. Research on Sub-Module Fluctuating Power Decoupling Strategy for Modular Multilevel Converter-Based Medium-Voltage Motor Drive System with Wide Speed Range. Electronics. 2024; 13(21):4268. https://doi.org/10.3390/electronics13214268
Chicago/Turabian StyleYou, Yanfei, Kaikai Shao, Xintao Fan, Minli Yu, Xinpo Lin, Lei Qi, and Jiaxun Teng. 2024. "Research on Sub-Module Fluctuating Power Decoupling Strategy for Modular Multilevel Converter-Based Medium-Voltage Motor Drive System with Wide Speed Range" Electronics 13, no. 21: 4268. https://doi.org/10.3390/electronics13214268
APA StyleYou, Y., Shao, K., Fan, X., Yu, M., Lin, X., Qi, L., & Teng, J. (2024). Research on Sub-Module Fluctuating Power Decoupling Strategy for Modular Multilevel Converter-Based Medium-Voltage Motor Drive System with Wide Speed Range. Electronics, 13(21), 4268. https://doi.org/10.3390/electronics13214268

