Abstract
There is a problem of excessively large sub-module capacitance in modular multilevel converter (MMC) applications for medium-voltage motor drive systems, which is particularly noticeable during the low-speed operation of the motor. This paper proposes a low-capacitance MMC (LC-MMC) motor drive system based on lateral sub-module interconnection, achieving capacitance lightweighting across the wide speed range of the motor. The LC-MMC is based on the three-phase symmetrical fluctuating current input of the sub-modules in the interconnection channel, achieving their mutual cancellation, thus significantly reducing the sub-module capacitance size. This paper starts from the traditional MMC motor drive system and analyzes its specific requirements for sub-module capacitance. Then, it provides a detailed description of the LC-MMC scheme for achieving capacitance lightweighting across the wide speed range of the motor, and the two MMC motor drive systems are compared and evaluated. The evaluation results show that the volume of the LC-MMC is reduced by nearly 70% compared to a traditional MMC. Finally, the LC-MMC scheme is simulated and experimentally verified.
1. Introduction
With the development of the economy and society, medium-voltage high-power motors are increasingly used in applications such as fans, pumps, and marine propulsion systems. Utilizing multilevel converters as medium-voltage variable frequency drive systems can significantly save energy, optimize control, extend the motor lifespan, and enhance motor performance [1,2].
The modular multilevel converter (MMC) has gained widespread attention due to its advantages, such as a low harmonic distortion in output voltage waveforms, a shared DC bus, ease of expansion, and redundancy design [3,4,5]. The MMC has been successfully applied in flexible DC transmission systems. In the realm of medium-voltage motor speed regulation systems, the MMC offers irreplaceable advantages. Compared to traditional cascaded H-bridge (CHB) motor drive systems, MMC motor drive systems do not require large phase-shifting transformers, leading to a higher overall efficiency, simpler installation and transportation, and the capability for four-quadrant motor operation, enhancing their suitability for driving high-power motors [6,7,8]. Notably, Siemens in Germany has launched a medium-voltage inverter product based on the MMC, the ‘SINAMICS PERFECT HARMONY GH180,’ with a power range of 0.12–24.4 MVA and an output voltage range of 2.3–11 kV [9].
The main reason why the MMC is not yet widely used in medium-voltage motor drives is that under high load torque and low-speed operating conditions, the high output current and low system operating frequency cause significant fluctuations in the sub-module capacitor voltage, exacerbating power imbalance within the MMC. This typically requires larger sub-module capacitors. Therefore, the application of MMCs in medium-voltage motor drives is limited to quadratic torque load scenarios and is not suitable for constant torque loads [10].
To address the issue of capacitor voltage fluctuations during low-frequency operation, both domestic and international scholars have conducted considerable research. The most effective method currently for reducing sub-module capacitor voltage fluctuations is to directly inject high-frequency common-mode voltage into the three-phase modulation wave of the MMC, while indirectly injecting high-frequency circulating currents. Essentially, this creates a high-frequency power exchange between the upper and lower arms of the MMC, reducing the power imbalance between them [11,12]. However, the injected common-mode voltage increases the insulation stress on the motor windings and generates high-frequency leakage currents through the motor bearings, which can severely damage the motor and shorten its lifespan. Moreover, the injected circulating currents significantly increase the current stress on the switching devices, leading to higher system losses.
In addition to optimizing modulation strategies, most existing studies also address the issue of capacitor voltage fluctuations in MMCs at low frequencies by improving the topology [13,14,15,16]. In [15], additional circuits were supplemented among the sub-modules of different arms to create power pathways. The power transfer between different arms enables a complete decoupling of ripple power, effectively reducing voltage fluctuations in the sub-module DC bus. While the approach of improving the topology increases costs compared to optimizing modulation, it avoids the injection of circulating currents and common-mode voltage.
This article proposes a low-capacitance MMC (LC-MMC) motor drive system. A coupling channel for fluctuating currents is constructed laterally between the three-phase sub-modules. The additional circuit, using a simple open-loop control, significantly reduces voltage fluctuations in the sub-module DC bus across the entire working frequency range, thereby reducing the size of the capacitors and achieving lightweight MMC motor drive systems. This approach can also suppress common-mode voltage to some extent.
In Section 2, the paper introduces the traditional MMC motor drive system and analyzes the constraints on its sub-module capacitors. Section 3 provides a detailed explanation of the proposed LC-MMC motor drive system. Section 4 elaborates on the capacitor lightweighting design for the new topology. Section 5 provides a discussion of the volume and efficiency of the two MMC motor drive systems. In Section 6, the effectiveness of the proposed topology is verified through simulation and experimental verification. Finally, Section 7 summarizes the analysis presented in this paper.
2. Traditional MMC Motor Drive System
2.1. Topology Structure
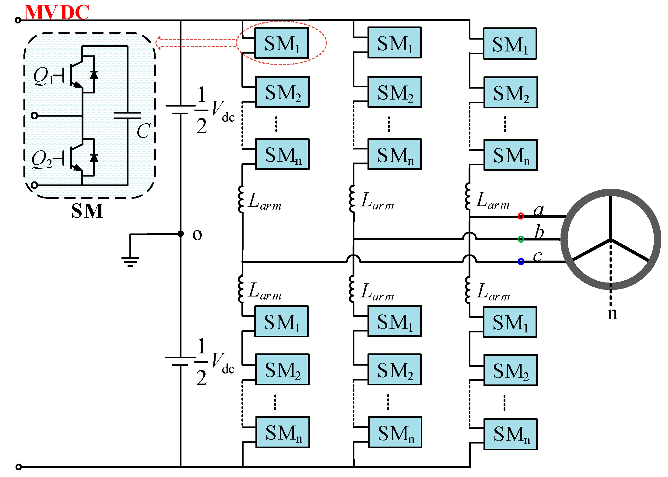
The circuits of the traditional MMC are illustrated in Figure 1. MVDC denotes the medium-voltage DC bus. Each arm contains N identical sub-modules (SMs) and an arm inductor Larm. Each sub-module is a half-bridge type, composed of two IGBTs and an SM capacitor.
Figure 1.
Topology of traditional MMC motor drive system, in which a, b and c represent the three phases.
2.2. Sub-Module Capacitor Constraints
Since the number of MMC SMs is large, controlling the cost and size of these sub-modules is crucial. The SM capacitor is the largest and most costly component within a sub-module; therefore, reducing the value of the SM capacitor has significant engineering importance.
Table 1 presents the statistics of sub-module (SM) capacitance parameters for traditional MMC motor drive systems under different operating conditions as reported in [17,18,19,20]. The data indicate that the SM capacitance values of traditional MMCs, which employ different SM voltage fluctuation suppression strategies, are typically several millifarads and usually utilize electrolytic capacitors. However, electrolytic capacitors have poor ripple current endurance, short lifespans, and leakage current issues. If smaller capacitance film capacitors could replace the electrolytic capacitors, it would not only achieve system lightweighting but also significantly enhance system reliability.
Table 1.
Statistics of sub-module capacitance parameters.
An analysis of the SM capacitor constraints for MMC motor drive systems is presented below. The load current factor F, which is positively correlated with the load current magnitude, is defined as shown in Equation (1):
In Equation (1), Ia is the current amplitude of phase A and Ia(rated) is the current amplitude of the MMC AC side.
Based on the analysis in [21], the minimum capacitance required for a traditional MMC sub-module when the capacitor voltage fluctuation ratio is ε can be calculated as
In Equation (2), m represents the voltage modulation index of the MMC; φ represents the power factor angle of the MMC; and f represents the AC-side voltage frequency of the MMC.
Calculations based on a 5% voltage ripple requirement over the full speed range of the motor drive system show that, under the same conditions, the SM capacitance value calculated from Equation (2) is much larger than the values listed in Table 1. This indicates that to reduce the SM capacitance, an SM voltage fluctuation suppression strategy must be employed.
3. LC-MMC Motor Drive System
3.1. Symmetry Characteristics of Fluctuating Currents
First, the causes of SM capacitor voltage fluctuations are discussed. The circulation within the MMC primarily consists of second-order frequency components [22], the harmonics above which are ignored in this analysis. Figure 2 shows the equivalent model of phase A of the MMC.
Figure 2.
Single-phase equivalent model of MMC.
The SM capacitor voltage can be obtained as
In Equation (3), uCua and uCda represent the values of voltage of a single SM capacitor (where the subscript u denotes the upper arm, d denotes the lower arm, and a denotes phase A); iCua and iCda are the fluctuating currents of a single SM; and Csm is the value of the MMC SM capacitor.
Based on the research in [21], the formulae for the fluctuating currents of the SMs in the two arms can be obtained as
In Equation (4), Fua and Fda represent the average functions for the two arms; iua and ida represent the two arms’ currents; Idc represents the DC-side current; Ia represents the current amplitude of the A -side; ω represents the angular frequency of the AC-side voltage of the MMC; θa represents the phase angle; I2a represents the amplitude of the second-order circulating current; and θ2a represents the phase angle of the second-order circulating current in phase A.
The characteristics of sub-module fluctuating currents are illustrated in Figure 3. For three sub-modules positioned at the same level in each phase, the AC components of the same frequency in their fluctuating currents have a phase difference of 120°. In three-phase fluctuating currents, the odd-order components, dominated by the fundamental frequency, are distributed in a positive sequence across the three phases. Within the same phase, the fluctuating currents of the upper and lower arms have the same amplitude but opposite phases. The even-order components, dominated by the second-order frequency, are distributed in a negative sequence across the three phases, with the fluctuating currents of the two arms in one phase having the same amplitude and phase.
Figure 3.
Schematic diagram of relationship between elements of three-phase fluctuating current.
By constructing coupling channels between the sub-modules of the three phases, these fluctuating currents can be coupled and canceled out, thereby effectively suppressing the voltage fluctuations of the sub-module capacitors.
3.2. Topology Configuration
The topology structure of the proposed low-capacitance MMC (LC-MMC) is depicted in Figure 4. The traditional MMC’s half-bridge sub-module replaces the capacitor with two capacitors connected in series and introduces a new half-bridge circuit to create a novel sub-module (N-SM). The high-frequency link (HFL) is created by connecting three sub-modules (SMs) in each phase of the MMC horizontally through a three-winding high-frequency transformer (HFT). The turn ratio of the HFT is 1:1:1, providing a pathway for coupling the fluctuating currents of the three-phase SMs.
Figure 4.
Topology of LC-MMC: (a) circuit structure; (b) N-SM structure.
3.3. Control Strategy
- (1)
- Control method of overall system
The control method of the LC-MMC is depicted in Figure 5. The control method on the MMC side is the same as described in Section 2.2, using a vector control strategy to achieve normal motor drive. The LC-MMC system is also compatible with simpler constant voltage-to-frequency (V/f) control. To enable the coupling of fluctuating currents among the three-phase SMs in the MMC, the three half-bridge circuits that form the HFL circuit are controlled using identical open-loop synchronous signals with a 0.5 duty cycle. Compared to the control scheme of traditional MMC motor drive systems, the LC-MMC system does not require additional SM DC bus fluctuation suppression strategies. This is because the simple open-loop control of the HFL circuit effectively reduces capacitor voltage fluctuations, thereby simplifying the MMC-side control.
Figure 5.
Control method of LC-MMC motor drive.
Because the research on the speed outer loop and current inner loop design for motor speed control system has been fairly mature, the intermediate steps in the control system regulator design are skipped in this section, and the description is mainly provided in the form of reference literature [23,24]. Taking the control method with id = 0 as an example, the detailed block of the inner loop in the dual closed-loop control of the MMC stage is depicted in Figure 6, and the simplified transfer function of the q-axis current can be obtained from [24]:
Figure 6.
Control block diagram of current inner loop.
When the decoupling elements Lq’ and R’ match the actual motor parameters, the system can be further simplified. In general, the magnitude of T·Lq’ is very small, and the system can be approximated as a first-order system at this point. The bandwidth of the current loop can be written as follows:
When the inner loop bandwidth is set to ω’, the inner loop controller parameters are
Based on the simulation parameters, the proportional gain Kp_i of the speed outer loop regulator is set to 50, and the integral gain Ki_i is set to 1000. The Bode plot of the inner loop is depicted in Figure 7.
Figure 7.
Bode diagram of current inner loop.
The speed outer loop is depicted in Figure 8, where the inner loop is equivalent to a typical first-order element. Here, Kp_speed and Ki_speed are the speed outer loop regulators; Gi(s) is the transfer function of the inner loop; td is the delay element; Pn is the number of motor pole pairs; ϕf is the size of the permanent magnet flux linkage; and J is the rotor moment of inertia.
Figure 8.
Control block diagram of rotation speed outer loop.
The current inner and outer loop delay elements can be combined and represented by a single overall delay element with a delay time of Ts2, which can be obtained from [24], to simplify the speed outer loop transfer function as
In which case, J represents the moment of inertia of the motor, and
When the bandwidth coefficient is defined as h, the controller parameters are obtained as
According to [A6], it can be seen that the system performance is better when h = 5, and therefore, the regulator parameters can be obtained as follows:
Based on the simulation parameters, the proportional gain of the speed outer loop regulator Kp_speed is set to 1000, and the integral gain Ki_speed is set to 20,000. The Bode diagram of the speed outer loop is depicted in Figure 9.
Figure 9.
Bode diagram of rotation speed outer loop.
- (2)
- Synchronous modulation of HFL
The schematic of the HFL circuit is depicted in Figure 10, and the switching sequence diagram is depicted in Figure 11. Taking HFLi as an example, where i denotes the i-th HFL module (i = 1, 2, 3, …, 2N), HFLix represents the sub-module of phase x (x = a, b, c) in HFLi. Since the HFL circuit uses a synchronous modulation signal with a 0.5 duty cycle, when Sai1 of HFLia is turned on, Sbi1 of HFLib and Sci1 of HFLic are also turned on, causing the transformer winding current iT to rise and remain positive, with the winding currents of the other two phases in the same direction as iT. When Sai2 of HFLia is turned on, Sbi2 of HFLib and Sci2 of HFLic are also turned on, causing the transformer winding current iT to fall and remain negative. The HFL circuit operates in this manner for each switching cycle.
Figure 10.
Schematic diagram of HFL circuit.
Figure 11.
Switch sequence diagram of HFL circuit.
4. LC-MMC Capacitor Lightweight Design
4.1. HFL Fluctuating Current Optimization
The purpose of the HFL circuit is to provide a pathway for the coupling and cancellation of sub-module fluctuating currents. To facilitate the examination of the HFL circuit, it is hypothesized that the parameters associated with each sub-module are uniform, and any impact from the HFT magnetizing branch is disregarded. Each individual HFL module is regarded as a distinct linear system.
As the switching frequency of the HFL circuit is significantly higher than the carrier frequency of the MMC, we can analyze the HFL circuit independently without considering its impact on the MMC. Each preceding circuit of the HFL sub-modules can be treated as a current source, with its value determined by Equation (4). Additionally, since all three half-bridge circuits in the HFL circuit have identical switching states and the current directions of the HFT windings are consistent, we can simplify and represent it as an equivalent circuit, as shown in Figure 12.
Figure 12.
Simplified equivalent circuit for HFL.
The portion flowing into the SM capacitor is designated as iai1, and the portion flowing through the HFL is designated as iai2. Their sizes are connected to the impedance pattern of the HFL circuit.
The impedance value of the branch through which the current iai1 fluctuates is represented by Z1, and the impedance value of the branch through which the fluctuating current iai2 flows is denoted as Z2. Their expressions are given by
In the equations, Lleak represents the leakage inductance of the HFT, which is the equivalent leakage inductance considering both the self-leakage and mutual leakage inductances [25].
If we solely focus on the input current of phase A sub-modules and disregard the input currents of phase B and C SMs, we can determine the fluctuating current values for the two branches, iai1_a and iai2_a.
Considering the input currents of the phase B and C sub-modules, taking into account three-phase symmetry and utilizing the superposition theorem and parallel current-sharing principle, we can determine the currents entering phase A from phase B and C as ibi2l and ici2l.
Under steady-state conditions of the MMC, the DC component of the sub-module fluctuating current is zero, containing only AC components. As a result, based on Equations (13) and (14), the iai is given by
According to Equation (15), the proportion of current diverted into the capacitor differs due to the different frequencies. The HFL circuit shows better coupling and absorption effects for low-frequency fluctuating currents. Since the fluctuating current is primarily composed of low-frequency components, with Lleak in the microhenry (μH) range and C in the millifarad (mF) range, the SM capacitor receives a significantly reduced amount of fluctuating current compared to the HFL. As a result, the elimination of low-frequency ripple in the sub-module voltage is achieved. As shown in the study in [26], the arm circulating current is also eliminated.
To ensure the proper coupling of the fluctuating currents, the leakage inductance Lleak of the HFT should be minimized. Additionally, since the DC components of the voltages of each SM are the same, the turns ratio of the three windings of the HFT is designed to be a fixed value of 1:1:1.
4.2. New Constraint of Sub-Module Capacitance
The ripple current flowing into the SM capacitor is mainly composed of high-frequency switching harmonics generated by the sub-module switching actions. Considering only the capacitor’s function of filtering AC components, the minimum capacitance of the LC-MMC motor drive system can be calculated by referring to the output filter capacitor of a Boost circuit. The minimum capacitance for a sub-module capacitor with a voltage ripple ratio of ε is given by
In the equation, Udc represents the value of MMC DC bus voltage, and fsm is the switching frequency of the MMC sub-modules.
To demonstrate the weight reduction effect of capacitors in the LC-MMC motor drive system, we have plotted the correlation between the capacitance ratio of sub-module capacitors and both the frequency (f) and load current factor (F). This analysis is based on the minimum capacitance equations for a traditional MMC (Equation (2)) and LC-MMC (Equation (16)), as shown in Figure 13 and Figure 14. The vertical axis represents the ratio of the minimum capacitance under various operating conditions to the minimum capacitance of a fully-loaded, 5 Hz condition in a traditional MMC, with a range of 0 to 1. One horizontal axis is the frequency f, ranging from 5 to 50 Hz, and the other horizontal axis is the load current factor F, ranging from 0 to 1.
Figure 13.
Capacitance ratio diagram of traditional MMC.
Figure 14.
Capacitance ratio diagram of LC-MMC.
It can be observed that the capacitance requirement for the MMC sub-modules reaches its maximum when the motor is at maximum load and operating at the lowest frequency. In traditional MMC motor drive systems, the capacitance demand rises with a decrease in operating frequency or an increase in load current. However, in the LC-MMC motor drive system, the capacitance requirement is less affected by the operating frequency, and under low-frequency conditions, the capacitance requirement is about 1/100th of that of a traditional MMC, achieving the goal of a low-capacitance, lightweight system.
5. LC-MMC Lightweight Evaluation
5.1. System Volume and Cost Evaluation
To demonstrate the power density advantage of the LC-MMC motor drive system brought by capacitor optimization, a volume comparison of the main components in a set of three-phase sub-modules between traditional MMC and LC-MMC motor drive systems is conducted based on the simulation conditions in Section 6. The comparison is divided into the following four aspects:
- (1)
- With a 5% voltage ripple requirement at a rated frequency of 50 Hz, based on Equation (2) and considering a certain margin, the capacitance of the traditional MMC SM is 1.3 mF. Four B25680C1158K503 capacitors from TDK, rated at 1.5 kV and 1.5 mF, are selected and arranged in a series-parallel configuration to form the required sub-module capacitor. The total volume of the three-phase SM capacitors is 38.7 dm3, and the total cost is USD 876.6. At a low frequency of 10 Hz with a 5% voltage ripple requirement, the traditional MMC sub-module capacitance is 6.5 mF. Eighteen B25680C1158K503 capacitors from TDK, rated at 1.5 kV and 1.5 mF, are selected and arranged in a series-parallel configuration to form the required SM capacitor, resulting in a total volume of 174.2 dm3 and a total cost of USD 3094.2 for the three-phase sub-module capacitors. The capacitance of the LC-MMC SM is less affected by the operating frequency. With a 5% voltage ripple requirement across all frequencies, based on simulation results and considering a certain margin, the LC-MMC sub-module capacitance is 750 μF. Two B25680C1158K503 capacitors from TDK, rated at 1.5 kV and 1.5 mF, are selected and arranged in series to form the required sub-module capacitor, with a total volume of 19.4 dm3 and a total cost of USD 343.8. The volume of the LC-MMC sub-module capacitors is reduced to one-ninth of that of the traditional MMC.
- (2)
- Considering certain voltage and current margins, both the traditional MMC and LC-MMC half-bridge sub-modules use Infineon’s 3.3 kV, 200 A half-bridge module FF200R33KF2C. Taking into account space margins, the total volume is 6.5 dm3 and the total cost is USD 2193.6. The additional HFL in the LC-MMC also uses the half-bridge module FF200R33KF2C, with a total switching volume of 6.5 dm3 and a total cost of USD 2193.6.
- (3)
- Based on the loss calculation results, the total volume of the heat sink for the traditional MMC is approximately 14.5 dm3. In the LC-MMC, the additional HFL circuit has a conduction current lower than the MMC sub-module current and achieves soft switching. The losses introduced by the additional circuit are relatively small compared to the MMC circuit losses, resulting in a total heat sink volume of about 19.8 dm3.
- (4)
- The insulation voltage level required for the HFT is 10 kVrms, with epoxy resin used as the insulating material [27]. Based on ABB’s design scheme for medium-voltage high-frequency transformers [28], the volume of the HFT in the additional HFL circuit of the LC-MMC is 10.6 dm3, and the cost is estimated at USD 2097.5.
In summary, a comparison of the volumes and costs of major components in the sub-modules of a traditional MMC and LC-MMC is shown in Figure 15 and Figure 16. The total percentage in pie chart (a) represents the total component volume of a traditional MMC under 50 Hz conditions, while the total percentages in pie charts (b) and (c) represent the total component volume of a traditional MMC under 10Hz conditions. It can be observed that, under the operating requirements across the full speed range, the sub-module component volume of the LC-MMC motor drive system is reduced by approximately 70% compared to the traditional MMC, significantly enhancing the system’s power density and achieving the goal of system lightweighting. As depicted in Figure 16, due to the addition of additional switching devices and HFTs to the system, the cost of the LC-MMC has increased. With the improvement of the manufacturing process of the switching devices, the cost will also be reduced, which is conducive to easing the increase in the cost of the LC-MMC. The cost comparison content in this paper mainly includes the main components in the sub-modules. As for the potential maintenance and operating costs, further in-depth research is needed in the future, combined with field surveys of actual engineering projects.
Figure 15.
Volume comparison of major components in SMs: (a) volume of major components in traditional MMC sub-modules under 50 Hz operating conditions; (b) volume of major components in traditional MMC sub-modules under 10 Hz operating conditions; (c) volume of major components in LC-MMC sub-modules.
Figure 16.
Cost comparison of major components in SMs.
5.2. System Efficiency Evaluation
As analyzed in Section 3.3, regardless of the switching state in which the HFL circuit operates, the maximum current stress experienced by switches S1 and S2 is essentially equivalent to that of switches Q1 and Q2 on the MMC side. Therefore, even though the HFL circuit achieves zero voltage switching (ZVS), the conduction losses of the switches in the HFL circuit, as well as the core and winding losses of the HFT, cannot be ignored. Nevertheless, because the LC-MMC motor drive system does not require circulating current injection to suppress sub-module voltage fluctuations, the switching and sub-module capacitor losses caused by circulating currents are significantly reduced, which is beneficial for improving system efficiency.
To evaluate the efficiency of the LC-MMC, the power device and capacitor loss models of the MMC from [29], the power device loss model of the half-bridge circuit from [30], and the core and winding loss models of HFT from [31] were used. The loss distribution of the traditional MMC motor drive system with circulating current injection, as described in [32], and that of the LC-MMC motor drive system were calculated and compared under the rated conditions of the simulation platform in this paper.
- (1)
- Switching devices
The losses of the switching devices in the MMC and HFL circuits are mainly composed of conduction loss and switching loss, while the gate driver loss of the IGBT is much smaller than the conduction loss and switching loss, so it is ignored. The total loss of the switching device is
In the above equation, Pcon_T and Pcon_D represent the conduction losses of the IGBT and diode, while Psw_T and Psw_D represent the switching losses of the IGBT and diode. The detailed formulae for the conduction and switching losses are as follows:
In this model, iCE and iD represent the conduction current of the IGBT and the diode, respectively; VCE and VD represent the conduction voltage drop of the IGBT and the diode, respectively; rCE and rD represent the conduction resistance of the IGBT and the diode, respectively; Eon, Eoff, and Erec represent the on-state energy, off-state energy, and reverse recovery energy of the diode, respectively; t0 is any switching instant; and Ts is the switching period. These parameters are usually obtained by the curve fitting of the parameter curves in the data sheet of the switching device FF200R33KF2C.
- (2)
- High-frequency transformer
The losses of the HFT are mainly composed of core loss and winding loss. According to the existing research, the total loss of the HFT can be expressed as
where f1 represents the operating frequency of the TAB and B denotes the flux density, while K, α, and β are parameters defined by the characteristics of the magnetic core. ΔB indicates the peak-to-peak magnetic induction, Rdc refers to the direct current resistance of the winding, and Fh, along with Ih, represent the AC resistance factor and RMS value of current at the hth harmonic, respectively.
Based on the above description, the case for a loss calculation in this section is the following: the rated power is 1 MW; DC voltage is 8 kV; AC voltage is 4.16 kV; the number of SMs is four; and the switching frequency of the SMs is 2 kHz, and that of the HFL is 10 kHz. The total loss of the traditional MMC motor drive system is approximately 27.75 kW, with an efficiency of 97.3%. The loss distribution of the LC-MMC motor drive system is shown in Figure 17, with a total loss of about 31.99 kW and an efficiency of 96.9%. Compared to the traditional MMC motor drive system, the overall efficiency of the LC-MMC motor drive system is only slightly lower.
Figure 17.
Loss distribution of LC-MMC.
5.3. Discussion
In order to highlight the contribution of the LC-MMC proposed in this paper in achieving the lightweight SM capacitor target, this section compares it with the existing studies [11,12,13,14,15,16] that achieve power decoupling through power channels. The comparison results are summarized in Table 2.
Table 2.
Comparison results with state-of-the-art fluctuating power decoupling.
In traditional MMC systems, the SM voltage fluctuations include all frequency components, including fundamental and double-frequency harmonics. The power coupling between the upper and lower bridge arms can eliminate the odd-frequency component of the SM voltage in [11,12], while leaving the even-order harmonics, which result in the bridge arm even-order circulating currents. The authors of [14,15,16] and the LC-MMC method proposed in this paper use the three-phase coupling scheme, which theoretically can eliminate all frequency components of the SM voltage. The addition of power channels to the existing MMC circuit inevitably increases the number of additional components, including switching devices and high-frequency transformers, while the number of additional components in the LC-MMC method proposed in this paper is relatively small.
The control of the power-decoupling channel is the most important difference between the proposed method and the existing ones. The HFL of the LC-MMC system proposed in this paper only needs a frequency-fixed and duty ratio-fixed open-loop synchronous modulation, without the need for any information acquisition or any closed-loop control. The SM fluctuating power decoupling in [11,12,13,14,15,16] all require closed-loop control to achieve it. Furthermore, after the complete elimination of the SM fluctuating voltage, the bridge arm even-order circulating currents also disappear, so the system’s circulating current suppression control is no longer needed. Simplifying the control of an MMC-type multi-module system can effectively reduce control resources and improve system stability.
6. Simulation and Experimental Validations
Based on the discussion in Section 4.2, low-frequency operation and heavy or full-load conditions in motor drive applications can lead to significant SM capacitor voltage fluctuations in the MMC. Therefore, the simulation and experimental conditions in this study were designed to consider 10 Hz low-frequency and full-load operation. The simulation and experimental parameters are listed in Table 3.
Table 3.
Simulation and experimental parameters.
6.1. Simulation Validation
Based on the simulation parameters listed in Table 3, three-phase traditional MMC and LC-MMC motor drive system simulation models were built in the Matlab 2016B/Simulink environment. The proposed LC-MMC motor drive system was validated for both steady-state and dynamic performance.
To demonstrate the capacitor voltage fluctuation suppression and common-mode voltage suppression effects of the LC-MMC motor drive system, the following simulation conditions were set for comparison: The system operated as a traditional MMC motor drive system before 4 s, and at 4 s, the HFL circuit was introduced, transitioning the system to operate as an LC-MMC motor drive system. Due to the larger capacitance requirement for the sub-modules in a traditional MMC, the equivalent capacitance of the sub-modules was set to 5 mF. Two sets of comparative simulations were conducted under 50 Hz rated conditions and 10 Hz low-frequency conditions.
Figure 18 shows the simulation waveforms before and after the HFL is introduced at 50 Hz, where the capacitor voltage ripple decreases from 8.6% to 0.2%, and the common-mode voltage amplitude reduces from 774 V to 724 V. Figure 19 shows the simulation waveforms before and after the HFL is introduced at 10 Hz, where the capacitor voltage ripple decreases from 20.8% to 0.4%, and the common-mode voltage amplitude reduces from 1031 V to 725 V. It can be observed that the LC-MMC motor drive system significantly suppresses capacitor voltage fluctuations at all operating frequencies and also provides some suppression of common-mode voltage. The suppression effect is more pronounced during low-frequency operation, and the simulation results align with the theoretical analysis presented earlier.
Figure 18.
Simulation waveforms before and after HFL insertion at 50 Hz.
Figure 19.
Simulation waveforms before and after HFL insertion at low frequency of 10 Hz.
To demonstrate the performance of the LC-MMC motor drive system with low capacitance, the equivalent capacitance of the sub-modules was set to 750 µF. Figure 20 shows the steady-state simulation waveforms of the LC-MMC motor drive system under 10 Hz low-frequency and rated load torque conditions. It can be observed that, even with a significantly reduced sub-module capacitance, the sinusoidal quality of the AC-side output current waveform remains good. Under low-frequency and 100% load torque conditions, the sub-module capacitors maintain a voltage ripple rate of around 2%, and the system can still operate stably.
Figure 20.
Steady-state simulation waveforms under 10 Hz low-frequency and rated load torque condition.
Figure 21 shows simulation waveforms to demonstrate how drive component values such as motor resistor and IGBT characteristics can affect the results. The factors tested include motor resistance, IGBT conduction resistance, and IGBT snubber resistance. The IGBT used is the Infineon FF200R33KF2C. The output voltage and current THD of the LC-MMC, as well as the converter efficiency, are summarized in Table 4. From the test results, it can be seen that differences in drive component values can result in differences in the quality of electrical energy output and converter efficiency but will not significantly affect the stability of the LC-MMC system.
Figure 21.
Experimental waveforms of sensitivity test of drive component values, and the red, green and purple in AC voltage and the red, green and blue in AC current represent phase A, phase B and phase C respectively. (a) Rated parameters; (b) motor resistance increasing by 50%; (c) IGBT conduction resistance increasing by 50%; (d) IGBT conduction resistance decreasing by 50%; (e) IGBT snubber resistance increasing by 50%; (f) IGBT snubber resistance decreasing by 50%.
Table 4.
Summary of simulation test results.
6.2. Experimental Validation
To further validate the performance of the LC-MMC motor drive system, a 4 kW small-scale experimental prototype was constructed. The prototype parameters are listed in Table 3, and the controller used is a TMS320F28335 DSP from dSPACE, a company based in Paderborn, Germany.
The HFL cut-in comparison experiment was first conducted with a sub-module equivalent capacitance of 2 mF. Figure 22 shows the experimental waveforms of the system operating at a rated frequency of 50 Hz during the HFL cut-in. After the HFL is engaged, the sub-module capacitor voltage ripple decreases from 14.5% to 0.5%, and the common-mode voltage slightly reduces from 163.7 V to 149.7 V. Figure 23 shows the experimental waveforms of the system operating at a low frequency of 10 Hz during the HFL cut-in. After the HFL is engaged, the sub-module capacitor voltage ripple decreases significantly from 52.5% to 1.3%, and the common-mode voltage also decreases noticeably, from 213.2 V to 150.1 V. Figure 19 and Figure 20 demonstrate that the proposed LC-MMC motor drive system effectively suppresses capacitor voltage fluctuations across the entire frequency range and slightly reduces the system’s common-mode voltage.
Figure 22.
Experimental waveforms before and after HFL insertion at 50 Hz.
Figure 23.
Experimental waveforms before and after HFL insertion at 10 Hz.
Finally, steady-state and load-switching experiments were conducted with an equivalent sub-module capacitance of 470 µF for the LC-MMC. Figure 24 shows the steady-state experimental waveforms when the system is operating at a low frequency of 10 Hz. It can be seen that the LC-MMC motor drive system outputs waveforms with a good sinusoidal quality. Figure 24 demonstrates that the proposed LC-MMC motor drive system exhibits a good steady-state performance at low capacitance values.
Figure 24.
Steady-state experimental waveforms at 10 Hz.
The dynamic performance test experiment waveforms of the LC-MMC are shown in Figure 25. Figure 25a shows the starting process from zero speed to rated speed. At zero speed starting, the SM voltage can still maintain stability without large fluctuations, proving that the proposed fluctuation power suppression strategy can be unaffected by the rotational speed. Figure 25b shows the dynamic experimental waveform of the torque increasing from 50% to 100%, and Figure 25c shows the dynamic experimental waveform of the speed decreasing from 50 Hz to 45 Hz. During the dynamic process, the LC-MMC can quickly achieve state transition and reach the new steady state. Figure 25 demonstrates that the proposed LC-MMC motor drive system exhibits good dynamic performance at low capacitance values.
Figure 25.
Experimental waveforms of dynamic performance. (a) Motor starting process; (b) torque increase process; (c) speed reduction process.
7. Conclusions
To address the challenges of applying MMCs in medium-voltage motor drive systems, this paper proposes a low-capacitance MMC (LC-MMC) topology that can operate over the full speed range of the motor. This topology significantly reduces capacitor voltage fluctuations across the entire frequency range by establishing coupling channels for fluctuating currents between sub-modules at the same horizontal position across the three phases. This greatly lowers the capacitance requirements for the sub-modules, achieving a lightweight system design. The volume of the LC-MMC SM capacitors is reduced to one-ninth of that of the traditional MMC, and the evaluation results show that the volume of the SMs can be reduced by nearly 70%.
The additional circuitry in the proposed topology can be implemented with a simple open-loop control, without requiring complex detection circuits or extensive computational resources, thereby not increasing the control complexity of the system. Moreover, the topology does not require circulating current or common-mode voltage injection; it can even slightly reduce the common-mode voltage, which is beneficial for the long-term operation of the motor. Thus, it has good prospects for engineering applications.
Author Contributions
Conceptualization, Y.Y. and J.T.; Methodology, X.L.; Software, K.S. and L.Q.; Validation, X.F. and M.Y.; Formal analysis, M.Y.; Investigation, Y.Y. and K.S.; Resources, X.L.; Data curation, L.Q.; Writing—original draft preparation, K.S. and X.L.; Writing—review and editing, X.F. and J.T.; Visualization, L.Q.; Supervision, J.T.; Project administration, Y.Y.; Funding acquisition, Y.Y. All authors have read and agreed to the published version of the manuscript.
Funding
This research was funded by the Science and Technology Research Project of Colleges and Universities in Hebei Province (QN2024129) and the Natural Science Fund Project of Hebei Province (E2024203170).
Data Availability Statement
The original contributions presented in the study are included in the article; further inquiries can be directed to the corresponding author/s.
Conflicts of Interest
The authors declare no conflicts of interest.
References
- Siemaszko, D.; Carpita, M. Continuous Time Simulation and System-Level Model of a MVDC Distribution Grid Including SST and MMC-Based AFE. Electronics 2024, 13, 2193. [Google Scholar] [CrossRef]
- Lin, X.; Wu, C.; Yao, W.; Liu, Z.; Shen, X.; Xu, R.; Sun, G.; Liu, J. Observer-Based Fixed-Time Control for Permanent-Magnet Synchronous Motors With Parameter Uncertainties. IEEE Trans. Power Electron. 2023, 38, 4335–4344. [Google Scholar] [CrossRef]
- Perez, M.A.; Bernet, S.; Rodriguez, J.; Kouro, S.; Lizana, R. Circuit topologies modeling control schemes and applications of modular multilevel converter. IEEE Trans. Power Electron. 2015, 30, 4–17. [Google Scholar] [CrossRef]
- Alhaj Omar, F.; Pamuk, N. Analyzing Impacts of Amplitude Modulation Index on Performance Characteristics of Three-Phase Nine-Level Modular Multilevel Converters. Electronics 2023, 12, 4114. [Google Scholar] [CrossRef]
- Ali, S.; Ling, Z.; Tian, K.; Huang, Z. Recent Advancements in Submodule Topologies and Applications of MMC. IEEE J. Emerg. Sel. Top. Power Electron. 2021, 9, 3407–3435. [Google Scholar] [CrossRef]
- Zhou, J.; Sun, X.; Zhao, T.; Mu, Q.; Guo, X. An Improved One-Dimensional Space Vector Modulation for Three-Phase Five-Level Cascaded H-Bridge Inverters. In Proceedings of the 2023 IEEE Energy Conversion Congress and Exposition (ECCE), Nashville, TN, USA, 29 October–2 November 2023; pp. 3349–3354. [Google Scholar]
- Abolhassani, M. Modular multipulse rectifier transformers in symmetrical cascaded H-bridge medium voltage drives. IEEE Trans. Power Electron. 2012, 27, 698–705. [Google Scholar] [CrossRef]
- Zhou, J.; Sirat, A.P.; Roy, C.; Mu, Q.; Mustakin, Z.; Wang, L.; Parkhideh, B.; Zhao, T. Finite Control Set Model Predictive Control Based on In-Situ Junction Temperature for Reliability Enhancement of Power Converters. In Proceedings of the 2023 IEEE 10th Workshop on Wide Bandgap Power Devices & Applications (WiPDA), Charlotte, NC, USA, 4–6 December 2023; pp. 1–6. [Google Scholar]
- Wang, Z.; Teng, J.; Zhang, M.; Bu, Z.; Lin, X.; Qi, L.; Zhao, W.; Li, X.; Sun, X. Common-Mode Voltage Suppression Strategy for CHB-Based Motor Drive Based on Topology and Modulation Optimization. IEEE Trans. Power Electron. 2024. [Google Scholar] [CrossRef]
- Diab, M.; Massoud, A.; Ahmed, S.; Williams, B. A dual modular multilevel converter with high-frequency magnetic links between submodules for MV open-end stator winding machine drives. IEEE Trans. Power Electron. 2018, 33, 5142–5159. [Google Scholar] [CrossRef]
- Pou, J.; Ceballos, S.; Konstantinou, G. Circulating current injection methods based on instantaneous information for the modular multilevel converter. IEEE Trans. Ind. Electron. 2015, 62, 777–788. [Google Scholar] [CrossRef]
- Okazaki, Y.; Hagiwara, M.; Akagi, H. A speed-sensorless start-up method of an induction motor driven by a modular multilevel cascade inverter. IEEE Trans. Ind. Appl. 2014, 50, 2671–2680. [Google Scholar] [CrossRef]
- Kumar, Y.; Poddar, G. Control of medium-voltage AC motor drive for wide speed range using modular multilevel converter. IEEE Trans. Ind. Electron. 2017, 64, 2742–2749. [Google Scholar] [CrossRef]
- Huang, X.; Wang, Z.; Kong, Z.; Xiong, J.; Zhang, K. Modular multilevel converter with three-port power channels for medium-voltage drives. IEEE J. Emerg. Sel. Top. Power Electron. 2018, 6, 1495–1507. [Google Scholar] [CrossRef]
- Diab, M.; Massoud, A.; Ahmed, S.; Williams, B. A modular multilevel converter with ripple-power decoupling channels for three-phase MV adjustable-speed drives. IEEE Trans. Power Electron. 2019, 34, 4048–4063. [Google Scholar] [CrossRef]
- Dang, X.; Pan, S.; Pan, X.; Gong, J.; Ge, X.; Shi, J.; Wang, M.; Hao, L.; Jin, P. A Decentralized Adaptive Voltage Regulation Control Strategy Based on A Novel Modular Three-Phase Integrated PV Inverter. In Proceedings of the 2021 IEEE Energy Conversion Congress and Exposition (ECCE), Vancouver, BC, Canada, 10–14 October 2021; pp. 137–142. [Google Scholar]
- Yang, R.; Li, B.; Wang, G.; Cecati, C.; Zhou, S.; Xu, D. Asymmetric mode control of MMC to suppress capacitor voltage ripples in low-frequency, low-voltage conditions. IEEE Trans. Power Electron. 2017, 32, 4219–4230. [Google Scholar] [CrossRef]
- Song, S.; Liu, J.; Ouyang, S.; Chen, X. An improved high-frequency common-mode voltage injection method in modular multilevel converter in motor drive application. In Proceedings of the 2018 IEEE Applied Power Electronics Conference and Exposition (APEC), San Antonio, TX, USA, 4–8 March 2018; pp. 2496–2500. [Google Scholar]
- Li, B.; Hu, J.; Zhou, S.; Xu, D. Hybrid back-to-back MMC system for variable speed AC machine drives. CPSS Trans. Power Electron. Appl. (CPSSTPEA) 2020, 5, 114–125. [Google Scholar] [CrossRef]
- Farzamkia, S.; Noushak, M.; Iman-Eini, H.; Khoshkbar-Sadigh, A.; Farhangi, S. Fault-Tolerant method to reduce voltage stress of submodules in postfault condition for regenerative MMC-based drive. IEEE Trans. Ind. Electron. 2021, 68, 4718–4726. [Google Scholar] [CrossRef]
- Teng, J.; Sun, X.; Zhang, M.; Zhao, W.; Li, X. Low-Capacitance CHB-Based SST Based on Resonant Push–Pull Decoupling Channel. IEEE Trans. Ind. Electron. 2024, 71, 2477–2488. [Google Scholar] [CrossRef]
- Tu, C.; Xiao, F.; Lan, Z.; Guo, Q.; Shuai, Z. Analysis and control of a novel modular-based energy router for DC microgrid cluster. IEEE J. Emerg. Sel. Top. Power Electron. 2018, 7, 331–342. [Google Scholar] [CrossRef]
- Li, S.; Yang, J.; Wang, Y.; Yang, G. Dual Closed-Loop Control Strategy on Harmonic Plane for Multiphase Induction Motor With Harmonic Injection Based on Air-Gap Flux Orientation Control. IEEE J. Emerg. Sel. Top. Power Electron. 2022, 10, 6101–6111. [Google Scholar] [CrossRef]
- Chen, B. Electrical Driving Automatic Control System—Motion Control System; China Machine Press: Beijing, China, 2003; pp. 76–83. [Google Scholar]
- Teng, J.; Bu, Z.; Sun, X.; Fu, H.; Zhao, W.; Li, X. Common High-Frequency Bus-Based Cascaded Multilevel Solid-State Transformer With Ripple and Unbalance Power Decoupling Channel. IEEE Trans. Power Electron. 2022, 37, 9345–9361. [Google Scholar] [CrossRef]
- Song, Q.; Liu, W.; Li, X.; Rao, H.; Xu, S.; Li, L. A steady-state analysis method for a modular multilevel converter. IEEE Trans. Power Electron. 2013, 28, 3702–3713. [Google Scholar] [CrossRef]
- Yi, Z.; Sun, K.; Liu, H.; Cao, G.; Lu, S. Design and optimization of the insulation of medium-voltage medium-frequency transformers for solid-state transformers. IEEE J. Emerg. Sel. Top. Power Electron. 2021, 36, 10548–10560. [Google Scholar] [CrossRef]
- Gradinger, T.; Drofenik, U.; Alvarez, S. Novel insulation concept for an MV dry-cast medium-frequency transformer. In Proceedings of the 2017 19th European Conference on Power Electronics and Applications (EPE’17 ECCE Europe), Warsaw, Poland, 11–14 September 2017; pp. 1–10. [Google Scholar]
- Rohner, S.; Bernet, S.; Hiller, M.; Sommer, R. Modulation, losses, and semiconductor requirements of modular multilevel converters. IEEE Trans. Ind. Electron. 2010, 57, 2633–2642. [Google Scholar] [CrossRef]
- Bierhoff, M.; Fuchs, F. Semiconductor losses in voltage source and current source IGBT converters based on analytical derivation. In Proceedings of the 2004 IEEE 35th Annual Power Electronics Specialists Conference (IEEE Cat. No.04CH37551), Aachen, Germany, 20–25 June 2004; Volume 4, pp. 2836–2842. [Google Scholar]
- Guo, Z.; Yu, R.; Xu, W.; Feng, X.; Huang, A. Design and optimization of a 200-kW medium-frequency transformer for medium-voltage SiC PV inverters. IEEE Trans. Power Electron. 2021, 36, 10548–10560. [Google Scholar] [CrossRef]
- Debnath, S.; Qin, J.; Saeedifard, M. Control and stability analysis of modular multilevel converter under low-frequency operation. IEEE Trans. Ind. Electron. 2015, 62, 5329–5339. [Google Scholar] [CrossRef]
Disclaimer/Publisher’s Note: The statements, opinions and data contained in all publications are solely those of the individual author(s) and contributor(s) and not of MDPI and/or the editor(s). MDPI and/or the editor(s) disclaim responsibility for any injury to people or property resulting from any ideas, methods, instructions or products referred to in the content. |
© 2024 by the authors. Licensee MDPI, Basel, Switzerland. This article is an open access article distributed under the terms and conditions of the Creative Commons Attribution (CC BY) license (https://creativecommons.org/licenses/by/4.0/).
























