Advances in Modeling and Suppression Methods of EMI in Power Electronic Converters of Third-Generation Semiconductor Devices
Abstract
1. Introduction
2. EMI Mechanism and Testing and Analysis Methods Used on Third-Generation Semiconductor Devices
2.1. The Generation Mechanism and Coupling Path of EMI
2.1.1. The Generation Mechanism of EMI Source
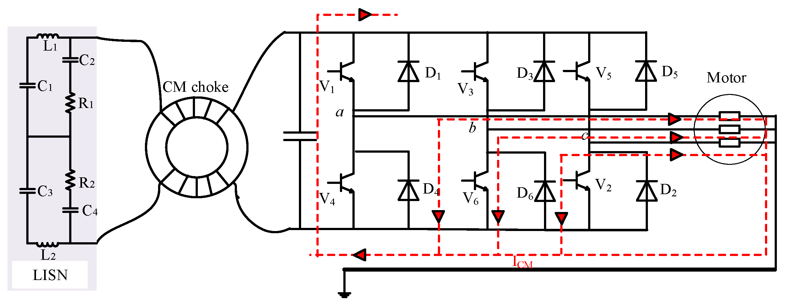
2.1.2. Propagation Characteristics and Coupling Path Analysis
2.2. Analysis Method of Conducted Noise Characteristics of Third-Generation Semiconductor Devices
2.2.1. Conducted Noise Test Methods
2.2.2. Conducted Noise Analysis Methods
2.3. The Effect of Temperature on EMI
3. EMI Modeling Method
3.1. EMI Modeling Process
3.2. Research Status of EMI Modeling
3.2.1. SiC Power Device Modeling
3.2.2. GaN Power Device Modeling
3.3. Conducted Noise Coupling Path Model
3.3.1. Time Domain Model
3.3.2. Frequency Domain Analysis
3.4. Comparison of Time-Domain and Frequency-Domain Modeling Methods
4. Study on EMI Suppression Methods for Power Electronic Devices
4.1. EMI Suppression Strategy for Suppressing EMI Sources
4.1.1. Soft-Switching Technology
4.1.2. Optimization of Modulation
4.1.3. Converter Structure Optimization
4.2. EMI Suppression Strategy to Improve Coupling Path Characteristics
4.2.1. Active Filtering Technology
4.2.2. Passive Filtering Technology
4.2.3. Optimization of Package Layout
4.2.4. Bridge Balancing Technology
5. Future Prospects
- (1)
- Modeling method
- (2)
- Analysis of EMI model under non-ideal conditions
- (3)
- Coupling path analysis and model simplification scheme
- (4)
- A comparative study of EMI between the converter using Si-based and third-generation semiconductors.
- (5)
- EMI research combined with the actual working conditions
- (6)
- EMI suppression strategy formulation
Author Contributions
Funding
Data Availability Statement
Conflicts of Interest
References
- Wen, F.; Tutuc, E. Strained SixGe1-x-Ge-Si core-double-shell nanowire heterostructures for simultaneous hole and electron mobility enhancement. Appl. Phys. Lett. 2018, 113, 113102. [Google Scholar] [CrossRef]
- Zhang, R.; Zhang, Y. Power device breakdown mechanism and characterization: Review and perspective. Jpn. J. Appl. Phys. 2023, 62, SC0806. [Google Scholar] [CrossRef]
- Wen, F.; Tutuc, E. Enhanced Electron Mobility in Nonplanar Tensile Strained Si Epitaxially Grown on SixGe1-x Nanowires. Nano Lett. 2018, 18, 94–100. [Google Scholar] [CrossRef]
- Zhang, Z.; Hu, Y.; Chen, X. A Review on Conductive Common-Mode EMI Suppression Methods in Inverter Fed Motor Drives. IEEE Access 2021, 9, 18345–18360. [Google Scholar] [CrossRef]
- Singh, S.; Chaudhary, T.; Khanna, G. Recent Advancements in Wide Band Semiconductors (SiC and GaN) Technology for Future Devices. Silicon 2022, 14, 5793–5800. [Google Scholar] [CrossRef]
- Ma, C.T.; Gu, Z.H. Review on Driving Circuits for Wide-Bandgap Semiconductor Switching Devices for Mid- to High-Power Applications. Micromachines 2021, 12, 65. [Google Scholar] [CrossRef] [PubMed]
- Zhao, S.; Zhao, X.; Wei, Y. A Review of Switching Slew Rate Control for Silicon Carbide Devices Using Active Gate Drivers. IEEE J. Emerg. Sel. Top. Power Electron. 2021, 9, 4096–4114. [Google Scholar] [CrossRef]
- Zhang, B.; Wang, S. A Survey of EMI Research in Power Electronics Systems With Wide-Bandgap Semiconductor Devices. IEEE J. Emerg. Sel. Top. Power Electron. 2020, 8, 626–643. [Google Scholar] [CrossRef]
- Han, D.; Li, S.; Wu, Y.; Choi, W.; Sarlioglu, B. Comparative Analysis on Conducted CM EMI Emission of Motor Drives: WBG Versus Si Devices. IEEE Trans. Ind. Electron. 2017, 64, 8353–8363. [Google Scholar] [CrossRef]
- Dalal, D.N.; Christensen, N.; Jorgensen, A.B.; Jorgensen, J.K. Impact of Power Module Parasitic Capacitances on Medium-Voltage SiC MOSFETs Switching Transients. IEEE J. Emerg. Sel. Top. Power Electron. 2020, 8, 298–310. [Google Scholar] [CrossRef]
- Wen, F.; Shabani, J.; Tutuc, E. Josephson Junction Field-Effect Transistors for Boolean Logic Cryogenic Applications. IEEE Trans. Electron Devices 2019, 66, 5367–5374. [Google Scholar] [CrossRef]
- Xie, Y.; Chen, C.; Huang, Z.; Liu, T.; Kang, Y.; Luo, F. High Frequency Conducted EMI Investigation on Packaging and Modulation for a SiC-Based High Frequency Converter. IEEE J. Emerg. Sel. Top. Power Electron. 2019, 7, 1789–1804. [Google Scholar] [CrossRef]
- Han, D.; Sarlioglu, B. Comprehensive Study of the Performance of SiC MOSFET-Based Automotive DC–DC Converter Under the Influence of Parasitic Inductance. IEEE Trans. Ind. Appl. 2016, 52, 5100–5111. [Google Scholar] [CrossRef]
- Marlier, C.; Videt, A.; Idir, N.; Moussa, H.; Meuret, R. Modeling of switching transients for frequency-domain EMC analysis of power converters. In Proceedings of the 2012 15th International Power Electronics and Motion Control Conference (EPE/PEMC), Novi Sad, Serbia, 4–6 September 2012. [Google Scholar]
- Jia, X.; Dong, B.; Wang, H.; Hu, C.; Xu, D. Characteristics of SiC inverter powertrains on common-mode EMI noise. J. Power Electron. 2021, 21, 354–363. [Google Scholar] [CrossRef]
- Adamowicz, M. Non-isolated resonant quasi-Z-source network DC-DC converter. Electron. Lett. 2019, 55, 855–856. [Google Scholar] [CrossRef]
- Li, K.R.; See, K.Y.; Bandara, R.M.S. Impact Analysis of Conducted Emission Measurement Without LISN. IEEE Trans. Electromagn. Compat. 2016, 58, 776–783. [Google Scholar] [CrossRef]
- Kang Rong, L.; Kye Yak, S.; Xing Ming, L. Inductive Coupled In-Circuit Impedance Monitoring of Electrical System Using Two-Port ABCD Network Approach. IEEE Trans. Instrum. Meas. 2015, 64, 2489–2495. [Google Scholar] [CrossRef]
- Aiello, O. Hall-Effect Current Sensors Susceptibility to EMI: Experimental Study. Electronics 2019, 8, 1310. [Google Scholar] [CrossRef]
- Lemmon, A.N.; Cuzner, R.; Gafford, J.; Hosseini, R.; Brovont, A.D.; Mazzola, M.S. Methodology for Characterization of Common-Mode Conducted Electromagnetic Emissions in Wide-Bandgap Converters for Ungrounded Shipboard Applications. IEEE J. Emerg. Sel. Top. Power Electron. 2018, 6, 300–314. [Google Scholar] [CrossRef]
- Zhu, R.; Lin, N.; Dinavahi, V.; Liang, G. An Accurate and Fast Method for Conducted EMI Modeling and Simulation of MMC-Based HVdc Converter Station. IEEE Trans. Power Electron. 2020, 35, 4689–4702. [Google Scholar] [CrossRef]
- Lai, J.S.; Huang, X.; Pepa, E.; Chen, S.; Nehl, T.W. Inverter EMI modeling and simulation methodologies. IEEE Trans. Ind. Electron. 2006, 53, 736–744. [Google Scholar]
- Rabkowski, J.; Peftitsis, D.; Nee, H. Silicon Carbide Power Transistors: A New Era in Power Electronics Is Initiated. IEEE Ind. Electron. Mag. 2012, 6, 17–26. [Google Scholar] [CrossRef]
- Jones, E.A.; Wang, F.F.; Costinett, D. Review of Commercial GaN Power Devices and GaN-Based Converter Design Challenges. IEEE J. Emerg. Sel. Top. Power Electron. 2016, 4, 707–719. [Google Scholar] [CrossRef]
- Millan, J.; Godignon, P.; Perpina, X.; Perez-Tomas, A.; Rebollo, J. A Survey of Wide Bandgap Power Semiconductor Devices. IEEE Trans. Power Electron. 2014, 29, 2155–2163. [Google Scholar] [CrossRef]
- Ben Dhia, S.; Boyer, A.; Li, B.; Ndoye, A.C. Characterisation of electromagnetic compatibility drifts of nanoscale integrated circuit after accelerated life tests. Electron. Lett. 2010, 46, 278–280. [Google Scholar] [CrossRef]
- Fernandez, R.; Berbel, N.; Gil, I.; Morata, M. Impact of NBTI on EMC behaviours of CMOS inverter. In Proceedings of the Asia-Pacific International Symposium on Electromagnetic Compatibility/Technical Exhibition on EMC RFIMicrowave Measurements and Instrumentation, Beijing, China, 12–16 April 2010. [Google Scholar]
- Dienot, J.-m.; Batista, E.; Ramos, I. Thermal-electromagnetic susceptibility behaviors of PWM patterns used in control electronic circuit. In Proceedings of the International Workshop on the Electromagnetic Compatibility of Integrated Circuits, Edinburgh, Scotland, 10–13 November 2015. [Google Scholar]
- Wang, D.W.; Zhao, W.S.; Gu, X.Q.; Chen, W.c.; Yin, W.Y. Wideband Modeling of Graphene-Based Structures at Different Temperatures Using Hybrid FDTD Method. IEEE Trans. Nanotechnol. 2015, 14, 250–258. [Google Scholar] [CrossRef]
- Wang, Z.; Li, H.; Chu, Z.; Zhang, C.; Yang, Z.; Shao, T.; Hu, Y. A Review of EMI Research in Modular Multilevel Converter for HVDC Applications. IEEE Trans. Power Electron. 2022, 37, 14482–14498. [Google Scholar] [CrossRef]
- Cheng, W.; Huang, Z.; Xu, S.; Sun, W. Novel Hybrid Analytical/Numerical Conducted EMI Model of a Flyback Converter. IEEE Trans. Electromagn. Compat. 2017, 59, 488–497. [Google Scholar] [CrossRef]
- Wen, F.; Yuan, J.; Wickramasinghe, K.S.; Mayer, W.; Shabani, J.; Tutuc, E. Epitaxial Al-InAs Heterostructures as Platform for Josephson Junction Field-Effect Transistor Logic Devices. IEEE Trans. Electron Devices 2021, 68, 1524–1529. [Google Scholar] [CrossRef]
- Willemen, J.; Andreini, A.; De Heyn, V.; Esmark, K.; Etherton, M. Characterization and modeling of transient device behavior under CDM ESD stress. J. Electrost. 2004, 62, 133–153. [Google Scholar] [CrossRef]
- Hsu, W.; Wen, F.; Wang, X.; Wang, Y. Laser Spike Annealing for Shallow Junctions in Ge CMOS. IEEE Trans. Electron Devices 2017, 64, 346–352. [Google Scholar] [CrossRef]
- Yuan, Y.; Qian, Z. An improved lumped-charge model and parameter extraction approach of PIN diodes. In Proceedings of the IEEE 33rd Annual IEEE Power Electronics Specialists Conference Proceedings, Cairns, QLD, Australia, 23–27 June 2002. [Google Scholar]
- Roccaforte, F.; Fiorenza, P.; Greco, G. Emerging trends in wide band gap semiconductors (SiC and GaN) technology for power devices. Microelectron. Eng. 2018, 187, 66–77. [Google Scholar] [CrossRef]
- Smith, B.; Fleming, G.; Parrish, K.D. Mean Free Path Suppression of Low-Frequency Phonons in SiGe Nanowires. Nano Lett. 2020, 20, 8384–8391. [Google Scholar] [CrossRef] [PubMed]
- Merkert, A.; Krone, T.; Mertens, A. Characterization and Scalable Modeling of Power Semiconductors for Optimzied Design of Traction Inverters with Si- and SiC-Devices. In Proceedings of the IEEE Vehicle Power and Propulsion Conference (VPPC), Seoul, Republic of Korea, 9–12 October 2012. [Google Scholar]
- Xie, Y.; Chen, C.; Yan, Y.; Huang, Z.; Kang, Y. Investigation on Ultralow Turn-off Losses Phenomenon for SiC MOSFETs With Improved Switching Model. IEEE Trans. Power Electron. 2021, 36, 9382–9397. [Google Scholar] [CrossRef]
- Wang, J.; Jiang, X. Review and analysis of SiC MOSFETs’ ruggedness and reliability. IET Power Electron. 2020, 13, 445–455. [Google Scholar] [CrossRef]
- Johannesson, D.; Nawaz, M. Analytical PSpice model for SiC MOSFET based high power modules. Microelectron. J. 2016, 53, 167–176. [Google Scholar] [CrossRef]
- Xin, Z.; Li, H.; Liu, Q.; Loh, P.C. A Review of Megahertz Current Sensors for Megahertz Power Converters. IEEE Trans. Power Electron. 2022, 37, 6720–6738. [Google Scholar] [CrossRef]
- Wang, J.; Zhao, T.; Li, J. Characterization, modeling, and application of 10-kV SiC MOSFET. IEEE Trans. Electron Devices 2008, 55, 1798–1806. [Google Scholar] [CrossRef]
- Sun, K.; Wu, H.; Lu, J.; Xing, Y.; Huang, L. Improved Modeling of Medium Voltage SiC MOSFET Within Wide Temperature Range. IEEE Trans. Power Electron. 2014, 29, 2229–2237. [Google Scholar] [CrossRef]
- Wang, X.; Wang, Y.; Wu, T. The Review of Electromagnetic Field Modeling Methods for Permanent-Magnet Linear Motors. Energies 2022, 15, 3595. [Google Scholar] [CrossRef]
- Huang, X.; Liu, Z.; Li, Q.; Lee, F.C. Evaluation and Application of 600V GaN HEMT in Cascode Structure. In Proceedings of the 28th Annual IEEE Applied Power Electronics Conference and Exposition (APEC), Long Beach, CA, USA, 17–21 March 2013. [Google Scholar]
- Pajnic, M.; Pejovic, P.; Despotovic, Z.; Lazic, M.; Skender, M. Characterization and Gate Drive Design of High Voltage Cascode GaN HEMT. In Proceedings of the 19th International Symposium on Power Electronics (Ee), Novi Sad, Serbia, 19–21 October 2017. [Google Scholar]
- Xie, R.; Wang, H.; Tang, G.; Yang, X.; Chen, K.J. An Analytical Model for False Turn-On Evaluation of High-Voltage Enhancement-Mode GaN Transistor in Bridge-Leg Configuration. IEEE Trans. Power Electron. 2017, 32, 6416–6433. [Google Scholar] [CrossRef]
- Xie, L.; Ruan, X.; Ji, Q.; Ye, Z. Shielding-Cancelation Technique for Suppressing Common-Mode EMI in Isolated Power Converters. IEEE Trans. Ind. Electron. 2015, 62, 2814–2822. [Google Scholar] [CrossRef]
- Carrasco, L.C.M.; Forsyth, A.J. Energy analysis and performance evaluation of GaN cascode switches in an inverter leg configuration. In Proceedings of the 2015 IEEE Applied Power Electronics Conference and Exposition (APEC), Charlotte, NC, USA, 15–19 March 2015. [Google Scholar]
- Garsed, P.J.; McMahon, R.A. Understanding the cascode switching process. In Proceedings of the The 1st IEEE Workshop on Wide Bandgap Power Devices and Applications, Columbus, OH, USA, 27–29 October 2013. [Google Scholar]
- Liu, Z.; Huang, X.; Zhang, W.; Lee, F.C.; Li, Q. Evaluation of High-Voltage Cascode GaN HEMT in Different Packages. In Proceedings of the 29th Annual IEEE Applied Power Electronics Conference and Exposition (APEC), Fort Worth, TX, USA, 16–20 March 2014. [Google Scholar]
- Huang, X.; Li, Q.; Liu, Z.; Lee, F.C. Analytical loss model of high voltage GaN HEMT in cascode configuration. In Proceedings of the 2013 IEEE Energy Conversion Congress and Exposition, Denver, CO, USA, 15–19 September 2013. [Google Scholar]
- Huang, X.; Li, Q.; Liu, Z.; Lee, F.C. Analytical Loss Model of High Voltage GaN HEMT in Cascode Configuration. IEEE Trans. Power Electron. 2014, 29, 2208–2219. [Google Scholar] [CrossRef]
- Parikh, P.; Wu, Y.; Shen, L. Commercialization of high 600V GaN-on-silicon power HEMTs and diodes. In Proceedings of the 2013 IEEE Energytech, Miyazaki, Japan, 21–23 May 2013. [Google Scholar]
- Chen, H.; Wu, J.; Zheng, X. Elimination of Common-Mode Choke Saturation Caused by Self-Resonance of the EMI Filter in a Variable-Frequency Drive System. IEEE Trans. Electromagn. Compat. 2019, 61, 1226–1233. [Google Scholar] [CrossRef]
- Fu, K.; Chen, W. Evaluation Method of Flyback Converter Behaviors on Common-Mode Noise. IEEE Access 2019, 7, 28019–28030. [Google Scholar] [CrossRef]
- Li, Y.; Zhu, H.; Wang, S. Investigating Switching Transformers for Common Mode EMI Reduction to Remove Common Mode EMI Filters and Y-Capacitors in Flyback Converters. IEEE J. Emerg. Sel. Top. Power Electron. 2018, 6, 2287–2301. [Google Scholar] [CrossRef]
- Deng, L.; Shi, Q.; Jiang, F. F. Modeling and Analysis of Parasitic Capacitance of Secondary Winding in High-Frequency High-Voltage Transformer Using Finite-Element Method. IEEE Trans. Appl. Supercond. 2018, 28, 1–5. [Google Scholar] [CrossRef]
- Zhang, H.; Yu, L.; Wang, S. Common-Mode EMI Noise Modeling and Reduction with Balance Technique for Three-Level Neutral Point Clamped Topolog. IEEE Trans. Ind. Electron. 2017, 64, 7563–7573. [Google Scholar] [CrossRef]
- Duan, Z.; Fan, T.; Wen, X.; Zhang, D. Improved SiC Power MOSFET Model Considering Nonlinear Junction Capacitances. IEEE Trans. Power Electron. 2018, 33, 2509–2517. [Google Scholar] [CrossRef]
- Dillen, D.C.; Wen, F.; Kim, K.; Tutuc, E. Coherently Strained Si-SixGe1-x Core-Shell Nanowire Heterostructures. Nano Lett. 2016, 16, 392–398. [Google Scholar] [CrossRef]
- Duan, Z.; Fan, T.; Zhang, D.; Wen, X. Modeling and prediction of electromagnetic interference in whole SiC three phase inverters. Adv. Technol. Electr. Eng. Energy 2018, 37, 1–7. [Google Scholar]
- Jia, X.; Hu, C.; Dong, B.; He, F.; Wang, H.; Xu, D. Influence of System Layout on CM EMI Noise of SiC Electric Vehicle Powertrains. CPSS Trans. Power Electron. Appl. 2021, 6, 298–309. [Google Scholar] [CrossRef]
- Zhang, W.; Wei, Y.; Zhang, X.; Wang, S.; Yan, L. Wide-band Modeling and Conducted EMI Simulation of MMC-HVDC Station. Saf. EMC 2019, 5, 91–97. (In Chinese) [Google Scholar]
- Revol, B.; Roudet, J.; Schanen, J.-L.; Loizelet, P. EMI Study of Three-Phase Inverter-Fed Motor Drives. IEEE Trans. Ind. Appl. 2011, 47, 223–231. [Google Scholar] [CrossRef]
- Li, Y.; Chen, C.; Kang, Y. Using ultra-low parasitic parameter to reduce EMI noise of condition for SiC module. Power Electron. 2018, 52, 22–25. [Google Scholar]
- Liu, Q.; Wang, F.; Boroyevich, D. Conducted-EMI Prediction for AC Converter Systems Using an Equivalent Modular–Terminal–Behavioral (MTB) Source Model. IEEE Trans. Ind. Appl. 2007, 43, 1360–1370. [Google Scholar] [CrossRef]
- Duan, Z.; Fan, T.; Zhang, D.; Wen, X. Differential Mode Conducted EMI Prediction in Three Phase SiC Inverters. In Proceedings of the 2nd Asia Conference on Power and Electrical Engineering (ACPEE), Shanghai, China, 24–26 March 2017. [Google Scholar]
- Zhou, W.; Pei, X.; Xiang, Y.; Kang, Y. A New EMI Modeling Method for Mixed-Mode Noise Analysis in Three-Phase Inverter System. IEEE Access 2020, 8, 71535–71547. [Google Scholar] [CrossRef]
- Ohn, S.; Yu, J.; Rankin, P.; Sun, B. Three-Terminal Common-Mode EMI Model for EMI Generation, Propagation, and Mitigation in a Full-SiC Three-Phase UPS Module. IEEE Trans. Power Electron. 2019, 34, 8599–8612. [Google Scholar] [CrossRef]
- Wang, K.; Lu, H.; Chen, C.; Xiong, Y. Modeling of System-Level Conducted EMI of the High-Voltage Electric Drive System in Electric Vehicles. IEEE Trans. Electromagn. Compat. 2022, 64, 741–749. [Google Scholar] [CrossRef]
- Elrayyah, A.; Sozer, Y. An Effective Dithering Method for Electromagnetic interference (EMI) Reduction in Single-Phase DC/AC Inverters. IEEE Trans. Power Electron. 2014, 29, 2798–2806. [Google Scholar] [CrossRef]
- Hedayati, M.H.; John, V. Filter Configuration and PWM Method For Single-Phase Inverters with Reduced Conducted EMI Noise. IEEE Trans. Ind. Appl. 2015, 51, 3236–3243. [Google Scholar] [CrossRef]
- Tang, Y.; Ma, H. Dynamic Electrothermal Model of Paralleled IGBT Modules with Unbalanced Stray Parameters. IEEE Trans. Power Electron. 2017, 32, 1385–1399. [Google Scholar] [CrossRef]
- Narayanasamy, B.; Luo, F. A Survey of Active EMI Filters for Conducted EMI Noise Reduction in Power Electronic Converters. IEEE Trans. Electromagn. Compat. 2019, 61, 2040–2049. [Google Scholar] [CrossRef]
- Han, Y.; Lu, H.; Li, Z.; Li, Y.; Chai, J. Analysis and Suppression of Common Mode Voltage for SiC Inverters in Electric Vehicle Applications. In Proceedings of the 21st International Conference on Electrical Machines and Systems (ICEMS), Jeju, Republic of Korea, 7–10 October 2018. [Google Scholar]
- Chen, Q.; Chen, Z.; Chen, Y. Electromagnetic Interference Analysis of Single-Ended Fly-Back Converter Based on Secondary-Resonance-Technology. Trans. China Electrotech. Soc. 2019, 34, 728–737. (In Chinese) [Google Scholar]
- Kim, J. Design of Compact Active EMI Filters to Reduce the CM Conducted Emissions. In Proceedings of the IEEE Symposium on Electromagnetic Compatibility, Signal Integrity and Power Integrity (EMC, SI & PI), Long Beach, CA, USA, 30 July–3 August 2018. [Google Scholar]
- Xiang, Y.; Pei, X.; Wang, M.; Yang, C.; Zhou, P.; Kang, Y. A Separate Floating Heatsink Based Suppression Method for Conducted Common-Mode EM. IEEE Trans. Ind. Electron. 2021, 68, 10436–10448. [Google Scholar] [CrossRef]
- Xie, L.; Ruan, X.; Zhu, H.; Lo, Y.-K. Common-Mode Voltage Cancellation for Reducing the Common-Mode Noise in DC-DC Converters. IEEE Trans. Ind. Electron. 2021, 68, 3887–3897. [Google Scholar] [CrossRef]
- Omar, S.; Bevilacqua, R. Guidance, navigation, and control solutions for spacecraft re-entry point targeting using aerodynamic drag. Acta Astronaut. 2019, 155, 389–405. [Google Scholar] [CrossRef]
- Natarajan, S.; Padmavathi, P.; Kalvakurthi, J.R.; Babu, T.S.; Ramachandaramurthy, V.K.; Padmanaban, S. Conducted Electromagnetic Interference Spectral Peak Mitigation in Luo-Converter Using FPGA-Based Chaotic PWM Technique. Electr. Power Compon. Syst. 2019, 47, 838–848. [Google Scholar] [CrossRef]
- Mihalic, F.; Kos, D. Reduced conductive EMI in switched-mode DC-DC power converters without EMI filters: PWM versus randomized PWM. IEEE Trans. Power Electron. 2006, 21, 1783–1794. [Google Scholar] [CrossRef]
- Dove, A.; Naude, J.; Hofsajer, I. An Argument for the Relationship Between Spectral Spreading and Probability Spreading for EMI-Reduction in DC-DC Converter. IEEE Trans. Power Electron. 2020, 35, 1459–1472. [Google Scholar] [CrossRef]
- U Hasan, S.; Town, G.E. An Aperiodic Modulation Method to Mitigate Electromagnetic Interference in Impedance Source DC-DC Converters. IEEE Trans. Power Electron. 2018, 33, 7601–7608. [Google Scholar] [CrossRef]
- Videt, A.; Messaoudi, M.; Idir, N.; Boulharts, H.; Vang, H. PWM Strategy for the Cancellation of Common-Mode Voltage Generated by Three-Phase Back-to-Back Inverters. IEEE Trans. Power Electron. 2017, 32, 2675–2686. [Google Scholar] [CrossRef]
- Kumar, S.; Voruganti, S.K.; Akin, B.; Gohil, G. Common-Mode Current Analysis and Cancellation Technique for Dual Active Bridge Converter Based DC System. IEEE Trans. Ind. Appl. 2022, 58, 4955–4966. [Google Scholar] [CrossRef]
- Xie, L.; Yuan, X. Non-Isolated DC-DC Converters with Low Common-Mode Noise by Using Split-Winding Configuration. IEEE Trans. Power Electron. 2022, 37, 452–461. [Google Scholar] [CrossRef]
- Li, Z.; Qiu, S.; Chen, Y. Experimental Study on the Suppressing Emi Level of DC-DC Converter with Chaotic Map. Proc. CSEE 2006, 5, 76–81. (In Chinese) [Google Scholar]
- Zhang, Z.; Bazzi, A.M. A Virtual Impedance Enhancement Based Transformer-Less Active EMI Filter for Conducted EMI Suppression in Power Converters. IEEE Trans. Power Electron. 2022, 37, 11962–11973. [Google Scholar] [CrossRef]
- Fan, J.W.T.; Chow, J.P.W.; Chan, W.T. Modeling and Experimental Assessment of the EMI Characteristics of Switching Converters With Power Semiconductor Filters. IEEE Trans. Power Electron. 2020, 35, 2519–2533. [Google Scholar] [CrossRef]
- Bendicks, A.; Gerten, M.; Frei, S. Active Cancellation of Periodic CM EMI at the Input of a Motor Inverter by Injecting Synthesized and Synchronized Signals (S-3-AEF). IEEE Trans. Power Electron. 2022, 37, 11951–11961. [Google Scholar] [CrossRef]
- Adapa, A.K.; John, V. Eigenvalue Analysis and Behavioral Common-Mode Equivalent Circuit for an Asymmetric Active Phase Converter. IEEE Trans. Ind. Appl. 2020, 56, 3966–3975. [Google Scholar]
- Mueller, D.; Beltle, M.; Tenbohlen, S. EMI Suppression of a DC-DC Converter Using Predictive Pulsed Compensation. IEEE Trans. Electromagn. Compat. 2021, 63, 2134–2142. [Google Scholar] [CrossRef]
- Roy, S.K.; Basu, K. Measurement of Circuit Parasitics of SiC MOSFET in a Half-Bridge Configuration. IEEE Trans. Power Electron. 2022, 37, 11911–11926. [Google Scholar] [CrossRef]
- Chu, Y.; Wang, S.; Zhang, N.; Fu, D. A Common Mode Inductor with External Magnetic Field Immunity, Low-Magnetic Field Emission, and High-Differential Mode Inductance. IEEE Trans. Power Electron. 2015, 30, 6684–6694. [Google Scholar] [CrossRef]
- Dai, L.; Chen, W.; Yang, X.; Zheng, M.; Yang, Y.; Wang, R. A Multi-Function Common Mode Choke Based on Active CM EMI Filters for AC/DC Power Converters. IEEE Access 2019, 7, 43534–43546. [Google Scholar] [CrossRef]
- Tanim, T.R. A new analytical conducted EMI prediction method for SiC motor drive systems. Etransportation 2020, 6, 100047. [Google Scholar]
- Dai, H.; Torres, R.A.; Jahns, T.M.; Sarlioglu, B. Analysis and Suppression of Conducted Common-Mode EMI in WBG-Based Current-Source Converter Systems. IEEE Trans. Transp. Electrif. 2022, 8, 2133–2148. [Google Scholar] [CrossRef]
- Hedayati, M.H.; Acharya, A.B.; John, V. Common-Mode Filter Design for PWM Rectifier-Based Motor Drives. IEEE Trans. Power Electron. 2013, 28, 5364–5371. [Google Scholar] [CrossRef]
- Hsu, W.; Wang, X.; Wen, F. High Phosphorus Dopant Activation in Germanium Using Laser Spike Annealing. IEEE Electron Device Lett. 2016, 37, 1088–1091. [Google Scholar] [CrossRef]
- Pahlevaninezhad, M.; Hamza, D.; Jain, P.K. An Improved Layout Strategy for Common-Mode EMI Suppression Applicable to High-Frequency Planar Transformers in High-Power DC/DC Converters Used for Electric Vehicles. IEEE Trans. Power Electron. 2014, 29, 1211–1228. [Google Scholar] [CrossRef]
- Kumar, S.; Akin, B.; Gohil, G. EMI Performance of Active Neutral Point Clamped Phase Leg for Dual Active Bridge DC-DC Converter. IEEE Trans. Ind. Appl. 2021, 57, 6093–6104. [Google Scholar] [CrossRef]
- Narayanasamy, B.; Luo, F.; Chu, Y. Modeling and Stability Analysis of Voltage Sensing based Differential Mode Active EMI Filters for AC-DC Power Converters. In Proceedings of the IEEE Symposium on Electromagnetic Compatibility, Signal Integrity and Power Integrity (EMC, SI & PI), Long Beach, CA, USA, 30 July–3 August 2018. [Google Scholar]
- Chen, Y.; Jiang, W.; Zheng, Y.; He, G. EMI Suppression of High-Frequency Isolated Quasi Z-Source Inverter Based on Multi-Scroll Chaotic PWM Modulation. IEEE Access 2019, 7, 146198–146208. [Google Scholar] [CrossRef]
- Yang, L.; Zhao, H.; Wang, S.; Zhi, Y.; Zhu, B. Develop Common-Mode EMI Noise Models for AC-DC-AC Traction Systems. In Proceedings of the 43rd Annual Conference of the IEEE-Industrial-Electronics-Society (IECON), Beijing, China, 29 October–1 November 2017. [Google Scholar]
- Yang, L.; Zhao, H.; Wang, S.; Zhi, Y. Common-Mode EMI Noise Analysis and Reduction for AC-DC-AC Systems with Paralleled Power Modules. IEEE Trans. Power Electron. 2020, 35, 6989–7000. [Google Scholar] [CrossRef]
- Li, P.; Wang, Y.; Adam, G.P.; Holliday, D.; Williams, B.W. Three-Phase AC-AC Hexagonal Chopper System with Heterodyne Modulation for Power Flow Control Enhancement. IEEE Trans. Power Electron. 2015, 30, 5508–5521. [Google Scholar] [CrossRef]
















| Properties | Si | 6H-SiC | 4H-SiC | GaN |
|---|---|---|---|---|
| Thermal conductivity (W/cm K) | 1.5 | 4.9 | 4.9 | 1.3 |
| Band gap (eV) | 1.12 | 3.03 | 3.26 | 3.45 |
| Breakdown field (MV/cm) | 0.3 | 2.5 | 2.2 | 3.3 |
| Dielectric constant | 11.9 | 9.66 | 9.7 | 8.5–10.4 |
| Electron mobility (cm2/Vs) | 1500 | 400 | 800 | 2000 |
| Power Switch Modeling Method | Physical Model | Equivalent Circuit Model |
|---|---|---|
| Basic ideas | A method of semiconductor physics used to describe the internal structure of a device. | The circuit equivalent method is used to describe the circuit switching process. |
| Advantages |
|
|
| Disadvantages |
|
|
| Modeling Method | Time Domain Modeling | Frequency Domain Modeling |
|---|---|---|
| Modeling approach | The high-frequency model of the EMI source is put into the circuit to simulate the transient waveform. | The superposition principle is used to linearize the circuit, and the spectrum description of the EMI source is obtained by using discrete Fourier transform. |
| Advantages |
|
|
| Disadvantages |
|
|
| Classification | Suppression Strategy | Advantages | Disadvantages | Application Scenarios | Inhibition Effect | Cost |
|---|---|---|---|---|---|---|
| Suppress sources of EMI | Soft-switching technology |
|
| Scenarios where EMI suppression is low | It has an insufficient inhibition effect. | Low |
| Optimization of the modulation method |
|
| Scenarios where EMI suppression is low | Its inhibition effect is limited. | Relatively Low | |
| Optimization of the transformer structure |
|
| Scenarios where EMI suppression is low | Its inhibition effect is significant. | Middle | |
| Change the coupling path | Active filtering technology |
|
| Scenarios where EMI suppression is low | It has an insufficient inhibition effect. | Low |
| Passive filtering technology |
|
| Scenarios with high suppression standards | Its suppression effect is good. | High | |
| Optimized package placement |
|
| Scenarios with high suppression standards | Its inhibition effect is good. | Relatively High | |
| Bridge balancing technology |
|
| Suppresses CM EMI | It has a good inhibition effect. | Relatively Low |
Disclaimer/Publisher’s Note: The statements, opinions and data contained in all publications are solely those of the individual author(s) and contributor(s) and not of MDPI and/or the editor(s). MDPI and/or the editor(s) disclaim responsibility for any injury to people or property resulting from any ideas, methods, instructions or products referred to in the content. |
© 2023 by the authors. Licensee MDPI, Basel, Switzerland. This article is an open access article distributed under the terms and conditions of the Creative Commons Attribution (CC BY) license (https://creativecommons.org/licenses/by/4.0/).
Share and Cite
Wu, X.; Gao, X.; Wang, J.; Li, Z.; Du, S.; Gao, S.; Li, F.; Du, J.; Shchurov, N.I.; Zhang, X. Advances in Modeling and Suppression Methods of EMI in Power Electronic Converters of Third-Generation Semiconductor Devices. Electronics 2023, 12, 2348. https://doi.org/10.3390/electronics12112348
Wu X, Gao X, Wang J, Li Z, Du S, Gao S, Li F, Du J, Shchurov NI, Zhang X. Advances in Modeling and Suppression Methods of EMI in Power Electronic Converters of Third-Generation Semiconductor Devices. Electronics. 2023; 12(11):2348. https://doi.org/10.3390/electronics12112348
Chicago/Turabian StyleWu, Xiaogang, Xinjia Gao, Jiulong Wang, Zheng Li, Shirui Du, Shuchun Gao, Feiqiang Li, Jiuyu Du, Nickolay I. Shchurov, and Xinyang Zhang. 2023. "Advances in Modeling and Suppression Methods of EMI in Power Electronic Converters of Third-Generation Semiconductor Devices" Electronics 12, no. 11: 2348. https://doi.org/10.3390/electronics12112348
APA StyleWu, X., Gao, X., Wang, J., Li, Z., Du, S., Gao, S., Li, F., Du, J., Shchurov, N. I., & Zhang, X. (2023). Advances in Modeling and Suppression Methods of EMI in Power Electronic Converters of Third-Generation Semiconductor Devices. Electronics, 12(11), 2348. https://doi.org/10.3390/electronics12112348

