Design and Performance Tests of a Fault Current-Limiting-Type Tri-Axial HTS Cable Prototype
Abstract
1. Introduction
2. Design of the Cable Conductor
2.1. Superconducting Layer
2.2. Insulation Layer
2.3. Current Limiting Characteristic
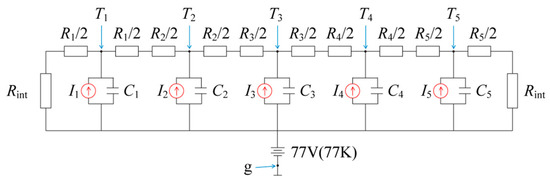
2.3.1. Model of the Superconducting Tape
2.3.2. Heat Transfer Model
2.3.3. Heat Analysis Model of the Superconducting Tape
3. Tests of the Cable Conductor
3.1. Transmission Current Tests
3.2. Insulation Tests
3.3. Current Limiting Tests
4. Conclusions
Author Contributions
Funding
Conflicts of Interest
References
- Buchholz, A.; Noe, M.; Kottonau, D.; Shabagin, E.; Weil, M. Environmental life-cycle assessment of a 10 kV high-temperature superconducting cable system for energy distribution. IEEE Trans. Appl. Supercond. 2021, 31, 1–5. [Google Scholar] [CrossRef]
- Kottonau, D.; Shabagin, E.; Noe, M.; Grohmann, S. Opportunities for high-voltage AC superconducting cables as part of new long-distance transmission lines. IEEE Trans. Appl. Supercond. 2017, 27, 1–5. [Google Scholar] [CrossRef]
- Doukas, D.I. Superconducting transmission systems: Review, classification, and technology readiness assessment. IEEE Trans. Appl. Supercond. 2019, 29, 5401205. [Google Scholar] [CrossRef]
- Xu, Y.; Wu, X.; Hu, Z.; Zhang, B.; Wang, Z.; Wang, W.; Wang, X.; Shi, Y.; Wang, B.; Ma, T.; et al. Experimental study of thermal stability of HTS cable under DC overcurrent. Phys. C Supercond. Its Appl. 2022, 594, 1354008. [Google Scholar] [CrossRef]
- Wang, B.; Wu, X.; Xie, H.; Lv, Z.; Wang, Z.; Song, M.; Huang, Y.; Xia, Y.; Wang, Z.; Chen, T.; et al. Design, manufacture, and test of a 30 m 10 kV/2.5 kA concentric HTS cable prototype for urban grid. IEEE Access 2021, 9, 120066–120077. [Google Scholar] [CrossRef]
- Yu, Y.; Luan, W. Basic philosophy of smart grid. J. Tianjin Univ. 2011, 44, 377–384. [Google Scholar]
- Malozemoff, A.P. Behavior of second generation high temperature superconductor tapes in fault current limiting systems. J. Supercond. Nov. Magn. 2017, 30, 1077–1081. [Google Scholar] [CrossRef]
- Maguire, J.; Folts, D.; Yuan, J.; Lindsay, D.; Knoll, D.; Bratt, S.; Wolff, Z.; Kurtz, S. Development and demonstration of a fault current limiting HTS cable to be installed in the Con Edison Grid. IEEE Trans. Appl. Supercond. 2009, 19, 1740–1743. [Google Scholar] [CrossRef]
- Maguire, J.F.; Yuan, J. Status of high temperature superconductor cable and fault current limiter projects at American Superconductor. Phys. C Supercond. 2009, 469, 874–880. [Google Scholar] [CrossRef]
- Rey, C.M.; Duckworth, R.C.; Demko, J.A.; Ellis, A.; James, D.R.; Gouge, M.J.; Tuncer, E. Test results for a 25 meter prototype fault current limiting HTS cable for project HYDRA. AIP Conf. Proc. 2010, 1218, 453–460. [Google Scholar]
- Kojima, H.; Kato, F.; Hayakawa, N.; Hanai, M.; Okubo, H. Feasibility study on a high-temperature superconducting fault-current-limiting cable (SFCLC) using flux-flow resistance. IEEE Trans. Appl. Supercond. 2012, 22, 4800105. [Google Scholar] [CrossRef]
- Kojima, H.; Kato, F.; Hayakawa, N.; Hanai, M.; Okubo, H. Superconducting fault current limiting cable (SFCLC) with current limitation and recovery function. Phys. Procedia 2012, 36, 1296–1300. [Google Scholar] [CrossRef][Green Version]
- Kojima, H.; Osawa, T.; Hayakawa, N. Fault current limitation coordination in power transmission system with superconducting fault current limiting cables (SFCLC). IEEE Trans. Appl. Supercond. 2015, 25, 5401904. [Google Scholar] [CrossRef]
- Jo, H.; Kong, S.; Joo, S. Impedance selection of a fault current limiting superconducting cable under fault conditions in a power system from a system protection perspective. IEEE Trans. Appl. Supercond. 2016, 26, 5400204. [Google Scholar] [CrossRef]
- Du, H.-I.; Kim, T.-M.; Han, B.-S.; Hong, G.-H. Study on verification for the realizing possibility of the fault-current-limiting-type HTS cable using resistance relation with cable former and superconducting wire. IEEE Trans. Appl. Supercond. 2015, 25, 5402605. [Google Scholar] [CrossRef]
- Kim, S.-K.; Kim, D.; Sim, K.; Cho, J.-W. Design of a novel inductive type fault current limiting HTS power cable. IEEE Trans. Appl. Supercond. 2020, 30, 5400405. [Google Scholar] [CrossRef]
- Xu, Y.; Dai, S.; Ma, T.; Wang, B. Thermal Stability Analysis of YBCO Tapes Under DC Overcurrent. IEEE Trans. Appl. Supercond. 2020, 31, 1–6. [Google Scholar] [CrossRef]
- De Sousa, W.T.; Polasek, A.; Dias, R.; Matt, C.F.; de Andrade, R., Jr. Thermal–electrical analogy for simulations of superconducting fault current limiters. Cryogenics 2014, 62, 97–109. [Google Scholar] [CrossRef]
- Su, R.; Li, J.; Xu, Y.; Shi, J.; Yan, S.; Li, P.; Wang, W.; Hu, Z.; Zhang, B.; Tang, Y.; et al. Numerical model of HTS cable and its electric-thermal properties. IEEE Trans. Appl. Supercond. 2019, 29, 4802005. [Google Scholar] [CrossRef]
- De Sousa, W.T.B.; Dicler, F.N.F.; Martins, F.G.D.R. Simulations of the Recovery Process of an Air-Coil SFCL. IEEE Trans. Appl. Supercond. 2016, 26, 5600106. [Google Scholar]
- Sadeghi, A.; Seyyedbarzegar, S.M.; Yazdani-Asrami, M. Transient analysis of a 22.9 kV/2 kA HTS cable under short circuit using equivalent circuit model considering different fault parameters. Phys. C Supercond. Its Appl. 2021, 589, 1353935. [Google Scholar] [CrossRef]
















| Items | Thickness (mm) | Diameter (mm) | Material |
|---|---|---|---|
| Former | 36 | SUS304L corrugate pipe | |
| Semi-conducting layer | 0.25 | 36.5 | Carbon paper |
| Insulation layer A-F | 2 | 40.5 | PPLP |
| Semi-conducting layer | 0.25 | 41 | Carbon paper |
| Phase A | 0.6 | 42.2 | 49 YBCO tape |
| Semi-conducting layer | 0.25 | 42.7 | Carbon paper |
| Insulation layer A-B | 2.5 | 47.7 | PPLP |
| Semi-conducting layer | 0.25 | 48.2 | Carbon paper |
| Phase B | 0.6 | 49.4 | 58 YBCO tape |
| Semi-conducting layer | 0.25 | 49.9 | Carbon paper |
| Insulation layer B-C | 2.5 | 54.9 | PPLP |
| Semi-conducting layer | 0.25 | 55.4 | Carbon paper |
| Phase C | 0.6 | 56.6 | 66 YBCO tape |
| Semi-conducting layer | 0.25 | 57.1 | Carbon paper |
| Insulation layer C-S | 2 | 61.1 | PPLP |
| Semi-conducting layer | 0.25 | 61.6 | Carbon paper |
| Shielding layer | 0.4 | 62.4 | Copper |
| Items | Specififications |
|---|---|
| Type | YBCO |
| Reinforced layer | 75 µm stainless steel |
| Critical current | ≥120 A (77 K), self-fifield |
| Width | 4.8 mm |
| Thickness | 0.23 mm |
| Tensile strength | ≥350 MPa (77 K) |
| Min. bending radius | 15 mm |
| Items | Insulation Type | Specififications | ||
|---|---|---|---|---|
| Power frequency withstand voltage | Phase A-F | Phase C-S | 15 kV | 30 min at 50 Hz |
| Phase A-B | Phase B-C | 25 kV | ||
| Partial discharge withstand voltage | Phase A-F | Phase C-S | 11 kV | <5 pC |
| Phase A-B | Phase B-C | 18 kV | ||
| Lighting impulse withstand voltage | Phase A-F | Phase C-S | 75 kV | 10 times |
| Phase A-B | Phase B-C | 75 kV | ||
Publisher’s Note: MDPI stays neutral with regard to jurisdictional claims in published maps and institutional affiliations. |
© 2022 by the authors. Licensee MDPI, Basel, Switzerland. This article is an open access article distributed under the terms and conditions of the Creative Commons Attribution (CC BY) license (https://creativecommons.org/licenses/by/4.0/).
Share and Cite
Xia, Y.; Song, Y.; Ma, T.; Zheng, J.; Liu, H.; Liu, F.; Song, M. Design and Performance Tests of a Fault Current-Limiting-Type Tri-Axial HTS Cable Prototype. Electronics 2022, 11, 1242. https://doi.org/10.3390/electronics11081242
Xia Y, Song Y, Ma T, Zheng J, Liu H, Liu F, Song M. Design and Performance Tests of a Fault Current-Limiting-Type Tri-Axial HTS Cable Prototype. Electronics. 2022; 11(8):1242. https://doi.org/10.3390/electronics11081242
Chicago/Turabian StyleXia, Yajun, Yuntao Song, Tao Ma, Jinxing Zheng, Huajun Liu, Fang Liu, and Meng Song. 2022. "Design and Performance Tests of a Fault Current-Limiting-Type Tri-Axial HTS Cable Prototype" Electronics 11, no. 8: 1242. https://doi.org/10.3390/electronics11081242
APA StyleXia, Y., Song, Y., Ma, T., Zheng, J., Liu, H., Liu, F., & Song, M. (2022). Design and Performance Tests of a Fault Current-Limiting-Type Tri-Axial HTS Cable Prototype. Electronics, 11(8), 1242. https://doi.org/10.3390/electronics11081242

