Inverse Analog Filters: History, Progress and Unresolved Issues
Abstract
1. Introduction
2. The Transfer Functions of Inverse Filters, Their Frequency Responses, the Significance of the Various Parameters and the Stability Issues
2.1. Significance of the Coefficients of the Inverse Transfer Functions in the Characterization of Their Frequency Responses
2.2. Stability Considerations
- (i)
- As is well known, if the verification of the workability of the circuit is carried out only by frequency response analysis in SPICE without checking the transient response of the circuits, they may still exhibit the correct frequency responses and, thus, the circuit instability might go unnoticed in the absence of looking into its transient analysis.
- (ii)
- In those cases where experimental results of the frequency responses of such circuits are taken and the circuits are shown to work properly, the possible reason could be that the various parasitics of the active element used or their non-ideal parameters might have shifted the pole locations slightly to the left half of the s-plane (which appear feasible in case of IHP or IBR but unlikely in the case of inverse all-pass filters) and therefore, any instability could not have been observed.
- (iii)
3. Circuit Realizations of the Various Inverse Analog Filters
3.1. IAF Configurations Using Op-Amps and FTFNs
3.2. IAF Configurations Using Four-Terminal-Floating-Nullors (FTFN)
3.3. IAF Configurations Using Current Feedback Operational Amplifiers (CFOA)
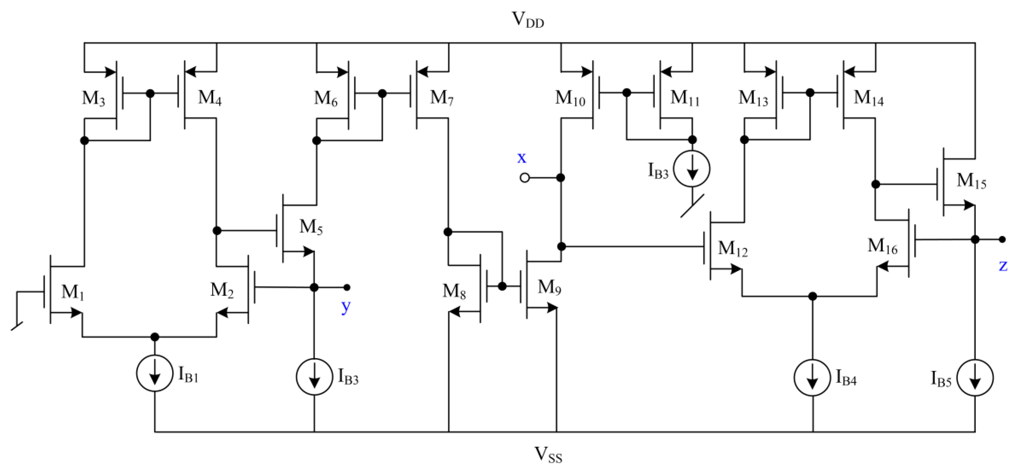
3.4. IAF Configurations Using Operational Transconductance Amplifiers (OTA)
| Figure 12a ILPF | |
| Figure 12b IBPF | |
| Figure 12c IHPF |
3.5. IAF Configurations Using Second Generation Current Conveyors (CCII)
3.6. IAF Configurations Using Second Generation Voltage Conveyors (VCII)
3.7. IAF Configurations Using Operational Transresistance Amplifiers (OTRA) and Current Differencing Buffered Amplifiers (CDBA)
3.7.1. OTRA-Based Inverse Active Filters
3.7.2. Inverse Active Filters Employing CDBA
3.8. Inverse Active Filters Employing Current-Differencing Transconductance Amplifier (CDTA)
3.9. Inverse Active Filters Employing Voltage Differencing Transconductance Amplifiers (VDTA)
4. The Unresolved Issues
5. Concluding Remarks
Author Contributions
Funding
Acknowledgments
Conflicts of Interest
References
- Leuciuc, A. Using nullors for realization of inverse transfer functions and characteristics. Electron. Lett. 1997, 33, 949–951. [Google Scholar] [CrossRef]
- Tugnait, J. Identification and deconvolution of multichannel linear non-Gaussian processes using higher order statistics and inverse filter criteria. IEEE Trans. Signal Process. 1997, 45, 658–672. [Google Scholar] [CrossRef]
- Kirkeby, O.; Nelson, P.A. Digital filter design for inversion problems in sound reproduction. J. Audio Eng. Soc. 1999, 47, 583–595. [Google Scholar]
- Watanabe, A. Formant estimation method using inverse-filter control. IEEE Trans. Speech Audio Process. 2001, 9, 317–326. [Google Scholar] [CrossRef]
- Zhang, Z.; Wang, D.; Wang, W.; Du, H.; Zu, J. A Group of Inverse Filters Based on Stabilized Solutions of Fredholm Integral Equations of the First Kind. In Proceedings of the 2008 IEEE Instrumentation and Measurement Technology Conference, Victoria, BC, Canada, 12–15 May 2008; pp. 668–671. [Google Scholar]
- Burch, J.; Green, A.; Grote, H. Restoration and Correction of Time Functions by the Synthesis of Inverse Filters on Analog Computers. IEEE Trans. Geosci. Electron. 1964, 2, 19–24. [Google Scholar] [CrossRef]
- Chipipop, B.; Surakampontorn, W. Realization of current-mode FTFN-based inverse filter. Electron. Lett. 1999, 35, 690–692. [Google Scholar] [CrossRef]
- Wang, H.-Y.; Lee, C.-T. Using nullors for realisation of current-mode FTFN-based inverse filters. Electron. Lett. 1999, 35, 1889–1890. [Google Scholar] [CrossRef]
- Abuelma’Atti, M.T. Identification of Cascadable Current-Mode Filters and Inverse-Filters Using Single FTFN. Frequenz 2000, 54, 284–289. [Google Scholar]
- Shah, N.A.; Malik, M.A. FTFN based dual inputs current-mode all pass inverse filters. Indian J. Radio Space Phys. 2005, 34, 206–209. [Google Scholar]
- Gupta, S.S.; Bhaskar, D.R.; Senani, R.; Singh, A.K. Inverse active filters employing CFOAs. Electr. Eng. 2009, 91, 23–26. [Google Scholar]
- Gupta, S.S.; Bhaskar, D.R.; Senani, R. New analogue inverse filters realized with current feedback op-amp. Int. J. Electron. 2011, 9, 1103–1113. [Google Scholar] [CrossRef]
- Wang, H.-Y.; Chang, S.-H.; Yang, T.-Y.; Tsai, P.-Y. A Novel Multifunction CFOA-Based Inverse Filter. Circuits Syst. 2011, 2, 14–17. [Google Scholar] [CrossRef]
- Garg, K.; Bhagat, R.; Jaint, B. A novel multifunction modified CFOA based inverse filter. In Proceedings of the 2012 IEEE 5th India International Conference on Power Electronics (IICPE), Delhi, India, 6–8 December 2012; pp. 1–5. [Google Scholar]
- Patil, V.N.; Sharma, R.K. Novel inverse active filters employing CFOA. Int. J. Sci. Res. Dev. 2015, 3, 359–360. [Google Scholar]
- Tsukutani, T.; Sumi, Y.; Yabuki, N. Electronically tunable inverse active filters employing OTAs and grounded capacitors. Int. J. Electron. Lett. 2014, 4, 166–176. [Google Scholar] [CrossRef]
- Raj, A.; Bhagat, R.; Kumar, P.; Bhaskar, D.R. Grounded-Capacitor Analog Inverse Active Filters using CMOS OTAs. In Proceedings of the 2021 8th International Conference on Signal Processing and Integrated Networks (SPIN), Noida, India, 26–27 August 2021; pp. 778–783. [Google Scholar]
- Tsukutani, T.; Kunugasa, Y.; Yabuki, N. CCII-Based Inverse Active Filters with Grounded Passive Components. J. Electr. Eng. 2018, 6, 212–215. [Google Scholar] [CrossRef][Green Version]
- Shah, N.A.; Rather, M.F. Realization of voltage-mode CCII-based all pass filter and its inversion version. Indian J. Pure Appl. Phys. 2006, 44, 269–271. [Google Scholar]
- Herencsar, N.; Lahiri, A.; Koton, J.; Vrba, K. Realizations of second-order inverse active filters using minimum passive components and DDCCs. In Proceedings of the 33rd International Conference on Telecommunications and Signal Processing-TSP, Vienna, Austria, 17–20 August 2010; pp. 38–41. [Google Scholar]
- Al-Absi, M.A. Realization of inverse filters using second generation voltage conveyor (VCII). Analog Integr. Circuits Signal Process. 2021, 109, 29–32. [Google Scholar] [CrossRef]
- Al-Shahrani, S.M.; Al-Absi, M.A. Efficient Inverse Filters based on Second-Generation Voltage Conveyor (VCII). Arab. J. Sci. Eng. 2021, 1–6. [Google Scholar] [CrossRef]
- Singh, A.K.; Gupta, A.; Senani, R. OTRA-Based Multi-Function Inverse Filter Configuration. Adv. Electr. Electron. Eng. 2018, 15, 846–856. [Google Scholar] [CrossRef]
- Pradhan, A.; Sharma, R.K. Generation of OTRA-Based Inverse All Pass and Inverse Band Reject Filters. Proc. Natl. Acad. Sci. India Sect. A Phys. Sci. 2019, 90, 481–491. [Google Scholar] [CrossRef]
- Banerjee, S.; Borah, S.S.; Ghosh, M.; Mondal, P. Three Novel Configurations of Second Order Inverse Band Reject Filter Using a Single Operational Transresistance Amplifier. In Proceedings of the TENCON 2019—2019 IEEE Region 10 Conference (TENCON), Kochi, India, 17–20 October 2019; pp. 2173–2178. [Google Scholar]
- Prasad, D.; Tayal, D.; Yadav, A.; Singla, L.; Haseeb, Z. CNTFET-based OTRA and its Application as Inverse Low Pass Filter. Int. J. Electron. Telecommun. 2019, 65, 665–670. [Google Scholar]
- Pandey, R.; Pandey, N.; Negi, T.; Garg, V. CDBA Based Universal Inverse Filter. ISRN Electron. 2013, 2013, 1–6. [Google Scholar] [CrossRef]
- Nasir, A.R.; Ahmad, S.N. A new current-mode multifunction inverse filter using CDBAs. Int. J. Comput. Sci. Inf. Secur. 2013, 11, 50–53. [Google Scholar]
- Bhagat, R.; Bhaskar, D.R.; Kumar, P. Inverse Band Reject and All Pass Filter Structure Employing CMOS CDBAs. Int. J. Eng. Res. Technol. 2019, 8, 39–44. [Google Scholar]
- Bhagat, R.; Bhaskar, D.R.; Kumar, P. Multifunction Filter/Inverse Filter Configuration Employing CMOS CDBAs. Int. J. Recent Technol. Eng. 2019, 8, 8844–8853. [Google Scholar]
- Borah, S.S.; Singh, A.; Ghosh, M. CMOS CDBA Based 6th Order Inverse Filter Realization for Low-Power Applications. In Proceedings of the 2020 IEEE Region 10 Conference (TENCON), Osaka, Japan, 16–19 November 2020; pp. 11–15. [Google Scholar]
- Paul, T.K.; Roy, S.; Pal, R.R. Realization of Inverse Active Filters Using Single Current Differencing Buffered Amplifier. J. Sci. Res. 2021, 13, 85–99. [Google Scholar] [CrossRef]
- Shah, N.A.; Quadri, M.; Iqbal, S.Z. High output impedance current-mode all pass inverse filter using CDTA. Indian J. Pure Appl. Phys. 2008, 46, 893–896. [Google Scholar]
- Sharma, A.; Kumar, A.; Whig, P. On performance of CDTA-based novel analog inverse low pass filter using 0.35 µm CMOS parameter. Int. J. Sci. Technol. Manag. 2015, 4, 594–601. [Google Scholar]
- Kumar, P.; Pandey, N.; Paul, S.K. Realization of Resistor less and Electronically Tunable Inverse Filters Using VDTA. J. Circ Syst. Comput. 2018, 28, 1950143. [Google Scholar] [CrossRef]
- Kumar, P.; Pandey, N.; Paul, S.K. Electronically Tunable VDTA-Based Multi-function Inverse Filter. Iran. J. Sci. Technol. Trans. Electr. Eng. 2021, 45, 247–257. [Google Scholar] [CrossRef]
- Kamat, D.V. New Operational Amplifier based Inverse Filters. In Proceedings of the 2019 3rd International conference on Electronics, Communication and Aerospace Technology (ICECA), Coimbatore, India, 12–14 June 2019; pp. 1177–1181. [Google Scholar]
- Freeborn, T.J.; Elwakil, A.S.; Maundy, B. Approximated fractional-order inverse Chebyshev low pass filters. Circuits Syst. Signal Process. 2016, 35, 1973–1982. [Google Scholar] [CrossRef]
- Bhaskar, D.R.; Kumar, M.; Kumar, P. Fractional order inverse filters using operational amplifier. Analog Integr. Circuits Signal Process. 2018, 97, 149–158. [Google Scholar] [CrossRef]
- Bhaskar, D.R.; Kumar, M.; Kumar, P. Minimal Realization of Fractional-Order Inverse Filters. IETE J. Res. 2020, 1–14. [Google Scholar] [CrossRef]
- Hamed, E.M.; Said, L.A.; Madian, A.H.; Radwan, A. On the Approximations of CFOA-Based Fractional-Order Inverse Filters. Circuits Syst. Signal Process. 2019, 39, 2–29. [Google Scholar] [CrossRef]
- Kumar, M.; Bhaskar, D.R.; Kumar, P. CFOA-Based New Structure of Fractional Order Inverse Filters. Int. J. Recent Technol. Eng. 2020, 8, 2277–3878. [Google Scholar]
- Srivastava, J.; Bhagat, R.; Kumar, P. Analog Inverse Filters Using OTAs. In Proceedings of the 2020 6th International Conference on Control, Automation and Robotics (ICCAR), Singapore, 20–23 April 2020; pp. 627–631. [Google Scholar]
- Senani, R. Generation of new two-amplifier synthetic floating inductors. Electron. Lett. 1987, 23, 1202–1203. [Google Scholar] [CrossRef]
- Senani, R. A novel application of four-terminal floating nullors. Proc. IEEE 1987, 75, 1544–1546. [Google Scholar] [CrossRef]
- Wheatley, C.F.; Wittlinger, H.A. OTA obsolete op-amp. Proc. Nat. Electron. Conf. 1969, 4159, 152–157. [Google Scholar]
- Smith, K.; Sedra, A. The current conveyor—A new circuit building block. Proc. IEEE 1968, 56, 1368–1369. [Google Scholar] [CrossRef]
- Sedra, A.; Smith, K. A second-generation current conveyor and its applications. IEEE Trans. Circuit Theory 1970, 17, 132–134. [Google Scholar] [CrossRef]
- AD844: 60 MHz, 2000 V/µs, Monolithic Op Amp with Quad Low Noise Data Sheet (Rev. G). May 2017. Available online: www.linear.com (accessed on 29 April 2019).
- Chen, J.-J.; Tsao, H.-W.; Chen, C.-C. Operational transresistance amplifier using CMOS technology. Electron. Lett. 1992, 28, 2087–2088. [Google Scholar] [CrossRef]
- Acar, C.; Ozoguz, S. A new versatile building block: Current differencing buffered amplifier suitable for analog signal-processing filters. Microelectron. J. 1999, 30, 157–160. [Google Scholar] [CrossRef]
- Biolek, D. CDTA-building block for current-mode analog signal processing. In Proceedings of the 16th European Conference on Circuits Theory and Design, ECCTD’03, Krakow, Poland, 1–4 September 2003; Volume III, pp. 397–400. [Google Scholar]
- Biolek, D.; Senani, R.; Biolková, V.; Kolka, Z. Active elements for analog signal processing: Classification, review, and new proposals. Radioengineering 2008, 17, 15–32. [Google Scholar]
- Carlin, H.J.; Youla, D. Network Synthesis with Negative Resistors. Proc. IRE 1961, 49, 907–920. [Google Scholar] [CrossRef]
- Mitra, S.K. A network transformation for active RC networks. Proc. IEEE 1967, 55, 2021–2022. [Google Scholar] [CrossRef]
- Rathore, T.S. Inverse active networks. Electron. Lett. 1977, 13, 303–304. [Google Scholar] [CrossRef]
- Rathore, T.S.; Singhi, B.M. Network transformations. IEEE Trans. Circuits Syst. 1980, 27, 57–59. [Google Scholar] [CrossRef]
- Higashimura, M. Realisation of current-mode transfer function using four-terminal floating nullor. Electron. Lett. 1991, 27, 170–171. [Google Scholar] [CrossRef]
- Normand, G. Floating-impedance realisation using a dual operational-mirrored amplifier. Electron. Lett. 1986, 22, 521–522. [Google Scholar] [CrossRef]
- Anandamohan, P.V. New current-mode biquad on Friend-Deliyannis active RC biquad. IEEE Trans. Circ. Syst. II Analog Digit. Signal Process. 1995, 42, 225–228. [Google Scholar]
- Toumazou, C.; Lidgey, F.J. Current-Feedback Op-Amps-A blessing in disguise. IEEE Circ. Dev. Mag. 1997, 10, 34–37. [Google Scholar]
- Lidgey, F.J.; Hayatleh, K. Current-feedback operational amplifiers and applications. Electron. Commun. Eng. J. 1997, 9, 176–182. [Google Scholar] [CrossRef]
- Soliman, A.M. Applications of the current feedback operational amplifiers. Analog Integr. Circuits Signal Process. 1996, 11, 265–302. [Google Scholar] [CrossRef]
- Senani, R. Realisation of a Class of Analog Signal Processing/Signal Generation Circuits: Novel Configurations Using Current Feedback Op-Amps. Frequenz 1998, 52, 196–206. [Google Scholar] [CrossRef]
- Senani, R.; Bhaskar, D.R.; Singh, A.K. Current Feedback Operational Amplifiers and Their Applications; Springer Science and Business Media LLC: Berlin/Heidelberg, Germany, 2013. [Google Scholar]
- Bhushan, M.; Newcomb, R.W. Grounding of capacitors in integrated circuits. Electron. Lett. 1967, 3, 148–149. [Google Scholar] [CrossRef]
- Newcomb, R.W. Active Integrated Circuit Synthesis; Prentice-Hall: Hoboken, NJ, USA, 1967. [Google Scholar]
- Gupta, S.S.; Senani, R. Realization of Current-mode SRCOs using All Grounded Passive Elements. Freq. J. Telecommun. 2003, 57, 26–37. [Google Scholar]
- Sharma, R.K.; Senani, R. Multifunction CM/VM Biquads Realized with a Single CFOA and Grounded Capacitors. AEU Int. J. Electron. Commun. 2003, 57, 301–308. [Google Scholar] [CrossRef]
- Yuce, E.; Minaei, S. A Modified CFOA and Its Applications to Simulated Inductors, Capacitance Multipliers, and Analog Filters. IEEE Trans. Circuits Syst. I Regul. Pap. 2008, 55, 266–275. [Google Scholar] [CrossRef]
- Swamy, M.N.S. Modified CFOA, its transpose, and applications. Int. J. Circuit Theory Appl. 2015, 44, 514–526. [Google Scholar] [CrossRef]
- Smith, K.; Sedra, A. Realization of the Chua family of new nonlinear network elements using the current conveyor. IEEE Trans. Circuit Theory 1970, 17, 137–139. [Google Scholar] [CrossRef]
- Chiu, W.; Liu, S.I.; Tsao, H.W.; Chen, J.J. CMOS differential difference current conveyors and their applications. IEE Proc. Circuits Devices Syst. 1996, 143, 91–96. [Google Scholar] [CrossRef]
- Čajka, J.; Vrba, K. The voltage conveyor may have in fact found its way into circuit theory. AEU—Int. J. Electron. Commun. 2004, 58, 244–248. [Google Scholar] [CrossRef]
- Safari, L.; Yuce, E.; Minaei, S.; Ferri, G.; Stornelli, V. A second-generation voltage conveyor (VCII)-based simulated grounded inductor. Int. J. Circuit Theory Appl. 2020, 48, 1180–1193. [Google Scholar] [CrossRef]
- Radwan, A.; Soliman, A.M.; Elwakil, A.S.; Sedeek, A. On the stability of linear systems with fractional-order elements. Chaos Solitons Fractals 2009, 40, 2317–2328. [Google Scholar] [CrossRef]
- Elwakil, A.S. Fractional-Order Circuits and Systems: An Emerging Interdisciplinary Research Area. IEEE Circuits Syst. Mag. 2010, 10, 40–50. [Google Scholar] [CrossRef]
- Tsirimokou, G.; Psychalinos, C. Ultra-low voltage fractional-order circuits using current mirrors. Int. J. Circuit Theory Appl. 2016, 44, 109–126. [Google Scholar] [CrossRef]
- Adhikary, A.; Sen, S.; Biswas, K. Practical Realization of Tunable Fractional Order Parallel Resonator and Fractional Order Filters. IEEE Trans. Circuits Syst. I Regul. Pap. 2016, 63, 1142–1151. [Google Scholar] [CrossRef]
- Kartci, A.; Herencsar, N.; Koton, J.; Brancik, L.; Vrba, K.; Tsirimokou, G.; Psychalinos, C. Fractional-order oscillator design using unity-gain voltage buffers and OTAs. In Proceedings of the 2017 IEEE 60th International Midwest Symposium on Circuits and Systems (MWSCAS), Boston, MA, USA, 6–9 August 2017; pp. 555–558. [Google Scholar]
- Tsirimokou, G.; Psychalinos, C.; Elwakil, A.S. Design of CMOS Analog Integrated Fractional-Order Circuits: Applications in Medicine and Biology; Springer: Berlin/Heidelberg, Germany, 2017. [Google Scholar]
- Varshney, G.; Pandey, N.; Pandey, R. Electronically Tunable Multifunction Transadmittance-Mode Fractional-Order Filter. Arab. J. Sci. Eng. 2021, 46, 1067–1078. [Google Scholar] [CrossRef]

































| Reference, Year | Name and Number of ABB Used | Number of G + R + C | Whether All Grounded Capacitors Used | Whether USED ABB Is Available as Off-the-Shelf IC? | Inverse Filter Functions Realized |
|---|---|---|---|---|---|
| [1] | Op-amp (1) | 0 + 4 + 2 | No | Yes | IHP |
| [37] | Op-amp (1) | 0 + (1/2) + (1/2) | No | Yes | IHP #, IBP |
| [16] | OTA (5/6) | (5/6) + 0 + 2 | Yes | Yes | ILP, IHP, IBP |
| [17] | OTA (4/5) | (4/5) + 0 + 2 | Yes | Yes | ILP, IHP, IBP, IBR |
| [18] | CCII (3/4) | 0 + (3/4) + 2 | Yes | Yes | ILP, IHP, IBP |
| [19] | CCII (1) | 0 + 2 + 1 | Yes | Yes | IAP # |
| [11] | CFOA (3) | 0 + 4 + 2 | Yes | Yes | ILP, IHP, IBP, IBR |
| [12] | CFOA (3) | 0 + (3/5) + 2 | Yes | Yes | ILP, IHP, IBP, IBR |
| [13] | CFOA (3) | 0 + (2/3) + (2/3) | Yes | Yes | ILP, IHP, IBP |
| [15] | CFOA (2) | 0 + (4/6) + 2 | Yes | Yes | ILP, IHP, IBP, IBR |
| [14] | MCFOA (3) | 0 + (2/3) + (3/4) | Yes | No | ILP, IHP, IBP |
| [7] | FTFN (1) | 0 + 5 + 2 | No | No | ILP |
| [8] | FTFN (1) | 0 + 8 + 2 | No | No | IAP |
| [9] | FTFN (1) | 0 + 4 + 2 | No | No | ILP, IHP, IBP, IBR, IAP |
| [10] | FTFN (1) | 0 + 3 + 1 | No | No | IAP # |
| [23] | OTRA (2) | 0 + (4/5) + 2 | No | No | ILP, IHP, IBP |
| [24] | OTRA (2) | 0 + (4/6) + (3/4) | No | No | IBR, IAP |
| [25] | OTRA (1) | 0 + 3 + 3 | No | No | IBR |
| [27] | CDBA (2) | 0 + (2/4) + (2/4) | No | No | ILP, IHP, IBP, IBR, IAP |
| [28] | CDBA (2) | 0 + (3/4) + (3/4) | No | No | ILP, IHP, IBP |
| [29] | CDBA (2) | 0 + (4/5) + 2 | No | No | IBR, IAP |
| [30] | CDBA (2) | 0 + 3 + 2 | No | No | ILP, IHP, IBP, IBR |
| [31] | CDBA (2) | 0 + 9 + 9 | No | No | IBPF |
| [32] | CDBA (1) | 0 + (2/3) + (2/3) | No | No | ILP, IHP, IBP, IBR |
| [33] | CDTA (1) | 0 + 1 + 1 | Yes | No | IAP # |
| [34] | CDTA (3) | 0 + 2 + 2 | Yes | No | ILP |
| [35] | VDTA (2/4) | (4/8) + 0 + 2 | Yes | No | ILP, IHP, IBP, IBR |
| [36] | VDTA (4) | 8 + 0 + 2 | Yes | No | ILP, IHP, IBP, IBR |
| [21] | VCII (2/3) | 0 + (4/6) + (1/2) | No | No | ILP #, IHP #, IBP |
| [22] | VCII (2) | 0 + 2 + 2 | Yes | Yes | ILP, IHP, IBP, IBR |
Publisher’s Note: MDPI stays neutral with regard to jurisdictional claims in published maps and institutional affiliations. |
© 2022 by the authors. Licensee MDPI, Basel, Switzerland. This article is an open access article distributed under the terms and conditions of the Creative Commons Attribution (CC BY) license (https://creativecommons.org/licenses/by/4.0/).
Share and Cite
Senani, R.; Bhaskar, D.R.; Raj, A. Inverse Analog Filters: History, Progress and Unresolved Issues. Electronics 2022, 11, 841. https://doi.org/10.3390/electronics11060841
Senani R, Bhaskar DR, Raj A. Inverse Analog Filters: History, Progress and Unresolved Issues. Electronics. 2022; 11(6):841. https://doi.org/10.3390/electronics11060841
Chicago/Turabian StyleSenani, Raj, Data Ram Bhaskar, and Ajishek Raj. 2022. "Inverse Analog Filters: History, Progress and Unresolved Issues" Electronics 11, no. 6: 841. https://doi.org/10.3390/electronics11060841
APA StyleSenani, R., Bhaskar, D. R., & Raj, A. (2022). Inverse Analog Filters: History, Progress and Unresolved Issues. Electronics, 11(6), 841. https://doi.org/10.3390/electronics11060841

