Next Article in Journal
The Influence of a High-Voltage Discharge in a Helicoidal Twisted-Pair Structure on Enzyme Adsorption
Next Article in Special Issue
A Greedy Heuristic Based on Optimizing Battery Consumption and Routing Distance for Transporting Blood Using Unmanned Aerial Vehicles
Previous Article in Journal
Cyberbullying Identification System Based Deep Learning Algorithms
Previous Article in Special Issue
Blockchain Smart Contract to Prevent Forgery of Degree Certificates: Artificial Intelligence Consensus Algorithm
 
 
Font Type:
Arial Georgia Verdana
Font Size:
Aa Aa Aa
Line Spacing:
Column Width:
Background:
Article

Simulations of the Comparative Study of the Single-Phase Shift and the Dual-Phase Shift-Controlled Triple Active Bridge Converter

1
Department of Electrical Engineering, Sunchon National University, Suncheon-si 57922, Korea
2
Smart Energy Institute, Sunchon National University, Suncheon-si 57922, Korea
*
Author to whom correspondence should be addressed.
Electronics 2022, 11(20), 3274; https://doi.org/10.3390/electronics11203274
Submission received: 2 September 2022 / Revised: 6 October 2022 / Accepted: 8 October 2022 / Published: 12 October 2022
(This article belongs to the Special Issue Electronic Solutions for Artificial Intelligence Healthcare Volume II)

Abstract

This paper presents a comparative study between the traditional phase shift (also referred to as the Single-Phase Shift (SPS)) and the Dual-Phase Shift (DPS) controlled Triple Active Bridge (TAB) converter. Being a multi-port DC-DC converter with flexible power flow control and characterized by high power density, the TAB converter is applicable in almost any situation where a DC-DC converter is needed. With the availability of multiple control schemes, this work highlights the advantages and disadvantages of the most employed control scheme used on the TAB converter, in comparison with the DPS control scheme that has so far been applied only on Dual-Active Bridge (DAB) converters. As an example, for a TAB converter with a 14 kW maximum power capacity, the work sees the comparison of the backflow power, the maximum possible current, the processed power at the different ports of the converter, the transformer voltage and current waveforms, and the Total Harmonic Distortion (THD). Based on the results obtained, we found that the DPS-controlled TAB converter was more efficient when applied to the TAB converter compared to the traditional phase shift control algorithm.

1. Introduction

The concept of the multi-port DC-DC converter emerged in the late 1960s, and since then more research and development have taken place. The improvements have been in structure, control, and efficiency management. During the early stages of its development, the focus was on the possibility of applications to real-life situations, and the subsequent solving of real-life problems where it could be applicable (this is not limited to the problems faced by the DC-DC distribution system) [1,2,3]. After the realization of this aim, the focus was on the regulation of the output voltage (the control factor of development), which was/is still a necessity in the design of a DC converter of any type. This was taken care of by the concept of magnetic coupling with the use of a multi-winding transformer [4,5]. Still on the control factor of development, the concept of flux additivity was introduced. Furthermore, the popularly known phase shifted PWM control scheme was employed for regulation and power flow direction. In recent times, different topologies, as well as several control schemes, have been developed, compared, and assessed, with each one suitable for specific areas of application [6,7,8]. DC-DC converters that make use of a transformer for isolation have advantages such as bidirectional power flow, better reliability, and greater soft-switching control range [9,10,11]. In DC microgrids, the multi-port DC-DC converter can be used to interconnect multiple power sources and systems, which can be particularly useful when interconnecting power buses [12,13,14,15,16]. As a result of the reduced number of isolation transformer cores and power conversion stages, the power density is increased significantly when using a multi-winding transformer for power isolation. Until the 2000s, these multi-winding transformer-based DC-DC converters could only operate in a unidirectional mode with different connection and control possibilities. The Triple Active Bridge (TAB) converter, which provided bi-directionality of power flow, was derived from the Dual-Active Bridge (DAB) converter [6,17,18].
The Triple Active Bridge converter, also known as the TAB converter, is a multi-port DC-DC converter with flexible power flow control. It is “flexible” in the aspect that it can transfer power from one port to any other, and vice versa. It is capable of bidirectional power flow and has a wide operating voltage range. In addition to that, it provides power isolation between the ports. Figure 1 shows a block representation of the Triple Active Bridge converter. It comprises a single three-winding transformer that provides galvanic isolation, and it is a good choice for implementation in EV charging stations.
Even though much work has been carried out on the TAB converter, different authors have investigated its limitations over time [19,20]. In terms of the topology, the converter provides a fault tolerance system since it consists of a three-winding transformer that links three ports, and in case one of these ports is faulty, the damaged port can be isolated while the rest of the system continues to function [6]. The system can connect multiple loads and/or energy sources, and operates with a high-power density since all the winding is wrapped on a single transformer core [19,21].
This paper presents a comparative study between two switching techniques used in phase-shifted DC-DC converters. Other comparative studies have been presented by many authors on DC converters, with each focused on a particular aspect of the converters. For example, ref. [6] has assessed multi-winding transformer-based DC converters and then classified them, comparing them with a figure of merits while focusing on the maximum possible number of transformer windings and the suitability of the magnetic core. It has also analyzed the problems from cross-coupling and the fault tolerance. The authors of [19] have conducted an almost similar work to those of [6], but with a focus on multi-winding-based DC-DC converters suitable for application in Solid-State Transformers (SST). Ref. [21] has compared some techniques for improving the efficiency of a three-port converter and presents experimental results of a 10 kW prototype.
Contrary to the other works which mostly focused on the topology of the multi-winding transformer-based DC-DC converters, this paper focuses on the control schemes. It compares the results obtained from the simulation of a TAB converter operating under the SPS and the DPS control schemes. The former is considered as the conventional control scheme, since it is mostly employed due to its simplicity in implementation, while the latter is mostly applied on DAB converters. From other practical works, it is seen that the SPS-controlled DAB shows low dynamic and static performances [9]. There is also a limitation in the degree of control due to the presence of just one phase-shift angle [22]. SPS systems also suffer from high backflow/reactive power, which increases the steady-state current and thereby incurs greater losses. Alternatively, the DPS control reduces the RMS current in the converter, thus reducing conduction loss. The peak and steady-state currents are also reduced, thereby requiring a smaller output capacitance value [9]. The DPS also eliminates backflow power, which is inherent to these converters and is a major cause of system loss.
DC-DC converters operated under these control schemes have many areas of application, especially the DC microgrid, Ref. [23] have presented the analysis of a DAB converter applicable for the solid-state transformer operating under the SPS control scheme, while the authors of [24] have presented an optimized DAB converter-based power electronic transformer with a DPS control scheme. In this area of application (microgrid or in smart transformers), efficiency of the system is significant, and the DPS is more efficient when compared to the SPS.
To the best of our knowledge, this is the first time that the DPS control scheme applied on every bridge of the TAB converter has been investigated.
Section 2 presents the specifications of the simulated TAB converter, and the two switching schemes. Section 3 presents the results and explanations, this includes the comparative analysis. Section 4 concludes the work.

2. The Triple Active Bridge Converter

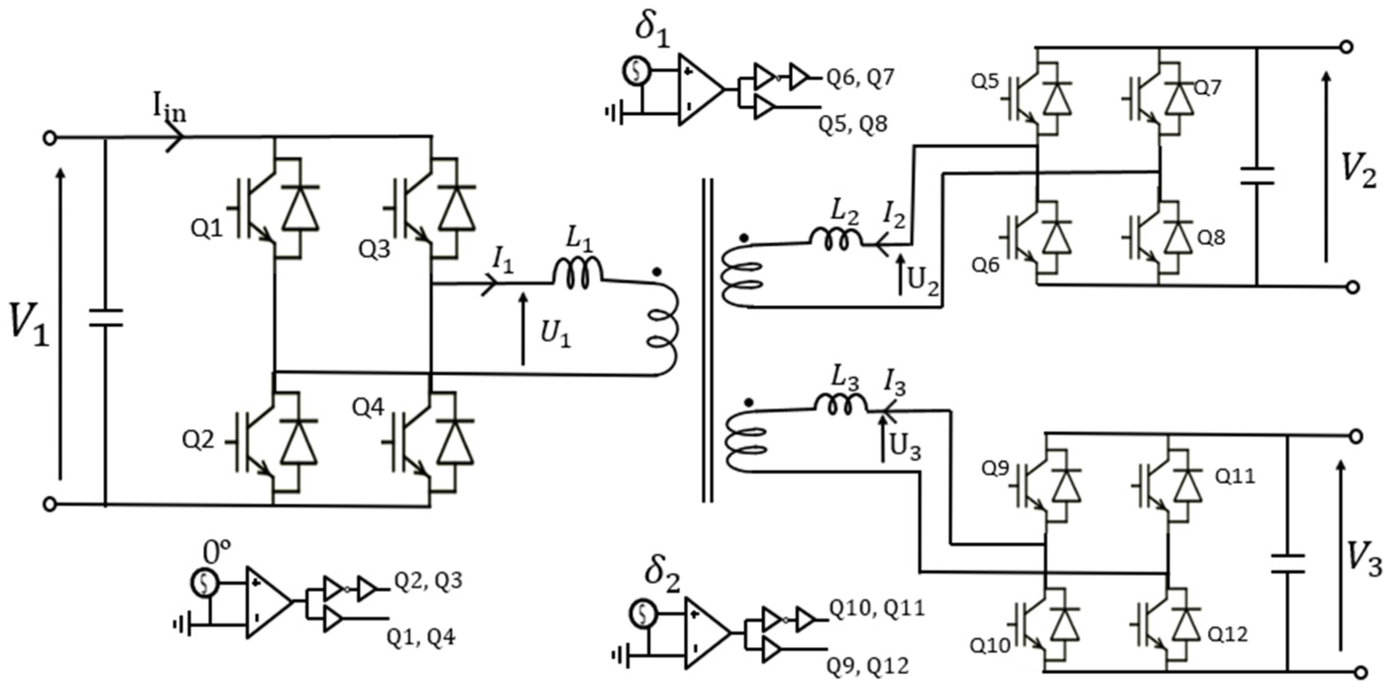
As earlier stated, the TAB converter is a three-winding converter with the possibility of multi-directional power transfer. Each H-bridge can operate as both a rectifier and an inverter, depending on the direction of the power flow, which also depends on the phase shift between the respective bridges. The second and third bridges are phase-shifted from the first bridge by phase angles δ 1 and δ 2 , respectively. The figures used for this simulation are shown in Figure 2; Figure 3 for the SPS and the DPS, respectively. The simulated results are presented in Section 3 of this paper. The leakage inductances of all the windings are the same, and equal to 30 µH. The turn ratio of the transformer is 1, and all the DC-linked voltages are tied to 400 V. The power flow direction will depend on the values of δ 1 and δ 2 , and they can take values ranging from 0 to π . I 1 , I 2 and I 3 are the transformer currents while U 1 , U 2 and U 3 are the AC voltages at the transformer terminals. T is the period while f is the switching frequency (f = 1/T). Table 1 gives the specifications for the simulated converter. δ is the phase shift between the diagonal switching signals of each bridge. It is referred to as the internal phase shift.
The performance indices (backflow power, maximum current, power transferred) are presented later in this section. The phase shift can be selected. The phase shift pair, and voltage conversion ratio determine these indices, while other variables determine their magnitude only. The voltage conversion ratio is also not a variable that is adjustable, but a given condition. It is therefore possible to adjust only the phase shift pair. The voltage conversion ratios ( k 1 , k 2 and   k 3 ) are given by Equation (1). For this experiment the voltage conversion ratios all equal 1, except for the maximum current analysis where different values were considered.
k 1 = V 1 n V 2   ,   k 2 = V 1 n V 2   ,     k 3 = V 1 n V 2

2.1. SPS Operation

The SPS control scheme is one of the oldest schemes applied in phase-shifted isolated DC-DC converters, and it is still the most used today due to its simplicity in implementation [25]. It is characterized by square voltage waveforms at the transformer terminals, and the power flows from the bridge(s) with the leading phase-shift angle to the bridge(s) that lag. In this work, bridge 1 leads 2 and 3, so power flows accordingly. Since bridge 2 also leads to bridge 3, there is power flow from bridge 2 to 3. The switching cycle for the SPS-controlled scheme is shown in Figure 4a.
Equations (2)–(4) show the power at the different ports of the TAB converter under the SPS control scheme.
P 1 S = V 1 V 2 D 1 ( 1 D 1 ) + V 1 V 3 D 2 ( 1 D 2 ) 6 f L
P 2 S = V 1 V 2 D 1 ( D 1 1 ) + V 2 V 3 [ ( D 2 D 1 ) ( 1 D 2 + D 1 ) ] 6 f L
P 3 S = V 1 V 3 D 2 ( D 2 1 ) + V 2 V 3 [ ( D 1 D 2 ) ( 1 D 2 + D 1 ) ] 6 f L
D 1 = δ 1 / π and D 2 = δ 2 / π , these are the phase shift ratios. The results obtained after the simulations are presented under the ‘Results’ section in comparison with those obtained for the DPS control scheme.
The maximum power ( P m a x ) in a TAB converter occurs at D 1 = D 2 = ½ . For this work ( V 1 = V 2 = V 3 = V) the maximum power is given by Equation (5).
P m a x = V 2 12 f L

2.2. DPS Operation

The Dual-Phase Shift (DPS) control scheme was first proposed by [9] as a novel concept for the control of a Dual-Active Bridge (DAB) converter, with the aim of eliminating reactive power and increasing system efficiency. Contrary to the SPS control scheme, which is characterized by a single-phase shift angle between the voltage of the primary and that of the secondary/tertiary ( δ 1 and δ 2 ), the DPS control scheme adds another phase angle δ , between the switching signals of each H-bridge (cell). This phase angle is added between the diagonal switches of each bridge, which were originally tied to a single switching signal on the SPS control scheme. So, instead of the traditional square-wave voltage present at the terminals of the isolation transformer, a three-level voltage waveform is seen. D   = δ / π , where δ is the added phase shift angle between the diagonal switches of each H-bridge (cell).
The circuit description is the same as that for the SPS-controlled TAB, except for the extra signal generators on every bridge, since the switches are to be controlled by separate signals so as to generate the extra phase-shift. During this period, in which the transformer voltage is zero, the power transfer is also zero. This action largely takes care of the backflow power problem faced by phase-shifted DC-DC converters. It is worth noting that the addition of this phase shift between the switches adds a degree of freedom in control. The switching cycle for the SPS-controlled scheme is as shown in Figure 1b.
Equations (6)–(8) show the power at the different ports of the TAB converter under the DPS control scheme.
P 1 D = V 1 V 2 [ D 1 ( 1 D 1 ) D 2 2 ] + V 1 V 3 [ D 2 ( 1 D 2 ) D 2 2 ] 6 f L
P 2 D = V 1 V 2 [ D 1 ( D 1 1 ) + D 2 2 ] + V 2 V 3 [ ( D 2 D 1 ) ( 1 D 2 + D 1 ) D 2 2 ] 6 f L
P 3 D = V 1 V 3 [ D 2 ( D 2 1 ) + D 2 2 ] + V 2 V 3 [ ( D 1 D 2 ) ( 1 D 2 + D 1 ) + D 2 2 ] 6 f L
The TAB controller is controlled by changing the phase shift gradually under the same input and output conditions for both the SPS and DPS. In addition, the stability is analyzed to compare of the harmonic and power characteristics for each port.

3. Results and Explanation

Below are the characteristic analyses and comparative studies of the SPS- and the DPS-controlled TAB converters. Since the work is still under development, a practical experimentation setup has yet to be carried out. The equations used for plotting the characteristics have been validated by simulation and theoretical evaluation, ensuring the correctness of the comparative study.
Power SIM (PSIM) software was used for simulating the schematic, while MATLAB was used for plotting the 3D curves based on the formulas that govern each control scheme. In order to compare each characteristic, a separate simulation was conducted with the appropriate prerequisites.

3.1. Switching Cycle Comparison

The switching cycle for the SPS control is as shown in Figure 1a, while that for the DPS control is as shown in Figure 1b. For illustration purposes, only the switching cycle for one H-bridge (primary) is presented, but all the other bridges follow the same pattern, except for the inclusion of the respective phase-shift angles for the corresponding H-bridges ( D 1 for the secondary and D 2 for the tertiary). This implies that the SPS control scheme is easier and cheaper to implement than the DPS control. For the SPS, the diagonal switch sets (Q1 and Q4, and Q2 and Q3) are in phase and can be switched (controlled) from a single switch controller, while for the DPS, there is an added phase-shift between the switches of each set so the switches must be controlled from separate switch controllers. The duty cycle of the PWM signal is fixed at 0.5, i.e., a square wave (this is strictly for switching on and off the switches). Since this is a phase-shifted DC-DC converter, the only control variable is the phase shift angle between the different switching signals, and the pulse width of the switching signal need not change. Power flow is as a result of the phase difference between the leading and lagging switching signals. This is the same for both the SPS and the DPS control schemes [5,6,7,8,9,10,11,22]. The SPS leads to square voltage waveforms, which incur more loss compared to the three-level voltage waveform produced by the DPS control scheme (the Fast Fourier Transform (FFT) analyses (presented in later sections) confirm this assertion).

3.2. Transformer Voltage Comparison

The transformer voltages for the SPS- and DPS-controlled TABs are illustrated in Figure 5a,b, respectively, while Figure 5c shows the frequency response. For the SPS control, all the voltages at the terminals of the high-frequency transformer are confined to square waves of 0.5 duty cycles. Furthermore, the voltages across the secondary and tertiary windings are phase-shifted by the ratios D 1 and D 2 of half the switching period (T/2), respectively. While for the DPS control, the winding voltages are not confined to square waves of 0.5 duty, but rather are of a three-level step profile. The added phase-shift ratio (D) clamps the transformer voltages to zero during this period (DT/2). This added phase shift is also referred to as the inner phase shift.
It is seen that the voltage waveform of the DPS control scheme is closer to a sinusoidal waveform in comparison to that of the SPS control. This fact is confirmed by the frequency response of Figure 5c and also the Total Harmonic Distortion (THD) of Table 2. The values for the corresponding harmonics are expressed as per unit (pu) values with respect to their corresponding fundamental frequency. From [26] we see that a non-sinusoidal wave would have harmonics together with the fundamental part. These harmonics are known to increase the iron loss in a machine and thereby reduce the overall efficiency. Therefore, the DPS control is preferable in terms of efficiency optimization.

3.3. Transformer Current Comparison

The transformer currents refer to the currents flowing through the corresponding windings ( I 1 , I 2 and I 3 , respectively), these are illustrated in Figure 6. Figure 6a shows that for the SPS, while Figure 6b shows that for the DPS control, and Figure 6c shows the frequency response for the transformer currents. Similarly, with the voltage waveforms, the DPS control produces much better sinusoids when compared to those of the SPS control. Therefore, based on the wave profiles and the confirmation from Figure 6c and Table 3, the DPS-controlled TAB will have better efficiency in comparison to a TAB operating under the SPS control scheme, since eddy current and hysteresis losses for electrical equipment are less for sinusoidal waves [27].

3.4. Maximum Current Comparison

Since the number of turns is the same and all DC-linked voltages are also the same, based on Equation (1), the value of the voltage conversion ratio (k) is 1 and k 1 = k 2 = k (all voltage conversion ratios are the same). When k = 1, the maximum possible steady-state current in the circuit is the same for both the SPS and the DPS control schemes (this is illustrated in Figure 6a,b. Simulations with the value of k different from 1 showed that the maximum current present in the circuit for the SPS is greater than that for the DPS. Therefore, unless when k = 1, there is more stress on the semiconductor switches and the magnetic circuit for the SPS- than for the DPS-controlled TAB.

3.5. Comparing the Power at the Different Ports

To characterize the power with respect to the inner phase-shift ratio ( D   = δ / π ), the outer phase shift ratios are considered to be the same (i.e., D 1 = D 2 = D m ), and D m = δ m / π = ¼. Equations (2)–(4) and (6)–(8) become Equations (9)–(11) and (12)–(14), respectively.
P 1 S = V 2 D m ( 1 D m ) 3 f L
P 2 S = V 2 D m ( D m 1 ) 6 f L
P 3 S = V 2 D m ( D m 1 ) 6 f L
P 1 D = V 2 [ D m ( 1 D m ) D 2 2 ] 3 f L
P 2 D = V 2 [ D m ( D m 1 ) + D 2 ] 6 f L
P 3 D = V 2 [ D m ( D m 1 ) + D 2 ] 6 f L  
The unified values are:
p 1 s = P 1 S   P m a x   = 4 D m ( 1 D m )
p 2 s = P 2 S   P m a x   = 2 D m ( D m 1 ) = p 3 s
p 1 d = P 1 D   P m a x   = 4 [ D m ( 1 D m ) D 2 2 ]
p 2 d = P 2 D   P m a x   = 2 [ D m ( D m 1 ) + D 2 ] = p 3 d
The unified power for each port was plotted against the inner and outer phase shift ratios (D and D m , respectively). Two views are illustrated for each 3D plot for a better understanding of the plots.
The range of values for the internal phase-shift ratio was limited to 0.5 because at high values of the external phase-shift ratio D m , (i.e., D m 1 ) and D + D m > 1 , the power flows in the reverse direction. This area of operation was not covered in this work. More to that, the best operating points were obtained for values in the range 0 D < D m 1 .

3.5.1. Power at Port 1

Using Equations (15) and (17) (unified power at the primary), the plot is shown in Figure 7. It is observed that for a given value of D m , at D = 0 the unified power for both the SPS and DPS controls are the same. As the inner phase shift gradually increases, the unified power under the DPS control gradually decreases while that for the SPS stays the same. The maximum unified power is 1, which corresponds to P m a x , and occurs at D m = 1 2   , D = 0 .

3.5.2. Power at Port 2

Figure 8 shows that the response is the same as that for port one with respect to the phase shift ratios (for both SPS and DPS), but in the negative direction. The negative curve shows that the port is receiving power. It can also be observed that the maximum value of the unified power is 0.5, since D 1 = D 2 = D m , that is, half of the power delivered by port one is consumed by port two while the half is consumed by port three.

3.5.3. Power at Port 3

The unified powers for both the SPS and the DPS is shown in Figure 9. The characteristic is the same as that for port two with respect to the phase shift ratios (for both SPS and DPS control). The negative unified value shows that the port is also receiving power. The maximum value of the unified power is 0.5 since D 1 = D 2 = D m that is; half of the power processed by port one is consumed by port two while the other half is delivered to port three.

3.6. Comparing the Backflow Power

The power that flows back to the supply is referred to as the backflow power. This is an inherent property of phase-shifted DC-DC converters. It is known to be the major cause of reactive power in the isolated transformer-based DC-DC converters. It is caused by the phase difference between the transformer current and voltage. As seen in Figure 10a (i.e., SPS control), the voltage becomes positive at time t = 0, while the current becomes positive at time t = t i . Furthermore, for the falling edge, the voltage becomes negative at t = T/2 while the current becomes negative at t = t z . For the DPS control (Figure 10b), the voltage cuts across the zero level at t = DT/2 and t = (D + T)/2, while the current cuts it at t = t i and t = t z . This leads to a negative power during this period called the backflow power. It is represented by the shaded area on the input current curve. The size of the shaded region is directly proportional to the magnitude of the backflow power. The backflow power for the SPS and the DPS is given by Equations (19) and (20), respectively. For this paper, V 1 = V 2 = V 3 = V and k = 1, the equations become as in Equations (21) and (22), respectively.
P b S   = V 1 ( V 2 + V 3 ) 48 f L   [ k + ( 2   D m 1 ) ] 2 k + 1
P b D   = V 1 ( V 2 + V 3 ) 48 f L   [ k ( 1 D ) + ( 2   D m D 1 ) ] 2 k + 1
P b S   = [ V D m ] 2 12 f L
P b D   = [ V ( D m D ) ] 2 12 f L
Equations (23) and (24) give the unified backflow power for the SPS- and the DPS-controlled TABs, and the 3D plot is shown in Figure 11.
p b s   = P b S P m a x = [ D m ] 2
p b d   = P b D P m a x = [ D m D ] 2
Figure 11 shows the 3D plot of the unified backflow power based on Equations (23) and (24) for the SPS- and the DPS-controlled TAB converters, respectively. It is seen that when the inner phase shift ratio is zero ( D = 0 ), the backflow power is the same for both the SPS- and the DPS-controlled TABs. However, as the inner phase shift gradually increases, the unified backflow power for the DPS-controlled TAB decreases until the point where the inner phase shift equals the outer phase shift ( D = D m ), at which point the unified power equals zero (backflow power is eliminated). This is evident from Equation (24). Moreover, when D > D m , the unified backflow power is zero. The unified backflow power with respect to the SPS control maintains an exponential nature, regardless of the value of the inner phase shift ratio. This form only changes when D m = 0 , at which the converter is systematically turned off.
Table 4 gives a summary of the comparison results.

4. Conclusions

This paper has presented a comparative analysis between the SPS control and the DPS control schemes when applied to the TAB converter. This comparative study has taken into account the switching cycle, the shape of the transformer voltage and currents, the maximum instantaneous current at different voltage conversion ratios, the unified powers at the different ports, and, finally, the backflow power (also referred to as the “reactive power” by some authors) present in the converter. Regarding the shape of the transformer voltages and currents, the DPS technique produces close-to-sinusoidal waves compared to the SPS control, which would contain fewer harmonics and thus less iron loss in the magnetic circuit. Moreover, good sinusoids will produce lesser eddy currents and hysteresis loss. For the maximum possible current at any given phase shift ratio, it is seen that the SPS control scheme will always lead to greater instantaneous currents compared to the DPS control scheme, except for when the voltage conversion ratio equals one. Greater current will imply more stress on the converter, especially on the semiconductor switches and the high-frequency magnetic circuit. For the unified powers at the different ports, it is observed that the power processed at the different ports under the SPS control scheme is always greater than that under the DPS control scheme, except when the inner phase shift (D) is zero. For the backflow power, the SPS will always lead to greater backflow power compared to the DPS, unless the inner phase shift equals zero. Furthermore, under certain constraints, the backflow power can be eliminated from the TAB converter using the DPS switching technique. In brief, the DPS would be preferable for efficiency optimization, while the SPS would be preferable for greater power.

Author Contributions

Conceptualization, N.N.K.; methodology, N.N.K.; software, N.N.K.; validation, N.N.K., J.-S.K. and D.-K.K.; formal analysis, N.N.K. and D.-K.K.; investigation, N.N.K.; resources, N.N.K. and D.-K.K.; data curation, N.N.K.; writing—original draft preparation, N.N.K.; writing—review and editing, N.N.K., J.-S.K. and D.-K.K.; visualization, N.N.K.; supervision, D.-K.K. All authors have read and agreed to the published version of the manuscript.

Funding

This paper was supported by(in part) Sunchon National University Research Fund in 2022. (Grant number: 2021-0295). This work was supported by the Gwangju Jeonnam local EnergyCluster Human Resources Development of the Korea Insitute of Energy Technology Evaluation and Planning (KETEP) grant funded by the Korea government Ministry of Knowledge Economy (No. 20214000000560).

Institutional Review Board Statement

Not applicable.

Informed Consent Statement

Not applicable.

Data Availability Statement

Not applicable.

Conflicts of Interest

The authors declare no conflict of interest.

References

  1. Koneh, N.N.; Ko, J.-S.; Kim, D.-K. Characteristics of an AC/DC Hybrid Converter According to Load Fluctuation. Int. J. Eng. Trends Technol. 2021, 69, 205–210. [Google Scholar] [CrossRef]
  2. Matsuo, H.; Harada, K. New energy-storage dc-dc converter with multiple outputs. IEEE Trans. Magn. 1978, 14, 1005–1007. [Google Scholar] [CrossRef]
  3. Matsuo, H.; Shigemizu, T.; Kurokawa, F.; Watanabe, N. Characteristics of the multipleinput DC-DC converter. In Proceedings of the IEEE Power Electronics Specialist Conference—PESC ’93, Seattle, WA, USA, 20–24 June 1993; pp. 115–120. [Google Scholar] [CrossRef]
  4. Wilson, T.G. Cross regulation in an energy-storage dc-to-dc converter with two regulated outputs. In Proceedings of the 1977 IEEE Power Electronics Specialists Conference, Palo Alto, CA, USA, 14–16 June 1977; pp. 190–199. [Google Scholar]
  5. Chen, Y.-M.; Liu, Y.-C.; Wu, F.-Y. Multi-input DC/DC converter based on the multiwinding transformer for renewable energy applications. IEEE Trans. Ind. Appl. 2002, 38, 1096–1104. [Google Scholar] [CrossRef]
  6. Pereira, T.; Hoffmann, F.; Zhu, R.; Liserre, M. A comprehensive assessment of multiwinding transformer-based DC-DC converters. IEEE Trans. Power Electron. 2021, 36, 10020–10036. [Google Scholar] [CrossRef]
  7. Costa, L.F.; Hoffmann, F.; Buticchi, G.; Liserre, M. Comparative Analysis of Multiple Active Bridge Converters Configurations in Modular Smart Transformer. IEEE Trans. Ind. Electron. 2018, 66, 191–202. [Google Scholar] [CrossRef]
  8. Costa, L.F.; Buticchi, G.; Liserre, M. Comparison of basic power cells for quad-activebridge DC-DC converter in smart transformer. In Proceedings of the 2015 17th European Conference on Power Electronics and Applications (EPE’15 ECCE-Europe), Geneva, Switzerland, 8–10 September 2015; pp. 1–10. [Google Scholar] [CrossRef]
  9. Bai, H.; Mi, C. Eliminate Reactive Power and Increase System Efficiency of Isolated Bidirectional Dual-Active-Bridge DC–DC Converters Using Novel Dual-Phase-Shift Control. IEEE Trans. Power Electron. 2008, 23, 2905–2914. [Google Scholar] [CrossRef]
  10. Kheraluwala, M.N.; Gascoigne, R.W.; Divan, D.M.; Baumann, E.D. Performance characterization of a high-power dual active bridge DC-to-DC converter. IEEE Trans. Ind. Appl. 1992, 28, 1294–1301. [Google Scholar] [CrossRef]
  11. DeDoncker, R.W.; Kheraluwala, M.H.; Divan, D.M. Power Conversion Apparatus for DC/DC Conversion Using Dual Active Bridges. U.S. Patent 5,027,264, 25 June 1991. [Google Scholar]
  12. Kim, J.-C.; Huh, J.-H.; Ko, J.-S. Optimization Design and Test Bed of Fuzzy Control Rule Base for PV System MPPT in Micro Grid. Sustainability 2020, 12, 3763. [Google Scholar] [CrossRef]
  13. Jung, S.; Yoon, Y.T.; Huh, J.-H. An Efficient Micro Grid Optimization Theory. Mathematics 2020, 8, 560. [Google Scholar] [CrossRef]
  14. Kim, J.-C.; Huh, J.-H.; Ko, J.-S. Improvement of MPPT Control Performance Using Fuzzy Control and VGPI in the PV System for Micro Grid. Sustainability 2019, 11, 5891. [Google Scholar] [CrossRef]
  15. Duarte, J.L.; Hendrix, M.; Simoes, M.G. Three-port bidirectional converter for hybrid fuel cell systems. IEEE Trans. Power Electr. 2007, 22, 480–487. [Google Scholar] [CrossRef]
  16. Inoue, S.; Akagi, H. A bidirectional isolated dc–dc converter as a core circuit of the next-generation medium-voltage power conversion system. IEEE Trans. Power Electr. 2007, 22, 535–542. [Google Scholar] [CrossRef]
  17. Tao, H.; Kotsopoulos, A.; Duarte, J.L.; Hendrix, M.A.M. Family of multiport bidirectional dc-dc converters. IEEE Proc.-Electr. Power Appl. 2006, 153, 451–458. [Google Scholar] [CrossRef]
  18. Zhao, C.; Round, S.D.; Kolar, J.W. An isolated three-port bidirectional dc-dc converter with decoupled power flow management. IEEE Trans. Power Electr. 2008, 23, 2443–2453. [Google Scholar] [CrossRef]
  19. Pereira, T.; Hoffmann, F.; Liserre, M. Potentials and Challenges of Multiwinding Transformer-Based DC-DC Converters for Solid-State Transformer. In Proceedings of the IECON 2021—47th Annual Conference of the IEEE Industrial Electronics Society, Toronto, ON, Canada, 13–16 October 2021; pp. 1–6. [Google Scholar] [CrossRef]
  20. Ibrahim, A.A.; Caldognetto, T.; Mattavelli, P. Conduction Loss Reduction of Isolated Bidirectional DC-DC Triple Active Bridge. In Proceedings of the 2021 IEEE Fourth International Conference on DC Microgrids (ICDCM), Arlington, VA, USA, 18–21 July 2021; pp. 1–8. [Google Scholar] [CrossRef]
  21. Chattopadhyay, R.; Gohil, G.; Acharya, S.; Nair, V.; Bhattacharya, S. Efficiency improvement of three port high frequency transformer isolated triple active bridge converter. In Proceedings of the 2018 IEEE Applied Power Electronics Conference and Exposition (APEC), San Antonio, TX, USA, 4–8 March 2018; pp. 1807–1814. [Google Scholar] [CrossRef]
  22. Harrye, Y.A.; Ahmed, K.H.; Aboushady, A.A. Reactive power minimization of dual active bridge DC/DC converter with triple phase shift control using neural network. In Proceedings of the 2014 International Conference on Renewable Energy Research and Application (ICRERA), Milwaukee, WI, USA, 19–22 October 2014; pp. 566–571. [Google Scholar] [CrossRef]
  23. Meena, K.; Jayaswal, K.; Palwalia, D.K. Analysis of Dual Active Bridge Converter for Solid State Transformer Application using Single-Phase Shift Control Technique. In Proceedings of the 2020 International Conference on Inventive Computation Technologies (ICICT), Coimbatore, India, 26–28 February 2020; pp. 1–6. [Google Scholar] [CrossRef]
  24. Guan, J.; Xu, Y.; Zhang, M.; Zhang, X. Optimized Control of Dual-active-bridge DC/DC Converter Based Power Electronic Transformer With Dual-phase-shift Control. In Proceedings of the 2018 International Conference on Power System Technology (POWERCON), Guangzhou, China, 6–8 November 2018; pp. 2934–2940. [Google Scholar] [CrossRef]
  25. Henao-Bravo, E.E.; Ramos-Paja, C.A.; Saavedra-Montes, A.J.; Gonzalez-Montoya, D.; Sierra-Perez, J. Design Method of Dual Active Bridge Converters for Photovoltaic Systems with High Voltage Gain. Energies 2020, 13, 1711. [Google Scholar] [CrossRef]
  26. Rahman, M.A.; Islam, M.R.; Muttaqi, K.M.; Sutanto, D. Modeling and Control of SiCBased High-Frequency Magnetic Linked Converter for Next Generation Solid State Transformers. IEEE Trans. Energy Convers. 2020, 35, 549–559. [Google Scholar] [CrossRef]
  27. Electrical Concepts. Available online: https://electricalbaba.com/why-sinusoidal-voltage-and-current-usedwhy-notsquare-or-other/ (accessed on 1 September 2022).
Figure 1. The Triple Active Bridge converter.
Figure 1. The Triple Active Bridge converter.
Electronics 11 03274 g001
Figure 2. Schematic for the simulated TAB converter under the SPS control scheme.
Figure 2. Schematic for the simulated TAB converter under the SPS control scheme.
Electronics 11 03274 g002
Figure 3. Schematic for the simulated TAB converter under the DPS control scheme.
Figure 3. Schematic for the simulated TAB converter under the DPS control scheme.
Electronics 11 03274 g003
Figure 4. Switching cycle for port 1 (a) SPS control (b) DPS control.
Figure 4. Switching cycle for port 1 (a) SPS control (b) DPS control.
Electronics 11 03274 g004
Figure 5. Transformer voltages (a) SPS control, (b) DPS control, (c) frequency response.
Figure 5. Transformer voltages (a) SPS control, (b) DPS control, (c) frequency response.
Electronics 11 03274 g005
Figure 6. Transformer currents (a) SPS control (b) DPS control (c) frequency response.
Figure 6. Transformer currents (a) SPS control (b) DPS control (c) frequency response.
Electronics 11 03274 g006
Figure 7. Unified powers at port 1 for both SPS and DPS control schemes (a) front and (b) rear view.
Figure 7. Unified powers at port 1 for both SPS and DPS control schemes (a) front and (b) rear view.
Electronics 11 03274 g007
Figure 8. Unified power at port 2 for both SPS and DPS control schemes (a) front and (b) rear view.
Figure 8. Unified power at port 2 for both SPS and DPS control schemes (a) front and (b) rear view.
Electronics 11 03274 g008
Figure 9. Unified powers at port 3 for both SPS and DPS control schemes (a) front and (b) rear view.
Figure 9. Unified powers at port 3 for both SPS and DPS control schemes (a) front and (b) rear view.
Electronics 11 03274 g009
Figure 10. Backflow power in the TAB converter (a) SPS control (b) DPS control.
Figure 10. Backflow power in the TAB converter (a) SPS control (b) DPS control.
Electronics 11 03274 g010
Figure 11. Unified backflow powers of the SPS and the DPS control (a) front and (b) rear view.
Figure 11. Unified backflow powers of the SPS and the DPS control (a) front and (b) rear view.
Electronics 11 03274 g011
Table 1. Specifications of the simulated TAB converter.
Table 1. Specifications of the simulated TAB converter.
SpecificationSymbolValue
DC linked voltages (V) V 1 , V 2 , V 3 400
Switching frequency (kHz)f30
Turn ration1:1:1
Leakage inductance (µH)L30
Maximum Power (kW) P m a x 14.8
Phase shift between ports 1 and 2 δ 1 45°
Phase shift between ports 1 and 3 δ 2 60°
Internal phase shift δ 30°
Table 2. Harmonic distortion for the transformer voltages.
Table 2. Harmonic distortion for the transformer voltages.
VoltagesSwitching TypeFundamental
(1st Harmonic)
3rd Harmonic5th Harmonic7th HarmonicTHD (%)
Port 1SPS508.50.330.20.1448.4
DPS489.30.230.040.0531.9
Port 2SPS509.10.330.190.1448.3
DPS492.10.240.050.0331.9
Port 3SPS509.30.330.190.1448.3
DPS492.30.240.050.0331.9
Table 3. Harmonic distortion for the transformer currents.
Table 3. Harmonic distortion for the transformer currents.
CurrentsSwitching TypeFundamental
(1st Harmonic)
3rd Harmonic5th Harmonic7th HarmonicTHD (%)
Port 1SPS46.70.180.100.0224.7
DPS45.10.120.060.0317.6
Port 2SPS14.50.40.220.147
DPS14.20.250.10.0331
Port 3SPS33.10.150.080.0222.6
DPS31.60.140.0440.0416.2
Table 4. Summary of comparison results.
Table 4. Summary of comparison results.
PropertySPSDPS
SwitchingDiagonal switch sets (Q1 and Q4, and Q2 and Q3) are in phase and can be switched (controlled) from a single switch controller, as shown in Figure 2. The SPS control scheme is easy to implement.Diagonal switch sets are not in phase (have a phase difference equal to the internal (added) phase shift angle). Each switch is controlled by a separate controller as shown in Figure 3. This control scheme is relatively difficult to implement.
Transformer voltageThey are square voltage waveforms, and the voltage of the secondary and tertiary are phase-shifted from the primary by δ 1 and δ 2 , respectively. Based on the FFT, the waves are less sinusoidal when compared to the DPS, and this will lead to more harmonics.The voltages are of a three-level step waveform, and the voltage of the secondary and tertiary are phase-shifted from the primary by δ 1 and δ 2 , respectively. Based on the FFT, the waves are more sinusoidal when compared to the SPS, and thus have fewer harmonics.
Transformer currentThe current waveforms are far from being sinusoidal, and this will lead to more harmonics and thus more system loss.The current waveforms are close to being sinusoidal, and therefore fewer harmonics and thus less system loss.
Maximum
current
The same as that for the DPS when k = 1 , and greater when k 1 The same as that for the SPS when k = 1 , and less when k 1 .
Power at the different portsFor the ports, when the internal phase shift ratio equals zero ( D = 0 ) , regardless of the value of the external phase shift ratio ( D m ) , the power processed is the same as that for the DPS.As D increases, the power processed reduces, while that for the SPS is unaffected.
Backflow powerThe backflow power increases exponentially with increase in the external phase shift ( D m ) .
It gets to a maximum at D m = 1 , and it is only zero at D m = 0 (at which point the converter is off).
When D = 0 , the backflow power is the same as that for the SPS control, but as D increases, the backflow power reduces. When D D m , the backflow power is eliminated.
Publisher’s Note: MDPI stays neutral with regard to jurisdictional claims in published maps and institutional affiliations.

Share and Cite

MDPI and ACS Style

Koneh, N.N.; Ko, J.-S.; Kim, D.-K. Simulations of the Comparative Study of the Single-Phase Shift and the Dual-Phase Shift-Controlled Triple Active Bridge Converter. Electronics 2022, 11, 3274. https://doi.org/10.3390/electronics11203274

AMA Style

Koneh NN, Ko J-S, Kim D-K. Simulations of the Comparative Study of the Single-Phase Shift and the Dual-Phase Shift-Controlled Triple Active Bridge Converter. Electronics. 2022; 11(20):3274. https://doi.org/10.3390/electronics11203274

Chicago/Turabian Style

Koneh, Norbert Njuanyi, Jae-Sub Ko, and Dae-Kyong Kim. 2022. "Simulations of the Comparative Study of the Single-Phase Shift and the Dual-Phase Shift-Controlled Triple Active Bridge Converter" Electronics 11, no. 20: 3274. https://doi.org/10.3390/electronics11203274

APA Style

Koneh, N. N., Ko, J.-S., & Kim, D.-K. (2022). Simulations of the Comparative Study of the Single-Phase Shift and the Dual-Phase Shift-Controlled Triple Active Bridge Converter. Electronics, 11(20), 3274. https://doi.org/10.3390/electronics11203274

Note that from the first issue of 2016, this journal uses article numbers instead of page numbers. See further details here.

Article Metrics

Back to TopTop