Voltage Stability of Power Systems with Renewable-Energy Inverter-Based Generators: A Review
Abstract
1. Introduction
2. Voltage Stability of Microgrids
2.1. Microgrid Configurations
2.2. Interlinking Converters, DC-Link Voltage, and Islanded Microgrids
2.3. The Effect of Size and Duration of Disturbance
2.4. The Effect of Load Dynamics
2.5. Coordination of Voltage Control Loops
2.6. Methods of Analysis for Determining Voltage Stability in Microgrids
2.6.1. Static Voltage Analysis
- (a)
- P-V and Q-V Curves
- (b)
- bV-Q sensitivity analysis
- ΔP is the incremental change in the bus real power,
- ΔQ is the incremental change in the bus reactive power,
- ΔV is the incremental change in the bus voltage magnitude,
- Δθ is the incremental change in the bus voltage angle,
- J is the Jacobian matrix.
- (c)
- QV modal analysis
2.6.2. Dynamic Analysis
- (a)
- Microgrid voltage stability analysis through time-domain power flow simulations
- (b)
- Voltage stability analysis through Lyapunov-based assessment method
- (c)
- Bifurcation analysis for voltage stability study of microgrids
3. Voltage Stability Indices for Microgrids
- Zero resistance of the line, i.e., ;
- No angle difference between the sending and receiving end, i.e., ;
- No DERs at either sending or receiving end, i.e., and ; and
- No shunt admittance.
3.1. Impact of Load Variations on Voltage Stability Indices
3.1.1. Improved Thevenin Estimates
3.1.2. Voltage Stability and Quality Index (VSQI) for PV-ESS Integrated Low Voltage Networks
3.1.3. Hybrid Voltage Stability Margin (VSM) Index
3.1.4. Network-Load Admittance Ratio-Based VSI
4. Some Aspects of Voltage Stability of Power Systems with Embedded Microgrids
4.1. IBGs and System Strength
4.2. IBGs in Dual-Mode Operation
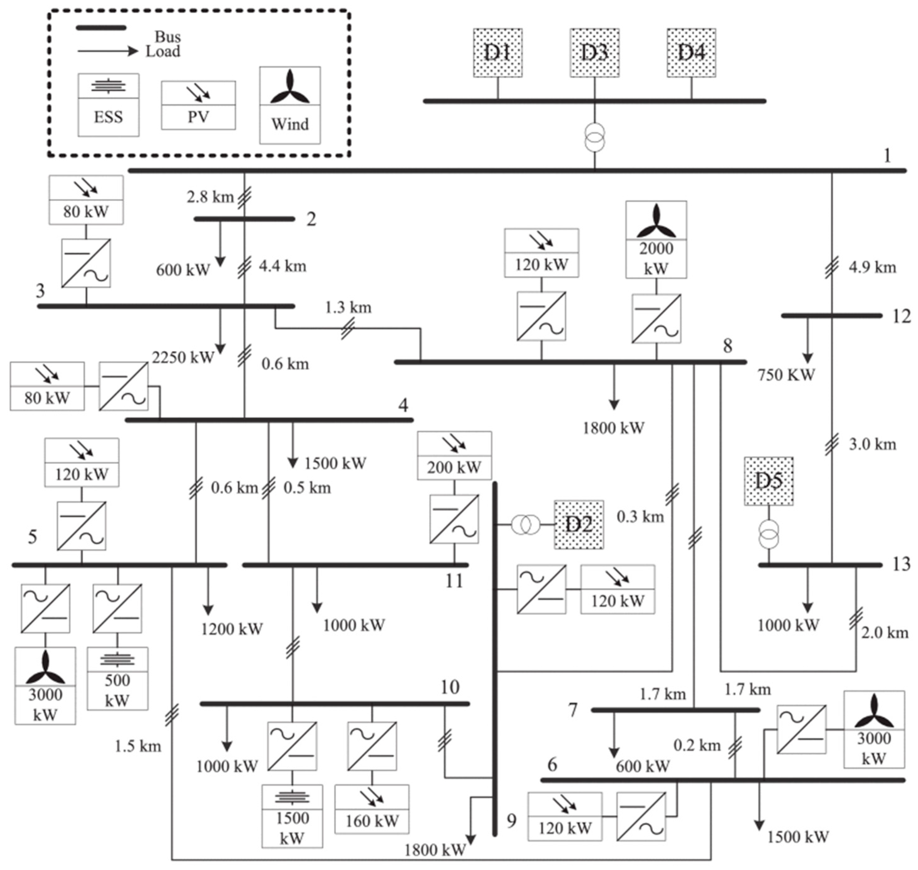
5. Example of Case Studies from the Literature
6. Conclusions
Author Contributions
Funding
Conflicts of Interest
References
- CIGRE. Microgrids 1 Engineering, Economics, & Experience. In Conseil International des Grands Réseaux Electriques; CIGRÉ: Paris, France, 2015. [Google Scholar]
- IEEE PES Task Force on Microgrid Stability Analysis and Modeling. Microgrid Stability, Definitions, Analysis, and Modeling; IEEE PES: Piscataway, NJ, USA, 2008. [Google Scholar]
- Beheshtaein, S.; Savaghebi, M.; Vasquez, J.C.; Guerrero, J.M. Protection of AC and DC microgrids: Challenges, solutions and future trends. In Proceedings of the IECON 2015–41st Annual Conference of the IEEE Industrial Electronics Society, Yokohama, JP, USA, 9–12 November 2015; pp. 5253–5260. [Google Scholar] [CrossRef]
- Basak, P.; Chowdhury, S.; Halder Nee Dey, S.; Chowdhury, S.P. A literature review on integration of distributed energy resources in the perspective of control, protection and stability of microgrid. Renew. Sustain. Energy Rev. 2012, 16, 5545–5556. [Google Scholar] [CrossRef]
- Bhaskara, S.N.; Chowdhury, B.H. Microgrids—A review of modeling, control, protection, simulation and future potential. IEEE Power Energy Soc. Gen. Meet. 2012. [Google Scholar] [CrossRef]
- Hossain, M.A.; Pota, H.R.; Hossain, M.J.; Blaabjerg, F. Evolution of microgrids with converter-interfaced generations: Challenges and opportunities. Int. J. Electr. Power Energy Syst. 2019, 109, 160–186. [Google Scholar] [CrossRef]
- Schiffer, J.; Ortega, R.; Astolfi, A.; Raisch, J.; Sezi, T. Conditions for stability of droop-controlled inverter-based microgrids. Automatica 2014, 50, 2457–2469. [Google Scholar] [CrossRef]
- Leitner, S.; Yazdanian, M.; Mehrizi-Sani, A.; Muetze, A. Small-signal stability analysis of an inverter-based microgrid with internal model-based controllers. IEEE Trans. Smart Grid 2017, 9, 5393–5402. [Google Scholar] [CrossRef]
- Bottrell, N.; Prodanovic, M.; Green, T.C. Dynamic stability of a microgrid with an active load. IEEE Trans. Power Electron. 2013, 28, 5107–5119. [Google Scholar] [CrossRef]
- Kroposki, B.; Lasseter, R.; Ise, T.; Morozumi, S.; Papathanassiou, S.; Hatziargyriou, N. Making microgrids work. IEEE Power Energy Mag. 2008, 6, 40–53. [Google Scholar] [CrossRef]
- Diaz, N.L.; Dragicevic, T.; Vasquez, J.C.; Guerrero, J.M. Intelligent distributed generation and storage units for DC microgrids—A new concept on cooperative control without communications beyond droop control. IEEE Trans. Smart Grid 2014, 5, 2476–2485. [Google Scholar] [CrossRef]
- Guerrero, J.M.; Vasquez, J.C.; Matas, J.; de Vicuña, L.G.; Castilla, M. Hierarchical control of droop-controlled AC and DC microgrids—A general approach toward standardization. IEEE Trans. Ind. Electron. 2010, 58, 158–172. [Google Scholar] [CrossRef]
- Sanduleac, M.; Toma, L.; Eremia, M.; Ciorner, I.; Bulac, C.; Tristiu, I.; Lantoc, A.; Martins, J.F. On the electrostatic inertia in microgrids with inverter-based generation only—An analysis on dynamic stability. Energies 2019, 12, 3274. [Google Scholar] [CrossRef]
- Bullich-Massagué, E.; Díaz-González, F.; Aragüés-Peñalba, M.; Girbau-Llistuella, F.; Olivella-Rosell, P.; Sumper, A. Microgrid clustering architectures. Appl. Energy 2018, 212, 340–361. [Google Scholar] [CrossRef]
- Hatziargyriou, N.; Dimeas, A.; Tsikalakis, A. Centralized and decentralized control of microgrids. Int. J. Distrib. Energy Resour. 2005, 1, 197–212. [Google Scholar]
- Katiraei, F.; Iravani, M.R.; Lehn, P. Microgrid autonomous operation during and subsequent to islanding process. IEEE Power Eng. Soc. Gen. Meet. 2004, 2, 2175. [Google Scholar]
- Mahmoud, M.S. Microgrid Control Problems and Related Issues. In Microgrid: Advanced Control Methods and Renewable Energy System Integration; Elsevier: Amsterdam, The Netherlands, 2017; Chapter 1; pp. 1–42. [Google Scholar]
- Islam, M.; Mithulananthan, N.; Hossain, M.J. Dynamic voltage support by TL-PV systems to mitigate short-term voltage instability in residential DN. IEEE Trans. Power Syst. 2017, 33, 4360–4370. [Google Scholar] [CrossRef]
- Varma, R.K.; Siavashi, E.M. PV-STATCOM: A new smart inverter for voltage control in distribution systems. IEEE Trans. Sustain. Energy 2018, 9, 1681–1691. [Google Scholar] [CrossRef]
- Kawabe, K.; Ota, Y.; Yokoyama, A.; Tanaka, K. Novel dynamic voltage support capability of photovoltaic systems for improvement of short-term voltage stability in power systems. IEEE Trans. Power Syst. 2016, 32, 1796–1804. [Google Scholar] [CrossRef]
- Islam, M.; Nadarajah, M.; Hossain, M.J. Short-term voltage stability enhancement in residential grid with high penetration of rooftop PV units. IEEE Trans. Sustain. Energy 2018, 10, 2211–2222. [Google Scholar] [CrossRef]
- Alaboudy, A.H.K.; Zeineldin, H.H.; Kirtley, J. Simple control strategy for inverter-based distributed generator to enhance microgrid stability in the presence of induction motor loads. IET Gener. Transm. Distrib. 2013, 7, 1155–1162. [Google Scholar] [CrossRef]
- Farrokhabadi, M.; Cañizares, C.A.; Simpson-Porco, J.W.; Nasr, E.; Fan, L.; Mendoza-Araya, P.A.; Tonkoski, R.; Tamrakar, U.; Hatziargyriou, N.; Lagosal, D.; et al. Microgrid stability definitions, analysis, and examples. IEEE Trans. Power Syst. 2020, 35, 13–29. [Google Scholar] [CrossRef]
- Afrin, N.; Yang, F.; Lu, J. Optimized reactive power support strategy for photovoltaic inverter to intensify the dynamic voltage stability of islanded microgrid. Int. Trans. Electr. Energy Syst. 2020, 30, e12356. [Google Scholar] [CrossRef]
- Ayaz, M.S.; Azizipanah-Abarghooee, R.; Terzija, V. European LV microgrid benchmark network: Development and frequency response analysis. In Proceedings of the 2018 IEEE International Energy Conference, Limassol, Cyprus, 3–7 June 2018; pp. 1–6. [Google Scholar]
- Afrin, N.; Yang, F.; Lu, J. Voltage support strategy for PV inverter to enhance dynamic voltage stability of islanded microgrid. Int. J. Electr. Power Energy Syst. 2020, 121, 106059. [Google Scholar] [CrossRef]
- IEEE Standards. IEEE Guide for Planning DC Links Terminating at AC Locations Having Low Short-Circuit Capacities. In IEEE Std 1204-1997; IEEE: Piscataway, NJ, USA, 1997; pp. 1–216. [Google Scholar] [CrossRef]
- Golieva, A. Low Short-Circuit Ratio Connection of Wind Power Plants. Mater’s Thesis, Norwegian University of Science and Technology (NTNU), Trondheim, Norway, 2015. [Google Scholar]
- ANSI. Electric Power Systems and Equipment Voltage Ratings (60 Hertz); The American National Standard Institute (ANSI): Piscataway, NJ, USA, 2011. [Google Scholar]
- Weaver, W.W.; Krein, P.T. Mitigation of power system collapse through active dynamic buffers. In Proceedings of the 2004 IEEE 35th Annual Power Electronics Specialists Conference (IEEE Cat. No. 04CH37551), Aachen, Germany, 20–25 June 2004; IEEE: Aachen, Germany, 2004; Volume 2, pp. 1080–1084. [Google Scholar]
- Sanduleac, M.; Martins, J.F.; Ciornei, I.; Albu, M.; Toma, L.; Pires, V.F.; Hadjidemetriou, L.; Sauba, R. Resilient and immune by design microgrids using solid state transformers. Energies 2018, 11, 3377. [Google Scholar] [CrossRef]
- Anand, S.; Fernandes, B.G.; Guerrero, J. Distributed Control to Ensure Proportional Load Sharing and Improve Voltage Regulation in Low-Voltage DC Microgrids. IEEE Trans. Power Electron. 2013, 28, 1900–1913. [Google Scholar] [CrossRef]
- Papadimitriou, C.N.; Zountouridou, E.I.; Hatziargyriou, N.D. Review of hierarchical control in DC microgrids. Electr. Power Syst. Res. 2015, 122, 159–167. [Google Scholar] [CrossRef]
- Neto, P.J.d.S.; Barros, T.A.S.; Silveira, J.P.C.; Filho, E.R.; Vasquez, J.C.; Guerrero, J.M. Power management techniques for grid-connected DC microgrids: A comparative evaluation. Appl. Energy 2020, 269. [Google Scholar] [CrossRef]
- Kleftakis, V.; Lagos, D.; Papadimitriou, C.; Hatziargyriou, N.D. Seamless Transition between Interconnected and Islanded Operation of DC Microgrids. IEEE Trans. Smart Grid 2019, 10, 248–256. [Google Scholar] [CrossRef]
- Liu, Z.; Liu, R.; Zhang, X.; Su, M.; Sun, Y.; Han, H.; Wang, P. Feasible power-flow solution analysis of DC microgrids under droop control. IEEE Trans. Smart Grid 2020, 11, 2771. [Google Scholar] [CrossRef]
- Xie, W.; Han, M.; Cao, W.; Guerrero, J.M.; Vasquez, J.C. System-Level Large-Signal Stability Analysis of Droop-Controlled DC Microgrids. IEEE Trans. Power Electron. 2021, 36, 4224. [Google Scholar] [CrossRef]
- Liu, G.; Caldognetto, T.; Mattavelli, P.; Magnone, P. Power-Based Droop Control in DC Microgrids Enabling Seamless Disconnection From Upstream Grids. IEEE Trans. Power Electron. 2019, 34, 2039. [Google Scholar] [CrossRef]
- Chen, D.; Xu, Y.; Huang, A.Q. Integration of DC Microgrids as Virtual Synchronous Machines Into the AC Grid. IEEE Trans. Ind. Electron. 2017, 64, 7455. [Google Scholar] [CrossRef]
- Zhang, L.; Tai, N.; Huang, W.; Liu, J.; Wang, Y. A review on protection of DC microgrids. J. Mod. Power Syst. Clean Energy 2018, 6, 1113. [Google Scholar] [CrossRef]
- Tah, A.; Das, D. An Enhanced Droop Control Method for Accurate Load Sharing and Voltage Improvement of Isolated and Interconnected DC Microgrids. IEEE Trans. Sustain. Energy 2016, 7, 1194–1204. [Google Scholar] [CrossRef]
- Nasirian, V.; Moayedi, S.; Davoudi, A.; Lewis, F.L. Distributed Cooperative Control of DC Microgrids. IEEE Trans. Power Electron. 2015, 30, 2288–2303. [Google Scholar] [CrossRef]
- Dragičević, T.; Lu, J.C.V.X.; Guerrero, J.M. DC Microgrids—Part I: A Review of Control Strategies and Stabilization Techniques. IEEE Trans. Power Electron. 2016, 31, 4876–4891. [Google Scholar]
- Shuai, Z.; Fang, J.; Ning, F.; Shen, Z.J. Hierarchical structure and bus voltage control of DC microgrid. Renew. Sustain. Energy Rev. 2018, 82, 3670–3682. [Google Scholar] [CrossRef]
- Meng, L.; Shafiee, Q.; Ferrari Trecate, G.; Karimi, H.; Fulwani, D.; Lu, X.; Guerrero, J.M. Review on Control of DC Microgrids and Multiple Microgrid Clusters. IEEE J. Emerg. Sel. Top. Power Electron. 2017, 5, 928–948. [Google Scholar]
- Meng, L.; Dragicevic, T.; Vasquez, J.C.; Guerrero, J.M. Tertiary and Secondary Control Levels for Efficiency Optimization and System Damping in Droop Controlled DC–DC Converters. IEEE Trans. Smart Grid 2015, 6, 2615–2626. [Google Scholar] [CrossRef]
- Chen, F.; Burgos, R.; Boroyevich, D.; Vasquez, J.C.; Guerrero, J.M. Investigation of Nonlinear Droop Control in DC Power Distribution Systems. IEEE Trans. Power Electron. 2019, 34, 9404–9421. [Google Scholar] [CrossRef]
- Farasat, M.; Mehraeen, S.; Arabali, A.; Trzynadlowski, A. GA-based optimal power flow for microgrids with DC distribution network. In Proceedings of the IEEE Energy Conversion Congress and Exposition (ECCE), Montreal, QC, Canada, 20–24 September 2015; pp. 3372–3379. [Google Scholar]
- Peyghami, S.; Mokhtari, H.; Blaabjerg, F. Hierarchical power sharing control in DC microgrids. In Microgrid; Elsevier: Amsterdam, The Netherlands, 2017; pp. 63–100. [Google Scholar]
- Issa, W.; Al-naemi, F.; Konstantopoulos, G.; Sharkh, S.; Abusara, M. Stability Analysis and Control of a Microgrid against Circulating Power between Parallel Inverters. Energy Procedia 2019, 157, 1061–1070. [Google Scholar] [CrossRef]
- Loh, P.C.; Li, Y.K.C.D.; Blaabjerg, F. Autonomous operation of hybrid microgrid with ac and dc subgrids. IEEE Trans. Power Electron. 2013, 28, 2214–2223. [Google Scholar] [CrossRef]
- Kundur, P.; Balu, N.J.; Lauby, M.G. Power System Stability and Control; McGraw-Hill: New York, NY, USA, 1994. [Google Scholar]
- Emadi, A.; Khaligh, A.; Rivetta, C.H.; Williamson, G.A. Constant power loads and negative impedance instability in automotive systems: Definition, modeling, stability, and control of power electronic converters and motor drives. IEEE Trans. Veh. Technol. 2006, 55, 1112–1125. [Google Scholar] [CrossRef]
- Al-Nussairi, M.K.; Bayindir, R.; Padmanaban, S.; Mihet-Popa, L.; Siano, P. Constant power loads (CPL) with Microgrids: Problem definition, stability analysis and compensation techniques. Energies 2017, 10, 1656. [Google Scholar] [CrossRef]
- Lin, L.; Zhao, X.; Zhu, J.; Zhang, X.; Yang, R. Simulation Analysis of Microgrid Voltage Stability with Multi-induction Motor Loads. Electr. Power Compon. Syst. 2018, 46, 560–569. [Google Scholar] [CrossRef]
- Eremia, M.; Shahidehpour, M. Handbook of Electrical Power System Dynamics: Modeling, Stability, and Control; Wiely: Hoboken, NJ, USA, 2013. [Google Scholar]
- Solanki, B.V.; Canizares, C.A.; Bhattacharya, K. Practical Energy Management Systems for Isolated Microgrids. IEEE Trans. Smart Grid 2018. [Google Scholar] [CrossRef]
- Eajal, A.A.; Yazdavar, A.H.; El-Saadany, E.F.; Ponnambalam, K. On the Loadability and Voltage Stability of Islanded AC–DC Hybrid Microgrids during Contingencies. IEEE Syst. J. 2019, 13, 4248–4259. [Google Scholar] [CrossRef]
- Sao, C.K.; Lehn, P.W. Autonomous load sharing of voltage source converters. IEEE Trans. Power Deliv. 2005, 20, 1009–1016. [Google Scholar] [CrossRef]
- Guerrero, J.M.; Chandorkar, M.; Lee, T.-L.; Loh, P.C. Advanced control architectures for intelligent microgrids—Part I: Decentralized and hierarchical control. IEEE Trans. Ind. Electron. 2012, 60, 1254–1262. [Google Scholar] [CrossRef]
- Ghalebani, P.; Niasati, M. A distributed control strategy based on droop control and low-bandwidth communication in DC microgrids with increased accuracy of load sharing. Sustain. Cities Soc. 2018, 40, 155–164. [Google Scholar] [CrossRef]
- Nasirian, V.; Davoudi, A.; Lewis, F.L. Distributed adaptive droop control for DC microgrids. In Proceedings of the IEEE Applied Power Electronics Conference and Exposition–APEC, Fort Worth, TX, USA, 16–20 March 2014; pp. 1147–1152. [Google Scholar] [CrossRef]
- Chiang, H.D.; Jean-Jumeau, R. Toward a Practical Performance Index for Predicting Voltage Collapse in Electric Power Systems. IEEE Trans. Power Syst. 1995, 10, 584–592. [Google Scholar] [CrossRef]
- Machowski, J.; Lubosny, Z.; Bialek, J.W.; Bumby, J.R. Power System Dynamics: Stability and Control; John Wiley & Sons: Hoboken, NJ, USA, 2020. [Google Scholar]
- Togiti, V. Pattern Recognition of Power System Voltage Stability Using Statistical and Algorithmic Methods; LAP LAMBERT Academic Publishing: Saarbrücken, Germany, 2012. [Google Scholar]
- Rashid, A. Voltage Stability Analysis with High Distributed Generation (DG) Penetration. Ph.D. Thesis, University of Waterloo, Waterloo, ON, Canada, 2012. [Google Scholar]
- Ren, L.; Zhang, P. Generalized microgrid power flow. IEEE Trans. Smart Grid 2018, 9, 3911–3913. [Google Scholar] [CrossRef]
- Nocedal, J.; Wright, S. Numerical Optimization; Springer Science & Business Media: Berlin/Heidelberg, Germany, 2006. [Google Scholar]
- Beerten, J.; Cole, S.; Belmans, R. Generalized steady-state VSC MTDC model for sequential AC/DC power flow algorithms. IEEE Trans. Power Syst. 2012, 27, 821–829. [Google Scholar] [CrossRef]
- Baradar, M.; Ghandhari, M. A multi-option unified power flow approach for hybrid AC/DC grids incorporating multi-terminal VSC-HVDC. IEEE Trans. Power Syst. 2013, 28, 2376–2383. [Google Scholar] [CrossRef]
- Eajal, A.A. The New AC/DC Hybrid Microgrid Paradigm: Analysis and Operational Control. Ph.D. Thesis, University of Waterloo, Waterloo, ON, Canada, 2018. [Google Scholar]
- Wang, L.Y.; Polis, M.; Wang, C.; Lin, F. Voltage stability and robustness for microgrid systems. In Proceedings of the 2013 European Control Conference, Zurich, Switzerland, 17–19 July 2013; pp. 2038–2043. [Google Scholar] [CrossRef]
- Kordkheili, H.H.; Banejad, M.; Kalat, A.A.; Pouresmaeil, E.; Catalão, J.P.S. Direct-lyapunov-based control scheme for voltage regulation in a three-phase islanded microgrid with renewable energy sources. Energies 2018, 11, 1161. [Google Scholar] [CrossRef]
- Shuai, Z.; Peng, Y.; Liu, X.; Li, Z.; Guerrero, J.M.; Shen, Z.J. Parameter stability region analysis of islanded microgrid based on bifurcation theory. IEEE Trans. Smart Grid 2019, 10, 6580–6591. [Google Scholar] [CrossRef]
- Majumder, R. Some aspects of stability in microgrids. IEEE Trans. Power Syst. 2013, 28, 3243–3252. [Google Scholar] [CrossRef]
- Modarresi, J.; Gholipour, E.; Khodabakhshian, A. A comprehensive review of the voltage stability indices. Renew. Sustain. Energy Rev. 2016, 63, 1–12. [Google Scholar] [CrossRef]
- Ettehadi, M.; Ghasemi, H.; Vaez-Zadeh, S. Voltage stability-based DG placement in distribution networks. IEEE Trans. Power Deliv. 2013, 28, 171–178. [Google Scholar] [CrossRef]
- Rao, A.R.N.; Vijaya, P.; Kowsalya, M. Voltage stability indices for stability assessment: A Review. Int. J. Ambient. Energy 2018, 1–17. [Google Scholar] [CrossRef]
- Mahmud, M.A.; Hossain, J.; Pota, H.R. Voltage variation on distribution networks with distributed generation: Worst case scenario. IEEE Syst. J. 2013, 8, 1096–1103. [Google Scholar] [CrossRef]
- Musirin, I.; Rahman, T.K.A. Novel fast voltage stability index (FVSI) for voltage stability analysis in power transmission system. In Proceedings of the Student Conference on Research and Development, Shah Alam, Malaysia, 16–17 July 2002; pp. 265–268. [Google Scholar]
- Subramani, C.; Dash, S.; Bhaskar, M.A.; Jagadeeshkumar, M.; Sureshkumar, K.; Parthipan, R. Line outage contingency screening and ranking for voltage stability assessment. In Proceedings of the 2009 International Conference on Power Systems, Kharagpur, India, 27–29 December 2009; pp. 1–5. [Google Scholar]
- Moghavvemi, M.; Omar, F.M. Technique for contingency monitoring and voltage collapse prediction. IEEE Proc. Gener. Transm. Distrib. 1998, 145, 634–640. [Google Scholar] [CrossRef]
- Moghavvemi, M.; Faruque, M.O. Technique for assessment of voltage stability in ill-conditioned radial distribution network. IEEE Power Eng. Rev. 2001, 21, 58–60. [Google Scholar] [CrossRef]
- Aman, M.M.; Jasmon, G.B.; Mokhlis, H.; Bakar, A.H.A. Optimal placement and sizing of a DG based on a new power stability index and line losses. Int. J. Electr. Power Energy Syst. 2012, 43, 1296–1304. [Google Scholar] [CrossRef]
- Moghavvemi, M.; Faruque, O. Real-time contingency evaluation and ranking technique. IEEE Proc. Gener. Transm. Distrib. 1998, 145, 517–524. [Google Scholar] [CrossRef]
- Wang, L.; Liu, Y.; Luan, Z. Power transmission paths based voltage stability assessment. In Proceedings of the 2005 IEEE/PES Transmission & Distribution Conference & Exposition: Asia and Pacific, New Orleans, LA, USA, 9–14 October 2005; pp. 1–5. [Google Scholar]
- Yazdanpanah-Goharrizi, A.; Asghari, R. A novel line stability index (NLSI) for voltage stability assessment of power systems. In Proceedings of the 7th WSEAS International Conference on Power Systems, Stevens, WI, USA, 21–23 November 2007; pp. 164–167. [Google Scholar]
- Kanimozhi, R.; Selvi, K. A novel line stability index for voltage stability analysis and contingency ranking in power system using fuzzy based load flow. J. Electr. Eng. Technol. 2013, 8, 694–703. [Google Scholar] [CrossRef]
- Althowibi, F.A.; Mustafa, M.W. Ine voltage stability calculations in power systems. In Proceedings of the 2010 IEEE International Conference on Power and Energy, Kuala Lumpur, Malaysia, 29 Novenber–1 December 2010; pp. 396–401. [Google Scholar]
- Makasa, K.J.; Venayagamoorthy, G.K. On-line voltage stability load index estimation based on PMU measurements. In Proceedings of the 2011 IEEE Power and Energy Society General Meeting, Detroit, MI, USA, 24–29 July 2011; pp. 1–6. [Google Scholar]
- Gong, Y.; Schulz, N.; Guzman, A. Synchrophasor-based real-time voltage stability index. In Proceedings of the 2006 IEEE PES Power Systems Conference and Exposition, Atlanta, GA, USA, 29 October–1 November 2006; IEEE: Atlanta, GA, USA, 2006; pp. 1029–1036. [Google Scholar]
- Chattopadhyay, T.K.; Banerjee, S.; Chanda, C.K. Impact of distributed generator on voltage stability analysis of distribution networks under critical loading conditions. In Proceedings of the 2014 1st International Conference on Non Conventional Energy (ICONCE 2014), Kalyani, India, 16–17 January 2014; pp. 288–291. [Google Scholar]
- Deng, P.; Sun, Y.; Xu, J. A new index of voltage stability considering distribution network. In Proceedings of the 2009 Asia-Pacific Power and Energy Engineering Conference, Wuhan, China, 28–31 March 2009; pp. 1–4. [Google Scholar]
- He, T.; Kolluri, S.; Mandal, S.; Galvan, F.; Rasigoufard, P. Identification of weak locations in bulk transmission systems using voltage stability margin index. In Proceedings of the IEEE Power Engineering Society General Meeting, Denver, CO, USA, 6–10 June 2004; pp. 1814–1819. [Google Scholar]
- Tiwari, R.; Niazi, K.; Gupta, V. Line collapse proximity index for prediction of voltage collapse in power systems. Int. J. Electr. Power Energy Syst. 2012, 41, 105–111. [Google Scholar] [CrossRef]
- Nizam, M.; Mohamed, A.; Hussain, A. Dynamic voltage collapse prediction in power systems using power transfer stability index. In Proceedings of the 2006 IEEE International Power and Energy Conference, Putrajaya, Malaysia, 28–29 November 2006; pp. 246–250. [Google Scholar]
- Balamourougan, V.; Sidhu, T.S.; Sachdev, M.S. Technique for online prediction of voltage collapse. IEE Proc. Gener. Transm. Distrib. 2004, 151, 453–460. [Google Scholar] [CrossRef]
- Micky, R.R.; Lakshmi, R.; Sunitha, R.; Ashok, S. Assessment of voltage stability in microgrid. In Proceedings of the 2016 International Conference on Electrical, Electronics, and Optimization Techniques (ICEEOT), Chennai, India, 3–5 March 2016; pp. 1268–1273. [Google Scholar]
- Kessel, P.; Glavitsch, H. Estimating the voltage stability of a power system. IEEE Trans. Power Deliv. 1986, 1, 346–354. [Google Scholar] [CrossRef]
- Haque, M.H. Use of local information to determine the distance to voltage collapse. Int. J. Emerg. Electr. Power Syst. 2008, 9, 2. [Google Scholar] [CrossRef]
- Pérez-Londoño, S.; Rodríguez, L.; Olivar, G. A simplified voltage stability index (SVSI). Int. J. Electr. Power Energy Syst. 2014, 63, 806–813. [Google Scholar] [CrossRef]
- Verbic, G.; Gubina, F. A new concept of voltage-collapse protection based on local phasors. IEEE Trans. Power Deliv. 2004, 19, 576–581. [Google Scholar] [CrossRef]
- Smon, I.; Verbic, G.; Gubina, F. Local voltage-stability index using Tellegen’s theorem. IEEE Trans. Power Syst. 2006, 21, 1267–1275. [Google Scholar] [CrossRef]
- Wiszniewski, A. New criteria of voltage stability margin for the purpose of load shedding. IEEE Trans. Power Deliv. 2007, 22, 1367–1371. [Google Scholar] [CrossRef]
- Matavalam, A.R.R.; Singhal, A.; Ajjarapu, V. Monitoring Long Term Voltage Instability Due to Distribution and Transmission Interaction Using Unbalanced $\mu $ PMU and PMU Measurements. IEEE Trans. Smart Grid 2019, 11, 873–883. [Google Scholar] [CrossRef]
- England, B.S.; Alouani, A.T. Real time voltage stability prediction of smart grid areas using smart meters data and improved Thevenin estimates. Int. J. Electr. Power Energy Syst. 2020, 122, 106189. [Google Scholar] [CrossRef]
- Katsanevakis, M.; Stewart, R.A.; Junwei, L. A novel voltage stability and quality index demonstrated on a low voltage distribution network with multifunctional energy storage systems. Electr. Power Syst. Res. 2019, 171, 264–282. [Google Scholar] [CrossRef]
- Villa-Acevedo, W.M.; López-Lezama, J.M.; Colomé, D.G. Voltage Stability Margin Index Estimation Using a Hybrid Kernel Extreme Learning Machine Approach. Energies 2020, 13, 857. [Google Scholar] [CrossRef]
- Song, Y.; Hill, D.J.; Liu, T. Static voltage stability analysis of distribution systems based on network-load admittance ratio. IEEE Trans. Power Syst. 2018, 34, 2270–2280. [Google Scholar] [CrossRef]
- NERC. Reliability Guideline: BPS-Connected Inverter-Based Resource Performance; North American Electric Reliability Corporation (NERC): Atlanta, GA, USA, 2018. [Google Scholar]
- NERC. Integrating Inverter-Based Resources into Low Short Circuit Strength Systems; North American Electric Reliability Corporation (NERC): Atlanta, GA, USA, 2017. [Google Scholar]
- CIGRÉ. Connection of Wind Farms to Weak AC Networks; Conseil International des Grands Réseaux Electriques (CIGRÉ): Paris, France, 2016. [Google Scholar]
- Saad, H.; Dennetière, S.; Clerc, B. Interactions Investigations between Power Electronics Devices Embedded in HVAC Network; IET: Manchester, UK, 2017. [Google Scholar]
- Huang, S.-H.; Schmall, J.; Conto, J.; Adams, J.; Zhang, Y.; Carter, C. Voltage control challenges on weak grids with high penetration of wind generation: ERCOT experience. In Proceedings of the 2012 IEEE Power and Energy Society General Meeting, San Diego, CA, USA, 22–26 July 2012; pp. 1–7. [Google Scholar]
- Zhang, Y.; Huang, S.-H.F.; Schmall, J.; Conto, J.; Billo, J.; Rehman, E. Evaluating system strength for large-scale wind plant integration. In Proceedings of the 2014 IEEE PES General Meeting\Conference & Exposition, National Harbor, MD, USA, 27–31 July 2014; pp. 1–5. [Google Scholar]
- Huang, F. Experience with WTG weak system interactions on the ERCOT system. In Proceedings of the 2015 IEEE Power & Energy Society General Meeting, Denver, CO, USA, 26–30 July 2015; pp. 16–30. [Google Scholar]
- Wu, D.; Li, G.; Javadi, M.; Malyscheff, A.M.; Hong, M.; Jiang, J.N. Assessing impact of renewable energy integration on system strength using site-dependent short circuit ratio. IEEE Trans. Sustain. Energy 2017, 9, 1072–1080. [Google Scholar] [CrossRef]
- Wu, D.; Javadi, M.; Ma, F.; Tan, J.; Jiang, J.N. A method to identify weak points of interconnection of renewable energy resources. Int. J. Electr. Power Energy Syst. 2019, 110, 72–82. [Google Scholar] [CrossRef]
- Zhou, F.; Joos, G.; Abbey, C. Voltage stability in weak connection wind farms. In Proceedings of the IEEE Power Engineering Society General Meeting 2005, San Francisco, CA, USA, 12–16 June 2005; pp. 1483–1488. [Google Scholar]
- Fischer, M.; Schellschmidt, M. Fault ride through performance of wind energy converters with FACTS capabilities in response to up-to-date German grid connection requirements. In Proceedings of the 2011 IEEE/PES Power Systems Conference and Exposition, Phoenix, AZ, USA, 20–23 March 2011; pp. 1–6. [Google Scholar]
- Piwko, R.; Miller, N.; Sanchez-Gasca, J.; Yuan, X.; Dai, R.; Lyons, J. Integrating large wind farms into weak power grids with long transmission lines. In Proceedings of the 2006 CES/IEEE 5th International Power Electronics and Motion Control Conference, Shanghai, China, 14–16 August 2006; Volume 2, pp. 1–7. [Google Scholar]
- Diedrichs, V.; Beekmann, A.; Adloff, S. Loss of (angle) stability of wind power plants—The underestimated phenomenon in case of very low short circuit ratio. In Proceedings of the 10th International Workshop Large-Scale Integration Wind Power Power System Transmission Networks Offshore Wind Power Plants, Aarhus, Denmark, 25–26 October 2011; pp. 340–393. [Google Scholar]
- Kim, D.; Cho, H.; Park, B.; Lee, B. Evaluating Influence of Inverter-based Resources on System Strength Considering Inverter Interaction Level. Sustainability 2020, 12, 3469. [Google Scholar] [CrossRef]
- Wu, W.; He, Y.; Tang, T.; Blaabjerg, F. A new design method for the passive damped LCL and LLCL filter-based single-phase grid-tied inverter. IEEE Trans. Ind. Electron. 2012, 60, 4339–4350. [Google Scholar] [CrossRef]
- Pena-Alzola, R.; Liserre, M.; Blaabjerg, F.; Sebastián, R.; Dannehl, J.; Fuchs, F.W. Analysis of the passive damping losses in LCL-filter-based grid converters. IEEE Trans. Power Electron. 2012, 28, 2642–2646. [Google Scholar] [CrossRef]
- Cespedes, M.; Xing, L.; Sun, J. Constant-power load system stabilization by passive damping. IEEE Trans. Power Electron. 2011, 26, 1832–1836. [Google Scholar] [CrossRef]
- Parker, S.G.; McGrath, B.P.; Holmes, D.G. Regions of active damping control for LCL filters. IEEE Trans. Ind. Appl. 2013, 50, 424–432. [Google Scholar] [CrossRef]
- Alaboudy, A.H.K.; Zeineldin, H.H.; Kirtley, J. Microgrid stability characterization subsequent to fault-triggered islanding incidents. IEEE Trans. Power Deliv. 2012, 27, 658–669. [Google Scholar] [CrossRef]
- Zhou, Z.; Li, X.; Lu, Y.; Liu, Y.; Shen, G.; Wu, X. Stability Blind-Area-Free Control Design for Microgrid-Interfaced Voltage Source Inverters under Dual-Mode Operation. IEEE Trans. Power Electron. 2020, 35, 12555–12569. [Google Scholar] [CrossRef]
- Muhammed, A.O.; Rawa, M. A Systematic PVQV-Curves approach for investigating the impact of solar photovoltaic-generator in power system using powerworld simulator. Energies 2020, 13, 2662. [Google Scholar] [CrossRef]
- Adewuyi, O.B.; Shigenobu, R.; Senjyu, T.; Lotfy, M.E.; Howlader, A. Multiobjective mix generation planning considering utility-scale solar PV system and voltage stability: Nigerian case study. Electr. Power Syst. Res. 2019, 168, 269–282. [Google Scholar] [CrossRef]
- Nasr, M.-A.; Nikkhah, S.; Gharehpetian, G.B.; Nasr-Azadani, E.; Hosseinian, S.H. A multi-objective voltage stability constrained energy management system for isolated microgrids. Int. J. Electr. Power Energy Syst. 2020, 117, 105646. [Google Scholar] [CrossRef]













Publisher’s Note: MDPI stays neutral with regard to jurisdictional claims in published maps and institutional affiliations. |
© 2021 by the authors. Licensee MDPI, Basel, Switzerland. This article is an open access article distributed under the terms and conditions of the Creative Commons Attribution (CC BY) license (http://creativecommons.org/licenses/by/4.0/).
Share and Cite
Hosseinzadeh, N.; Aziz, A.; Mahmud, A.; Gargoom, A.; Rabbani, M. Voltage Stability of Power Systems with Renewable-Energy Inverter-Based Generators: A Review. Electronics 2021, 10, 115. https://doi.org/10.3390/electronics10020115
Hosseinzadeh N, Aziz A, Mahmud A, Gargoom A, Rabbani M. Voltage Stability of Power Systems with Renewable-Energy Inverter-Based Generators: A Review. Electronics. 2021; 10(2):115. https://doi.org/10.3390/electronics10020115
Chicago/Turabian StyleHosseinzadeh, Nasser, Asma Aziz, Apel Mahmud, Ameen Gargoom, and Mahbub Rabbani. 2021. "Voltage Stability of Power Systems with Renewable-Energy Inverter-Based Generators: A Review" Electronics 10, no. 2: 115. https://doi.org/10.3390/electronics10020115
APA StyleHosseinzadeh, N., Aziz, A., Mahmud, A., Gargoom, A., & Rabbani, M. (2021). Voltage Stability of Power Systems with Renewable-Energy Inverter-Based Generators: A Review. Electronics, 10(2), 115. https://doi.org/10.3390/electronics10020115

