Next Article in Journal
A 33 MHz Fast-Locking PLL with Programmable VCO and Automatic Band Selection for Clock Generator Application
Previous Article in Journal
Design of a 20 T Class REBCO Insert in a 15 T Low Temperature Superconducting Magnet
 
 
Font Type:
Arial Georgia Verdana
Font Size:
Aa Aa Aa
Line Spacing:
Column Width:
Background:
Article

A Novel Multifunctional Negative Group Delay Circuit for Realizing Band-Pass, High-Pass and Low-Pass

1
School of Information Science and Technology, Dalian Maritime University, Dalian 116026, China
2
School of Information Science and Engineering, Dalian Polytechnic University, Dalian 116034, China
*
Author to whom correspondence should be addressed.
Electronics 2021, 10(14), 1742; https://doi.org/10.3390/electronics10141742
Submission received: 21 June 2021 / Revised: 16 July 2021 / Accepted: 16 July 2021 / Published: 20 July 2021
(This article belongs to the Section Circuit and Signal Processing)

Abstract

:
A novel multifunctional negative group delay circuit is proposed. The circuit can realize three different negative group delay functions, including band-pass, high-pass and low-pass, which meet different conditions with capacitance, inductance and resistance. Analytical design equations are provided. The effects of different element values on the bandwidth, cut-off frequency and the minimum negative group delay of the circuit are analyzed. According to this design method, the negative group delay circuit is designed and fabricated. Simulation and measurement results are in agreement. It has good negative group delay characteristics. The feasibility of the design method is verified.

1. Introduction

Low latency is an important goal of modern communications. The group delay effect reduces the performance of the electronic circuit, limits the operating speed of the electronic system [1,2] and affects the performance of the communication system [3,4]. In order to eliminate the influence of group delay, many studies have been carried out. A group delay compensation technology is proposed in [5,6,7,8]. The synchronization technology based on memristive elements to maintain the integrity of the signal waveform is implemented in [9,10], but this technology will increase the power consumption of the system. A method to reduce the group delay based on the all-pass network is designed in [11,12]. This method can reduce the dispersion effect, but the reduction in the group delay is not obvious.
Negative group delay (NGD) technology has attracted attention for reducing the influence of group delay. Since the phenomenon of negative group delay is confirmed by experiments, scholars have carried out a lot of research work on negative group delay [13,14,15,16,17,18,19,20,21,22,23,24,25,26,27,28,29]. An equalization technique based on negative group delay is proposed in [13,14], which can reconstruct the signals changed by time delay. Negative group delay technology can be used in antenna design to improve the performance of array antennas [15,16]. A power divider with negative group delay characteristics is designed in [17]. An original circuit theory that can identify and synthesize simple band-pass negative group delay (NGD) circuit topologies is presented in [18]. A first-order low-pass negative group delay topology is proposed in [19]. The synthesis and design of high-pass NGD network impedance is given in [20]. The passive NGD circuit using an RLC resonant circuit is studied in [26]. The resonator works at different resonant frequencies to realize the broadband NGD circuit. A novel design for a dual-band negative group delay circuit (NGDC) is proposed in [27]. A full-passband linear-phase band-pass filter (BPF) equalized with negative group delay circuits (NGDC) is proposed in [28]. An absorptive bandstop filter is proposed and synthesized with prescribed negative group delay (NGD) and negative group delay bandwidth (NBW) in [29].
The existing negative group delay circuits all use one circuit to achieve a single function. This article proposes a novel multifunctional negative group delay circuit, which implements three negative group delay functions. If the element values are in different ranges, there will be three different negative group delay circuits of band-pass, high-pass and low-pass. This circuit has good negative group delay performance and insertion loss. For the negative group delay of band-pass, high-pass and low-pass circuits, the influence of element values on the center frequency, cut-off frequency and minimum negative group delay of the negative group delay circuit is given.
This paper consists of three main parts. The second section introduces the structure of this circuit. Through equation derivation, the conditions for the band-pass, high-pass and low-pass negative group delay characteristics of the circuit are demonstrated. The third section discusses the relationship between the minimum negative group delay and the element value of the negative group delay circuit. In the fourth section, the theory, simulation and measurement are carried out. The calculation and circuit simulation are given. The final part of the paper is the conclusion.

2. Multifunctional Negative Group Delay Circuit

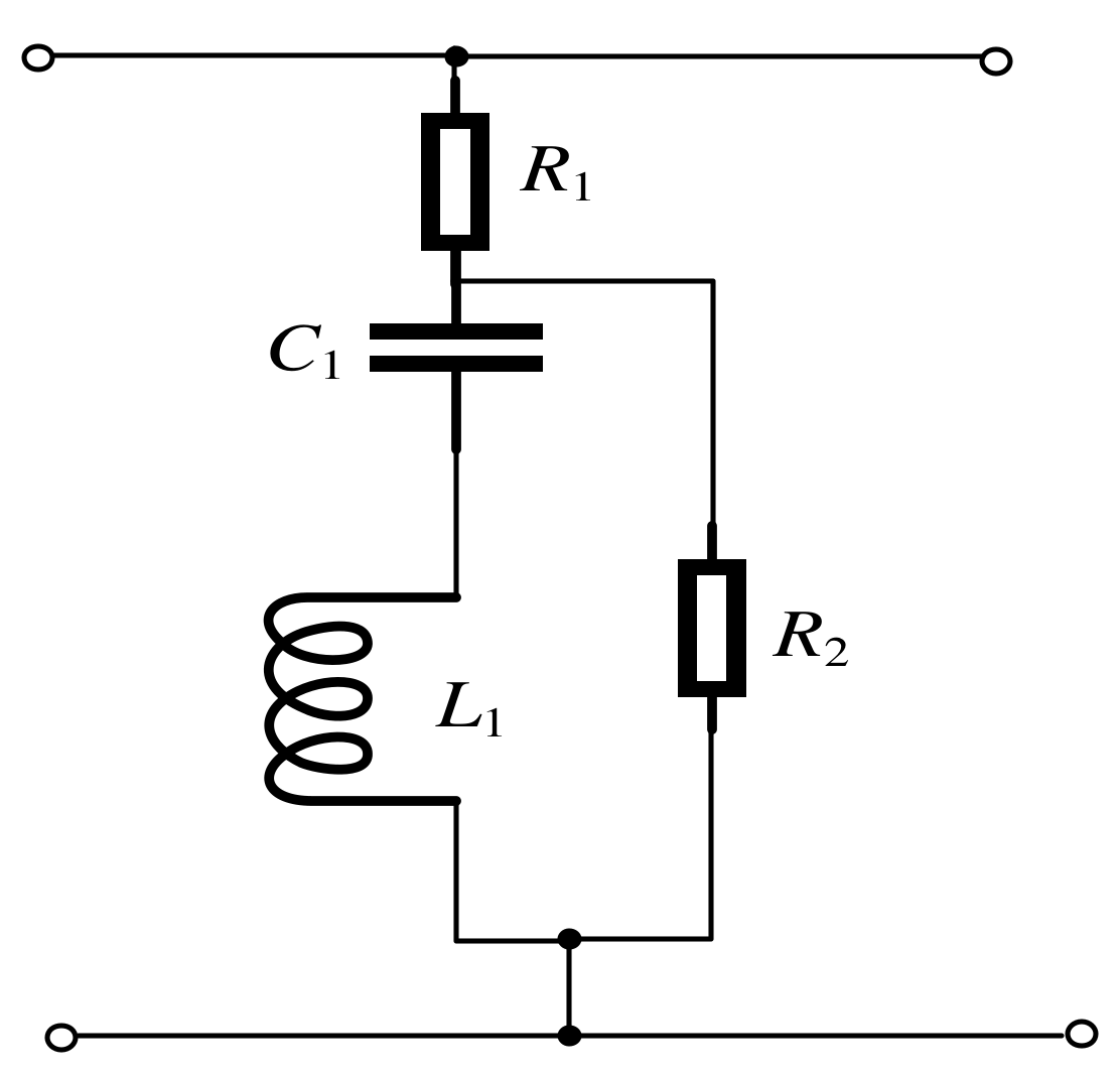
A novel multifunctional negative group delay circuit is proposed. As shown in Figure 1, this circuit can realize band-pass, high-pass and low-pass negative group delays when the capacitor, inductor and resistor take different values.

2.1. Band-Pass and High-Pass Negative Group Delay Circuits Analysis

The impedance of the negative group delay circuit is Equation (1). The characteristic impedance of the circuit is Z0. The transfer function of the circuit is Equation (2), and the group delay is Equation (3).
Z = R 1 + R 2 ( 1 j ω C 1 + j ω L 1 ) R 2 + 1 j ω C 1 + j ω L 1
S 21 = 2 Z 0 2 Z 0 + Z 0 2 / Z = 2 ( R 1 + R 2 C 1 L 1 R 1 ω 2 C 1 L 1 R 2 ω 2 + j C 1 R 1 R 2 ω ) 2 R 1 + 2 R 2 + Z 0 2 C 1 L 1 R 1 ω 2 2 C 1 L 1 R 2 ω 2 C 1 L 1 Z 0 ω 2 + 2 j C 1 R 1 R 2 ω + j C 1 R 2 Z 0 ω
τ ( ω ) = S 21 ω
According to Equation (3), when ω = 0, C1, R1, R2 and Z0 satisfy the Equation (4). τ denotes the group delay value at ω = 0. At this time, τ is independent of L1. The magnitude of τ is used as one of the bases to distinguish the delay types of negative groups.
τ ( ω = 0 ) = C 1 R 2 2 Z 0 3 ( 2 R 1 2 + 4 R 1 R 2 + Z 0 R 1 + 2 R 2 2 + Z 0 R 2 ) 3 ( 2 Z 0 + Z 0 2 R 1 + R 2 ) 2 ( R 1 2 + 2 R 1 R 2 + R 2 2 ) 3 ( 4 R 1 2 + 8 R 1 R 2 + 4 R 1 Z 0 + 4 R 2 2 + 4 R 2 Z 0 + Z 0 2 )
When τ = 0, R1 = R2 = Z0 = 50 Ω, according to Equation (3); two significant frequency values are calculated, which are respectively Equations (5) and (6). The bandwidth of the negative group delay circuit is shown in Equation (7). f0 represents the frequency corresponding to the minimum value of negative group delay in Equation (8), when the circuit presents band-pass characteristics.
f 2 = 375 C 1 2 + 5 15 C 1 3 ( 375 C 1 + 2 L 1 ) + C 1 L 1 2 π C 1 L 1
f 1 = 375 C 1 2 5 15 C 1 3 ( 375 C 1 + 2 L 1 ) + C 1 L 1 2 π C 1 L 1
BW NGD = f 2 f 1
f 0 = f 1 f 2
The circuit shown in Figure 1 is a band-pass negative group delay circuit if Equation (9) is satisfied. It is a high-pass negative group delay circuit if Equation (10) is satisfied.
τ > 0 ( f 0 ) f 2 f 0 f 0 f 1
τ 0 ( f 0 ) f 2 f 0 f 0 f 1

2.2. Low-Pass Negative Group Delay Circuit Analysis

If there is no capacitor in Figure 1, the impedance of the circuit is shown in Equation (11). The transmission function is shown in Equation (12). A low-pass negative group delay circuit will be obtained.
Z = R 1 + R 2 ( j ω L 1 ) R 2 + j ω L 1
S 21 = 2 ( L 1 R 1 ω j R 1 R 2 + L 1 R 2 ω ) 2 L 1 R 1 ω + 2 L 1 R 2 ω j R 2 Z 0 2 j R 1 R 2 + L 1 Z 0 ω
According to Equation (3), when f = 0, the NGD value and L1 satisfy the relationship (13). The NGD depends on the value of the inductance in the circuit. The larger the inductance, the smaller the negative group delay.
f = 0 ,   τ = 1 150 L 1
The cut-off frequency fc of the low-pass NGD circuit is obtained when the group delay τ = 0. According to Equations (12) and (3), a practical frequency value is calculated as fc, and the expression such as (14). When the resistance and characteristic impedance are both fixed values, the cut-off frequency decreases as the inductance increases. When Equation (15) is satisfied, the circuit is a low-pass negative group delay circuit.
f c = R 2 R 1 ( R 1 + R 2 ) ( 2 R 1 + Z 0 ) ( 2 R 1 + 2 R 2 + Z 0 ) 2 π L 1 ( 2 R 1 2 + 4 R 1 R 2 + R 1 Z 0 + 2 R 2 2 + R 2 Z 0 ) ( τ = 0 )
τ < 0 ( f = 0 ) There   is   only   one   real   solution .

3. Simulation and Discussion of NGD Circuit with Different Element Values

The minimum NGD, insertion loss, center frequency, cut-off frequency and other parameters of the NGD circuit will all be affected by the element value, which will be discussed separately below.

3.1. Analyze the Band-Pass NGD Circuit

3.1.1. Influence of L1 and C1 on Band-Pass NGD

The negative group delay τ and inductance L1 satisfy Equation (16) when the capacitance and resistance remain unchanged. Capacitance C1 = 1.6 pF, resistance R1 = R2 = Z0 = 50 Ω. When the inductance increases, the negative group delay τ becomes smaller.
τ = 1.9 × 10 41 L 1 × ( 5.5 × 10 18 L 1 7.2 × 10 42 ) 6.1 × 10 37 L 1 2 + 1.6 × 10 62 L 1 + 1.03 × 10 86 13.7 × 10 3 L 1
When the capacitance and resistance are constant, the NGD bandwidth and center frequency decrease with the decrease of inductance. The simulation results are shown in Figure 2 and Table 1. The frequency range selected during simulation can be used for TV and data broadcasting.
According to Equation (3), inductance L1 = 470 nH, and resistance R1 = R2 = Z0 = 50 Ω are substituted into Equation (3). Equation (17) is obtained. The capacitance C1 has almost no effect on the negative group delay, but the center frequency f0 of the minimum negative group delay varies with the capacitance C1. When the capacitance C1 is changed, and the inductance L1 = 470 nH, the resistance R1 = R2 = Z0 = 50 Ω, and the negative group delay remains τ ≈ −6.26 ns.
τ = 3 × 10 43 C 1 × ( 4.8 × 10 51 C 1 3.8 × 10 10 ) 2.3 × 10 103 C 1 2 + 3.7 × 10 62 C 1 + 1.45 × 10 21 = 14.4 C 1 2 11.4 × 10 41 C 1 2.3 × 10 9 C 1 2 + 3.7 × 10 32 C 1 + 1.45 × 10 73 6.26   ns

3.1.2. Influence of R1 on Band-Pass NGD

On the basis of Equations (2) and (3), the resistance R2, the inductance L1, and the capacitor C1 remain unchanged, and the resistance R1 is changed. The smaller the resistance R1, the smaller the negative group delay value. Negative group delay τ(f0) ≈ −146 ns when R1 = 5 Ω, and it is τ(f0) ≈ −250 ns when R1 = 0.5 Ω. The simulation results are shown in Figure 3, and the performance data are shown in Table 2. The frequency of about 21 MHz can be used for long-distance short-wave communication.

3.1.3. Influence of R2 on Band-Pass NGD

The resistance R2 mainly affects the bandwidth of negative group delay circuits. When changing the resistance R2, the resistance R1, the inductance L1 and the capacitance C1 remain unchanged. When the resistance value R2 increases, the bandwidth of the negative group delay circuit increases. The negative group delay basically remains unchanged when R2 is greater than 50 Ω. The insertion loss at f0 is about 3.5 dB which basically remains unchanged. The simulation results are shown in Figure 4, and the performance data are shown in Table 3.

3.2. High-Pass NGD Circuit

According to the values of L1, C1, R1 and R2 in Table 4, the circuit presents a high-pass negative group delay circuit. The negative group delay decreases with the increase of capacitance, while the inductance and resistance remain unchanged. The simulation results are shown in Figure 5. The frequency range of 461–671 kHz is suitable for marine communication and medium range navigation.

3.3. Low-Pass NGD Circuit

The circuit appears as a low-pass NGD circuit according to the values of components L1, C1, R1 and R2 in Table 5. According to Equation (13), when the inductance decreases, the negative group delay increases. The cutoff frequency and the bandwidth increase. The simulation results are shown in Figure 6, from which the influence of inductance on the parameters of the low-pass negative group delay circuit can be seen.

4. Measurement and Discussion of NGD Circuit

4.1. Band-Pass Negative Group Delay Circuit

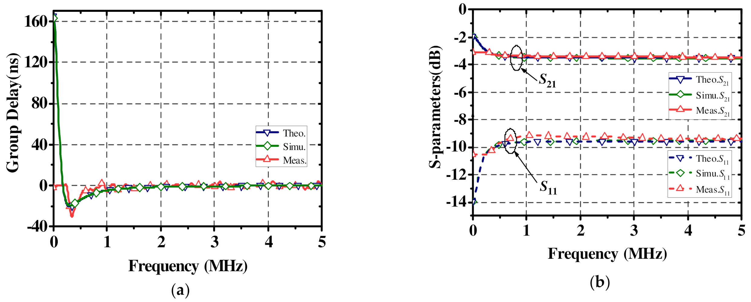
When the element values are respectively C1 = 1.6 pF, L1 = 470 nH, R1 = R2 = 50 Ω, and Z0 = 50 Ω, the group delay is τ = 8 ps > 0(f ≈ 0) and the frequencies are f2 = 188.32 MHz, f1 = 179.04 MHz and f0 = 183.62 MHz under the condition of τ = 0. Calculation shows that f2f0f0f1. The conditions of forming a band-pass NGD circuit are satisfied. The circuit is fabricated according to the element values. This is shown in Figure 7a. The theoretical, simulated and measured waveforms of the negative group delay circuit are shown in Figure 7b. The insertion loss S21 and reflection loss S11 are shown in Figure 8. It can be seen from the theoretical waveform in the Figure 7b and Figure 8 that all indicators are basically consistent with the results calculated by Equations (2) and (3). In the simulation, the Murata models of capacitors and inductors imported in ADS are used. These capacitor and inductor models include theoretical parameters and parasitic parameters. Due to the influence of parasitic parameters, the simulation results deviate from the theoretical calculation. The simulation results are different from the measured results in the minimum negative group delay and the center frequency corresponding to the minimum negative group delay, which is due to the influence of the actual element accuracy, PCB substrate and routing.
The comparison of the band-pass NGD with the reported literature is shown in Table 6. Compared with [18], the negative group delay is reduced by 4.26 ns, the bandwidth is increased by 8.78 MHz and the insertion loss is decreased by about 11.5 dB. Compared with paper [21], the negative group delay is reduced by 0.66 ns, and compared with paper [22], the negative group delay is reduced by 3.85 ns, and the insertion loss is decreased by 4.39 dB. It can be seen from the comparison that this design has better negative group delay and insertion loss.

4.2. High-Pass NGD Circuit

When the element values are C1 = 33 nF, L1 = 3.9 nH and R1 = R2 = Z0 = 50 Ω, the group delay is τ = 165 ns > 0(f ≈ 0), and the frequencies are f2 = 1118.3 MHz, f1 = 0.18 MHz and f0 = 0.3 MHz under the condition of τ = 0, which meets the conditions for forming a high-pass negative group delay circuit. The fabricated high-pass NGD circuit is still shown in Figure 7a, except that the element values and the band-pass NGD circuit are different. The theoretical, simulation and measurement waveforms are shown in Figure 9a,b. It can be seen that the results of simulation and measurement are basically the same. Due to the limitations of the instrument, the measured data in Figure 9a,b are a straight line below 300 kHz.
There are few studies on high-pass negative group delay. In this paper, a negative group delay of −20.5 ns is realized in the low-frequency band, and the insertion loss is small. As the capacitance value increases, the negative group delay decreases, but it is limited to the test instrument and cannot render data. The performance comparison between the high-pass negative group delay circuit and the literature is shown in Table 7.

4.3. Low-Pass NGD Circuit Analysis

The element values are L1 = 470 nH and R1 = R2 = Z0 = 50 Ω in the low-pass negative group delay circuit. Group delay is τ = −3.13 ns < 0(f = 0). The cut-off frequency is fc = 9.28 MHz when τ = 0, and the conditions of forming a low-pass negative group delay circuit are satisfied. The fabricated low-pass negative group delay circuit is shown in Figure 7a; only the element values are different from those of band-pass and high-pass.
The theoretical, simulation and measurement waveforms are shown in Figure 10a,b. It can be seen by comparison that these three results are basically the same.
Compared with the literature [19], although the negative group delay is larger, the insertion loss is increased by about 5.5 dB. This paper achieves a smaller negative group delay and insertion loss compared to [22]. The insertion loss at the minimum negative group delay is similar, but this paper achieves a smaller negative group delay, which is about 3 ns smaller than [24], as shown in Table 8. Considered comprehensively, the low-pass NGD circuit originally designed has good characteristics.

5. Conclusions

The proposed multifunctional novel NGD circuit realizes the functions of band-pass, high-pass and low-pass negative group delay when the elements take different values, respectively. The circuit has good negative group delay characteristics, and the measured results are basically consistent with the theoretical design. Through calculation and simulation, the relationship between the elements and the negative delay circuit parameters is obtained. According to the authors’ understanding, the existing NGD circuits all use one circuit to realize a single function. In this paper, three different NGD functions are realized with one circuit. These results provide a good theoretical basis for the flexible design and application of NGD circuits. In practical applications, the value of elements can be adjusted according to requirements, and various required negative group delay circuits can be obtained. This circuit is convenient to adjust, save costs and meet different application occasions. In the future, the NGD circuit can be used to realize the negative group delay of band-stop filters in the passband.

Author Contributions

Conceptualization, A.Y. and S.F.; methodology, A.Y. and Z.W.; software, A.Y. and H.L.; validation, A.Y.; formal analysis, A.Y. and Z.W.; investigation, A.Y. and H.L.; resources, S.F. and Z.W.; data curation, A.Y.; writing—original draft preparation, A.Y.; writing—review and editing, A.Y. and Z.W.; visualization, H.L.; supervision, S.F.; project administration, S.F.; funding acquisition, S.F. and Z.W. All authors have read and agreed to the published version of the manuscript.

Funding

This work was supported by the National Natural Science Foundation of China (Nos. 61871417 and 51809030), the Natural Science Foundation of Liaoning Province (Nos. 2019-MS-024 and 2020-MS-127), the Liaoning Revitalization Talents Program and the Fundamental Research Funds for the Central Universities (Nos. 3132021234 and 3132021231).

Conflicts of Interest

The authors declare no conflict of interest.

References

  1. Byun, G.S.; Navidi, M.M. A low-power 4-PAM transceiver using a dual-sampling technique for heterogeneous latency-sensitive network on-chip. IEEE Trans. Circuits Syst. II Express Briefs 2015, 62, 613–617. [Google Scholar] [CrossRef]
  2. Esposito, D.; De Caro, D.; Napoli, E.; Petra, N.; Strollo, A.G. Variable latency speculative Han-Carlson adder. IEEE Trans. Circuits Syst. I Regul. Pap. 2015, 62, 1353–1361. [Google Scholar] [CrossRef]
  3. Kim, K.J.; Di Renzo, M.; Liu, H.; Tsiftsis, T.A.; Orlik, P.V.; Poor, H.V. Distributed Cyclic Delay Diversity Systems with Spatially Distributed Interferers. IEEE Trans. Wirel. Commun. 2019, 18, 2066–2079. [Google Scholar] [CrossRef]
  4. Lei, X.; Song, Y.; Yao, X.; Dong, B.; Jin, M. Effect of Group Delay on Channel Estimation Performance in OFDM System. Appl. Math. Inf. Sci. 2012, 6, 1037–1045. [Google Scholar]
  5. Groenewold, G. Noise and group delay in active fifilters. IEEE Trans. Circuits Syst. I Regul. Pap. 2007, 54, 1471–1480. [Google Scholar] [CrossRef]
  6. Huang, K.C.; Tung, S.L.; Juang, Y.T. Mean compensation based on projection-based group delay scheme for noisy speech recognition. Electron. Lett. 2002, 35, 1432–1434. [Google Scholar] [CrossRef]
  7. Bartolini, M.; Pulici, P.; Stoppino, P.P.; Campardo, G. A reduced output ringing CMOS buffer. IEEE Trans. Circuits Syst. II Express Briefs 2007, 54, 102–106. [Google Scholar] [CrossRef]
  8. Osaki, Y.; Hirose, T.; Matsumoto, K.; Kuroki, N.; Numa, M. Delay-compensation techniques for ultra-low-power subthreshold CMOS digital LSIs. In Proceedings of the 2009 52nd IEEE International Midwest Symposium on Circuits and Systems, Cancun, Mexico, 2–5 August 2009; pp. 503–506. [Google Scholar]
  9. Liu, W.C.; Wei, T.C.; Huang, Y.S.; Chan, C.D.; Jou, S.J. All-digital synchronization for SC/OFDM mode of IEEE 802.15.3c and IEEE 802.11ad. Trans. Circuits Syst. I Regul. Pap. 2015, 62, 545–553. [Google Scholar] [CrossRef]
  10. Gambuzza, L.V.; Buscarino, A.; Fortuna, L.; Frasca, M. Memristor-based adaptive coupling for consensus and synchronization. Trans. Circuits Syst. I Regul. Pap. 2015, 62, 1175–1184. [Google Scholar] [CrossRef]
  11. Jabbour, C.; Fakhoury, H.; Loumeau, P. Delay-reduction technique for DWA algorithms. IEEE Trans. Circuits Syst. II Express Briefs 2014, 61, 733–737. [Google Scholar] [CrossRef]
  12. Gupta, S.; Sounas, D.; Zhang, Q.; Caloz, C. All-pass dispersion synthesis using microwave C-sections. Int. J. Circuit Theory Appl. 2014, 42, 1228–1245. [Google Scholar] [CrossRef]
  13. Ravelo, B. Neutralization of LC- and RC-Disturbances with Left-Handed and NGD Effects. Adv. Electromagn. 2013, 2, 73. [Google Scholar] [CrossRef] [Green Version]
  14. Eudes, T.; Ravelo, B. Cancellation of delays in the high-rate interconnects with UWB NGD active cells. Appl. Phys. Res. 2011, 3, 81–88. [Google Scholar] [CrossRef]
  15. Oh, S.S.; Shafai, L. Compensated circuit with characteristics of lossless double negative materials and its application to array antennas. IET Microw. Antennas Propag. 2007, 1, 29–38. [Google Scholar] [CrossRef]
  16. Alomar, W.; Mortazawi, A. Method of generating negative group delay in phase arrays without using lossy circuits. In Proceedings of the 2013 IEEE International Wireless Symposium (IWS), Beijing, China, 13–18 August 2013. [Google Scholar]
  17. Chaudhary, G.; Jeong, Y. A design of power divider with negative group delay characteristics. IEEE Microw. Wirel. Compon. Lett. 2015, 25, 394–396. [Google Scholar] [CrossRef]
  18. Wan, F.; Wang, L.; Ji, Q.; Ravelo, B. Canonical Transfer Function of Band-Pass NGD Circuit. IET Circuits Devices Syst. 2019, 13, 125–130. [Google Scholar] [CrossRef]
  19. Ravelo, B. First-order low-pass negative group delay passive topology. Electron. Lett. 2015, 52, 124–126. [Google Scholar] [CrossRef]
  20. Ravelo, B. High-Pass Negative Group Delay RC-Network Impedance. IEEE Trans. Circuits Syst. II Express Briefs 2017, 64, 1052–1056. [Google Scholar] [CrossRef]
  21. Ravelo, B.; Wan, F.; Nebhen, J.; Rahajandraibe, W.; Lalléchère, S. Resonance Effect Reduction with Bandpass Negative Group Delay Fully Passive Function. IEEE Trans. Circuits Syst. II Express Briefs 2021. [Google Scholar] [CrossRef]
  22. Ravelo, B.; Ngoho, S.; Fontgalland, G.; Rajaoarisoa, L.; Rahajandraibe, W.; Vauche, R.; Xu, Z.; Wan, F.; Ge, J.; Lallechere, S. Original Theory of NGD Low Pass-High Pass Composite Function for Designing Inductorless BP NGD Lumped Circuit. IEEE Access 2020, 8, 192951–192964. [Google Scholar] [CrossRef]
  23. Ravelo, B.; Lalléchère, S.; Thakur, A.; Saini, A.; Thakur, P. Theory and circuit modeling of baseband and modulated signal delay compensations with low- and band-pass NGD effects. AEUE Int. J. Electron. Commun. 2016, 70, 1122–1127. [Google Scholar] [CrossRef]
  24. Ravelo, B.; Wan, F.; Lallechere, S.; Rahajandraibe, W.; Thakur, P.; Thakur, A. Innovative Theory of Low-Pass NGD via-Hole-Ground Circuit. IEEE Access 2020, 8, 130172–130182. [Google Scholar] [CrossRef]
  25. Ravelo, B. On the low-pass, high-pass, band-pass and stop-band NGD RF passive circuits. Radio Sci. Bull. 2017, 363, 10–27. [Google Scholar]
  26. Choi, H.; Song, K.; Kim, C.D.; Jeong, Y. Synthesis of negative group delay time circuit. In Proceedings of the 2008 Asia-Pacific Microwave Conference, Hong Kong, China, 16–20 December 2008. [Google Scholar]
  27. Choi, H.; Jeong, Y.; Lim, J.; Eom, S.; Jung, Y. A novel design for a dual-band negative group delay circuit. IEEE Microw. Wirel. Compon. Lett. 2011, 21, 19–21. [Google Scholar] [CrossRef]
  28. Shao, T.; Wang, Z.; Fang, S.; Liu, H.; Chen, Z.N. A full-passband linear-phase band-pass filter equalized with negative group delay circuits. IEEE Access 2020, 8, 43336–43343. [Google Scholar] [CrossRef]
  29. Qiu, L.F.; Wu, L.S.; Yin, W.Y.; Mao, J.F. Absorptive Bandstop Filter With Prescribed Negative Group Delay and Bandwidth. IEEE Microw. Wirel. Compon. Lett. 2017, 27, 639–641. [Google Scholar] [CrossRef]
Figure 1. Negative group delay circuit.
Figure 1. Negative group delay circuit.
Electronics 10 01742 g001
Figure 2. Group delay of band-pass negative group delay circuit with different inductance L1.
Figure 2. Group delay of band-pass negative group delay circuit with different inductance L1.
Electronics 10 01742 g002
Figure 3. Band-pass negative group delay with different R1.
Figure 3. Band-pass negative group delay with different R1.
Electronics 10 01742 g003
Figure 4. Band-pass negative group delay with different R2.
Figure 4. Band-pass negative group delay with different R2.
Electronics 10 01742 g004
Figure 5. High-pass negative group delay with different capacitance.
Figure 5. High-pass negative group delay with different capacitance.
Electronics 10 01742 g005
Figure 6. Group delay of low-pass negative group delay circuits with different capacitance.
Figure 6. Group delay of low-pass negative group delay circuits with different capacitance.
Electronics 10 01742 g006
Figure 7. Band-pass NGD circuit (a) the fabricated band-pass NGD circuit; (b) negative group delay of band-pass NGD circuit.
Figure 7. Band-pass NGD circuit (a) the fabricated band-pass NGD circuit; (b) negative group delay of band-pass NGD circuit.
Electronics 10 01742 g007
Figure 8. S21 and S11 of band-pass NGD circuit.
Figure 8. S21 and S11 of band-pass NGD circuit.
Electronics 10 01742 g008
Figure 9. High-pass NGD circuit (a) group delay of high-pass NGD circuit. (b) S21 and S11 of high-pass NGD circuit.
Figure 9. High-pass NGD circuit (a) group delay of high-pass NGD circuit. (b) S21 and S11 of high-pass NGD circuit.
Electronics 10 01742 g009
Figure 10. Theory, simulation and measurement of low-pass NGD circuits: (a) group delay; (b) S21 and S11.
Figure 10. Theory, simulation and measurement of low-pass NGD circuits: (a) group delay; (b) S21 and S11.
Electronics 10 01742 g010
Table 1. Data of band-pass negative group delay circuit with different inductance.
Table 1. Data of band-pass negative group delay circuit with different inductance.
StateC1 (pF)L1 (nH)R1, R2 (Ω)f0 (MHz)τ(f0) (ns)IL (dB)
State11.627050242−3.593.5
State21.647050184−6.063.5
State31.697050128−12.453.5
f0 refers to the frequency with the minimum negative group delay. τ(f0) corresponds to the minimum negative group delay at frequency f0. IL is insertion loss at f0.
Table 2. Data of band-pass negative group delay circuit with different R1.
Table 2. Data of band-pass negative group delay circuit with different R1.
StateC1 (pF)L1 (nH)R1 (Ω)R2 (Ω)f0 (MHz)τ(f0) (ns)IL (dB)
State1120470505021−6.293.5
State2120470305021−14.265.2
State3120470205021−26.037.0
Table 3. Data of band-pass negative group delay circuit with different R2.
Table 3. Data of band-pass negative group delay circuit with different R2.
StateC1 (pF)L1 (nH)R1 (Ω)R2 (Ω)f0 (MHz)τ(f0) (ns)NGD Band (MHz)
State112047050521−5.281.56
State2120470505021−6.299.28
State31204705020021−6.3215.83
Table 4. Data of high-pass negative group delay circuit with different C1.
Table 4. Data of high-pass negative group delay circuit with different C1.
StateC1 (nF)L1 (nH)R1 (Ω)R2 (Ω)fopt (kHz)τ(fopt) (ns)IL (dB)
State1153.95050671−9.353.1
State2183.95050561−11.213.1
State3223.95050461−13.693.1
fopt refers to the frequency with the minimum negative group delay. τ(fopt) corresponds to the minimum negative group delay at frequency fopt, and IL refers to the insertion loss at fopt frequency.
Table 5. Data of low-pass negative group delay circuits with different L1.
Table 5. Data of low-pass negative group delay circuits with different L1.
StateC1 (pF)L1 (nH)R1 (Ω)R2 (Ω)fc (MHz)τ(f0) (ns)IL (dB)
State1047050509−3.133.52
State20200505022−1.333.52
State30100505044−0.673.52
fc represents the cutoff frequency when the group delay is zero. τ(f0) represents the minimum negative group delay.
Table 6. Performance comparison between band-pass negative group delay and reported NGD circuit.
Table 6. Performance comparison between band-pass negative group delay and reported NGD circuit.
Literaturef0 (MHz)τ(f0) (ns)NGD Band (MHz)IL (dB)
[18]1.5−1.8<0.515
[21]97−5.4203
[22]22−2.2189.917.9
This work183.62−6.069.283.51
f0 refers to the frequency at the minimum negative group delay. τ(f0) (ns) refers to the minimum negative group delay.
Table 7. Performance comparison between high-pass negative group delay and reported NGD circuit.
Table 7. Performance comparison between high-pass negative group delay and reported NGD circuit.
Literaturefc (MHz)τ(f0) (ns)IL (dB)RL (dB)
[20]1−19.00//
[25]//1.25~2.38<12
This work0.176−20.501.96~3.51<9.56
fc refers to the frequency at the group delay τ = 0. τ(f0) (ns) refers to the minimum negative group delay.
Table 8. Performance comparison between low-pass negative group delay and reported NGD circuit.
Table 8. Performance comparison between low-pass negative group delay and reported NGD circuit.
Literaturefc (MHz)τ(f0) (ns)NGD Band (MHz)IL (dB)
[19]13.78−13.33<209
[22]75.44−1.96475.447.86
[24]490−0.124903.33
This work9−3.1393.52
Publisher’s Note: MDPI stays neutral with regard to jurisdictional claims in published maps and institutional affiliations.

Share and Cite

MDPI and ACS Style

Yuan, A.; Fang, S.; Wang, Z.; Liu, H. A Novel Multifunctional Negative Group Delay Circuit for Realizing Band-Pass, High-Pass and Low-Pass. Electronics 2021, 10, 1742. https://doi.org/10.3390/electronics10141742

AMA Style

Yuan A, Fang S, Wang Z, Liu H. A Novel Multifunctional Negative Group Delay Circuit for Realizing Band-Pass, High-Pass and Low-Pass. Electronics. 2021; 10(14):1742. https://doi.org/10.3390/electronics10141742

Chicago/Turabian Style

Yuan, Aixia, Shaojun Fang, Zhongbao Wang, and Hongmei Liu. 2021. "A Novel Multifunctional Negative Group Delay Circuit for Realizing Band-Pass, High-Pass and Low-Pass" Electronics 10, no. 14: 1742. https://doi.org/10.3390/electronics10141742

APA Style

Yuan, A., Fang, S., Wang, Z., & Liu, H. (2021). A Novel Multifunctional Negative Group Delay Circuit for Realizing Band-Pass, High-Pass and Low-Pass. Electronics, 10(14), 1742. https://doi.org/10.3390/electronics10141742

Note that from the first issue of 2016, this journal uses article numbers instead of page numbers. See further details here.

Article Metrics

Back to TopTop