Abstract
A unique controlled laser head with an adaptive module was developed to stabilize the trajectory of movement. The scientific and practical problem of developing a technology for restoring the inner surface of a small diameter up to 44 mm was solved by the introduction of a laser head. Adhesion was achieved by moving the laser along the vectors, forming a regular pyramid with opening angles at the top. High physical and mechanical properties of the restored pump surface were achieved by the laser technology when spraying powder composition 15Cr17Ni12V3F35ZrO2. The optimal values of the microhardness of the coating of 5000 MPa were achieved due to the optimal transition melting zone of 0.8 ÷ 1.45 mm; the laser radiation power density of 3 × 105 W/cm2; and the diameter of the focus spot of the laser beam of up to 1.3 mm. High corrosion resistance and tribology were achieved by an optimally matched distance of 10 ÷ 15 mm and a surfacing speed of 15 mm/s. Homogeneous spheroidized particles of the material were observed in the martensitic phase of the structure. The stable compression stresses in the phase structure during the laser deposition of zirconium dioxide were fixed at the level of 1.0 ÷ 1.5 N/m2, and the compression stresses were at the level of 0.2 ÷ 0.4 N/m2. A multifactorial experiment established the dependence of the coating hardness on the distance to the focal plane and the energy characteristics of the laser source, providing optimal laser parameters (area, pulse power, and duration).
1. Introduction
Concerning the annual decline in world oil reserves, the issue regarding the increasing of oil production has not currently lost its relevance. The efficiency of oil well operation is of dominant importance for the economy of any state and is one of the fundamental factors in setting the pricing policy in the hydrocarbon market. Therefore, oil-producing enterprises face a scientific and practical problem related not only to the improvement and creation of new energy-efficient pumping complexes, but also to the development of innovative technologies for restoring the worn-out working surfaces of the parts of the critical structural elements of oil and gas pumps.
Currently, the development of most oil fields is characterized by certain features. For example, well deposits with a complex geometric profile (horizontal wells and directional or multi–barrel wells) involve the use of a high percentage of modern physico-chemical reagents and deoxidizers, leading to the chemical corrosion and mechanical wear of the interfaces. These factors affect the complications of the operating conditions of the deep-pumping equipment, leading to wear and failure and, as a result, the reduction in the inter-repair period of the installation.
From the analysis of defect maps, it was found that the operation of the pumps does not proceed perfectly even with full compliance with all the technological rules and safety measures [1]. Rod depth pumps (RDPs) have disadvantages, which are determined not only by the design features of this type of underground equipment for oil and gas condensate production but also by the complicated well operating conditions associated with geological and commercial factors.
Based on the studies by Alcazar-Vara, L.A., Al-Tak, A.A., Ivanova, L.V., Budarova, O.P., Sotudeh, K., Ivanovsky, V.N., and others [2,3,4,5,6,7], it is concluded that the main factors that increase the wear and failures of the main structural elements of RDPs are mechanical impurities, asphalt–resin–paraffin deposits (ARPD), and the aggressive environment of the extracted petroleum products. The share of these indicators is 27%, 24%, and 19%, respectively.
Of the variety of ways to restore parts, the method of building up worn surfaces is widely used. One of these methods is laser spraying and surfacing. The laser surfacing process, in comparison with other processes, contains a significantly greater number of factors affecting the characteristics of the coatings. These factors include the design features of the laser installation, the type and the consumption of the gas, the material for surfacing, the technological parameters of the surfacing, and others.
Consequently, the authors of the project solve a scientific and technical problem in substantiating the dependence of the influence of refractory ceramic materials and laser exposure modes on the physico-mechanical properties of the modified surface of the part. The practical problem that the authors would like to solve involves the development of technology and equipment for the modification and restoration of the inner surface of a cylinder of a small diameter (up to44 mm) to obtain the lowest stresses in the structure of the RDP metal.
2. Materials and Methods
The analysis of defect maps and well failures allowed us to form the main types of RDP defects (Figure 1) [5,6,7,8,9,10]. The analysis of the defects showed the complex nature of wear in a combination of hydro-mechanical and chemical effects. The variety of wear is caused by the action of an aggressive environment, the complex composition of oil (Table 1), and the influence of inhibitors (SNPH–7909, SNPH–7941, SNPH–7963, FLEC IP–106, and RT–1M) on metal products at the atomic level. The study of the types of RDP failures is required to establish a causal relationship between the failures, the types of defects, and the composition of the oil [11,12,13,14,15,16,17,18].

Figure 1.
Types of wear of RDP elements [data provided by Munaymash plant, Kazakhstan]: (a) salt clogging; (b) hard deposits of gray color (salts); (c) salt deposits on the inner cavity of the cylinder; (d) the inner surface of the RDP element; (e) abrasion and breakage of threaded connections of pumping compressor pipes; (f) clogging of the RDP plunger with mechanical impurities.
Table 1.
Compositions of the studied oil.
To identify the factors affecting the operation of the RDP, basic studies of the compositions of 8 oils, 1 asphalt–resin–paraffin deposit (ARPD), and 11 reservoir waters were carried out. The results of analyses of the contents of the asphaltenes, resins, and paraffins and the melting points of the paraffins produced by oil and ASF are presented in Table 1.
All the studied oils belong to the high-paraffin type; the paraffin content is from 7.89 to 21.42% (GOST 31378–2009) [19]. The oil from well Nos. 4232, 4627, 281, 544, 745, and 5893 is resinous; the resin content is from 8.65 to 12.31%. The oil from well Nos. 2603 and 5727 is low-resin; the resin contents are 6.03 and 7.77%, respectively [17,20].
The ARPD of well No. 9488 is of an asphaltene type and contains an amount of mechanical impurities equaling 13.65%.
Thus, the main causes of RDP wear have been established; these include deposits of mechanical impurities, deposits of paraffin, salt deposits, chipped threads of coupling joints, and the corrosion of the hardened surface material. Paraffin deposits and mechanical impurities are distributed unevenly along the diameter of the working cylinder of the discharge column, narrowing the flow section of the rod in different stroke length intervals. The difference in the through diameter in the pipe causes the rod to deviate from the design axis of the trajectory, creating a pendulum stroke and shock loads. This process of the operation of the pump leads to an uneven distribution of friction forces and stress concentration, which accelerates the mechanical wear of the hardened surface layer. It should be noted that the main factors that have a significant impact on RDP failures are the properties of the extracted liquid [5,6,11,18,20,21,22,23]:
- The amount of free gas in the operational fluid flow;
- The operation of pump parts in an aggressive environment;
- The presence of mechanical impurities;
- The deposits of salts and the ARPD in the working units of the pump;
- The high viscosity of the produced reservoir fluid.
The researchers V.N. Ivanovskiy, K.R. Urazakov, H. Richruler, S. Fakher, M.L. Galimullin, and R.N. Bakhtizin and other scientists have established the causes of RDP failures [21,24,25,26,27,28,29]. This allowed us to come to the conclusion that the inner surface of the cylinder of the rod pump is more susceptible to wear in comparison to other parts of the parts being contacted (the cylinder–plunger pair). Investigating the manufacturability of the RDP, it was found that a coating with a thickness of up to 2 mm, consisting of a powder carbide coating with high chemical and mechanical wear resistance, was applied to the surface of the plunger [3,21,30,31,32,33]. In addition, the surface of the cylinder was subjected to chemical–thermal treatment (nitriding and chrome plating), with a thickness of the hardened layer of up to 0.5 mm. In this regard, a thin nitrided layer on the inner surface of the cylinder may be damaged, in the form of a shell which is not protected from the corrosive processes of the environment from the inside. Thus, slight damage to the chrome layer leads to an accelerated corrosion process inside the structure of the material under the hardened layer, increasing the wear area of the cylinder surface.
Consequently, the main cause of the irreversible wear of the movable plunger–cylinder pair is the corrosion–mechanical wear of the damaged hardened surface of the material by quartz particles. The wear is a result of the contact of precision-treated surfaces with mechanical impurities, which include paraffins (17.6%), resins (9.56%), asphaltenes (2.88%), as well as the ingress of solid inclusions and the accompanying sand into the gap between the friction surfaces, acting as an aggressive abrasive of high hardness. According to the Mohs scale, the hardness of quartz sand corresponds to 7 degrees of hardness and corresponds to 65 ÷ 70 HRC on the Rockwell scale.
According to [33], the method consisting of the chemical–thermal nitriding treatment of the RDP cylinder makes it possible to achieve a hardness of 64 ÷ 66 HRC for the cylinder material (Steel 38Cr2MoAlA) at a depth of the nitrided layer of up to 0.5 mm, which leads to damage to the hardened layer and corrosion deep into the metal; this method also completely eliminates the possibility of restoring the worn surface.
The wide variety of factors that catastrophically reduce the durability of deep rod pumps necessitate the development of an optimal universal method for restoring the critical internal surfaces of small diameter and long length. Thus, there is a complex scientific and technical problem involved in the development of a unique method for restoring the inner surface of a small-diameter rod pump that provides the high physical and mechanical properties of the coating and manufacturability. The problem of restoration is focused on the elimination of mechanical wear in the form of a change in the design geometry of the surface and on the restoration of the phase structure of a carbide material with corrosion-resistant properties.
To solve this problem, it is necessary to solve the main tasks:
- To investigate the technological features of the existing methods of RDP recovery;
- To develop a design for restoring the physical and mechanical properties of the metal pump products;
- To develop a technology for restoring the internal surfaces of small-diameter RDPs;
- To justify the optimal modes of laser recovery;
- To substantiate the optimal materials that provide high physical and mechanical properties of the modified surface.
The share of wear of the deep rod complexes of the national mining companies is 67%, and the dynamics of the prices for energy resources, repairs, and maintenance are progressively increasing. With the low-capacity fund of wells and the Jurassic horizons of the deposits in Europe and Asia, 25% of the pumping units operate with low feed coefficients. In world practice, worn-out RDPs, coked pumping complexes that have exhausted a resource, are replaced with new ones with a resource, as they were 30 years ago (developments of 1988-1994), causing enormous costs. As an alternative to new pumps, the proposal is to restore the worn-out pumps and manufacture them with the high physical and mechanical properties resulting from laser modification.
The cost of a new NP2B-95-30-08 pump for a low-flow well is EUR 1284, and for a set for one well, the deposit is EUR 32,000. The cost of manufacturing using the new technology is EUR 970, and for one field of 25 wells, the cost is KZT 12.4 million (EUR 25,000). This means that the manufacture of pumping complexes using innovative technology is economically feasible since it is 23% lower than the cost of the new foreign-made ones.
The experimental studies were carried out using the planning method of a multifactorial experiment. To conduct an experimental study, the parameters characterizing the quality of recovery were selected. We evaluated the pump cylinder according to the selected criterion. Next, we combined the efficiency factors into a mathematical model.
As criteria for optimizing the laser deposition, we define the following variables: y1—hardness of the deposited layer (MPa); y2—endurance (MPa); and y3—adhesion (characterizing the strength and depth of adhesion (MPa)). Before constructing the matrix of the surfacing experiments, we selected eight factors, x1–x8, each of which varied at two levels: max and min. The list of factors taken into account is presented in Table 2. Then, the laser surfacing was carried out. The investigated parameters of the surfacing were selected by taking into account the technological features and some of the properties of the material.
Table 2.
Variable mode parameters during the welding laser overlay experiment.
According to the results of the experiment, a polynomial dependence was obtained that adequately characterized the process of changing y with the selected criterion x8. The dependence of y1 (hardness) on x8 (distance from the focal plane) is shown by: y1 = −0.0119x2 + 1.6283x + 2.8517. The polynomial dependencies of y2 and y3 were found similarly.
It was established that the hardness and adhesion of the deposited layer, in addition to the key modes (laser beam power density, laser radiation power, cylinder rotation speed, etc.), were also affected by parameters such as the time of exposure to the surface, the distance from the focal plane, and the mechanical properties of the phase of the steels. It was proved that exceeding the distance from the focal plane by more than 80 mm led to a decrease in the quality of the surfacing (hardness and adhesion). This means that the established dependencies make it possible to optimize the laser surfacing modes when restoring the mechanical, structural, and geometric characteristics of the pump cylinder.
In the experimental studies, the maximum effective average value of the response functions yun was taken into account by determining the standard deviation (1):
where n is the number of measurements; yun is the average value of the response functions; and is a linear model of the process under study without taking into account the interaction of the factors.
Next, we define the Student’s criterion tpn (2):
where tm is the tabular value of the Student’s criterion, which is found according to the distribution tables for the DOF number f = n − 1 and the significance value (confidence interval) q = 0.05.
The value of the Fisher criterion is determined from Equation (3):
where FT is determined by two degrees of freedom, f1 = N − 1 and f2 = N × (n − 1), and the significance value q = 0.05, according to the Fisher distribution tables. At FP < FT, a conclusion is made about the adequacy of the adopted model for the process under study.
The qualitative parameters of the restored inner surface of the pump depend on the modes of the welding laser overlay. The energy density of the laser beam q, taking into account the duration of the pulse action τ, depends on the thermophysical parameters a, R, and k, which are determined from Equation (4):
where T is the surface temperature; TH is the nominal temperature; and (1 − R) is the absorbed power.
The frequency of the technological rotation of the restored pump cylinder on the machine is determined from Expression (5):
where Vn is the wire (powder) feed rate, mg/min; dl is the diameter of the focused beam, mm; hc is the thickness of the deposition layer, mm; b is the seam width, mm; D is the diameter of the pump cylinder, mm; and η is the weld overlay factor.
where Gh is the mass of the metal deposited on the seam over a period of time, and I is the welding current.
When the cylinder is thermally exposed, the surface material expands due to the temperature difference between the base and the coating. This process can be controlled by optimizing the parameters of the laser recovery, such as the speed of the laser radiation, the power of the laser radiation, and the energy density of the laser beam. The optimization of the parameters helps to eliminate excessive distortion of the geometric design dimensions and to preserve the phase structure of the needle martensite (Figure 2).
Figure 2.
Dependence of the change in the adhesion strength of the coating on the voltage characteristics of the modes: 1—from the current density J; 2—from the arc voltage U.
As a result of the study, the established dependencies of the regression equations made it possible to justify the effective modes of laser surfacing with increasing voltage. Consequently, laser surfacing technology provides flexible regulation of the main technological parameters: welding current I; arc voltage UA; current density J; surfacing speed vs; and surfacing step S.
An experimental study of the material selection, microstructure, and microhardness studies for the laser deposition of the pump cylinder was carried out by the Remplasma LLP enterprise.
The basis of the methodological approach in the study is a combination of a systematic study of the main features of the process of modifying a high-quality pump coating with the practical integration of the research results. We investigated the changes in the physical–mechanical properties due to the mechanical properties of the materials used in the restoration of the contact surface of the injection cylinder.
Figure 3 shows the patterns of changes in the residual stresses at different thicknesses of coatings. Measurements were carried out on rectangular fragments of 1.5 × 10 mm made of low-carbon steel. The samples were attacked with the application of a molybdenum layer, an alloy of nickel, and zirconium dioxide. To estimate the magnitude of the residual stresses, the curvature of this sample was measured.

Figure 3.
Investigation of changes in residual voltage by the bend of the carbon steel sample under study, depending on the thickness h of the coating material: (a)—molybdenum coating; (b)—nickel coating; (c)—zirconium dioxide coating. 1—residual voltage (during plasma spraying); 2—voltage (laser spraying Ni +ZrO2); 3—deflection (arc surfacing); 4—deflection (flame spraying).
From Figure 3, we observe the influence of the type of thermal action on the formation of the internal stresses in the metal structure. The nature of the stresses affects the distribution and uniformity of the grains in the structure. Tensile stresses deform the correct grain shape of the deposition microstructure and substrate, which leads to the formation of pores and microcracks. Compressive stresses negatively affect the microstructure of the substrate. Their impact causes hidden defects in the form of extruded unreacted metal elements of refractory particles. Thus, it can be seen from Figure 3 that the optimal state of the Ni + ZrO2 coating is observed under laser exposure with the optimal technological deposition modes. When the optimal parameters are combined, the effect of compensation and voltage control is obtained. Its essence is that the tensile stresses compensate for the compressive ones, and the restored surface does not deform the designed one.
This effect is confirmed by the microstructure of the sample (Figure 4), where it can be seen that the overlap zone of the surfacing layers is not subject to warping and grain changes. The smooth boundary of the deposited material and the substrate with the absence of microcracks and pores confirms the established nature of the stresses controlled by the laser modes (Figure 5). Figure 5 combines the research results and confirms the optimal technological modes of the laser. The deposition rate and thickness determine the optimal structure of the material (Figure 4) and the necessary microhardness of the recovered coating (Figure 5).
Figure 4.
Study of the deposited material on the samples: (a)—single surfacing track in one pass, (b)—overlap zone of the deposited layers (transitional).
Figure 5.
Measurement of microhardness by the thickness of the deposited layer at different surfacing speeds.
In the molybdenum coatings with a small thickness, residual voltages were noted during stretching. As the thickness of the laser coating increased, a decrease in the residual voltages was observed; at the moment when the coating reached a thickness of 0.35 ÷ 0.4 mm, they reached zero. Subsequently, with the increase in the thickness in the coating, residual compression voltages were noted, systematically increasing with the increasing thickness. Residual tensile voltages were observed on all the coatings during the deposition of the nickel alloy, and a systematic increase in the thickness of the coating contributed to their growth. In particular, with a layer thickness of 0.5 mm, residual voltages were recorded at 7.0 N/m2. The laser spraying of zirconium oxide in the coating contributed to the formation of small residual compression voltages, the values of which were stable and not determined by the thickness of the coating. These parameters were fixed at the level of 1.0 ÷ 1.5 N/m2 in the zirconium dioxide coatings, which were applied by laser powder spraying, while residual compression voltages were noted at the level of 0.2 ÷ 0.4 N/m2.
The results of the experiment on the nature of the residual voltages in the modified laser coating are presented in Table 3.
Table 3.
Change in the nature of voltage depending on the type of coating material and substrate.
Due to the sharp cooling of the carbon steel deposition particles (0.8% C), austenite appears in the coating, excessively cooled. When the fragment cools down after the deposition process is completed, the coating is compressed, which bends the fragment itself. The subsequent decrease in temperature to 240 °C (MN point) leads to a gradual transformation of austenite into martensite, which proceeds against the background of an increase in the volume of the deposition material. The process was accompanied by changes in the direction of the bending of the fragment, while the layer made by the deposition turned out to be on the convex side. The degree of influence of the coefficients of thermal expansion on the nature of the tensile and compressive stresses of the different materials was experimentally determined.
As a result of the experimental studies, the nature of the dependence of the bending value of the selected fragment f and the chemical change of the coating on the temperature regime t °C, as well as the time t(s) spent in it, was determined. The obtained results contributed to the justification of the choice of optimal composite materials for surfacing, the practical use of which contributed to a significant reduction in the volume of defects, such as large porosity, as well as the changes in the geometric characteristics (bending) of the pump to be restored.
The choice of the main chemical elements of the powder with high properties was made based on the US experience, according to US Patent 4639280, with a composition by weight of: 5 ÷ 8% Co, 6.5 ÷ 10% Sg, 0.5 ÷ 2.5% Mo, 5 ÷ 9% W, 6 ÷ 9% Ta, 4.5 ÷ 5.8% Al, 1 ÷ 2% Ti, and 0 ÷ 1.5% Nb, as well as C and Zr, with less than 0.1% of each in the contents. The optimal chemical composition of the materials for increasing the physical–mechanical properties of the restored inner surface of the pump was substantiated. The efficiency of laser surfacing can be achieved by powder compositions in the following proportions:
The main recommended powder for the laser recovery of oil-producing pumps is represented by the following composition: 3.5 ÷ 7.5% Sg, 2.5 ÷ 5.5% Ru, 3.5 ÷ 8.5% W, 5 ÷ 6.5% Al, 0 ÷ 2.5% Ti, 4.5 ÷ 9% Ta, 0.08 ÷ 0.12% Hf, 0.08 ÷ 0.12% Si, and 1.5 ÷ 5.2% of ZrO2; the rest, to bring the total to 100%, comprises Ni and unavoidable impurities.
It has been experimentally established that the structure, grain size, hardness, and microhardness of the restored surface form such qualitative properties as wear resistance, voltage concentration, and the adhesion strength of the coating to the substrate.
Thus, the optimal composition of a multicomponent powder composition for laser reduction can be practically selected by using various combinations of composite elements, taking into account their properties and the ability to prevent the mechanical and chemical wear of the surface of the part during deposition.
3. Results and Discussion
In order to develop an energy-efficient method of recovery by laser surfacing, it is necessary to justify the optimal coating modes. For the study, samples of carbide steel with a size of 15 × 30 × 15 mm with deposited rollers of self-fluxing powder with an alloying element of nickel grade PG–CP2 or its replacement 15Cr17Ni12F3 (15Cr17Ni12V3F35ZrO2) were prepared. An especially fine (EF) granulation of the powder particles was chosen—from 40 to 120 microns.
To apply the laser heat-strengthened coating, the laser welding unit MUL–1, containing a pulsed solid-state laser with a radiation power of 3 kW, was used. Laser surfacing was carried out at the surfacing speeds of v = 10, 15, 20 mm/s, at the surfacing distances of l = 10, 12, and 15 mm, and the radiation power of P = 1000 ÷ 3000 W when scanning a laser beam in one pass. Next, the deposited samples were cut perpendicular to the direction of the surfacing, and microplates of the deposited layer were prepared to determine the geometric parameters of the layer: width b and height h of the rollers. The measurements of these parameters were carried out on an optical microscope “Micro P200”.
The experimental data were processed according to the method of a full factorial experiment using spreadsheets.
Microhardness studies were carried out with the PMT-3 microhardness meter. Figure 4a shows the microrelief of one surfaced track, and the overlap zone of the surfaced tracks is shown in Figure 4b.
The deposited rollers have a solid dense composition with clearly defined structural components. The deposited coating consists of a deposited powder zone (fusion zone), a thermal impact zone, and a base metal zone. The formation of the first zone occurs at the high temperature and high cooling rate of the deposited roller.
Figure 5 shows the change in microhardness at different deposition rates depending on the thickness of the deposited roller.
Analyzing the graphs of the microhardness study, there is a sharp jump in the growth of microhardness during the transition from the base metal to the deposited roller, indicating the small size of the transition zone. With a further coating thickness of 0.8 ÷ 1.5 mm, the microhardness is almost at the same level of 5550 MPa, which indicates the uniformity of the material and the uniformity of the temperature distribution along the section of the roller of 10 mm. At a distance of 10 ÷ 15 mm and a surfacing speed of 15 mm/s, we observe high microhardness, and we see low microhardness when the surfacing speed decreases to 10 mm/s.
The optimal values of the microhardness of 5000 MPa were achieved due to the optimal transition zone of fusion of 0.8 ÷ 1.45 mm and the diameter of the laser beam up to 1.3 mm. The high microhardness was achieved with an optimal reasonable distance of 10 ÷ 15 mm and a surfacing speed of 15 mm/s. A further increase in the transition zone to 1.45 mm did not significantly change the microhardness, and with an increase in thickness to 1.6 mm, the microhardness decreased sharply to 4474 MPa.
The regression equation of the studied dependences of microhardness on the thickness of the deposited layer at a surfacing rate of 15 mm/s is described as y = −977.58x2 + 2499.7x + 3689.5, with a correlation coefficient of R2 = 0.9314, at a speed of 10 mm/s; the regression equation of this dependence is determined as y = −1.2083x2 + 44.2312 x + 2592.1 with R2 = 0.98.
Thus, these studies indicate the need for a preliminary study of the surfacing process with a wear-resistant filler material to obtain the necessary high-quality coating. The established regularities allow the selection of materials and the choice of laser surfacing modes to obtain the optimal coating properties of the PG–CP2 alloy (15Cr17Ni12V3F35ZrO2) and PCRK–3, with a content of (1.5 ÷ 5.2% ZrO2). When choosing the optimal modes of laser surfacing, the values of the radiation power, the speed, the focal length of the surfacing, and the diameter of the laser beam were changed. At a surfacing speed of 15 mm/s, the microhardness varied within a wide range of 5000–6000 MPa in the deposited layer, and this speed was determined as optimal. By changing the power density of the laser beam energy, it was determined that with an increase the microhardness decreases and the thermal defects rise; with a decrease, the microhardness of the deposited layers also decreases and the powder material is not completely fused. Moreover, an increase in microhardness occurs when the laser surfacing distance decreases.
Consequently, as a result of the experimental study, the parameters and modes of the laser surfacing were established:
- As an additive material, we used PG–CP2 powder (15Cr17Ni12V3F35ZrO2) with an alloying element—Ni-Cr-B-Si and PCRK–3 nickel, with a content of (1.5 ÷ 5.2% ZrO2); it gives a high hardness of HRC 60 and corrosion and mechanical wear resistance, and it has a low melting point (960 ÷ 1000 °C), which helps to reduce the thermal effect on the base metal and to reduce the level of residual deformations and stresses in the pump cylinder. The selected powder at high processing temperatures forms a vitreous slag coating that protects the deposited coating from interaction with oxygen and nitrogen in the air, which eliminates the need for special protection from the negative effects of the environment.
- A radiation power of 2000 ÷ 3000 W;
- A surfacing speed of 10 ÷ 15 mm/s;
- The diameter of the radiation focusing spot was 1.5 ÷ 2.5 mm;
- The diameter of the processing laser spot (surfacing distance) was 10 ÷ 20 mm;
- The power density of the laser beam was 3 × 105 W/cm2;
- The distance from the focal plane was 20 ÷ 100 mm;
- The mass consumption of the surfacing powder was 0.25 g/s.
In the deposited layer, microcracks may form in the overlap zone of the rollers, which can be avoided by the preheating and slow cooling of the deposited surface of the pump cylinder. The hardness of the deposited layer should be HRC 55 ÷ 60. It is also possible to apply a matte coating (MCS–510, ST–504, and FS–1M) [34,35] with a high absorption capacity that is non–toxic, non–flammable, easy to apply, and inexpensive.
The recommended method of laser reduction provides a more efficient fusion at the atomic level of the base metal particles with the surface to be restored, and it provides the necessary wear resistance, and by adjusting the operating characteristics of the recovery process, the physical–mechanical properties of the pump contact surface can be significantly improved. Laser coatings have higher physical and mechanical properties compared to the coatings applied by classical surfacing methods.
Thus, in order to ensure the durability of the contact surface of the pump, it is necessary to create an optimal microhardness of the deposited layer, which ensures the high wear resistance of the discharge pipe. Optimal microhardness values of 5000 MPa were achieved due to the optimal transition zone of 0.2 ÷ 0.25 mm fusion. The optimal composition of the powder composition for the laser surfacing was proposed (15Cr17Ni12V3F35ZrO2), with an alloying element—nickel of the Ni-Cr-B-Si system and PCRK–3, with a content of (1.5 ÷ 5.2% ZrO2). High microhardness was achieved with an optimal reasonable distance of 60 ÷ 80 mm and a surfacing speed of 15 mm/s. A further increase in the transition zone to 0.35 mm did not significantly change the microhardness, and with an increase in depth to 0.5 mm, the microhardness decreased sharply.
Having established the optimal microstructure by the metallographic studies, it was possible to justify the optimal recovery modes of the inner surface of the pump discharge column: radiation power of 2000 ÷ 3000 W; surfacing speed of 10 ÷ 15 mm/s; diameter of the radiation focusing spot of 1.5 ÷ 2.5 mm; diameter of the processing laser spot (surfacing distance) of 10 ÷ 20 mm; laser beam power density of 3 × 105 W/cm2; distance from the focal plane of 50 ÷ 200 mm; and mass consumption of surfacing powder of 0.25 g/s.
By selecting a material for surfacing and developing a method for feeding it to the surface to be restored and the surfacing modes, it was possible to obtain a coating with high properties in hardness, wear resistance, adhesion strength, and other indicators due to the operating conditions of the pump.
Special difficulties in restoring the coupling of the rod depth pumps arise when restoring the geometric and physical–mechanical parameters of the inner surface of the cylinder liner, that is, the small-diameter parts to a depth of up to 6 m (plunger and column cylinder).
The authors worked out and introduced into production Munaymash JSCandRemplasma LLP, a technology for restoring and strengthening the internal working surfaces of products using highly concentrated laser energy sources.
At the moment, the restoration of the working surfaces of rod pump sleeves of various sizes is carried out by boring into the repair dimensions. When the last repair size is reached, the pump sleeves are rejected due to the impossibility of their restoration. In the manufacture of new sleeves, the working surfaces are hardened by various types of hardening, nitriding, and pouring, providing bimetallic structures. All these processes are expensive, require highly qualified performers, sophisticated equipment, and the creation of specialized workshops and sites.
The essence of the method of applying a hardening and anticorrosive coating with 15Cr17Ni12V3F35ZrO2 is as follows: the working surfaces are pre–treated with the possibility of obtaining the required surface frequency, and powders with zirconium dioxide 15Cr17Ni12V3F35ZrO2 are used as the metallized material. In this case, the material is sprayed and transported to the inner surface of the pump cylinder by a jet of compressed gas (Figure 6).
Figure 6.
The scheme for applying the laser coating.
A distinctive feature of the method is that a thrust-shaped thread is cut on the working surface (Figure 7). To apply the thrust-like thread on the inner surface of a small diameter, a boring head was developed, and its optimal parameters were determined (Figure 8).
Figure 7.
Location of the thrust-shaped thread in the pump cylinder.
Figure 8.
Developed boring head.
To obtain the optimal values of the boring head design, simulation modeling was carried out. The study of the strength characteristics was carried out in the APM–FEM software environment. For the initial calculation, the minimum value of the cutting force, Pz = 2339 N, was selected at the main angle in the plan, φ = 75°, per plate (Figure 8).
During the coating process, the spray jet of the sprayed material was positioned in a horizontal plane passing through the axis of rotation of the product (Figure 9); the spraying process was carried out at an angle backwards, while the spraying angle was set equal to or greater than the sharp angle of the thrust-shaped thread (Figure 9).
Figure 9.
Location of the laser head nozzle in the pump cylinder.
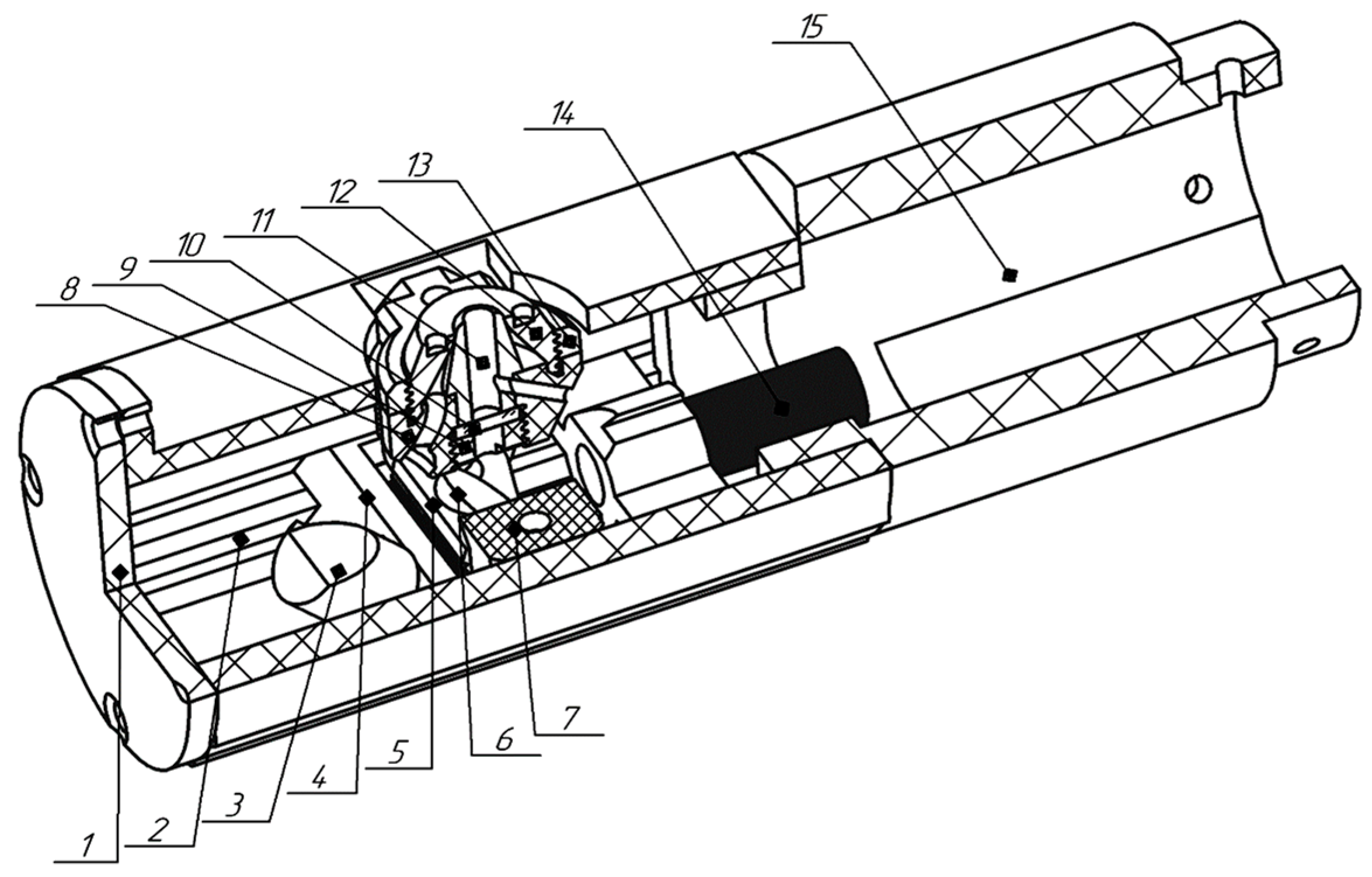
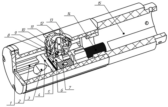
The developed laser head with structural elements is shown in Figure 10.
Figure 10.
Developed laser spraying head: 1—end cap, 2—laser head housing, 3—tilt angle motor, 4—adjusting slider, 5—toothed hinge, 6—mirror, 7—hinge, 8—nozzle housing, 9—pressure hood, 10—protective glass, 11—focusing tip, 12—adjusting cone, 13—cone mounting, 14—linear actuator, 15—coupling.
During the restoration process, an additional concentrated mixture of compressed air with carbon dioxide is supplied to the surfacing area of the coating. The deviation of the axis of the additional jet from the axis of the sprayed metal should be greater than the sharp angle of the thrust thread. The choice of the direction of movement of the metal powder and the transporting gas is carried out along vectors forming a regular pyramid with opening angles at the apex equal to or greater than the acute angle of the thrust-shaped thread (Figure 11), and the metallization process is carried out in a multilayered manner, where each layer is processed.
Figure 11.
The scheme of vectors forming a regular pyramid when sprayed with a laser.
After the final deposition, the recovery process was also accompanied by a pretreatment cycle before surfacing. When surfacing, the linear energy was set from the condition [34]:
where F is the cross-sectional area of the roller of the applied seam, obtained experimentally. The linear energy during the laser beam processing was set at the rate of gn = (75-100) × h, where h is the thickness of the metal in the working area.
gn = (100 - 125)·F, Cal/cm
The analytical studies have shown that at present a similar method is used to restore the bushing-type parts by gas thermal spraying. This method is used by Castolin and Saboros, (Sweden and Germany), but the existing equipment allows coating on internal surfaces to a depth of no more than one inner diameter of the product.
The complexity of laser technology development lies in a systematic approach to technological operations. The prospect of research is indicated by the justification of the optimal coating materials, the design of the cutting part of the developed boring head, and the process of thermal exposure. To restore the inner surface of the pump by laser spraying with the subsequent reflow, it is recommended to use nickel-based powder hard alloys with granulation not exceeding 200 microns (PR–Ni70Cr17Si4B4, PR–Ni67Cr18Si5B5, etc.). Nickel-based powder alloys contain boron and silicon additives in their composition. These two elements form B2O3 and SiO3 oxides upon the melting of the coating; they melt as vitreous substances and easily come to the surface of the coating in the form of borosilicate slags, i.e., they promote self-fluxing and reduce the melting point to 980 ÷ 1080 °C [36,37,38]. Consequently, these alloys are suitable for sputtering melting of the inner surface of the reduction.
However, the materials with high wear resistance, especially nickel-based solid powder alloys, are quite expensive. The unreasonable use of them can significantly increase the cost of the restored part, regardless of the adopted technology. This is especially important when implementing resource-saving technologies. To obtain high-quality coatings, it is necessary to use powders with a certain particle shape. The powder particles used for coating should have a spherical or lump-like shape. Such powders have good flowability, which allows one to regulate and maintain a constant consumption of powder material.
The particle size of the sprayed powder and its granulometric composition affect the coating process and its properties [39,40]. Excessively large particles do not have time to heat up, as a result of which they do not form a sufficiently strong bond with the sprayed surface or bounce off it on impact. Particles which are too small do not have the sufficient kinetic energy necessary to form a strong bond with the sprayed surface, which is a result of their deformation. In addition, small particles have time to cool down before they reach the surface of the part. Powders with a particle size from 25 to 150 microns are usually used.
The most optimal variant of the mechanical mixture for spraying is the following composition, with volume in %: iron powder PZHRV-2—base; powder PNi55Ti45 (15 ÷ 20%); powder PNi73Cr16Si3B2 (15 ÷ 20%); aluminum powder PA–4 (1 ÷ 4%); copper powder PMS–1 (1 ÷ 2%); sormite (1 ÷ 5%); borax (10 ÷ 15%); and halides (ohms)–(1 ÷ 2%). It was found that during the separation test using the Ni–Al–ZrO2 pin method, separation occurred due to the delamination of the coating, i.e., the particles were separated from each other, and the weak ones had greater cohesive strength than adhesion; thus, increasing the tensile strength of coatings is carried out due to the increase in the strength of the interparticle bonds and by improving the mechanical properties of materials with sprayed particles. As alloying additives, it is proposed to use powder materials that increase the mechanical properties of the coating and improve the weldability of the particles. For the powders, PS12NVK–01 and PGTG12N–02, metallic chromium, boron GOST 5905–89, nickel Ni3 (98.3%), KMnO4 light salad color, COSO47H2O, and K2G2O4 brown green are required. During the formation of the coating, the moving particles heated to a high temperature are gradually layered on the surface of the substrate or other already cooled particles. During the spraying process, there is no significant increase in the base temperature; therefore, the particles cooling after impact are compressed more than the metal bases [41,42]. As a result, the residual compression or tensile stresses occur at the normal temperature of the sprayed coating.
Metallographic examination was carried out on three samples made under different modes of laser surfacing. The samples were prepared using a SECOTOM–50 precision cutting machine, a CitoPress–15 programmable single-cylinder mounting press, and a Tegramin–30 grinding and polishing machine. After grinding, the slot was washed with water and polished (for diamond polishing, an MD–Dur disc and a diamond suspension of 6 microns were used; for oxide polishing, an MD–Nap disc and an OP–U suspension were used) until a mirror gloss (Ra 0.1) was achieved (Figure 12).
Figure 12.
Preparation of samples for research: (a)—polishing process, (b)—finished group of samples.
Photographs of the microstructures are shown in Figure 13.
Figure 13.
Study of the microstructure of recovered samples using advanced technology (micrographs obtained using an optical microscope): (a)—sample without etching, (b)—sample after etching.
Sample “1”. Following a visual inspection, cracks and single pores were found in the sprayed metal. The thickness of the sprayed layer was 1.5 ÷ 1.8 mm. The microstructure of the deposited metal was a fine-grained perlite + a little ferrite. The boundaries of the primary austenitic grains were very poorly traced.
The microhardness of the deposited metal was 2950 ÷ 3610 MPa (30 ÷ 32 HRC); closer to the fusion boundary, the microhardness increased slightly and reached 3740 ÷ 4200 MPa. A distinctive feature of the sprayed metal of this sample is the presence of so-called “unreacted” particles, which means that the running energy during the spraying process was insufficient for their penetration.
Conclusion: the absence of ferritic formations, the presence of “unreacted” particles in the sprayed metal, and insufficient diffusion of carbon from the base metal—these factors indicate an insufficient amount of linear energy during spraying. It is necessary to change the basic parameters of the spraying in order to increase the running energy.
Sample “2”. Following a visual inspection, cracks, pores, and other defects were not found in the sprayed metal. The thickness of the sprayed layer was 1.8 ÷ 2.0 mm. The microstructure of the deposited metal consisted of coarse-needle martensite and doped ferrite. The value corresponds to 4 ÷ 5 points of GOST 5639–82, which is significantly higher than that of the metal of the first sample. The microstructure of the deposited metal (medium-needle martensite + doped ferrite) included the near-seam zone of the base metal (eutectic ledeburite). Cementite inclusions larger than in sample “1” were found at a distance of 0.5 ÷ 0.7 mm.
The microhardness of the individual structural components of the deposited metal was in the range of 4590 ÷ 5370 MPa (45 ÷ 46 HRC). The microhardness of the base metal decreased from the fusion boundary deep into the sample, from 5000 MPa (ledeburite) to 3250 MPa (perlite) (Figure 14).
Figure 14.
Microstructure of laser spraying (micrographs obtained using an optical microscope).
Conclusion: the rough needle structure of the sprayed metal and the value of the actual grain at the level of 4 ÷ 5 points GOST 5639–82 indicate some overheating of the metal during spraying.
Sample “3”. Following a visual inspection, it was found that there were no pores, cracks, peeling, or other defects of spraying. The thickness of the sprayed layer was 0.5 ÷ 1.2 mm.
The value of the actual grain of the microstructure of the sprayed metal corresponded to the 6 ÷ 7 point of GOST 5639–82. The microstructure of the deposited metal was medium-needle martensite + cementite. The microhardness of the sprayed metal was 5550 ÷ 6360 MPa or (58 ÷ 61 HRC). Cementite inclusions were located at a depth of 2.7 mm. The microhardness of the base metal in the near-shock zone was 5370 ÷ 6260 MPa.
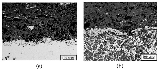
The studies of the microstructures of the coatings showed that during the melting process the migration of the particles of the hardening phase of both the initial and the spheroidized powders was observed (Figure 15a,b) along the height of the sprayed layer. The particles subjected to metallization in the ionized gas flow were distributed evenly over the cross-section of the coating; so, further studies were carried out on the third type of composition and spraying modes.
Figure 15.
Microstructure of plasma fused coatings: (a)—with initial particles of the hardening component (TiCr)B2, ×400, (b)—spheroidized particles.
Based on the analysis of the results of the study of the physico-mechanical properties of the restored surfaces in various ways, the following conclusions can be drawn:
- The hardness of the coating and the microhardness of the substrate are significantly influenced by the grain size and structure of the material, which depend on the recovery method, modes, and design features of the plasma torch;
- The absence of ferritic formations and the insufficient diffusion of carbon from the base metal indicate an insufficient amount of linear energy during spraying. The value of the actual grain at the level of 4 ÷ 5 points GOST 5639–82 indicates overheating of the metal during spraying;
- Medium-needle martensite + cementite provides high linear energy during spraying, and the microhardness of the sprayed metal is 5550 ÷ 6360 MPa or (58 ÷ 61 HRC).
When spraying coatings on a base of low thickness, the residual stresses arising in the coating can lead to its deformation. In cases where the substrate has great rigidity, and the coating is thick enough, the residual stresses in it can lead to the formation of cracks in the sprayed metal (material) or to its separation from the substrate [39,40]. Thus, depending on the coating material, residual stresses are formed, which affect the mechanical and chemical characteristics of the coating. However, the nature of this influence has not been fully studied.
To increase the efficiency of the technological process of processing the inner surface of the cylinder RDP, the optimal cutting modes are calculated. The practical problem is that the classical calculation methods are presented for ideal conditions (the factory setting of the machine, tool sharpening, and so on). However, the operational factors of tool wear, the technical condition of the equipment, the deviation from the axis of impact on long cylinders are not taken into account. To solve this problem, a preliminary calculation of the initial parameters was made under the given conditions and assumptions. Furthermore, on the basis of the obtained areas of optimal values, an adaptation to specific production conditions was made. For the preliminary calculation, the feed S = 0.25 mm/rev was selected.
The cutting speed, taking into account the feed S, the tool life reserve T, and the removable allowance for the side t, is shown in Table 4.
Table 4.
Influence of the angle φ on the possible cutting speed V.
Next, a correction power calculation was carried out. The Walter Machining Calculator software application was used for optimization and efficiency. The input data of the calculation were accepted: cutting speed (V, m/min), revolutions (nd, rpm), and minute feed (Vs, mm/min) (Figure 16).
Figure 16.
Dependence of the change in cutting power N on the main angle in terms of φ.
From the dependence graph (Figure 16), it can be seen that with an increase in the main angle in terms of φ, the cutting power decreases, which means that the equipment experiences significantly less loads on the drive structural elements. However, reducing the load on the machine drive by increasing the main angle in terms of φ does not guarantee high surface treatment efficiency. Therefore, in order to perform the boring of the RDP with high efficiency, it is necessary to justify the optimal values of the main angle in terms of φ. To carry this out, it is necessary to conduct additional research.
In order to select the optimal cutting parameters, it is necessary to calculate the forces acting on the cutting tool.
To calculate the cutting force Pz, the reverse method was used, using the calculation of the cutting power. The forces of Pz act tangentially to the circumference of the cylinder bore and at each point are directed perpendicular to the cutting plane. Pz denotes the force experienced by the tool during the machining (Table 5).
Table 5.
Change in cutting force from the main angle in terms of the boring head.
Analyzing Table 5, it was found that at angles of 30° and 75° there was a decrease in the cutting force Pz. Therefore, these values are optimal parameters. With a known cutting force, checking the boring head by strength analysis identifies the weak points in the structure (stress concentrators and material compliance) or compliance with the calculated cutting modes.
The process of mechanical processing and the subsequent laser exposure leads to the formation of internal stresses. After applying a matte substrate before laser spraying, isothermal cylinder tempering was carried out in a gentle mode. The residual voltage was determined by a method based on the magnetic memory of the metal. The stress state was equalized by thermal cycling. The first heating was carried out to a temperature of 680 20 °C. Technological exposure was carried out at the rate of 3 ÷ 5 min per 1 mm of cylinder thickness. Furthermore, the cooling was carried out to a temperature 50 °C above the temperature of the second kind of embrittlement. Heating was carried out to 660 20 °C, and exposure was carried out according to the i-th cycle. In total, 4 ÷ 5 cycles were performed with the possibility of reducing the residual stresses to a minimum value. Then, the process of laser spraying was carried out on a pre–prepared surface. The deposited surface and the zone of thermal influence (ZTI) were subjected to ultrasonic shock treatment, and the multiplicity of treatment of the ZTI was set equal to (n + 1), where n was the multiplicity of treatment of the deposited metal. In addition, the working surface after ultrasonic shock treatment was machined and etched, and a protective layer was sprayed with concomitant reflow, after which thermal cycling was performed, ensuring residual stresses below the threshold value. Reasonable thermal cycling modes allow us to model the phase composition of the microstructure of the pump surface to be restored from austenitic and martensitic materials.
However, during the tempering process after the substrate was applied, a ferritic layer was formed in the transition zone from the deposited metal to the base metal. This happens as a result of forced carbon penetration. Heterogeneity in carbon, as well as in alloying elements, is a natural initiator of static and dynamic stresses since a stronger zone with a high carbon content under power loads is less deformed and transmits plastic deformation to the weakened zone of the ferritic layer. The strength of the repair area was reduced (up to 60%). The thickness of the ferritic layer was up to 250 microns. The ferritic layer is a natural stress concentrator that localizes plastic deformations in a narrow zone. High tempering leads, to a large extent, to the fusion and coagulation of carbides. The decay of carbides and the dissolution of carbon with alloying elements in austenite is less intense; this reduces the resistance to vibration loads. To eliminate this drawback, thermal cycling of the transition zone was performed.
After the last heating, air cooling was carried out to room temperature. As a result, an intense α-γ phase transformation occurred, which led to the rapid disintegration of the ledeburite eutectic and nonuniaxial structures of the lining. As a result, the hardness decreased. The duration of one thermal cycle is 5 ÷ 10 min, and the whole cycle is 30 min. These data were obtained experimentally in the conditions of Remplasma LLP. The use of laser recovery technology and the presence of a laser point pulse eliminates overheating of the surface and does not distort the optimal phase structure of the pump. As a result of laser spraying, the microstructure in the transition zone and throughout the deposited metal had practically no ferritic layer because the carbon did not have time to redistribute and diffuse into the base metal. With this technology, the strength characteristics increase by 10 ÷ 15%.
At the end of the technological process, the geometric parameters of the pump were brought into line with the technical requirements of the drawing.
4. Conclusions
It has been experimentally established that when developing the technological process of the laser recovery of oil pumps, it is necessary to control the structural transformations and the tension potential of a structure with a ceramic coating.
The proposed laser head and oil pump recovery technology can improve the quality of the recovery and strength characteristics of the pumps by 10 ÷ 15%.
When nickel aluminide is added, a strong oxide film is formed, which makes it possible to restore parts without the use of protective gases. Aluminum, being a strong deoxidizer and nitride-forming element, improves the quality of the spraying. The wear resistance of the resulting coating exceeds the existing index of the hardened steel grade, Steel 45, by 3.5 times.
The most optimal variant of the mechanical mixture for spraying is the following composition, with volume in %: iron powder PZHRV-2—base; powder PNi55Ti45 (15 ÷ 20%); powder PNi73Cr16Si3B2 (15 ÷ 20%); aluminum powder PA–4 (1 ÷ 4%); copper powder PMS–1 (1 ÷ 2%); sormite (1 ÷ 5%); borax (10 ÷ 15%); and halides (ohms) – (1 ÷ 2%). Anticorrosive properties are given by a powder with zirconium dioxide 15Cr17Ni12V3F35ZrO2.
The optimal values of the microhardness of the pump surface of 5000 MPa are achieved due to the optimal transition zone of the deposition of 0.8 ÷ 1.45 mm. High microhardness is achieved with an optimal reasonable distance of 10 ÷ 15 mm and a surfacing speed of 15 mm/s. A further increase in the transition zone to 1.45 mm does not significantly change the microhardness, and with an increase in thickness to 1.6 mm, the microhardness decreases sharply.
The optimal recovery modes of the inner surface of the pump are established and justified: radiation power, 2000 ÷ 3000 W; deposition rate, 10 ÷ 15 mm/s; diameter of the radiation focusing spot, 1.5 ÷ 2.5 mm; diameter of the processing laser spot, 5 ÷ 10 mm; laser beam power density—3 × 105 W/cm2; distance from the focal plane—15 mm; and mass consumption of surfacing powder, 0.25 g/s.
Author Contributions
Conceptualization, V.V.S.; methodology and investigation O.V.I. and Z.Z.Z., visualization and data curation, A.V.S. and P.V. All authors have read and agreed to the published version of the manuscript.
Funding
This publication was supported by Gheorghe Asachi Technical University of Iasi (TUIASI) from the University Scientific Research Fund (FCSU).
Institutional Review Board Statement
Not applicable.
Informed Consent Statement
Not applicable.
Data Availability Statement
Not applicable.
Conflicts of Interest
The authors declare no conflict of interest.
References
- Ministry of Justice of the Republic of Kazakhstan. Rules for Ensuring Industrial Safety for Hazardous Production Facilities of the Oil and Gas Industries. No. 10250—184p. 2015. Available online: https://adilet.zan.kz/rus/docs/V1400010250 (accessed on 10 November 2022).
- Alcazar-Vara, L.A.; Buenrostro-Gonzalez, E. Characterization of the wax precipitation in Mexican crude oils. Fuel Process. Technol. 2011, 92, 2366–2374. [Google Scholar] [CrossRef]
- Al-Taq, A.A.; Muhaish, S.A.; Nakhli, M.M.; Alrustum, A.A. Organic/inorganic deposition in oil producing wells from carbonate reservoirs: Mechanisms, removal and mitigation. Soc. Pet. Eng. 2015. [Google Scholar] [CrossRef]
- Ivanova, L.V.; Burov, E.A.; Koshelev, V.N. Asphaltosmoloparaffin deposits in the processes of extraction, transport and storage. Electron. Sci. J. Oil Gas Bus. 2011, 1, 268–284. [Google Scholar]
- Budarova, O.P.; Boldyrev, S.V. The Wear of a Piston–Sleeve Friction Pair in Axial-Piston Pumps under the Conditions of Water-Contaminated Lubricating Oil. J. Frict. Wear 2020, 41, 31–35. [Google Scholar] [CrossRef]
- Sotoodeh, K. Analysis and Failure Prevention of Nozzle Check Valves Used for Protection of Rotating Equipment Due to Wear and Tear in the Oil and Gas Industry. J. Fail. Anal. Prev. 2021, 21, 1231–1239. [Google Scholar] [CrossRef]
- Ivanovskiy, V.N.; Elagina, O.Y.; Gantimirov, B.M.; Sabirov, A.A.; Dubinov, Y.S.; Dolov, T.R. Analysis of the operation of various valve pairs of a borehole rod pump. Territ. NEFTEGAZ 2015, 9, 92–99. [Google Scholar]
- Herban, Y.R.; Gavidze, G.Z. Geological Report on the Allagulovskoye Field for 2010. Committee of Geology of the Ministry of Ecology, Geology and Natural Resources of the Republic of Kazakhstan. No. 3.—38p. Available online: https://e.geology.kz/Referat/ (accessed on 24 November 2022).
- Serebrennikov, A.V.; Frolov, V.V.; Petrikevich, P.A.; Torop, O.V. Operation of the mechanized fund of wells in complicated conditions. Neftegaz. RU 2017, 7, 86–97. [Google Scholar]
- Karimov, L.F.; Ponikarov, S.I.; Kalimullin, N.I. Analysis of the causes of breakage of rod columns during the operation of wells equipped with rod pumps. Bull. Technol. Univ. 2017, T20, 44–45. [Google Scholar]
- Savinkin, V.V.; Ivanova, O.V.; Dmitriev, F.S.; Netesova, E.A. Problems of efficient operation of downhole deep rod pumps and promising ways of solving technological problems in the production of hydrocarbons. Mater. Sci. J. Bull. M. Kozybayev NKSU 2017, 3, 50–55. [Google Scholar]
- Boyko, G.I.; Lyubchenko, N.P.; Aitkalieva, G.S.; Sarmurzina, R.G.; Karabalin, U.S.; Tiesov, D.S.; Bukaeva, G.A. Asphalt-resin-paraffin deposits of deposits of Western Kazakhstan and compositions for their removal. Bull. Oil Gas Ind. Kaz. 2020, 2, 60–69. [Google Scholar] [CrossRef]
- Macepuro, E.A. Metrological support of the research of the salt inhibitor efficiency. Sci. Tech. J. Metrol. 2018, 67, 69–73. [Google Scholar]
- Lichinga, K.N.; Luanda, A.; Sahini, M.G. A novel alkali-surfactant for optimization of filtercake removal in oil–gas well. J. Petrol. Explor. Prod. Technol. 2022, 12, 2121–2134. [Google Scholar] [CrossRef]
- Chen, C.; Guo, J.; An, N.; Pan, Y.; Li, Y.; Jiang, Q. Study of asphaltene dispersion and removal for high-asphaltene oil wells. Pet. Sci. 2012, 9, 551–557. [Google Scholar] [CrossRef]
- Kuanyshbaeva, E.Z.; Baymukhametov, M.A.; Kazangapov, A.E. Evaluation of the efficiency of production well operation in the conditions of application of new technical means. Bull. KazNTU 2018, 4, 260–264. [Google Scholar]
- Results of pilot tests of Ozenmunaygas JSC and Munaymash JSC for 2017–2018.
- Baidildina, O.Z.; Daribaeva, N.G.; Kurmanbaeva, B.M. Features of the structure and properties of paraffinic oils of Kazakhstan, affecting the effectiveness of measures to combat paraffin deposition. Mod. Sci.-Intensive Technol. 2015, 4, 100–106. [Google Scholar]
- Standartinform. General Technical Conditions; GOST 31378-2009 Oil; Standartinform: Moscow, Russia, 2019; 11p. [Google Scholar]
- Conclusion of JSC “Munaymash” No. 159/12 based on the results of the analysis of sediment from sle. 9488.
- Galimullin, M.L. Improving the reliability of rod depth pumps. Scientific problems of the Volga-Ural Oil and Gas region. Tech. Nat. Asp. 2000, 2, 25–28. [Google Scholar]
- Valiakhmetov, R. Everything has its place. The use of RDP remains effective under certain conditions. Oil Gas Vert. 2017, 9, 78–79. [Google Scholar]
- Pyalchenkov, D.V. Investigation of the influence of the parameters of producing wells on the failures of rod pumping units. Online J. Sci. Stud. 2016, 8, 1–10. [Google Scholar] [CrossRef]
- Richmuller, H. Oil Extraction by Deep Rod Pumps; Publishing House Scheler-Blackman GMBH: Teplitz, Czech, 1988; p. 150. [Google Scholar]
- Fakher, S.; Khlaifat, A.; Hossain, M.E.; Nameer, H. A comprehensive review of sucker rod pumps’ components, diagnostics, mathematical models, and common failures and mitigations. J. Petrol. Explor. Prod. Technol. 2021, 11, 3815–3839. [Google Scholar] [CrossRef]
- Urazakov, K.R.; Tukhvatullin, R.S.; Molchanova, V.A.; Ishmukhametov, B.H.; Timashev, E.O. Borehole Rod Pumping Unit. Patent RU 2655485 C1, Byul. No. 16. 28 May 2018. Available online: https://patents.google.com/patent/RU2655485C1 (accessed on 15 November 2022).
- Bakhtizin, R.N.; Ismagilov, F.G.; Gafurov, O.G. The experimental research of deep-well working barrel element consider with micro relief on pump plunger surface. Oil Gas Bus. Drill. Wells 2008, 6, 33–39. [Google Scholar]
- Urazakov, K.R.; Gabdrakhmanov, N.H.; Latypov, A.M.; Galiullin, T.S.; Gabdrakhimov, N.M.; Yusupov, I.R. Features of the plunger steam rod pump in the production of watered oil. Exploitation of oil fields at a late stage of development. Sb. Sci. Tr. Ufa Ed. BashRDIoil. 2002, 3, 74–77. [Google Scholar]
- Gabdrakhmanov, N.H. Exploitation of Low-Yield Wells of the Tuymazinsky Oil Field; Nedra: St. Petersburg, Russia, 2004; pp. 68–74. [Google Scholar]
- Al-Hajri, N.M.; Mahmoud, M.; Taq, A.A.; Al-Ajmi, M.D. Development of Emulsified System to Remove Organic Scales from Water Injection Wells: Laboratory Analysis and Field Treatment. Arab. J. Sci. Eng. 2019, 44, 6089–6098. [Google Scholar] [CrossRef]
- Blinov, Y.I.; Klimov, V.P.; Kuznetsov, V.I.; Pykhov, S.I.; Fedorin, V.R.; Chernyshevich, S.L.; Shurinov, V.A.; Khokhlov, N.P.; Yarygin, V.N. Cuff Plunger of a Deep Well Pump. RU Patent RU 2096661 C1, 20 November 1997. Available online: https://patents.google.com/patent/RU2096661C1 (accessed on 18 November 2022).
- Savinkin, V.V.; Sandu, A.V.; Ratushnaya, T.Y.; Kolisnichenko, S.V.; Omarov, M.S. Study of redistribution of the oil complex power drive effectiveness for marginal wells when installing construction of recuperative action electro hydro cylinder. Bull. Tomsk. Polytech. Univ. Geo Assets Eng. 2021, 332, 229–244. [Google Scholar]
- Standartinform. Downhole Rod Pumps. General Technical Requirements; GOST R 31825-2012; Standartinform: Moscow, Russia, 2013; p. 48. Available online: https://files.stroyinf.ru/Data/537/53731.pdf (accessed on 18 November 2022).
- Kostritsky, V.V.; Lisovsky, A.L. Increasing the absorption capacity of the metal surface layer under laser exposure using absorbing coatings. Bull. Polotsk State Univ. Ser. B. Ind. Appl. Sci. Mech. Eng. 2013, 3, 97–101. [Google Scholar]
- Baltatu, M.S.; Vizureanu, P.; Sandu, A.V.; Munteanu, C.; Istrate, B. Microstructural Analysis and Tribological Behavior of Ti-Based Alloys with a Ceramic Layer Using the Thermal Spray Method. Coatings 2020, 10, 1216. [Google Scholar] [CrossRef]
- Murzin, S.P. Design of progressive technological processes of laser processing of parts in the production of engines and power plants. Bull. SSAU 2006, 2, 102–109. [Google Scholar]
- Nagirny, V.M.; Prikhodko, L.A.; Vetlyanskaya, T.V. Method of Hardening Products Made of Nickel and Its Alloys. Patent SU 1820916 A3, Issue No. 21, IPC: C22 F1/10, C25 D5/48, 6 July 1993. Available online: https://patents.su/3-1820916-sposob-uprochneniya-izdelijj-iz-nikelya-i-ego-splavov.html (accessed on 22 November 2022).
- Spiridonov, N.V.; Sokolov, I.O.; Piletskaya, L.I. Laser Method of Hardening of Sprayed Gas-Thermal Ni-Cr-B-Si Coatings; Republican interdepartmental collection of scientific papers; Sheleg, V.K., Ed.; Mashinostroenie: St. Petersburg, Russia; Belarusian National Technical University: Minsk, Belarus, 2013; Issue 27, pp. 48–51. [Google Scholar]
- Devoino, O.G.; Kardapolova, M.A.; Kalinichenko, A.S.; Zharsky, V.V.; Vasilenko, A.G. Technology of Forming Wear-Resistant Coatings on an Iron Base by Laser Processing Methods. Monograph; Belarusian National Technical University: Minsk, Belarus, 2020; 280p, Available online: https://rep.bntu.by/handle/data/82355 (accessed on 22 November 2022).
- Savinkin, V.V.; Kuznetsova, V.N.; Ratushnaya, T.Y.; Kiselev, L.A. Method of integrated assessment of fatigue stresses in the structure of the restored blades of CHP and HPS. Bull. Tomsk. Polytech. Univ. Geo Assets Eng. 2019, 330, 65–77. [Google Scholar] [CrossRef]
- Savinkin, V.V.; Vizureanu, P.; Sandu, A.V.; Ratushnaya, T.Y.; Ivanischev, A.A.; Surleva, A. Improvement of the Turbine Blade Surface Phase Structure Recovered by Plasma Spraying. Coatings 2020, 10, 62. [Google Scholar] [CrossRef]
- Savinkin, V.V.; Zhumekenova, Z.Z.; Sandu, A.V.; Vizureanu, P.; Savinkin, S.V.; Kolisnichenko, S.N.; Ivanova, O.V. Study of Wear and Redistribution Dynamic Forces of Wheel Pairs Restored by a Wear-Resistant Coating 15Cr17Ni12V3F. Coatings 2021, 11, 1441. [Google Scholar] [CrossRef]
Disclaimer/Publisher’s Note: The statements, opinions and data contained in all publications are solely those of the individual author(s) and contributor(s) and not of MDPI and/or the editor(s). MDPI and/or the editor(s) disclaim responsibility for any injury to people or property resulting from any ideas, methods, instructions or products referred to in the content. |
© 2023 by the authors. Licensee MDPI, Basel, Switzerland. This article is an open access article distributed under the terms and conditions of the Creative Commons Attribution (CC BY) license (https://creativecommons.org/licenses/by/4.0/).