Abstract
This paper considers the features of a time series of plankton concentrations, which are further compared with such phenomena as the alteration of day and night and tidal processes. The analysis of experimental data recorded as a result of long-term monitoring measurements under field conditions showed that the diurnal variability in plankton concentrations can be described using a model harmonic function. At the same time, based on the parameters of the diurnal variability model, it is possible to build a bioindication system to detect the influence of abnormal environmental factors estimated as pollution. This study discusses the ideology of building such a system based on regular observations of the behavior of autochthonous plankton using a submersible digital holographic camera.
1. Introduction
Water pollution is a serious problem that requires careful attention. Due to industrialization, air pollution, petroleum products, and other anthropogenic factors, aquatic ecosystems are being degraded and becoming unsuitable for use. Their conditions should be regularly monitored. Due to its filtration-based nutrition, autochthonous planktons pump a large amount of water and, therefore, are sensitive to even small changes in the environment, hence, serving as a natural bioindicator reflecting the state of the water body. In this section, we provide an overview of the technologies used and the corresponding references. The mechanism that underlies this research can be described by the concept of ecological equilibrium. Understanding the causes of changes in the number, species diversity, and behavioral characteristics of plankton makes it possible to detect the contaminating effect and prevent its further impact on the undesirable development of the ecological situation. It is also experimentally proven that this correlation is broken down when the medium is contaminated. Moreover, whereas in our previous works [1] we used the change in the position on the frequency axis and the amplitude of plankton biorhythms determined using the Fourier transform of time series as the metrics, the present study is focused on the use of the amplitude and phase of the model harmonic function for such metrics.
The task of environmental impact assessment is to obtain timely data on the state of the environment in order to assess the level of impacts of human activity on natural objects and the likelihood of a negative environmental situation [2,3,4,5].
Long-term impacts of pollutants in low concentrations do not always have visible toxic effects on the water area. So, hardware monitoring performed regularly may fail to register changes. However, chronic, non-extreme impact of pollutants on the water body or the water area after a certain time may cause a shift in the ratio between species, which will inevitably change the qualitative composition of the ecosystem community and cause a potential disastrous decrease in the number of field facilities or deterioration in their quality. This process is preceded by disturbances in the behavior of autochthonous bioindicator organisms, which, as a rule, are not clearly identified in the early stages of pollution.
It is quite critical to address the issue of regular operational monitoring of pollution of the aquatic environment of natural waters due to the development of aquaculture, the development of a shelf, the construction of enterprises directly near or inside water bodies or water areas, and the establishment of treatment facilities [6,7,8,9,10].
At the same time, the use of bioindicator organisms living in the studied environment for diagnostic purposes is considered a non-invasive technology, which we refer to here as hydrobiological monitoring.
Hydrobiological monitoring is based on bioindication studies that observe and assess the state of aquatic ecosystems under the increasing anthropogenic impact [8,9,10,11].
We consider the use of a submersible holographic camera for studying biocenosis to be non-invasive, since it does not produce a mechanical effect on the inhabitants or on processes occurring in this biocenosis.
Bioindication methods are particularly useful for identifying direct effects on the ecosystem. Zooplankton is traditionally used in hydroecology research and serves as a good indicator of habitat quality in water quality assessment systems. Therefore, testing techniques based on the recording of a survival rate [11,12] or changes in morphological features [12], physiological functions [6,11], and behavioral responses [6,13] of biological objects are often used in water resources management. Note that the use of bioindication methods makes it possible to detect the occurrence of environmental changes that lead to a pre-catastrophic state, without determining the source of such changes. This is a preventive alarm signal that initiates the use of a technical set of measurements to timely identify the causes and sources of pollution. Note that the use of bioindicative methods allows detecting the occurrence of environmental changes that are “uncomfortable” for the inhabitants. These conditions are interpreted as the occurrence of a pre-catastrophic state, since this “discomfort” serves as a preventive alarm signal initiating the use of a technical arsenal of measurements to timely identify the causes and sources of pollution.
Autochthonous zooplankton may be used as a bioindicator of aquatic ecosystems, since it is highly sensitive to changes in the state of the water area due to its filtration-based nutrition. The most popular method to study autochthonous plankton is net sampling [14,15]. In this case, plankton is measured by sampling with Juday or Apstein nets, followed by a laboratory study of samples to determine species diversity. This biodiversity analysis has some disadvantages, the main ones being the delay in the expert study, the integral nature of samples, as well as the death of animals. Net sampling makes it difficult to study spatiotemporal variability in plankton concentrations due to selectivity, impact on samples, and failure of continuous monitoring. Therefore, the development of non-invasive methods and optoelectronic devices that enable, in the long-term perspective, obtaining information in real time without mechanical impact on the studied plankton populations seems quite relevant [16].
The best known method to assess the stability of habitat quality is the Daphnia test. This method is based on plankton mortality, which is determined by the quality of water in the sample; however, its applications are limited by the scope of the laboratory experiment [17,18]. The test makes it possible to determine the concentration of a toxic substance through a series of dilutions and observations of Daphnia survival. This analysis requires a lot of time and effort, since it is important to create and maintain certain conditions for a particular type of plankton. This test cannot be performed for an arbitrary species composition, such as autochthonous plankton, and does not work in situ since this biotesting method requires certain measures to stabilize the test responses of the population, which cannot be established in the wild, but only in specially cultivated plankton.
The response of plankton to toxic substances can be behavioral, resulting from physiological changes under the influence of biochemical factors, which makes it possible to assess the overall impact on the ecosystem. Currently, there are works on the use of behavioral responses using optoelectronic devices [19], which have significant advantages compared to traditional methods. The integration of optoelectronic methods with other analytical techniques aimed at studying animal behavior and the environment, such as chemical analysis and genomic studies, opens up new opportunities for a comprehensive assessment of the quality of the medium and the impact of various factors on the ecosystem compared to the traditional methods mentioned above. Such approaches not only expand the possibilities for monitoring and assessing the ecological state of water bodies, but also contribute to more efficient management of water resources and improve environmental activities in general.
Abnormal changes in the parameters of autochthonous plankton are associated with uncomfortable environmental factors that correct the rhythms of autochthonous plankton, the most natural of which is the nutrition rhythm representing the diurnal variability in plankton concentrations at certain depths, synchronized by sunlight.
In our earlier works, we studied the impact of habitat quality of native animals on the behaviors of native (autochthonous) zooplankton such as the phototropic response of the zooplankton community [20,21] and its circadian rhythm [22,23].
These studies were based on spectral and multiple correlation analyses of a series of continuous and equifrequent long observations, which is not always possible in real operating conditions of a bioindication station.
Understanding the fundamental role of rhythms in the biocenosis of autochthonous plankton leads to a conclusion that the entire system for detecting abnormal environmental factors can be built on short series of observations, the duration of which is comparable to the duration of variability in synchronizing environmental factors.
The approximation of the time series of plankton concentrations by a harmonic function tied in phase to the rhythm determined by sunrise (a natural driver of this component of variation) can be used to identify the abnormal diurnal variability in plankton behavior.
The purpose of this study is to justify the model of plankton concentration variability based on the consistency of natural events with monitoring time series of holographic plankton measurements.
Based on the analysis of the time series of plankton concentrations, this work analyzes the correlation between the parameters of the medium and the occurring natural phenomena with the diurnal variability in plankton concentration.
The main metrics of diurnal variability at short time intervals include the amplitude, phase shift relative to sunrise, and the period of the approximating curve rhythm (cosine curve) determined on the basis of the minimum root-mean-square deviation from the experimental data on the time series of plankton concentrations. These metrics have a constant value (taking into account the natural variation) within normal environmental conditions.
In this work, we prove that a significant deviation in the values of these metrics relative to normal environmental conditions may serve as a marker of abnormal plankton behavior, indicating nutrition failure caused by an abnormal environmental factor. At the same time, we analyze the diurnal variability in plankton concentrations and its correlation with events in the habitat, which allows the parameters of rhythms that reflect the diurnal variability to be determined. Figure 1 shows the functional diagram of monitoring measurements.
Figure 1.
Functional diagram of monitoring measurements. The Alarm! indicates the time of anthropogenic impact on the environment. Blue lines show the range of metrics change for a day with normal plankton living conditions, and red lines show the period of anthropogenic impact.
The key point here is that the abnormal variability parameters are associated with uncomfortable changes in the environment that correct the rhythms of plankton, the most mandatory (natural) of which is the nutrition rhythm, which generates diurnal variability.
2. Materials and Methods
2.1. Equipment and Methods Used to Obtain and Process Experimental Data
The study of organisms directly in their habitat can give high sample representativeness for a differentiated bioindication approach. This requires technical equipment and methodologies to classify test organisms in real time by choosing the representatives of the desired taxon and to observe their behavioral responses in the monitoring mode.
A digital holographic camera (DHC, TSU, Tomsk, Russia) was used in this work as such a monitoring tool [20,23].
Compared to invasive methods, in particular net sampling, the DHC has a number of advantages:
- The ability to identify not only dimensional correlations, but also species and plankton motor activity in real time;
- Built-in autocalibration by magnification and coordinates;
- Immersion depth up to 600 m (reasonable depth of the information layer in terms of the presence of plankton);
- Averaging volume (including due to water passing through the DHC measuring channel)—up to 15 dm3/s;
- The ability to flexibly control sample representativeness to adapt to environmental conditions;
- The possibility of active exposure using built-in attractive light sources to stimulate and control the phototropic response of plankton.
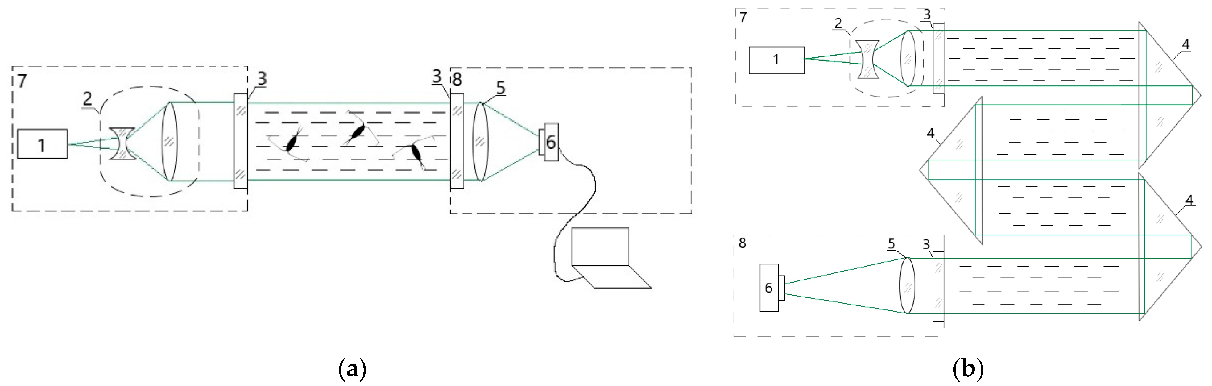
The registration scheme according to the Gabor in-line holography is shown in Figure 2.
Figure 2.
DHC operating principle: (a) Gabor in-line scheme for recording suspended particles. (b) DHC scheme. 1—Laser diode; 2—beam expander (Galilean scheme); 3—portholes; 4—mirror–prism system that forms the measuring (working) volume; 5—lens; 6—CMOS camera; 7—illuminating unit; 8—recording unit. Green lines—the path of rays in the optical system.
A collimated beam of coherent light from a laser diode (1) illuminates the volume of water medium with particles of different nature (plankton, settling particles, bubbles, drops, etc.). As a result of the light scattering on the particles, an object wave field is formed, which interacts with the illuminating field, thus forming an interference pattern. This interference pattern is registered by the matrix of a CMOS camera (6) in the form of a two-dimensional array of intensity values representing a digital hologram of the working volume. To reduce the size of the device, prisms (4) are placed into the optical scheme, which represent the “folded” configuration of the Gabor in-line scheme and form a measuring (working) volume. The laser, optical, and electronic components comprising the illuminating beam and located in a sealed case form the illuminating unit (7). A camera and optical and electronic components providing hologram recording form the recording unit (8).
For field studies, the DHC is assembled together with medium sensors (pressure, temperature, electrical conductivity, illuminance) and an information unit installed into a hydrobiological probe, which operates according to a network principle. The on-board computer of the information unit makes it possible to record data in real time and in situ on a disk and transmit the data via a communication channel.
This work uses monitoring data obtained at the bioindication bottom station based on a hydrobiological probe—the DHC-FOCL probe (FOCL—Fiber Optical Communication Line) (TSU, Tomsk, Russia)—which features a fixed arrangement of equipment at a height of 4 m from the bottom (Figure 3a) and was operated from 6 August 2022 to 24 September 2022 in the Zelenetskaya Bay of the Barents Sea (Dalnye Zelentsy settlement, Murmansk region, Russia, coordinates N 69°7′7.9″ E 36°4′10″). The sea depth in the surf middle phase was 9.5 m. Figure 3b shows a photo of the DHC as part of the DHC-FOCL hydrobiological probe.
Figure 3.
Moorage of the DHC-FOCL probe in the Dalnye Zelentsy village (N 69°7′7.9″ E 36°4′10″): (a) site plan and layout diagram; (b) general view of the DHC-FOCL probe for plankton monitoring. 1—DHC; 2—information unit with medium sensors.
A pier made it possible to perform regular maintenance, necessary due to the biological fouling of portholes. Maintenance was carried out using a winch with a manual drive to lift the equipment, located on the pier’s edge.
In addition to the DHC, the probe also included medium sensors—pressure, temperature, conductivity, oxygen content, and upper illumination. Digital holograms and data from medium sensors were transmitted via a fiber-optic communication line to an onshore computing station, where a flow of holograms was processed and rows of observations were formed.
Digital holograms were transferred to the memory of the onshore computer, which ensures the numerical reconstruction of the holographic image of the medium volume with particles. In this case, information on each particle (individual plankton, settling non-living particles, oil droplets, gas bubbles, etc.) contained in the recorded volume of the aquatic medium was reproduced. The algorithm and software developed by us—DHC Main (TSU, Tomsk, Russia)—were used to extract information on studied particles from the digital holograms [23]. The algorithm consists of several stages. The first stage is hologram preprocessing, which aims to remove the background noise; this is achieved by subtracting the “zero” hologram. A certain number of images of sections of the studied volume containing particles are then reconstructed [24,25,26]. After that, a two-dimensional volume display is created, where the sharpest images of particles are placed on a separate plane. In this case, the criterion for choosing a sharp image is the boundary intensity jump [23]. The final stage is the automatic recognition and classification of particles based on their morphological features [23].
Time series are sequences of data measured at regular intervals that help represent the dynamics of changes in values over time. Every hour, the station recorded 20 digital holograms of the working volume of seawater with plankton with a 1 s interval between frames. In this experiment, the working volume of the 494 mm long DHC was 0.18 dm3. Processing the data of a digital holographic experiment in real time allows the number of zooplankton to be determined in each hologram of the recording volume. The recalculation of this number per unit volume makes it possible to calculate the average (averaged over several sequentially registered holograms) concentration in the DHC working volume during the i hour of moorage. Index 0 hereinafter is used to indicate the background values, without active effect on biocenosis. The time series of plankton concentrations in the DHC working volume for the entire recording period in the form of a graph is shown in Figure 4.
Figure 4.
Time series of zooplankton concentration for UTC+3 at the station with coordinates N 69°7′7.9″ E 36°4′10″. The red ellipse indicates the period of pollutant application (from 12.09.22 to 21.09.22).
A distinctive feature of this diagram is that the active session periods are replaced by the DHC maintenance periods in case of a gap in data. Such a situation is common in hard operating conditions. This alternation of active and passive periods in the operation of the device is one of the restrictions for using the Fourier analysis.
The time series of medium parameters recorded by the probe equipment during moorage are given in Figure 5.
Figure 5.
Time series of measurements of medium factors for UTC+3 at the station at a point with coordinates N 69°7′7.9″ E 36°4′10″. —Diurnal tide period; —syzygial tide period. The red ellipse indicates the period of pollutant application (from 12.09.22 to 21.09.22).
Here, the following points are important in terms of the consistency of natural and anthropogenic events with the time series of measurements.
In order to simulate a short-term effect on the medium parameters, a salt solution was added into the measurement zone at the station. Saturated salt solution with a salt concentration of 300 g/dm3 and a solution feed rate of 20 dm3 per day was used. The red ellipse in Figure 4 shows the period of controlled introduction of the NaCl indicator impurity. The corresponding abnormal change in water conductivity during the introduction of the indicator impurity is marked by a red ellipse in the conductivity diagram in Figure 5. This change, together with a corresponding anomaly in the temperature graph, indicates a significant anthropogenic (unexpected) interference with habitat quality.
Salt is used as a pollutant in the ecosystem study due to its ability to cause osmotic stress, which simulates the conditions of salinization, often caused by anthropogenic activity (for example, road reagents or discharges) [27,28,29]. In short-term experiments, its use is relatively safe, since its concentrations can be accurately controlled, and the medium is quickly restored once the impact is stopped.
The tidal frequencies caused by the Earth’s rotation in the pressure graph, characterized by the period (tides), are modulated by an external frequency. This modulation has a beating character, with the period (spring tides), and is associated with influencing astronomical factors—such as the relative position of the Moon, Earth, and the Sun [30]. At a maximum beat amplitude, the tide is syzygial, while at a minimum—quadrature. The typical values of the and periods are shown in Figure 5 on time pressure series.
2.2. Model Description
Various environmental factors affect plankton biocenosis: insolation, tidal processes, temperature, salinity, presence of predators, pollution, etc. We observe these effects in a time series of plankton concentrations in the DHC working volume , an example of which is given in Figure 4. It can be argued that the variability in this time series represents a collective response of the zooplankton community to changing medium factors. This variability lacks the individuality of certain representatives; therefore, we are talking about rhythms, i.e., the same response to periodic factors (their synchronous actions).
Since the variability in plankton concentrations is formed by the variability in natural factors, it is important to understand the causal relationships of this interaction.
Rhythms and their chronobiological contexts can be analyzed by applying spectral analysis to a time series of concentrations, which makes it possible to formally identify and characterize rhythms at a certain time interval, thus determining the period of concentration changes, and, when measuring the medium parameters, the conditions that caused these changes. This makes it possible to discuss and analyze the conditionality of features in the series of plankton concentrations caused by these conditions without the multiple correlation analysis. The standard mathematical solution to this problem is to transform a series from a time domain to a frequency domain using the Fourier transform [1,31].
The number of natural events and environmental factors submitted for analysis is determined by the time interval at which a number of plankton concentrations in the DHC working volume are considered. In our example (Figure 4), these intervals last no more than 10 days. Thus, the following rhythms can be distinguished with this duration:
- Circadian rhythm—Cyclic oscillations of plankton concentrations in the working volume associated with the change in day and night, with an oscillation period of 23–25 h [32]. It has an endogenous origin and depends on medium factors. In terms of population, it manifests itself in daily migrations synchronized by sunlight.
- Diurnal variability rhythm caused by nutrition processes that occur several times over 24 h. It has an endogenous origin and is associated with circadian rhythm [33].
- Tidal rhythm—Changes in plankton concentration as a result of its advection (transfer) under the influence of a tidal wave. It has a period of about 11–12.5 h (Figure 5) and is synchronized by the gravitational impact of the Moon and the Sun [34].
- Ultradian rhythms—High-frequency components of diurnal variability, including those that take into account the specifics of night and day nutrition of various components of biocenosis [23].
Thus, the presence of plankton concentration synchronizations in the DHC working volume and natural events and processes explaining these rhythms make it possible to take the following form of approximation as a model for the time series of plankton concentrations:
Formula (1) is formally written as the sum of components of the Fourier series (in the Fourier analysis, they are called harmonics) characterizing the corresponding rhythms. Here, the following designations apply:
- amplitude of the k rhythm in the Fourier spectrum of a series of plankton concentrations, ssp/dm3;
- period of the k rhythm, hour;
- phase of the k rhythm showing the shift of its maximum (or harmonics in terms of expression (1)) relative to 00 h of the j day, which is the beginning of the time coordinate , rad;
- indices k take the following values:
- —circadian;
- —diurnal variability;
- —tidal;
- —ultradian.
Harmonic shift can be expressed in hours—. In this case, the formula for recalculation is used:
In expression (1), the following is assumed:
- —average daily count in the j day of concentration measurement determined in relation to for times , where is the internal time in the j days (from 0 to 24 h);
- is not a constant throughout the time series, since there are medium factors that affect this value, for example, rhythmicity associated with the mutual position of the Moon and the Sun. This makes it permissible to not go into the details of the variability associated with beats of the tidal periodicity, since we are talking here about small durations of a series, of the order of a day, where more high-frequency rhythms associated with daily phenomena are important. Nevertheless, these phenomena are reflected in the average daily concentration.
At the same time, we use three types of analysis to determine the parameters of rhythmic processes related to the change in plankton concentration:
- Spectral analysis, when the fact of the variability rhythm of plankton concentration in the DHC working volume is established and its period is determined by applying the Fourier transform to the time series;
- Analysis of the consistency of natural and anthropogenic events and parameters of the time series of plankton concentrations, which is carried out in order to tie the rhythmicity phase of the medium parameter to the time reference in days;
- Optimal approximation of plankton concentration variability or its component from Equation (1) to determine the average concentration, rhythm phase, and standard approximation error.
In the context of bioindication, it is critical that the parameters of the rhythmic processes of plankton organisms are sensitive to the action of physical and chemical factors [35], as well as electromagnetic and gravitational conditions.
The impact of contaminants causes epigenetic regulation of plankton organisms—chemical changes that affect the function of their genes without altering their DNA [36].
In this case, the epigenetic changes show a gradual response, becoming more pronounced as the causal factor increases. Therefore, the concentration of contaminants causes chemical changes through these epigenetic mechanisms in the individual. The daily cycles of this animal become less sensitive to environmental factors and thus seem increasingly unregulated. Without the ability to respond to external signals, such as insolation, the planktons begin to rise to the surface at random times of day, eventually destabilizing the entire food chain.
Thus, along with natural environmental parameters—lighting, temperature, salinity, etc.—pollution can be considered as one of the environmental parameters affecting the variability in the biotic community. A distinctive feature of pollution is the lack of rhythmicity of any impact; therefore, changes in biocenosis are chaotic. This desynchronization may be used for diagnostic purposes. The assessment of the state of the medium itself can be made considering the changes in the average concentration, amplitude, phase, and period of the selected rhythmic processes.
3. Results
The natural process that initiates the diurnal variability in plankton biocenosis is the sunrise, which causes the insolation of the upper layers of the water area. Figure 6 shows an example of this at mid-latitudes.
Figure 6.
Circadian rhythm of the euryhaline Artemia Salina (black line) from 27 June 2024 to 2 July 2024 at the bioindication station, which includes the DHC, on Bolshoye Yarovoye Lake (N 52°55′1″ E 78°35′19″), against the background of the insolation graph (blue line). Gray-green line with an arrow shows the sunset, yellow line with an arrow shows sunrise. UTC+7. Sunrise and sunset data are taken from [37].
The local maxima of zooplankton concentration (shown in Figure 6 with red dots) coincide with the maxima of solar insolation recorded using a photometer of upper illumination as part of the medium sensors. The maxima occur some time after (~7 h) sunrise, in fact at noon, when the sun is at its zenith. Sunrise occurs daily with a period of about 24 h. Synchronously, with the period h, we observe a circadian rhythm of plankton, but with a shift, it is where is the time of the sunrise in a current day and is the time of the maximum concentration.
A quite clear and easily interpreted scenario of the consistency of the sunrise and changes in plankton concentration in the DHC working volume in this case is determined by several reasons:
- Quite simple biocenosis basically consisting of the representatives of one species—Artemia salina;
- The substantial absence of a tidal rhythm on this lake;
- The near-equilibrium state of day and night at this time of the year, meaning ;
- A lack of predators and the need to divide grazing over time. Therefore, the rhythm of diurnal variability is weakly expressed, while, on the contrary, the circadian rhythm is clearly expressed.
Another example of field studies includes measurements in Dalnye Zelentsy, Zelenetskaya Bay of the Barents Sea, the peculiarity of which is that it is a high-latitude station, and monitoring was performed during the polar day, i.e., the time of the Sun being beyond the horizon is quite short. However, since there was a calendar transition to the polar night, the duration of the night period quickly increased from day to day. Therefore, the phase of the solar rhythm was constantly changing, and it was not obvious which synchronizations led to which events at a time series of concentrations. The averaged hourly readings were formed from data averaged over 100 holograms. Figure 7 shows the averaged concentrations of plankton in the DHC working volume against the background of astronomical factors, which are marked as follows: gray-green line with an arrow—sunset; yellow line with an arrow—sunrise; red curve—pressure graph reflecting the tidal process. The average data are presented in the format Mean ± 2 SD. The significance level is taken equal to 0.05. Note that the variability curve does not coincide in phase with the tidal process, i.e., they are independent.
Figure 7.
Time series of plankton pressure and concentration measurements for the period from 7 August 2022 to 9 August 2022 at the point with coordinates N 69°7′7.9″ E 36°4′10″. Black dots—values of plankton concentration in the DHC working volume; ⌶—confidence interval calculated from 100 samples, with a confidence probability of 95%; green curve—optimal approximation of the time series of plankton concentrations in the DHC working volume using a cosine curve. UTC+3. Sunrise data are taken from [37].
The green curve in Figure 7 is the result of approximating the diurnal variability from the values using a cosine curve.
In fact, from Formula (1), we used only one harmonic by rewriting this expression as follows:
At the same time, we made some approximations to include the circadian rhythm in the value of a constant and neglect the tidal and ultradian rhythms [38].
The graph in Figure 7 shows that during the period of the quadrature tide (waxing crescent Moon), we can observe the well-defined maxima in plankton concentrations twice a day, in particular, 2 h after sunrise, i.e., h, and 12 h after sunrise. Thus, for the phototropic behavior of plankton (similar to Artemia Salina), sunrise serves as a signal for feeding. During sunrise, the activity of night predators is already reduced, and for daytime predators, it has not yet started. This explains the increased plankton activity, as this is the best time to eat safely. The second maximum observed before sunset at dusk of the polar day is the time when daytime predators have already finished feeding and night predators have not yet woken up. The double-peaked diurnal variability curve indicates that plankton migrations associated with the feeding cycle occur twice per day, i.e., , as described in the literature, for example, in [39].
There are also data indicating that the second peak is triggered by moon light due to the same phototropic response [40], while the first peak is triggered by sunrise.
The diurnal variability pattern in Figure 7 is quite characteristic of the entire series of observations (23 July 2022–24 September 2022). Data on the parameters of diurnal variability determined based on the approximation of short sections of a series lasting 1-2-3 days, in accordance with expression 3, are given in Table 1. To determine the values of the parameters, we used hand fitting with variable values of the rhythm amplitude and phase, thus linking the phase of the rhythm to sunrise. The interpolation constant in Formula (3) was calculated as the average for an interval lasting more than a day, i.e., it was assumed that
Table 1.
Parameters of diurnal variability in plankton concentrations in the DHC working volume by moorage periods. The green marker shows the optimal shift reaching the minimum RMSD approximation.
At the same time, we use the minimization of the error function of a root-mean-square deviation (RMSD) between measured values of plankton concentration and an approximating cosine curve. The values of approximation parameters when the RMSD is minimal are taken at a specified time interval as the true meaning of corresponding values, which describe the diurnal variability rhythm. Diurnal variability data with optimization results are given in Table 1.
The given data on optimization parameters show that there is no special dependence of the amplitude and phase of the diurnal variability rhythm on tidal processes, since these characteristics are almost independent of the tide nature. Only the approximation constant changes from the quadrature tide to the syzygial tide. Its value is given in column 3. A conclusion similar to the latter is made by the authors of [41], which also notes that tidal processes do not have a special effect on the vertical migration of plankton.
Time intervals of sessions (Figure 4 and Table 1) are quite long, so their Fourier spectra can be calculated correctly. The graphs presented in Figure 8 show that the diurnal rhythm of plankton concentrations is indeed represented by three rhythms (harmonics), as opposed to Equation (1), namely, the circadian, diurnal variability, and ultradian rhythms. The position in the spectrum of the maximum diurnal variability rhythm is quite stable, which indicates a stable feeding of plankton two times a day, every 12 h. At the same time, the tidal rhythm is quite weak.
Figure 8.
Spectra of the time series ⟨К0 (t)⟩ (Figure 4) during the second (a), third (b), and fifth (c) sessions. Color dots show positions in the local maxima spectrum: green—circadian rhythm; blue—diurnal variability rhythm; red—nearest ultradian rhythm. Vertical lines of the corresponding colors (green—circadian rhythm with a period of 24 h; blue—diurnal variability rhythm with a period of 12 h) show nominal positions in the amplitude spectra of the corresponding rhythms.
The period of this rhythm is h, which we referred to according to the interpolation results. The distinguishability of this rhythm in the spectrum somewhat complicates the proximity of the nearest ultradian rhythm, so it is advisable to minimize its effect on the analytical result, for example, by filtering in the spectrum.
The circadian rhythm and the diurnal variability rhythm are very convenient for diagnostics and serve as derivatives of each other, since the circadian rhythm is due to the rotation of the Earth around its axis, which determines the time of sunrise initiating the diurnal variability every day with the period h. Unlike other rhythms in the spectrum of the time series of plankton concentrations, they are formed directly with the assistance of the planktons’ nervous systems; therefore, they reflect the planktons’ life status. In this study, we use the diurnal variability rhythm, the characteristics (period, amplitude, and phase) of which are determined by adjusting the approximation curve of the known period using the least squares method to the data of the experimental measurements, and not by the integral Fourier transform, which requires a long series lasting more than 10 days. Then, the transition from the general Equation (1) to the interpolation Equation (3) seems reasonable.
Figure 9 shows the RMSD/graphs for all time intervals involved in the analysis (Figure 4) before the period of anthropogenic impact.
Figure 9.
Time (phase) shift optimization using RMSD. (a) RMSD shifts at different moorage sessions. Vertical red lines show the interval of shifts of the optimal values . (b) Dependence of experimental RMSD of plankton concentrations on the approximation curve (3) at during moorage. The Alarm! indicates the time of model anthropogenic impact on the environment (red ellipse in Figure 4 and Figure 5). Blue lines show the range of RMSD change for a day with normal plankton living conditions, and red lines show the period of extreme salinity created as a result of anthropogenic impact.
Figure 9a shows that the time shift determining the phase shift in the approximation Equation (3) for intervals with normal plankton conditions is with respect to the astronomical sunrise.
In Figure 9b, this shift, , is used to build the RMSD for the entire measurement time. Here, it is clearly seen that the RMSD increased significantly (more than two times) during the anthropogenic impact, which is a marker of the abnormal situation. The diurnal variability situation, according to the RMSD presented in Figure 9, recovered on the same day once the impact was stopped.
4. Discussion
The proposed data processing methodology includes such values as the average concentration of plankton and the amplitude, phase, and period of selected rhythms and is based on the heuristic model of a cosine curve approximating the time series of plankton concentrations. With this approach, the time series of concentrations forming the basis of the model curve may be significantly shorter than when spectral analysis is used. One to two days of measurements are sufficient to determine the parameters of critical rhythms of diurnal variability. A distinctive feature of pollution is the lack of rhythmicity of any impact; therefore, changes in these rhythms may be used for diagnostic purposes.
The results of data processing presented as the time series of free-living plankton concentrations given in Section 3 demonstrate the presence of a systematic component in the behavior of the autochthonous plankton community. This component is identified as a biorhythm of the diurnal variability in the zooplankton community, in which this community ensures the most important mechanism of its existence—daily nutrition. The proposed technology of data processing is based on the average concentration of plankton and the amplitude, phase, and period of selected rhythms and represents the construction of a heuristic model cosine curve approximating the time series of plankton concentrations. With this approach, the time series of concentrations underlying the model curve may be significantly shorter than in the case of the spectral analysis. One or two days of measurements are sufficient to determine the parameters of vital rhythms of diurnal variability. The proposed plankton concentration variability model is based on the consistency of natural events with monitoring time series of underwater holographic plankton measurements.
Since nutrition is the main physiological process that supports the functioning of the living system, the rhythm disturbance indicates the ecological problems of biocenosis. A distinctive feature of pollution is the lack of the rhythmicity of its impact, which is shown as the disturbance of the consistency of events; therefore, significant changes in the rhythm parameters of diurnal variability correlate with the “discomfort” of the habitat. This scenario is illustrated by a stress test based on a significant change in seawater salinity simulating anthropogenic intervention. The recorded change in the rhythmic parameters of the diurnal variability in plankton biocenosis under the influence of this stressor indicates the possibility of using the behavior of autochthonous zooplankton as a bioindicator of “pollution”.
This paper does not address the question of the taxonomic composition of plankton, which is synchronized with the day–night factor. Nevertheless, as the post-processing of holographic data shows, the main composition of plankton in the studied site in the Barents Sea is copepod nauplii. The copepod itself is a depth-based species characteristic of the open sea. The biodiversity along the coast consists of 80% copepod nauplii, for which feeding in time near the coast is safer, as well as by various species of coastal plankton. It is these coastal representatives of biocenosis that do not migrate anywhere but are constantly present near the coast and eat when needed. This passive species represented in a constant is not really important for the analysis due to its settlement nature. The diurnal variability is characteristic of the dominant species—active copepod nauplii. This means that the taxonomic composition, much needed in biodiversity studies, is not very important for the purposes of environmental analysis based on the proposed heuristic model, at least at the alarm detection level described in the work.
The point here is not only and not so much in the presence of a taxon with a dominant position, but in the fact that existing taxa have learned to divide the biotope so that the behavior of the sum of taxa differs from the sum of their behavioral responses, which is shown in our work through the phototropic response [42].
The disappearance of the characteristic rhythm in the dominant taxon during short observation series does not mean an imminent catastrophe. Our experiments with the model salt “pollution” showed that once the impact is stopped, the ecosystem returns to its original state. But if the detected desynchronization of plankton rhythms is ongoing on longer time scales, this should include other methods of analysis (most often chemical) to detect the source of pollution.
Continuous bioindication monitoring and several levels of hazard marking with different system response times are needed to detect such a situation. This can be a sequence of the following indicators:
- Stress phototropic response [20], as a behavioral mechanism initiating the biological processes of event consistency;
- Failures of the diurnal variability rhythm associated with nutrition [1];
- Failure of intraspecific entropy as an indicator of the degeneration of plankton belonging to the dominant taxon;
- Failure of interspecific entropy as an indicator of biocenosis change.
The consistent presence of these markers may indicate the pre-catastrophic state and thus lead to an environmental disaster. However, these issues are beyond the scope of this study.
5. Conclusions
Thus, as a result of the analysis of experimental data, the following conclusions were established:
- The diurnal variability in plankton concentration can be determined at a short time interval, with high detection sensitivity and responses to abnormal changes. It can therefore be used for the bioindication of the state of an ecosystem.
- The diurnal variability rhythm in plankton concentrations is characterized by the following parameters: amplitude; —phase shift relative to the specified main hourly rhythm (00 h of the day); and period of the diurnal variability rhythm (either 12 or 24 h, depending on biocenosis). These parameters can be determined using a model cosine curve approximating the time series of plankton concentration data.
- The marker of abnormal environmental factors destabilizing biocenosis is an abnormally high (significantly different) root-mean-square deviation of experimental data on zooplankton concentrations from the interpolation curve of the diurnal variability rhythm described by Equation (3) against the background of the circadian rhythm loss.
- A system for the detection of abnormal environmental factors using the analysis of the diurnal variability in zooplankton concentrations can be built on a short series of continuous observations (every hour) of concentrations, the duration of which is comparable to days (duration of rhythm variability set by the Earth’s rotation period).
Author Contributions
Conceptualization, V.D. and I.P.; methodology, V.D. and I.P.; software, A.D.; validation, D.K., A.D. and S.M.; formal analysis, D.K.; investigation, D.K., A.D., I.P. and S.M.; resources, V.D.; data curation, I.P.; writing—original draft preparation, I.P. and D.K.; writing—review and editing, V.D.; visualization, D.K.; supervision, I.P.; project administration, V.D. and I.P.; funding acquisition, V.D. All authors have read and agreed to the published version of the manuscript.
Funding
This study was supported by the Development Program of Tomsk State University (Priority 2030).
Institutional Review Board Statement
Not applicable.
Informed Consent Statement
Not applicable.
Data Availability Statement
The data presented in this study are available on request from the corresponding author.
Conflicts of Interest
The authors declare no conflicts of interest.
References
- Dyomin, V.; Davydova, A.; Kirillov, N.; Kondratova, O.; Morgalev, Y.; Morgalev, S.; Morgaleva, T.; Polovtsev, I. Monitoring Bioindication of Plankton Through the Analysis of the Fourier Spectra of the Underwater Digital Holographic Sensor Data. Sensors 2024, 24, 2370. [Google Scholar] [CrossRef] [PubMed]
- Zein, M.A. Evaluating Chemical Toxicity: A Novel Behavioral Assay Using Daphnia. Available online: https://digitalcommons.wayne.edu/oa_dissertations/866/ (accessed on 25 September 2024).
- Bae, M.-J.; Park, Y.-S. Biological early warning system based on the responses of aquatic organisms to disturbances: A review. Sci. Total Environ. 2014, 466–467, 635–649. [Google Scholar] [CrossRef]
- Morgalev, S.; Morgaleva, T.; Gosteva, I.; Morgalev, Y. Evaluation of the toxicity of superfine materials to change the physiological functions of aquatic organisms of different trophic levels. IOP Conf. Ser. Mater. Sci. Eng. 2015, 98, 012006. [Google Scholar] [CrossRef]
- Pan, Y.; Yan, S.W.; Li, R.Z.; Hu, Y.W.; Chang, X.X. Lethal/sublethal responses of Daphnia magna to acute norfloxacin contamination and changes in phytoplankton-zooplankton interactions induced by this antibiotic. Sci. Rep. 2017, 7, 40385. [Google Scholar] [CrossRef]
- Lechelt, M.; Blohm, W.; Kirschneit, B.; Pfeiffer, M.; Gresens, E.; Liley, J.; Holz, R.; Luring, C.; Moldaenke, C. Monitoring of surface water by ultrasensitive Daphnia toximeter. Environ. Toxicol. 2000, 15, 390–400. [Google Scholar] [CrossRef]
- Taucher, J.; Haunost, M.; Boxhammer, T.; Bach, L.T.; Algueró-Muñiz, M.; Riebesell, U. Influence of ocean acidification on plankton community structure during a winter-to-summer succession: An imaging approach indicates that copepods can benefit from elevated CO2 via indirect food web effects. PLoS ONE 2017, 12, e0169737. [Google Scholar] [CrossRef] [PubMed]
- Hoang, H.T.T.; Duong, T.T.; Nguyen, K.T.; Le, Q.T.P.; Luu, M.T.N.; Trinh, D.A.; Le, A.H.; Ho, C.T.; Dang, K.D.; Némery, J.; et al. Impact of anthropogenic activities on water quality and plankton communities in the Day River (Red River Delta, Vietnam). Environ. Monit. Assess. 2018, 190, 67. [Google Scholar] [CrossRef] [PubMed]
- Barinova, S.; Gabyshev, V.A.; Gabysheva, O.I. Response of the Cyanobacteria Plankton Community to Anthropogenic Impact in Small Lakes of Urbanized Territory in the Permafrost Zone of Northeast Asia (Eastern Siberia, Yakutia). Water 2024, 16, 2834. [Google Scholar] [CrossRef]
- Malik, D.S.; Sharma, A.K.; Kamboj, V.; Sharma, A.K. Anthropogenic Impact on Habitat Ecology and Zooplankton Diversity in Ganges Riverine System Using Enviro Assessment Techniques. Proc. Natl. Acad. Sci. India Sect. B Biol. Sci. 2024, 94, 505–518. [Google Scholar] [CrossRef]
- OECD Guidelines for the Testing of Chemicals, Section 2 Test No. 236: Fish Embryo Acute Toxicity (FET) Test; OECD: Paris, France, 2013; ISBN 9789264203709.
- OECD Guidelines for the Testing of Chemicals, Section 2 Test No. 203: Fish, Acute Toxicity Test; OECD: Paris, France, 2019; ISBN 9789264069961.
- Nikitin, O. Aqueous medium toxicity assessment by Daphnia magna swimming activity change. Adv. Environ. Biol. 2014, 8, 74–78. [Google Scholar]
- Skjoldal, H.R. Species composition of three size fractions of zooplankton used in routine monitoring of the Barents Sea ecosystem. J. Plankton Res. 2021, 43, 762–772. [Google Scholar] [CrossRef] [PubMed]
- Calbet, A. Sampling Plankton. In The Wonders of Marine Plankton; Springer: Cham, Switzerland, 2024; pp. 131–136. [Google Scholar]
- Barth, A.; Stone, J. Comparison of an In Situ Imaging Device and Net-Based Method to Study Mesozooplankton Communities in an Oligotrophic System. Front. Mar. Sci. 2022, 9, 898057. [Google Scholar] [CrossRef]
- OECD Guidelines for the Testing of Chemicals, Section 2 Test No. 202: Daphnia sp. Acute Immobilisation Test; OECD: Paris, France, 2004; ISBN 9789264069947.
- ISO 6341:2012; Preview Water Quality—Determination of the Inhibition of the Mobility of Daphnia magna Straus (Cladocera, Crustacea)—Acute Toxicity Test. ISO: Geneva, Switzerland, 2012.
- Panaiotis, T. Plankton Distribution Across Scales: Contributions from Artificial Intelligence to Plankton Ecology. Available online: https://theses.hal.science/THESES-SU/tel-04151175v1 (accessed on 25 September 2024).
- Dyomin, V.; Morgalev, Y.; Morgalev, S.; Davydova, A.; Kondratova, O.; Morgaleva, T.; Polovtsev, I. Phototactic Behavioral Responses of Mesozooplankton in the Barents Sea As an Indicator of Anthropogenic Impact. Water 2023, 15, 3901. [Google Scholar] [CrossRef]
- Dyomin, V.; Morgalev, Y.; Morgalev, S.; Morgaleva, T.; Davydova, A.; Polovtsev, I.; Kirillov, N.; Olshukov, A.; Kondratova, O. Features of phototropic response of zooplankton to paired photostimulation under adverse environmental conditions. Environ. Monit. Assess. 2023, 195, 503. [Google Scholar] [CrossRef]
- Davies, T.W.; McKee, D.; Fishwick, J.; Tidau, S.; Smyth, T. Biologically important artificial light at night on the seafloor. Sci. Rep. 2020, 10, 12545. [Google Scholar] [CrossRef] [PubMed]
- Dyomin, V.; Davydova, A.; Kirillov, N.; Morgalev, S.; Naumova, E.; Olshukov, A.; Polovtsev, I. In Situ Measurements of Plankton Biorhythms Using Submersible Holographic Camera. Sensors 2022, 22, 6674. [Google Scholar] [CrossRef]
- Schnars, U.; Jueptner, W. Digital Hologram Recording, Numerical Reconstruction, and Related Techniques; Sprinder: Berlin, Germany, 2005. [Google Scholar]
- Yaroslavsky, L. Digital Holography and Digital Image Processing; Springer: Boston, MA, USA, 2004; ISBN 978-1-4419-5397-1. [Google Scholar]
- Poon, T.-C.; Liu, J.-P. Introduction to Modern Digital Holography With Matlab; Cambridge University Press: New York, NY, USA, 2014; ISBN 978-1-107-01670-5. [Google Scholar]
- Singh, U.B.; Ahluwalia, A.S.; Sharma, C.; Jindal, R.; Thakur, R.K. Planktonic indicators: A promising tool for monitoring water quality (early-warning signals). Ecol. Environ. Conserv. 2013, 19, 793–800. [Google Scholar]
- Astorg, L.; Gagnon, J.; Lazar, C.S.; Derry, A.M. Effects of freshwater salinization on a salt-naïve planktonic eukaryote community. Limnol. Oceanogr. Lett. 2023, 8, 38–47. [Google Scholar] [CrossRef]
- Arnott, S.E.; Celis-Salgado, M.P.; Valleau, R.E.; DeSellas, A.M.; Paterson, A.M.; Yan, N.D.; Smol, J.P.; Rusak, J.A. Road Salt Impacts Freshwater Zooplankton at Concentrations below Current Water Quality Guidelines. Environ. Sci. Technol. 2020, 54, 9398–9407. [Google Scholar] [CrossRef] [PubMed]
- What Are Spring and Neap Tides? Available online: https://oceanservice.noaa.gov/facts/springtide.html (accessed on 17 November 2024).
- Otnes, R.K.; Enochson, L.D. Applied Time Series Analysis, Vol. 1: Basic Techniques; John Wiley & Sons Inc.: New York, NY, USA, 1978; ISBN 0471242357. [Google Scholar]
- Pittendrigh, C.S. Circadian Rhythms and the Circadian Organization of Living Systems. Cold Spring Harb. Symp. Quant. Biol. 1960, 25, 159–184. [Google Scholar] [CrossRef]
- Challet, E. The circadian regulation of food intake. Nat. Rev. Endocrinol. 2019, 15, 393–405. [Google Scholar] [CrossRef] [PubMed]
- Neumann, J.; Kaiser, T.S. Lunar and Tidal Rhythms and Clocks. In Insect Chronobiology. Entomology Monographs; Springer: Singapore, 2023; pp. 203–227. ISBN 978-981-99-0726-7. [Google Scholar]
- Aschoff, J. Aschoff, J. A Survey on Biological Rhythms. In Biological Rhythms; Springer: Boston, MA, USA, 1981; pp. 3–10. [Google Scholar]
- Hurley, J.M. Can Road Salt and Other Pollutants Disrupt Our Circadian Rhythms? Available online: https://theconversation.com/can-road-salt-and-other-pollutants-disrupt-our-circadian-rhythms-89211 (accessed on 25 September 2024).
- World-Weather.ru Sunrise and Sunset. Available online: https://world-weather.ru/pogoda/russia/ (accessed on 3 October 2024).
- Srichandan, S.; Baliarsingh, S.K.; Lotliker, A.A.; Sahu, B.K.; Roy, R.; Nair, T.M.B. Unravelling tidal effect on zooplankton community structure in a tropical estuary. Environ. Monit. Assess. 2021, 193, 362. [Google Scholar] [CrossRef] [PubMed]
- Tereza, E.P.; Naumova, E.Y.u.; Belykh, O.I.; Logacheva, N.F.; Pomazkova, G.I.; Dzyuba, Y.e.V.; Melnik, N.G. Vertical distribution and feeding activity of Epischura baicalensis Sars (Copepoda) nauplii in response to two predators in Lake Baikal in winter. Fundam. Appl. Limnol. 2007, 169, 211–216. [Google Scholar] [CrossRef]
- Last, K.S.; Hobbs, L.; Berge, J.; Brierley, A.S.; Cottier, F. Moonlight Drives Ocean-Scale Mass Vertical Migration of Zooplankton During the Arctic Winter. Curr. Biol. 2016, 26, 244–251. [Google Scholar] [CrossRef] [PubMed]
- Ollevier, A.; Mortelmans, J.; Deneudt, K.; Hablützel, P.I.; De Troch, M. Diel vertical migration and tidal influences on plankton densities in dynamic coastal systems. Estuar. Coast. Shelf Sci. 2024, 300, 108701. [Google Scholar] [CrossRef]
- Dyomin, V.; Morgalev, Y.; Polovtsev, I.; Davydova, A.; Morgalev, S.; Kirillov, N.; Morgaleva, T.; Olshukov, A. Phototropic response features for different systematic groups of mesoplankton under adverse environmental conditions. Ecol. Evol. 2021, 11, 16487–16498. [Google Scholar] [CrossRef] [PubMed]
Disclaimer/Publisher’s Note: The statements, opinions and data contained in all publications are solely those of the individual author(s) and contributor(s) and not of MDPI and/or the editor(s). MDPI and/or the editor(s) disclaim responsibility for any injury to people or property resulting from any ideas, methods, instructions or products referred to in the content. |
© 2025 by the authors. Licensee MDPI, Basel, Switzerland. This article is an open access article distributed under the terms and conditions of the Creative Commons Attribution (CC BY) license (https://creativecommons.org/licenses/by/4.0/).








