Next Article in Journal
Analysis of Flow Field Characteristics of Aquaculture Cabin of Aquaculture Ship
Previous Article in Journal
Transcriptome Analysis of Multiple Tissues in the Shrimp Penaeus vannamei Reveals the Typical Physiological Response to Three Pathogens
 
 
Font Type:
Arial Georgia Verdana
Font Size:
Aa Aa Aa
Line Spacing:
Column Width:
Background:
Article

A Statistical Analysis for Optimisation of a Hybrid BBDB-PA in Mantanani Island, Sabah

by
Muhamad Aiman Jalani
1,*,
Mohd Rashdan Saad
1,
Mohamad Faizal Abdullah
1,
Mohd Azzeri Md Naiem
2,
Mohd Norsyarizad Razali
2,
Noh Zainal Abidin
2 and
Mohd Rosdzimin Abdul Rahman
1,*
1
Department of Mechanical Engineering, Faculty of Engineering, Universiti Pertahanan Nasional Malaysia, Kem Sg. Besi, Kuala Lumpur 57000, Malaysia
2
Department of Science and Maritime Technology, Faculty of Defence Science and Technology, Universiti Pertahanan Nasional Malaysia, Kem Sg. Besi, Kuala Lumpur 57000, Malaysia
*
Authors to whom correspondence should be addressed.
J. Mar. Sci. Eng. 2023, 11(2), 386; https://doi.org/10.3390/jmse11020386
Submission received: 30 December 2022 / Revised: 30 January 2023 / Accepted: 3 February 2023 / Published: 9 February 2023
(This article belongs to the Section Ocean Engineering)

Abstract

:
The hybrid form of wave energy converter (WEC) is a recent advancement in research concerning harvesting energy from the ocean. This study investigates the effect of size and position of the point absorber integrated with a backward bent duct buoy. The aim of this optimisation is to maximise the WEC-absorbed power and heave response amplitude operators (RAO) at a specific sea site. The optimisation process was applied based on the data collected over a one-year period about sea characteristics for a nearshore region of the Mantanani Island. We present a methodology for optimising the Hybrid BBDB-PA based on a statistical analysis and the hydrodynamics of the system in the frequency and time domain. We used the ANSYS/AQWA software for the hydrodynamic diffraction analysis, and the design of experiments method was applied through the statistical software to determine the optimised parameters. We found that the diameter and gap length between PA and BBDB were found to significantly influence two characteristics, namely, heave RAO and maximum power absorption of PA. This observation shows that the PA size was directly proportional to the performance because a higher diameter has more contact with the ocean’s wet surface area with the ocean and absorbed higher wave energy. Moreover, the gap length between the PA and BBDB was directly correlated with a wavelength, which followed the theoretical value for peak-to-trough length, where the maximum wave height occurs. Despite the condition parameter, we discovered that the WEC position and arrangement were responsible for the highest value of the power, regardless of the PA position used in the experiment. The results of this research provide recommendations for optimising the ocean energy harvesting in order to fully utilise ocean space for energy.

1. Introduction

Malaysia is a country with high potential in utilising ocean energy for electricity because it has a vast coastline along the South China Sea and the Straits of Malacca. Currently, fossil fuels are Malaysia’s prime source of electricity generation. However, their declining fuel reserves give rise to energy security problems. Therefore, to keep up with the 8.1% annual increase in the country’s energy demand, the government needs renewable energy sources as an additional source of electricity [1]. A renewable energy source in the ocean can be obtained from ocean waves. Ocean waves are widely accessible around the world, and Malaysia is one of the countries surrounded by oceans that has a potential place for the use of wave energy. However, Malaysia’s wave power density is lower than other countries with advanced wave energy converter (WEC) technology development, leading to a small-scale power production [2]. Based on many places in Malaysia, the island is a most suitable place for integration of WEC due to needed for electrical supply. Most islands in Malaysia have limited electricity connection to the grid and rely on diesel generators, which also cause pollution and are expensive [3]. Among many islands in Malaysia, we selected Mantanani Island for this study because of its suitability for the development and implementation of WEC, according to a study conducted by Abd Latif et al. (2020) [4]. Hamid et al. also identified that Mantanani Island has a limited supply of electricity, owing to a high demand from the infrastructure and residential facilities [5]. The energy provider supplies electricity for 12 h only because of various restrictions. Because Malaysia has a relatively low-energy wave characteristic compared to other countries, selecting a suitable WEC was essential to ensure that wave energy can be generated efficiently. Rozali et al. found that the floating oscillating water column (FOWC) can harness and produce electricity even in low wave conditions [6]. Furthermore, Aiman et al. also found in their study that one of the FOWCs, which is a backward bent duct buoy (BBDB), can produce higher primary conversion efficiency at low heave wave conditions [7].
The BBDB was developed in response to the most effective floating OWC in wave energy used thus far [8]. The BBDB device may exploit its various modes of motion to enhance the wave energy harvesting. However, the coupling process of the motions and its contribution to wave energy conversion have not been well explored [9]. The BBDB converted the wave energy to electricity by changing the mechanical energy to pneumatic energy. Another WEC, namely, the point absorber (PA), is one of the most promising WEC technologies currently being evaluated for both technical and economic aspects. This device has a simple structure that is just a floating body that usually has a width smaller than the length of the incident wave, and has a mooring cable installed on the seabed or a structure as a simple support system. A heaving PA is a type of wave energy device that generates power by absorbing the heave motion from the interaction between waves and bodies. The PA power take-off (PTO) system converts mechanical power from the heave motion to electricity [10].
In recent years, consideration has been made to maximise the utilisation of ocean energy resources, offering a solid potential to design a new multiplatform or hybrid system, which allows the addition of other methods or applications in utilizing resources found in the ocean to increase the amount of energy harvested. Therefore, numerous studies have been conducted to learn more about the multiplatform or hybrid WEC system. For this study, we selected a hybrid PA-BBDB, which combines two types of WEC. By producing a new form of PA-BBDB hybrid, many parameters and conditions need to be studied and analysed to ensure that it can produce the best performance. In this regard, parameters such as WEC position, size, and distance, may have an impact. Several studies have proven that these parameters have influence the performance of WEC. Sheng, who fulfilled all applicable research and experience about the orientation of BBDB, studied the effect of WEC position [8]. He proved that BBDB (incident wave comes back) is much better than FBDB, i.e., forward bent duct buoy (incident wave comes to duct opening). Sun et al. also introduced a new floating-array-buoys wave energy conversion system (FABWEC) as the fundamental model by optimising oscillating-array-buoys to enhance the efficiency of wave energy absorption [11]. They used a hydrodynamic software to simulate FABWEC models with various buoy spacing, buoy placement modes, and buoy actuating arm lengths. They demonstrated that the efficiency of wave energy capture for cylindrical oscillating-array buoys may be improved by increasing the buoy spacing, placing the buoys vertically, and staggering the lengths of buoy actuating arms. Neshat et al. studied the optimization of WEC position and placement to enhance the power production of the WEC farm in a size-constrained environment [12]. They introduced a different hybrid method that integrates local search with numerical optimisation techniques, employing a surrogate power model. In all wave regimes examined, they discovered that the novel hybrid approaches outperformed well-known earlier heuristic methods in terms of both the quality of produced solutions and the convergence rate of search. Erselcan et al. studied the effect of WEC size to ascertain the best design for absorbing the most energy [13]. They evaluated the impact of the shape, mass, and float size, and the power system parameters on the energy generated by the waves. In all circumstances, they observed that when the draught is low relative to the radius, the WECs absorbed the greatest amount of energy. Hu et al. also conducted research on the size of WECs by using a numerical model to optimise the positioning and dimensions of WECs within the hybrid system in response to a specific sea condition [14]. They investigated the hydrodynamics of a hybrid system that includes a floating platform and numerous heaving WECs. They found that in the same sea state, WECs with a larger diameter to draught ratio had less viscous effects, more wave power, larger effective frequency range, and the same amount of wave power per unit weight as those with a smaller diameter to draught ratio. Wang et al. studied the optimisation of the structure’s size and gap resonance by combining the OWC device with the breakwater structures [15]. Using the theory of potential flow, they solved the equation by decomposing boundary-value problems into one wave scattering part and two radiation parts. They found that for a certain wave frequency, power absorption efficiency is most likely to be at its highest level when the gap distance is well-matched to the wavelength so that the sloshing mode can happen inside the gap. Jiang et al. examined the effect of gap length between WEC using an OpenFOAM® package with a numerical wave flume [16]. Their research focused on determining the effect of energy transformation and dissipation on the hydrodynamic behaviour of wave response near resonant circumstances. They noted that when the gap’s width increased, there was a rise in resonant fluid, which decreased the reflection coefficient and increased the transmission coefficient. Zhang et al. also studied the effects of the gap between hybrid WEC, which consists of oscillating-buoy (OB) and WEC breakwater [17]. They explored the gap wave resonance by using a two-dimensional numerical wave flume constructed using the Star-CCM+ software. They found that the gap wave resonance markedly improved the wave energy extraction performance of the hybrid system. Cui et al. studied the gap between fixed OWC and OB [18]. They proposed a new hybrid WEC named OWCOB and performed a multi-parameter sensitivity analysis on power extraction of the OWCOB, including the effect of distance between OWC and OB.
The hybrid WEC proposed is mainly composed of a floating BBDB and PA. The Power Take-Off (PTO) system for both devices also need to be considered. The PA is hinged to the back wall of the BBDB through a rigid arm. As ocean waves pass through the Hybrid BBDB-PA, the BBDB can be used to drive an air turbine installed at the top of the BBDB chamber to capture wave power. Additionally, the wave-induced motion of the PA can be employed to drive a hydraulic cylinder to exploit wave power as well. The hydraulic cylinder pumps high-pressure oil to the hydraulic motor, which is coupled with the BBDB air turbine by a gearbox to synchronise speeds. The gearbox is connected to a generator to convert mechanical energy into electricity. Due to the physical connection of the PA on the BBDB, no more mooring system or special supporting platform for these PA is required, and this could obviously reduce both structure complexity and construction cost. Previous studies showed that optimising WEC parameters and conditions may affect the performance of WEC. Additionally, the optimisation of the integrating hybrid BBDB with PA will positively impacts power performance efficiency. Lastly, Malaysia has great potential for harvesting ocean energy and can generate maximum power by selecting a suitable WEC with optimum parameters.
The rest of this paper is organized as follows: The geometry optimization methodology, as a preliminary approach, applied on hybrid WEC, is given in Section 2. Analysing data acquisition for site characteristics (water depth, wave height, and wave period) where the hybrid WEC was installed are presented in Section 3. The hydrodynamic of the system, Response Amplitude Operator (RAO), and power absorptions by a hybrid WEC, are derived in Section 4. Factors parameter used to optimize in this study are explained in Section 5. Section 6 introduces the setup of simulation. Section 7 illustrates the comparative analysis of experimental and numerical results, where the simulation model is validated by wave elevation and heave RAO. The design of the experiment and optimization process is developed in Section 8. The results and discussion are provided in Section 9. Conclusions are summarized in Section 10.

2. Methodology

The research methodology investigates the optimal Hybrid BBDB-PA parameters by optimising a series of PA condition parameters (factors) in respect to the following three principal requirements (response):
  • Hydrodynamic force, which consists of excitation force, velocity response, and radiation damping;
  • Response amplitude operator (RAO);
  • Maximum mechanical power.
Our study used a Hybrid BBDB-PA system in accordance with the hybrid concept invented by Jalani et al. (2023) [19]. However, only the PA parameter was used for this optimisation study because BBDB has fixed parameters based on wave characteristics, which will be described in Section 5. For this study, we optimised the PA diameter, D, and the gap length, L, between the BBDB and PA (see Figure 1). The conical shape device was a point absorber with reference to the BBDB.
Figure 2 illustrates the optimisation process implemented in this study. The process began with analysing data acquisition for site characteristics (water depth, wave height, and wave period) where the WEC was installed. The next step was to calculate the main WEC requirements (hydrodynamic force, RAO, and maximum mechanical power) with the method design of experiments (DOE) in the frequency domain. Moreover, for the sake of simplicity, this study focused only on the z-direction motion (heave motion). In the third step, the outcomes of the previous processes were reviewed, and the optimal buoy geometries were selected per the findings of the statistical analyses, detailed in the “Results and Discussion” section. A total of 13 runs were required to get the best response from the statistical analysis using a DOE approach. Later, the factorial plots of the statistical studies, such as surface plots and contour plots, provided a comprehensive perspective of the optimisation problem domain, allowing us to analyse and compare the influence of all different series of condition parameters on the responses output. The third step was performed twice with different PA positions, namely, the front and back of BBDB, as shown in Figure 1.

3. Sea Location and Characteristics

Mantanani Island is one of three islands (Lungisan, Mantanani Kecil, and Mantanani Besar) located off the northwest coast of Malaysia’s state of Sabah, near the town of Kota Belud in northern Borneo. This 203.7-hectare island is bounded by latitude 06°42′23″ N and longitude 116°21′28″ E (Figure 3).
This island has a restricted energy source. Sabah Energy Sendirian Berhad provides electricity to 157 homes using two sets of generators. Electricity is only supplied from 18:00 to 06:00 [5]. We selected Mantanani Island as the research site, owing to the lack of infrastructure. Wave energy can be used as an additional power support for the community, which includes army barracks.
This analysis was based on an acoustic Doppler current profiler (ADCP) data collected during a six-hour duration at selected sites. ADCP is a hydroacoustic current meter used to monitor water velocity and direction, and also to measure bathymetry. According to the Comprehensive Manual for ADCP (2018), this device emits a pulse of short constant frequency sound (‘ping’) into the water, then listens to the echo and detects changes in pitch or echo frequency. The difference in frequency between pulses transmitted and received is related to water velocity.
The device was placed 1 km northeast of the offshore island (Figure 4) at a depth of 13 m. The devices operated from 4 February 2019 to 24 February 2020. This period included three monsoon seasons, which are known as the Southwest Monsoon, the Northeast Monsoon, and the intermonsoon, were included.
Wave data collection is necessary to study wave energy harvesting at selected locations. Wave characteristics, such as peak wave period (Tp) and wave height (Hm0), were recorded using ADCP, as described previously. By performing quantitative analysis on the data sets, sea characteristics (like water depth and wave characteristics) at the selected location were obtained. Figure 5 shows the three-dimensional surface contour and the wireframe represents the water depth at the selected location around 20 m to 25 m.
Figure 6 displays the joint distribution percentage (JDP) as an indicator to show wave statistics for Mantanani Island and the probability of both peak wave period and wave height occurring at selected locations. There was a high frequency of peak periods (Tp) between 5 s and 8 s and Hs between 0 m and 0.6 m with a total incidence of 42.72%. In addition, most waves were observed to be less than 1 m in height; only 16.42% of waves were higher than 1 m. The average significant height was Hs = 0.4 m, and the wave peak period was Tp = 6 s.
According to Shadman et al. (2018) [10], the available wave power stored, P (per metre width of WEC device) at the site location, was estimated using Equation (1).
P = 1 2 ρ g V ξ i 2
where ρ , g , V is the water density, gravitational acceleration, wave velocity, respectively; ξ i is the wave amplitude obtained by dividing the significant wave height, H s , by 2. V is calculated using Equation (2).
V = ω k
ω is the angular frequency, calculated from the peak wave period, T p , and k is defined as the wavenumber, which was calculated using Equation (3).
ω 2 h g = k × h × tanh k h
where h is the ocean depth at the selected location.
According to the equation above, the yearly average wave power was 3.5 kW/m. Figure 7 shows how the wave power potential varies from month to month. The monthly average wave power varied between 0.2 kW/m and 10.143 kW/m. Generally, the average monthly wave power between March to September was lower than October to February, owing to the influence of the Northeast Monsoon (October to March) and Southwest Monsoon (May to September) [20].

4. Hydrodynamics of the System

The conservation of mass and momentum with Newton’s second law on the forces acting on the body is solved numerically. The equations that describe the total forces on the body, F(t), in terms of time domain are given below:
F t = M z ¨ t
F e + F r + F h + F d r a g + F e x t = M z ¨ t
F e = F F K + F d
where z denotes the displacement in vertical direction and M denotes the mass of the structure. The wave force consists of wave excitation force Fe, the radiation force Fr, the hydrostatic restoring force Fh, the drag force Fdrag and the external force Fext, which we assumed to be equal to the PTO force Fpto in the current work. Hydrodynamic forces which are related to body motion are the F F K , Froude–Krylov force and F d , the diffraction force. The Froude–Krylov force is produced by the force of the incident wave due to the pressure exerted on the fixed body during a calm wave. However, diffraction force is the force that combines reflection and diffraction of waves generated by scattering.
In addition to the Froude–Krylov and diffraction force, radiation force is a hydrodynamic force that produces waves resulting from structural oscillations. The force from the motion of the structure is known as radiation force, F r , consists of added mass and a radiation damping in terms of [21]:
F r ω = ω 2 M a ω + j ω C ω Z ω
where ω , M a , C , Z denotes as the wave velocity, added mass, radiation damping, and heave motion, respectively; j is the imaginary unit. Additional mass is the additional inertia produced on a floating body that oscillates harmonically and radiation damping is a wave exiting the floating body that transports energy in phase with velocity of the body.
Viscosity was modelled using drag force, which was calculated using the Morison model. It is denoted as Fdrag, per unit height of the floating body are as follows:
f d = 0.5   C d ρ D μ μ
where C d , ρ , D, μ represent the drag coefficient, water density, diameter of structure, and incoming flow velocity, respectively. We chose C d = 1.2 as the drag coefficient for this study because d/L ≥ 0.2 and H/d ≤ 0.2, where H, L, and d, are the wave height, wavelength, and water depth, respectively.
A relationship that exists between the motion responses of the BBDB and the PA and the wave period was described by the Response Amplitude Operator. In many conditions, it was dimensionless in relation to the height of the wave. RAO is used to determine the period when the maximum amount of power that is theoretically attainable can be extracted. RAO is denoted by Equation (9) [21]:
R A O = F e ω K ω 2 M + M a ω + j ω C ω
where K is hydrostatic stiffness; M and Ma is the structure and added mass, respectively. Fe, ω, C denotes the excitation wave force, wave frequency, and radiation damping, respectively.
The power output of the device, P P T O , is calculated as the final value in the process of design optimization and features of similarity in comparing various WEC types and systems. The following equation expresses the power output, P P T O , in terms of force applied to the power take off, F P T O .
P P T O ω = 1 2 u r e l ω F P T O ω
F P T O ω = u r e l ω B P T O
where u r e l is the relative velocity of motion structures and B P T O is the PTO-damping coefficient.

5. Factors Parameter Setup

In this study, we optimised the parameters for the BBDB dimension as described in the previous section. The BBDB length dimension follows the wavelength of wave characteristic on the selected location and is given as L = λ/3. This ratio is per the maximum conversion efficiency of BBDB as specified by Aiman et al. [22].
For these sections, PA optimisation starts with a set of condition parameters (factors), which include the PA diameter and gap length between BBDB and PA, D and L. We optimised these parameters to obtain the highest power absorption that the buoy can receive from the incident wave. These factors directly correlate with wave characteristics, specifically the main wave period range at the sea site location.

5.1. Range Diameter of PA (D)

This study requires the maximum power absorption that occurs from the energetic incident wave transfer to the PA. The total maximum power received by the PA is described as the total wave energy produced by the incident wavefront with a breadth especially for a heaving axisymmetric body. This power is obtained by dividing the wavelength with 2π [10]. The maximum absorption per unit width, Lmax, is defined as follows:
L m a x = λ / 2 π
Then, the maximum power of wave absorbed, P m a x , by a symmetrical body in the heave motion, is given by:
P m a x = J L m a x
where J is the energy flux per unit wave crest width. The obtained linear regular wave energy flux is calculated as follows:
λ = g T 2 / 2 π
J = ρ g 2 T H 2 /   32 π
where ρ , T ,   H are the water density, wave period and wave height, respectively. The dimensionless or relative capture width, C w r , is obtained by dividing the capture width by the device’s width such as PA diameter, D, should satisfy the following equation (as specified by Twidell and Weir) [23]:
C w r = L m a x D   3
Using the above equations and with the knowledge that the frequent wave periods for the sea region of Mantanani Island are between 5 and 8 s, the diameter of PA was determined for these limits as 2 and 5 m, respectively. For the sea region of Mantanani Island, the obtained wavelength data were equivalent to the peak wave period (Tp = 6 s). Therefore, for the optimisation process, the PA diameter was set to 2 m ≤ D ≤ 5 m.

5.2. Range Length of the Gap between BBDB and PA (L)

Most researchers of previous hybrid studies faced difficulties in determining the size and gap displacement between devices. Therefore, the hybrid parameter in this study must be developed to consider the performance of BBDB and PA. After ascertaining the PA diameter (D), we determined the gap length between BBDB and PA (L). The next parameter factor for the WEC was then used, where the length range of the Hybrid BBDB-PA should be equal to the range of peak-to-trough wave periods at the WEC installation site. The Hybrid BBDB-PA reaches the maximum oscillation at the peak-to-trough length, λ/2, because of the maximum wave height [24]. Based on the peak-to-trough length, a new correlation was developed to consider the length of BBDB, diameter of PA, and gap between BBDB and PA:
λ / 2 = l B B D B + D P A + L
where l is the length of BBDB (parallel to wave direction).
Based on the wave period (5–8 s) characteristic at the sea site and the diameter value of PA obtained in Section 5.1 (2–5 m), the parameters for the gap length (L) that cause the PA to get the maximum oscillation within the range of sea site’s waves were obtained for both limits: for wave period 5 s, L = 4 m, and for the 8 s wave period, L = 11 m. Thus, the recommended range for gap length (L) is 4 m ≤ L ≤ 11 m. Table 1 summarises the range for D and L in the optimisation process obtained from the analysis in this section.

6. Numerical Setup

For this study, we use SolidWorks [25] software for modelling 3D CAD model geometry. Apart from providing a comfortable user interface for model development, software such as SolidWorks can provide important information for model simulation, such as a body’s centre of gravity, its related moment of inertia values, and mass properties.
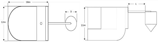
Initially, two solid BBDB and PA bodies were created using SolidWorks. The BBDB model was designed in a similar manner to the experiment model by Jalani et al. (2022) [7]. However, the dimensions follow Mantanani Island wave characteristics, as described in the previous section with 18 m (L) × 11 m (H) × 12 m (W), as shown in Figure 8. The conical PA shape was selected based on the optimal shape, as in a previous study by Flannery (2018), who also maintained the exact shape with a chamfer 45° bottom angle and retained the exact dimension ratio with bigger scale [26]. In this study, several PA models with variations in diameter have been constructed to run the simulation.
Both models were imported and assembled in DesignModeler by ANSYS AQWA [27] with a variation gap range between the model surface wall using an aluminium rode attached to the back of BBDB and to the top of conical PA with a rigid joint point. This study made use of regular Stokes’ waves of second order with Mantanani Island wave height Hs = 0.4 m, wave period Tp = 6 s, and wavelength λ = 56 m.
In the Hydrodynamic Diffractions section, hydrodynamic conditions were set up following the numerical setup: 20 m water depth, 1025 kg/m3 water density, and 9.81 m/s2 gravity. The Morison drag coefficient was added at each model as the input parameter representing viscosity, as described in Section 4.
Although this software can focus on motions (and forces) in six degrees of freedom, the focus of this discussion is on the heave motion for the sake of simplicity and limitation. Thus, only the z-direction motion is studied.

7. Validation of Simulation Results

The validation of the present numerical model was carried for the selected parameters. Figure 9 shows the wave elevation inside the BBDB water column between the numerical and experimental [22] results. The trends of the present study’s results agree well with the experimental results, although there is a large difference value at the minimum and maximum wave period due to the air compressibility effect and the viscosity effect that the simulation cannot predict properly. This may be due to AQWA using the concept of potential flow, which requires manual input for those parameters. Moreover, we calculated the time series of the heave motion of a PA in a regular wave. We validated this simulation with an experiment carried out by [26] on wave surface motion elevation, as shown in Figure 10. Figure 9 and Figure 10 show that the numerical results agree with the experimental results of previous studies.
The results demonstrate that our numerical model is valid and aligns with the experimental work, and therefore, it is suitable for investigating the performance of a Hybrid BBDB-PA.

8. Design of Experimental Setup

DOE is a method for analysing a condition where one or more variable factors give a varied response. It can solve complicated situations that involve more than one variable that may affect multiple responses and configure more variables interacting with each other. It gives a solution to specific problems about the behaviour of a system that requires an optimal number of experimental observations.
The primary dimension range for the WEC was set as follows: 2 m < D < 5 m and 4 m < L < 11 m. Theoretically, this range offers infinite solutions that must be solved. We solved the infinite solutions using the DoE method, which involved 13 computer runs, as shown in Table 2 and Table 3 for the front and back positions, respectively.
Each simulation process contains inputs that affect the behaviour of the system and the outputs generated by the process. Moreover, it can also determine the relation between inputs and results. Experiments in engineering are conducted to ascertain the relation between exercise controls and various process inputs to produce the required outputs. The inputs to the process are called variables or factors, while the process outputs are called responses.
The advantage of using DoE in experiments is filtering out factors important in experimental variation. In addition, it identifies the effects of interacting factors in driving the process and the factors that catalyse the process to the optimum. It saves time by reducing the number of processes runs.
For this study, we developed multiple simulations for a given design variables. However, response surface experiments and screening experiments are extreme designs that incorporate all others. Response surface experiments can show both the main effects of variables and how they interact with each other in the response for each design variable. This is different from screening experiments, which only show the former and not the latter. Thus, we used the response surface method (RSM) to design the sequence of simulations to attain a better outcome.
This optimisation study used a set of PA condition parameters to achieve the required maximum power absorption for force excitation, RAO, and WEC (response). Considering the maximum power absorption as the final objective, various reaction factors were employed as the catalyst outcomes that influence the motion of PA, which absorb the most energy across the widest period range.

9. Results and Discussion

We determined the range of condition parameters (factors) based on the characteristics of the installed sea site as well as the principal conditions used in the DoE method. We examined the statistical analysis findings and decided the final Hybrid BBDB-PA parameters according to the plotted graph, contour plots, and surface plots generated through the analysis. The hydrodynamic simulations and analysis were conducted in the frequency domain using a computational software, named ANSYS AQWA. Figure 11 shows a numerical model in mesh mode generated by ANSYS AQWA.

9.1. PA Position Comparison

As indicated in Figure 12, to verify the best PA position, a series of runs with BBDB in the diameter range of 2 m < D < 5 m was performed in AQWA ANSYS using the second order of regular Stokes’ waves. We compared the results to those from the optimisation process. The figure shows the maximum power absorption for the PA over the diameter range 2 to 5 m. As expected, increasing the diameter increased the maximum power absorption [28], which indicates that the best range selection is a diameter of 5 m. This could be attributable to the fact that higher diameter values correspond to more contact between the wet surface area with the ocean and higher wave energy absorption [29].
Moreover, it demonstrates that the front PA position is highly efficient in harvesting wave energy for PA diameter 3 to 6 m, with a high difference in the maximum power absorption compared to the back PA position. This could be because the PA received more wave energy from an incident wave in the front position compared to the back position [30], which was blocked by BBDB. However, we also found that a PA diameter below 3 m has an almost similar value for front and back PA positions. This may be ascribed to the fact that a large size difference between BBDB and PA makes a PA with a smaller diameter to receive unpredictable wave direction caused by a bigger wave interaction from BBDB [31].

9.2. Diameter PA and Gap Length Interactions

The simulation results were analysed using statistical software. The contour plots shown in Figure 13 helped us to view the relationship between condition parameters and their effects on the force excitation, heave RAO, and maximum power absorption as the responses. The vertical/horizontal axe represents the gap length (L)/diameter PA (D), respectively, in the predefined ranges. The solid and dashed lines represent the minimum and maximum values of responses, respectively.
The behaviour for both front and back PA position contour plots was similar. What differentiates them is the response value for the back position being lower than the front position, as mentioned in the previous section. Furthermore, from the contour plot, we infer that the heave RAO does not affect the value of maximum power absorption due to the non-intersection maximum heave RAO area with any other maximum line. Moreover, higher RAO occurs at the intermediate diameter (D = 3.5 m) and gap length (L = 7 m).
For instance, a PA with a larger diameter (D > 5 m) and small gap length (L < 7 m) is in the maximum area for force excitation and has close to 290 kN/m (front) and 180 kN/m (back) with a maximum power absorption of approximately 5 kW (front) and 2 kW (back). It implies that a larger buoy with a smaller gap will absorb higher force and power. On the other hand, the minimum value for all responses happens at once at the same location at the diameter (D < 3 m) and gap length (5 m > L > 10 m). This means that these parameters need to avoid satisfying the resonant condition for installed sea site wave characteristics. Therefore, besides the response value front position being higher than back position, we also can conclude from these contour plots that the larger PA diameter with an intermediate gap length has the highest performance.

9.3. Optimum Diameter and Gap Length

The main effect diagrams for the force excitation, heave RAO, and maximum power absorption of the PA are shown in Figure 14, Figure 15 and Figure 16, respectively. Figure 14 shows that the force excitation increased as the PA diameter with maximum value corresponds to the diameter value of 5.6 m. It means that a larger PA diameter will receive a larger impact force due to larger surface contact with wave. For gap length, it increased to 4 m, then decreased after the gap length increased more than 4 m. This trend may be due to a lower impact force when PA is too close and too far with BBDB, causing a wave interaction between WEC.
Figure 15 shows a slightly different trend from other graphs. It shows that a higher value occurs in the middle of the graph, increasing in the early phase and decreasing in a later phase. This trend may be related with resonance frequency of the model; in other words, heave RAO may directly affect by resonance frequency of WEC. However, as discussed previously, the value of heave RAO does not affect the value of maximum power absorption [32]. The maximum value corresponds to the diameter value of 3.5 m and gap length of 12.5 m with 9 m/m of heave RAO. Moreover, two peaks occur when the gap lengths are 7.5 m and 12.5 m; this may be due to two resonance frequencies occurring due to the combination of two different WEC.
Figure 16 shows the main effect diagram for the maximum power absorption relative to diameter and gap length. The trend is analogous to the force excitation trend. The force excitation highly affected the maximum power absorption [33]. It means that a larger PA diameter will receive a larger impact force, larger contact surface, and larger power absorption from wave energy. The maximum value corresponds to the diameter value of 6 m and gap length of 4 m. It can be noticed that a gap length of 4 m corresponds well with the sea site wave condition. This may be due to gap length significantly affecting the incident wavelength. Therefore, it should be noted that modifying the PA diameter and gap values significantly influences the Hybrid BBDB-PA performance.
Figure 17 shows the maximum power absorption and heave RAO versus the PA diameter with gap length. It also illustrates the interplay of condition parameters (factors). The factors with the maximum power absorption, factors (5; 7), have a relatively high RAO, whereas the factors with the maximum heave RAO, factors (3.5; 7), have low power absorption. From this surface plot, the optimum value for gap length was 7 m, where it reached the maximum value for all condition parameters.
To further strengthen this study, we used the condition parameter in the response surface optimiser to determine the best set of parameters that jointly maximise the PA’s force excitation, heave RAO, and maximum power absorption. At this point, the condition parameter configuration with a PA diameter of 5 m and a gap length of 7 m were considered optimal. When summed up with BBDB length, the diameter and gap length value coincided with the theoretical value for peak-to-trough length, where the maximum wave height occurred.

9.4. Empirical Equations for Response Parameter

Based on the available dataset, we propose an empirical formula relating to the response parameters such as heave RAO, and maximum power absorption derived by RSM. The optimum value that brings the condition factors to the optimal performance of the response parameter is shown in the empirical equation below:
R A O = 29 + 14   D i a + 4   G a p 2   D i a 2 G a p 2 D i a × G a p
P a b s = 32 1317 D i a + 364 G a p + 394 D i a 2 17 G a p 2 36   D i a × G a p
This empirical equation was generated by RSM statistical analysis based on Mantanani Island wave condition with wave height Hs = 0.4 m and wave period Tp = 6 s. The developed empirical equations matched the findings of the simulations with a coefficient of determination (R2) of 0.94 and 0.98 for the heave RAO and the maximum power absorption, respectively. Consequently, the proposed empirical equations can be used for the rapid estimate of the performance characteristics of Hybrid BBDB-PA within the test limit per the implementation of suitable engineering judgement.

10. Conclusions

This study investigated the various sizes and positions of PA on a Hybrid BBDB-PA wave energy converter suitable for Mantanani Island wave conditions. We simulated these models using frequency and time domain analyses and statistical analyses. We summarised the findings of this study as follows:
  • We observed the Mantanani Island Sea site condition through data collected by ADCP over a one-year period. The analysis shows a frequent wave period range from 5 to 8 s with a wave peak period Tp = 6 s and an average significant height of Hs = 0.4 m. Based on this output, the wave power level per unit width was calculated to be approximately 3.5 kW/m.
  • We selected the front PA position as the best position per the high value of maximum power absorption versus the diameter and contour plot of the condition parameter.
  • The effects of the different series of diameter and gap length on the force excitation, heave RAO, and maximum power absorption of the PA were determined. The results include the contour and surface plots of the condition parameter. The optimum parameter was selected with D = 5 m and L = 7 m for the Mantanani Island wave characteristics.
  • The performance of the PA was proportional to its size—a bigger diameter offered more contact with the wet surface area of the ocean and absorbed higher wave energy.
  • The gap length between PA and BBDB was directly correlated with wavelength, following the theoretical value for peak-to-trough length, where the maximum wave height occurs.
We should point out that improvements to the device’s size and position may result in greater costs for its construction, operation, and maintenance because these improvements increase the overall parameters of the device. In addition to the hydrodynamics and wave power absorption of Hybrid BBDB-PA, which is the focus of this research, it is important to consider the device’s material selection and strength–stress analysis. This assessment will be conducted in future work as it is outside the scope of this study.

Author Contributions

Conceptualization, M.A.J., M.R.S. and M.R.A.R.; validation, M.A.J., M.R.S., M.F.A. and M.R.A.R.; writing—original draft preparation, M.A.J.; writing—review and editing, M.A.J., M.F.A., M.R.S. and N.Z.A.; supervision, M.R.A.R., M.R.S. and M.F.A.; project administration, M.R.A.R., M.N.R. and M.A.M.N.; funding acquisition, M.R.A.R., M.R.S. and M.N.R. All authors have read and agreed to the published version of the manuscript.

Funding

This research was funded by Ministry of Higher Education, Malaysia grant number [FRGS/1/2020/TK0/UPNM/02/03] and also was performed under the funding assistance from Akaun Amanah Industri Bekalan Elektrik (AAIBE) [UPNM/2018/AAIBE-KETTHA/TK/1/P4]

Institutional Review Board Statement

Not applicable.

Informed Consent Statement

Not applicable.

Data Availability Statement

Not applicable.

Acknowledgments

The authors would like to acknowledge the Universiti Pertahanan Nasional Malaysia for the APC funding assistance.

Conflicts of Interest

The authors declare no conflict of interest.

References

  1. Kai, L.Y.; Sarip, S.; Kaidi, H.M.; Ardila-Rey, J.A.; Samsuddin, N.M.; Muhtazaruddin, M.N.; Muhammad-Sukki, F.; Aziz, S.A. Current Status and Possible Future Applications of Marine Current Energy Devices in Malaysia: A Review. IEEE Access 2021, 9, 86869–86888. [Google Scholar] [CrossRef]
  2. Ghani, N.S.A.; Ibrahim, T.; Nor, N.M. Designing of a generator for wave energy conversion for outdoor activities. Int. J. Power Electron. Drive Syst. 2020, 11, 1415–1422. [Google Scholar] [CrossRef]
  3. Muda, W.M.W.; Salleh, N.A.S. Feasibility Study of Renewable Energy System for an Island in Terengganu. In Proceedings of the 2018 3rd Asia Conference on Power and Electrical Engineering (ACPEE 2018), Kitakyushu, Japan, 22–24 March 2018; Volume 366. [Google Scholar] [CrossRef]
  4. Abd Latif, A.F.; Munikanan, V.; Abdullah, M.A.; Nor, M.A.M.; Suif, Z.; Ahmad, N. A Review on Environmental Impact Assessment on Wave Energy Converter in Pulau Mantanani Besar, Kota Belud, Sabah. J. Eng. Educ. 2020, 12, 1–4. [Google Scholar]
  5. Hamid, A.S.A.; Makmud, M.Z.H.; Rahman, A.B.A.; Jamain, Z.; Ibrahim, A. Investigation of potential of solar photovoltaic system as an alternative electric supply on the tropical island of Mantanani Sabah Malaysia. Sustainability 2021, 13, 12432. [Google Scholar] [CrossRef]
  6. Rozali, R.H.; Mustapa, M.A.; Ramli, M.A.H.; Mohamed, E.A.A.E. Wave Energy Conversion: A Comparison of Fix and Floating of Oscillating Water Column for Low Wave Energy. In Proceedings of the 2021 IEEE 19th Student Conference on Research and Development (SCOReD), Kota Kinabalu, Malaysia, 23–25 November 2021; pp. 399–404. [Google Scholar] [CrossRef]
  7. Jalani, M.A.; Ismail, N.I.; Saad, M.R.; Samion, M.K.H.; Imai, Y.; Nagata, S.; Rahman, M.R.A. Experimental study on a bottom corner of the floating WEC. Ocean. Eng. 2022, 243, 110237. [Google Scholar] [CrossRef]
  8. Sheng, W. Motion and performance of BBDB OWC wave energy converters: I, hydrodynamics. Renew. Energy 2019, 138, 106–120. [Google Scholar] [CrossRef]
  9. Masuda, Y. An experience of wave power generator through tests and improvement. In Hydrodynamics of Ocean Wave-Energy Utilization; Springer: Berlin/Heidelberg, Germany, 1986; pp. 445–452. ISBN 3540161155. [Google Scholar]
  10. Shadman, M.; Estefen, S.F.; Rodriguez, C.A.; Nogueira, I.C. A geometrical optimization method applied to a heaving point absorber wave energy converter. Renew. Energy 2018, 115, 533–546. [Google Scholar] [CrossRef]
  11. Sun, P.; Hu, S.; He, H.; Zheng, S.; Chen, H.; Yang, S.; Ji, Z. Structural optimization on the oscillating-array-buoys for energy-capturing enhancement of a novel floating wave energy converter system. Energy Convers. Manag. 2021, 228, 113693. [Google Scholar] [CrossRef]
  12. Neshat, M.; Alexander, B.; Sergiienko, N.Y.; Wagner, M. New insights into position optimisation of wave energy converters using hybrid local search. Swarm Evol. Comput. 2020, 59, 100744. [Google Scholar] [CrossRef]
  13. Erselcan, I.; Kükner, A. A parametric optimization study towards the preliminary design of point absorber type wave energy converters suitable for the Turkish coasts of the Black Sea. Ocean. Eng. 2020, 218, 108275. [Google Scholar] [CrossRef]
  14. Hu, J.; Zhou, B.; Vogel, C.; Liu, P.; Willden, R.; Sun, K.; Zang, J.; Geng, J.; Jin, P.; Cui, L.; et al. Optimal design and performance analysis of a hybrid system combing a floating wind platform and wave energy converters. Appl. Energy 2020, 269, 114998. [Google Scholar] [CrossRef]
  15. Wang, C.; Ma, T.; Zhang, Y. Semi-analytical study on an integrated-system with separated heaving OWC and breakwater: Structure size optimization and gap resonance utilization. Ocean. Eng. 2022, 245, 110319. [Google Scholar] [CrossRef]
  16. Jiang, S.-C.; Bai, W.; Tang, G.-Q. Numerical simulation of wave resonance in the narrow gap between two non-identical boxes. Ocean. Eng. 2018, 156, 38–60. [Google Scholar] [CrossRef]
  17. HZhang, H.; Zhou, B.; Zang, J.; Vogel, C.; Fan, T.; Chen, C. Effects of narrow gap wave resonance on a dual-floater WEC-breakwater hybrid system. Ocean. Eng. 2021, 225, 108762. [Google Scholar] [CrossRef]
  18. Cui, L.; Zheng, S.; Zhang, Y.; Miles, J.; Iglesias, G. Wave power extraction from a hybrid oscillating water column-oscillating buoy wave energy converter. Renew. Sustain. Energy Rev. 2021, 135, 110234. [Google Scholar] [CrossRef]
  19. Jalani, M.A.; Saad, M.R.; Samion, M.K.H.; Imai, Y.; Nagata, S.; Rahman, M.R.A. Numerical study on a hybrid WEC of the Backward Bent Duct Buoy and Point Absorber. Ocean. Eng. 2023, 267, 113306. [Google Scholar] [CrossRef]
  20. Isa, N.A.; Baharudin, Z.A.; Zainuddin, H.; Sutikno, T.; Zainon, M.; Zulkefle, A.A. Distribution of attempted leader with monsoon seasons and negative cloud-to-ground flashes in Melaka, Malaysia. Indones. J. Electr. Eng. Comput. Sci. 2021, 23, 1324–1330. [Google Scholar] [CrossRef]
  21. Bosma, B.; Zhang, Z.; Brekken, T.K.; Ozkan-Haller, H.T.; McNatt, C.; Yim, S.C. Wave Energy Converter Modeling in the Frequency Domain: A Design Guide. In Proceedings of the 2012 IEEE Energy Conversion Congress and Exposition (ECCE), Raleigh, NC, USA, 15–20 September 2012; pp. 2099–2106. [Google Scholar]
  22. Aiman, M.J.; Ismail, N.I.; Saad, M.R.; Imai, Y.; Nagata, S.; Samion, M.K.H.; Manan, E.A.; Rahman, M.R.A. Study on shape geometry of floating oscillating water column wave energy converter for low heave wave condition. J. Adv. Res. Fluid Mech. Therm. Sci. 2020, 70, 124–134. [Google Scholar] [CrossRef]
  23. Twidell, J. Renewable Energy Resources; Routledge: Oxford, UK, 2021. [Google Scholar]
  24. Saket, A.; Peirson, W.L.; Banner, M.L.; Allis, M.J. On the influence of wave breaking on the height limits of two-dimensional wave groups propagating in uniform intermediate depth water. Coast. Eng. 2018, 133, 159–165. [Google Scholar] [CrossRef]
  25. Dassault Systemes. 3D CAD Design Software SolidWorks. 2021. Available online: https://www.solidworks.com/ (accessed on 12 December 2021).
  26. Flannery, B. Laboratory Scale Modelling of a Point Absorber Wave Energy converter. Ph.D. Thesis, University College Cork, Cork, Ireland, 2018. Available online: http://hdl.handle.net/10468/6980 (accessed on 12 December 2021).
  27. Ansys-AQWA. Advanced Quantitive Wave Analysis. 2021. Available online: https://www.ansys.com/products/structures/ansys-mechanical (accessed on 12 December 2021).
  28. Tay, Z.Y. Energy generation enhancement of arrays of point absorber wave energy converters via Moonpool’s resonance effect. Renew. Energy 2022, 188, 830–848. [Google Scholar] [CrossRef]
  29. Aghakhani, S.; Afrand, M.; Karimipour, A.; Kalbasi, R.; Razzaghi, M.M. Numerical study of the cooling effect of a PVT on its thermal and electrical efficiency using a Cu tube of different diameters and lengths. Sustain. Energy Technol. Assess. 2022, 52, 102044. [Google Scholar] [CrossRef]
  30. Kim, S.-J.; Koo, W. Numerical Study on a Multibuoy-Type Wave Energy Converter with Hydraulic PTO System under Real Sea Conditions. IEEE J. Ocean. Eng. 2021, 46, 573–582. [Google Scholar] [CrossRef]
  31. Tay, Z.Y. Effect of resonance and wave reflection in semi-enclosed moonpool on performance enhancement of point absorber arrays. Ocean. Eng. 2022, 243, 110182. [Google Scholar] [CrossRef]
  32. Dong, X.; Gao, Z.; Li, D.; Shi, H. Experimental and numerical study of a two-body heaving wave energy converter with different power take-off models 2. Ocean Eng. 2020, 220, 108454. [Google Scholar] [CrossRef]
  33. Rosa-Santos, P.; Taveira-Pinto, F.; Rodríguez, C.A.; Ramos, V.; López, M. The CECO wave energy converter: Recent developments. Renew. Energy 2019, 139, 368–384. [Google Scholar] [CrossRef]
Figure 1. Generic View of Hybrid BBDB-PA System.
Figure 1. Generic View of Hybrid BBDB-PA System.
Jmse 11 00386 g001
Figure 2. The Optimisation Process of the Hybrid BBDB-PA.
Figure 2. The Optimisation Process of the Hybrid BBDB-PA.
Jmse 11 00386 g002
Figure 3. Location Map of Mantanani Island in the Northern Part of Sabah.
Figure 3. Location Map of Mantanani Island in the Northern Part of Sabah.
Jmse 11 00386 g003
Figure 4. The ADCP Deployment of Northeast Mantanani Besar Island.
Figure 4. The ADCP Deployment of Northeast Mantanani Besar Island.
Jmse 11 00386 g004
Figure 5. Bathymetry Survey at Mantanani Island.
Figure 5. Bathymetry Survey at Mantanani Island.
Jmse 11 00386 g005
Figure 6. Joint Distribution Percentage of Mantanani Island.
Figure 6. Joint Distribution Percentage of Mantanani Island.
Jmse 11 00386 g006
Figure 7. Monthly Average Wave Power in Mantanani Island.
Figure 7. Monthly Average Wave Power in Mantanani Island.
Jmse 11 00386 g007
Figure 8. Top View (Left) and Side View (Right) of the Model with Dimensions.
Figure 8. Top View (Left) and Side View (Right) of the Model with Dimensions.
Jmse 11 00386 g008
Figure 9. Wave Elevation Inside the BBDB Water Column [22].
Figure 9. Wave Elevation Inside the BBDB Water Column [22].
Jmse 11 00386 g009
Figure 10. Heave RAO of the PA [26].
Figure 10. Heave RAO of the PA [26].
Jmse 11 00386 g010
Figure 11. Geometry of the Hybrid BBDB-PA.
Figure 11. Geometry of the Hybrid BBDB-PA.
Jmse 11 00386 g011
Figure 12. Maximum Power Absorption Versus Diameter PA for Front and Back PA Positions.
Figure 12. Maximum Power Absorption Versus Diameter PA for Front and Back PA Positions.
Jmse 11 00386 g012
Figure 13. Contour Plot of the Condition Parameters (Length and Diameter) for PA Front Position (Left) and Back Position (Right).
Figure 13. Contour Plot of the Condition Parameters (Length and Diameter) for PA Front Position (Left) and Back Position (Right).
Jmse 11 00386 g013
Figure 14. Main Effect Diagram for Force Excitation.
Figure 14. Main Effect Diagram for Force Excitation.
Jmse 11 00386 g014
Figure 15. Main Effect Diagram for Heave RAO.
Figure 15. Main Effect Diagram for Heave RAO.
Jmse 11 00386 g015
Figure 16. Main Effect Diagram for Maximum Power Absorption.
Figure 16. Main Effect Diagram for Maximum Power Absorption.
Jmse 11 00386 g016
Figure 17. Surface Plot Corresponding to: RAO (Left) and Maximum Power Absorption (Right) versus PA Diameter and Gap Length.
Figure 17. Surface Plot Corresponding to: RAO (Left) and Maximum Power Absorption (Right) versus PA Diameter and Gap Length.
Jmse 11 00386 g017
Table 1. Minimum and Maximum values for the Hybrid BBDB-PA Condition Parameter.
Table 1. Minimum and Maximum values for the Hybrid BBDB-PA Condition Parameter.
Minimum Value (m)Maximum Value (m)
Diameter of PA (D)25
Length gap between BBDB and PA (L)411
Table 2. Simulations Designed for Front Position.
Table 2. Simulations Designed for Front Position.
FactorsResponse
D (m)L (m)Force Excitation (N/m)Heave RAO
(m/m)
Max Power Absorption (W)
13.507.50130,76610.291031
22.004.0053,3253.12125
33.5012.45100,8009.73626
43.507.50130,76610.291031
51.387.5023,3283.7832
65.0011.00209,6881.742783
72.0011.0047,4766.33146
83.507.50130,76610.291031
95.004.00253,8603.893521
103.507.50130,76610.291031
113.502.55128,1863.43681
123.507.50130,76610.291031
135.627.50295,8331.505689
Table 3. Simulations Designed for Back Position.
Table 3. Simulations Designed for Back Position.
FactorsResponse
D (m)L (m)Force Excitation (N/m)Heave RAO
(m/m)
Max Power Absorption (W)
13.507.5082,2097.06410
22.004.0035,4981.8154
33.5012.4579,7504.62325
43.507.5082,2097.06410
51.387.5014,6022.2013
65.0011.00156,9391.041563
72.0011.0032,4923.6968
83.507.5082,2097.06410
95.004.00161,2945.941435
103.507.5082,2097.06410
113.502.5587,7142.38317
123.507.5082,2097.06410
135.627.50188,9351.792353
Disclaimer/Publisher’s Note: The statements, opinions and data contained in all publications are solely those of the individual author(s) and contributor(s) and not of MDPI and/or the editor(s). MDPI and/or the editor(s) disclaim responsibility for any injury to people or property resulting from any ideas, methods, instructions or products referred to in the content.

Share and Cite

MDPI and ACS Style

Jalani, M.A.; Saad, M.R.; Abdullah, M.F.; Md Naiem, M.A.; Razali, M.N.; Zainal Abidin, N.; Abdul Rahman, M.R. A Statistical Analysis for Optimisation of a Hybrid BBDB-PA in Mantanani Island, Sabah. J. Mar. Sci. Eng. 2023, 11, 386. https://doi.org/10.3390/jmse11020386

AMA Style

Jalani MA, Saad MR, Abdullah MF, Md Naiem MA, Razali MN, Zainal Abidin N, Abdul Rahman MR. A Statistical Analysis for Optimisation of a Hybrid BBDB-PA in Mantanani Island, Sabah. Journal of Marine Science and Engineering. 2023; 11(2):386. https://doi.org/10.3390/jmse11020386

Chicago/Turabian Style

Jalani, Muhamad Aiman, Mohd Rashdan Saad, Mohamad Faizal Abdullah, Mohd Azzeri Md Naiem, Mohd Norsyarizad Razali, Noh Zainal Abidin, and Mohd Rosdzimin Abdul Rahman. 2023. "A Statistical Analysis for Optimisation of a Hybrid BBDB-PA in Mantanani Island, Sabah" Journal of Marine Science and Engineering 11, no. 2: 386. https://doi.org/10.3390/jmse11020386

APA Style

Jalani, M. A., Saad, M. R., Abdullah, M. F., Md Naiem, M. A., Razali, M. N., Zainal Abidin, N., & Abdul Rahman, M. R. (2023). A Statistical Analysis for Optimisation of a Hybrid BBDB-PA in Mantanani Island, Sabah. Journal of Marine Science and Engineering, 11(2), 386. https://doi.org/10.3390/jmse11020386

Note that from the first issue of 2016, this journal uses article numbers instead of page numbers. See further details here.

Article Metrics

Back to TopTop