An Extensive Review of Liquid Hydrogen in Transportation with Focus on the Maritime Sector
Abstract
1. Introduction
2. Hydrogen Production and Environmental Impact
2.1. Hydrogen Colors and Carbon Footprint
2.2. Indirect Greenhouse Gas Effects
- Reduction of OH in the troposphere.
 - Formation of ozone (a GHG) in the troposphere.
 - Formation of water vapor in the stratosphere.
 
3. Liquid Hydrogen in the Transportation Sector
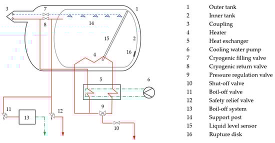
3.1. Liquid Hydrogen Storage
3.1.1. Materials for LH2 Tanks
3.2. Aerospace and Aviation Industry
Aviation Sector
3.3. Road Transport
3.4. Railway Transport
3.5. LH2 Delivery
4. Maritime Sector
4.1. State of the Art of Liquid Hydrogen Technologies in the Maritime Sector
4.1.1. Feasibility Studies for Liquid Hydrogen Ships
- Container feeders.
 - Ferries.
 - Research vessels.
 - Platform supply vessels and construction support vessels.
 - Harbor tugs.
 - Tankers and bunkering vessels.
 
4.1.2. Liquid Hydrogen Vessels
4.1.3. Bunkering
- Truck to ship (TTS).
 - Ship to ship (STS).
 - Bunker station.
 - Swappable containers.
 
- With a cryogenic pump.
 - By pressure differential.
 - A combination of the above.
 
4.1.4. Other Studies Related to Liquid Hydrogen for Maritime Applications
4.2. Hydrogen Utilization on Board
- Internal combustion engines (ICEs).
 - Fuel cells (FCs).
 - Hybrid (batteries and fuel cells).
 - Gas or steam turbines.
 
4.3. Codes, Standards and Regulations
4.3.1. LH2 Vessel Design
4.3.2. LH2 Bunkering Facilities
4.4. Safety
5. Challenges for the Implementation of Liquid Hydrogen in the Maritime Sector
6. Conclusions
Author Contributions
Funding
Institutional Review Board Statement
Informed Consent Statement
Data Availability Statement
Conflicts of Interest
References
- European Commission. A European Green Deal. Available online: https://ec.europa.eu/info/strategy/priorities-2019-2024/european-green-deal_en (accessed on 16 August 2022).
 - European Commission. REPowerEU: A Plan to Rapidly Reduce Dependence on Russian Fossil Fuels and Fast Forward the Green Transition. Available online: https://ec.europa.eu/commission/presscorner/detail/en/IP_22_3131 (accessed on 16 August 2022).
 - NIST. NIST Chemistry WebBook 69. Available online: https://webbook.nist.gov/chemistry/ (accessed on 16 August 2022).
 - Airbus. Airbus Reveals New Zero-Emission Concept Aircraft. Available online: https://www.airbus.com/en/newsroom/press-releases/2020-09-airbus-reveals-new-zero-emission-concept-aircraft (accessed on 16 August 2022).
 - International Council on Clean Transportation (ICCT). VISION 2050, A Strategy to Decarbonize the Global Transport Sector by Mid-Century. 2020. Available online: https://theicct.org/wp-content/uploads/2021/06/ICCT_Vision2050_sept2020.pdf (accessed on 16 August 2022).
 - Taccani, R.; Ustolin, F.; Zuliani, N.; Pinamonti, P.; Pietra, A. Fuel Cells and Shipping Emissions Mitigation. In Proceedings of the NAV International Conference on Ship and Shipping Research, Trieste, Italy, 20–22 June 2018. [Google Scholar]
 - U.S. Energy Information Administration. Hydrogen Explained–Production of Hydrogen. Available online: https://www.eia.gov/energyexplained/hydrogen/production-of-hydrogen.php (accessed on 16 August 2022).
 - Ustolin, F.; Paltrinieri, N.; Berto, F. Loss of Integrity of Hydrogen Technologies: A Critical Review. Int. J. Hydrogen Energy 2020, 45, 23809–23840. [Google Scholar] [CrossRef]
 - International Energy Agency (IEA). Global Hydrogen Review 2021; IEA: Paris, France, 2021; Available online: https://www.iea.org/reports/global-hydrogen-review-2021 (accessed on 16 August 2022).
 - Ajanovic, A.; Sayer, M.; Haas, R. The Economics and the Environmental Benignity of Different Colors of Hydrogen. Int. J. Hydrogen Energy 2022, 47, 24136–24154. [Google Scholar] [CrossRef]
 - Recharge–NHST Media Group Green Hydrogen Now Cheaper to Produce than Grey H2 across Europe Due to High Fossil Gas Prices. Available online: https://www.rechargenews.com/energy-transition/green-hydrogen-now-cheaper-to-produce-than-grey-h2-across-europe-due-to-high-fossil-gas-prices/2-1-1098104 (accessed on 16 August 2022).
 - Dodgshun, J. Hydrogen: Clearing Up the Colours. Available online: https://www.enapter.com/newsroom/hydrogen-clearing-up-the-colours (accessed on 16 August 2022).
 - Droege, T. Williams Companies—What Are the Colors of Hydrogen? Available online: https://www.williams.com/2021/04/23/what-are-the-colors-of-hydrogen/ (accessed on 16 August 2022).
 - National Grid. The Hydrogen Colour Spectrum. Available online: https://www.nationalgrid.com/stories/energy-explained/hydrogen-colour-spectrum (accessed on 16 August 2022).
 - Bridges, T.; Merzian, R. Hydrogen and Climate: Trojan Horse or Golden Goose?: Request for Input—National Hydrogen Strategy; The Australia Institute: Canberra, Australia, 2019. [Google Scholar]
 - Midilli, A.; Kucuk, H.; Topal, M.E.; Akbulut, U.; Dincer, I. A Comprehensive Review on Hydrogen Production from Coal Gasification: Challenges and Opportunities. Int. J. Hydrogen Energy 2021, 46, 25385–25412. [Google Scholar] [CrossRef]
 - Li, J.; Cheng, W. Comparative Life Cycle Energy Consumption, Carbon Emissions and Economic Costs of Hydrogen Production from Coke Oven Gas and Coal Gasification. Int. J. Hydrogen Energy 2020, 45, 27979–27993. [Google Scholar] [CrossRef]
 - Li, G.; Cui, P.; Wang, Y.; Liu, Z.; Zhu, Z.; Yang, S. Life Cycle Energy Consumption and GHG Emissions of Biomass-to-Hydrogen Process in Comparison with Coal-to-Hydrogen Process. Energy 2020, 191, 116588. [Google Scholar] [CrossRef]
 - Postels, S.; Abánades, A.; von der Assen, N.; Rathnam, R.K.; Stückrad, S.; Bardow, A. Life Cycle Assessment of Hydrogen Production by Thermal Cracking of Methane Based on Liquid-Metal Technology. Int. J. Hydrogen Energy 2016, 41, 23204–23212. [Google Scholar] [CrossRef]
 - Howarth, R.W.; Jacobson, M.Z. How Green Is Blue Hydrogen? Energy Sci. Eng. 2021, 9, 1676–1687. [Google Scholar] [CrossRef]
 - Siddiqui, O.; Dincer, I. A Well to Pump Life Cycle Environmental Impact Assessment of Some Hydrogen Production Routes. Int. J. Hydrogen Energy 2019, 44, 5773–5786. [Google Scholar] [CrossRef]
 - Oni, A.O.; Anaya, K.; Giwa, T.; Di Lullo, G.; Kumar, A. Comparative Assessment of Blue Hydrogen from Steam Methane Reforming, Autothermal Reforming, and Natural Gas Decomposition Technologies for Natural Gas-Producing Regions. Energy Convers. Manag. 2022, 254, 115245. [Google Scholar] [CrossRef]
 - Antonini, C.; Treyer, K.; Streb, A.; van der Spek, M.; Bauer, C.; Mazzotti, M. Hydrogen Production from Natural Gas and Biomethane with Carbon Capture and Storage—A Techno-Environmental Analysis. Sustain. Energy Fuels 2020, 4, 2967. [Google Scholar] [CrossRef]
 - Romano, M.C.; Antonini, C.; Bardow, A.; Bertsch, V.; Brandon, N.P.; Brouwer, J.; Campanari, S.; Crema, L.; Dodds, P.E.; Gardarsdottir, S.; et al. Comment on “How Green Is Blue Hydrogen?”. Energy Sci. Eng. 2022, 10, 1944–1954. [Google Scholar] [CrossRef]
 - Amin, A.M.; Croiset, E.; Epling, W. Review of Methane Catalytic Cracking for Hydrogen Production. Int. J. Hydrogen Energy 2011, 36, 2904–2935. [Google Scholar] [CrossRef]
 - Schneider, S.; Bajohr, S.; Graf, F.; Kolb, T. State of the Art of Hydrogen Production via Pyrolysis of Natural Gas. ChemBioEng Rev. 2020, 7, 150–158. [Google Scholar] [CrossRef]
 - Leal Pérez, B.J.; Medrano Jiménez, J.A.; Bhardwaj, R.; Goetheer, E.; van Sint Annaland, M.; Gallucci, F. Methane Pyrolysis in a Molten Gallium Bubble Column Reactor for Sustainable Hydrogen Production: Proof of Concept & Techno-Economic Assessment. Int. J. Hydrogen Energy 2021, 46, 4917–4935. [Google Scholar] [CrossRef]
 - Dufour, J.; Serrano, D.P.; Gálvez, J.L.; González, A.; Soria, E.; Fierro, J.L.G. Life Cycle Assessment of Alternatives for Hydrogen Production from Renewable and Fossil Sources. Int. J. Hydrogen Energy 2012, 37, 1173–1183. [Google Scholar] [CrossRef]
 - Cetinkaya, E.; Dincer, I.; Naterer, G.F. Life Cycle Assessment of Various Hydrogen Production Methods. Int. J. Hydrogen Energy 2012, 37, 2071–2080. [Google Scholar] [CrossRef]
 - Ghandehariun, S.; Kumar, A. Life Cycle Assessment of Wind-Based Hydrogen Production in Western Canada. Int. J. Hydrogen Energy 2016, 41, 9696–9704. [Google Scholar] [CrossRef]
 - Valente, A.; Iribarren, D.; Dufour, J. Harmonising Methodological Choices in Life Cycle Assessment of Hydrogen: A Focus on Acidification and Renewable Hydrogen. Int. J. Hydrogen Energy 2019, 44, 19426–19433. [Google Scholar] [CrossRef]
 - Dincer, I. Green Methods for Hydrogen Production. Int. J. Hydrogen Energy 2012, 37, 1954–1971. [Google Scholar] [CrossRef]
 - Noussan, M.; Raimondi, P.P.; Scita, R.; Hafner, M. The Role of Green and Blue Hydrogen in the Energy Transition—A Technological and Geopolitical Perspective. Sustainability 2021, 13, 298. [Google Scholar] [CrossRef]
 - IEA. Hydrogen 2021. Available online: https://www.iea.org/reports/hydrogen (accessed on 16 August 2022).
 - Wulf, C.; Kaltschmitt, M. Life Cycle Assessment of Hydrogen Supply Chain with Special Attention on Hydrogen Refuelling Stations. Int. J. Hydrogen Energy 2012, 37, 16711–16721. [Google Scholar] [CrossRef]
 - World Economic Forum. Grey, Blue, Green—Why Are There So Many Colours of Hydrogen? Available online: https://www.weforum.org/agenda/2021/07/clean-energy-green-hydrogen/ (accessed on 16 August 2022).
 - Yu, M.; Wang, K.; Vredenburg, H. Insights into Low-Carbon Hydrogen Production Methods: Green, Blue and Aqua Hydrogen. Int. J. Hydrogen Energy 2021, 46, 21261–21273. [Google Scholar] [CrossRef]
 - Boretti, A. White Is the Color of Hydrogen from Concentrated Solar Energy and Thermochemical Water Splitting Cycles. Int. J. Hydrogen Energy 2021, 46, 20790–20791. [Google Scholar] [CrossRef]
 - Boretti, A. There Are Hydrogen Production Pathways with Better than Green Hydrogen Economic and Environmental Costs. Int. J. Hydrogen Energy 2021, 46, 23988–23995. [Google Scholar] [CrossRef]
 - Energy Observer. What Potential for Natural Hydrogen? Available online: https://www.energy-observer.org/resources/natural-hydrogen (accessed on 16 August 2022).
 - Rahn, T.; Eiler, J.M.; Boering, K.A.; Wennberg, P.O.; McCarthy, M.C.; Tyler, S.; Schauffler, S.; Donnelly, S.; Atlas, E. Extreme Deuterium Enrichment in Stratospheric Hydrogen and the Global Atmospheric Budget of H2. Nature 2003, 424, 918–921. [Google Scholar] [CrossRef]
 - Derwent, R.G.; Stevenson, D.S.; Utembe, S.R.; Jenkin, M.E.; Khan, A.H.; Shallcross, D.E. Global Modelling Studies of Hydrogen and Its Isotopomers Using STOCHEM-CRI: Likely Radiative Forcing Consequences of a Future Hydrogen Economy. Int. J. Hydrogen Energy 2020, 45, 9211–9221. [Google Scholar] [CrossRef]
 - Paulot, F.; Paynter, D.; Naik, V.; Malyshev, S.; Menzel, R.; Horowitz, L.W. Global Modeling of Hydrogen Using GFDL-AM4.1: Sensitivity of Soil Removal and Radiative Forcing. Int. J. Hydrogen Energy 2021, 46, 13446–13460. [Google Scholar] [CrossRef]
 - Field, R.A.; Derwent, R.G. Global Warming Consequences of Replacing Natural Gas with Hydrogen in the Domestic Energy Sectors of Future Low-Carbon Economies in the United Kingdom and the United States of America. Int. J. Hydrogen Energy 2021, 46, 30190–30203. [Google Scholar] [CrossRef]
 - Ocko, I.B.; Hamburg, S.P. Climate Consequences of Hydrogen Leakage. Atmos. Chem. Phys. Discuss. 2022, 22, 9349–9368. [Google Scholar] [CrossRef]
 - Peschka, W. Liquid Hydrogen—Fuel of the Future, 1st ed.; Springer: Wien, Austria, 1992; ISBN 9783709191286. [Google Scholar]
 - Zhuzhgov, A.V.; Krivoruchko, O.P.; Isupova, L.A.; Mart’yanov, O.N.; Parmon, V.N. Low-Temperature Conversion of Ortho-Hydrogen into Liquid Para-Hydrogen: Process and Catalysts. Review. Catal. Ind. 2018, 10, 9–19. [Google Scholar] [CrossRef]
 - Bracha, M.; Lorenz, G.; Patzelt, A.; Wanner, M. Large-Scale Hydrogen Liquefaction in Germany. Int. J. Hydrogen Energy 1994, 19, 53–59. [Google Scholar] [CrossRef]
 - DOE. Energy Requirements for Hydrogen Gas Compression and Liquefaction as Related to Vehicle Storage Needs; DOE: Washington, DC, USA, 2009.
 - Verfondern, K. Safety Considerations on Liquid Hydrogen; Forschungszentrum Jülich GmbH: Jülich, Germany, 2008. [Google Scholar]
 - Tzimas, E.; Filiou, C.; Peteves, S.D.; Veyret, J.B. Hydrogen Storage: State-of-the-Art and Future Perspective; European Commission: Petten, The Netherlands, 2003; ISBN 9289469501. [Google Scholar]
 - Krainz, G.; Bartlok, G.; Bodner, P.; Casapicola, P.; Doeller, C.; Hofmeister, F.; Neubacher, E.; Zieger, A. Development of Automotive Liquid Hydrogen Storage Systems. AIP Conf. Proc. 2004, 710, 35–40. [Google Scholar]
 - Michel, F.; Fieseler, H.; Allidieres, L. Liquid Hydrogen Technologies for Mobile Use Friedel. In Proceedings of the 16th World Hydrogen Energy Conference WHEC, Zaragoza, Spain, 13–16 June 2006; pp. 694–702. [Google Scholar]
 - Müller, C.; Fürst, S.; von Klitzing, W. Hydrogen Safety: New Challenges Based on BMW Hydrogen 7. In Proceedings of the Second International Conference on Hydrogen Safety, San Sebastian, Spain, 11–13 September 2007. [Google Scholar]
 - NASA; Sempsrott, D. Kennedy Plays Critical Role in Large-Scale Liquid Hydrogen Tank Development. Available online: https://www.nasa.gov/feature/kennedy-plays-critical-role-in-large-scale-liquid-hydrogen-tank-development (accessed on 16 August 2022).
 - Notardonato, W.U.; Swanger, A.M.; Fesmire, J.E.; Jumper, K.M.; Johnson, W.L.; Tomsik, T.M. Zero Boil-off Methods for Large-Scale Liquid Hydrogen Tanks Using Integrated Refrigeration and Storage. In Proceedings of the IOP Conference Series: Materials Science and Engineering, Madison, WI, USA, 9–13 July 2017; Institute of Physics Publishing: Bristol, UK, 2017; Volume 278, p. 012012. [Google Scholar]
 - NASA; Granath, B. Innovative Liquid Hydrogen Storage to Support Space Launch System. Available online: https://www.nasa.gov/feature/innovative-liquid-hydrogen-storage-to-support-space-launch-system (accessed on 16 August 2022).
 - Ehrhart, B.D.; Bran Anleu, G.; Mohmand, J.A.; Baird, A.R.; Klebanoff, L.E. Refueling Infrastructure Scoping and Feasibility Assessment for Hydrogen Rail Applications; Sandia National Lab.: Albuquerque, NM, USA, 2021. [Google Scholar]
 - Qiu, Y.; Yang, H.; Tong, L.; Wang, L. Research Progress of Cryogenic Materials for Storage and Transportation of Liquid Hydrogen. Metals 2021, 11, 1101. [Google Scholar] [CrossRef]
 - Park, W.S.; Yoo, S.W.; Kim, M.H.; Lee, J.M. Strain-Rate Effects on the Mechanical Behavior of the AISI 300 Series of Austenitic Stainless Steel under Cryogenic Environments. Mater. Des. 2010, 31, 3630–3640. [Google Scholar] [CrossRef]
 - Edeskuty, F.J.; Stewart, W.F. Safety in the Handling of Cryogenic Fluids; Springer Science + Business Media: New York, NY, USA, 1996. [Google Scholar]
 - Trading Economics Markets–Commodities. Available online: https://tradingeconomics.com/ (accessed on 16 August 2022).
 - Hagen, A.; Alvaro, A. Hydrogen Influence on Mechanical Properties in Pipeline Steel: State of the Art; SINTEF: Trondheim, Norway, 2020; ISBN 9788214063110. [Google Scholar]
 - Gangloff, R.P.; Somerday, B.P. Gaseous Hydrogen Embrittlement of Materials in Energy Technologies: Volume 1—The Problem, Its Characterisation and Effects on Particular Alloy Classes; Woodhead Publishing Ltd.: Sawston, UK, 2011; ISBN 9781845696733. [Google Scholar]
 - Gangloff, R.P.; Somerday, B.P. Gaseous Hydrogen Embrittlement of Materials in Energy Technologies: Volume 2—Mechanisms, Modelling and Future Developments; Woodhead Publishing Ltd.: Sawston, UK, 2011; ISBN 9781845696733. [Google Scholar]
 - San Marchi, C.; Somerday, B.P. SANDIA REPORT Technical Reference for Hydrogen Compatibility of Materials; Sandia National Laboratories (SNL): Albuquerque, NM, USA; Livermore, CA, USA, 2012.
 - Fan, Y.H.; Cui, F.; Lu, L.; Zhang, B. A Nanotwinned Austenite Stainless Steel with High Hydrogen Embrittlement Resistance. J. Alloys Compd. 2019, 788, 1066–1075. [Google Scholar] [CrossRef]
 - Anoop, C.R.; Singh, R.K.; Kumar, R.R.; Jayalakshmi, M.; Prabhu, T.A.; Tharian, K.T.; Narayana Murty, S.V.S. A Review on Steels for Cryogenic Applications. Mater. Perform. Charact. 2021, 10, 16–88. [Google Scholar] [CrossRef]
 - Duthil, P. Material Properties at Low Temperature. CAS-CERN Accel. Sch. Supercond. Accel. Proc. 2014, 77–95. [Google Scholar] [CrossRef]
 - Sloop, J.L. Liquid Hydrogen as a Propulsion Fuel, 1945–1959, NASA History Office; Report NASA SP-4404; Scientific and Technical Information Office, National Aeronautics and Space Administration: Washington, DC, USA, 1978.
 - Nagai, H.; Taniguchi, H.; Suzuki, A.; Yamazaki, I. Development of H-II Rocket First Stage Propulsion System. In Proceedings of the 36th International Astronautical Congress IAF, Stockholm, Sweden, 7–12 October 1985; pp. 7–12. [Google Scholar]
 - Baroutaji, A.; Wilberforce, T.; Ramadan, M.; Olabi, A.G. Comprehensive Investigation on Hydrogen and Fuel Cell Technology in the Aviation and Aerospace Sectors. Renew. Sustain. Energy Rev. 2019, 106, 31–40. [Google Scholar] [CrossRef]
 - Winter, C.J. Hydrogen in High-Speed Air Transportation. Int. J. Hydrogen Energy 1990, 15, 579–595. [Google Scholar] [CrossRef]
 - Brewer, G.D. Hydrogen-Fueled Aircraft. In Hydrogen: Its Technology and Implications; Cox, K.E., Williamson, K.D., Eds.; CRC Press: Boca Raton, FL, USA, 1979; p. 70. ISBN 9781351073295. [Google Scholar]
 - Weiss, S. The Use of Hydrogen for Aircraft Propulsion in View of the Fuel Crisis; NASA TM X-68242; NASA: Washington, DC, USA, 1973.
 - Maniaci, D.C. Relative Performance of a Liquid Hydrogen-Fueled Commercial Transport. In Proceedings of the 46th AIAA Aerospace Sciences Meeting and Exhibit, Reno, NV, USA, 7–10 January 2008. [Google Scholar]
 - Brewer, G.D. Hydrogen Aircraft Technology; CRC Press: Boca Raton, FL, USA, 1991. [Google Scholar]
 - Airbus Deutschland GmbH. Liquid Hydrogen Fuelled Aircraft—System Analysis; Final Technical Report of CRYOPLANE Project; Airbus Deutschland GmbH: Hamburg, Germany, 2003. [Google Scholar]
 - Dincer, I.; Acar, C. A Review on Potential Use of Hydrogen in Aviation Applications. Int. J. Sustain. Aviat. 2016, 2, 74. [Google Scholar] [CrossRef]
 - Garceau, N.M.; Kim, S.Y.; Lim, C.M.; Cho, M.J.; Kim, K.Y.; Baik, J.H. Performance Test of a 6 L Liquid Hydrogen Fuel Tank for Unmanned Aerial Vehicles. IOP Conf. Ser. Mater. Sci. Eng. 2015, 101, 012130. [Google Scholar] [CrossRef]
 - Boeing Phantom Eye. Available online: https://www.boeing.com/defense/phantom-eye/ (accessed on 16 August 2022).
 - Boeing Boeing’s Phantom Eye Takes a Huge Step Forward. Available online: https://www.boeing.com/features/2014/02/bds-phantomeye-status-02-12-14.page (accessed on 16 August 2022).
 - Stroman, R.O.; Schuette, M.W.; Swider-Lyons, K.; Rodgers, J.A.; Edwards, D.J. Liquid Hydrogen Fuel System Design and Demonstration in a Small Long Endurance Air Vehicle. Int. J. Hydrogen Energy 2014, 39, 11279–11290. [Google Scholar] [CrossRef]
 - NRL’s Ion Tiger Beats Endurance Record for Small Electric UAVs. Fuel Cells Bull. 2013, 2013, 5. [CrossRef]
 - Clean Sky 2 Joint Undertaking; Fuel Cells and Hydrogen 2 Joint Undertaking (FCH JU). In Hydrogen-Powered Aviation, A Fact-Based Study of Hydrogen Technology, Economics, and Climate Impact by 2050; Fuel Cells and Hydrogen Joint Undertaking: Brussels, Belgium, 2020.
 - Stewart, W.F. Operating Experience with a Liquid Hydrogen Fueled Buick and Refueling System. Int. J. Hydrogen Energy 1984, 9, 525–538. [Google Scholar] [CrossRef][Green Version]
 - Arnold, G.; Wolf, J. Liquid Hydrogen for Automotive Application Next Generation Fuel for FC and ICE Vehicles. J. Cryog. Soc. Jpn. 2005, 40, 221–230. [Google Scholar] [CrossRef]
 - Von Helmolt, R.; Eberle, U. Fuel Cell Vehicles: Status 2007. J. Power Sources 2007, 165, 833–843. [Google Scholar] [CrossRef]
 - Peschka, W. Operating Characteristics of a LH2-Fuelled Automotive Vehicle and of a Semi-Automatic LH2-Refuelling Station. Int. J. Hydrogen Energy 1982, 7, 661–669. [Google Scholar] [CrossRef]
 - Peschka, W. Cryogenic Processes and Equipment; ASME: New York, NY, USA, 1984. [Google Scholar]
 - Wallner, T.; Lohse-Busch, H.; Gurski, S.; Duoba, M.; Thiel, W.; Martin, D.; Korn, T. Fuel Economy and Emissions Evaluation of BMW Hydrogen 7 Mono-Fuel Demonstration Vehicles. Int. J. Hydrogen Energy 2008, 33, 7607–7618. [Google Scholar] [CrossRef]
 - U.S. Department of Transportation. Study of Hydrogen Fuel Cell Technology for Rail Propulsion and Review of Relevant Industry Standards; Federal Railroad Administration: Washington, DC, USA, 2021.
 - Miller, A.R. Hydrogen Fuel Cell Rail Vehicles: Past, Present, and Future. In Proceedings of the 17th World Hydrogen Energy Conference, South Brisbane, Australia, 15–19 June 2008; pp. 17–20. [Google Scholar]
 - Japan for Sustainability. East Japan Railway Company Development of the World’s First Fuel Cell Hybrid Railcar. Available online: https://www.japanfs.org/en/news/archives/news_id026406.html (accessed on 16 August 2022).
 - Palmer, C. Hydrogen-Powered Trains Start to Roll. Engineering 2022, 11, 9–11. [Google Scholar] [CrossRef]
 - Ruf, Y.; Zorn, T.; Akcayoz De Neve, P.; Andrae, P.; Erofeeva, S.; Garrison, F. Study on the Use of Fuel Cells & Hydrogen in the Railway Environment; European Union: Luxembourg, 2019. [Google Scholar]
 - Hyundai Rotem Company. Why Is Hydrogen Energy the Future of Trains? Available online: https://tech.hyundai-rotem.com/en/green/why-is-hydrogen-energy-the-future-of-trains/ (accessed on 16 August 2022).
 - Madovi, O.; Hoffrichter, A.; Little, N.; Foster, S.N.; Isaac, R. Feasibility of Hydrogen Fuel Cell Technology for Railway Intercity Services: A Case Study for the Piedmont in North Carolina. Railw. Eng. Sci. 2021, 29, 258–270. [Google Scholar] [CrossRef]
 - Van Biert, L.; Godjevac, M.; Visser, K.; Aravind, P.V. A Review of Fuel Cell Systems for Maritime Applications. J. Power Sources 2016, 327, 345–364. [Google Scholar] [CrossRef]
 - Dall’Armi, C.; Micheli, D.; Taccani, R. Comparison of Different Plant Layouts and Fuel Storage Solutions for Fuel Cells Utilization on a Small Ferry. Int. J. Hydrogen Energy 2021, 46, 13878–13897. [Google Scholar] [CrossRef]
 - Sürer, M.G.; Arat, H.T. Advancements and Current Technologies on Hydrogen Fuel Cell Applications for Marine Vehicles. Int. J. Hydrogen Energy 2022, 47, 19865–19875. [Google Scholar] [CrossRef]
 - Jeong, B.; Wang, H.; Oguz, E.; Zhou, P. An Effective Framework for Life Cycle and Cost Assessment for Marine Vessels Aiming to Select Optimal Propulsion Systems. J. Clean. Prod. 2018, 187, 111–130. [Google Scholar] [CrossRef]
 - Rohde, F.; Sames, P. Conceptual Design of a Zero-Emission Open-Top Container Feeder. In Proceedings of the 8th International Conference on High-Performance Marine Vehicles (HIPER), Duisburg, Germany, 27–28 September 2012; pp. 207–215. [Google Scholar]
 - Ye, M.; Sharp, P.; Brandon, N.; Kucernak, A. System-Level Comparison of Ammonia, Compressed and Liquid Hydrogen as Fuels for Polymer Electrolyte Fuel Cell Powered Shipping. Int. J. Hydrogen Energy 2022, 47, 8565–8584. [Google Scholar] [CrossRef]
 - Rohde, F.; Nikolajsen, C. Zero-Emission Ferry Concept for Scandlines. In Proceedings of the 4th International Conference on Ship Efficiency, Hamburg, Germany, 23–24 September 2013. [Google Scholar]
 - Pratt, J.W.; Klebanoff, L.E. Feasibility of the SF-BREEZE: A Zero-Emission, Hydrogen Fuel Cell, High-Speed Passenger Ferry; SANDIA REPORT, SAND2016-9719; Department of Transportation, Maritime Administration: Washington, DC, USA, 2016.
 - Madsen, R.T.; Klebanoff, L.E.; Caughlan, S.A.M.; Pratt, J.W.; Leach, T.S.; Appelgate, T.B.; Kelety, S.Z.; Wintervoll, H.C.; Haugom, G.P.; Teo, A.T.Y.; et al. Feasibility of the Zero-V: A Zero-Emissions Hydrogen Fuel-Cell Coastal Research Vessel. Int. J. Hydrogen Energy 2020, 45, 25328–25343. [Google Scholar] [CrossRef]
 - Klebanoff, L.E.; Caughlan, S.A.M.; Madsen, R.T.; Conard, C.J.; Leach, T.S.; Appelgate, T.B. Comparative Study of a Hybrid Research Vessel Utilizing Batteries or Hydrogen Fuel Cells. Int. J. Hydrogen Energy 2021, 46, 38051–38072. [Google Scholar] [CrossRef]
 - Wilhelmsen. New Design Makes Liquefied Hydrogen Bunker Vessels a Reality. Available online: https://www.wilhelmsen.com/media-news-and-events/press-releases/2019/new-design-makes-liquefied-hydrogen-bunker-vessels-a-reality/ (accessed on 16 August 2022).
 - Ulstein. SX190. Available online: https://ulstein.com/vessel-design/sx190 (accessed on 16 August 2022).
 - Ulstein. Zero-Emission Operations in Offshore Construction Market. Available online: https://ulstein.com/news/zero-emission-operations-in-offshore-construction-market (accessed on 16 August 2022).
 - Ulstein. Roadmap to Hydrogen Future. Available online: https://ulstein.com/news/roadmap-to-a-hydrogen-future (accessed on 16 August 2022).
 - Menon, N.V.; Chan, S.H. Technoeconomic and Environmental Assessment of HyForce, a Hydrogen-Fuelled Harbour Tug. Int. J. Hydrogen Energy 2022, 47, 6924–6935. [Google Scholar] [CrossRef]
 - Abe, A.; Nakamura, M.; Sato, I.; Uetani, H.; Fujitani, T. Studies of the Large-Scale Sea Transportation of Liquid Hydrogen. Int. J. Hydrogen Energy 1998, 23, 115–121. [Google Scholar] [CrossRef]
 - Kamiya, S.; Nishimura, M.; Harada, E. Study on Introduction of CO2 Free Energy to Japan with Liquid Hydrogen. Phys. Procedia 2015, 67, 11–19. [Google Scholar] [CrossRef]
 - Jeong, J.; Seo, S.; You, H.; Chang, D. Comparative Analysis of a Hybrid Propulsion Using LNG-LH2 Complying with Regulations on Emissions. Int. J. Hydrogen Energy 2018, 43, 3809–3821. [Google Scholar] [CrossRef]
 - Alkhaledi, A.N.; Sampath, S.; Pilidis, P. A Hydrogen Fuelled LH2 Tanker Ship Design. Ships Offshore Struct. 2021, 17, 1555–1564. [Google Scholar] [CrossRef]
 - NCE Maritime Cleantech. Norwegian Future Value Chains for Liquid Hydrogen; NCE Maritime Cleantech: Stord, Norway, 2019. [Google Scholar]
 - Korberg, A.D.; Brynolf, S.; Grahn, M.; Skov, I.R. Techno-Economic Assessment of Advanced Fuels and Propulsion Systems in Future Fossil-Free Ships. Renew. Sustain. Energy Rev. 2021, 142, 110861. [Google Scholar] [CrossRef]
 - Gilbert, P.; Walsh, C.; Traut, M.; Kesieme, U.; Pazouki, K.; Murphy, A. Assessment of Full Life-Cycle Air Emissions of Alternative Shipping Fuels. J. Clean. Prod. 2018, 172, 855–866. [Google Scholar] [CrossRef]
 - Kawasaki Heavy Industries Ltd. World’s First Liquefied Hydrogen Carrier Suiso Frontier Launches Building an International Hydrogen Energy Supply Chain Aimed at Carbon-Free Society. Available online: https://global.kawasaki.com/en/corp/newsroom/news/detail/?f=20191211_3487&wovn=it (accessed on 16 August 2022).
 - HySTRA. “Suiso Frontier” Loaded Liquefied Hydrogen Derived from Australian Brown Coal Returns to Kobe. Available online: https://www.hystra.or.jp/en/gallery/article.html (accessed on 16 August 2022).
 - HySTRA. CO2-Free Hydrogen Energy Supply-Chain Technology Research Association. Available online: https://www.hystra.or.jp/en/ (accessed on 16 August 2022).
 - Kawasaki Heavy Industries Ltd. CO2-Free Hydrogen Energy Supply-Chain Technology Research Association Commences Operations―Multi-Company Effort Takes a Step toward the Future of Hydrogen Energy. Available online: https://global.kawasaki.com/en/corp/newsroom/news/detail/?f=20160401_4614 (accessed on 16 August 2022).
 - Maekawa, K.; Takeda, M.; Hamaura, T.; Suzuki, K.; Miyake, Y.; Matsuno, Y.; Fujikawa, S.; Kumakura, H. First Experiment on Liquid Hydrogen Transportation by Ship inside Osaka Bay. In Proceedings of the IOP Conference Series: Materials Science and Engineering, Madison, WI, USA, 9–13 July 2017; p. 012066. [Google Scholar]
 - LMG Marin HYDRA. Available online: https://www.lmgmarin.no/references/485/hydra (accessed on 16 August 2022).
 - Østvik, I. MF HYDRA–LH2 CAR FERRY, NORWAY. Available online: http://elizabethqueenseaswann.com/HISTORY/LH2_Ships_Ferries_Yachts_Hydrogen_Projects/MF_Hydra_Norled_Car_Ferry_Norway_Liquefied_Hydrogen_Liquide.html (accessed on 16 August 2022).
 - FuelCellWorks. Norse Group Announces Launch of MF Hydra, World’s First LH2 Driven Ferry Boat. Available online: https://fuelcellsworks.com/news/norse-group-announces-launch-of-mf-hydra-worlds-first-lh2-driven-ferry-boat/ (accessed on 16 August 2022).
 - Baird Maritime Vesel Review|Hydra—Norled Takes Delivery of Ferry Designed to Run on Liquid Hydrogen. Available online: https://www.bairdmaritime.com/work-boat-world/passenger-vessel-world/ro-pax/vessel-review-hydra-norled-takes-delivery-of-ferry-designed-to-run-on-liquid-hydrogen/ (accessed on 16 August 2022).
 - Linde. Linde to Supply World’s First Hydrogen-Powered Ferry. Available online: https://www.linde.com/news-media/press-releases/2021/linde-to-supply-world-s-first-hydrogen-powered-ferry (accessed on 16 August 2022).
 - Corvus Energy. The World’s First Hydrogen Ferry “MF Hydra” Awarded Ship of the Year 2021. Available online: https://corvusenergy.com/corvus-is-proud-supplier-to-mf-hydra-ship-of-the-year-2021/ (accessed on 16 August 2022).
 - HyShip. About HyShip. Available online: https://hyship.eu/about/ (accessed on 16 August 2022).
 - Wilhelmsen. HySHIP Project Clinches EUR 8M Funding Award. Available online: https://www.wilhelmsen.com/media-news-and-events/press-releases/2020/hyship-project-clinches-eur-8m-funding-award/ (accessed on 16 August 2022).
 - Hav Hydrogen AS FreeCO2ast. Available online: https://www.havhydrogen.no/hav-hydrogen/freeco2ast/ (accessed on 16 August 2022).
 - Osnes, K. Havyard Group ASA FreeCO2ast. Available online: https://www.gceocean.no/media/2677/freeco2ast-kristian-osnes.pdf (accessed on 16 August 2022).
 - Scripps Institution of Oceanography UC San Diego Receives $35 Million in State Funding for New California Coastal Research Vessel. Available online: https://scripps.ucsd.edu/news/uc-san-diego-receives-35-million-state-funding-new-california-coastal-research-vessel (accessed on 16 August 2022).
 - DNV. Handbook for Hydrogen-Fuelled Vessels, MarHySafe JDP Phase 1 1st Edition (2021-06); DNV: Bærum, Norway, 2021. [Google Scholar]
 - EIGA–European Industrial Gases Association. Safety in Storage, Handling and Distribution of Liquid Hydrogen; Doc 06/19; EIGA: Saint-Josse-ten-Noode, Brussels, 2019. [Google Scholar]
 - DNV. SuAc 1.1b Hydrogen Bunkering Scenarios–RH2INE Program: Sub-Study 1A: Safety Framework Conditions; Report No.: 10247894-2, Rev. 1; DNV: Bærum, Norway, 2021. [Google Scholar]
 - Petitpas, G.; Aceves, S.M. Liquid Hydrogen Pump Performance and Durability Testing through Repeated Cryogenic Vessel Filling to 700 Bar. Int. J. Hydrogen Energy 2018, 43, 18403–18420. [Google Scholar] [CrossRef]
 - U.S. DRIVE. Hydrogen Delivery Technical Team Roadmap; U.S. DRIVE: Wheat Ridge, CO, USA, 2017.
 - Mangold, J.; Silberhorn, D.; Moebs, N.; Dzikus, N.; Hoelzen, J.; Zill, T.; Strohmayer, A. Refueling of LH2 Aircraft—Assessment of Turnaround Procedures and Aircraft Design Implication. Energies 2022, 15, 2475. [Google Scholar] [CrossRef]
 - Petersen, U.; Würsig, G.; Krapp, R. Design and Safety Considerations for Large-Scale Sea-Borne Hydrogen Transport. Int. J. Hydrogen Energy 1994, 19, 597–604. [Google Scholar] [CrossRef]
 - Hydrogen Energy Supply Chain Project Port of Hastings. Available online: https://www.hydrogenenergysupplychain.com/supply-chain/port-of-hastings/ (accessed on 16 August 2022).
 - Kawasaki Heavy Industries Ltd. Kawasaki Completes World’s First Liquefied Hydrogen Receiving Terminal Kobe LH2 Terminal (Hy Touch Kobe). Available online: https://global.kawasaki.com/en/corp/newsroom/news/detail/?f=20201203_2378&wovn=it (accessed on 16 August 2022).
 - Maekawa, K.; Takeda, M.; Miyake, Y.; Kumakura, H. Sloshing Measurements inside a Liquid Hydrogen Tank with External Heating-Type MgB2 Level Sensors during Marine Transportation by the Training Ship Fukae-Maru. Sensors 2018, 18, 3694. [Google Scholar] [CrossRef]
 - Nakano, A.; Shimazaki, T.; Sekiya, M.; Shiozawa, H.; Ohtsuka, K.; Aoyagi, A.; Iwakiri, T.; Mikami, Z.; Sato, M.; Sugino, Y.; et al. Research and Development of Liquid Hydrogen (LH2) Temperature Monitoring System for Marine Applications. Int. J. Hydrogen Energy 2021, 46, 15649–15659. [Google Scholar] [CrossRef]
 - Smith, J.R.; Gkantonas, S.; Mastorakos, E. Modelling of Boil-Off and Sloshing Relevant to Future Liquid Hydrogen Carriers. Energies 2022, 15, 2046. [Google Scholar] [CrossRef]
 - Zhang, N.; Lior, N. A Novel Brayton Cycle with the Integration of Liquid Hydrogen Cryogenic Exergy Utilization. Int. J. Hydrogen Energy 2008, 33, 214–224. [Google Scholar] [CrossRef]
 - ClassNK. ClassNK Megazine No.80 (2017 Edition)—ClassNK Guidelines for Liquefied Hydrogen Carriers; ClassNK: Tokyo, Japan, 2017. [Google Scholar]
 - DNV-GL. Study on the Use of Fuel Cells in Shipping, EMSA European Maritime Safety Agency; DNV-GL: Bærum, Norway, 2017. [Google Scholar]
 - Ehrhart, B.; Klebanoff, L.; Hecht, E.; Headley, A.; Ng, M.; Markt, C. Impact of Hydrogen for Rail Applications; Sandia National Lab. (SNL-NM): Albuquerque, NM, USA; Sandia National Lab. (SNL-CA): Livermore, CA, USA, 2019.
 - Sherman, M.P.; Tieszen, S.R.; Benedick, W.B. FLAME Facility: The Effect of Obstacles and Transverse Venting on Flame Acceleration and Transition to Detonation for Hydrogen-Air Mixtures at Large Scale; SAND85-1264 R31989; Nuclear Regulatory Commission: Washington, DC, USA, Div. of Systems Research; Sandia National Labs.: Albuquerque, NM, USA, 1989.
 - Van Wingerden, K.; Kluge, M.; Habib, A.K.; Skarsvåg, H.L.; Ustolin, F.; Paltrinieri, N.; Odsæter, L.H. Experimental Investigation into the Consequences of Release of Liquified Hydrogen onto and under Water. Chem. Eng. Trans. 2022, 90, 541–546. [Google Scholar] [CrossRef]
 - Van Wingerden, K.; Kluge, M.; Habib, A.K.; Ustolin, F.; Paltrinieri, N. Medium-Scale Tests to Investigate the Possibility and Effects of BLEVEs of Storage Vessels Containing Liquified Hydrogen. Chem. Eng. Trans. 2022, 90, 547–552. [Google Scholar] [CrossRef]
 - Ustolin, F.; Paltrinieri, N.; Landucci, G. An Innovative and Comprehensive Approach for the Consequence Analysis of Liquid Hydrogen Vessel Explosions. J. Loss Prev. Process Ind. 2020, 68, 104323. [Google Scholar] [CrossRef]
 - Ustolin, F.; Salzano, E.; Landucci, G.; Paltrinieri, N. Modelling Liquid Hydrogen BLEVEs: A Comparative Assessment with Hydrocarbon Fuels. In Proceedings of the 30th European Safety and Reliability Conference and 15th Probabilistic Safety Assessment and Management Conference (ESREL2020 PSAM15), Venice, Italy, 1–5 November 2020. [Google Scholar]
 - Ustolin, F.; Tolias, I.C.; Giannissi, S.G.; Venetsanos, A.G.; Paltrinieri, N. A CFD Analysis of Liquefied Gas Vessel Explosions. Process Saf. Environ. Prot. 2022, 159, 61–75. [Google Scholar] [CrossRef]
 - Ustolin, F.; Lamb, J.J.; Burheim, O.S.; Pollet, B.G. Energy and Safety of Hydrogen Storage. Hydrog. Biomass Bioenergy 2020, 133–153. [Google Scholar] [CrossRef]
 - Ustolin, F.; Iannaccone, T.; Cozzani, V.; Jafarzadeh, S.; Paltrinieri, N. Time to Failure Estimation of Cryogenic Liquefied Tanks Exposed to a Fire. In Proceedings of the 31st European Safety and Reliability Conference, Angers, France, 19–23 September 2021; pp. 935–942. [Google Scholar]
 - Ustolin, F.; Scarponi, G.E.; Iannaccone, T.; Cozzani, V.; Paltrinieri, N. Cryogenic Hydrogen Storage Tanks Exposed to Fires: A CFD Study. Chem. Eng. Trans. 2022, 90, 535–540. [Google Scholar] [CrossRef]
 - Ustolin, F.; Giannini, L.; Pio, G.; Salzano, E.; Paltrinieri, N. On the Mechanical Energy Involved in the Catastrophic Rupture of Liquid Hydrogen Tanks. Chem. Eng. Trans. 2022, 91, 421–426. [Google Scholar] [CrossRef]
 - Odsæter, L.H.; Skarsvåg, H.L.; Aursand, E.; Ustolin, F.; Reigstad, G.A.; Paltrinieri, N. Liquid Hydrogen Spills on Water—Risk and Consequences of Rapid Phase Transition. Energies 2021, 14, 4789. [Google Scholar] [CrossRef]
 - Aursand, E.; Odsæter, L.H.; Skarsvåg, H.L.; Reigstad, G.A.; Ustolin, F.; Paltrinieri, N. Risk and Consequences of Rapid Phase Transition for Liquid Hydrogen. In Proceedings of the 30th European Safety and Reliability Conference and 15th Probabilistic Safety Assessment and Management Conference (ESREL2020 PSAM15), Venice, Italy, 1–5 November 2020. [Google Scholar]
 - Ustolin, F.; Odsæter, L.H.; Reigstad, G.; Skarsvåg, H.L.; Paltrinieri, N. Theories and Mechanism of Rapid Phase Transition. Chem. Eng. Trans. 2020, 82, 253–258. [Google Scholar] [CrossRef]
 - Ustolin, F.; Åsholt Øygård, H.; Zdravistch, F.; Niemi, R.; Paltrinieri, N. Computational Fluid Dynamics Modeling of Liquid Hydrogen Release and Dispersion in Gas Refuelling Stations. Chem. Eng. Trans. 2021, 86, 223–228. [Google Scholar] [CrossRef]
 - Ustolin, F.; Ferrari, F.; Paltrinieri, N. Prediction of Condensed Phase Formation during an Accidental Release of Liquid Hydrogen. Chem. Eng. Trans. 2022, 91, 439–444. [Google Scholar] [CrossRef]
 - Ustolin, F.; Wan, D.; Alvaro, A.; Paltrinieri, N. Risk-Based Inspection Planning for Hydrogen Technologies: Review of Currents Standards and Suggestions for Modification. IOP Conf. Ser. Mater. Sci. Eng. 2021, 1193, 012075. [Google Scholar] [CrossRef]
 




| Abbreviation | Meaning | 
|---|---|
| ABS | American Bureau of Shipping | 
| AC | Alternative Current | 
| ATR | Autothermal Reforming | 
| BLEVE | Boiling Liquid Expanding Vapor Explosion | 
| BOG | Boil-Off Gas | 
| CCGT | Combined Cycle Gas Turbine | 
| CCS | Carbon Capture and Storage | 
| CCUS | Carbon Capture Utilization and Storage | 
| CFR | Code of Federal Regulations | 
| CGH2 | Compressed Gaseous Hydrogen | 
| CH4 | Methane | 
| DC | Direct Current | 
| DDT | Deflagration to Detonation Transition | 
| DFDE | Dual-Fuel Diesel-Electric | 
| DLR | German Aerospace center | 
| EBDG | Elliott Bay Design Group | 
| EIGA | European Industrial Gas Association | 
| FC | Fuel Cell | 
| GE | Gas Engine | 
| GHG | Greenhouse Gas | 
| GWP | Global Warming Potential | 
| HAZ | Heat Affected Zone | 
| HRS | Hydrogen Refueling Station | 
| ICCT | International Council on Clean Transportation | 
| ICE | Internal Combustion Engine | 
| IEA | International Energy Agency | 
| IMO | International Maritime Organization | 
| IRAS | Integrated Refrigeration and Storage | 
| LANL | Los Alamos National Laboratories | 
| LAS | Loading Arm System | 
| LH2 | Liquid Hydrogen | 
| Li-ion | Lithium-ion | 
| LNG | Liquefied Natural Gas | 
| LNH3 | Liquid Ammonia | 
| LOX | Liquid Oxygen | 
| MLI | Multi-Layer Insulation | 
| NGD | Natural Gas Decomposition | 
| NRL | Naval Research Laboratory | 
| OH | Hydroxyl Radical | 
| Pax | Passengers | 
| PEM | Polymeric Electrolyte Membrane | 
| PRV | Pressure Relief Valve | 
| PSV | Platform Supply Vessel | 
| Ro-Ro | Roll-On Roll-Off | 
| RPT | Rapid Phase Transition | 
| SMR | Steam Methane Reforming | 
| SOLAS | Safety Of Life At Sea | 
| STS | Ship To Ship | 
| TEU | Twenty-foot Equivalent Unit | 
| TTS | Truck To Ship | 
| UAV | Unmanned Aerial Vehicle | 
| USCG | United States Coast Guard | 
| WTW | Well-To-Waves | 
| Hydrogen Color Code | Ref. | Hydrogen Source | Energy Source | Technique | CCS | Carbon Footprint (kgCO2eq/kgH2)  | 
|---|---|---|---|---|---|---|
| Black or brown | [17,18] | Coal | Thermal | Gasification | No | 21.8–51.9 | 
| Gray | [19,20] | Natural gas | Thermal | SMR | No | 10.9–18.4 a | 
| Blue | [20,22] | Natural gas | Thermal | SMR; ATR; NGD | Yes | 2.6 b–16.2 | 
| Turquoise | [27] | Methane | Thermal | Pyrolysis | No | 4.4 | 
| Green | [30,31] | Water | Electricity (renewables) | Electrolysis | No | 0.63–6.6 | 
| Yellow | [21,35] | Water | Electricity (grid mix) | Electrolysis | No | 28.6–32.0 | 
| Purple | [31] | Water | Electricity (nuclear) | Electrolysis | No | 2.0 | 
| Pink | [31] | Water | Thermal + Electricity (nuclear)  | High-temperature electrolysis | No | 0.4–2.0 | 
| Red | [31] | Water | Thermal (nuclear) | Thermochemical cycle  | No | 0.3–1.8 | 
| Aqua | [37] | Oil reservoirs | Thermal | Water-gas shift reaction  | No | n.a. | 
| White | [38] | Water | Thermal (solar) | Thermochemical water splitting | No | n.a. | 
| Material | Alloy Grade | Remarks [59] | Cost [62] | 
|---|---|---|---|
| Aluminum alloys | 2029 | Suitable for aerospace applications | Medium-Low | 
| 2219 | Suitable for aerospace applications | ||
| Titanium alloys | - | Elongation, toughness, and fracture toughness decrease at cryogenic temperature | High | 
| Copper alloys | - | Highly ductile and toughness at cryogenic temperature | Medium-High | 
| Austenitic stainless steels | 304 | Susceptible to hydrogen embrittlement | Low | 
| 310 | Not susceptible to hydrogen embrittlement | ||
| 316 | Not susceptible to hydrogen embrittlement | ||
| 316L | Suitable for the marine environment | ||
| 321 | Highly resistant to corrosion | 
| Year | Ref. | Ship Name | Type | LH2 Volume (m3)  | Power System | Comments | 
|---|---|---|---|---|---|---|
| 1998 | [114] | - | Tanker | 4 × 50,000 | Diesel ICE | Developed during the WE-NET research program | 
| 2012 | [103] | - | Container feeder | 920 | H2 PEMFC + battery  | Multiple H2 pressurized IMO Type C tanks | 
| 2013 | [105] | - | Ro-Pax ferry | 140 | H2 HTPEMFC + battery  | - | 
| 2014 | [109] | - | Platform supply vessel  | 108–192 | H2 PEMFC | LH2 tank volume depends on 6 or 12 days range | 
| 2015 | [115] | - | Tanker | 2 × 1250 4 × 40,000  | Diesel ICE + H2 GE  | Two LH2 tankers designed by Kawasaki to transport LH2 from Australia to Japan | 
| 2016 | [106] | SF-BREEZE | High-speed ferry | ~20.5 | H2 PEMFC | - | 
| 2017 | [109] | Moss Maritime  | Bunker vessel | 2 × 4500 | n.a. | - | 
| 2018 | [107] | Zero-V | Research vessel | 2 × ~83 a | H2 PEMFC +  Li-ion battery  | Range of 2400 nautical miles | 
| 2018 | [116] | - | Tanker | 700–1500 | H2 PEMFC +  Li-ion battery + DFDE engine  | LNG tanker; LH2/LNG hybrid system to power the ship | 
| 2019 | [110,111,112] | Ulstein | Construction support vessel | 2 × 300 | H2 PEMFC + Diesel ICE  | Currently designed to store compressed hydrogen | 
| 2021 | [117] | Jamila | Tanker | 4 × 70,000 | H2 GT-CC | - | 
| 2021 | [108] | Robert Gordon Sproul | Research vessel  | ~15 | H2 PEMFC +  Li-ion battery + Diesel ICE  | Hybrid hydrogen/diesel power system | 
| 2022 | [113] | HyForce | Harbor tug | 50 | H2 PEMFC +  Li-ion battery  | - | 
| 2022 | [104] | - | Container feeder | 2754 | H2 PEMFC +  battery  | Comparison between LH2 and LNH3 | 
| Ref. | Status | Ship Name | Type | LH2 Volume (m3)  | Power System | Comments | 
|---|---|---|---|---|---|---|
| [124] | In operation | Fukaemaru | Tanker | 0.4 | Diesel ICE | Two LH2 tanks (20 L and 400 L) were transported by the ship for experiments | 
| [122] | In operation | Suiso Frontier | Tanker | 1250 | Diesel ICE | HySTRA project; vessel in operation since 2022, powered by diesel engines | 
| [125,126,128] | Testing | MF Hydra | Ro-Pax ferry | 80 | H2 HTPEMFC + Li-ion battery + Diesel ICE  | Currently testing; expected in operation in 2023 | 
| [132,133] | Design | Havila Kystruten | Passenger ship | ~50 | H2 PEMFC + battery  | Part of the FreeCO2ast project | 
| [131] | Design | Topeka | Ro-Ro | n.a. | H2 HTPEMFC + Li-ion battery + Diesel ICE  | Part of the HyShip project; commercial service expected in 2024 | 
| [135] | Construction | Robert Gordon Sproul | Research vessel | 15 | H2 PEMFC | - | 
Publisher’s Note: MDPI stays neutral with regard to jurisdictional claims in published maps and institutional affiliations.  | 
© 2022 by the authors. Licensee MDPI, Basel, Switzerland. This article is an open access article distributed under the terms and conditions of the Creative Commons Attribution (CC BY) license (https://creativecommons.org/licenses/by/4.0/).
Share and Cite
Ustolin, F.; Campari, A.; Taccani, R. An Extensive Review of Liquid Hydrogen in Transportation with Focus on the Maritime Sector. J. Mar. Sci. Eng. 2022, 10, 1222. https://doi.org/10.3390/jmse10091222
Ustolin F, Campari A, Taccani R. An Extensive Review of Liquid Hydrogen in Transportation with Focus on the Maritime Sector. Journal of Marine Science and Engineering. 2022; 10(9):1222. https://doi.org/10.3390/jmse10091222
Chicago/Turabian StyleUstolin, Federico, Alessandro Campari, and Rodolfo Taccani. 2022. "An Extensive Review of Liquid Hydrogen in Transportation with Focus on the Maritime Sector" Journal of Marine Science and Engineering 10, no. 9: 1222. https://doi.org/10.3390/jmse10091222
APA StyleUstolin, F., Campari, A., & Taccani, R. (2022). An Extensive Review of Liquid Hydrogen in Transportation with Focus on the Maritime Sector. Journal of Marine Science and Engineering, 10(9), 1222. https://doi.org/10.3390/jmse10091222
        
