Comparative Assessment and Parametric Optimisation of Large Marine Two-Stroke Engines with Exhaust Gas Recirculation and Alternative Turbocharging Systems
Abstract
:1. Introduction
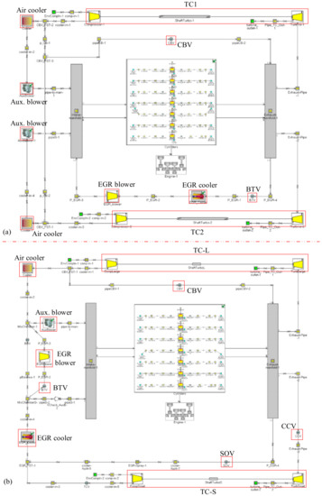
- The baseline engine configuration (BL-EGR) consists of one or more turbochargers (TCs) of the same size connected in parallel. The EGR branch is connected between the exhaust gas and scavenging air receivers, while being switched on/off by a valve. The EGR flow is controlled by the EGR blower. A turbine bypass branch is switched on when the engine operates at high loads, with the EGR branch switched off to avoid the TC over speeding.
 - The alternative engine configuration (AL-EGR) consists of two turbochargers of different size (large and small) connected in parallel. The EGR branch is connected between the exhaust gas and scavenging air receivers, whereas it can be switched on/off by appropriate valves. With the EGR branch switched on, the small TC is switched off, whereas both TCs operate when the EGR branch is switched off.
 
2. Methodology
2.1. Engine Modelling Description
2.1.1. Engine Core Component Modelling
2.1.2. Turbocharger and EGR System Modelling
2.2. Optimisation of the EGR Rate for the AL-EGR Engine Configuration
- The AL-EGR engine configuration model was used to perform the simulation runs considering the engine operation with EGR rates up to 40% (TC-L and EGR are activated, whilst TC-S is deactivated). The derived BSFC and NOx emissions as a function of the EGR rate were obtained;
 - The derived simulation results were further processed by employing Gaussian fitting, considering the BSFC and NOx emissions as the dependent variables, whereas the EGR rate is taken as the independent variable;
 - The weighted BSFC and NOx functions as functions of the EGR rate (denoted with x) were estimated according to the following equations by employing the weighted BSFC and NOx for specific EGR rate values based on Equations (1) and (2).
 
- 4.
 - The constrained, nonlinear, multivariable function that uses the interior-point algorithm in MATLAB R2020b (The MathWork Inc., Natick, MA, USA) was employed to optimise the EGR rates at 25%, 50%, 75%, and 100% engine loads, according to the following formulation:
- Objective function: min ;
 - Optimised variables: , denotes the EGR rate (in percentage) at 25%, 50%, 75% and 100% loads;
 - Constraints: ≤ 3.4 g/kWh, 20 < < 40. It should be noted that additional performance optimisation goals can be achieved by adjusting the constraint values of the upper and lower limits of the EGR rate at each load.
 
 
2.3. Simulated Cases
3. Results and Discussion
3.1. Model Validation
3.2. Impact of the BL-EGR Engine Configuration Settings on the Engine Performance and NOx Emissions
3.3. Impact of the AL-EGR Engine Configuration Settings on the Engine Performance and NOx Emissions
3.4. Proposed Operating Modes for the AL-EGR Engine Configuration
3.5. Comparative Assessment between the BL-EGR and AL-EGR Engine Configurations
4. Conclusions
- Both engine configurations complying with the Tier II NOx emissions limits exhibit almost similar performance and emissions, as their turbochargers operate at similar efficiency ranges;
 - For both configurations, EGR rates between 22% and 36% are required to render the engine meet the Tier III NOx emissions limits;
 - For the BL-EGR engine configuration, the engine BSFC increase can be compensated by opening the cylinder bypass valve, which also results in lower EGR blower power;
 - For the AL-EGR engine configuration, excessive EGR rates should be avoided at low engine loads, whereas the cylinder bypass opening is recommended to compensate for the engine BSFC increase;
 - For the AL-EGR engine configuration, a fuel-optimised Tier II mode (Mode B) is proposed for operation at low loads, demonstrating BSFC reduction up to 2.9 g/kWh compared to Mode A (standard Tier II mode). Furthermore, a fuel-optimised Tier III mode (Mode D) is proposed, improving the engine BSFC by up to 2.1 g/kWh compared to the non-optimised Tier III mode (Mode C);
 - The EGR rates of the proposed optimised modes were close to 30%, which makes the matching of the TC-L and the TC-S less challenging;
 - The AL-EGR engine configuration operating at the Tier III mode is more efficient (BSFC penalty was found reduced up to 5.8 g/kWh) and requires lower EGR blower power (up to 117 kW) compared to the BL-EGR engine configuration;
 - Compared to the BL-EGR engine, the AL-EGR engine is expected to occupy less volume, since part of the required pipelines and components (EGR cooler and water mist catcher) are shared between the EGR and turbocharging systems. However, the control logic of the AL-EGR engine is expected to be slightly more complex.
 
Author Contributions
Funding
Institutional Review Board Statement
Data Availability Statement
Acknowledgments
Conflicts of Interest
Nomenclature
| Exhaust gas mass flow rate of turbine [kg/s] | |
| Cylinder maximum pressure [bar] | |
| Cylinder compression pressure [bar] | |
| Exhaust gas receiver pressure [bar] | |
| Scavenge air receiver pressure [bar] | |
| Engine power [kW] | |
| Cylinder heat transfer loss [kW] | |
| Scavenge air receiver temperature [K] | |
| Peak temperature of burned zone [K] | |
| Scavenge air receiver temperature [K] | |
| Weighting factor [-] | |
| Weighted average values of BSFC [g/kWh] | |
| Weighted average values of NOx emissions [g/kWh] | |
| Turbine power [kW] | |
| Trapped air–fuel ratio [-] | |
| Compressor efficiency [-] | 
Abbreviations
| AL-EGR | Alternative engine configuration | 
| BL-EGR | Baseline engine configuration | 
| BSFC | Brake-specific fuel consumption | 
| BTV | Blower throttle valve | 
| CB | Cylinder bypass | 
| CBV | Cylinder bypass valve | 
| CCV | Compressor cut-out valve | 
| ECAs | Emission Control Areas | 
| EGB | Exhaust gas bypass valve | 
| EGR | Exhaust gas recirculation | 
| HP-EGR | High-pressure EGR | 
| LP-EGR | Low-pressure EGR | 
| MCR | Maximum continuous rating | 
| SOV | EGR shut-off valve | 
| TC | Turbocharger | 
| TC-L | Large turbocharger | 
| TC-S | Small turbocharger | 
| TCV | Turbine cut-out valve | 
| TII | Tier II | 
| TIII | Tier III | 
References
- United Nations. COVID-19 and Maritime Transport: Impact and Responses. In Transport and Trade Facilitation Series No. 15; United Nations Conference on Trade and Development; United Nations: San Francisco, CA, USA, 2021. [Google Scholar]
 - Murphy, A.J.; Norman, A.J.; Pazouki, K.; Trodden, D.G. Thermodynamic simulation for the investigation of marine Diesel engines. Ocean Eng. 2015, 102, 117–128. [Google Scholar] [CrossRef] [Green Version]
 - Lloyd’s Register. Emissions of Nitrogen Oxides from Marine Diesel Engines; Lloyd’s Register: London, UK, 2002. [Google Scholar]
 - International Maritime Organization. Annex VI of MARPOL 73/78, Regulations for the Prevention of Air Pollution from Ships and NOx Technical Code; International Maritime Organization: London, UK, 2008. [Google Scholar]
 - International Maritime Organization. Report of the Marine Environment Protection Committee on Its Seventy-First Session; Annex 1 Resolution MEPC.286(71), (Designation of the Baltic Sea and the North Sea Emission Control Areas); International Maritime Organization: London, UK, 2017. [Google Scholar]
 - Paul, A.; Bose, P.K.; Panua, R.S.; Banerjee, R. An experimental investigation of performance-emission trade off of a CI engine fueled by diesel-compressed natural gas (CNG) combination and diesel-ethanol blends with CNG enrichment. Energy 2013, 55, 787–802. [Google Scholar] [CrossRef]
 - Ammar, N.R.; Seddiek, I.S. Eco-environmental analysis of ship emission control methods: Case study RO-RO cargo vessel. Ocean Eng. 2017, 137, 166–173. [Google Scholar] [CrossRef]
 - Agarwal, A.K.; Srivastava, D.K.; Dhar, A.; Maurya, R.K.; Shukla, P.C.; Singh, A.P. Effect of fuel injection timing and pressure on combustion, emissions and performance characteristics of a single cylinder diesel engine. Fuel 2013, 111, 374–383. [Google Scholar] [CrossRef]
 - Ozkan, M.; Ozkan, D.B.; Ozener, O.; Yilmaz, H. Experimental study on energy and exergy analyses of a diesel engine performed with multiple injection strategies: Effect of pre-injection timing. Appl. Therm. Eng. 2013, 53, 21–30. [Google Scholar] [CrossRef]
 - Liu, J.; Yang, F.; Wang, H.; Ouyang, M.; Hao, S. Effects of pilot fuel quantity on the emissions characteristics of a CNG/diesel dual fuel engine with optimized pilot injection timing. Appl. Energy 2013, 110, 201–206. [Google Scholar] [CrossRef]
 - Andreadis, P.; Zompanakis, A.; Chryssakis, C.; Kaiktsis, L. Effects of the fuel injection parameters on the performance and emissions formation in a large-bore marine diesel engine. Int. J. Engine Res. 2011, 12, 14–29. [Google Scholar] [CrossRef]
 - How, H.G.; Masjuki, H.H.; Kalam, M.A.; Teoh, Y.H. Influence of injection timing and split injection strategies on performance, emissions, and combustion characteristics of diesel engine fueled with biodiesel blended fuels. Fuel 2018, 213, 106–114. [Google Scholar] [CrossRef]
 - Pelic, V.; Mrakovcic, T.; Radonja, R.; Valcic, M. Analysis of the Impact of Split Injection on Fuel Consumption and NOx Emissions of Marine Medium-Speed Diesel Engine. J. Mar. Sci. Eng. 2020, 8, 820. [Google Scholar] [CrossRef]
 - Rakopoulos, C.D.; Rakopoulos, D.C.; Mavropoulos, G.C.; Kosmadakis, G.M. Investigating the EGR rate and temperature impact on diesel engine combustion and emissions under various injection timings and loads by comprehensive two-zone modeling. Energy 2018, 157, 990–1014. [Google Scholar] [CrossRef]
 - Sun, X.; Liang, X.; Shu, G.; Lin, J.; Wang, Y.; Wang, Y. Numerical investigation of two-stroke marine diesel engine emissions using exhaust gas recirculation at different injection time. Ocean Eng. 2017, 114, 90–97. [Google Scholar] [CrossRef]
 - Aalam, C.S.; Saravanan, C.G.; Anand, B.P. Impact of high fuel injection pressure on the characteristics of CRDI diesel engine powered by mahua methyl ester blend. Appl. Therm. Eng. 2016, 106, 702–711. [Google Scholar] [CrossRef]
 - Li, T.; Gao, Y.; Wang, J.; Chen, Z. The Miller cycle effects on improvement of fuel economy in a highly boosted, high compression ratio, direct-injection gasoline engine: EIVC vs. LIVC. Energy Convers. Manag. 2014, 79, 59–65. [Google Scholar] [CrossRef]
 - Zhao, J. Research and application of over-expansion cycle (Atkinson and Miller) engines—A review. Appl. Energy 2017, 185, 300–319. [Google Scholar] [CrossRef]
 - Golovitchev, V.I.; Mattarelli, E.; Rinaldini, C.A. Potential of the Miller cycle on a HSDI diesel automotive engine. Appl. Energy 2013, 112, 102–119. [Google Scholar] [CrossRef]
 - Gonca, G.; Sahin, B.; Parlak, A.; Ust, Y.; Ayhan, V.; Cesur, I.; Boru, B. Theoretical and experimental investigation of the Miller cycle diesel engine in terms of performance and emission parameters. Appl. Energy 2015, 138, 11–20. [Google Scholar] [CrossRef]
 - Park, H.K.; Ghal, S.H.; Park, H.C.; Choi, S.W.; Kim, S.H. A Study on NOx Reduction of Marine 4-Stroke Diesel Engine Using Charge Air Humidification; SAE International: Warrendale, AR, USA, 2011. [Google Scholar]
 - Zhang, Z.G.; Zhao, C.P.; Wang, Y.H.; Sun, Y.K.; Zheng, Z.Q. Effects of Intake Air Humidification on Combustion and Emissions in a Marine Diesel Engine. Combust. Sci. Technol. 2017, 23, 436–442. [Google Scholar] [CrossRef]
 - Fahd, M.E.A.; Yang, W.; Lee, P.S.; Chou, S.K.; Yap, C.R. Experimental investigation of the performance and emission characteristics of direct injection diesel engine by water emulsion diesel under varying engine load condition. Appl. Energy 2013, 102, 1042–1049. [Google Scholar] [CrossRef]
 - Zhu, S.; Hu, B.; Akehurst, S.; Copeland, C.; Branney, A. A review of water injection applied on the internal combustion engine. Energy Convers. Manag. 2019, 184, 139–158. [Google Scholar] [CrossRef]
 - Alahmer, A.; Yamin, J.; Sakhrieh, A.; Hamdan, M.A. Engine performance using emulsified diesel fuel. Energy Convers. Manag. 2010, 51, 1708–1713. [Google Scholar] [CrossRef]
 - Ghojel, J.; Honnery, D.; Al-Khaleefi, K. Performance, emissions and heat release characteristics of direct injection diesel engine operating on diesel oil emulsion. Appl. Therm. Eng. 2006, 26, 2132–2141. [Google Scholar] [CrossRef]
 - Ithnin, A.M.; Noge, H.; Abdul Kadir, H.; Jazair, W. An overview of utilizing water-indiesel emulsion fuel in diesel engine and its potential research study. J. Energy Inst. 2014, 87, 273–288. [Google Scholar] [CrossRef]
 - Zhou, S.; Gao, R.; Feng, Y.; Zhu, Y. Evaluation of Miller cycle and fuel injection direction strategies for low NOx emission in marine two-stroke engine. Int. J. Hydrog. Energy 2017, 42, 20351–20360. [Google Scholar] [CrossRef]
 - Imperato, M.; Kaario, O.; Sarjovaara, T.; Larmi, M. Split fuel injection and Miller cycle in a large-bore engine. Appl. Energy 2016, 162, 289–297. [Google Scholar] [CrossRef]
 - Bozza, F.; De Bellis, V.; Teodosio, L. Potentials of cooled EGR and water injection for knock resistance and fuel consumption improvements of gasoline engines. Appl. Energy 2016, 169, 112–125. [Google Scholar] [CrossRef]
 - Jain, A.; Singh, A.P.; Agarwal, A.K. Effect of split fuel injection and EGR on NOx and PM emission reduction in a low temperature combustion (LTC) mode diesel engine. Energy 2017, 122, 249–264. [Google Scholar] [CrossRef]
 - Sarangi, A.K.; Garner, C.P.; McTaggart-Cowan, G.P.; Davy, M.H.; Wahab, E.; Peckham, M. The effects of split injections on high exhaust gas recirculation low-temperature diesel engine combustion. Int. J. Engine Res. 2013, 14, 68–79. [Google Scholar] [CrossRef]
 - NOx Reduction by Exhaust Gas Recirculation—MAN Explains. Available online: https://www.egcsa.com/exhaust-gas-recirculation-explained/ (accessed on 5 October 2021).
 - Zheng, M.; Reader, G.T.; Hawley, J.G. Diesel engine exhaust gas recirculation—A review on advanced and novel concepts. Energy Convers. Manag. 2004, 45, 883–900. [Google Scholar] [CrossRef]
 - MAN Diesel & Turbo. Exhaust Gas Emission Control Today and Tomorrow: Application on MAN B&W Two-Stroke Marine Diesel Engines; MAN Diesel & Turbo: Copenhagen, Denmark, 2008. [Google Scholar]
 - Ji, W.X.; Li, A.; Lu, X.C.; Huang, Z.; Zhu, L. Numerical study on NOx and ISFC co-optimization for a low-speed two-stroke engine via Miller cycle, EGR, intake air humidification, and injection strategy implementation. Appl. Therm. Eng. 2019, 153, 398–408. [Google Scholar] [CrossRef]
 - Imperato, M.; Kaario, O.; Larmi, M.; Sarjovaara, T. Emission reduction methods and split fuel injection in a marine four-stroke engine. J. Mar. Sci. Eng. 2018, 23, 94–103. [Google Scholar] [CrossRef]
 - Shirai, T.; Skjoldager, P.; Yokobe, S.; Ibaragi, S. EGR system development on MES test engine 4S50ME-T9. In Proceedings of the 27th CIMAC World Congress, Shanghai, China, 13–17 May 2013. [Google Scholar]
 - Hiraoka, N.; Miyanagi, A.; Kuroda, K.; Ito, K.; Nakagawa, T.; Ueda, T. The World’s First Onboard Verification Test of UE Engine with Low Pressure EGR complied with IMO’s NOx Tier III Regulations. Mitsubishi Heavy Ind. Tech. Rev. 2016, 53, 40. [Google Scholar]
 - Nakagawa, T.; Ito, K.; Edo, K.; Miyanagi, A. The Latest Technologies of NOx Emission Control for UE Engines. In Proceedings of the 29th CIMAC World Congress, Vancouver, BC, Canada, 10–14 June 2019. [Google Scholar]
 - Kaltoft, J.; Preem, M. Development of integrated EGR system for two-stroke diesel engines. In Proceedings of the 27th CIMAC World Congress, Shanghai, China, 13–17 May 2013. [Google Scholar]
 - Higashida, M.; Nakamura, T.; Onishi, I.; Nakao, S.; Hosono, T.; Nishiyama, A. Challenge of environmentally-friendly low emission system to Tier 3 for two-stroke diesel engines. In Proceedings of the 28th CIMAC World Congress, Helsinki, Finland, 6–10 June 2016. [Google Scholar]
 - Moser, M.; Busk, K.; Lockner, E.; Glas, G. Emissions Reduction through Sophisticated Control Strategies. In Proceedings of the 29th CIMAC World Congress, Vancouver, BC, Canada, 10–14 June 2019. [Google Scholar]
 - Lion, S.; Vlaskos, I.; Taccani, R. A review of emissions reduction technologies for low and medium speed marine Diesel engines and their potential for waste heat recovery. Energy Convers. Manag. 2020, 207, 112553. [Google Scholar] [CrossRef]
 - Wang, Z.G.; Zhou, S.; Feng, Y.M.; Zhu, Y.Q. EGR modeling and fuzzy evaluation of Low-Speed Two-Stroke marine diesel engines. Sci. Total Environ. 2020, 706, 135444. [Google Scholar] [CrossRef]
 - Duan, X.; Liu, Y.; Liu, J.; Lai, M.C.; Jansons, M.; Guo, G.; Zhang, S.; Tang, Q. Experimental and numerical investigation of the effects of low-pressure, high-pressure and internal EGR configurations on the performance, combustion and emission characteristics in a hydrogen-enriched heavy-duty lean-burn natural gas SI engine. Energy Convers. Manag. 2019, 195, 1319–1333. [Google Scholar] [CrossRef]
 - Wang, D.; Shi, L.; Zhu, S.; Liu, B.; Qian, Y.; Deng, K. Numerical and thermodynamic study on effects of high and low pressure exhaust gas recirculation on turbocharged marine low-speed engine. Appl. Energy 2020, 261, 114346. [Google Scholar] [CrossRef]
 - MAN Energy Solutions. MAN Emission Project Guide: MAN B&W Two-Stroke Marine Engines; MAN Energy Solutions: Copenhagen, Denmark, 2019. [Google Scholar]
 - Lu, D.; Theotokatos, G.; Zhang, J.; Zeng, H.; Cui, K. Parametric investigation of a large marine two-stroke diesel engine equipped with exhaust gas recirculation and turbocharger cut out systems. Appl. Therm. Eng. 2022, 200, 117654. [Google Scholar] [CrossRef]
 - Tang, X.Y.; Wang, P.; Zhang, Z.Y.; Zhang, F.L.; Shi, L.; Deng, K.Y. Effects of high-pressure and donor-cylinder exhaust gas recirculation on fuel economy and emissions of marine diesel engines. Fuel 2022, 309, 122226. [Google Scholar] [CrossRef]
 - Stoumpos, S.; Theotokatos, G. Multiobjective Optimisation of a Marine Dual Fuel Engine Equipped with Exhaust Gas Recirculation and Air Bypass Systems. Energies 2020, 13, 5021. [Google Scholar] [CrossRef]
 - Alegret, G.; Llamas, X.; Vejlgaard-Laursen, M.; Eriksson, L. Modeling of a large marine two-stroke diesel engine with cylinder bypass valve and EGR system. IFAC-Pap. Elsevier Sci. 2015, 48, 273–278. [Google Scholar] [CrossRef]
 - Kim, Y.G.; Kim, U.K. Effects of torsional vibration of a propulsion shafting system and energy efficiency design index from a system combining exhaust gas recirculation and turbocharger cut out. J. Mech. Sci. Technol. 2019, 33, 3629–3639. [Google Scholar] [CrossRef]
 - MAN Energy Solutions. MAN B&W G80ME-C9.5-TII Project Guide Electronically Controlled Two-Stroke Engines, 1st ed.; Publication No. 7020-0157-04ppr; MAN Energy Solutions: Copenhagen, Denmark, 2018. [Google Scholar]
 - Gamma Technologies. GT-SUITE Manual; Gamma Technologies: Westmont, IL, USA, 2016. [Google Scholar]
 - Piano, A.; Millo, F.; Boccardo, G.; Rafigh, M.; Gallone, A.; Rimondi, M. Assessment of the Predictive Capabilities of a Combustion Model for a Modern Common Rail Automotive Diesel Engine; SAE World Congress and Exhibition: Detroit, MI, USA, 2016. [Google Scholar]
 - Jung, J.; Song, S.; Hur, K.B. Numerical study on the effects of intake valve timing on performance of a natural gas-diesel dual-fuel engine and multi-objective Pareto optimization. Appl. Therm. Eng. 2017, 121, 604–616. [Google Scholar] [CrossRef]
 - Park, S.; Cho, J.; Park, J.; Song, S. Numerical study of the performance and NOx emission of a diesel-methanol dual-fuel engine using multi-objective Pareto optimization. Energy 2017, 124, 272–283. [Google Scholar] [CrossRef]
 - Lavoie, G.A.; Heywood, J.B.; Keck, J.C. Experimental and Theoretical Study of Nitric Oxide Formation in Internal Combustion Engines. Combust. Sci. Technol. 1970, 1, 313–326. [Google Scholar] [CrossRef]
 - Gamma Technologies. Engine Performance Application Manual; Gamma Technologies: Westmont, IL, USA, 2016. [Google Scholar]
 - Gamma Technologies. Flow Theory Manual; Gamma Technologies: Westmont, IL, USA, 2016. [Google Scholar]
 - Sun, K.; Zhu, S.; Lu, Z.; Deng, K. Research on Turbocharging Systems Matching with Marine Low-Speed Two-Stroke Diesel Engines Using EGR. Diesel Engine 2018, 40, 1–7. [Google Scholar]
 - China Classification Society. Testing and Inspection Guide on Nitrogen Oxide Emissions of Marine Diesel Engines; China Classification Society: Beijing, China, 2020. [Google Scholar]
 - Shen, H.; Zhang, C.; Zhang, J.; Yang, B.; Jia, B. Applicable and comparative research of compressor mass flow rate and isentropic efficiency empirical models to marine large-scale compressor. Energies 2020, 13, 47. [Google Scholar] [CrossRef] [Green Version]
 - Shen, H.; Zhang, J.; Yang, B.; Jia, B. Development of a Marine Two-Stroke Diesel Engine MVEM with In-Cylinder Pressure Trace Predictive Capability and a Novel Compressor Model. J. Mar. Sci. Eng. 2020, 8, 204. [Google Scholar] [CrossRef] [Green Version]
 














| Terms | Value | 
|---|---|
| Cylinder bore [m] | 0.8 | 
| Cylinder number [–] | 7 | 
| Stroke to bore ratio [–] | 4.65 | 
| Engine Speed at MCR 1 [rpm] | 58 | 
| Brake Engine Power at MCR [MW] | 24.44 | 
| Brake Mean effective pressure at MCR [bar] | 19.3 | 
| NOx reduction technology | EGR | 
| TC-L | ABB A275 | 
| TC-S | ABB A265 | 
| Parameters | Value | 
|---|---|
| Population size | 30 | 
| Number of generations | 34 | 
| Mutation rate | 0.5 | 
| Mutation rate distribution index | 15 | 
| Coefficients | Minimum | Maximum | 
|---|---|---|
| Ignition delay | 0.95 | 2.8 | 
| Entrainment rate | 0.3 | 1.7 | 
| Premixed combustion rate | 0.05 | 2.5 | 
| Diffusion combustion rate | 0.4 | 1.4 | 
| Model | Engine Load (%) | EGR Rate (%) | Scope | 
|---|---|---|---|
| Model of the engine block assembly; Model of the BL-EGR engine configuration; Model of the AL-EGR engine configuration  | 25; 50; 75; 100 | Not used | Validation against measured data | 
| Model of the BL-EGR engine configuration | 25; 50; 75; 100 | 0−40 | Quantification of the variations of the engine performance and NOx emissions as function of the EGR rate Assessment of the impact of the BL-EGR system on the compressor performance Identification of the EGR rate to meet TIII limits  | 
| 40 | assess the effects of the CB rate for improving the TC performance and the electrical power consumption of the EGR blower | ||
| 20−50 | Optimisation of the CB and EGR rates to minimise the engine BSFC ensuring compliance with the TIII limits | ||
| Model of the AL-EGR engine configuration | 25; 50; 75; 100 | 0−40 | Quantification of the variations of the engine performance and NOx emissions as function of the EGR rate Assessment of the impact of the AL-EGR system on compressor performance  | 
| Model of the AL-EGR engine configuration | 25; 50; 75; 100 | 10−40 | Recommendation of the most fuel-efficient operating modes for the AL-EGR engine configuration complying with TII and TIII limits | 
| Parameters | Load [%] | |||
|---|---|---|---|---|
| 25 | 50 | 75 | 100 | |
| Cylinder maximum pressure | −0.2 | −0.2 | 0.3 | 1.3 | 
| Cylinder compression pressure | 0.2 | −0.5 | −0.1 | 1.8 | 
| Brake specific fuel consumption | −0.1 | 0.7 | −0.5 | 0.3 | 
| Brake NOx emissions | −0.3 | 2.8 | −0.7 | 1.0 | 
| Scavenge air receiver pressure 1 | −0.1 | −0.6 | 0.8 | 0.2 | 
| Exhaust gas receiver pressure 1 | −0.1 | −0.7 | 0.5 | 0.1 | 
| Scavenge air receiver temperature 2 | 0.0 | 0.3 | −0.1 | −0.6 | 
| Exhaust gas receiver temperature 2 | −1.5 | −3.2 | −2.3 | 2.1 | 
Publisher’s Note: MDPI stays neutral with regard to jurisdictional claims in published maps and institutional affiliations.  | 
© 2022 by the authors. Licensee MDPI, Basel, Switzerland. This article is an open access article distributed under the terms and conditions of the Creative Commons Attribution (CC BY) license (https://creativecommons.org/licenses/by/4.0/).
Share and Cite
Lu, D.; Theotokatos, G.; Zhang, J.; Zeng, H.; Cui, K. Comparative Assessment and Parametric Optimisation of Large Marine Two-Stroke Engines with Exhaust Gas Recirculation and Alternative Turbocharging Systems. J. Mar. Sci. Eng. 2022, 10, 351. https://doi.org/10.3390/jmse10030351
Lu D, Theotokatos G, Zhang J, Zeng H, Cui K. Comparative Assessment and Parametric Optimisation of Large Marine Two-Stroke Engines with Exhaust Gas Recirculation and Alternative Turbocharging Systems. Journal of Marine Science and Engineering. 2022; 10(3):351. https://doi.org/10.3390/jmse10030351
Chicago/Turabian StyleLu, Daoyi, Gerasimos Theotokatos, Jundong Zhang, Hong Zeng, and Keying Cui. 2022. "Comparative Assessment and Parametric Optimisation of Large Marine Two-Stroke Engines with Exhaust Gas Recirculation and Alternative Turbocharging Systems" Journal of Marine Science and Engineering 10, no. 3: 351. https://doi.org/10.3390/jmse10030351
APA StyleLu, D., Theotokatos, G., Zhang, J., Zeng, H., & Cui, K. (2022). Comparative Assessment and Parametric Optimisation of Large Marine Two-Stroke Engines with Exhaust Gas Recirculation and Alternative Turbocharging Systems. Journal of Marine Science and Engineering, 10(3), 351. https://doi.org/10.3390/jmse10030351
        
                                                
