Next Article in Journal
Design and Test of a Low-Loss Soybean Header Based on Synchronous Profiling
Previous Article in Journal
Design and Experimentation of a Self-Propelled Picking Type White Radish Combine Harvester
 
 
Font Type:
Arial Georgia Verdana
Font Size:
Aa Aa Aa
Line Spacing:
Column Width:
Background:
Article

Aerodynamic Performance Optimization of Centrifugal Fan Blade for Air System of Self-Propelled Cotton-Picking Machine

College of Mechanical and Electrical Engineering, Shihezi University, Shihezi 832003, China
*
Author to whom correspondence should be addressed.
Agriculture 2023, 13(8), 1579; https://doi.org/10.3390/agriculture13081579
Submission received: 19 July 2023 / Revised: 2 August 2023 / Accepted: 4 August 2023 / Published: 8 August 2023
(This article belongs to the Section Agricultural Technology)

Abstract

:
To enhance the working efficiency and aerodynamic performance of the centrifugal fan in the air system of a cotton picker, a new type of centrifugal fan blade was designed by extracting the mid-arc section from the prototype blade and integrating an airfoil, which was transplanted and coupled to the mid-arc section. The design aimed to improve the airflow characteristics and performance of the centrifugal fan. By combining experimental data from centrifugal fans used in existing cotton-picker air systems and employing computational fluid dynamics (CFD) methods, the internal flow field structure of the centrifugal fan was simulated. This study focused on investigating the aerodynamic performance of the new centrifugal fan blade and its impact on improving the internal flow patterns within the centrifugal fan. The results of the flow field visualization analysis indicate that the new blade design exhibits excellent aerodynamic performance, improving the flow distribution within the centrifugal fan. It enhances the uniformity of the outlet airflow, reduces the occurrence of localized “jet-wake” phenomena at the impeller’s outlet, suppresses the generation and development of vortices in the flow channel, and reduces local energy losses within the impeller. These improvements contribute to an increase in the fan’s efficiency. Under rated operating conditions, the efficiency of the prototype fan was measured at 60.3%, while the optimized fan achieved an efficiency of 64.8%. This signifies a significant improvement in the efficiency of the centrifugal fan.

1. Introduction

The cotton picker is a crucial piece of equipment for the mechanized harvesting of cotton, and the air system is an important component of the cotton picker which is primarily responsible for functions such as cotton conveying, cleaning, and collection [1]. The air system of a cotton picker generally consists of components such as centrifugal fans, an air duct, and a cotton-collecting device. The main factors that typically affect the efficiency of the air system in a cotton picker are the number, type, and placement of the fans, the layout and shape of the air duct, and the volume and shape of the cotton-collecting device. The centrifugal fan serves as the power source for the air system of the cotton picker, providing the necessary airflow for cotton conveying, cleaning, and collection [2]. Based on field investigations, it has been found that the existing centrifugal fans used in the air systems of cotton pickers require a large amount of power during operation, resulting in low operational efficiency. Moreover, the centrifugal fan blades are prone to breakage, and there is a heating issue on the surface. Therefore, further optimization of the centrifugal fan blades in the air system of the cotton picker is necessary. Figure 1 presents a schematic diagram of the air system in a six-row self-propelled cotton picker. The cotton is harvested from the spindles, and the doffer facilitates the separation of the cotton from the spindles, causing it to descend to the bottom of the picker unit housing. The high-velocity airflow generated by the ventilation duct of the picking head conveys the harvested material to the suction door duct. Simultaneously, the centrifugal fan expels a high-velocity airflow which is divided and forms an obliquely upward airflow within the conveying duct. This establishes a negative pressure environment within the duct, resulting in a combined process of “positive pressure blowing” and “negative pressure suction” during cotton conveying.
The air system of the cotton picker is equipped with a high-power, high-pressure centrifugal fan. The existing power allocation for the air system of the cotton picker accounts for nearly one-fourth of the total power of the cotton picker. Therefore, the optimization of the air system of the cotton picker has been a research hotspot in the field of engineering applications, and numerous scholars have conducted in-depth research on this topic. Based on the analysis of the structure and working principles of the air system in the stripper-type cotton picker, Liu Keyi et al. [3] focused on studying the wind speed, wind pressure, and air volume. Through design optimization, parameter research, and experimental analysis, they determined the relationship between the physical properties of the material, the structural design, and the parameters of airflow transportation. Their work provides a theoretical foundation for the study and optimization of the air system. Tian Hunan et al. [4] conducted numerical simulations and comparisons of the internal flow field in a pneumatic cotton-conveying system at different nozzle heights. They identified the relationship between the nozzle height and the pressure field and velocity field. Their research provides an important approach and method for improving the structural design of the pneumatic cotton-conveying system in cotton pickers and enhancing the performance of the conveying pipeline. Yang Hongjie et al. [5] initially investigated the fundamental material characteristics of harvested cotton and conducted structural design optimization and dynamic parameter design optimization for the air system. The simulation and verification of the flow field dynamics were carried out via a computational fluid dynamics analysis. The simulation results demonstrate that the improved system effectively alleviated the issue of cotton blockage during transportation. Wang Chen investigated the flow field and performance of the negative pressure conveying fan in the cotton-picking machine by analyzing the effects of different speeds and flow rates [2]. The study revealed the influence of speed and flow rate on the internal flow field of the fan. Although extensive research has been conducted on the air systems of cotton-picking machines, the existing air system accounts for nearly one-fourth of the total power of the cotton-picking machine. Additionally, the form of the cotton-conveying channel has become relatively fixed. Therefore, the focus of the optimization of the cotton-picking machine’s air system should be on the high-power centrifugal fan. As the power sources for the pneumatic conveying device of the cotton-picking machine, high-power centrifugal fans have higher manufacturing and operating costs. Therefore, improving the working efficiency and functional capability of the centrifugal fan is crucial for enhancing air efficiency and reducing the overall energy consumption of the machine.
The impeller is a crucial component of the centrifugal fan system. Therefore, researchers, both domestically and internationally, have investigated the effects of geometric parameters such as blade inlet and outlet angles, the number of blades, blade profiles, and impeller inlet and outlet diameters on the performance and flow structures of centrifugal fans. Research conducted by Tantakitti, P., et al. indicates that changes in the outlet angle have a more significant impact on fan performance compared to changes in the inlet angle [6]. Samian et al. [7] utilized a laser Doppler velocimetry to measure the velocity distribution around the impeller and investigated the influence of impeller width on the aerodynamic performance of the fan and its internal velocity distribution. Zhou et al. [8] employed the Hicks–Henne function for the parametric design of the blade profile. They combined the Kriging model and a multi-objective genetic algorithm to perform multi-objective design optimization for the fan, targeting the flow rate and total pressure efficiency. The optimized fan showed an improved flow rate and efficiency. He et al. achieved the relative optimal parameter combination for single-arc blades using an orthogonal experimental design method, and experimental verification confirmed the performance improvement in the orthogonal design method’s results in actual products [9,10,11]. In recent years, optimization methods based on the Kriging model [12], neural networks [13], polynomial response surface [14], and support vector regression [15] have greatly enhanced the efficiency of fan design.
However, due to the limitations of traditional blade design methods, relying solely on blade design optimization is no longer sufficient for meeting the higher performance requirements of fans. Biomimetics, as an interdisciplinary field combining engineering and biological sciences, provides new avenues for improving the aerodynamic performance of fluid machinery [16,17,18,19,20,21,22]. Wang et al. selected the centerline and body contour configuration of a carp fish in its C-shaped swimming posture as biomimetic elements. They applied these elements to the design of the blades of a multi-blade centrifugal fan, both in a biomimetic design and a biomimetic coupled design. This approach effectively alleviated the unsteady interaction between the wake and the tongue and casing of the fan [23,24].
Inspired by biomimetics, there is an interest in applying NACA series airfoil profiles, which are known for their excellent aerodynamic performance, to the blades of centrifugal fans in cotton-picking machines. However, traditional airfoil blades suffer from drawbacks such as dust accumulation and wear during use. Therefore, this study proposes coupling the airfoil blades with the existing curved prototype blades. The new hybrid blades not only inherit the aerodynamic characteristics of the curved prototype blades but also exhibit excellent external aerodynamic characteristics derived from the airfoil profiles.
This paper aims to improve the aerodynamic performance of centrifugal fans in cotton-picking machine air systems. Based on the NACA6410 airfoil, the curved profile of the prototype blades is extracted, and a reconstruction of the airfoil is performed. The modified airfoil is then transplanted and coupled with the curved profile of the prototype blades, resulting in a new design for the centrifugal fan impeller. Using the prototype fan as a reference, numerical calculation methods are employed to investigate the aerodynamic performance of the newly designed centrifugal fan impeller. A flow field visualization analysis is conducted to compare the flow distribution and flow mechanisms inside the existing air system centrifugal fan and the new design. These findings provide valuable insights for the subsequent comprehensive performance optimization of cotton-picking machine air systems.

2. Materials and Methods

2.1. Airfoil Construction

Airfoils contain complex aerodynamic phenomena and flow mechanisms, such as laminar flow, turbulent flow, transition, shock, separation, and vortices. NACA series airfoils exhibit excellent flow characteristics and streamlined outer shapes. In this study, we draw from the well-established NACA6410 airfoil to construct new blades. The mid-camber line and thickness distribution of the airfoil are the most significant factors influencing the airfoil’s shape. The thin trailing edge of the NACA6410 airfoil poses challenges in structural design and manufacturing. To address this, the trailing edge of the airfoil is modified to have a fixed length, and a curve from 40% of the chord length to the trailing edge point is generated in airfoil design software. Using the leading edge point as the origin, the coordinates of the geometric feature points of the original and modified airfoils are obtained, as shown in Figure 2.

2.2. Blade Reconstruction

The centrifugal fan blades studied in this paper are made of aluminum metal. During practical operation, the cotton-picking machine’s air system may encounter the ingress of a foreign object into the centrifugal fan, and due to the high rotational speed of the impeller, the fan blades generate a significant amount of frictional heat with the surrounding air. As a result, the existing centrifugal fan blades suffer from issues such as vulnerability to damage and a short lifespan, manifested by blade breakage occurring at the root. Therefore, in the process of blade optimization, it is necessary to consider blade thickening and improving the blade surface shape. The bending characteristics of the mid-camber line of the blades directly affect the aerodynamic performance of the centrifugal fan. The mid-camber line of the blades studied in this paper exhibits better overall aerodynamic performance compared to similar fan blades. Therefore, based on the original mid-camber line of the blades, this paper conducts optimization by transforming the coordinate of the wing’s skeleton line. The transformed skeleton line coincides with the mid-camber line of the prototype blades. Figure 3a,b, respectively, depict the prototype blades and the optimized blades.
Firstly, the mid-camber line of the prototype blades is fitted and corrected using polynomial fitting. The resulting fitting curve is shown in Figure 4, where the R2 values of the fish body centerline fitting equations are all above 0.999. The fitting curve closely resembles the shape of the mid-camber line in the prototype blades, ensuring that the fitted curve possesses similar aerodynamic characteristics to the original blades. The equation corresponding to the fitting curve is as follows:
y = 3.08068   x 0.01534 x 2 1.12648 e 4 x 3 + 1.00053 e 6 x 4 1.90319 e 9 x 5 80 x   220   ,   R 2 = 0.999
The coefficient of determination, R2, is used to measure the goodness-of-fit of a regression line to the observed values. A value of R2 closer to 1 indicates a better fit of the fitted curve to the observed values. In this study, R2 values above 0.999 ensure that the fitted curve closely resembles the performance characteristics of the mid-camber line in the prototype blades. The optimized blade, as shown in Figure 3b, exhibits several improvements compared to the prototype blade. Near the leading edge of the blade (at the air inlet), the thickness has been enhanced, resulting in an increased blade surface area. This enhancement contributes to strengthening the impelling capacity of the impeller.

2.3. Research Object and Computational Model

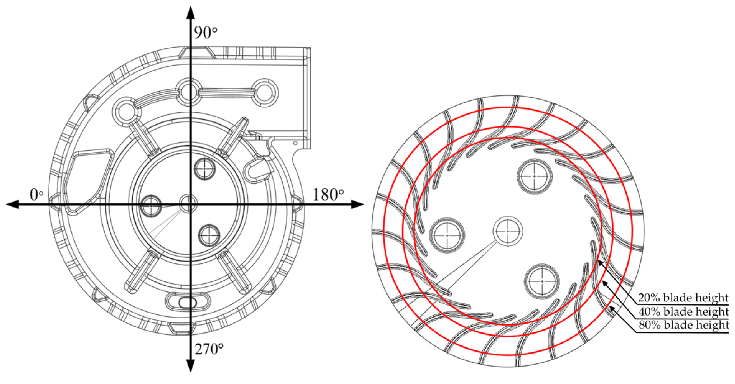
The high-pressure centrifugal fan studied in this paper is typically used in large self-propelled cotton-picking machine air systems. It mainly consists of a volute, impeller, and diffuser. The impeller is of a double-inlet type with radial blades and is separated by a middle disc. It is made of aluminum metal material and has 46 blades. The prototype fan operates at a rated speed of 4330 r/min. The structures of the prototype fan impeller and volute are shown in Figure 5, and Table 1 presents the structural parameters of the prototype impeller.
Based on the characteristics of the double-inlet centrifugal fan and the structure of the cotton-conveying channel, the fluid computational domain is divided into the inlet extension domain, outlet extension domain, volute domain, and impeller domain. The length of the extension domains is 3.5 times the diameter of the collector. The volute domain and impeller domain are connected through an interface, while other regions are connected through an interior connection. The geometry of the centrifugal fan was created using Solidworks2021 software, and the computational domain was meshed using Fluent Meshing’s Poly-Hexcore volume meshing technique to reduce the overall number of grids and computational time effectively. Local grid refinement was applied to the volute and impeller regions, and a boundary layer was added to the solid walls of the volute and impeller to ensure that the y+ value of the first layer of grid near the wall is within the range of 20 to 50. Figure 6 represents the numerical computational model and the grid.
The verification of grid independence for the computational domain of the centrifugal fan was conducted using the volumetric flow rate as the validation target. The relationship between the total number of grids and the fan’s volumetric flow rate is shown in Figure 7. It can be observed that when the total number of grids reaches 14.36 million, the fan’s volumetric flow rate reaches a steady value and no longer changes significantly with an increase in the number of grids. This confirms that the solution has reached grid independence, satisfying the requirements for the grid-independent solution. To ensure accuracy and reduce computational time, the total number of grids in the fluid domain was set to 14.58 million, with 12.05 million grids in the volute and 2.53 million grids in the impeller region.
In this study, the numerical simulation of the centrifugal fan flow field was performed using ANSYS FLUENT 2021 software. Due to the high rotational speed of the fan, the compressibility of the fluid was considered, and the Navier–Stokes equations were selected as the governing equations for the flow. To account for both model accuracy and convergence speed, the SST-kω turbulence model was used. The Standard wall functions were employed as the near-wall treatment, and no-slip conditions were set as the wall boundary conditions. The pressure–velocity coupling was solved using a coupled algorithm. To ensure computational accuracy, the turbulence kinetic energy, turbulent dissipation rate, and momentum equations were discretized using the second order upwind scheme, while the pressure term was discretized using the PRESTO! scheme. The inlet boundary condition was set as a specified pressure inlet, and the outlet boundary condition was defined with a specified mass flow rate. The region containing the fan blades was set as a rotating zone, using the multiple reference frame (MRF) model, with a rotational speed of 4330 r/min. The convergence criteria for various physical variables were set to 10−4 to achieve accurate and reliable results in the numerical simulation.

2.4. Verification of Results

The cotton-picking machine studied in this article is a six-row self-propelled baling cotton picker produced by Shandong Swan Cotton Industry Machinery Co., Ltd., Wujiaqu, China. According to the technical specifications of the cotton-picking machine, the studied high-pressure centrifugal fan operates at its rated condition with a shaft power of 36 kW, a fan speed of 4330 r/min, a flow rate of 7760 m3/h, and an average outlet air velocity of 51 m/s. Based on the numerical simulation results, when the centrifugal fan operates at a speed of 4330 r/min, the shaft power is measured at 33.2 kW, the flow rate is 7895 m3/h, and the average outlet air velocity is 52.3 m/s. Due to various mechanical losses during the fan operation and potential errors in the measurement process, there exists a certain discrepancy between the numerical simulation results and the actual measured values. However, the error range for all the parameters is within 5%, which falls within the acceptable range for engineering applications. This demonstrates the reliability of the numerical calculation model and methodology presented in this study, as it can accurately predict the aerodynamic performance of the centrifugal fan and capture the internal flow characteristics.

3. Results and Discussions

3.1. Analysis of the Internal Velocity Field of the Centrifugal Fan

By analyzing the internal flow conditions of the two types of blades under the rated operating condition, the improving effect of the internal flow within the impeller is revealed. Figure 8a–c represent the velocity distribution on the planes of 20%, 40%, and 80% blade height sections, respectively. Figure 9 illustrates the schematic diagram of the angles during the plane unfolding process. In the 20% blade height section of the prototype blade, the overall fluid velocity is relatively low, and the velocity distribution is uneven. The velocity gradient near the tongue is significant, while near the mid-span position, the fluid velocity is lower. A momentum transfer channel is formed from the pressure side to the suction side near the mid-span of the impeller, leading to the thickening and even separation of the boundary layer on the suction side. After optimization, the blade’s aerodynamic performance is enhanced, and the overall fluid velocity in the blade passage is increased, resulting in a more uniform velocity distribution. Within a circumferential angle range of 100° to 150°, the volume of the volute flow passage is relatively small, and the flow velocity in the impeller passage is higher compared to other positions. Since both types of blades adopt the same camber line, the prototype and optimized fans exhibit similar flow field distribution patterns along the circumferential direction. Compared to the 20% blade height section, at the 40% blade height section, the flow velocity inside the impeller passage increases due to the continuous work done by the impeller on the fluid. The problem of the lower flow velocity near the middle disk of the impeller is improved. In the prototype fan, there are multiple low-speed vortices within a single impeller passage, leading to a relatively turbulent airflow distribution. In contrast, the optimized blade design results in a smaller velocity gradient inside the blade passage and a more uniform velocity field distribution compared to the prototype blade. At the 80% blade height section, the “jet-wake” phenomenon can be observed. In the prototype blade, there are still multiple low-speed regions near the middle disk of the impeller, and the presence of multiple vortices within a single impeller passage persists. However, with the optimized blade design, the uniformity of the flow field distribution inside the blade passage improves and the wake region becomes smaller, leading to a more consistent and improved flow pattern.
Figure 10 represents the velocity distribution at the X = 30 mm section of the impeller. The airflow on the pressure surface of the blade flows along the blade surface, while on the suction surface, due to the presence of a large flow angle at the inlet, flow separation occurs near the leading edge of the blade. At the impeller outlet, there is a localized “jet-wake” phenomenon in the airflow. After optimization, the localized “jet-wake” phenomenon at the impeller outlet of the centrifugal fan is improved, and the flow inside the impeller passages approaches a more ideal flow state. At the same time, it can be observed that the flow separation phenomenon inside the passage near the volute tongue area is not particularly significant, indicating that the position of the volute tongue and the mid-camber line of the blades in the centrifugal fan studied in this paper are reasonably designed.
Figure 11 shows the velocity contours at the outlets of the two centrifugal fans, both reflecting similar velocity distribution patterns. The average outlet velocity of the prototype fan is 52.3 m/s, while the optimized fan’s outlet velocity is 55.4 m/s. The uniformity index is used to represent the variation of a specified field variable on a surface, capturing the flux variation on the surface. The method for its calculation is shown in Equation (2).A value of 1 indicates the highest degree of uniformity. The uniformity index of the prototype centrifugal fan is 0.8532, while the uniformity index of the optimized centrifugal fan is 0.9168.
γ m = 1 i = 1 n [ ( | ϕ i ϕ ¯ m | ) ( | ρ i v i A i | ) ] 2 | ϕ ¯ m | i = 1 n [ | ρ i v i A i | ]
where i is the facet index of a surface with facets, and ϕ ¯ m is the average flux of the field variable through the following surface:
ϕ ¯ m = i = 1 n [ ϕ i ( | ρ i v i A i | ) ] i = 1 n [ | ρ i V i A i | ]
The optimized centrifugal fan’s outlet exhibits a larger high-speed region agrea and a more uniform velocity distribution. Figure 12 illustrates the velocity distribution along a straight line (position marked in Figure 11) at the outlet section of the centrifugal fan. The efficiency of the prototype centrifugal fan is 60.3%, while the optimization process increased the efficiency of the centrifugal fan to 64.8%.

3.2. Analysis of Vorticity and Static Pressure Distribution

The Q criterion is a simple and widely used vortex identification method known for its high accuracy and reliability. This paper employs the Q-criterion to represent the three-dimensional vortex structures within the centrifugal fan [25]:
Q = 1 2 ( S i j S i j Ω i j Ω i j )
where: S i j = 1 2 ( u i x j + u j x i ) , Ω i j = 1 2 ( u i x j u j x i ) .
Figure 13 shows the normalized Q-criterion contour plots of the prototype impeller and the optimized impeller at the X = 30 mm section. Figure 14 illustrates the three-dimensional vortex structures of the prototype centrifugal fan and the optimized centrifugal fan represented using the Q-criterion. As observed from the figures, the vortices within the centrifugal fan are mainly distributed in the impeller region and the air inlet area. Vortex regions are more prominent at both sides of the fan’s air intake, while only a few vortices are present in the volute region. In the prototype centrifugal fan, a large vortex is observed at position A, primarily due to the strong interaction between the high-speed airflow at the blade exit and the volute. This interaction hinders the airflow at the outlet and leads to the formation of a large vortex within the flow passage, resulting in significant energy losses and flow turbulence in the outlet diffuser region. Under rated operating conditions, the centrifugal fan studied in this paper experiences significant friction and vortex losses due to its interaction with the air, resulting in a noticeable heating of the impeller during practical usage. However, through the optimization process, the new blade design suppresses the generation and development of vortices within the flow passage, reducing localized energy losses within the impeller. The large vortex observed at position A in the prototype centrifugal fan is essentially eliminated, and the distribution of vortices within the impeller flow passage becomes more regular. As a result, the velocity and pressure fields within the fan become more reasonable, leading to improvements in the airflow and efficiency of the centrifugal fan.
To analyze the improvement effect of the internal flow in the centrifugal fan, this study conducted sectional analyses at different distances along the axis direction of the centrifugal fan. Figure 14a,b represent the contour plots of the static pressure distribution for the prototype and optimized centrifugal fans at X = 30 mm and X = −30 mm sections, respectively. The static pressure of the centrifugal fan increases with the increase in the radial distance, and the static pressure distribution in different flow passages exhibits an approximate periodic pattern. The static pressure values on the pressure side of the blades are generally higher than those on the suction side. Moreover, the prototype fan shows a local high-pressure region in the lower-left section. Combined with Figure 12, it can be observed that the presence of a large vortex at position A affects the internal static pressure distribution of the centrifugal fan. Figure 15 shows the static pressure distribution of the centrifugal fan. After optimization, the overall static pressure distribution inside the centrifugal fan is improved. The local low-pressure area near the suction side of the blade inlet becomes smaller, and the static pressure distribution near the shroud wall of the volute improves significantly. The static pressure distribution at the exit becomes more uniform, and the local high-pressure region existing in the lower-left section of the prototype fan is eliminated. The optimized impeller, in combination with the original volute structure, exhibits excellent deflection and pressure-increasing effects. Due to the selection of symmetric sections about the mid-span of the centrifugal fan impeller in this study, the internal flow field distribution of the fan remains consistent. This consistency is advantageous for reducing friction losses between the shaft and bearings and helps mitigate bearing heating issues.

4. Conclusions

This study presents the innovative design of a novel centrifugal fan blade via the skillful incorporation of the high-performance NACA6410 airfoil, which is renowned for its superior flow characteristics and streamlined outer contour, into the original blade structure. The process involved a meticulous combination of numerical simulations, comprehensive flow field analyses, and integration with existing centrifugal fan experimental data to optimize the original design. As a result, the improved centrifugal fan demonstrates a significantly enhanced efficiency compared to its conventional counterpart.
In comparison to the prototype fan, the optimized centrifugal fan blade exhibits improved aerodynamic performance and efficiency. The average outlet velocity of the prototype fan is 52.3 m/s, whereas the optimized fan achieves an outlet velocity of 55.4 m/s. Furthermore, the uniformity index for the outlet section is 0.8532 for the prototype fan and increases to 0.9168 for the optimized fan. The efficiency of the prototype centrifugal fan stands at 60.3%, which is notably enhanced to 64.8% after the optimization. These results demonstrate the effectiveness of the design principles proposed in this study when applied to the air system centrifugal fan in a cotton-picking machine. The incorporation of the optimized blade’s arc features and blade surface characteristics significantly improves the flow field distribution within the centrifugal fan. This leads to an enhanced uniformity in the outlet airflow, a reduction in the occurrence of “jet-wake” phenomena at the blade exit, the mitigation of airflow impact at the blade inlet edge, and the suppression of vortex generation and development within the flow passage. As a consequence, localized energy losses within the impeller are minimized.
Future work includes establishing a more accurate numerical calculation model, constructing a centrifugal fan testing and experimental platform, developing a speed control system for the centrifugal fan, optimizing the power distribution in the cotton-picking machine, and applying the newly designed centrifugal fan blades to practical production.

Author Contributions

Conceptualization, W.S. and F.Z.; software, W.S.; validation, S.W.; formal analysis, W.S.; investigation, Y.L.; resources, J.L.; data curation, J.F.; writing—original draft preparation, W.S.; writing—review and editing, W.S. and J.F.; supervision, J.F.; funding acquisition, J.F. All authors have read and agreed to the published version of the manuscript.

Funding

This research was funded by “Development and Demonstration of a Six-Row Self-Propelled Modular Cotton Picking Machine, a Major Scientific and Technological Project of Xinjiang Production and Construction Corps”, grant number 2018AA008.

Institutional Review Board Statement

Not applicable.

Data Availability Statement

Not applicable.

Conflicts of Interest

The authors declare no conflict of interest.

References

  1. Xiao, X.; Sun, K.; Xie, F.-P.; Luo, H.; Wang, X.; Liu, D. Horizontal Spindle Type Cotton Picker Picking System Research Status and Prospects. J. Agric. Mech. Res. 2023, 45, 1–9. [Google Scholar]
  2. Wang, C. Flow Field Analysis and Structure Optimization of Pneumatic Conveying System of New Cotton Picker. Master’s Thesis, Xinjiang University, Urumqi, China, 2018. [Google Scholar]
  3. Liu, K.-Y.; Wang, W.-X. Design and Research of Closed-type Cotton Picker’s Airflow System. J. Agric. Mech. Res. 2011, 33, 115–118. [Google Scholar] [CrossRef]
  4. Tian, H.-N.; Wang, C.-Y.; Wang, X.-N. Simulation for internal flow field of conveying system of cotton-picking machine based on FLUENT. J. Mach. Des. Manuf. 2012, 3, 125–127. [Google Scholar] [CrossRef]
  5. Yang, H.-J. Design and Dynamics for All-Harvested Cotton Picker Pneumatic Conveying System. Master’s Thesis, Shihezi University, Shihezi, China, 2014. [Google Scholar]
  6. Tantakitti, P.; Pattana, S.; Wiratkasem, K. The performance of backward curved centrifugal fan with various impeller inlet and outlet angles. In Proceedings of the 2018 Third International Conference on Engineering Science and Innovative Technology (ESIT), Bangkok, Thailand, 19–22 April 2018; IEEE: New York, NY, USA, 2019; pp. 1–3. [Google Scholar]
  7. Samian, R.-S.; Montazerin, N.; Damangir, A.; Nikkhoo, M. An Experimental Study of Squirrel Cage Fan Rotor Width on Performance and Velocity Profiles. In Proceedings of the 2nd International Conference on Computer and Automation Engineering, Singapore, 26–28 February 2010; Institute of Electrical and Electronics Engineers: New York, NY, USA, 2010; Volume 10, pp. 263–267. [Google Scholar]
  8. Zhou, S.-Q.; Zhou, H.-X.; Yang, K.; Dong, H.; Gao, Z. Research on Blade Design Method of Multi-Blade Centrifugal Fan for Building Efficient Ventilation Based on Hicks-Henne Function. J. Sustain. Energy Technol. Assess. 2021, 43, 100971. [Google Scholar] [CrossRef]
  9. Heo, M.-W.; Kim, J.-H.; Seo, T.-W.; Kim, K.Y. Aerodynamic and Aeroacoustic Optimization for Design of a Forward Curved Blades Centrifugal Fan. J. Proc. Inst. Mech. Eng. Part A J. Power Energy 2016, 230, 154–174. [Google Scholar] [CrossRef]
  10. Xiao, Q.-H.; Wang, J.; Jiang, B.-Y. Parametric and multi-objective optimization of the squirrel cage fan. J. Eng. Thermo-Phys. 2020, 41, 2977–2981. [Google Scholar]
  11. He, L.-B.; Jiang, T.; Li, Z.F.; Wang, J. Orthogonal design and experiment analysis of multi-blades centrifugal fan impeller. J. Fluid Mach. 2016, 44, 7–11+30. [Google Scholar]
  12. Boyan, J.; Shi, X.; Xiao, Q.; Li, B. Design of Double-Arc Blades for Multi-Blade Centrifugal Fan and Analysis of Its Performance Advantages. J. Drain. Irrig. Mach. Eng. 2023, 41, 795–802. [Google Scholar]
  13. Liu, H.-S.; Wang, W.-X.; Sun, D.-Z.; Gao, P.; Chen, W.-B.; Lin, C.-T.; Xie, J.-X. Prediction model of orchard water requirement based on BP neural network and genetic algorithm. J. Drain. Irrig. Mach. Eng. 2020, 8, 1258–1263. [Google Scholar]
  14. Zhang, D.S.; Mei, J.; Zhao, R.J.; Huang, J.; Jin, Y.X. Response surface method-based optimization of impeller of fluoroplastic two-phase flow centrifugal pump. J. Drain. Irrig. Mach. Eng. 2020, 38, 898–903. [Google Scholar]
  15. Jiang, B.; Yang, J.; Bai, X.; Wang, J. Optimization of centrifugal pump blade based on high-dimensional hybrid model and genetic algorithm. J. Huazhong Univ. Sci. Technol. 2020, 48, 28–132. [Google Scholar]
  16. Adachi, T.; Sugita, N.; Yamada, Y. Study on the performance of a sirocco fan (flow around the runner blade). J. Int. J. Rotating Mach. 2004, 10, 592–594. [Google Scholar]
  17. Hua, X.; Gu, R.; Jin, J. Numerical simulation and aerodynamic performance comparison between seagull aerofoil and NACA 4412 aerofoil underlow-Reynolds. J. Adv. Nat. Sci. 2010, 3, 244–250. [Google Scholar]
  18. Chen, K.; Liu, Q.; Liao, G. The sound suppression characteristics of wing feather of owl (Bubo bubo). J. Bionic Eng. 2012, 9, 192–199. [Google Scholar] [CrossRef]
  19. Li, D.; Liu, X.; Hu, F. Effect of trailing-edge serrations on noise reduction in a coupled bionic aerofoil inspired by barn owls. J. Bioinspiration Biomim. 2020, 15, 016009. [Google Scholar] [CrossRef]
  20. Wang, M.; Wu, L.; Liu, X. A study on noise reduction of centrifugal fan in air conditioner by using the bionic blade inspired by the owl wing. J. Xi’an Jiaotong Univ. 2018, 52, 5–61. [Google Scholar]
  21. Wang, L.; Liu, X.; Liu, G. Noise reduction mechanism of bionic coupled blades of axial flow fan. J. Xi’an Jiaotong Univ. 2020, 54, 81–90. [Google Scholar]
  22. Zhang, C.; Geng, D.; Xu, H.; Li, X.; Ming, J.; Li, D.; Wang, Q. Experimental Study on the Influence of Working Parameters of Centrifugal Fan on Airflow Field in Cleaning Room. Agriculture 2023, 13, 1368. [Google Scholar] [CrossRef]
  23. Shi, R.; Dai, F.; Zhao, W.; Liu, X.; Wang, T.; Zhao, Y. Optimal Design and Testing of a Crawler-Type Flax Combine Harvester. Agriculture 2023, 13, 229. [Google Scholar] [CrossRef]
  24. Wang, J.H.; Gong, D.; Liu, X. Aerodynamic Performance of Multi-Blade Centrifugal Fan with Bionic Blades Inspired by C-Type Start of Cyprinidae. J. Xi’an Jiaotong Univ. 2022, 56, 57–68. [Google Scholar]
  25. Wang, Y.-F.; Zhang, W.-H.; Cao, X.; Yang, H.-K. The applicability of vortex identification methods for complex vortex structures in axial turbine rotor passages. J. Hydrodyn. 2019, 31, 700–707. [Google Scholar] [CrossRef]
Figure 1. Schematic diagram of the main components and flow in the air system of a cotton picker. (1) Picking unit; (2) suction door ducts; (3) air duct; (4) cotton-collecting device; (5) centrifugal fan; (6) air duct hoses.
Figure 1. Schematic diagram of the main components and flow in the air system of a cotton picker. (1) Picking unit; (2) suction door ducts; (3) air duct; (4) cotton-collecting device; (5) centrifugal fan; (6) air duct hoses.
Agriculture 13 01579 g001
Figure 2. Airfoil cross-section profile.
Figure 2. Airfoil cross-section profile.
Agriculture 13 01579 g002
Figure 3. Comparison of prototype blades and optimized blades.
Figure 3. Comparison of prototype blades and optimized blades.
Agriculture 13 01579 g003
Figure 4. Schematic of the feature points and fitting curve of the original blade camber line.
Figure 4. Schematic of the feature points and fitting curve of the original blade camber line.
Agriculture 13 01579 g004
Figure 5. Prototype centrifugal fan.
Figure 5. Prototype centrifugal fan.
Agriculture 13 01579 g005
Figure 6. Computation domain model and grid. (a) Outlet extension domain, (b) volute domain, (c) impeller domain, and (d) inlet extension domain.
Figure 6. Computation domain model and grid. (a) Outlet extension domain, (b) volute domain, (c) impeller domain, and (d) inlet extension domain.
Agriculture 13 01579 g006
Figure 7. Grid independence verification.
Figure 7. Grid independence verification.
Agriculture 13 01579 g007
Figure 8. Expanded views of the impeller at 20%, 40%, and 80% blade heights.
Figure 8. Expanded views of the impeller at 20%, 40%, and 80% blade heights.
Agriculture 13 01579 g008
Figure 9. Schematic diagram of the planar expansion angle and unfolding height.
Figure 9. Schematic diagram of the planar expansion angle and unfolding height.
Agriculture 13 01579 g009
Figure 10. Velocity contour of the impeller.
Figure 10. Velocity contour of the impeller.
Agriculture 13 01579 g010
Figure 11. Contour of the outlet velocity distribution.
Figure 11. Contour of the outlet velocity distribution.
Agriculture 13 01579 g011
Figure 12. Distribution of outlet velocity along a straight line.
Figure 12. Distribution of outlet velocity along a straight line.
Agriculture 13 01579 g012
Figure 13. Normalized Q-criterion contour of the impeller.
Figure 13. Normalized Q-criterion contour of the impeller.
Agriculture 13 01579 g013
Figure 14. Three-dimensional vortex structure of the centrifugal fan represented by the Q-criterion. (a) Prototype; (b) optimized.
Figure 14. Three-dimensional vortex structure of the centrifugal fan represented by the Q-criterion. (a) Prototype; (b) optimized.
Agriculture 13 01579 g014
Figure 15. Static pressure contour of centrifugal fan. (a) Comparison of static pressure distribution for the X = 30 mm cross-section. (b) Comparison of static pressure distribution for the X = −30 mm cross-section.
Figure 15. Static pressure contour of centrifugal fan. (a) Comparison of static pressure distribution for the X = 30 mm cross-section. (b) Comparison of static pressure distribution for the X = −30 mm cross-section.
Agriculture 13 01579 g015
Table 1. Structure parameters of the prototype impeller.
Table 1. Structure parameters of the prototype impeller.
ParameterValueUnit
Impeller Inner Diameter300mm
Impeller Outer Diameter482mm
Blade Inlet Angle90(°)
Blade Outlet Angle18.5(°)
Blade Wrap Angle32(°)
Blade Height58(°)
Number of Blades46/
Disclaimer/Publisher’s Note: The statements, opinions and data contained in all publications are solely those of the individual author(s) and contributor(s) and not of MDPI and/or the editor(s). MDPI and/or the editor(s) disclaim responsibility for any injury to people or property resulting from any ideas, methods, instructions or products referred to in the content.

Share and Cite

MDPI and ACS Style

Shao, W.; Feng, J.; Zhang, F.; Wang, S.; Li, Y.; Lv, J. Aerodynamic Performance Optimization of Centrifugal Fan Blade for Air System of Self-Propelled Cotton-Picking Machine. Agriculture 2023, 13, 1579. https://doi.org/10.3390/agriculture13081579

AMA Style

Shao W, Feng J, Zhang F, Wang S, Li Y, Lv J. Aerodynamic Performance Optimization of Centrifugal Fan Blade for Air System of Self-Propelled Cotton-Picking Machine. Agriculture. 2023; 13(8):1579. https://doi.org/10.3390/agriculture13081579

Chicago/Turabian Style

Shao, Wenping, Jingan Feng, Feng Zhang, Shu Wang, Yuhang Li, and Jiangfeng Lv. 2023. "Aerodynamic Performance Optimization of Centrifugal Fan Blade for Air System of Self-Propelled Cotton-Picking Machine" Agriculture 13, no. 8: 1579. https://doi.org/10.3390/agriculture13081579

APA Style

Shao, W., Feng, J., Zhang, F., Wang, S., Li, Y., & Lv, J. (2023). Aerodynamic Performance Optimization of Centrifugal Fan Blade for Air System of Self-Propelled Cotton-Picking Machine. Agriculture, 13(8), 1579. https://doi.org/10.3390/agriculture13081579

Note that from the first issue of 2016, this journal uses article numbers instead of page numbers. See further details here.

Article Metrics

Back to TopTop