Design and Experimentation of a Self-Propelled Picking Type White Radish Combine Harvester
Abstract
1. Introduction
2. Biomechanical Properties of White Radish
3. Main Structure and Working Principle
3.1. Main Structure
3.2. Working Principle
4. Design of Key Component
4.1. Tassel Gathering Device
4.1.1. Tassel-Raising Mechanism
4.1.2. Tassel Gathering Mechanism
4.2. Clamping and Conveying Device
4.3. Tassel Cutting Device
4.3.1. Fixed Knife
4.3.2. Movable Knife
4.4. Vibrating Deep Loosening Device
4.4.1. Vibrating Deep Loosening Device
4.4.2. Structural Analysis
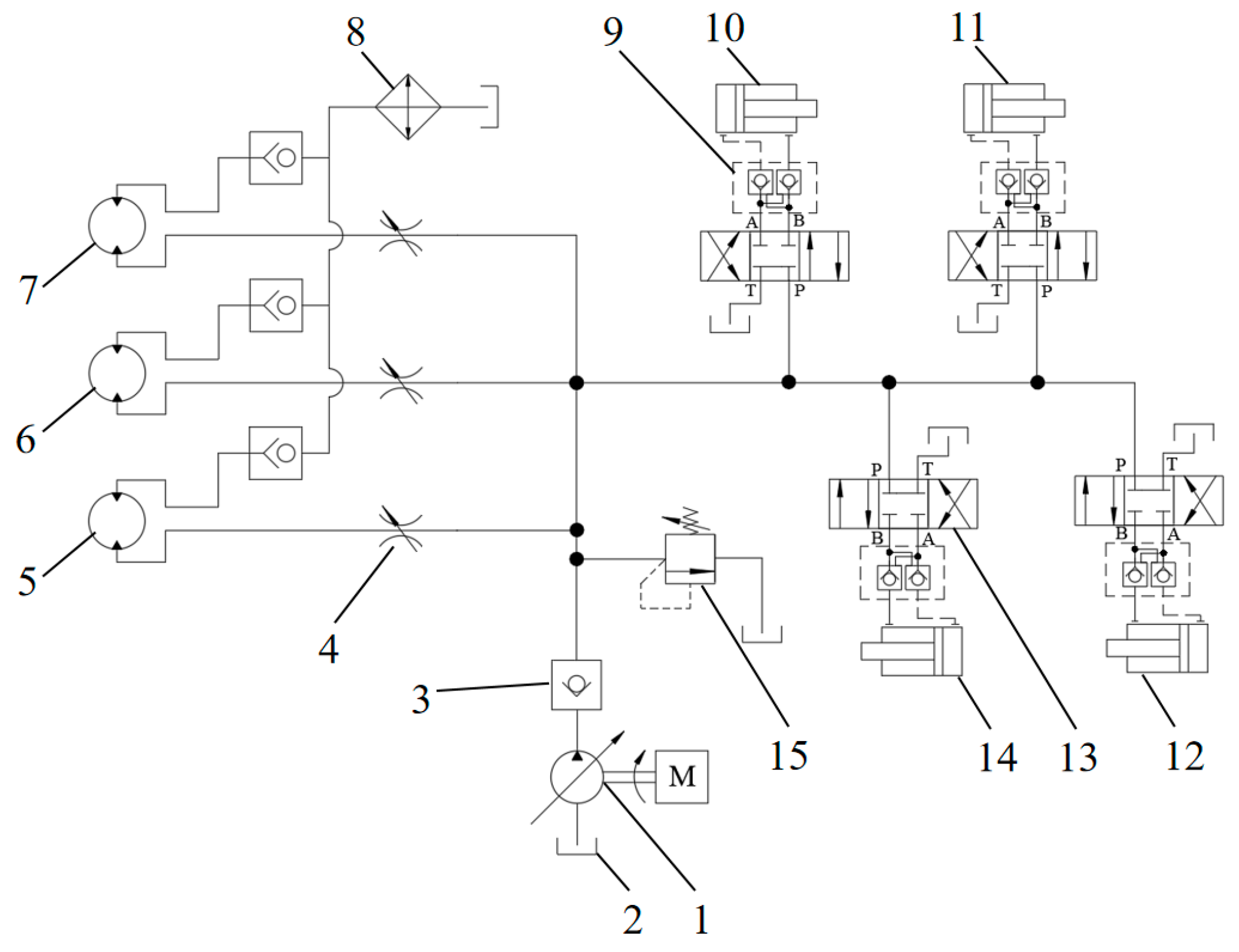
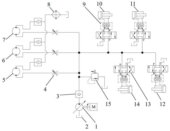
4.5. Hydraulic Transmission System
5. Test of Bench and Field
5.1. Test Conditions
5.2. Test Method
5.3. Analysis of Test Results
6. Discussions
- (1)
- Corresponds to less supporting power required and lower loss and damage rates compared to digging-type harvesters. Therefore, the picking type is more suitable for white radish harvesting than the digging type.
- (2)
- Compared with the operation effect of using a carrot harvester to harvest white radish, the white radish combine harvester designed in this paper can better adapt to the material growth characteristics of white radish, and the harvesting effect is better, but there are still problems such as incomplete tassel gathering. The main reasons for the incomplete tassel gathering are: The motion parameter of the tassel gathering device, the speed ratio of the tassel, K, is currently in the range of 1.7 to 4.2, which is a relatively wide range, and the best combination of parameters has not yet been reached; secondly, it is limited by the finished tassel claw belt base belt and the short length of the tassel finger, resulting in the compact structure of the tassel gathering device drive system, and the front layout affects the smooth feeding of the tassel, thus The next step is to build a tassel gathering device test stand, develop a suitable tassel claw belt, optimize the structure and motion parameters of the tassel gathering device, and obtain the optimal combination of parameters suitable for white radish harvesting to improve the success rate of tassel gathering.
- (3)
- The loss rate and damage rate of the field test were significantly higher than those of the bench test. The main reasons for this are the uneven growth of white radish in the field test site and the different height of exposed fleshy roots (i.e., not the ideal field operation environment), which led to different clamping and feeding positions during the operation, and the fact that the clamping and feeding points were too low to cause damage and too high to cause loss. In the future, the height of the exposed fleshy root of white radish can be detected in real time by machine vision and other technologies [24] to achieve adaptive adjustment of the clamping height; developing automatic row alignment technology [25] to realize accurate row alignment during white radish harvesting operations to adapt to the complex operating environment in the field. Secondly, from an agronomic point of view, white radish is suitable for planting in sandy soil, and the field harvesting test site is loamy soil, which increases the firmness of the soil after rain, bringing a greater impact on the field harvesting effect. In addition, since the chassis and harvesting components are rigidly connected, the field operation is complicated, and the chassis without an automatic levelling function easily causes the harvesting components to tilt, which makes the operation attitude difficult to control and affects the operation effect. The chassis with an automatic levelling function should be used at a later stage to improve the applicability of the machine. The application of intelligent agriculture technology will improve the machine’s performance and realize efficient and low-loss harvesting of white radish.
7. Conclusions
Author Contributions
Funding
Institutional Review Board Statement
Data Availability Statement
Acknowledgments
Conflicts of Interest
References
- Zhang, J.; He, P.; Ding, W.; Xu, X.; Ullah, S.; Abbas, T.; Ai, C.; Li, M.; Cui, R.; Jin, C. Estimating nutrient uptake requirements for radish in China based on QUEFTS model. Sci. Rep. 2019, 9, 11663. [Google Scholar] [CrossRef]
- Wang, J.; Hu, J.; Zhu, J. Vegetable mechanized harvesting technology and its development. Nongye Jixie Xuebao = Trans. Chin. Soc. Agric. Mach. 2014, 45, 81–87. [Google Scholar]
- Chowdhury, M.; Islam, M.N.; Iqbal, M.Z.; Islam, S.; Lee, D.-H.; Kim, D.-G.; Jun, H.-J.; Chung, S.-O. Analysis of overturning and vibration during field operation of a tractor-mounted 4-row radish collector toward ensuring user safety. Machines 2020, 8, 77. [Google Scholar] [CrossRef]
- Dai, Z.; Wu, M.; Fang, Z.; Qu, Y. Calibration and verification test of lily bulb simulation parameters based on discrete element method. Appl. Sci. 2021, 11, 10749. [Google Scholar] [CrossRef]
- Dai, Z.; Wu, M.; Fang, Z.; Qu, Y. Design and Parameter Optimization of Fruit–Soil Separation Device of Lily Harvester. Agriculture 2022, 12, 175. [Google Scholar] [CrossRef]
- Yang, F.; Yang, Y.; Li, W.; Zhao, G.; Jiang, F.; Li, J. Structural Design and Experiment on Vibrating Soil Breaking Device of Mounted Yam Harvester. Nongye Jixie Xuebao/Trans. Chin. Soc. Agric. Mach. 2020, 51, 104–111. [Google Scholar]
- Qu, Y.; Fang, Z.; Liu, Y.; Dai, Z.; Wu, M. Development of a vibrating and roller pushing type Allium chinense harvester. Trans. Chin. Soc. Agric. Eng. 2022, 38, 51–59. [Google Scholar]
- Zhang, D.; Zhang, Z.; Cao, Y.; Wang, F. Design and experiment on combined digging shovel of Panax notoginseng harvester. J. Jiangsu Univ.-Nat. Sci. Ed. 2018, 39, 38–44. [Google Scholar]
- Chen, H.; Ren, K.; Yu, J. Physical and mechanical properties of ridging radishes in Northern China. Trans. Chin. Soc. Agric. Eng. 2010, 26, 163–169. [Google Scholar]
- Fu, W.; Chen, H.; Kan, Z. Optimizing parameters on vibration breakshovel of radish harvester. Trans. Chin. Soc. Agric. Eng. 2011, 27, 46–50. [Google Scholar]
- Wang, J.; Li, X.; Gao, P.; Na, M.; Wang, Q.; Hou, W. Design and experiment of high efficiency drag reducing shovel for carrot combine harvester. Nongye Jixie Xuebao/Trans. Chin. Soc. Agric. Mach. 2020, 51, 93–103. [Google Scholar]
- Wei, F.; Chen, H.; Wang, Y. The design of radish harvester and simulation optimization of key parts. J. Agric. Mech. Res. 2008, 11, 101–103. [Google Scholar]
- Zhou, W.; Ni, X.; Song, K.; Wen, N.; Wang, J.; Fu, Q.; Na, M.; Tang, H.; Wang, Q. Bionic Optimization Design and Discrete Element Experimental Design of Carrot Combine Harvester Ripping Shovel. Processes 2023, 11, 1526. [Google Scholar] [CrossRef]
- Wang, J.; Guan, R.; Gao, P.; Zhou, W.; Tang, H. Design and experiment of single disc to top cutting device for carrot combine harvester. Nongye Jixie Xuebao/Trans. Chin. Soc. Agric. Mach. 2020, 51, 73–81. [Google Scholar]
- Jin, X.; Du, X.; Wang, S.; Ji, J.; Dongle, X.; Wang, D. Design and experiment of stems cutting device for carrot harvester. Nongye Jixie Xuebao/Trans. Chin. Soc. Agric. Mach. 2016, 47, 82–89. [Google Scholar]
- Wang, J.; Shang, S. Development and experiment of double-row self-propelled carrots combine. Trans. Chin. Soc. Agric. Eng. 2012, 28, 38–43. [Google Scholar]
- Hu, Z.; Peng, B.; Yin, W.; Wang, H. Design and experiment on multifunctional root-tuber crops combine. Trans. Chin. Soc. Agric. Mach. 2008, 39, 58–61. [Google Scholar]
- Shirwal, S.; Mani, I.; Sirohi, N.P.S.; Kumar, A. Development and Evaluation of Carrot Harvester. Ama-Agric. Mech. Asia Afr. Lat. Am. 2015, 46, 28–34. [Google Scholar]
- Yan, K.; Yao, S.; Huang, Y.; Zhao, Z. Study on Pulling Dynamic Characteristics of White Radish and the Optimal Design of a Harvesting Device. Agriculture 2023, 13, 942. [Google Scholar] [CrossRef]
- Kook, H.; Choi, Y.; Cho, Y. Pulling performance of a self-propelled radish harvester and design of a preprocessing unit. J. Agric. Life Sci. 2021, 55, 117–125. [Google Scholar] [CrossRef]
- Kim, W.-S.; Siddique, M.A.A.; Kim, Y.-J.; Jung, Y.-J.; Baek, S.-M.; Baek, S.-Y.; Kim, Y.-S.; Lim, R.-G. Simulation of the Rollover Angle of a Self-Propelled Radish Harvester for Different Load Conditions. Appl. Sci. 2022, 12, 10733. [Google Scholar] [CrossRef]
- Jung, Y.-J.; Jeon, H.-H.; Jung, H.-J.; Choi, C.-H.; Kim, Y.-J. Finite element analysis of radish harvesting part. In Proceedings of the 2018 ASABE Annual International Meeting, St. Joseph, MI, USA, 29 July–1 August 2018; p. 1. [Google Scholar]
- Liu, X.; Wang, S.; Wang, Y.; Zhang, X.; Guo, S.; Liu, X. Structure Design of Northeast Raphanus Sativus Harvester. J. Agric. Mech. Res. 2023, 45, 124–128. [Google Scholar] [CrossRef]
- Zhou, W.; Song, C.; Song, K.; Wen, N.; Sun, X.; Gao, P. Surface Defect Detection System for Carrot Combine Harvest Based on Multi-Stage Knowledge Distillation. Foods 2023, 12, 793. [Google Scholar] [CrossRef] [PubMed]
- Wang, S.; Gao, X.; You, Z.; Peng, B.; Wu, H.; Hu, Z.; Wang, Y. Experiment and parameter optimization of an automatic row following system for the traction beet combine harvester. Int. J. Agric. Biol. Eng. 2023, 16, 145–152. [Google Scholar] [CrossRef]











| Projects | Parameters | Value |
|---|---|---|
| Technical parameters | Maximum working size of the machine (L × W × H)/(mm × mm × mm) | 3360 × 2326 × 2410 |
| Machine quality/kg | 2770 | |
| Matching power/kW | 26 | |
| Forward speed/(m·s−1) | 0–1.5 | |
| Depth of loosened soil/mm | 0–350 | |
| Number of working rows | 1 | |
| Working row spacing/mm | >200 | |
| Maximum approach angle/(°) | 24.7 | |
| Operating performance | Loss rate/% | 2.75 |
| Damage rate/% | 4.99 | |
| Impurity rate/% | 1.64 |
| Component | Model | Max. Speed /(r/min) | Max. Torque /(N·m) |
|---|---|---|---|
| Hydraulic cycloidal motor of tassel gathering device | BMR-50 | 730 | 89 |
| Hydraulic cycloidal motor of deep soil loosening device | BMR-160 | 344 | 285 |
| Hydraulic cycloidal motor of clamping and conveying device | BMR-250 | 220 | 350 |
| Projects | Loss Rate/% | Damage Rate/% | Impurity Rate/% |
|---|---|---|---|
| Field test | 12.37 | 18.92 | 2.23 |
| Bench test | 2.75 | 4.99 | 1.64 |
| Digging type harvester [23] | ≤5 | ≤6 | none |
| Standard:DB37/T2878.2-2016 (China) | ≤5 | ≤5 | ≤5 |
Disclaimer/Publisher’s Note: The statements, opinions and data contained in all publications are solely those of the individual author(s) and contributor(s) and not of MDPI and/or the editor(s). MDPI and/or the editor(s) disclaim responsibility for any injury to people or property resulting from any ideas, methods, instructions or products referred to in the content. |
© 2023 by the authors. Licensee MDPI, Basel, Switzerland. This article is an open access article distributed under the terms and conditions of the Creative Commons Attribution (CC BY) license (https://creativecommons.org/licenses/by/4.0/).
Share and Cite
Xiao, X.; Xie, F.; Zhao, Z.; Liu, D.; Wang, X. Design and Experimentation of a Self-Propelled Picking Type White Radish Combine Harvester. Agriculture 2023, 13, 1578. https://doi.org/10.3390/agriculture13081578
Xiao X, Xie F, Zhao Z, Liu D, Wang X. Design and Experimentation of a Self-Propelled Picking Type White Radish Combine Harvester. Agriculture. 2023; 13(8):1578. https://doi.org/10.3390/agriculture13081578
Chicago/Turabian StyleXiao, Xiao, Fangping Xie, Zhouqiao Zhao, Dawei Liu, and Xiushan Wang. 2023. "Design and Experimentation of a Self-Propelled Picking Type White Radish Combine Harvester" Agriculture 13, no. 8: 1578. https://doi.org/10.3390/agriculture13081578
APA StyleXiao, X., Xie, F., Zhao, Z., Liu, D., & Wang, X. (2023). Design and Experimentation of a Self-Propelled Picking Type White Radish Combine Harvester. Agriculture, 13(8), 1578. https://doi.org/10.3390/agriculture13081578
