Feasibility Study of Wind Farm Grid-Connected Project in Algeria under Grid Fault Conditions Using D-Facts Devices
Abstract
1. Introduction
2. Algerian Wind Potential
3. Connection Issue of a Wind Farm to the Electrical Grid
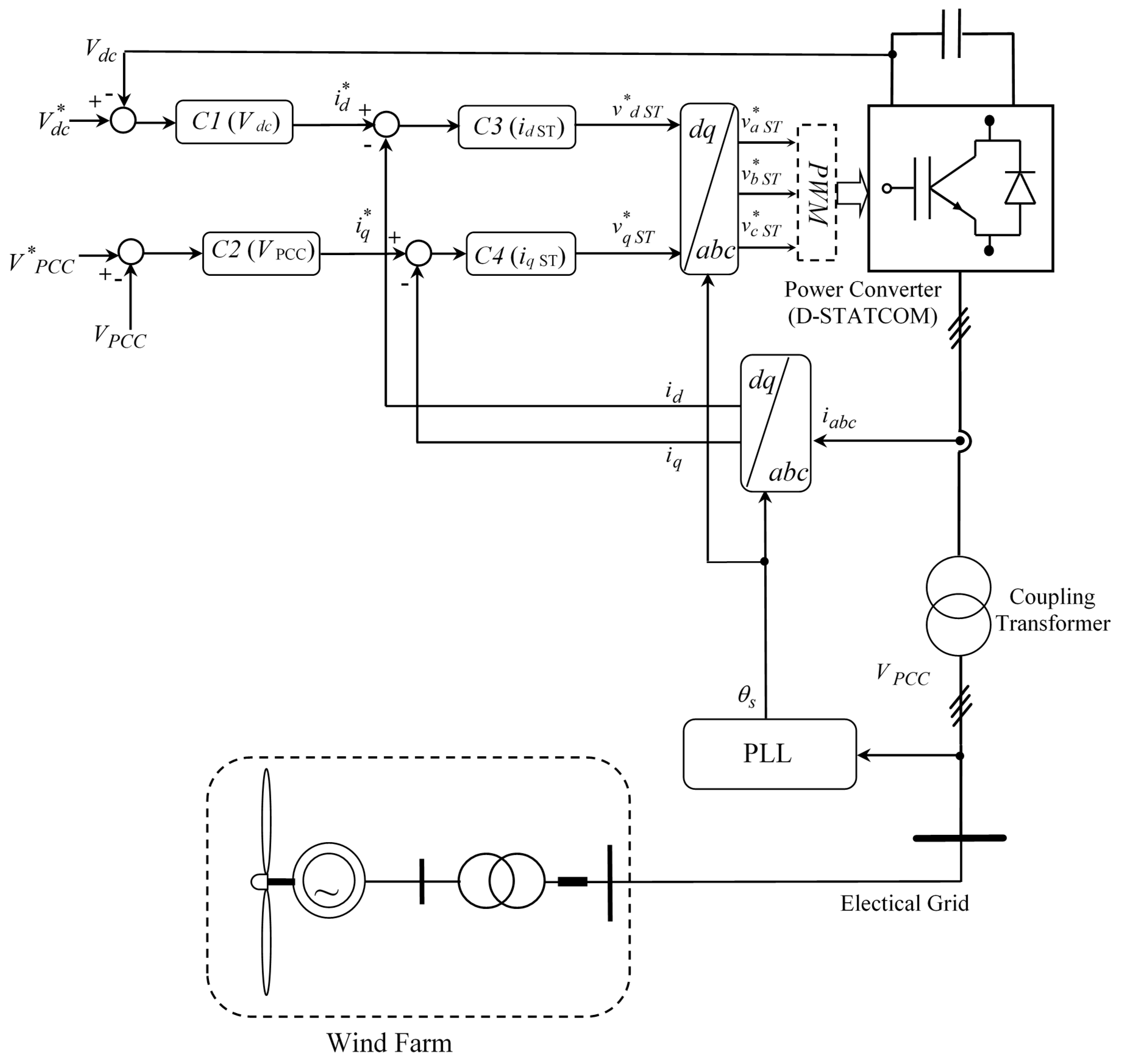
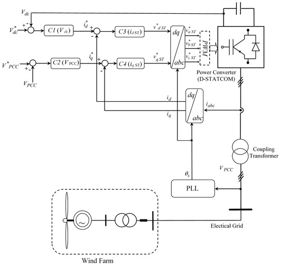
4. Distribution Flexible Alternative Current Transmission System (D-FACTS)
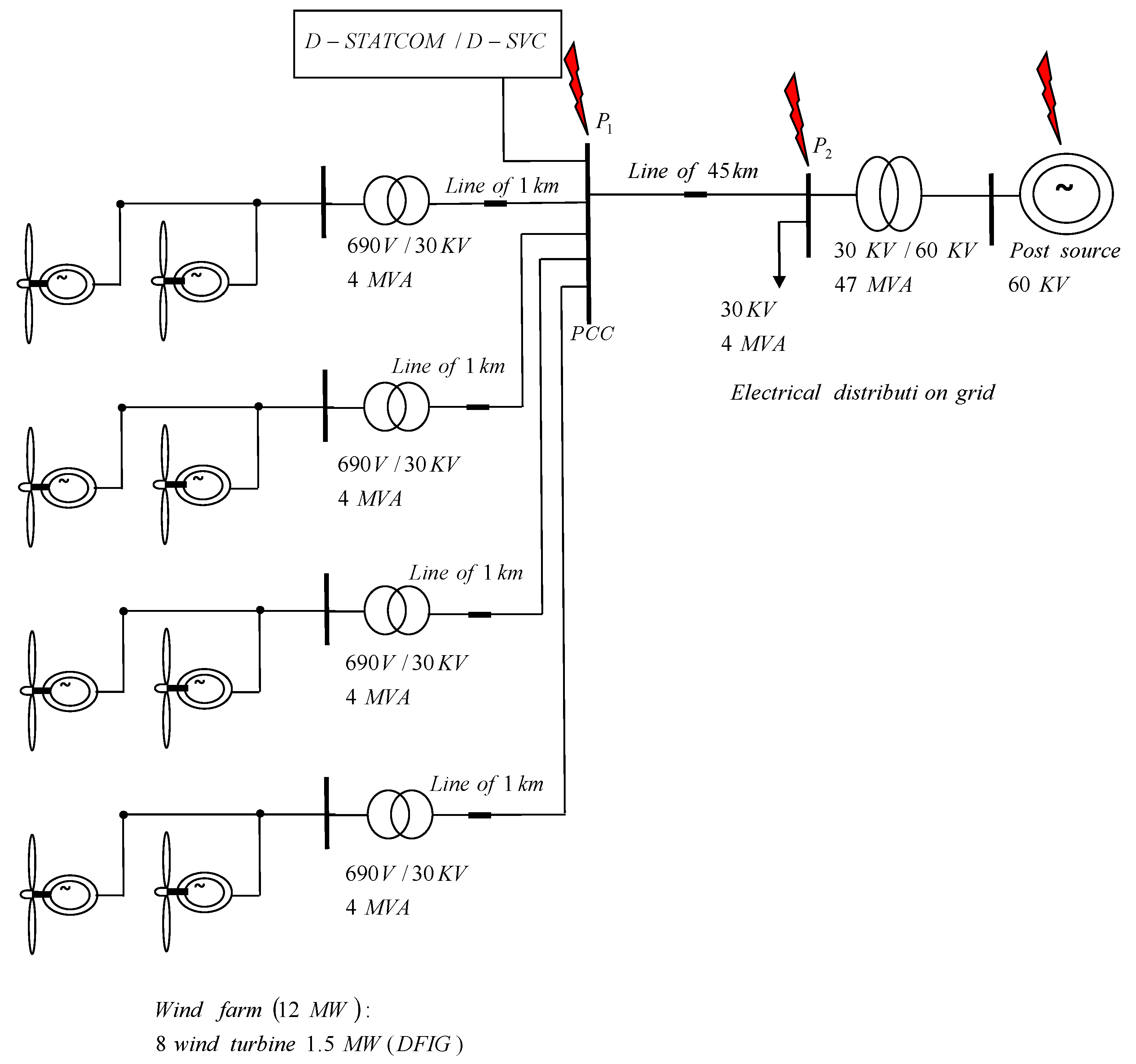
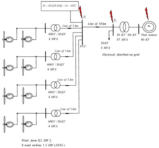
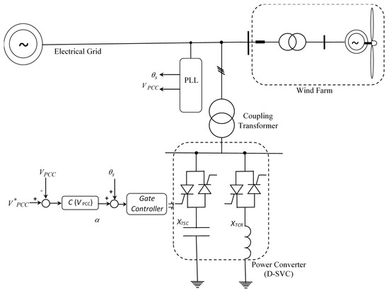
5. Constitution of the Wind Farm and the Location of the Shunt D-FACTS
- The location for the reactive power support should be as close as possible to the point at which the carrier is necessary because of the variation in the voltage and, therefore, power loss (Joule loss) in the distribution line associated with reactive power flow,
- In the studied system, the effect of the change in voltage is most common in this bus.
6. Simulation Results
- Line to line electrical grid fault.
- Voltage drop at the 60 kV bus.
6.1. Simulation Results of the Line-to-Line Electrical Grid Fault
6.2. Simulation Results of the Voltage Drop at the 60 kV Bus
7. Economic Analysis of D-FACTS Systems
8. Conclusions
Author Contributions
Funding
Conflicts of Interest
Appendix A
| Parameters | Values |
| Turbine | |
| Number of blades | 3 |
| Turbine radius | 35.25 m |
| Gear box ratio | 90 |
| DFIG | |
| Power | 1.5 MW |
| Nominal voltage | 690 V |
| Frequency | 50 Hz |
| Number of poles pair | 2 |
| Stator resistance | 0.012 Ω |
| Rotorique resistance | 0.021 Ω |
| Stator inductance | 0.0137 H |
| Rotor inductance | 0.01367 H |
| Mutual inductance | 0.0135 H |
| (Turbine + DFIG) | |
| Generator inertia | 1000 Kg.m2 |
| Friction factor | 0.0024 Kg.m/s |
| Parameters | Values |
| Transformer voltage | 2.5/30 kV |
| Nominal frequency | 50 Hz |
| Rated power | 3–15 MVA |
| Resistance | 0.22/30 pu |
| Inductance | 0.22 pu |
| DC-link voltage | 4000 V |
| Parameters | Values |
| Transformer voltage | 2.5/30 kV |
| Nominal frequency | 50 Hz |
| Rated power | 3–15 MVA |
| Rated capacitor power | 3–15 MVar |
| Rated inductance power | 1.5–10 MVar |
References
- Djalel, D.I.B.; Bendakir, A.; Metatla, S.; Soufi, Y. The algerian challenge between the dependence on fossil fuels and its huge potential renewable energy. Int. J. Renew. Energy Res. 2012, 2, 463–470. [Google Scholar]
- Souag, S.; Benhamida, F. A dynamic power system economic dispatch enhancement by wind integration considering ramping constraint-application to algerian power system. Int. J. Renew. Energy Res. 2015, 5, 794–805. [Google Scholar]
- Equilibres, La lettre de la Commission de Régulation de l’Electricité et du Gaz, N 12, Mars 2011. Available online: https://www.creg.dz/images/equilibres/Equilibres12.pdf (accessed on 1 Mars 2011). (In French).
- Programme des Energies Renouvelables et de l’Efficacité Energétique, Mars 2011. Available online: http://www.energy.gov.dz/francais/uploads/2016/Programme-National/Programme-National-Efficacite-Energetique.pdf (accessed on 1 Mars 2011). (In French)
- La Ferme Eolienne d’Adrar Mise en Service. Available online: http://portail.cder.dz/spip.php?article4098 (accessed on 3 July 2014).
- Miloud, F.S.B.; Aissaoui, R. Etude du potentiel éolien d’Adrar Sélection de sites pour la ferme éolienne de 10 MW. Séminaire Méditerranéen En Energie Eolienne 2010, 13, 295–300. [Google Scholar]
- Himri, Y.; Himri, S.; Stambouli, A.B. Assessing the wind energy potential projects in Algeria. Renew. Sustain. Energy Rev. 2009, 13, 2187–2191. [Google Scholar] [CrossRef]
- Maouedj, R.; Bouchouicha, K.; Boumediene, B. Evaluation of the wind energy potential in the Saharan sites of Algeria. In Proceedings of the 10th International Conference Environment and Electrical Engineering, Rome, Italy, 8–11 May 2011; IEEE: Piscataway, NJ, USA. [Google Scholar]
- Himri, Y.; Stambouli, A.B.; Draoui, B.; Himri, S. Techno-economical study of hybrid power system for a remote village in Algeria. Energy 2008, 33, 1128–1136. [Google Scholar] [CrossRef]
- Kasbadji Merzouk, N.; Merzouk, M.; Abdeslam, D. Prospects for the wind farm installation in the Algerian high plateaus. Desalination 2009, 239, 130–138. [Google Scholar]
- Abdeslam, D.; Kasbadji Merzouk, N. Wind energy resource estimation in Sétif region. In Proceedings of the Conference on the Promotion of Distributed Renewable Energy Sources in the Mediterranean Region, Nicosia, Cyprus, 11–12 December 2009. [Google Scholar]
- Dehmas, D.; Kherba, N.; Hacene, F.B.; Merzouk, N.K.; Merzouk, N.; Mahmoudi, H.; Goosen, M. On the use of wind energy to power reverse osmosis desalination plant: A case study from Ténès (Algeria). Renew. Sustain. Energy Rev. 2011, 15, 956–963. [Google Scholar] [CrossRef]
- Zin, A.A.B.M.; Mahmoud, H.A.; Khairuddin, A.B.; Jahanshaloo, L.; Shariati, O. An overview on doubly fed induction generators controls and contributions to wind-based electricity generation. Renew. Sustain. Energy Rev. 2013, 27, 692–708. [Google Scholar]
- Mohseni, M.; Islam, S.M. Review of international grid codes for wind power integration: Diversity, technology and a case for global standard. Renew. Sustain. Energy Rev. 2012, 16, 3876–3890. [Google Scholar] [CrossRef]
- Tazil, M.; Kumar, V.; Bansal, R.C.; Kong, S.; Dong, Z.Y.; Freitas, W. Three-phase doubly fed induction generators: An overview. IET Electr. Power. Appl. 2010, 4, 75–89. [Google Scholar] [CrossRef]
- Tsourakisa, G.; Nomikosb, B.M.; Vournasa, C.D. Effect of wind parks with doubly fed asynchronous generators on small-signal stability. Electr. Power Syst. Res. 2009, 79, 190–200. [Google Scholar] [CrossRef]
- Abdelhafidh, M.; Mahmoudi, M.O.; Nezli, L.; Bouchhida, O. Modeling and control of a wind power conversion system based on the double-fed asynchronous generator. Int. J. Renew. Energy Res. 2012, 2, 300–306. [Google Scholar]
- Kerrouche, K.; Mezouar, A.; Belgacem, K. Decoupled control of doubly fed induction generator by vector control for wind energy conversion system. Energy Procedia 2013, 42, 239–248. [Google Scholar] [CrossRef]
- Wang, Z.; Sun, Y.; Li, G.; Ooi, B.T. Magnitude and frequency control of grid-connected doubly fed induction generator based on synchronised model for Wind power generation. IET Renew. Power Gen. 2010, 4, 232–241. [Google Scholar] [CrossRef]
- Rolán, A.; Pedra, J.; Córcoles, F. Detailed study of DFIG-based wind turbines to overcome the most severe grid faults. INT J. Electr. Power 2014, 62, 868–878. [Google Scholar] [CrossRef]
- Moghadasi, A.; Sarwat, A.; Guerrero, J.M. A comprehensive review of low-voltage-ride-through methods for fixed-speed wind power generators. Renew. Sustain. Energy Rev. 2016, 55, 823–839. [Google Scholar] [CrossRef]
- Ananth, D.V.N.; Kumar, G.N. Fault ride-through enhancement using an enhanced field-oriented control technique for converters of grid connected DFIG and STATCOM for different types of faults. ISA Trans. 2016, 62, 2–18. [Google Scholar] [CrossRef] [PubMed]
- Red Eléctrica de España. REE. P.O.12.3. Requisitos de Respuesta Frente a Huecos de Tensión de las Instalaciones de Producción de Régimen Especial. Available online: http://www.ree.es/sites/default/files/01_ACTIVIDADES/Documentos/ProcedimientosOperacion/PO_resol_12.3_Respuesta_huecos_eolica.pdf (accessed on 8 May 2013). (In Spanish).
- Hammouche, R. Atlas Vent de L’Algerie; Publication Interne de L’office National de Météorologie: Alger, Algiers, 1990. [Google Scholar]
- Rachid, M.; Said, D.; Boumediene, B. Wind Characteristics Analysis for Selected Site in Algeria. Int. J. Comput. Appl. 2012, 56, 450. [Google Scholar] [CrossRef]
- Ettoumi, F.Y.; Sauvageot, H.; Adane, A.E.H. Statistical bivariate modelling of wind using first-order Markov chain and Weibull distribution. Renew. Energy 2003, 28, 1787–1802. [Google Scholar] [CrossRef]
- Himri, Y.; Malik, A.S.; Stambouli, A.B.; Himri, S.; Draoui, B. Review and use of the Algerian renewable energy for sustainable development. Renew. Sustain. Energy Rev. 2009, 13, 1584–1591. [Google Scholar] [CrossRef]
- Kerrouche, K.D.; Mezouar, A.; Boumediene, L.; Van den Bossche, A. Speed sensor-less and robust power control of grid-connected wind turbine driven doubly fed induction generators based on flux orientation. Mediterr. J. Meas. Control 2016, 12, 606–618. [Google Scholar]
- Cheggaga, N.; Ettoumi, F.Y. A neural network solution for extrapolation of wind speeds at heights ranging for improving the estimation of wind producible. Wind Eng. 2011, 35, 33–53. [Google Scholar] [CrossRef]
- Merzouk, N.K.; Merzouk, M.; Benyoucef, B. Profil Vertical de la Vitesse du vent dans la Basse Couche Limite Atmosphérique; JITH: Albi, France, 2007; pp. 1–5. [Google Scholar]
- Cheggaga, N.; Ettoumi, F.Y. Estimation du potentiel éolien. Revue Des Energies Renouvelables 2010, 99–105. [Google Scholar]
- Abbes, M.; Belhadj, J. Wind resource estimation and wind park design in El-Kef region, Tunisia. Energy 2012, 40, 348–357. [Google Scholar] [CrossRef]
- Boudia, S.M.; Benmansour, A.; Ghellai, N.; Benmedjahed, M.; Tabet Hellal, M.A. Monthly and seasonal assessment of wind energy potential in Mechria region, occidental highlands of Algeria. Int. J. Green Energy 2012, 9, 243–255. [Google Scholar] [CrossRef]
- Lakdja, F.; Gherbi, Y.; Hocine, G.; Adbsallem, D.O. Impact of STATCOM on a wind farm into the Western of Algerian network. In Proceedings of the International Renewable and Sustainable Energy Conference, Ouarzazate, Morocco, 17–19 October 2014; IEEE: Piscataway, NJ, USA, 2014. [Google Scholar]
- Mokhtari, A.; Gherbi, F.Z.; Mokhtar, C.; Kerrouche, K.D.E. Study, analysis and simulation of a static compensator D-STATCOM for distribution systems of electric power. Leonardo J. Sci. 2014, 25, 117–130. [Google Scholar]
- Sharma, P.; Bhatti, T.S.; Ramakrishna, K.S.S. Performance of statcom in an isolated wind–diesel hybrid power system. Int. J. Green Energy 2011, 8, 163–172. [Google Scholar] [CrossRef]
- Karimi, M.; Farhadi, P. Selecting the Best Compatible SVC Type in Power Systems for transient Stability. Int. J. Green Energy 2015, 12, 87–92. [Google Scholar] [CrossRef]
- Kerrouche, K.D.E.; Mezouar, A.; Boumediene, L.; Belgacem, K. Modeling and optimum power control based DFIG wind energy conversion system. Int. Rev. Electr. Eng. 2014, 9, 174–185. [Google Scholar] [CrossRef]
- Kerrouche, K.D.E.; Mezouar, A.; Boumediene, L.; Van Den Bossche, A. Modeling and lyapunov-designed based on adaptive gain sliding mode control for wind turbines. J. Power Technol. 2016, 96, 124–136. [Google Scholar]
- Kerrouche, K.D.E.; Mezouar, A.; Boumediene, L.; Van Den Bossche, A. A comprehensive review of LVRT capability and sliding mode control of grid-connected wind-turbine-driven doubly fed induction generator. Automatika 2016, 60, 922–935. [Google Scholar]
- Okedu, K.E. Stability enhancement of dfig-based variable speed wind turbine with a crowbar by facts device as per grid requirement. Int. J. Renew. Energy Res. 2012, 2, 431–439. [Google Scholar]
- Masaud, T.M.; Sen, P.K. Study of the implementation of STATCOM on DFIG-based wind farm connected to a power system. In Proceedings of the IEEE PES Innovative Smart Grid Technologies, Washington, DC, USA, 16–20 January 2012; IEEE: Piscataway, NJ, USA, 2012. [Google Scholar]
- Kerrouche, K.D.E.; Wang, L.; Van Den Bossche, A.; Draou, A.; Mezouar, A.; Boumediene, L. Dual robust control of grid-connected dfigs-based wind-turbine-systems under unbalanced grid voltage conditions. In Stability Control and Reliable Performance of Wind Turbines; Intechopen: Rijeka, Croatia, 2018. [Google Scholar]
- Kerrouche, K.D.E.; Wang, L.; Mezouar, A.; Boumediene, L.; Van Den Bossche, A. Fractional-order sliding mode control for D-STATCOM connected wind farm based DFIG under voltage unbalanced. Arab. J. Sci. Eng. 2018, 44, 1–16. [Google Scholar] [CrossRef]






















| Station | Coordinates | ||
|---|---|---|---|
| Altitude (m) | Latitude (deg) | Longitude (deg) | |
| South region (Sahara) | |||
| Adrar | 263 | 27°49′ N | 00°17′ W |
| Ghardaia | 468 | 32°24′ N | 03°48′ E |
| Coastal region | |||
| Algiers | 24 | 36°43′ N | 03°15′ E |
| Oran | 90 | 35°38′ N | 00°37′ W |
| Highland region | |||
| Tiaret | 1080 | 35°37′ N | 01°32′ E |
| Parallel Reactive Compensator | Cost (US $/kVar) |
|---|---|
| Shunt capacitor | 8/kVar |
| D-SVC | 60/kVar |
| D-STATCOM | 100/kVar |
© 2018 by the authors. Licensee MDPI, Basel, Switzerland. This article is an open access article distributed under the terms and conditions of the Creative Commons Attribution (CC BY) license (http://creativecommons.org/licenses/by/4.0/).
Share and Cite
Wang, L.; Kerrouche, K.D.E.; Mezouar, A.; Van Den Bossche, A.; Draou, A.; Boumediene, L. Feasibility Study of Wind Farm Grid-Connected Project in Algeria under Grid Fault Conditions Using D-Facts Devices. Appl. Sci. 2018, 8, 2250. https://doi.org/10.3390/app8112250
Wang L, Kerrouche KDE, Mezouar A, Van Den Bossche A, Draou A, Boumediene L. Feasibility Study of Wind Farm Grid-Connected Project in Algeria under Grid Fault Conditions Using D-Facts Devices. Applied Sciences. 2018; 8(11):2250. https://doi.org/10.3390/app8112250
Chicago/Turabian StyleWang, Lina, Kamel Djamel Eddine Kerrouche, Abdelkader Mezouar, Alex Van Den Bossche, Azzedine Draou, and Larbi Boumediene. 2018. "Feasibility Study of Wind Farm Grid-Connected Project in Algeria under Grid Fault Conditions Using D-Facts Devices" Applied Sciences 8, no. 11: 2250. https://doi.org/10.3390/app8112250
APA StyleWang, L., Kerrouche, K. D. E., Mezouar, A., Van Den Bossche, A., Draou, A., & Boumediene, L. (2018). Feasibility Study of Wind Farm Grid-Connected Project in Algeria under Grid Fault Conditions Using D-Facts Devices. Applied Sciences, 8(11), 2250. https://doi.org/10.3390/app8112250

