A Machine Learning Approach to Valve Plate Failure Prediction in Piston Pumps Under Imbalanced Data Conditions: Comparison of Data Balancing Methods
Abstract
1. Introduction
- How does the amount of pump failure data (i.e., the imbalance rate) influence prediction performance?
- Which data-level balancing method is most suitable for dealing with unbalanced classification in the context of valve plate failure prediction?
- What are the inherent limitations associated with the use of data-level balancing methods?
- How do data-level strategies influence the knowledge extracted from the data compared to the knowledge extracted from a fully balanced dataset?
2. Related Work
2.1. Imbalanced Data Classification
- 1.
- Data-Level Methods The first group of methods focuses on direct modification of the dataset before it is used to train a model. These techniques can be further divided into three sub-groups: undersampling, oversampling, and hybrid methods.
- UndersamplingUndersampling techniques aim to reduce the number of samples in the majority class to match the number of samples in the minority class. While simple random undersampling involves the random removal of majority samples, more sophisticated methods have been developed to make the process more strategic. These methods are typically based on nearest neighbor analysis. Among the most popular are the Edited Nearest Neighbor (ENN) algorithm [5] and the Tomek Links algorithm [6]. The ENN algorithm does not guarantee a perfectly balanced dataset, but it effectively removes noisy and border samples. It works by examining each majority class sample and marking it for removal if it is incorrectly classified by its k nearest neighbors from the entire training set. Tomek Links operates differently, also eliminating border samples from the majority class. It begins by identifying “Tomek Links,” which are pairs of samples from two opposite classes that are each other’s nearest neighbors (e.g., A is the nearest neighbor of B, and B is the nearest neighbor of A). After identifying such links, all majority class samples involved are removed, thereby cleaning the border between the classes. These methods have also served as a foundation for other techniques, such as RIUS [7], which focuses on retaining the most relevant majority samples while discarding the rest.
- OversamplingThese methods focus on increasing the number of samples in the minority classes. This can be achieved naively by sampling with replacement until a desired number of samples is reached. However, many more intelligent methods have been developed, most notably the SMOTE family of algorithms [8]. The basic concept behind SMOTE involves generating new synthetic samples by randomly selecting a minority class sample (sample A), then randomly selecting one of its k nearest neighbors (sample B) from the same class, and placing the new sample at a random position on the line segment connecting A and B. The SMOTE family has undergone rapid development, with advancements such as Borderline SMOTE [9,10], k-means SMOTE [11], and SMOTE with approximate nearest neighbors [12], which all focus on generating samples in crucial border areas. Another popular oversampling method is based on Adaptive Synthetic Sampling (ADASYN) [13,14]. The idea behind ADASYN is to shift the learning algorithm’s focus toward difficult minority instances that lie near the decision boundary. It works similarly to SMOTE but first identifies these hard-to-classify minority samples, and then generates a greater number of new samples to strengthen their representation.
- Hybrid Methods
- 2.
- Algorithm-Level Methods This group consists of algorithm-level modifications that make the learning model more sensitive to the minority class without physically altering the dataset itself. The most standard approach within this category is cost-sensitive learning, which utilizes class weights or instance weights within the cost function minimized during model training. Many popular models provide direct parameters for this purpose. For instance, models such as XGBoost [17], LightGBM [15], and Support Vector Machines (SVMs) [18] allow users to prioritize the minority class by adjusting class weights or modifying the cost function. These instance weights can be set statically or allowed to evolve dynamically during the training process. Some authors propose the use of meta-models that create an additional internal sub-model to learn how to adapt sample weights, as suggested by Shu et al. [19]. Another example of algorithm-level modification is gradient adaptation, where gradients—instead of sample weights—are re-scaled proportionally to the class imbalance [20]. This technique allows for a proportional update of the neuron weights during training, effectively biasing the learning process towards the minority class.
- 3.
- Ensemble Methods Ensemble methods build prediction models by combining multiple submodels into a single, robust model. Each submodel is trained on balanced or nearly balanced data. A popular member of this group is the Bagging-Based Ensemble where each submodel is trained on a downsampled minority class [21]. A good example of this method is the Balanced Random Forest algorithm. This method adapts the standard Random Forest by building a training set for each tree in the forest through balanced undersampling and oversampling, ensuring each individual tree is trained on a more balanced subset of the data [22]. Additionally, Boosting-Based Ensembles, such as AdaBoost [23] or XGBoost [17], often inherently handle imbalanced data by re-weighting training samples as explained in the previous paragraph.
2.2. Machine Learning in Failure Prediction
3. Experiment Setup
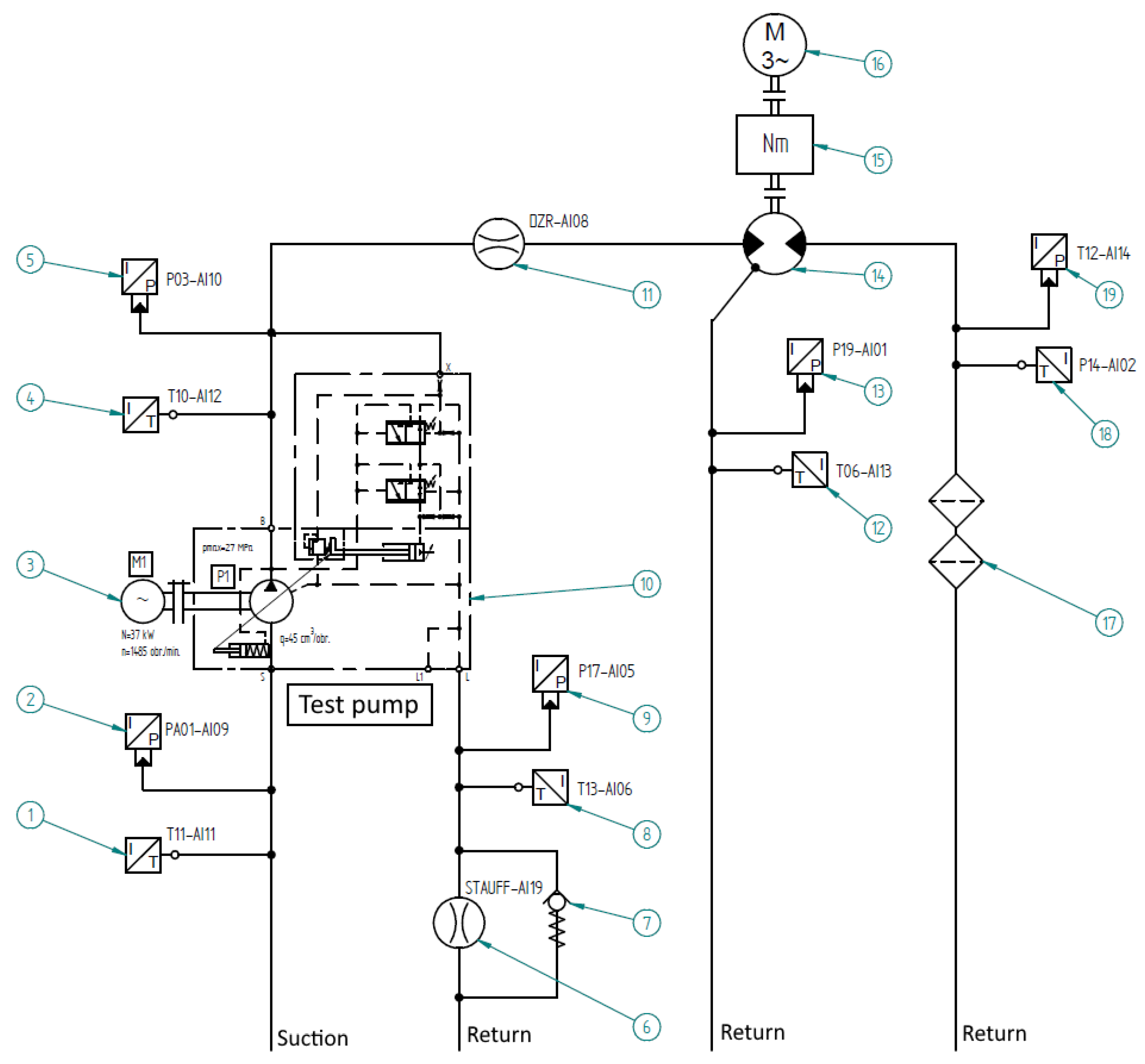
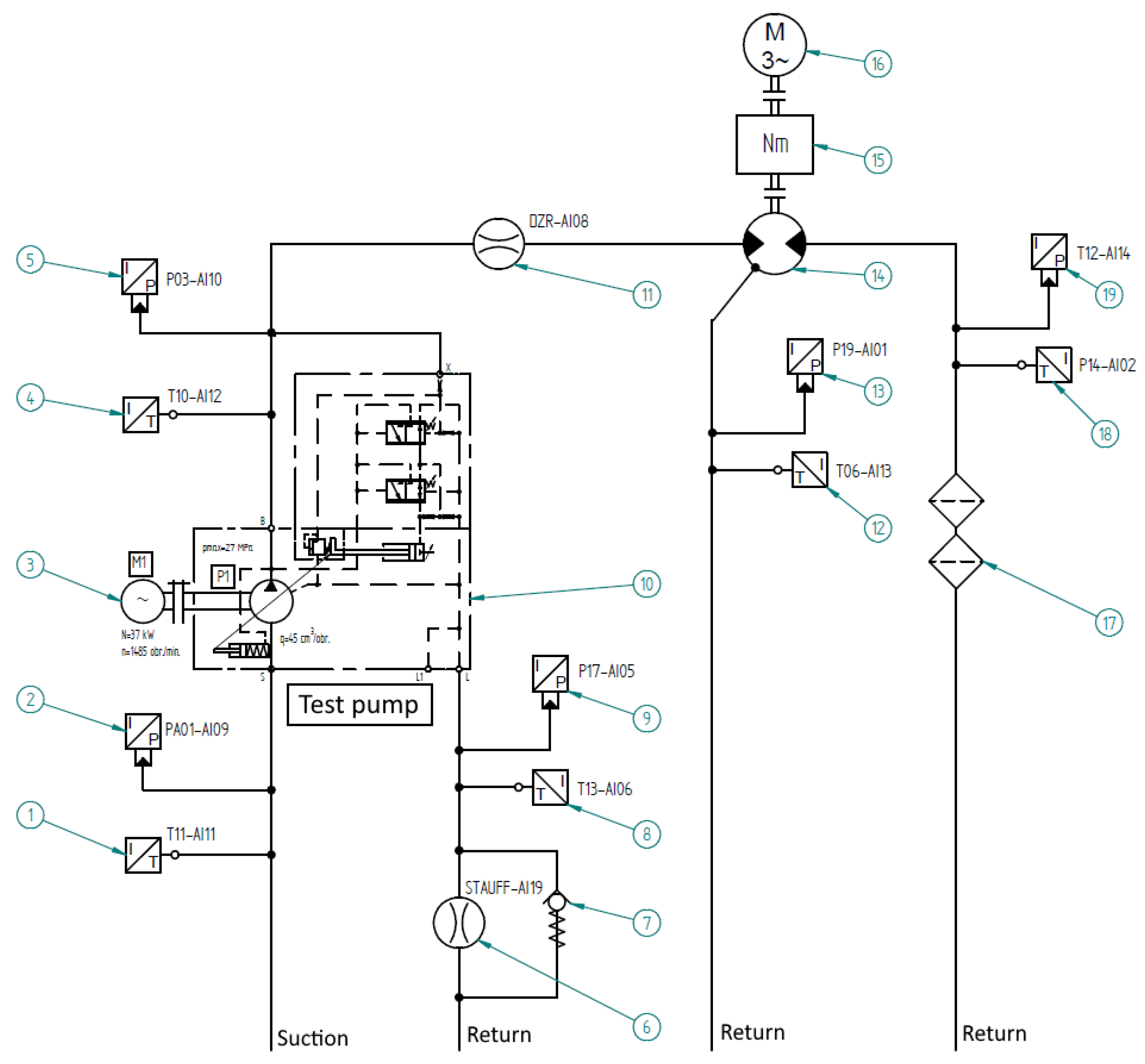
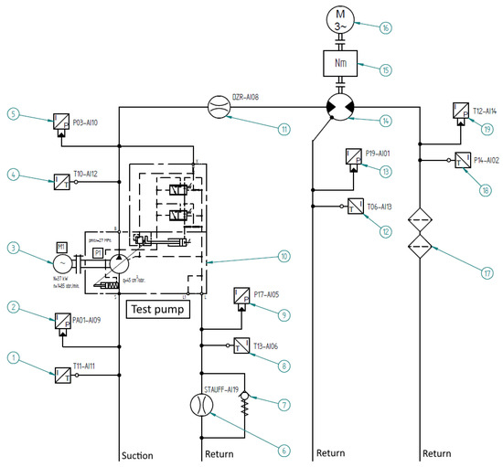
3.1. Test Bench
- Sensor 1 horizontally, perpendicular to the pump shaft;
- Sensor 2 vertically, perpendicular to the pump shaft;
- Sensor 3 along the pump shaft.
3.2. Datasets Used in the Experiments
3.3. Model Evaluation Method
3.4. Methods Used in the Experiments
- Undersampling
- ENN, ;
- Tomek Links.
- Oversampling
- SMOTE, ;
- Borderline-SMOTE, , ;
- ADASYN, .
- Hybrid
- SMOTE+ENN, , ;
- SMOTE+Tomek Links, .
3.5. Basic Analysis
- Part 1: Classifier Selection and Optimization
- Part 2: Performance Evaluation under Skewed Distribution
3.6. Dataset Balancing Model Comparison
3.7. Metrics Used for Model Evaluation
- F1-macro
- Precision is the number of true positives divided by the total number of predicted positives. It answers the question: “Of all the instances predicted as positive, how many were truly positive?”
- Recall is the number of true positives divided by the number of true positives plus false negatives. It answers the question: “Of all the instances that were truly positive, how many did the model correctly identify?”
- Balanced accuracy
- Matthews Correlation Coefficient
- TP (True Positives) = Correctly predicted positive instances.
- TN (True Negatives) = Correctly predicted negative instances.
- FP (False Positives) = Incorrectly predicted positive instances (Type I Error).
- FN (False Negatives) = Incorrectly predicted negative instances (Type II Error).
- BAUC metric
3.8. Tools Used in the Experiments
4. Results and Discussion
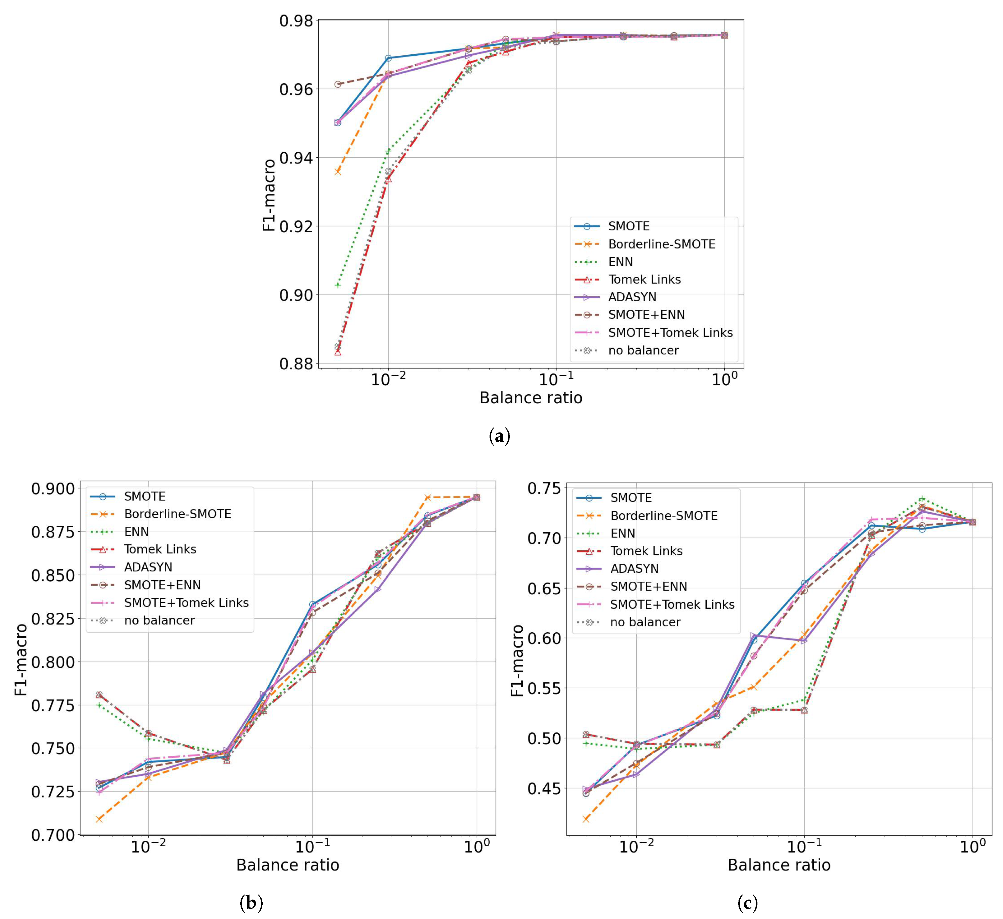
4.1. The Influence of Data Imbalance on Model’s Prediction Performance
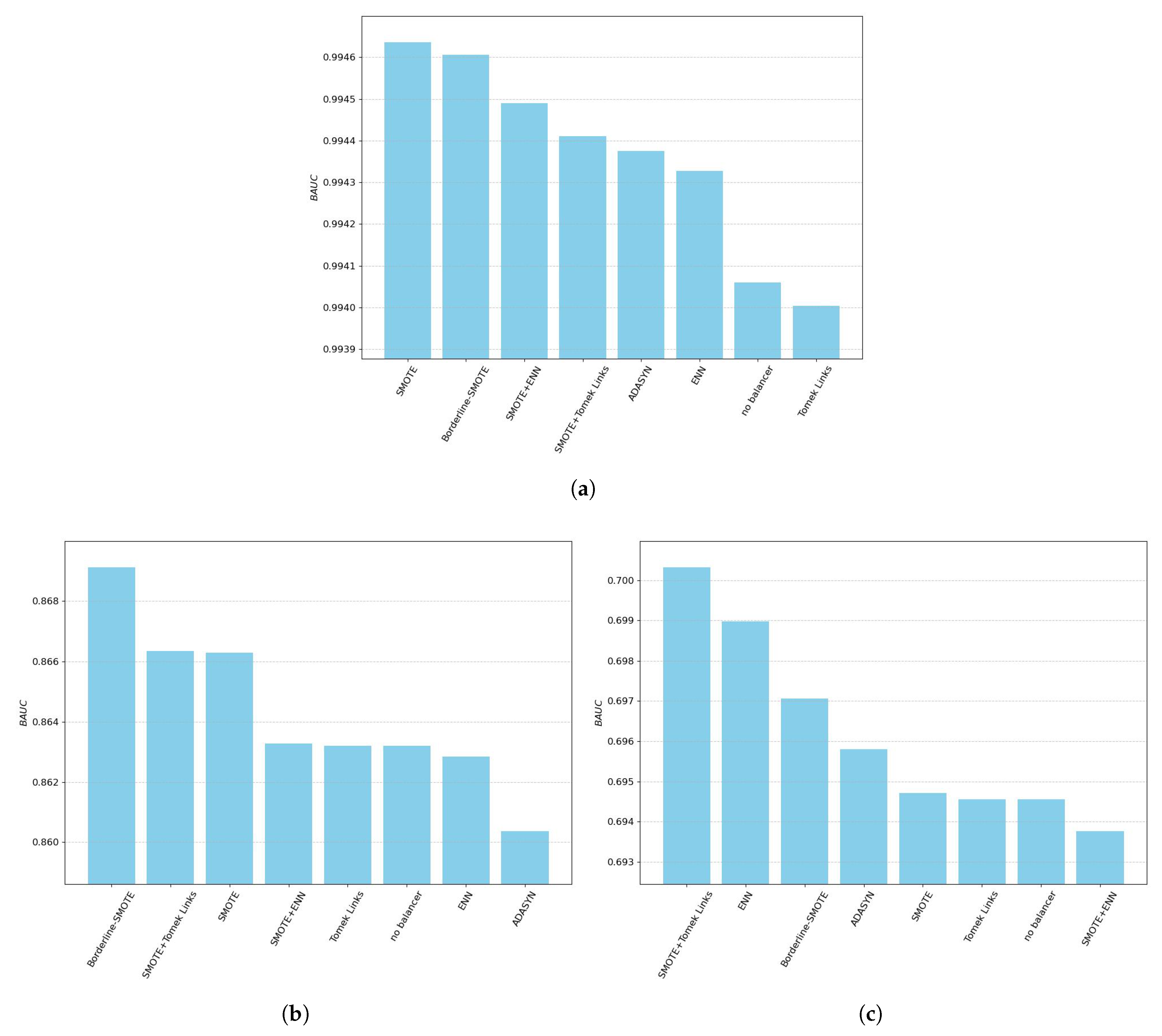
4.2. Comparison of Data Balancing Methods
4.2.1. Performance on
4.2.2. Performance on and
4.2.3. Discussion
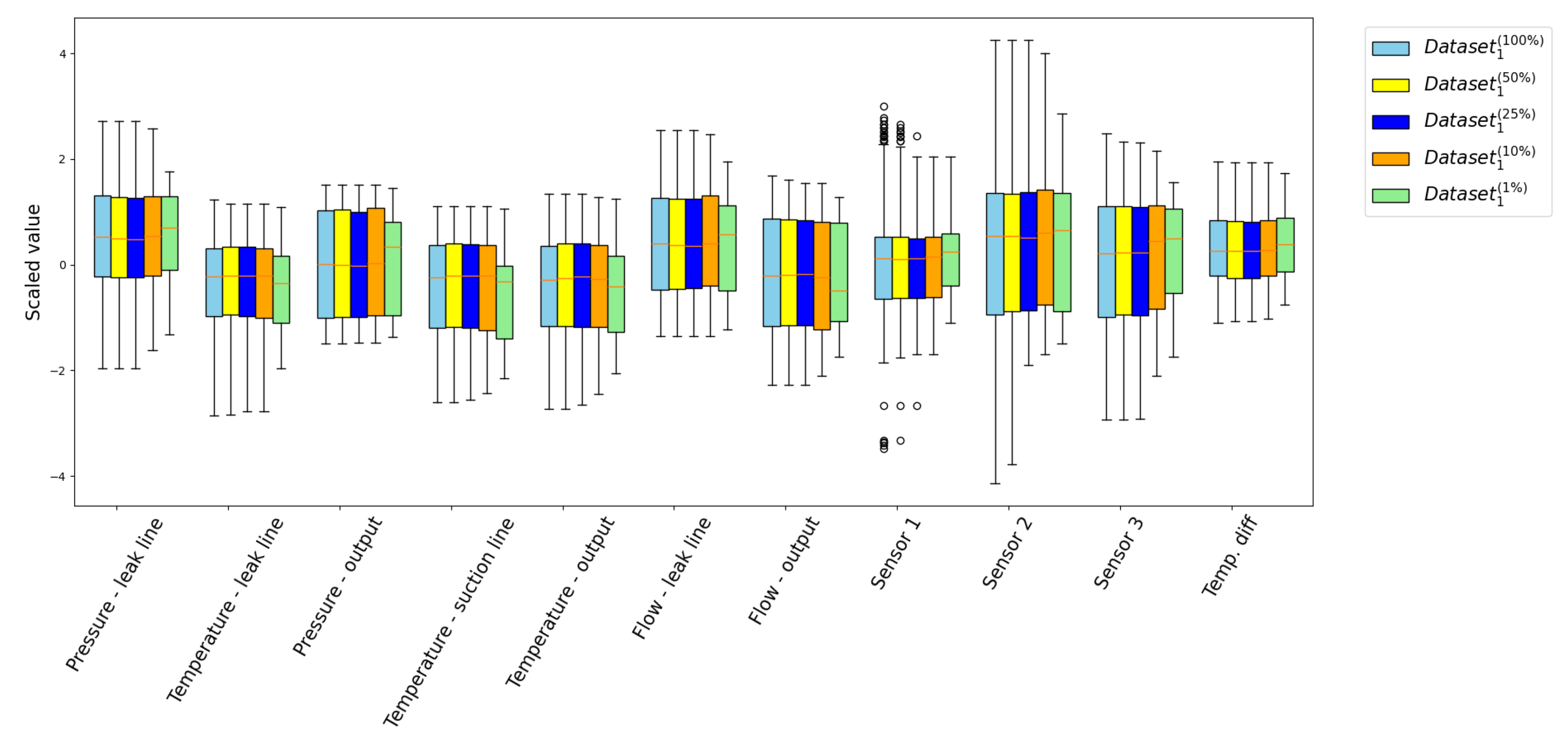
4.3. Feature Importance Analysis
5. Conclusions
- The assessment of data balancing methods using a standard cross-validation procedure should be interpreted with caution. The results can be misleading, especially when dealing with extremely low balance rates, as the test set may not accurately represent the data distribution of the entire space in which the model may operate. This phenomenon is observed through the differing shapes of the balance rate plots obtained for compared to the remaining balanced sets, and .
- The lowest effective balance ratio at which data balancing methods provided benefits ranged from 5% to 1%. While for , the methods did not yield significant gains at 1%, for , the performance improvement remained substantial.
- For the lowest balance ratios (), the use of data balancing methods proved detrimental to the models, leading to a decrease in overall prediction performance, making them inapplicable in real-life systems.
- The use of data balancing methods, particularly oversampling and hybrid, causes small changes to the knowledge extracted from the data. When the balance ratio decreases, the oversampling methods are unable to preserve the true data distribution, leading to a gradual decrease in performance. That is observed in a decrease in the feature importance correlation plot.
- It is essential to collect a sufficient amount of training data to ensure full coverage of the feature space; otherwise, the resulting model is highly susceptible to bias. This finding directly implies the necessity of collecting a certain minimum number of training samples representing the minority (failure) state. Within the constraints of the conducted experiments, this minimum threshold was identified as approximately 130 samples, corresponding to a balance ratio of .
Author Contributions
Funding
Institutional Review Board Statement
Informed Consent Statement
Data Availability Statement
Conflicts of Interest
Appendix A. Detailed Performance Metrics
Appendix A.1. Dataset1
| Balance Ratio | |||||||||
| Model | Metric | 0.005 | 0.01 | 0.03 | 0.05 | 0.1 | 0.25 | 0.5 | 1.0 |
| F1-macro | 0.9309 | 0.9632 | 0.9681 | 0.9793 | 0.9711 | 0.9735 | 0.9755 | 0.9757 | |
| ADASYN | BACC | 0.8309 | 0.9518 | 0.9622 | 0.9734 | 0.9613 | 0.9667 | 0.9738 | 0.9736 |
| MCC | 0.7036 | 0.9104 | 0.9304 | 0.9532 | 0.9272 | 0.9390 | 0.9541 | 0.9539 | |
| F1-macro | 0.9059 | 0.9496 | 0.9668 | 0.9784 | 0.9714 | 0.9743 | 0.9757 | 0.9758 | |
| Borderline SMOTE | BACC | 0.8096 | 0.9411 | 0.9600 | 0.9731 | 0.9624 | 0.9680 | 0.9739 | 0.9736 |
| MCC | 0.6772 | 0.8961 | 0.9260 | 0.9525 | 0.9306 | 0.9424 | 0.9542 | 0.9539 | |
| F1-macro | 0.8650 | 0.9191 | 0.9436 | 0.9598 | 0.9684 | 0.9747 | 0.9750 | 0.9750 | |
| Edited Neares tNeighbours | BACC | 0.7561 | 0.9074 | 0.9449 | 0.9625 | 0.9651 | 0.9684 | 0.9733 | 0.9736 |
| MCC | 0.5403 | 0.8455 | 0.9004 | 0.9330 | 0.9367 | 0.9431 | 0.9538 | 0.9538 | |
| F1-macro | 0.8485 | 0.9161 | 0.9438 | 0.9592 | 0.9678 | 0.9746 | 0.9750 | 0.9750 | |
| No balancer | BACC | 0.7456 | 0.9048 | 0.9440 | 0.9619 | 0.9645 | 0.9685 | 0.9732 | 0.9736 |
| MCC | 0.5194 | 0.8427 | 0.8988 | 0.9318 | 0.9357 | 0.9429 | 0.9535 | 0.9538 | |
| F1-macro | 0.9369 | 0.9618 | 0.9699 | 0.9794 | 0.9712 | 0.9740 | 0.9757 | 0.9758 | |
| SMOTE | BACC | 0.8309 | 0.9502 | 0.9638 | 0.9739 | 0.9616 | 0.9677 | 0.9741 | 0.9736 |
| MCC | 0.7117 | 0.9082 | 0.9331 | 0.9537 | 0.9274 | 0.9388 | 0.9544 | 0.9539 | |
| F1-macro | 0.9558 | 0.9634 | 0.9678 | 0.9749 | 0.9732 | 0.9738 | 0.9755 | 0.9757 | |
| SMOTE ENN | BACC | 0.8506 | 0.9519 | 0.9629 | 0.9711 | 0.9648 | 0.9662 | 0.9737 | 0.9736 |
| MCC | 0.7539 | 0.9102 | 0.9282 | 0.9453 | 0.9347 | 0.9360 | 0.9541 | 0.9539 | |
| F1-macro | 0.9309 | 0.9622 | 0.9690 | 0.9792 | 0.9713 | 0.9741 | 0.9757 | 0.9758 | |
| SMOTETomek | BACC | 0.8309 | 0.9513 | 0.9632 | 0.9738 | 0.9618 | 0.9677 | 0.9741 | 0.9736 |
| MCC | 0.7036 | 0.9096 | 0.9322 | 0.9536 | 0.9276 | 0.9389 | 0.9544 | 0.9539 | |
| F1-macro | 0.8309 | 0.9368 | 0.9648 | 0.9774 | 0.9721 | 0.9739 | 0.9756 | 0.9757 | |
| TomekLinks | BACC | 0.7252 | 0.8715 | 0.9303 | 0.9473 | 0.9540 | 0.9690 | 0.9734 | 0.9736 |
| MCC | 0.5664 | 0.7296 | 0.8942 | 0.9310 | 0.9397 | 0.9438 | 0.9540 | 0.9539 | |
Appendix A.2. Dataset2
| Balance Ratio | |||||||||
| Model | Metric | 0.005 | 0.01 | 0.03 | 0.05 | 0.1 | 0.25 | 0.5 | 1.0 |
| F1-macro | 0.7346 | 0.7396 | 0.7488 | 0.7791 | 0.8125 | 0.8416 | 0.8659 | 0.8950 | |
| ADASYN | BACC | 0.6860 | 0.6929 | 0.6966 | 0.7297 | 0.7743 | 0.8126 | 0.8453 | 0.8840 |
| MCC | 0.3998 | 0.4133 | 0.4323 | 0.5137 | 0.6007 | 0.6720 | 0.7254 | 0.7854 | |
| F1-macro | 0.7035 | 0.7356 | 0.7517 | 0.7783 | 0.8028 | 0.8529 | 0.8947 | 0.8950 | |
| Borderline SMOTE | BACC | 0.6747 | 0.6872 | 0.6981 | 0.7283 | 0.7634 | 0.8278 | 0.8826 | 0.8840 |
| MCC | 0.3563 | 0.4023 | 0.4392 | 0.5116 | 0.5746 | 0.6975 | 0.7864 | 0.7854 | |
| F1-macro | 0.7748 | 0.7553 | 0.7472 | 0.7712 | 0.8009 | 0.8600 | 0.8796 | 0.8950 | |
| Edited Nearest Neighbours | BACC | 0.7518 | 0.7220 | 0.7066 | 0.7322 | 0.7747 | 0.8377 | 0.8634 | 0.8840 |
| MCC | 0.5145 | 0.4614 | 0.4363 | 0.4939 | 0.5694 | 0.7125 | 0.7549 | 0.7854 | |
| F1-macro | 0.7809 | 0.7586 | 0.7431 | 0.7718 | 0.7956 | 0.8627 | 0.8797 | 0.8950 | |
| No balancer | BACC | 0.7613 | 0.7265 | 0.6997 | 0.7321 | 0.7686 | 0.8412 | 0.8635 | 0.8840 |
| MCC | 0.5312 | 0.4700 | 0.4244 | 0.4951 | 0.5570 | 0.7184 | 0.7550 | 0.7854 | |
| F1-macro | 0.7209 | 0.7419 | 0.7471 | 0.7719 | 0.8329 | 0.8568 | 0.8847 | 0.8950 | |
| SMOTE | BACC | 0.6668 | 0.6959 | 0.6948 | 0.7224 | 0.8029 | 0.8332 | 0.8699 | 0.8840 |
| MCC | 0.3619 | 0.4194 | 0.4280 | 0.4937 | 0.6492 | 0.7056 | 0.7654 | 0.7854 | |
| F1-macro | 0.7227 | 0.7423 | 0.7472 | 0.7745 | 0.8283 | 0.8507 | 0.8811 | 0.8950 | |
| SMOTEENN | BACC | 0.6697 | 0.6969 | 0.6947 | 0.7245 | 0.7981 | 0.8256 | 0.8654 | 0.8840 |
| MCC | 0.3673 | 0.4208 | 0.4281 | 0.5009 | 0.6370 | 0.6917 | 0.7577 | 0.7854 | |
| F1-macro | 0.7209 | 0.7419 | 0.7471 | 0.7719 | 0.8329 | 0.8568 | 0.8847 | 0.8950 | |
| SMOTE Tomek | BACC | 0.6668 | 0.6959 | 0.6948 | 0.7224 | 0.8029 | 0.8332 | 0.8699 | 0.8840 |
| MCC | 0.3619 | 0.4194 | 0.4280 | 0.4937 | 0.6492 | 0.7056 | 0.7654 | 0.7854 | |
| F1-macro | 0.7809 | 0.7586 | 0.7431 | 0.7718 | 0.7956 | 0.8627 | 0.8797 | 0.8950 | |
| Tomek Links | BACC | 0.7613 | 0.7265 | 0.6997 | 0.7321 | 0.7686 | 0.8412 | 0.8635 | 0.8840 |
| MCC | 0.5312 | 0.4700 | 0.4244 | 0.4951 | 0.5570 | 0.7184 | 0.7550 | 0.7854 | |
Appendix A.3. Dataset3
| Balance Ratio | |||||||||
| Model | Metric | 0.005 | 0.01 | 0.03 | 0.05 | 0.1 | 0.25 | 0.5 | 1.0 |
| F1-macro | 0.4584 | 0.4675 | 0.5287 | 0.5591 | 0.6063 | 0.6832 | 0.7166 | 0.7156 | |
| ADASYN | BACC | 0.4740 | 0.4835 | 0.5159 | 0.5428 | 0.5963 | 0.6702 | 0.7113 | 0.7297 |
| MCC | −0.0520 | −0.0330 | 0.0319 | 0.0858 | 0.1928 | 0.3416 | 0.4229 | 0.4616 | |
| F1-macro | 0.3450 | 0.4817 | 0.5338 | 0.5655 | 0.5943 | 0.6903 | 0.7700 | 0.7156 | |
| Borderline SMOTE | BACC | 0.4371 | 0.4894 | 0.5175 | 0.5464 | 0.5856 | 0.6825 | 0.7695 | 0.7297 |
| MCC | −0.1310 | −0.0211 | 0.0351 | 0.0932 | 0.1713 | 0.3655 | 0.5390 | 0.4616 | |
| F1-macro | 0.4947 | 0.4890 | 0.4933 | 0.5249 | 0.5382 | 0.7015 | 0.7390 | 0.7156 | |
| Edited Nearest Neighbours | BACC | 0.5468 | 0.5218 | 0.5111 | 0.5369 | 0.5714 | 0.6962 | 0.7368 | 0.7297 |
| MCC | 0.0956 | 0.0440 | 0.0222 | 0.0739 | 0.1442 | 0.3927 | 0.4736 | 0.4616 | |
| F1-macro | 0.5036 | 0.4941 | 0.4933 | 0.5282 | 0.5280 | 0.7019 | 0.7305 | 0.7156 | |
| No balancer | BACC | 0.5596 | 0.5275 | 0.5059 | 0.5378 | 0.5629 | 0.6980 | 0.7302 | 0.7297 |
| MCC | 0.1223 | 0.0556 | 0.0118 | 0.0756 | 0.1271 | 0.3960 | 0.4603 | 0.4616 | |
| F1-macro | 0.4514 | 0.4927 | 0.5241 | 0.5754 | 0.6546 | 0.7179 | 0.7195 | 0.7156 | |
| SMOTE | BACC | 0.4590 | 0.5010 | 0.5125 | 0.5546 | 0.6465 | 0.7071 | 0.7245 | 0.7297 |
| MCC | −0.0821 | 0.0021 | 0.0250 | 0.1096 | 0.2934 | 0.4155 | 0.4492 | 0.4616 | |
| F1-macro | 0.4461 | 0.4815 | 0.5242 | 0.5678 | 0.6475 | 0.6913 | 0.7122 | 0.7156 | |
| SMOTEENN | BACC | 0.4577 | 0.4950 | 0.5121 | 0.5481 | 0.6408 | 0.6832 | 0.7170 | 0.7297 |
| MCC | −0.0846 | −0.0101 | 0.0243 | 0.0967 | 0.2818 | 0.3670 | 0.4343 | 0.4616 | |
| F1-macro | 0.4514 | 0.4927 | 0.5241 | 0.5754 | 0.6546 | 0.7179 | 0.7195 | 0.7156 | |
| SMOTETomek | BACC | 0.4590 | 0.5010 | 0.5125 | 0.5546 | 0.6465 | 0.7071 | 0.7245 | 0.7297 |
| MCC | −0.0821 | 0.0021 | 0.0250 | 0.1096 | 0.2934 | 0.4155 | 0.4492 | 0.4616 | |
| F1-macro | 0.5036 | 0.4941 | 0.4933 | 0.5282 | 0.5280 | 0.7019 | 0.7305 | 0.7156 | |
| Tomek Links | BACC | 0.5596 | 0.5275 | 0.5059 | 0.5378 | 0.5629 | 0.6980 | 0.7302 | 0.7297 |
| MCC | 0.1223 | 0.0556 | 0.0118 | 0.0756 | 0.1271 | 0.3960 | 0.4603 | 0.4616 | |
References
- Carvalho, T.P.; Soares, F.A.; Vita, R.; Francisco, R.d.P.; Basto, J.P.; Alcalá, S.G. A systematic literature review of machine learning methods applied to predictive maintenance. Comput. Ind. Eng. 2019, 137, 106024. [Google Scholar] [CrossRef]
- Kaur, H.; Pannu, H.S.; Malhi, A.K. A systematic review on imbalanced data challenges in machine learning: Applications and solutions. ACM Comput. Surv. (CSUR) 2019, 52, 1–36. [Google Scholar] [CrossRef]
- Rojek, M.; Blachnik, M. A Dataset and a Comparison of Classification Methods for Valve Plate Fault Prediction of Piston Pump. Appl. Sci. 2024, 14, 7183. [Google Scholar] [CrossRef]
- ISO 20816-3:2024; Measurement and Evaluation of Machine Vibration—Part 3: Industrial Machine Sets—Guidance for Evaluation of Vibration When Machine Is Running. International Organization for Standardization: Geneva, Switzerland, 2024.
- Wilson, D.L. Asymptotic properties of nearest neighbor rules using edited data. IEEE Trans. Syst. Man Cybern. 2007, SMC-2, 408–421. [Google Scholar] [CrossRef]
- Tomek, I. Two modifications of CNN. IEEE Trans. Syst. Man Cybern. 1976, 6, 769–772. [Google Scholar]
- Hoyos-Osorio, J.; Alvarez-Meza, A.; Daza-Santacoloma, G.; Orozco-Gutierrez, A.; Castellanos-Dominguez, G. Relevant information undersampling to support imbalanced data classification. Neurocomputing 2021, 436, 136–146. [Google Scholar] [CrossRef]
- Fernández, A.; Garcia, S.; Herrera, F.; Chawla, N.V. SMOTE for learning from imbalanced data: Progress and challenges, marking the 15-year anniversary. J. Artif. Intell. Res. 2018, 61, 863–905. [Google Scholar] [CrossRef]
- Han, H.; Wang, W.Y.; Mao, B.H. Borderline-SMOTE: A new over-sampling method in imbalanced data sets learning. In Advances in Intelligent Computing, Proceedings of the International Conference on Intelligent Computing, Hefei, China, 23–26 August 2005; Springer: Berlin/Heidelberg, Germany, 2005; pp. 878–887. [Google Scholar]
- Sun, Y.; Que, H.; Cai, Q.; Zhao, J.; Li, J.; Kong, Z.; Wang, S. Borderline smote algorithm and feature selection-based network anomalies detection strategy. Energies 2022, 15, 4751. [Google Scholar] [CrossRef]
- Douzas, G.; Bacao, F.; Last, F. Improving imbalanced learning through a heuristic oversampling method based on k-means and SMOTE. Inf. Sci. 2018, 465, 1–20. [Google Scholar] [CrossRef]
- Juez-Gil, M.; Arnaiz-Gonzalez, A.; Rodriguez, J.J.; Lopez-Nozal, C.; Garcia-Osorio, C. Approx-SMOTE: Fast SMOTE for big data on apache spark. Neurocomputing 2021, 464, 432–437. [Google Scholar] [CrossRef]
- He, H.; Bai, Y.; Garcia, E.A.; Li, S. ADASYN: Adaptive synthetic sampling approach for imbalanced learning. In Proceedings of the 2008 IEEE International Joint Conference on Neural Networks (IEEE World Congress on Computational Intelligence), Hong Kong, China, 1–8 June 2008; pp. 1322–1328. [Google Scholar]
- Tekkali, C.G.; Natarajan, K. An advancement in AdaSyn for imbalanced learning: An application to fraud detection in digital transactions. J. Intell. Fuzzy Syst. 2024, 46, 11381–11396. [Google Scholar] [CrossRef]
- Swana, E.F.; Doorsamy, W.; Bokoro, P. Tomek link and SMOTE approaches for machine fault classification with an imbalanced dataset. Sensors 2022, 22, 3246. [Google Scholar] [CrossRef]
- Nizam-Ozogur, H.; Orman, Z. A heuristic-based hybrid sampling method using a combination of SMOTE and ENN for imbalanced health data. Expert Syst. 2024, 41, e13596. [Google Scholar] [CrossRef]
- Wang, C.; Deng, C.; Wang, S. Imbalance-XGBoost: Leveraging weighted and focal losses for binary label-imbalanced classification with XGBoost. Pattern Recognit. Lett. 2020, 136, 190–197. [Google Scholar] [CrossRef]
- Yang, C.Y.; Yang, J.S.; Wang, J.J. Margin calibration in SVM class-imbalanced learning. Neurocomputing 2009, 73, 397–411. [Google Scholar] [CrossRef]
- Shu, J.; Xie, Q.; Yi, L.; Zhao, Q.; Zhou, S.; Xu, Z.; Meng, D. Meta-weight-net: Learning an explicit mapping for sample weighting. Adv. Neural Inf. Process. Syst. 2019, 32, 1919–1930. [Google Scholar] [CrossRef]
- Zhou, H.; Yin, H.; Deng, X.; Huang, Y. Online Harmonizing Gradient Descent for Imbalanced Data Streams One-Pass Classification. In Proceedings of the IJCAI, Macao, China, 19–25 August 2023; pp. 2468–2475. [Google Scholar]
- Liu, X.Y.; Zhou, Z.H. Ensemble methods for class imbalance learning. In Imbalanced Learning: Foundations, Algorithms, and Applications; Wiley: Hoboken, NJ, USA, 2013; pp. 61–82. [Google Scholar]
- More, A.; Rana, D.P. Review of random forest classification techniques to resolve data imbalance. In Proceedings of the 2017 1st International Conference on Intelligent Systems and Information Management (ICISIM), Aurangabad, India, 5–6 October 2017; pp. 72–78. [Google Scholar]
- Seiffert, C.; Khoshgoftaar, T.M.; Van Hulse, J.; Napolitano, A. RUSBoost: A hybrid approach to alleviating class imbalance. IEEE Trans. Syst. Man Cybern.-Part A Syst. Hum. 2009, 40, 185–197. [Google Scholar] [CrossRef]
- Bykov, A.; Voronov, V.; Voronova, L. Machine learning methods applying for hydraulic system states classification. In Proceedings of the 2019 Systems of Signals Generating and Processing in the Field of on Board Communications, Moscow, Russia, 20–21 March 2019; pp. 1–4. [Google Scholar]
- Tang, S.; Zhu, Y.; Yuan, S. A novel adaptive convolutional neural network for fault diagnosis of hydraulic piston pump with acoustic images. Adv. Eng. Inform. 2022, 52, 101554. [Google Scholar] [CrossRef]
- Tang, S.; Zhu, Y.; Yuan, S. An improved convolutional neural network with an adaptable learning rate towards multi-signal fault diagnosis of hydraulic piston pump. Adv. Eng. Inform. 2021, 50, 101406. [Google Scholar] [CrossRef]
- Tang, S.; Khoo, B.C.; Zhu, Y.; Lim, K.M.; Yuan, S. A light deep adaptive framework toward fault diagnosis of a hydraulic piston pump. Appl. Acoust. 2024, 217, 109807. [Google Scholar] [CrossRef]
- Tang, S.; Zhu, Y.; Yuan, S. Intelligent fault diagnosis of hydraulic piston pump based on deep learning and Bayesian optimization. ISA Trans. 2022, 129, 555–563. [Google Scholar] [CrossRef]
- Guo, R.; Li, Y.; Zhao, L.; Zhao, J.; Gao, D. Remaining useful life prediction based on the Bayesian regularized radial basis function neural network for an external gear pump. IEEE Access 2020, 8, 107498–107509. [Google Scholar] [CrossRef]
- Li, Z.; Jiang, W.; Zhang, S.; Xue, D.; Zhang, S. Research on prediction method of hydraulic pump remaining useful life based on KPCA and JITL. Appl. Sci. 2021, 11, 9389. [Google Scholar] [CrossRef]
- Yu, H.; Li, H. Pump remaining useful life prediction based on multi-source fusion and monotonicity-constrained particle filtering. Mech. Syst. Signal Process. 2022, 170, 108851. [Google Scholar] [CrossRef]
- Sharma, A.K.; Punj, P.; Kumar, N.; Das, A.K.; Kumar, A. Lifetime prediction of a hydraulic pump using ARIMA model. Arab. J. Sci. Eng. 2024, 49, 1713–1725. [Google Scholar] [CrossRef]
- Ding, Y.; Ma, L.; Wang, C.; Tao, L. An EWT-PCA and extreme learning machine based diagnosis approach for hydraulic pump. IFAC-PapersOnLine 2020, 53, 43–47. [Google Scholar] [CrossRef]
- Buabeng, A.; Simons, A.; Frempong, N.K.; Ziggah, Y.Y. Hybrid intelligent predictive maintenance model for multiclass fault classification. Soft Comput. 2024, 28, 8749–8770. [Google Scholar] [CrossRef]
- Shao, Y.; Chao, Q.; Xia, P.; Liu, C. Fault severity recognition in axial piston pumps using attention-based adversarial discriminative domain adaptation neural network. Phys. Scr. 2024, 99, 056009. [Google Scholar] [CrossRef]
- Surucu, O.; Gadsden, S.A.; Yawney, J. Condition monitoring using machine learning: A review of theory, applications, and recent advances. Expert Syst. Appl. 2023, 221, 119738. [Google Scholar] [CrossRef]
- Wu, Z.; Lin, W.; Ji, Y. An integrated ensemble learning model for imbalanced fault diagnostics and prognostics. IEEE Access 2018, 6, 8394–8402. [Google Scholar] [CrossRef]
- Mahale, Y.; Kolhar, S.; More, A.S. Enhancing predictive maintenance in automotive industry: Addressing class imbalance using advanced machine learning techniques. Discov. Appl. Sci. 2025, 7, 1–21. [Google Scholar] [CrossRef]
- Geng, Y.; Wang, S.; Zhang, C. Life estimation based on unbalanced data for hydraulic pump. In Proceedings of the 2016 IEEE International Conference on Aircraft Utility Systems (AUS), Beijing, China, 10–12 October 2016; pp. 796–801. [Google Scholar]
- Pedregosa, F.; Varoquaux, G.; Gramfort, A.; Michel, V.; Thirion, B.; Grisel, O.; Blondel, M.; Prettenhofer, P.; Weiss, R.; Dubourg, V.; et al. Scikit-learn: Machine Learning in Python. J. Mach. Learn. Res. 2011, 12, 2825–2830. [Google Scholar]
- Lemaître, G.; Nogueira, F.; Aridas, C.K. Imbalanced-learn: A Python Toolbox to Tackle the Curse of Imbalanced Datasets in Machine Learning. J. Mach. Learn. Res. 2017, 18, 1–5. [Google Scholar]
- Marcin, R.; Marcin, B. Research Scripts. Available online: https://github.com/mblachnik/2025_Data_balancers_pumps (accessed on 16 September 2025).











| Pos. | Description | Symbol | Manufacturer |
|---|---|---|---|
| 1 | Temperature sensor Pt1000 150 °C | TA2105 | IFM, Essen, Germany |
| 2 | Pressure sensor −1 …1 bar | PA3509 | IFM, Essen, Germany |
| 3 | Electric motor 37 kW | FCMP 225S-4/PHE | AC-Motoren, Eppertshausen, Germany |
| 4 | Temperature sensor Pt1000 150 °C | TA2105 | IFM, Essen, Germany |
| 5 | Pressure sensor 400 bar | PT5400 | IFM, Essen, Germany |
| 6 | Turbine flow meter | PPC-04/12-SFM-015 | Stauff, Werdohl, Germany |
| 7 | Check valve | S8A1.0 | Ponar, Wadowice, Poland |
| 8 | Temperature sensor Pt1000 150 °C | TA2105 | IFM, Essen, Germany |
| 9 | Pressure sensor 10 bar | PT5404 | IFM, Essen, Germany |
| 10 | Piston pump | HSP10VO45DFR | Hydraut, Gallarate, Italy |
| 11 | Gear wheel flow meter | DZR-10155 | Kobold, Hofheim am Taunus, Germany |
| 12 | Temperature sensor Pt1000 150 °C | TA2105 | IFM, Essen, Germany |
| 13 | Pressure sensor 10 bar | PT5404 | IFM, Essen, Germany |
| 14 | Hydraulic motor | F12 060 MF | Parker, Cleveland, OH, USA |
| 15 | Torque meter | T22/1KNM | HBM, Darmstadt, Germany |
| 16 | Electric motor 170 kW | LSRPM250ME1 | Emerson, St. Louis, MO, USA |
| 17 | Filter | FS1 | Ponar, Wadowice, Poland |
| 18 | Pressure sensor 250 bar | PT5401 | IFM, Essen, Germany |
| 19 | Temperature sensor Pt1000 150 °C | TA2105 | IFM, Essen, Germany |
| 20 | Vibration sensors 1 | VSA001 | IFM, Essen, Germany |
| 21 | Vibration diagnostic converter 1 | VSE100 | IFM, Essen, Germany |
| Dataset | Number of Records | Pump Condition | Class |
|---|---|---|---|
| OT | 7237 | No failure | Negative |
| UT1 | 16,272 | Damaged valveplate–failure 1 | Positive |
| UT2 | 22,593 | Damaged valveplate–failure 2 | Positive |
| UT3 | 21,632 | Damaged valveplate–failure 3 | Positive |
| Dataset | Records Normal | Records Failure | Records Total |
|---|---|---|---|
| 4349 | 4349 | 8698 | |
| 4349 | 2174 | 6523 | |
| 4349 | 1087 | 5436 | |
| 4349 | 434 | 4783 | |
| 4349 | 217 | 4566 | |
| 4349 | 130 | 4479 | |
| 4349 | 43 | 4392 | |
| 4349 | 21 | 4370 | |
| 2887 | 2887 | 5774 | |
| 2887 | 2887 | 5774 |
| Model | Parameters | |
|---|---|---|
| Name | Value | |
| kNN | k | |
| RF | ||
| GBT | ||
| MLP | architecture | |
| Classifier | Metric | Mean | Std. | ||
|---|---|---|---|---|---|
| MLP | F1-macro | 0.9775 | 0.0325 | 0.8878 | 0.7719 |
| Bacc | 0.9776 | 0.0323 | 0.8737 | 0.7676 | |
| MCC | 0.9577 | 0.0601 | 0.7721 | 0.5355 | |
| RF | F1-macro | 0.9085 | 0.1340 | 0.8042 | 0.7332 |
| Bacc | 0.9146 | 0.1196 | 0.7639 | 0.6964 | |
| MCC | 0.8450 | 0.2157 | 0.5791 | 0.4087 | |
| kNN | F1-macro | 0.9731 | 0.0305 | 0.8005 | 0.6581 |
| Bacc | 0.9732 | 0.0303 | 0.7532 | 0.6219 | |
| MCC | 0.9485 | 0.0577 | 0.5752 | 0.2495 | |
| GBT | F1-macro | 0.9683 | 0.0447 | 0.8257 | 0.7220 |
| Bacc | 0.9685 | 0.0443 | 0.7967 | 0.7021 | |
| MCC | 0.9401 | 0.0827 | 0.6292 | 0.4084 | |
| Model | Rank | Rank | Rank | Average Rank | |||
|---|---|---|---|---|---|---|---|
| Borderline SMOTE | 0.99461 | 0.86911 | 0.69706 | 2.0 | 1.0 | 3.0 | 2.0 |
| SMOTE+Tomek Links | 0.99441 | 0.86634 | 0.70032 | 4.0 | 2.0 | 1.0 | 2.3 |
| SMOTE | 0.99464 | 0.86627 | 0.69471 | 1.0 | 3.0 | 5.0 | 3.0 |
| ENN | 0.99433 | 0.86284 | 0.69898 | 6.0 | 7.0 | 2.0 | 5.0 |
| SMOTE+ENN | 0.99449 | 0.86327 | 0.69376 | 3.0 | 4.0 | 8.0 | 5.0 |
| ADASYN | 0.99438 | 0.86037 | 0.69580 | 5.0 | 8.0 | 4.0 | 5.7 |
| No balancer | 0.99406 | 0.86320 | 0.69456 | 7.0 | 5.5 | 6.5 | 6.3 |
| Tomek Links | 0.99400 | 0.86320 | 0.69456 | 8.0 | 5.5 | 6.5 | 6.7 |
Disclaimer/Publisher’s Note: The statements, opinions and data contained in all publications are solely those of the individual author(s) and contributor(s) and not of MDPI and/or the editor(s). MDPI and/or the editor(s) disclaim responsibility for any injury to people or property resulting from any ideas, methods, instructions or products referred to in the content. |
© 2025 by the authors. Licensee MDPI, Basel, Switzerland. This article is an open access article distributed under the terms and conditions of the Creative Commons Attribution (CC BY) license (https://creativecommons.org/licenses/by/4.0/).
Share and Cite
Rojek, M.; Blachnik, M. A Machine Learning Approach to Valve Plate Failure Prediction in Piston Pumps Under Imbalanced Data Conditions: Comparison of Data Balancing Methods. Appl. Sci. 2025, 15, 11542. https://doi.org/10.3390/app152111542
Rojek M, Blachnik M. A Machine Learning Approach to Valve Plate Failure Prediction in Piston Pumps Under Imbalanced Data Conditions: Comparison of Data Balancing Methods. Applied Sciences. 2025; 15(21):11542. https://doi.org/10.3390/app152111542
Chicago/Turabian StyleRojek, Marcin, and Marcin Blachnik. 2025. "A Machine Learning Approach to Valve Plate Failure Prediction in Piston Pumps Under Imbalanced Data Conditions: Comparison of Data Balancing Methods" Applied Sciences 15, no. 21: 11542. https://doi.org/10.3390/app152111542
APA StyleRojek, M., & Blachnik, M. (2025). A Machine Learning Approach to Valve Plate Failure Prediction in Piston Pumps Under Imbalanced Data Conditions: Comparison of Data Balancing Methods. Applied Sciences, 15(21), 11542. https://doi.org/10.3390/app152111542

