Abstract
This paper introduces a speed-sensorless dual-field-oriented control (DFOC) strategy for induction motors (IMs). DFOC combines the advantages or rotor- and stator-field orientation to significantly reduce the parameter sensitivity of the control regarding the generation of the converter control variable. A simplified structure is also proposed, using only two regulators for the flux and speed control, eliminating the two current regulators. Related to sensorless control, the classical adaptation mechanism within an MRAS (model reference adaptive system) observer is replaced with artificial intelligence (AI)-based approaches. Specifically, artificial neural networks (ANNs) and recurrent neural networks (RNNs) are employed for rotor speed estimation. They offer significant advantages in managing complex and nonlinear systems, providing enhanced flexibility and adaptability compared to traditional MRAS methods. The effectiveness of the proposed sensorless control scheme is validated through both simulation and real-time implementation. The paper focuses on the ANN and RNN architectures, as deep learning models, in terms of the reliability and accuracy of rotor speed estimation under various operating conditions.
1. Introduction
In adjustable AC drive applications, vector control is mainly used due to its exceptional dynamic performance in terms of response to rapid speed and torque variations. This is achieved by the independent control of the motor flux and torque, based on the analogy with the DC machine, where the magnetization is controlled by the excitation current, while the motor torque is determined by the armature current. For AC machines, the stator current is decoupled in flux-producing (reactive) and torque-producing (active) components based on the field orientation principle [,]. This leads to optimal performance regarding speed control in a wide range and for variable load conditions. The best performance can be obtained by using rotor flux control (RFC) and rotor-field orientation (RFO). At constant rotor flux, the characteristics of the induction motor become linear, and there is a perpendicularity between the rotor current and rotor flux space phasors. The simplest vector control structure for an IM is obtained when it is powered through a current-controlled voltage source inverter (VSI), which leads to a simple control structure that does not depend on the motor parameters to generate the converter control variable, i.e., the stator current, because it is provided by the flux and speed controllers [,]. However, most applications use a pulse-width modulated (PWM) VSI with proper voltage control (sinusoidal PWM or space-vector PWM), which requires two current controllers and a voltage computation block that depends on the motor parameters if it is performed in RFO coordinates.
There are several known issues of FOC that may affect the overall performance. One is related to the parameter sensitivity, which requires an accurate identification of the motor parameters, which are affected by temperature changes (especially the rotor resistance in a wide range, affecting also the rotor electrical time constant), magnetic saturation or the natural aging process [,,,]. Another issue refers to the rotor flux identification, both for indirect field orientation (IFO) regarding the initial position of the rotor flux, which is not known [], and for direct field orientation-based procedures, where inaccuracies may appear due to parameter dependencies or back-e.m.f.-related problems at low speed [].
In this paper, the first objective consists in the reduction in parameter dependency related to generation of the voltage control variable for the VSI. For this purpose, the reference stator voltage will be computed in stator-field-oriented (SFO) coordinates, in which the equations are much simpler than for the RFO, and as for the motor parameters, only knowledge of the stator resistance is required. This leads to dual-field orientation, where the RFC is maintained and the current control variables are generated using RFO; then, for the reference stator voltage computation, SFO is used []. Further simplification consists in removing the two current controllers, which will lead to a novel approach regarding the reference voltage computation.
In sensorless speed applications, the main issue is the rotor speed estimation. Eliminating physical sensors like encoders or tachometers automatically decreases hardware costs and simplifies the control strategies of the induction motor. There are different techniques for estimating the IM speed and its rotor flux []. Each sensorless speed estimation technique has specific characteristics, merits and drawbacks. In [], there is a comparison of all techniques with the possibility to select the best sensorless speed estimation technique for IM drive to be implemented based on a specific application. The comparison criteria for different speed estimation techniques are the steady-state error, dynamic behavior, low speed operation, parameter sensitivity, noise sensitivity, complexity and computation time. In [], there is another summary of the properties for some techniques, along with the weaknesses, main contributions and strengths. These techniques can be classified as follows:
- Model-based methods. These procedures use the mathematical model of the motor to estimate the speed. Model-based methods can be classified in observer-based methods like Luenberger observer [,], extended Kalman filter [,], sliding mode observer [,] and MRAS [,].
- Signal injection methods. These techniques are used particularly at low or zero speeds [].
- Frequency-domain and spectral analysis methods. These techniques use fast Fourier transform to extract speed-related harmonics [,].
- AI-based methods, like ANNs or RNNs [] and fuzzy logic [,], that use machine learning techniques to model and predict rotor speed.
Traditional MRAS methods are based on classical control theory and usually depend on known mathematical models and linear system assumptions. They work well for simple or slightly nonlinear systems but struggle with complex nonlinear dynamics, which often require approximations. It is well known that the mathematical model of the IM is multivariable, and it has nonlinear character. Also, in the control structure, the control variables are generated mostly based on this mathematical model. In contrast, ANNs and RNNs are data-driven approaches that offer greater flexibility. ANNs can learn complex input–output relationships without needing a detailed system model and can handle un-certainty and disturbances more effectively. RNNs are especially useful for systems with time-dependent behavior, as they can remember past inputs and capture system dynamics over time, even when internal states are hard to define or measure. In this paper, the proposed speed-sensorless vector control structure for a PWM-VSI-fed IM based on DFOC control combines the traditional MRAS framework with the flexibility and advantages of ANN/RNN models. This approach improves tracking performance, enhances adaptation speed and effectively handles unknown system nonlinearities.
2. Dual-Field-Oriented Control of Induction Machines
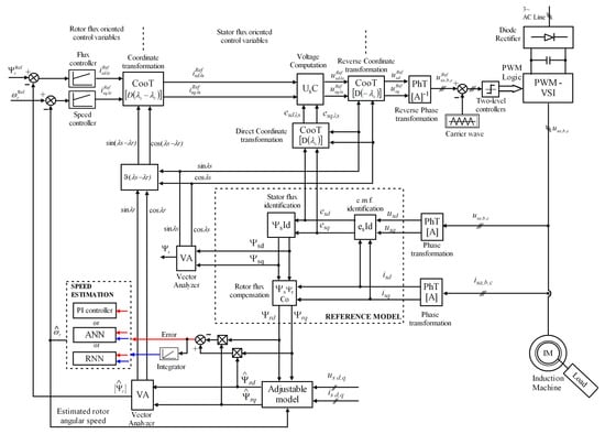
The proposed speed-sensorless vector control structure for a PWM-VSI-fed IM based on DFOC is shown in Figure 1.
Figure 1.
Speed-sensorless vector control structure of a VSI-fed induction motor with DFOC.
Most variable frequency drives currently available on the market support only voltage-controlled VSI structures, such as sinusoidal SV-PWM or sinusoidal PWM, and do not accommodate current-controlled implementations. In RFO-based structures with voltage-controlled VSI, the calculation of voltage command variables is very complex and dependent on motor parameters, meaning that the control system performance will be affected by stator and rotor resistances, the rotor time constant and stator and rotor leakage coefficients [].
If the VSI is controlled by feedforward voltage PWM, a vector control structure contains four regulators: flux and speed regulators (which generate the stator current space-phasor components) and current regulators in both control loops that will generate the voltage command signals. In a classical vector control scheme that uses RFO and RFC, the RFO reference stator voltage components and are expressed as follows:
This corresponds to the voltage components that are generated by the two current controllers in a classical RFOC structure.
These are the compensation terms that are added to compute the reference voltage (stator voltage computation block UsC), where is the synchronous speed, is the total leakage coefficient, the resulting stator inductance, is the stator electrical time constant and and are the reactive (flux producing) and the active (torque producing) components of the stator current in RFO reference frame, while represents the rotor flux magnetizing current. The time derivative of the is expressed by the following:
The synchronous speed is obtained as follows:
where is the rotor electrical angular speed, is the absolute slip, is the rotor resistance and is the rotor electrical time constant.
Equations (1)–(5) show the increased parameter sensitivity of the rotor-field-oriented control structure regarding the generation of the control variable, i.e., the reference stator voltage. This problem is solved through SFO, which leads to a much simpler structure in terms of calculating command quantities. In this case, the command quantities depend only on the stator resistance. For these reasons, a newer control strategy based on dual field orientation was developed []. The idea of dual orientation of IMs resulted from studying control structures based on rotor flux and stator flux orientation, obtaining a control structure that eliminates the mentioned disadvantages while maintaining the advantages of both types of field-orientations []. According to this principle, RFC and RFO are used to generate the current space-phasor components and (the flux- and torque-producing components) in RFO coordinates , and then SFO is used to calculate the reference voltage according to Figure 1.
The transition from RFO to SFO is performed by means of the coordinate transformation block CooT [D, which uses the phase shift between the rotor flux space phasor and stator flux space phasor , as follows:
where the sin and cos functions of the phase shift are computed in the ϑ(λs − λr) block, ϑ being the trigonometric operator.
Classically, in an SFO reference frame, the stator voltage equations are expressed as follows:
where and represent the e.m.f. components of the stator voltage.
In this case, when using SFO, these are the and voltage signals:
The voltages generated by the current regulators do not contain the e.m.f. components and , which represent the electro-magnetic cross-effect on the machine. The voltage computation block adds these terms to generate reference voltage. This approach also recouples the two decoupled control loops, enabling the natural phenomena occurring in the machine to be considered. As can be seen, the voltage computation using SFO is much simpler compared to that using RFO.
Furthermore, to develop a simpler control structure, a novel solution is proposed for the reference voltage computation by eliminating the two current controllers. The basis of this approach lies in the voltage in Equation (7), where the stator flux is explicitly emphasized. As shown in Figure 1, the stator flux is computed based on the open-loop voltage model in the stationary reference frame (d–q). First, the e.m.f. is identified in block esId:
Then, the stator flux components are obtained by integration in block ΨsId:
Note that in the stationary reference frame, the e.m.f. has only the flux derivative terms and , which reflect the variation in time and amplitude.
In the control structure, the reference voltage computation is performed in field-oriented (rotating or synchronous) coordinates with d.c. quantities, where the e.m.f. voltage has two components: one is the flux derivative, which reflects only the variation in magnitude of the stator flux (classically this should be generated by the current controllers), and the second one is the rotating component , where the synchronous speed of the rotating magnetic field corresponds to the frequency (this term should be added in the voltage computation block). These components added together are denoted by and in (7). In a controlled situation, these two components determine the same e.m.f. space phasor as the one resulting from and . Applying the coordinate transformation CooT [D with angle to the stator-frame components and (from the esId block) yields the and SFO components. This approach allows us to remove the two current controllers, as shown in Figure 1. Thus, the UsC block is based on the second part of Equation (7) by computing the voltage drops from and generated by the flux and speed controllers and then adding the and terms. Also, by applying this procedure, it is no longer necessary to identify the synchronous speed .
3. Sensorless Control
The flowchart of the speed-sensorless control procedure presented in Figure 2 is applicable for all investigated speed-sensorless techniques in this study. The procedure is initiated and will be concluded when the objective is met. The objective is to accurately estimate the speed of the induction motor. If this is not achieved, fine-tuning methods are applied to readjust the structure, and the procedure resumes.
Figure 2.
Flowchart of the speed-sensorless procedure.
Simulations were performed for the following cases:
- Sensorless vector control structure of an IM with DFOC containing an MRAS estimator in the loop;
- Sensorless vector control structure of an IM with DFOC, where the speed was estimated based on an ANN;
- Sensorless vector control structure of an IM with DFOC, where the speed was estimated based on an RNN.
The MRAS-based speed estimation method uses a flux model. It operates by minimizing the error between the rotor flux derived from the motor equations (Reference model) and the rotor flux estimated by the Adjustable model, which is obtained by integrating Equation (13) and incorporates the estimated speed, as illustrated in Figure 1.
The error signal, expressed as , is used by all three procedures to estimate the rotor speed, as follows:
- MRAS uses an Adaptation algorithm based on (14) that uses a PI controller to generate the estimated speed (see Figure 3). The input is only the error signal (red in Figure 1). The procedure is discussed in Section 3.1.
- In both the ANN and RNN approaches, the inputs consist of the error signal (shown in red in Figure 1) and its integral (shown in blue in Figure 1). For these two AI-based methods, the PI controller used in MRAS is replaced by the respective training algorithms described in Section 3.2 and Section 3.3.
Figure 3.
MRAS model for speed estimation.
3.1. MRAS-Based Procedure
Accurate control and high efficiency in sensorless speed estimation for induction motor drives depend on the selection of an optimal estimation method. Based on the comparison in [], estimation methods utilizing adaptation mechanisms provide a well-established classification related to steady-state accuracy and algorithmic complexity. These use a reference model (the mathematical model of the system) and an adjustable model, a procedure known as the MRAS. The second element of originality consists in the development of a vector control structure incorporating a rotor speed estimation method for a dual-field-oriented IM.
The rotor speed is estimated using only the stator voltage and current measurement. There are many recent research studies on this topic, including [,] and []. Based on these studies, the assessment and simulation of the sensorless vector control structure of IMs was performed in DFOC containing an MRAS estimator in the loop.
In the rotor flux-based MRAS, the rotor flux corresponding to the Reference model is identified using only the measured stator currents and voltages. First, stator flux is identified based on the open-loop voltage model by integrating the back-e.m.f. components induced in the stator windings in stationary reference frame (d–q) according to (9) and (10). Then, the air-gap flux is obtained by extracting the stator leakage flux:
where is the stator leakage inductance and = represents the stator leakage flux d and q components. Finally, the rotor flux components in stationary coordinates are given by the following:
where is the rotor leakage coefficient and the rotor leakage inductance.
The estimated rotor flux results in the output of the Adjustable model block, based on the following expression []:
The rotor speed error is the difference between the estimated rotor flux and the rotor flux from the Reference model. The estimated rotor speed is expressed as follows []:
The estimated rotor speed results in the output of the Adaptation mechanism block. Based on the preceding discussion, Figure 3 depicts the structure of the MRAS architecture employed for rotor speed estimation, which is also illustrated in Figure 1.
Classically, the Adaptation mechanism block contains a PI controller. In this context, fine-tuning methods focus on the accurate adjustment of the proportional and integral parameters of the controller used for speed estimation. In this controller configuration, the proportional gain (P) was set to 70, while the integral gain (I) was assigned a value of 40 based on manual tuning. This setup provided relatively accurate speed estimation across the entire range—from standstill up to the nominal speed of 297 rad/s in both directions—without requiring any parameter adjustments. Since the primary objective of this paper is to evaluate the proposed speed estimation methods, all simulations were conducted under comparable conditions. This includes speed and load profiles, as well as identical speed and flux controller settings, originally configured for the MRAS-based approach. During the simulation, a speed profile was applied using the setpoints [80, 150, 297, −80, −150, −297] rad/s, with a rate of change of 600 rad/s2 that included a demanding condition like a speed reversal at nominal load torque.
Speed-dependent profiles are characteristic of a large range of industrial applications, such as HVAC applications, centrifugal pumps, textile machines, industrial printing machines, conveyor belts, etc. Some of these applications have linear load-speed dependency. From the motor point of view, the load torque is seen as a perturbance, and it may affect the speed estimation, as the adaptation mechanism includes a PI controller that may be sensitive to load variations. To model this, a linear speed-dependent profile is adopted between a no-load torque of 1.05 Nm at zero speed and nominal torque of 15.8 Nm at 297 rad/s rotor electrical angular speed.
The induction motor model parameters used are given in Table 1.
Table 1.
Induction motor parameters.
Based on the control structure from Figure 1, simulations were performed in a Matlab/Simulink environment. The simulation results for MRAS are shown in Figure 4.

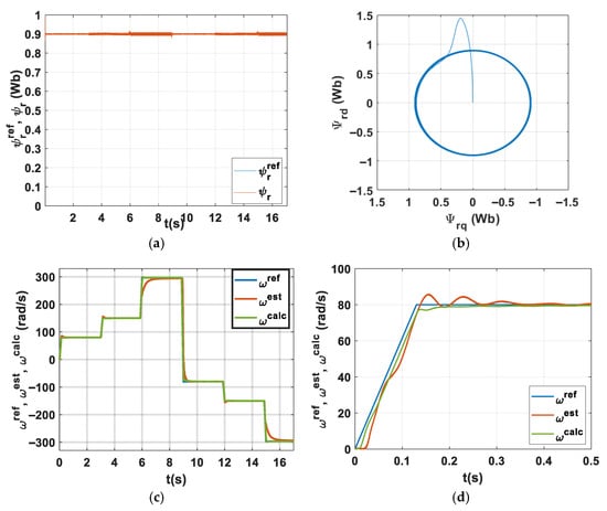
Figure 4.
Simulation results for the MRAS procedure. (a) Rotor flux amplitude: reference value
and estimated value . (b) Estimated rotor flux space-phasor trajectory. (c) Rotor electrical angular speed: reference ωref, estimated ωest and model-based ωcalc. (d) Starting rotor electrical angular speed: reference ωref, estimated ωest and model-based ωcalc. (e) Rotor electrical angular speed at transition from 150 rad/s to 297 rad/s: reference ωref, estimated ωest and model-based ωcalc. (f) Rotor electrical angular speed at transition from 297 rad/s to −80 rad/s: reference ωref, estimated ωest and model-based ωcalc.
The obtained simulation results are analyzed both from the point of view of the speed estimation procedure and of the response of the speed and flux control loops. Figure 4a,b, representing the flux magnitude and the corresponding space-phasor trajectory, show that the rotor flux control loop has a good response, with a settling time of 0.03 s and practically no steady-state error, and it is also robust to speed variations.
Regarding the rotor speed Figure 4c–f, the estimated value matches with the one provided by the motor model for steady-state operation and during transients. The reference speed tracking also shows good performance overall, with a slight delay around the nominal value Figure 4e. Note that the speed-dependent load-torque profile affects the process dynamics. The PI speed controller was tuned to perform relatively well in speed ranges from 0 to 300 rad/s in both directions, including speed reversal under load conditions.
The configuration parameters used in the simulation of the classical MRAS method, including the speed and flux controllers, as well as the PI controller within the speed estimator, serve as the baseline for training the ANN- and RNN-based models.
3.2. ANN-Based Procedure
In recent decades, AI techniques have gained significant attention in control systems due to their effectiveness in handling nonlinear and complex processes. Unlike traditional methods, AI approaches do not require explicit mathematical models of input–output relationships and are less sensitive to integration-related issues that could compromise system stability. Another contribution is creating a vector control structure with rotor speed estimation through an ANN. In the literature, there is some recent research related to ANN-based estimation methods for induction motor drives. In Ref. [], an ANN is presented for accurate estimation of the speed and flux for IM drives in industrial applications such as electric vehicles. Two ANN estimators were designed, one for the rotor speed estimation and the other for the stator and rotor flux estimation. The ANN estimators were trained based on the current and voltage measurements. A limitation of the presented work is the selection of a basic ANN architecture due to the use of an approximate gradient-based hyperparameter optimization method that could not be easily applied to RNNs. Reference [] presents the design and training of a feedforward neural network based on model-free predictive torque control for controlling an IM powered by a two-level voltage source inverter. The study demonstrates the network’s ability to accurately approximate the motor’s current and stator flux predictions without requiring detailed knowledge of the system.
Reference [] presents a technique for IM speed control without a speed sensor, using an indirect rotor-field-oriented control strategy combined with an ANN as a speed estimator. The control system was implemented using PI controllers, with the PI gains tuned using two different approaches: a conventional method and a proposed method based on the particle swarm optimization algorithm.
The proposed structure estimates the speed using both the speed error and its integral, rather than relying solely on the speed error, in contrast to the previously mentioned references. Additionally, for validation, hardware-in-the-loop (HIL) simulation was also performed. The advantages of AI-trained controllers come from their superior performance in nonlinear systems compared to traditional PI controllers. In structures with classical PI controllers, maintaining optimal performance in systems with time-varying dynamics is reduced, and manual readjustment is often necessary, which is time-consuming and impractical in real-time applications. The ANN learns the relationship between input characteristics (e.g., error and error variation) and optimal controller parameters. This allows the ANN-PI to automatically adapt to time-varying conditions without manual intervention.
ANNs can be trained in a wide range of operating conditions and disturbances, making them capable of efficiently managing a larger domain of speeds. They provide more flexible and stable control for highly nonlinear or high-dynamic systems, specifically for vector-controlled AC electric drive applications.
In the structure of the ANN presented in Figure 5, the ANN receives two inputs: the speed error and the integral of the speed error. There are four layers used for training, one for input, one for output and another two hidden layers between them, one with 15 neurons and the other with 10 neurons.
Figure 5.
Structure of the ANN.
During the training process, the dataset is divided into two subsets: 85% is used for training the model, while the remaining 15% is reserved for testing. This partition helps in identifying potential overfitting. The minimum performance gradient parameter is a threshold to stop the training if the learning plateaus. Meanwhile, the performance goal parameter defines a target error (e.g., mean squared error), allowing the training to stop early once the desired accuracy is achieved, reducing the risk of overfitting.
The ANN training parameters are described in Table 2, with training algorithm trainscg (scaled conjugate gradient) selected because it uses less memory. For the activation functions, logsig (log-sigmoid), tansig (hyperbolic tangent sigmoid) and purelin (linear) functions are used.
Table 2.
ANN training parameters.
The training tool is presented in Figure 6.
Figure 6.
ANN training tool interface.
The training performance and the resulting regression plot obtained from the training tool in Figure 6 are shown in Figure 7:
Figure 7.
(a) Training performance; (b) regression plot.
The model achieves a mean squared error (MSE) of 0.49 (Figure 7a) and a regression value (R2) of 1 (Figure 7b), indicating a nearly perfect linear correlation between predicted and actual values. Given the speed range of −300 to 300, an MSE of 0.49 corresponds to an average error of approximately 0.7 units. This error represents only about 0.12% of the full range (600 units), which is considered very small. Based on these performance metrics and testing results, the model demonstrates high accuracy in predicting the control signal.
Simulations were performed in a Matlab/Simulink environment for the control structure from Figure 1, in which the Speed estimation block for the ANN option is selected, which uses a Simulink Neural Network block generated using the gensim Matlab function.
The simulation results with the ANN are presented in Figure 8:

Figure 8.
Simulation results for the ANN procedure. (a) Rotor flux amplitude: reference value
and estimated value . (b) Estimated rotor flux space-phasor trajectory. (c) Rotor electrical angular speed: reference ωref, estimated ωest and model-based ωcalc. (d) Rotor electrical angular speed at starting reference ωref, estimated ωest and model-based ωcalc. (e) Rotor electrical angular speed at transition from 150 rad/s to 297 rad/s: reference ωref, estimated ωest and model-based ωcalc. (f) Rotor electrical angular speed at transition from 297 rad/s to −80 rad/s: reference ωref, estimated ωest and model-based ωcalc.
Based on the same criteria as for the MRAS procedure, the analysis of the ANN procedure led to the following observations: the flux response shows an overshoot at the beginning of the motor starting process, visible in Figure 8a,b, with a settling time of 0.06 s that is also acceptable, while the spikes during speed transients are insignificant. As for the speed response, there is also an overshoot at some of the speed transients, with greater values at low speeds (6.8% at 80 rad/s as seen in Figure 8d), decaying towards higher speeds (4% at 150 rad/s). It can be observed in Figure 8e,f that there is a difference between the estimated and the model-based rotor speeds, especially at higher values and during the reversal process. However, the results obtained meet the expectations.
3.3. RNN-Based Procedure
A more advanced variant was developed based on an RNN, which is designed to handle sequential data. RNNs differ from ANNs in that they work in a closed loop, suitable for systems that have dynamic or time-dependent behavior. In the literature, various recent studies have investigated estimation methods using different architectures of RNNs, highlighting their potential in modeling dynamic and time-dependent behaviors. RNNs can directly model dynamic systems with varying parameters over time due to their internal memory (e.g., hidden states). They are suitable for processes with time delays, oscillations or dependencies between past and future states. From a computational perspective, RNNs demand greater resources due to their recurrent structure and sequential data processing, require careful training and are time-consuming.
In [], a speed-sensorless FOC of an IM was developed using rotor flux and speed observers. The observers, based on RNN methods, required only the stator voltage and current of the induction motor to estimate rotor flux and speed. The calculation results of the MSE values for rotor flux and speed estimation from the RNN observer under different speed conditions were presented. The MSE values were acceptable and demonstrated decent estimation performance. The design of a sensorless asynchronous electric drive was presented in Ref. [], based on a two-channel control system structure incorporating both neural control and neural estimation. The estimated speed and flux were affected by variations in the stator and rotor resistances, which degraded estimation accuracy and overall system performance due to the increase in motor operating temperature. In Ref. [], an RNN was used to estimate uncertainties and implement feedback control for nonlinear dynamic systems. The proposed RNN-based feedback control was applied to a DC–DC converter for current regulation. Compared to the feedforward neural network and conventional feedback control, the RNN-based feedback control provided improved tracking performance.
For the proposed solutions, mathematical models and corresponding simulation structures were developed. These were validated through numerical simulation in a Matlab/Simulink environment. The proposed training procedure, in contrast to the previously mentioned examples, uses the supervised learning method stochastic gradient descent with momentum to obtain faster convergence and to reduce oscillations during training. Based on the control structure shown in Figure 1, simulations were conducted in which the RNN was selected as the Speed estimation block, which uses the Predict block from the Simulink Deep Learning Toolbox. The Predict block receives two inputs: the speed error and the integral of the speed error. The network consists of the following layers: a sequenceInputLayer that takes sequence data with two features per timestep (the speed error and its integral), followed by a gated recurrent unit (GRU) gruLayer with 20 hidden units to capture temporal dependencies. A batchNormalizationLayer is used to stabilize and accelerate training, and a dropoutLayer with a dropout rate of 0.3 helps prevent overfitting. Finally, a fullyConnectedLayer reduces the GRU output to a single value, representing the control signal. L2regularization was applied during training to penalize large weights and reduce overfitting, while the validation frequency enabled regular monitoring of the model’s generalization performance on validation data. The RNN training parameters are described in Table 3, with optimization training algorithm sgdm (stochastic gradient descent with momentum) selected to minimize the loss function by updating weights using gradients computed from small batches of data and with momentum added to smooth and speed up training.
Table 3.
RNN training parameters.
The Predict block predicts responses for the data at the input by using the trained RNN specified through the block parameter. This block allows for the loading of a pretrained network into the Simulink model. During the training process, the dataset is partitioned into two subsets: 80% is allocated for training the model, while the remaining 20% is reserved for validation. This split enables the assessment of the model’s generalization capability and facilitates the detection of overfitting or underfitting phenomena. The decision to use a GRU layer in RNN-based training for sensorless speed estimation in DFOC of an induction motor is influenced by the sequential nature of the input dataset, as GRU layers are well-suited for processing time-series data in deep learning applications.
GRUs are computationally more efficient than LSTM (long short-term memory) layers. This means GRUs are faster to train and better suited for real-time applications, like motor control. Also, GRUs have a simpler structure with two gates (reset and update), while LSTMs have three (forget, input and output). This simplicity can reduce the risk of overfitting and make GRUs easier to implement and tune. Sensorless speed estimation requires quick computation to maintain real-time performance.
According to the RNN training tool interface illustrated in Figure 9, the root mean square error (RMSE) achieved is below 50, which aligns with the threshold of RMSE < 5% specified in the flowchart presented in Figure 2. Additionally, a custom training loop was implemented to perform real-time regression (R2) simulation. An R2 value of 1 indicates a perfect correlation between the predicted outputs and the actual target values, reflecting optimal model performance.
Figure 9.
RNN training tool interface.
When the regression performance is poor and the RMSE is elevated or unstable, it indicates the need for hyperparameter fine-tuning. Key parameters to be adjusted include the number of neurons and hidden layers, the learning rate, the regularization coefficient and the gradient threshold, all of which significantly influence model convergence and generalization.
The simulation results with the RNN are shown in Figure 10, with the same conditions regarding the speed and load-torque profiles as for the MRAS and ANN procedures.

Figure 10.
Simulation results for RNN procedure. (a) Rotor flux amplitude: reference value
and estimated value . (b) Estimated rotor flux space-phasor trajectory. (c) Rotor electrical angular speed: reference ωref, estimated ωest and model-based ωcalc. (d) Rotor electrical angular speed at starting: ωref, ωest and ωcalc. (e) Rotor electrical angular speed at transition from 150 rad/s to 297 rad/s: reference ωref, estimated ωest and model-based ωcalc. (f) Rotor electrical angular speed at transition from 297 rad/s to −80 rad/s: reference ωref, estimated ωest and model-based ωcalc. (g) Regression plot.
For the RNN procedure, there are visible improvements in comparison with the ANN. For the rotor flux in Figure 10a,b, the results are comparable with the ones obtained for MRAS, with no overshoot on the rotor flux magnitude at starting and a settling time of 0.06 s. As for the rotor speed, there is a good match between the reference model and the estimated values, as can be seen in Figure 10e,f. Only a slight difference is noticeable in Figure 10d at motor starting, where the estimated speed presents oscillations around the setpoint value. However, these oscillations are smaller in magnitude and decay faster than in the ANN procedure. The regression plot in Figure 10g illustrates a perfect fit between the predicted and target speed.
Although ANNs and RNNs offer advanced capabilities in terms of modeling and control, their deployment in real-time systems presents several challenges and limitations. Both architectures require careful tuning of hyperparameters such as learning rate, number of layers and neurons and regularization coefficients (see Table 2 and Table 3). Improper tuning can result in slow convergence, training instability or issues regarding overfitting or underfitting. Since ANNs and RNNs are inherently data-driven, their performance depends on the quality, diversity and representativeness of the training dataset. In this work, the collected dataset represents 17 s of system operation, spanning a speed range from −300 to 300 rad/s under speed-dependent load conditions from the motor’s perspective. The motor parameters remained constant throughout the simulation. The ANN and RNN models were trained using a medium-sized dataset with dimensions [2× 1,700,001], where the two features per sample correspond to the error and the integral of the error. This amounts to 1.7 million samples per feature, acquired at a sampling frequency of 100 kHz. The training was performed offline due to the difficulty of acquiring large and comprehensive datasets in real-time control environments. Additionally, RNNs are more computationally demanding than ANNs due to their sequential processing and internal memory mechanisms. As a result, they often require hardware acceleration, which increases both implementation cost and system design complexity. The performance of ANN- or RNN-based sensorless control algorithms is influenced by motor parameters and operating conditions, such as power ratings, voltage levels and pole-pair configurations. These factors impact the system’s transient response, time constants and thermal behavior. To ensure high scalability, the training dataset should include a diverse range of motors and operating conditions. When training on data from a single motor configuration, scalability and generalizability can be enhanced by adopting per-unit models for the IM, the inverter and the controllers. This normalization approach helps mitigate the variability introduced by different hardware characteristics. Regarding pole-pair configurations, the motor’s mathematical model is based on the generalized Park model, which assumes an equivalent motor with a single pole pair. Within the control structure, the reference input is the electrical angular speed corresponding to this equivalent pole-pair configuration, thereby ensuring scalability in this aspect. As for operating conditions, training was conducted across six different steady-state speed values, covering both positive and negative ranges, as well as during dynamic transitions between operating states, including a rapid speed reversal scenario.
In Table 4, the performance parameters obtained by Matlab/Simulink simulation are extracted for the three speed estimation procedures. Considering that all settings were tuned initially for the MRAS procedure, the obtained simulation results should be analyzed from this point of view. On average, shorter settling times are obtained with MRAS, but no pattern can be observed by analyzing the obtained values. There is no overshoot, but steady-state error is present for all cases, with a maximum of 1.25%, which is well inside the acceptable range. As for the AI-based methods, the RNN performs better than the ANN in terms of settling time in almost all conditions and is often close to MRAS. However, certain patterns can be observed regarding the settling time, where ANN displays values around 0.2 s while RNN displays values around 0.12 s at lower speeds.
Table 4.
Performance parameters of the three estimation methods obtained by Matlab/Simulink simulation.
Overshoot should be a concern for the ANN and may affect control stability, as it displays values between 3.6% and 6.8% at certain speeds. For the RNN, the overshoot is as high as 6% only at speed reversal from 297 rad/s to −80 rad/s, but for the other speeds, it is well inside acceptable margins. The RNN method exhibits zero steady-state error across all test cases, whereas the ANN method shows approximately 1% error at ±297 rad/s.
4. Real-Time Simulation
In this paper, an HIL simulation setup is presented based on PLECS RT BOX I and an NI PXIe-1071 Real-Time target computer []. The software package used for programming and management of the control unit (PXIe-1071) is based on the NI full software bundle, including LabVIEW FPGA 2019 SP1 (32bit), NI VeriStand 2019 R3 and MathWorks Matlab/Simulink 2018b. Within NI VeriStand, the Simulink model was linked to the physical I/O ports of the PXIe-1071 controller. The NI PXIe-1071 simulation computer acts as a complex rapid control prototyping unit (RCP). The HIL management software and programming environment used for the RT BOX is PLECS software. This is a dedicated modeling and simulation environment. The whole setup is able to simulate the three-phase PWM-controlled inverter and the induction motor in real time. In this case, the control algorithms were programmed using all the benefits of a complex modeling and simulation environment such as Matlab/Simulink. To study, analyze and simulate the dual-field-oriented vector control structure, the following hardware equipment was used: a PLECS RT Box I as the HIL simulator []; an NI PXIe-1071 as a rapid control prototyping (RCP) unit []; analog (A) and digital (D) breakout boards for the RT Box and NI PXIe; an AMD Ryzen 9 desktop workstation; and a fast ethernet cable (ETH).
The signal exchange between the HIL simulator and the real-time target controller was implemented by directly connecting the analog output electrical pins (AOx) of the HIL unit to the analog input electrical pins (AIx) of the RCP unit. The same procedure was used for the digital signal path outputs (HIL digital output electrical pins DOx were connected to RCP digital input electrical pins DIx). The main (mixed—analog and digital) signal path represented the master or live signal exchange bus. The live signals were represented on the host computer via NI VeriStand plots. The host computer was attached to the HIL and real-time target controller via a fast ethernet infrastructure. The HIL implementation and the hardware setup can be observed in Figure 11 and Figure 12.
Figure 11.
HIL implementation.
Figure 12.
Hardware setup.
In terms of software configuration, the circuit model was implemented using PLEXIM PLECS as the primary platform for plant modeling and HIL management. In this case, a three-phase PWM voltage source inverter model and three-phase induction machine was implemented within PLECS. The plant model (power stage and served load/electrical machine) was implemented on the RT Box I FPGA unit Zynq 7000 SoC (system-on-a-chip → ARM real-time application processor and FPGA fast logic processor). By using the I/O blocks attached to the analog and digital ports of the RT Box, the simulator will capture and provide real-time variable electrical signals corresponding to the virtual current and flux signals emulated within the plant model. These signals can be captured later and used in the implemented vector control structure. The sample time of the plant model emulated by the PLECS RT Box is 5 × 10−6 [s].
For the PXIe-1071 rapid control prototyping (RCP) unit, the management software was NI VeriStand and the modeling software was Matlab/Simulink. Within Matlab/Simulink, the vector control structure of the cage induction motor drive with a dual-field-oriented embedded model was designed and tested, and the executable application program was generated for the NI PXIe-1071 and NI VeriStand infrastructure. The graphical dashboard implemented within NI VeriStand was used to adjust the Simulink model parameters in real time and to visualize the virtual waveforms produced by the analog outputs of the real-time target controller. To capture and visualize the results following the real-time simulation, graphical elements and tools from the NI VeriStand virtual instrumentation library were used. The real-time simulation for the sensorless vector control structure of the IM with DFOC was performed based on the hardware and software setup. The speed was estimated based on the ANN. The sample time of the running control algorithm model was set as 1 × 10−4 [s]. The PWM switching frequency was set at 10 [kHz] and was sample time independent because the switching strategy and data acquisition (ADC sampling) were implemented as separate FPGA hardware tasks (the PXI RCP unit uses two dedicated modules with FPGA—one for data acquisition and one for PWM switching signal generation. The FPGA units have their own individual clock and synchronization circuits independent from the CPU). Symmetrical dead time (delay band) was also added to the switching PWM gate signals as 10 [%] from the main switching period (5 [%] for TON and 5 [%] for TOFF). The FOC model used a discrete solver approach based on Euler’s method of differential equation solving. All the real-time simulation conditions were met because the NI PXIe-8840 (the main HIL controller module) incorporates an Intel Quad-Core floating point-math-capable CPU.
In the above-mentioned HIL implementation, the “(Simulink) Deep Learning Code Generation” add-on was used. This is a Simulink Coder extension that can compile neural-network-related models or deep learning operations and generate optimized C/C++ code for desktop CPUs, GPUs with CUDA technology and embedded targets. In the current implementation, a desktop CPU approach was used because the NI PXIe RCP unit has an Intel Quad Core CPU as an embedded controller. The PXIe runs NI Real-Time Linux and NI VeriStand Engine. The resultant application after the Simulink model compilation process was an NI Linux-compatible executable application (“.so” format), which could be managed via an NI VeriStand Real-Time HIL management API.
This kind of approach can be considered an efficient solution in electrical engineering or automated control theory because it focuses on the model workflow and system-based approach, not hard-code writing. Another advantage consists in the fact that the above-mentioned solutions are part of a complex modeling and simulation environment such as Matlab/Simulink. In other words, this kind of approach is a graphical implementation and testing of AI-based embedded control algorithms in a real-time environment on real hardware. The real-time simulation results were recorded in the above-mentioned conditions, and they are represented in Figure 13.
Figure 13.
Real-time simulation results. (a) Speed reversal process from 100 rad/s to −80 rad/s (PLECS model). (b) Speed reversal process from 100 rad/s to −80 rad/s (estimated with ANN). (c) Rotor electrical angular speed provided by the PLECS model of the IM: transition from 100 rad/s to 150 rad/s. (d) Estimated rotor electrical angular speed based on the ANN: transition from 100 rad/s to 150 rad/s. (e) Estimated rotor flux amplitude. (f) Stator current components in the RFO dλr-qλr synchronous reference frame.
Figure 13a,b are obtained for a speed reversal command from 100 rad/s to −80 rad/s, showing a good match between the results provided by the PLECS model and the ANN-based algorithm.
Figure 13c–f present the speed transition from 100 rad/s to 150 rad/s, exhibiting a smooth transition as seen in Figure 13c,d, where the estimated speed plot shows a better match with the set value than the one provided by the PLECS model. The rotor flux shown in Figure 13e is not perturbed by this process, which demonstrates a good performance of the flux control loop. Figure 13f presents the evolution of the RFO stator current components during this transition. The magnetizing component is provided by the flux controller, while the torque-producing one, , is by the speed controller and presents a variation due to the speed-dependent torque profile that was imposed.
The performance parameters of speed estimation using the ANN architecture obtained by HIL simulation are presented in Table 5.
Table 5.
Performance parameters for the ANN-HIL.
The ANN estimator performs reliably and accurately under real-time HIL testing. Settling times, although slightly longer compared to simulation-only results, are acceptable and reflect the added complexity of real-time constraints, showing stable dynamic behavior. The zero overshoot and zero steady-state error, even during a speed reversal, reflect robustness and control stability. The comparative evaluation of speed estimation procedure are presented in Table 6.
Table 6.
Comparative evaluation of speed estimation procedures.
The ANN processes input data in matrix form, whereas the RNN operates on sequences using a cell-based structure with sequential processing, which makes it more computationally demanding. Regarding parameter sensitivity, MRAS performance depends highly on the accuracy of the identified motor parameters and on the speed estimator PI controller settings, while ANN and RNN are both sensitive to hyperparameters and training options. In terms of real-time applicability, the MRAS is relatively simple to implement, the ANN needs moderate hardware resources and the RNN needs hardware acceleration.
To assess the long-term stability of the model and verify that its predictions remain consistent over time, extended HIL simulations were conducted (for the implemented ANN training procedure) for a period of 10 min. The system-maintained stability without any loss of accuracy.
5. Conclusions
This paper proposes an AI-based speed-sensorless vector control strategy for a cage-induction machine using dual-field orientation, validated by model-based simulation in a Matlab/Simulink© environment and HIL simulation based on PLECS RT BOX I and an NI PXIe-1071 Real-Time target computer.
The classical RFO-based control is replaced by DFOC, maintaining RFC for better performance and applying SFO to achieve parameter insensibility regarding the computation of the converter control variable. Through the voltage computation process, the two independent control loops are recoupled by means of the back-e.m.f. (the electro-magnetic cross-effect), with a considerable impact on the controller tuning process. To reduce this impact, a simplified structure is proposed that uses only the flux and speed controllers and eliminates the two current controllers.
Speed-sensorless control structures for the induction motor were successfully developed, including a classical MRAS, as well as ANN- and RNN-based estimators, in accordance with the defined hardware and software configuration. Validation was performed by applying a speed-dependent load-torque profile, covering a wide speed profile, also including demanding conditions such as speed reversal. RNN-based estimation demonstrated the most balanced performance across all tested conditions, making it the most scalable and reliable method overall. MRAS remained the fastest but with slight accuracy issues, while ANN showed good potential if overshoot can be addressed. Real-time HIL simulations conducted for ANN exhibited stable transient behavior and high accuracy.
Future work should focus on investigating the impact of motor parameter variations (particularly rotor resistance and rotor time constant) on the three estimators. For AI-based methods, only limited performance degradation is expected if training is performed across a diverse range of parameter scenarios, whereas the MRAS is anticipated to be more sensitive to rotor parameter mismatches.
To further enhance performance, in the future, an online RNN-based speed estimator may be adopted to continuously adapt to variations in system dynamics, external disturbances, noise measurement and unmodeled nonlinearities such as load changes or thermal effects. This approach allows the model to become increasingly specialized to the real system during operation, eliminating the need for a comprehensive pre-collected dataset prior to deployment. Additionally, the speed controller can be also replaced with AI-based regulators to improve the drive performance in a wide speed range.
Author Contributions
Conceptualization, E.S. and C.S.; methodology, E.S. and C.S.; software, E.S. and L.-N.P.; validation, E.S., C.S. and L.-N.P.; investigation, E.S., C.S. and L.-N.P.; writing—original draft preparation, E.S. and C.S.; writing—review and editing, E.S. and C.S.; visualization, E.S. and C.S.; supervision, E.S.; project administration, E.S. All authors have read and agreed to the published version of the manuscript.
Funding
This research received no external funding.
Institutional Review Board Statement
Not applicable.
Informed Consent Statement
Not applicable.
Data Availability Statement
The raw data supporting the conclusions of this article will be made available by the authors by request.
Acknowledgments
This work was supported by a grant funded by the National Grant Competition-GNaC ARUT 2023, Grant No. 19/01.07.2024.
Conflicts of Interest
The authors declare no conflicts of interest.
References
- Wang, F.; Zhang, Z.; Mei, X.; Rodríguez, J.; Kennel, R. Advanced Control Strategies of Induction Machine: Field Oriented Control, Direct Torque Control and Model Predictive Control. Energies 2018, 11, 120. [Google Scholar] [CrossRef]
- Mon-Nzongo, D.L.; Jin, T.; Ekemb, G.; Bitjoka, L. Decoupling Network of Field-Oriented Control in Variable-Frequency Drives. IEEE Trans. Ind. Electron. 2017, 64, 5746–5750. [Google Scholar] [CrossRef]
- Reddy, B.; Poddar, G.; Muni, B.P. Parameter Estimation and Online Adaptation of Rotor Time Constant for Induction Motor Drive. IEEE Trans. Ind. Appl. 2022, 58, 1416–1428. [Google Scholar] [CrossRef]
- Zhao, F.; Zhang, J.; Wu, D.; Liu, G.; Lang, W.; Wang, P. The Effects of Parameter Variations on the Torque Control of Induction Motor. In Proceedings of the 2020 4th CAA International Conference on Vehicular Control and Intelligence (CVCI), Hangzhou, China, 18–20 December 2020; IEEE: Hangzhou, China, 2020; pp. 757–760. [Google Scholar]
- Tang, J.; Yang, Y.; Blaabjerg, F.; Chen, J.; Diao, L.; Liu, Z. Parameter Identification of Inverter-Fed Induction Motors: A Review. Energies 2018, 11, 2194. [Google Scholar] [CrossRef]
- Zeb, K.; Din, W.U.; Khan, M.A.; Khan, A.; Younas, U.; Busarello, T.D.C.; Kim, H.J. Dynamic Simulations of Adaptive Design Approaches to Control the Speed of an Induction Machine Considering Parameter Uncertainties and External Perturbations. Energies 2018, 11, 2339. [Google Scholar] [CrossRef]
- Ding, C.-W.; Tung, P.-C. A New Approach to Field-Oriented Control That Substantially Improves the Efficiency of an Induction Motor with Speed Control. Appl. Sci. 2025, 15, 4845. [Google Scholar] [CrossRef]
- Luo, Y.-C.; Huang, W.-A. Sensorless Rotor Field Direct Orientation Controlled Induction Motor Drive with Particle Swarm Optimization Algorithm Flux Observer. J. Low Freq. Noise Vib. Act. Control 2019, 38, 692–705. [Google Scholar] [CrossRef]
- Szőke Benk, E.; Imecs, M.; Szabo, C.; Incze, I. Double field oriented sensorless control of cage induction motor. In Proceedings of the 2014 IEEE 15th International Symposium on Computational Intelligence and Informatics (CINTI), Budapest, Hungary, 19–21 November 2014; pp. 403–408. [Google Scholar] [CrossRef]
- Bonet-Jara, J.; Quijano-Lopez, A.; Morinigo-Sotelo, D.; Pons-Llinares, J. Sensorless Speed Estimation for the Diagnosis of Induction Motors via MCSA. Review and Commercial Devices Analysis. Sensors 2021, 21, 5037. [Google Scholar] [CrossRef]
- Elbarbary, Z.M.S.; Al-Harbi, O.K.; Al-Gahtani, S.F.; Irshad, S.M.; Abdelaziz, A.Y.; Mossa, M.A. Review of Speed Estimation Algorithms for Three- Phase Induction Motor. MethodsX 2024, 12, 102546. [Google Scholar] [CrossRef]
- Shyaa, S. Review-Sensorless Techniques for Stabilization Control of Induction Motor Drives. Kerbala J. Eng. Sci. 2024, 4, 87–102. [Google Scholar] [CrossRef]
- Białoń, T.; Pasko, M.; Niestrój, R. Developing Induction Motor State Observers with Increased Robustness. Energies 2020, 13, 5487. [Google Scholar] [CrossRef]
- You, J.; Wu, W.; Wang, Y. An Adaptive Luenberger Observer for Speed-Sensorless Estimation of Induction Machines. In Proceedings of the 2018 Annual American Control Conference (ACC), Milwaukee, WI, USA, 27–29 June 2018; pp. 307–312. [Google Scholar]
- Yildiz, R.; Barut, M.; Demir, R. Extended Kalman Filter Based Estimations for Improving Speed-Sensored Control Performance of Induction Motors. IET Electr. Power Appl. 2020, 14, 2471–2479. [Google Scholar] [CrossRef]
- Miloud, I.; Cauet, S.; Etien, E.; Salameh, J.P.; Ungerer, A. Real-Time Speed Estimation for an Induction Motor: An Automated Tuning of an Extended Kalman Filter Using Voltage–Current Sensors. Sensors 2024, 24, 1744. [Google Scholar] [CrossRef]
- Mansouri, S.A.; Ahmarinejad, A.; Javadi, M.S.; Heidari, R.; Catalão, J.P.S. Improved Double-Surface Sliding Mode Observer for Flux and Speed Estimation of Induction Motors. IET Electr. Power Appl. 2020, 14, 1002–1010. [Google Scholar] [CrossRef]
- Khan, U.; Sami, I.; Salman, K.; Khan, B.; Mehmood, C.A.; ALI, S.M. Sliding Mode Based Speed Observer Design for Speed Control of Five Phase Induction Motor. In Proceedings of the 2019 International Conference on Robotics and Automation in Industry (ICRAI), Rawalpindi, Pakistan, 21–22 October 2019; pp. 1–6. [Google Scholar]
- Hamdi, W.; Hammoudi, M.Y.; Betka, A. Sensorless Speed Control of Induction Motor Using Model Reference Adaptive System and Deadbeat Regulator. Eng. Proc. 2023, 56, 16. [Google Scholar] [CrossRef]
- Karlovský, P.; Lettl, J. Application of MRAS Algorithm to Replace the Speed Sensor in Induction Motor Drive System. Procedia Eng. 2017, 192, 421–426. [Google Scholar] [CrossRef]
- Damkhi, S.; Said, M.S.N.; Said, N.N. Speed Estimation of Induction Motor at Low and Zero Speed Using High Frequency Signal Injection for Rotor Slot Harmonics Detection. RE PQJ 2018, 16, 782–788. [Google Scholar] [CrossRef]
- Laadjal, K.; Bento, F.; Antunes, H.R.P.; Sahraoui, M.; Cardoso, A.J.M. Speed Estimation of Six-Phase Induction Motors, Using the Rotor Slot Harmonics. Sensors 2022, 22, 8157. [Google Scholar] [CrossRef]
- Diarra, M.N.; Zhao, X.; Wu, X.; Nketsiah, I.A.; Li, Y.; Zhao, H. Induction Motors Speed Estimation by Rotor Slot Harmonics Frequency Using Zoom Improved Chirp-Z Transform Algorithm. Energies 2022, 15, 7877. [Google Scholar] [CrossRef]
- Golsorkhi, M.S.; Binandeh, H.; Savaghebi, M. Online Efficiency Optimization and Speed Sensorless Control of Single-Phase Induction Motors. Appl. Sci. 2021, 11, 8863. [Google Scholar] [CrossRef]
- Diab, A.A.Z.; Elsawy, M.A.; Denis, K.A.; Alkhalaf, S.; Ali, Z.M. Artificial Neural Based Speed and Flux Estimators for Induction Machine Drives with Matlab/Simulink. Mathematics 2022, 10, 1348. [Google Scholar] [CrossRef]
- Ramdani, D.R. Sensorless Speed Estimation of Induction Motor Using ANFIS. J. Inf. Syst. Eng. Manag. 2025, 10, 557–571. [Google Scholar] [CrossRef]
- Lai, Y.-S. Machine Modeling and Universal Controller for Vector-Controlled Induction Motor Drives. IEEE Trans. Energy Convers. 2003, 18, 23–32. [Google Scholar] [CrossRef]
- Ahire, H.; Karuppasamy, I. Sensor-Less Speed Estimation Using Improved Stator Current Model Reference Adaptive System for Induction Motor. In Proceedings of the 2023 IEEE 20th India Council International Conference (INDICON), Warangal, India, 14–17 December 2023; pp. 572–577. [Google Scholar]
- Fan, B.; Yang, Z.-X.; Wang, X.-B.; Song, L.; Song, S.-Z. Model Reference Adaptive Vector Control for Induction Motor without Speed Sensor. Adv. Mech. Eng. 2017, 9, 1687814016683086. [Google Scholar] [CrossRef]
- Zorgani, Y.A.; Jouili, M.; Koubaa, Y.; Boussak, M. A Very-Low-Speed Sensorless Control Induction Motor Drive with Online Rotor Resistance Tuning by Using MRAS Scheme. Power Electron. Drives 2019, 4, 125–140. [Google Scholar] [CrossRef]
- Norambuena, M.; Galvez, D. Model Free Artificial Neural Network for an Induction Machine. In Proceedings of the 2023 IEEE Conference on Power Electronics and Renewable Energy (CPERE), Luxor, Egypt, 15–17 February 2023; IEEE: Luxor, Egypt, 2023; pp. 1–6. [Google Scholar]
- Elgohary, M.; Gouda, E.; Eskander, S.S. Intelligent Control of Induction Motor without Speed Sensor. IJPEDS 2021, 12, 715. [Google Scholar] [CrossRef]
- Purwahyudi, B. RNN Based Rotor Flux and Speed Estimation of Induction Motor. Int. J. Power Electron. Drive Syst. (IJPEDS) 2011, 1, 58–64. [Google Scholar] [CrossRef]
- Marinov, E.Y.; Zhekov, Z.S. Neural Sensorless Control of Induction Motor. In Proceedings of the Second International Scientific Conference “Intelligent Information Technologies for Industry” (IITI’17), Varna, Bulgaria, 14–16 September 2017; Abraham, A., Kovalev, S., Tarassov, V., Snasel, V., Vasileva, M., Sukhanov, A., Eds.; Advances in Intelligent Systems and Computing. Springer International Publishing: Cham, Germany, 2018; Volume 679, pp. 411–418, ISBN 978-3-319-68320-1. [Google Scholar]
- Merabet, A.; Kanukollu, S.; Al-Durra, A.; El-Saadany, E.F. Adaptive Recurrent Neural Network for Uncertainties Estimation in Feedback Control System. J. Autom. Intell. 2023, 2, 119–129. [Google Scholar] [CrossRef]
- Pintilie, L.-N.; Teodosescu, P.-D.; Hedeșiu, H.-C.; Gros, I.-C.; Suciu, V.-M.; Iuoraş, A.-M. Real-Time Hardware in the Loop Simulation Setup for Automotive Grid Interfacing System Based on PLECS RT BOX and National Instruments PXI. In Proceedings of the 2024 IEEE International Conference on Electrical Systems for Aircraft, Railway, Ship Propulsion and Road Vehicles & International Transportation Electrification Conference (ESARS-ITEC), Naples, Italy, 26–29 November 2024; pp. 1–7. [Google Scholar]
- RT Box 1 Plexim. Available online: https://www.plexim.com/products/rt_box/rt_box_1 (accessed on 30 June 2025).
- PXIe-1071 Specifications-NI. Available online: https://www.ni.com/docs (accessed on 30 June 2025).
Disclaimer/Publisher’s Note: The statements, opinions and data contained in all publications are solely those of the individual author(s) and contributor(s) and not of MDPI and/or the editor(s). MDPI and/or the editor(s) disclaim responsibility for any injury to people or property resulting from any ideas, methods, instructions or products referred to in the content. |
© 2025 by the authors. Licensee MDPI, Basel, Switzerland. This article is an open access article distributed under the terms and conditions of the Creative Commons Attribution (CC BY) license (https://creativecommons.org/licenses/by/4.0/).