You are currently viewing a new version of our website. To view the old version click .
Applied Sciences
  • Article
  • Open Access

30 June 2025

Real-Time Model Predictive Control for Two-Level Voltage Source Inverters with Optimized Switching Frequency

,
,
,
,
,
and
1
Faculty of Economics and Business, Universidad de Talca, Av. Lircay S/N, Talca 3460000, Chile
2
Institute of Engineering Sciences, Universidad de O’Higgins, Av. Libertador Gral. Bernardo O’Higgins 611 , Rancagua 2841959, Chile
3
Power Electronics, Machines and Control (PEMC) Research Institute, Department of Electrical and Electronic Engineering, Faculty of Engineering, University of Nottingham, 15 Triumph Rd, Lenton, Nottingham NG7 2GT, UK
4
Laboratorio de Conversión de Energías y Electrónica de Potencia (LCEEP), Vicerrectoría Académica, Universidad de Talca, Merced 437, Curicó 3341717, Chile
This article belongs to the Special Issue New Trends in Grid-Forming Inverters for the Power Grid

Abstract

The increasing integration of renewable energy, electric vehicles, and industrial applications demands efficient power converter control strategies that reduce switching losses while maintaining high waveform quality. This paper presents a Finite-Control-Set Model Predictive Control (FCS-MPC) strategy for three-phase, two-level voltage source inverters (VSIs), incorporating a secondary objective for switching frequency minimization. Unlike conventional MPC approaches, the proposed method optimally balances control performance and efficiency trade-offs by adjusting the weighting factor ( λ m i n ). Real-time implementation using the OPAL-RT platform validates the effectiveness of the approach under both linear and non-linear load conditions. Results demonstrate a significant reduction in switching losses, accompanied by improved waveform tracking; however, trade-offs in distortion are observed under non-linear load scenarios. These findings provide insights into the practical implementation of real-time predictive control strategies for high-performance power converters.

1. Introduction

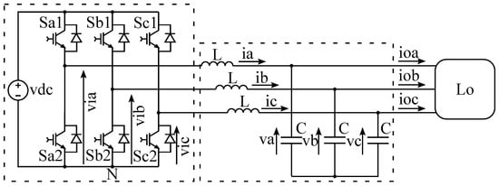
Significant advances in power electronics technology have facilitated the rapid proliferation of renewable energy sources [1,2]. Among the power converter topologies, the three-phase, two-level voltage source inverter (2L-VSI) is widely used in various industrial applications, including variable-speed drives [3], active power filters [4,5], distributed power systems, and conversion systems based on renewable energy [6,7]. The three-phase 2L-VSI consists of six switching devices, as shown in Figure 1. Although this particular converter topology is well regarded for its reliability and ease of control, it is vulnerable to different stresses that can lead to component failures and ultimately shorten its overall lifespan [8]. To address the increasing global demand for energy, particularly in microgrid and rural electrification applications, advanced converter topologies are continuously being developed. Among these, multilevel converters are gaining prominence due to their significant advantages, including reduced harmonic distortion, lower power losses, and decreased voltage stress on semiconductor switches, making them an excellent choice for low-, medium-, and high-power applications [9].
Figure 1. Topology of the three-phase, two-level VSI connected through an L C filter to an isolated R L load.
Thermal stress significantly contributes to the failure of power components. Therefore, the effective management of power losses is a critical design consideration for ensuring converter reliability and efficiency [9]. The increase in heat from higher losses reduces the lifespan of power semiconductors and decreases the efficiency of the power converter [10,11]. During operation, forced commutation of power transistors causes power and heat losses, including conduction and switching losses for switches and free-wheeling diodes [8].
Reducing power loss in converters is crucial for minimizing thermal stress and improving efficiency, which, in turn, extends operational life [12]. Research on three-phase voltage source inverters (VSIs) focuses on high energy efficiency to make systems more viable and reduce energy loss [13]. Using high-quality components can enhance VSI reliability but may increase costs. The bulk and weight of heat sinks are also design challenges within inverter topologies [14]. Users of three-phase 2L-VSIs cannot reduce static losses, as these are fixed during manufacturing [15]. However, switching losses can be reduced by optimizing the switching frequency [16]. Soft switching techniques and advanced gate drivers can add complexity and affect reliability. Modulation techniques can alter commutation within the fundamental period of the output current, while switching frequency adjustments can modify the switching time intervals [8]. The challenge of variable switching frequency in conventional FCS-MPC, leading to a spread harmonic spectrum, is a significant concern [17,18]. This variability not only complicates the design of filters—particularly L C L filters, where resonance excitation is a risk [17,18,19]—but also raises concerns about power loss, thermal profiles of semiconductor devices [20], and overall system reliability. Indeed, a variable switching frequency can make the design of filter components particularly challenging [21], and the resultant non-discrete harmonic spectrum may not comply with stringent grid code requirements for grid-tied converters [22]. Furthermore, conventional FCS-MPC and low-complexity MPC (LC-MPC) can cause a variable switching frequency and require a high sampling frequency [23]. To address these concerns, various schemes have been proposed, such as those employing virtual voltage vectors generated by two adjacent effective vectors to decrease control error while maintaining a constant switching frequency [23]. The inherent characteristic of FCS-MPC to directly select switching states without an external modulator often results in an unfixed switching frequency, a common drawback [24]. This random spectrum of output current distributed over a wide range makes the design of converter output filters quite difficult. It can be fatal for applications with limited space, such as traction drives [24]. The issue of variable switching frequency in FCS-MPC is particularly problematic for high-frequency power converters based on wide-bandgap devices, as increasing the sampling rate to achieve a high switching frequency is not always practical due to computational burden [25,26].
Model predictive control (MPC) is a control methodology that has gained significant popularity in the field of power electronic converters due to its simplicity, adaptability, and powerful features [27,28]. It effectively integrates constraints and handles non-linearities while providing a fast dynamic response by using a mathematical model for forecasting and a cost function for selecting optimal switching states [29].
MPC is an optimal control method based on numerical optimization, enabling simple design and implementation. It efficiently handles large systems with many control variables, including MIMO systems with input–output interactions [30]. Despite needing more calculations than traditional methods, advances in microprocessors support its use [30]. For electric vehicle applications, typically using digital systems, a sampled MPC approach is favored [30].
Specifically, this paper focuses on Finite-Control-Set Model Predictive Control (FCS-MPC), a class of MPC that takes advantage of the intrinsically discrete nature of power converters [31]. The core principle of FCS-MPC involves three key elements: a discrete-time model of the system, the finite number of possible switching states of the converter, and a cost function [28]. At each sampling interval, the controller uses the system model to predict the future behavior of the relevant variables (such as currents or voltages) for every possible switching state available in the converter’s finite set. For a two-level VSI, this corresponds to eight distinct switching states. Each prediction is then evaluated by a cost function, which quantifies the error between the predicted variable and its desired reference value. The switching state that minimizes this cost function is then selected and applied directly to the converter in the subsequent sampling period, a process that is repeated at every cycle [32].
The benefits of MPC include its fast transient response, the ease with which it can handle non-linearities, and the ability to manage multivariable control objectives within a single control loop [27,33]. Multiple control objectives, such as output current tracking, voltage regulation, and reductions in switching commutations, can be systematically achieved by including the corresponding weighted terms in the cost function [34].
However, a well-known drawback of the conventional FCS-MPC strategy is that by selecting only one optimal voltage vector for the entire duration of the sampling interval, it inherently operates at a variable switching frequency [23]. This variability leads to a wide-band harmonic spectrum in output voltage and current, which can complicate the design of output filters and may pose the risk of exciting resonances in the system, particularly in converters with L C L filters [17,19]. An MPC method to reduce switching losses forecasts losses for each switching state and incorporates these predictions into the objective function [35]. The ability of FCS-MPC to handle multiple control objectives in a single computational stage by solving a multicriterion optimization in real time is a key advantage [36]. Although FCS-MPC offers the potential to optimize switching power losses by directly manipulating semiconductor switching states [19], its conventional form directly generates switching signals without a dedicated modulation stage. This leads to a variable switching frequency and a spread current harmonic spectrum, which can be undesirable [36,37], particularly for applications that require a clean and predictable harmonic profile and a simplified filter design [21,22].
Another critical issue in inverter-driven systems is the generation of common-mode voltage (CMV), defined as the voltage difference between the neutral point of the stator and the midpoint of the DC bus. This CMV can induce bearing currents in AC motors, leading to potential damage and increased common-mode currents, which, in turn, cause electromagnetic interference (EMI) [38]. Several modulation strategies aim to reduce or eliminate CMV. For instance, in three-level neutral-point clamped (3L-NPC) inverters, specific modulation schemes can select voltage vectors that generate zero CMV, but this often comes at the cost of reduced DC-bus utilization and increased voltage harmonic distortion [38]. An alternative is the use of active common-mode elimination (ACME) methods, which employ an external power circuit, such as a common-mode transformer with an H bridge, to inject a compensating voltage. This approach can eliminate CMV without compromising DC bus utilization or increasing distortion [38].
Several strategies have been proposed to achieve a fixed switching frequency in FCS-MPC, aiming to combine the fast dynamic response of MPC with the predictable harmonic spectrum of the modulator-based scheme, thereby addressing the drawbacks of a variable switching frequency [21,22]. Another approach involves incorporating an implicit modulator in which the switching patterns mimic those of carrier-based PWM (CB-PWM) or space vector modulation (SVM), with optimal switching instants determined by solving an optimization problem [37]. For example, Yang et al. [37] proposed direct model predictive control (MPC) with an implicit modulator that utilizes the gradient of the system output, thereby formulating the problem as a constrained quadratic program (QP) to ensure a fixed switching frequency and zero current ripple at discrete time instants. Tomlinson et al. [39] presented an alternative FCS-MPC scheme that uses the analogy of a PWM carrier to construct a concatenated sequence of prediction regions, limiting switching choices to predetermined sequences to achieve a fixed switching frequency and enable a higher sampling rate over long prediction horizons. Another technique involves selecting an optimal set of precalculated and stored concatenated voltage vectors, which are applied at optimal switching times computed by solving an optimization problem, thereby achieving a fixed switching frequency and concentrated current harmonic spectra [40]. Ramírez et al. [17] proposed a hybrid FCS-MPC that uses a linear controller with integral action to impose a PWM switching pattern through an input restriction in the FCS-MPC cost function, achieving zero steady-state error and a well-defined harmonic spectrum. Similarly, Wang et al. [18] introduced an optimal switching time-modulated model predictive control (OST-M2PC) in which optimal switching times are calculated using a cost function, resulting in a fixed switching frequency and improved power quality compared to conventional FCS-MPC. These fixed-switching-frequency schemes aim to produce a discrete output harmonic spectrum, often with harmonics concentrated at predictable multiples of the fundamental or switching frequency [36,37], which is crucial for meeting grid codes and simplifying filter design [21,22]. The concept of an optimal switching sequence (OSS) has been introduced to multivector MPC schemes to reduce output ripples further and achieve a constant switching frequency [20,21,40,41]. Essentially, the OSS provides an optimal method for selecting the vector-switching sequence to be applied [20]. Vazquez et al. (2016) extended the OSS concept to control single-phase NPC converters, demonstrating fixed switching behavior and fast dynamic response [40]. Zheng et al. proposed an improved MPVC with an OSS for LC-filtered VSIs, defining an improved vector-switching sequence to reduce output-voltage ripple with a constant switching frequency and tackling the difficulty of extending the OSS to higher-order systems using a “one-step estimation” solution [42]. For multilevel inverters, such as the three-level T-type inverter, FCS-MPC with a constant switching frequency can be achieved by extending period control techniques, which measure the periods between the rising and falling edges of gate signals [24]. The Period Control Approach (PCA) for FCS-MPC, introduced by Aguirre et al. [43], specifically aims to regulate the switching frequency by controlling the switching period directly within the cost function. This method has proven effective in achieving a regular commutation pattern similar to PWM, with a well-defined spectrum, while significantly reducing the computational burden and maintaining the decoupling of control objectives [43]. Further extensions of PCA-FCS-MPC have addressed more complex scenarios, such as achieving precise switching-phase regulation for interleaved DC-DC power converters, thereby enabling the benefits of phase shifting (e.g., ripple cancellation) while retaining the advantages of FCS-MPC [44]. Monfared et al. proposed an OSS-MPC for a three-phase, four-level nested neutral point-clamped (4L-NNPC) inverter, where switching sequences are configured to limit peak CMV and the balance of the flying capacitor voltages is realized by involving time in the optimization process [41]. Multirate FCS-MPC (MRFCS-MPC) has also been proposed, where the control frequency can be higher than the sampling frequency, allowing for a significantly increased switching frequency without changing the sampling frequency. This is achieved by using a lifting model to predict fast-rate information [25]. A more recent development, multirate MPC (MR-MPC), builds on conventional CCS-MPC, solving for a high-dimensional control sequence within each interrupt interval, offering a more optimized control input and higher computational efficiency than its MRFCS-MPC counterpart [26], effectively decoupling the achievable switching frequency from the sampling/interrupt frequency and thereby relieving the computational burden on digital signal processors. Zhou et al. developed a variable-frequency critical-soft-switching (VF-CSS) MPC method, combining MPC with VF-CSS to ensure complete critical soft-switching operation over a varying frequency range, improving efficiency [45]. This Variable-Switching, Constant-Sampling frequency (VSCS) MPC method typically involves a frequency controller to maintain critical soft switching by adjusting the switching frequency based on boundary conditions (while keeping the sampling frequency constant) and an MPC controller to track objectives and ensure soft switching during dynamics [45]. Zhang et al. proposed a multimode hybrid-vector MPC strategy, extending the last voltage vector of the previous control period to the present period, including two or three voltage vectors per control period to improve steady-state performance at lower switching frequencies [46].
According to [47], the cost functions in two-level VSIs aim to minimize the switching frequency, reduce the harmonic content, and impose constraints to keep electrical variables within limits. This prevents operational failures from overcurrents during transients, as seen in induction machines [48], and can replace saturators in cascade control. Constraints also affect broader transient behavior [8]. Performance constraints can be integrated into the cost function, relating the control effort to current and voltage variations, and the switching frequency or losses [49,50]. An additional term, weighted as noted in λ , is then added to connect to the main control objective. As shown in [47], increasing the weighting factor ( λ ) reduces the switch count but increases current distortion, aligning with the primary control objective of the cost function. Similarly, to minimize the switching frequency to optimize power converter performance, fewer commutations are needed. This can be achieved by adding a term to the cost function (g) that specifies the allowable switch transitions between states S ( k ) and S ( k 1 ) . This term, combined with other control goals via a weighting factor, is detailed in Equation (12) of [47]. As before, a higher weighting factor negatively affects the controller’s primary control goal, as noted in [47]. Inclusion of terms in the cost function to penalize the switching effort or the number of commutations is a common strategy to reduce the average switching frequency [17,19,51]. This term typically quantifies the number of commutations between the previous applied state and the candidate state being evaluated [19]. Although increasing the weighting factor for this term can effectively reduce the average switching frequency and associated losses, it often introduces a trade-off, potentially degrading current tracking performance and increasing harmonic distortion [19,36]. Another approach, Model Predictive Direct Current Control (MPDCC), distinguishes between transient and steady-state operation; in steady-state operation, it optimizes VSI switching behavior to reduce switching frequency, potentially by up to 70%, by selecting voltage vectors using a graph algorithm and an optimization criterion that prioritizes minimal state changes when the current error is small [52]. Furthermore, simply penalizing switching transitions may not guarantee a strictly fixed switching frequency or a clean harmonic spectrum [17,19,37].
However, simply penalizing switching transitions may not guarantee a strictly fixed switching frequency or a clean harmonic spectrum and often involves a trade-off with current ripple or tracking accuracy [17,37].
Most academic literature on adding terms to the cost function in model predictive control (MPC) and using weighting factors for control objectives relies on simulations and experiments [53]. This paper emphasizes that before experimenting with technologies like power converters with control strategies, it is crucial to simulate both the plant and controller. Achieving realistic results requires real-time simulation, which is vital for research in power electronics and control systems. The OPAL-RT real-time simulator (RTS) serves as a key tool for experimental platforms in power systems due to its high-fidelity modeling, simulation, and hardware-in-the-loop (HIL) capabilities [54]. OPAL-RT RTS integrates MATLAB/Simulink for modeling and algorithm application, offers various I/O extension capabilities, and supports complex algorithms [55].
An essential finding of this study is evidence that an FCS-MPC strategy incorporating an explicit objective to minimize the switching frequency demonstrates superior performance compared to the operation of a conventional fixed-frequency controller at a lower frequency. Although operating at a low fixed switching frequency can reduce losses, it typically compromises dynamic response and results in a static trade-off between efficiency and waveform quality. In contrast, the proposed MPC controller achieves a low average switching frequency by systematically penalizing commutations within the cost function at each sampling interval [56]. This approach prevents unnecessary switching during steady-state conditions while maintaining the inherent capability of MPC to react rapidly during transients to correct errors, thereby preserving a rapid dynamic response. This study confirms, through the use of a real-time platform, that this optimized state-dependent control methodology provides a more effective and adaptable balance between switching losses and control performance than traditional fixed-frequency techniques.
This paper evaluates the performance of finite-control-set model predictive control (FCS-MPC) strategies in scenarios with and without constraints, like switching frequency minimization. By combining traditional FCS-MPC with an enhanced version that incorporates a term into the cost function (g), this study examines the effects on a three-phase, two-level voltage source inverter (VSI). The main goal is to control the AC voltage across the capacitor in the L C filter and assess how switching frequency minimization affects load current and capacitor voltage control. This analysis provides essential insights into the trade-offs and synergies associated with improved control in power converters.
This study highlights the transformative power of real-time tools on the OPAL-RT platform to enhance predictive control strategies. The objective of this work is to redefine FCS-MPC applications, providing practical solutions for high-performance power conversion in modern energy systems. Thus, this paper bridges the gap between theoretical advancements in finite-control-set model predictive control (FCS-MPC) and practical implementation by minimizing switching frequency in the cost function. The approach is validated through real-time experiments on the OPAL-RT platform, effectively reducing switching losses and providing insights into FCS-MPC behavior under non-linear loads. This strategy is robust and practical for high-performance power converters in industrial applications.
The remainder of this paper is organized as follows. Section 2 presents the mathematical model of the plant, including the two-level, three-phase voltage source inverter with an  L C filter; the load; and the essential equations for the prediction controller of the finite-control-set model predictive control. Section 3 discusses the developed FCS-MPC techniques and their real-time results. Section 5 concludes with the main findings and key points of the study.

2. Model of the Voltage Source Inverter

The system under investigation is illustrated in Figure 1, while diagrams depicting the loads are provided in Figure 2. The configuration relates to a three-phase, two-level voltage source inverter (VSI) that incorporates an L C filter that supplies the isolated load.
Figure 2. Diagrams of the implemented loads for the real-time tests.
To assess the efficacy of the control schemes within the scope of real-time results, a non-linear load was considered. This configuration comprises a three-phase rectifier connected in parallel with a capacitance ( C N L ) and a resistance ( R N L ), as shown in Figure 2. Furthermore, the linear load, depicted in Figure 2, is made up of a three-phase load ( R L ).
Then, considering the operator ( a = e j 2 π / 3 ), the currents and voltages shown in Figure 1 can be articulated within the α β reference frame in vectorial format as follows:
i f = 2 3 i f a + a i f b + a 2 i f c
v c = 2 3 v c a + a v c b + a 2 v c c
i o = 2 3 i o a + a i o b + a 2 i o c
v i = 2 3 v a N + a v b N + a 2 v c N
where v i denotes the voltage vector produced by the switching states of the converter. Applying Kirchhoff’s law, the system’s dynamics can be described as follows.
L d i f d t = v i v c
C d v c d t = i f i o
Table 1 presents the eight possible switching states of the converter. Furthermore, states S a 1 , S b 1 , and S c 1 can be expressed as α β components in vector notation.
S = 2 3 ( S a 1 + a S b 1 + a 2 S c 1 )
Table 1. Available switching states of the two-level, three-phase VSI.
The voltage vector ( v i ), as indicated in Figure 3, is defined by Equation (8) using Equations (4) and (7).
v i = S × V d c
Figure 3. Possible voltage vectors of the two-level, three-phase VSI ( v i ).
Equations (5) and (6) are currently expressed in continuous time and need to be converted into discrete time for application in FCS-MPC. Using the discrete derivative defined over the interval of T s , the following formulations can be established:
i f ( k + 1 ) = i f ( k ) + T s L f v i ( k ) v c ( k )
v c ( k + 1 ) = v c ( k ) + T s C f i f ( k ) i o ( k )
It can be considered feasible to assume that i o ( k ) is approximately equivalent to i o ( k 1 ) due to the minimal variations in behavior, as indicated by [57]. Using Equation (10), the load current value can be estimated, thereby obviating the need for direct measurements. The expression below delineates the value of i o ( k ) employed within this model.
i o ( k ) i o ( k 1 ) = i f ( k 1 ) C f T S ( v c ( k ) v c ( k 1 ) )

3. Real-Time Implementation of FCS-MPC Techniques

This section examines two control approaches within the domain of predictive control, offering a comparative analysis and subsequent detailed descriptions of each. The control approaches are FCS-MPC with variable-switching-frequency operation and FCS-MPC with variable-switching-frequency operation and switching-frequency minimization.

3.1. FCS-MPC: Variable-Switching-Frequency Operation

The FCS-MPC in this section is shown in Figure 4. Voltage and current measurements from the L C filter establish predictions with a horizon of N = 1 , determining current and voltage at instant k + 1 . A delay compensation mechanism enhances controller performance to counteract delays in measurement and calculation.
Figure 4. Block diagram of the classic FCS-MPC scheme for voltage control of the three-phase 2L-VSI with delay compensation.
The state vector of the power converter in the current period is used to predict voltage and current variables for period k + 1 . All potential states are then evaluated for a forecast in period k + 2 , reducing computational load. Values are checked using all state combinations ( S a 1 S c 2 ). Figure 4 shows the block diagram of the FCS-MPC for simulations.
The cost function (g) represented in Equation (12) is used to minimize the error between the predicted capacitor voltage ( v c ( k + 2 ) ) and the reference of the capacitor voltage ( v c * ) in the reference frame α β .
g = ( v c α * v c α ( k + 2 ) ) 2 + ( v c β * v c β ( k + 2 ) ) 2
v c α * and v c β * are the reference values for the voltage of the capacitor in the α β reference frame, and v c α ( k + 2 ) and v c β ( k + 2 ) are the predicted values for the voltage of the capacitor in the time period of k + 2 in the reference frame ( α β ).
The necessary steps to implement control of the three-phase, two-level VSI, with a primary focus on maintaining the voltage across the capacitor ( v c ) of the L C filter, are clearly depicted in Figure 4 and detailed here:
1.
Obtain measurements of the values for time instant k of the current in the filter ( i f ) and the voltage in the capacitor ( v c ).
2.
Make predictions for the value of the output voltage and current in the filter for time instant k + 1 considering the voltage that the converter applies in the current period.
3.
Make predictions of the voltage ( v c ) for time instant k + 2 for all possible combinations that the converter can generate, using the values calculated at the previous point.
4.
Select the state vector that minimizes the cost function (g).
5.
Apply the states found from the minimization of the cost function.
6.
Wait for the start of the next sampling time and repeat.

3.2. FCS-MPC: Variable Switching Frequency Operation with Switching Frequency Minimization

Power converters rely on semiconductor devices as key design components. The type, quality, and control techniques of these semiconductors greatly impact the converter’s efficiency. In coordinating the 2L-VSI, semiconductors are expected to function like ideal switches, a condition easily tested with electrical simulation software. This helps designers minimize analysis variables.
However, in practice, semiconductors have inherent characteristics, such as switching losses from energy transfer in the linear region of the semiconductor device during state transitions [8]. In some applications, minimizing the switching frequency of semiconductor devices reduces energy loss and prevents overheating in power converters. Uncontrolled heat can cause premature wear and damage [58]. The above necessity gives space for the integration of new control objectives that can be combined with the main ones. This is realized by adding new terms to the cost function to minimize [34,47]. This need drives modern power converter design, which involves the development of PWM strategies to control the output while reducing THD and switching losses, often by maintaining a low switching frequency without sacrificing performance [9].
Then, to the cost function established in Equation (12), the added term is given by the following expression given in Equation (13):
F m = ( S a 1 ( k ) S a 1 ( k 1 ) ) 2 + ( S b 1 ( k ) S b 1 ( k 1 ) ) 2 + ( S c 1 ( k ) S c 1 ( k 1 ) ) 2
which expresses the number of commutations to be performed between the previous applied state ( S ( k 1 ) ) and the current state ( S ( k ) ) that the algorithm is evaluating.
However, it is necessary to add that for this study, the horizon used is N = 1 with delay compensation, resulting in the following expression based on Equation (13):
F m i n = ( S a 1 ( k + 2 ) S a 1 ( k + 1 ) ) 2 + ( S b 1 ( k + 2 ) S b 1 ( k + 1 ) ) 2 + ( S c 1 ( k + 2 ) S c 1 ( k + 1 ) ) 2
Thus, integrating the F m i n term into the original cost function from Equation (12) to minimize switching, the g m i n expression shown in Equation (15) is found.
g m i n = ( v c α * v c α ( k + 2 ) ) 2 + ( v c β * v c β ( k + 2 ) ) 2 + λ m i n × F m i n
In Equation (15), the F m i n term can be introduced as a weighted sum using the weighting factor ( λ m i n ), whose value can be modified to generate a greater or lesser influence on the control action of the predictive algorithm applied to the three-phase, two-level VSI [47].
This weighting factor ( λ m i n ) affects the cost function evaluated by the predictive control algorithm, depending on the value that λ m i n takes. If its value is higher, there is a point where the main control objective, i.e., the capacitor voltage ( v c ), is distorted beyond acceptable values.
The procedure for implementing control of the three-phase, two-level VSI is primarily focused on maintaining the voltage across the capacitor ( v c ) of the L C filter. In addition, it aims to minimize the commutations of transistors in the power converter as a secondary objective. These steps are clearly illustrated in Figure 4. However, instead of minimizing the cost function (g) as described in Equation (12), the focus shifts to the cost function ( g m i n ) specified in Equation (15).
In this study, the parameter value referenced in λ m i n varied between 0, 0.5, 1.5, and 2. To obtain the waveforms of the control schemes, real-time analyses were implemented using the OPAL-RT platform.

3.3. Implementation of the Real-Time Study

The analysis of the predictive control schemes of the three-phase, two-level VSI feeding an isolated linear and non-linear load (both shown in Figure 2) was designed in MATLAB/Simulink 2021a, and the performance and waveforms were tested with the aid of RT simulation using OPAL OP5600 and RT-LAB 2022.1 software, as shown in Figure 5. The parameters of the system are detailed in Table 2, and the analysis was conducted with a sampling frequency of 20 kHz, in addition to other sampling frequencies specified for each respective case.
Figure 5. Real-time implementation concept.
Table 2. System parameters.
Real-time experimentation in this study was conducted using the OPAL-RT OP5600 simulation platform. This state-of-the-art apparatus, located in the FlexElec Laboratory within the Energy Technologies Building at the University of Nottingham, provides a robust environment for advanced power electronics research. The complete test configuration, including the real-time setup, is illustrated in Figure 6.
Figure 6. View of the real-time setup: (1): OPAL-RT OP5600, (2): host computer.
In the real-time implementation and validation of the proposed control strategies, it is assumed that the power semiconductors of the two-level voltage source inverter (2L-VSI) function as ideal switches. This assumption simplifies the mathematical model of the converter by disregarding non-linearities such as switching losses, conduction voltage drops, and dead-time effects. This study aims primarily to validate the performance and logic of the predictive control algorithm itself rather than to examine the performance variations associated with specific semiconductor technologies such as IGBT or SiC-MOSFET.
The parameters for the simulations performed in real time are shown in Table 2.

4. Results and Discussion

In this section, the obtained results are shown. In addition, a discussion of each result is included.

4.1. FCS-MPC: Variable-Switching-Frequency Operation

4.1.1. Real-Time Results with Step Change in the Amplitude of the Capacitor Voltage Reference

For this case, a step change in the amplitude of the capacitor voltage reference to be tracked by the predictive control algorithm was applied. The step change ranged from 60 [V] RMS to 80 [V] RMS. The waveforms for capacitor voltages using linear and non-linear loads are shown in Figure 7a and Figure 7b, respectively.
Figure 7. Real-time results of FCS-MPC variable-frequency operation with steps in voltage references. (a) Linear load: capacitor voltages; (b) non-linear load: capacitor voltages; (c) linear load: load current; (d) non-linear load: load current.
Thus, it can be seen that the capacitor voltage waveforms obtained for both loads correctly follow the voltage reference imposed on the control algorithm.
In addition, the waveforms obtained for the load current ( i a ) for the cases of linear and non-linear loads are shown in Figure 7c and Figure 7d, respectively.
As for the waveforms obtained for the capacitor voltages, when faced with a step change in the amplitude of the capacitor voltage reference, the system delivers more current to the isolated load.

4.1.2. Real-Time Results with Step Change in the Frequency of the Capacitor Voltage Reference

For this case, a step change in the frequency reference of the capacitor voltage to be tracked by the predictive control algorithm was applied. The step change in the frequency for the capacitor voltage reference ranged from 50 to 80 Hz. The waveforms for capacitor voltages using linear and non-linear loads are shown in Figure 8a and Figure 8b, respectively.
Figure 8. Real-time results of FCS-MPC variable-frequency operation with steps in frequency reference. (a) Linear load: capacitor voltages; (b) non-linear load: capacitor voltages; (c) linear load: load current; (d) non-linear load: load current.
It can be seen that the waveforms obtained for the capacitor voltage with both loads properly follow the reference voltage imposed by the frequency of the control algorithm.
In addition, the waveforms obtained for the load current ( i a ) for the cases of linear and non-linear loads are shown in Figure 8c and Figure 8d, respectively.
As for the waveforms obtained for the capacitor voltages, when faced with a step change in the frequency voltage reference, the system delivers currents to the isolated load, tracking the frequency imposed on the controller.

4.1.3. THD for Capacitor Voltage with Different Sampling Frequencies

In this paper, real-time results of the FCS-MPC with variable switching frequency were obtained at various sampling rates to identify the optimal outcomes of the predictive controller implemented within the two-level, three-phase voltage source inverter.
This investigation aimed, among other things, to empirically determine the optimal operational sampling rate for the control scheme, taking into account the equipment available at the facility.
To determine the total harmonic distortion (THD) pertinent to the primary control objective, measurements of the voltage across the capacitor within the L C filter were conducted. The findings are detailed in Table A1 in Appendix A.
As indicated in Table A1 from Appendix A, the Total Harmonic Distortion (THD) values for sampling rates of 10 and 11.5 kHz are excessively high, ranging between 11.37% and 24.73%. In contrast, for sampling rates between 20 and 200 kHz, the THD values are significantly more acceptable. This performance improvement is attributed to the improved capability of the established controller to accurately track both the amplitude and frequency reference values for the capacitor voltage. The THD values corresponding to sampling rates ranging from 20 to 200 kHz are illustrated in the graph shown in Figure 9.
Figure 9. THD for capacitor voltage for predictive voltage control with different sampling frequencies.
It is important to clarify that this study did not implement a specific normative restriction, such as the THD limits defined in IEEE Std. 519-2022 [59], directly within the FCS-MPC cost function. The primary objective was not to create a controller that actively constrains the THD to a predefined value but, rather, to characterize the intrinsic relationship between the controller’s sampling frequency and the resulting capacitor voltage THD. Standards such as IEEE 519-2022 establish critical performance benchmarks at the point of common coupling (PCC) of the entire system, guiding the overall design and ensuring grid compatibility [59]. The results presented here, which demonstrate how THD improves with higher sampling rates, provide the necessary design insight. An engineer can employ these data to determine a sampling frequency that will ensure that the resultant THD comfortably aligns with the relevant normative requirements for a given application, effectively bridging the gap between the performance of the control strategy and the harmonic standards at the system level.

4.2. FCS-MPC: Variable-Switching-Frequency Operation with Switching-Frequency Minimization

In contrast to software-based simulations, real-time analysis confers notable advantages in terms of speed and precision. Dedicated and specialized hardware, such as the implementation of field-programmable gate arrays (FPGAs) in real-time simulation and hardware-in-the-loop (HIL) platforms, facilitates exceedingly high processing velocities, thereby permitting simulations to be conducted in microsecond or even nanosecond intervals. This capability is essential to ensure accuracy in capturing rapid transient events and dynamic behaviors within power electronics, phenomena that slower simulations might overlook or represent inaccurately [60].
The aforementioned becomes apparent when examining the waveforms generated via the OPAL-RT platform, as depicted by the transitions of the weighting factor ( λ m i n ) from 0 to 0.5 and from 0.5 to 1.0, which are illustrated in Figure 10a–d and Figure 11a–d below.
Figure 10. Real-time results of FCS-MPC variable-frequency operation with minimization of switching frequency. (a) Linear load: capacitor voltages with weighting factors ( λ m i n ) ranging from 0 to 0.5; (b) linear load: capacitor voltages with weighting factors ( λ m i n ) ranging from 0.5 to 1.0; (c) non-linear load: capacitor voltages with weighting factors ( λ m i n ) ranging from 0 to 0.5; (d) non-linear load: capacitor voltages with weighting factors ( λ m i n ) ranging from 0.5 to 1.0.
Figure 11. Real-time results of FCS-MPC variable-frequency operation with minimization of switching frequency. (a) Linear load: load current with weighting factors ( λ m i n ) ranging from 0 to 0.5; (b) linear load: load current with weighting factors ( λ m i n ) ranging from 0.5 to 1.0; (c) non-linear load: load current with weighting factors ( λ m i n ) ranging from 0 to 0.5; (d) non-linear load: load current with steps in the frequency reference with weighting factors ( λ m i n ) ranging from 0.5 to 1.0.
In Figure 10a, the waveforms obtained for the capacitor voltage of the L C filter are shown. For this case, the used load corresponds to a linear R L load. The weighting factor ( λ m i n ) ranges from 0 to 0.5. It can be seen that once the F m i n factor begins to affect the cost function ( g m i n ) of Equation (15), distortion appears in the waveforms. For the same case of using a linear load, as the weighting factor ( λ m i n ) increases from 0.5 to 1.0, the distortion in the waveforms for the capacitor voltages of the L C filter in the system also increases. This can be seen in Figure 10b.
An increased impact of the factor with respect to the minimization of switching ( F m i n ) contributes to a less refined operation—in this case, of the predictive controller for capacitor voltages. As illustrated in Figure 10a,b, there is an observable degradation in the quality of the waveforms, demonstrating the influence of the augmented weighting factor ( λ m i n ) within the cost function of the defined predictive control scheme.
Unlike software-based simulations, the use of real-time results enables researchers to investigate the effects of varying the weighting factor ( λ m i n ) on the control output of the three-phase, two-level VSI with an isolated load.
A slightly different situation occurred when applying the same control algorithm to the three-phase 2L-VSI but connected to a non-linear load through the L C filter. The degradation of the quality of the waveforms increased with an increasing weighting factor ( λ m i n ), but this change was more prominent than in the linear load case. This can be seen in Figure 10c,d, where the weighting factor ( λ m i n ) ranges from 0 to 0.5 and from 0.5 to 1.0, respectively.
In Figure 10c, as a non-linear load is connected to the system, it can be seen that the predictive controller functions properly, with the capacitor voltages of the L C filter as its control objective. However, once the weighting factor ( λ m i n ) has a value of 0.5, the additional term ( F m i n ) begins to influence the cost function of Equation (15), and excessive distortion appears in the voltage waveforms of the capacitor (from t = 0.2 s).
The latter is more accentuated in Figure 10d, as the weighting factor ( λ m i n ) goes ranges from values of 0.5 to 1.0, and the excess of distortion is evident in the capacitor voltage waveforms.
The transition from 0.5 to 1.0 in the weighting factor ( λ m i n ), as illustrated in Figure 10d, appears to be excessive for the control algorithm that governs the voltages of the capacitors. Furthermore, the non-linear characteristics of the load, for this case, exacerbate instabilities within the controller, thereby increasing distortion in the resultant waveforms.
The case of current in the load operates similarly to the case of capacitor voltages. Increasing the values of the weighting factor ( λ m i n ) adds more distortion to the waveform (in Figure 11a–d, only one of the phases is shown, i.e., i a ).
Figure 11a,b illustrate the current ( i a l o a d ) for values of λ m i n ranging from 0 to 0.5 and 0.5 to 1.0, respectively, and using a linear R L load. The quality of the current progressively deteriorates as the level of distortion intensifies with an increasing weighting factor ( λ m i n ).
Analogously to the scenario involving a linear load, the waveform observed for the current in a non-linear load distinctly reflects its inherent characteristics. Furthermore, the influence of the switching minimization factor ( F m i n ) becomes more pronounced within the cost function ( g m i n ) of Equation (15), as demonstrated by an increase in the weighting factor ( λ m i n ), which transitions from 0 to 0.5 in Figure 11c and subsequently from 0.5 to 1.0 in Figure 11d.

5. Conclusions

This paper explores the application of finite-control-set model predictive control (FCS-MPC) to a three-phase, two-level voltage source inverter (VSI) connected to an isolated load. The analysis considers both linear ( R L ) and non-linear loads, with the power converter interfaced through an L C filter.
FCS-MPC stands out for its remarkable flexibility in managing complex non-linear dynamics and seamlessly integrating multiple control objectives. By incorporating secondary objectives such as operational constraints, this control paradigm enables a sophisticated regulation of power converters. However, embedding additional constraints, as described in Equation (15), can significantly increase computational complexity. Despite advancements in microcontroller technologies that mitigate this challenge, the added complexity can detract from the achievement of primary control objectives, particularly when dealing with highly non-linear systems.
Even under significant disturbances, such as large variations in the amplitude and frequency of capacitor voltage references, the three-phase, two-level VSI demonstrates a robust capability to accurately track reference waveforms for both capacitor voltages and load currents. This resilience underscores the superior engineering of the system, ensuring reliable performance, even in challenging conditions.
A higher sampling rate in the FCS-MPC scheme was shown to significantly improve the total harmonic distortion (THD) of the capacitor voltage, which is crucial for effective power converter control. Sampling rates of 10 and 11.5 kHz proved insufficient for the algorithm to properly track references, whereas higher rates yielded lower total harmonic distortion (THD) and improved dynamic response.
This study explored the addition of switching frequency minimization to the cost function. Its impact depends on the load type: non-linear loads complicate capacitor voltage stabilization, while linear loads exhibit slower waveform quality degradation. This analysis of capacitor voltage and load currents highlights the trade-offs in this control strategy.
An essential finding of this study is the significant superiority of the proposed FCS-MPC with the minimization of the switching frequency compared to a conventional fixed-frequency controller operating at low frequencies. Although both methods aim to minimize switching losses, the fixed-frequency method constrains the system to a fixed, slow switching pattern, which inherently compromises dynamic performance during transients. In contrast, the proposed predictive controller attains a low average switching frequency through intelligent, state-dependent decision-making. It avoids superfluous commutations in steady-state conditions to enhance efficiency but maintains the ability to switch as rapidly as the sampling rate permits during variations in load or reference, thereby preserving the exceptional dynamic response characteristic of MPC. The weighting factor ( λ min ) serves as a direct and effective mechanism to adjust the optimized balance between efficiency and waveform quality, providing a degree of flexibility and performance not achievable with simple fixed-frequency methods [56].
Real-time analysis, especially using OPAL-RT platforms, is proven superior to software-based methods, offering greater precision in control output waveforms. This precision, achieved even with MATLAB/Simulink modeling, is crucial for improving predictive control strategies for the three-phase, two-level VSI, highlighting the importance of real-time platforms in power electronics research.

Author Contributions

Conceptualization, A.V., C.B.-M. and M.R.; methodology, A.V., R.Z., H.L. and C.B.-M.; software, A.V., R.Z., H.L. and C.B.-M.; validation, M.R., P.W. and C.B.-M.; formal analysis, A.V. and C.B.-M.; investigation, A.V., H.L. and R.Z.; resources, A.V., L.Y.G. and M.R.; data curation, A.V. and C.B.-M.; writing—original draft preparation, A.V.; writing—review and editing, A.V., C.B.-M., P.W. and M.R.; visualization, A.V. and C.B.-M.; supervision, L.Y.G. and M.R.; project administration, A.V., L.Y.G. and M.R.; funding acquisition, A.V., L.Y.G., C.B.-M., M.R. and P.W. All authors have read and agreed to the published version of the manuscript.

Funding

The authors thank the National Research and Development Agency (ANID) for grants FOVI230169, FONDECYT 11220989 and 1220556, FONDEQUIP EQM230041, and Fondap SERC 1523A0006. Additional funding came from CONACYT Research Project PINV01-743. Furthermore, the authors acknowledge the International Research Collaboration Fund 2024-2025 from the University of Nottingham A7C200 and Programa de Redução de Assimetrias na Pós-Graduação (PRAPG)—Edital no. 14/2023-DRI-CAPES. ID Number: 046.821.818-15.

Institutional Review Board Statement

Not applicable.

Data Availability Statement

The original contributions presented in the study are included in the article, further inquiries can be directed to the corresponding author.

Conflicts of Interest

The authors declare no conflicts of interest.

Abbreviations

The following abbreviations are used in this manuscript:
2L-VSITwo-level voltage source inverter
3L-NPCThree-level neutral-point clamped inverter
4L-NNPCFour-level nested neutral-point clamped inverter
ACAlternating current
ACMEActive common-mode elimination
CB-PWMCarrier-based pulse-width modulation
CCS-MPCContinuous-control-set model predictive control
CMVCommon-mode voltage
EMIElectromagnetic interference
FCS-MPCFinite-control-set model predictive control
FPGAField-programmable gate array
HILHardware in the loop
I/OInput–output
kHzKilohertz
LCInductor–capacitor
LCLInductor–capacitor–inductor
LC-MPCLow-complexity model predictive control
MPCModel predictive control
MPDCCModel predictive direct current control
MPVCModel predictive voltage control
NPCNeutral point clamped
MRFCS-MPCMultirate finite-control-set model predictive control
MR-MPCMultirate model predictive control
MIMOMulti-input, multi-output
OST-M2PCOptimal switching time-modulated model predictive control
PCAPeriod control approach
PCCPoint of common coupling
PWMPulse-width modulation
QPQuadratic program
RLResistor–inductor
RTSReal-time simulator
SVMSpace vector modulation
THDTotal harmonic distortion
VF-CSS MPCVariable-frequency critical soft-switching model predictive control
VSCSVariable-switching constant-sampling frequency
VSIVoltage source inverter

Appendix A

Table A1. THD for the capacitor voltage in the implementation of predictive voltage control with different sampling frequencies.
Table A1. THD for the capacitor voltage in the implementation of predictive voltage control with different sampling frequencies.
Sampling Rate [kHz]Linear Load, Step v ref Linear Load, Step ω ref Non-linear Load, Step v ref Non-linear Load, Step ω ref
1024.73%24.45%11.37%20.81%
11.517.71%14.89%23.28%12.80%
202.69%2.57%1.13%1.04%
400.43%0.06%0.35%0.43%
600.14%0.20%0.30%0.39%
800.08%0.14%0.28%0.37%
1000.14%0.10%0.25%0.30%
1200.06%0.04%0.22%0.29%
1500.09%0.10%0.17%0.25%
2000.09%0.04%0.20%0.26%

References

  1. Ahmed, M.H.; Wang, M.; Hassan, M.A.S.; Ullah, I. Power Loss Model and Efficiency Analysis of Three-Phase Inverter Based on SiC MOSFETs for PV Applications. IEEE Access 2019, 7, 75768–75781. [Google Scholar] [CrossRef]
  2. Calligaro, S.; Pasut, F.; Petrella, R.; Pevere, A. Modulation techniques for three-phase three-level NPC inverters: A review and a novel solution for switching losses reduction and optimal neutral-point balancing in photovoltaic applications. In Proceedings of the 2013 Twenty-Eighth Annual IEEE Applied Power Electronics Conference and Exposition (APEC), Long Beach, CA, USA, 17–21 March 2013; pp. 2997–3004. [Google Scholar] [CrossRef]
  3. Zhang, Z.; Bazzi, A.M. Common-Mode Voltage Reduction in VSI-Fed Motor Drives With an Integrated Active Zero-State Switch. IEEE J. Emerg. Sel. Top. Power Electron. 2022, 10, 3371–3382. [Google Scholar] [CrossRef]
  4. Bai, H.; Wang, X.; Blaabjerg, F.; Loh, P.C. Harmonic Analysis and Mitigation of Low-Frequency Switching Voltage Source Inverter With Auxiliary VSI. IEEE J. Emerg. Sel. Top. Power Electron. 2018, 6, 1355–1365. [Google Scholar] [CrossRef]
  5. Tareen, W.U.K.; Mekhielf, S. Three-Phase Transformerless Shunt Active Power Filter With Reduced Switch Count for Harmonic Compensation in Grid-Connected Applications. IEEE Trans. Power Electron. 2018, 33, 4868–4881. [Google Scholar] [CrossRef]
  6. Blaabjerg, F.; Yang, Y.; Kim, K.A.; Rodriguez, J. Power Electronics Technology for Large-Scale Renewable Energy Generation. Proc. IEEE 2023, 111, 335–355. [Google Scholar] [CrossRef]
  7. Peng, F.Z.; Liu, C.C.; Li, Y.; Jain, A.K.; Vinnikov, D. Envisioning the Future Renewable and Resilient Energy Grids—A Power Grid Revolution Enabled by Renewables, Energy Storage, and Energy Electronics. IEEE J. Emerg. Sel. Top. Ind. Electron. 2023, 5, 8–26. [Google Scholar] [CrossRef]
  8. Bakini, H.; Mesbahi, N.; Kermadi, M.; Mekhilef, S.; Zahraoui, Y.; Mubin, M.; Seyedmahmoudian, M.; Stojcevski, A. An Improved Mutated Predictive Control for Two-Level Voltage Source Inverter With Reduced Switching Losses. IEEE Access 2024, 12, 25797–25808. [Google Scholar] [CrossRef]
  9. Rasoanarivo, I.; Tehrani, K.; Scalcon, F.P.; Nahid-Mobarakeh, B. A Dual Multilevel Adaptive Converter for Microgrid Applications. In Proceedings of the 48th Annual Conference of the IEEE Industrial Electronics Society, Brussels, Belgium, 17–20 October 2022; Volume 2022. [Google Scholar] [CrossRef]
  10. Lee, E.J.; Kim, S.M.; Lee, K.B. Modified Phase-Shifted PWM Scheme for Reliability Improvement in Cascaded H-Bridge Multilevel Inverters. IEEE Access 2020, 8, 78130–78139. [Google Scholar] [CrossRef]
  11. Chamarthi, P.K.; Muduli, U.R.; Moursi, M.S.E.; Al-Durra, A.; Al-Sumaiti, A.S.; Hosani, K.A. Improved PWM Approach for Cascaded Five-Level NPC H-Bridge Configurations in Multilevel Inverter. IEEE Trans. Ind. Appl. 2024, 60, 7048–7060. [Google Scholar] [CrossRef]
  12. Wang, L.; He, J.; Han, T.; Zhao, T. Finite Control Set Model Predictive Control with Secondary Problem Formulation for Power Loss and Thermal Stress Reductions. IEEE Trans. Ind. Appl. 2020, 56, 4028–4039. [Google Scholar] [CrossRef]
  13. Vargas, R.; Ammann, U.; Rodríguez, J. Predictive approach to increase efficiency and reduce switching losses on matrix converters. IEEE Trans. Power Electron. 2009, 24, 894–902. [Google Scholar] [CrossRef]
  14. Long, B.; Shen, D.; Cao, T.; Rodriguez, J.; Garcia, C.; Guerrero, J.M.; Chong, K.T. Power Losses Reduction of T-Type Grid-Connected Converters Based on Tolerant Sequential Model Predictive Control. IEEE Trans. Power Electron. 2022, 37, 9089–9103. [Google Scholar] [CrossRef]
  15. Tran, M.T.; Tran, D.D.; Deepak, K.; Martin, G.E.; Bay, O.; Baghdadi, M.E.; Hegazy, O. A High Performance GaN Power Module with Parallel Packaging for High Current and Low Voltage Traction Inverter Applications. IEEE J. Emerg. Sel. Top. Power Electron. 2025, 13, 1188–1209. [Google Scholar] [CrossRef]
  16. Kougioulis, I.; Zanchetta, P.; Wheeler, P.; Ahmed, M.R. On Optimized Modulation Strategies for Electric Vehicle Integrated On-board Chargers. IEEE Trans. Ind. Appl. 2025, 61, 714–725. [Google Scholar] [CrossRef]
  17. Ramirez, R.O.; Baier, C.R.; Villarroel, F.; Espinoza, J.R.; Pou, J.; Rodriguez, J. A Hybrid FCS-MPC with Low and Fixed Switching Frequency without Steady-State Error Applied to a Grid-Connected CHB Inverter. IEEE Access 2020, 8, 223637–223651. [Google Scholar] [CrossRef]
  18. Wang, Q.; Yu, H.; Li, C.; Lang, X.; Yeoh, S.S.; Yang, T.; Rivera, M.; Bozhko, S.; Wheeler, P. A Low-Complexity Optimal Switching Time-Modulated Model-Predictive Control for PMSM with Three-Level NPC Converter. IEEE Trans. Transp. Electrif. 2020, 6, 1188–1198. [Google Scholar] [CrossRef]
  19. Panten, N.; Hoffmann, N.; Fuchs, F.W. Finite Control Set Model Predictive Current Control for Grid-Connected Voltage-Source Converters with LCL Filters: A Study Based on Different State Feedbacks. IEEE Trans. Power Electron. 2016, 31, 5189–5200. [Google Scholar] [CrossRef]
  20. Wang, L.; Zhao, T.; He, J. Investigation of Variable Switching Frequency in Finite Control Set Model Predictive Control on Grid-Connected Inverters. IEEE Open J. Ind. Appl. 2021, 2, 178–193. [Google Scholar] [CrossRef]
  21. Korada, D.M.R.; Mishra, M.K. Fixed Switching Frequency Model Predictive Current Control for Grid-Connected Inverter With Improved Dynamic and Steady State Performance. IEEE Access 2023, 11, 104094–104105. [Google Scholar] [CrossRef]
  22. Karamanakos, P.; Nahalparvari, M.; Geyer, T. Fixed Switching Frequency Direct Model Predictive Control With Continuous and Discontinuous Modulation for Grid-Tied Converters With LCL Filters. IEEE Trans. Control. Syst. Technol. 2020, 29, 1503–1518. [Google Scholar] [CrossRef]
  23. Yang, X.; Fang, Y.; Fu, Y.; Mi, Y.; Li, H.; Wang, Y. Low-Complexity Model Predictive Control of AC/DC Converter with Constant Switching Frequency. IEEE Access 2020, 8, 137975–137985. [Google Scholar] [CrossRef]
  24. Xu, S.; Sun, Z.; Yao, C.; Zhang, H.; Hua, W.; Ma, G. Model Predictive Control With Constant Switching Frequency for Three-Level T-Type Inverter-Fed PMSM Drives. IEEE Trans. Ind. Electron. 2022, 69, 8839–8850. [Google Scholar] [CrossRef]
  25. Xue, C.; Ding, L.; Tian, H.; Li, Y. Multirate Finite-Control-Set Model Predictive Control for High Switching Frequency Power Converters. IEEE Trans. Ind. Electron. 2022, 69, 3382–3392. [Google Scholar] [CrossRef]
  26. Xue, C.; Ding, L.; Quan, Z.; Li, Y. Multirate Modeling and Predictive Control for WBG-Device-Based High-Switching-Frequency Power Converters. IEEE Trans. Ind. Electron. 2024, 71, 93–103. [Google Scholar] [CrossRef]
  27. Karamanakos, P.; Liegmann, E.; Geyer, T.; Kennel, R. Model Predictive Control of Power Electronic Systems: Methods, Results, and Challenges. IEEE Open J. Ind. Appl. 2020, 1, 95–114. [Google Scholar] [CrossRef]
  28. Bordons, C.; Montero, C. Basic Principles of MPC for Power Converters: Bridging the Gap between Theory and Practice. IEEE Ind. Electron. Mag. 2015, 9, 31–43. [Google Scholar] [CrossRef]
  29. Young, H.A.; Perez, M.A.; Rodriguez, J. Analysis of Finite-Control-Set Model Predictive Current Control With Model Parameter Mismatch in a Three-Phase Inverter. IEEE Trans. Ind. Electron. 2016, 63, 3100–3107. [Google Scholar] [CrossRef]
  30. Youness, H.; Ahmed, G.; Mohamed, T.; Benachir, E.H. Model Predictive Control for Enhanced Inverter Management in Electric Vehicle Charging. In Proceedings of the 2024 4th International Conference on Innovative Research in Applied Science, Engineering and Technology, IRASET 2024, Fez, Morocco, 16–17 May 2024. [Google Scholar] [CrossRef]
  31. Poonahela, I.; Bayhan, S.; Abu-Rub, H.; Begovic, M.M.; Shadmand, M.B. An Effective Finite Control Set-Model Predictive Control Method for Grid Integrated Solar PV. IEEE Access 2021, 9, 144481–144492. [Google Scholar] [CrossRef]
  32. Kusuma, E.; Eswar, K.M.R.; Kumar, T.V. An Effective Predictive Torque Control Scheme for PMSM Drive without Involvement of Weighting Factors. IEEE J. Emerg. Sel. Top. Power Electron. 2021, 9, 2685–2697. [Google Scholar] [CrossRef]
  33. Mirzaeva, G.; Mo, Y. Model Predictive Control for Industrial Drive Applications. IEEE Trans. Ind. Appl. 2023, 59, 7897–7907. [Google Scholar] [CrossRef]
  34. Dragičević, T.; Novak, M. Weighting Factor Design in Model Predictive Control of Power Electronic Converters: An Artificial Neural Network Approach. IEEE Trans. Ind. Electron. 2019, 66, 8870–8880. [Google Scholar] [CrossRef]
  35. Vargas, R.; Ammann, U.; Rodriguez, J.; Pontt, J. Reduction of switching losses and increase in efficiency of power converters using predictive control. In Proceedings of the 2008 IEEE Power Electronics Specialists Conference, Rhodes, Greece, 15–19 June 2008; pp. 1062–1068. [Google Scholar] [CrossRef]
  36. Yang, Q.; Karamanakos, P.; Tian, W.; Gao, X.; Li, X.; Geyer, T.; Kennel, R. Computationally Efficient Fixed Switching Frequency Direct Model Predictive Control. IEEE Trans. Power Electron. 2022, 37, 2761–2777. [Google Scholar] [CrossRef]
  37. Yang, Q.; Karamanakos, P.; Liegmann, E.; Tian, W.; Geyer, T.; Kennel, R.; Heldwein, M.L. A Fixed Switching Frequency Direct Model Predictive Control for Neutral-Point-Clamped Three-Level Inverters with Induction Machines. IEEE Trans. Power Electron. 2023, 38, 13703–13716. [Google Scholar] [CrossRef]
  38. Alawieh, H.; Tehrani, K.A.; Azzouz, Y.; Dakyo, B. A New Active Common-Mode Voltage Elimination Method For Three-Level Neutral-Point Clamped Inverters. In Proceedings of the IECON 2014—40th Annual Conference of the IEEE Industrial Electronics Society, Dallas, TX, USA, 29 October–1 November 2014. [Google Scholar] [CrossRef]
  39. Tomlinson, M.; Mouton, H.D.T.; Kennel, R.; Stolze, P. A Fixed Switching Frequency Scheme for Finite-Control-Set Model Predictive Control-Concept and Algorithm. IEEE Trans. Ind. Electron. 2016, 63, 7662–7670. [Google Scholar] [CrossRef]
  40. Vazquez, S.; Aguilera, R.P.; Acuna, P.; Pou, J.; Leon, J.I.; Franquelo, L.G.; Agelidis, V.G. Model Predictive Control for Single-Phase NPC Converters Based on Optimal Switching Sequences. IEEE Trans. Ind. Electron. 2016, 63, 7533–7541. [Google Scholar] [CrossRef]
  41. Monfared, K.K.; Iman-Eini, H.; Neyshabouri, Y.; Liserre, M. Model Predictive Control With Reduced Common-Mode Voltage Based on Optimal Switching Sequences for Nested Neutral Point Clamped Inverter. IEEE Trans. Ind. Electron. 2024, 71, 27–38. [Google Scholar] [CrossRef]
  42. Zheng, C.; Dragicevic, T.; Zhang, Z.; Rodriguez, J.; Blaabjerg, F. Model Predictive Control of LC-Filtered Voltage Source Inverters with Optimal Switching Sequence. IEEE Trans. Power Electron. 2021, 36, 3422–3436. [Google Scholar] [CrossRef]
  43. Aguirre, M.; Kouro, S.; Rojas, C.A.; Rodriguez, J.; Leon, J.I. Switching Frequency Regulation for FCS-MPC Based on a Period Control Approach. IEEE Trans. Ind. Electron. 2018, 65, 5764–5773. [Google Scholar] [CrossRef]
  44. Aguirre, M.; Vazquez, S.; Alcaide, A.M.; Portillo, R.; Kouro, S.; Leon, J.I.; Franquelo, L. Period Control Approach Finite Control Set Model Predictive Control Switching Phase Control for Interleaved DC/DC Converters. IEEE Trans. Ind. Electron. 2024, 71, 8304–8312. [Google Scholar] [CrossRef]
  45. Zhou, L.; Jahnes, M.; Preindl, M. Modular Model Predictive Control of a 15-kW, Kilo-to-Mega-Hertz Variable-Frequency Critical-Soft-Switching Nonisolated Grid-Tied Inverter with High Efficiency. IEEE Trans. Power Electron. 2022, 37, 12591–12605. [Google Scholar] [CrossRef]
  46. Zhang, X.; Zhang, C.; Xu, C.; Fan, S. Multimode Model Predictive Control for PMSM Drive System. IEEE Trans. Transp. Electrif. 2023, 9, 667–677. [Google Scholar] [CrossRef]
  47. Rivera, M.; Rojas, D.; Wheeler, P. The Selection of Cost Functions in Model Predictive Control Applications. In Proceedings of the 2021 21st International Symposium on Power Electronics (Ee), Novi Sad, Serbia, 27–30 October 2021; pp. 1–6. [Google Scholar] [CrossRef]
  48. Rodriguez, J.; Garcia, C.; Mora, A.; Flores-Bahamonde, F.; Acuna, P.; Novak, M.; Zhang, Y.; Tarisciotti, L.; Davari, S.A.; Zhang, Z.; et al. Latest Advances of Model Predictive Control in Electrical Drives - Part I: Basic Concepts and Advanced Strategies. IEEE Trans. Power Electron. 2022, 37, 3927–3942. [Google Scholar] [CrossRef]
  49. Lin, C.H.; Farooqui, S.A.; Liu, H.D.; Huang, J.J.; Fahad, M. Finite Control Set Model Predictive Control (FCS-MPC) for Enhancing the Performance of a Single-Phase Inverter in a Renewable Energy System (RES). Mathematics 2023, 11, 4553. [Google Scholar] [CrossRef]
  50. Garcia, C.; Mora, A.; Norambuena, M.; Rodriguez, J.; Aly, M.; Carnielutti, F.; Pereda, J.; Acuna, P.; Aguilera, R.; Tarisciotti, L. Model Predictive Control in Multilevel Inverters Part I: Basic Strategy and Performance Improvement. IEEE Open J. Ind. Appl. 2024, 5, 428–441. [Google Scholar] [CrossRef]
  51. Wang, Z.; Yang, S.; Feng, L.; Li, Z.; Feng, J. An Optimized Model Predictive Control Method for Hybrid ANPC with Fixed Switching Frequency. IEEE J. Emerg. Sel. Top. Power Electron. 2025, 13, 2246–2257. [Google Scholar] [CrossRef]
  52. Preindl, M.; Schaltz, E.; Thøgersen, P. Switching frequency reduction using model predictive direct current control for high-power voltage source inverters. IEEE Trans. Ind. Electron. 2011, 58, 2826–2835. [Google Scholar] [CrossRef]
  53. Villalón, A.; Muñoz, C.; Muñoz, J.; Rivera, M. A Detailed dSPACE-Based Implementation of Modulated Model Predictive Control for AC Microgrids. Sensors 2023, 23, 6288. [Google Scholar] [CrossRef]
  54. OPAL-RT. Power Electronics Control Testing in Real-Time; OPAL-RT: Montréal, QC, Canada, 2024. [Google Scholar]
  55. Liu, W.; Kim, J.M.; Wang, C.; Im, W.S.; Liu, L.; Xu, H. Power converters based advanced experimental platform for integrated study of power and controls. IEEE Trans. Ind. Inform. 2018, 14, 4940–4952. [Google Scholar] [CrossRef]
  56. Santander, V.P. Desarrollo de Técnicas de Control Predictivo de Voltaje en un Convertidor VSI de 2 Niveles. Ph.D. Thesis, Universidad de Talca, Talca, Chile, 2022; pp. 1–165. [Google Scholar]
  57. Mohamed, I.S.; Zaid, S.A.; Elsayed, H.M.; Abu-Elyazeed, M.F. Three-phase inverter with output LC filter using predictive control for UPS applications. In Proceedings of the 2013 International Conference on Control, Decision and Information Technologies (CoDIT), Hammamet, Tunisia, 6–8 May 2013; pp. 489–494. [Google Scholar] [CrossRef]
  58. Pirooz, A.; Noroozian, R. Predictive Voltage Control of Three-Phase Voltage Source Inverters to Supply Nonlinear and Unbalanced Loads. In Proceedings of the The 6th International Power Electronics Drive Systems and Technologies Conference (PEDSTC2015), Tehran, Iran, 3–4 February 2015; pp. 389–394. [Google Scholar] [CrossRef]
  59. IEEE Std 519-2022; IEEE Standard for Harmonic Control in Electric Power Systems. (Revision of IEEE Std 519-2014). IEEE: Piscataway, NJ, USA, 2022; pp. 1–31. [CrossRef]
  60. Bélanger, J.; Venne, P.; Paquin, J.N. The What, Where and Why of Real-Time Simulation. Planet Rt 2010, 1, 25–29. [Google Scholar]
Disclaimer/Publisher’s Note: The statements, opinions and data contained in all publications are solely those of the individual author(s) and contributor(s) and not of MDPI and/or the editor(s). MDPI and/or the editor(s) disclaim responsibility for any injury to people or property resulting from any ideas, methods, instructions or products referred to in the content.

Article Metrics

Citations

Article Access Statistics

Multiple requests from the same IP address are counted as one view.