Abstract
With the large-scale integration of distributed generation (DG), it is difficult to realize distribution network planning and operation under specific requirements using the traditional cluster division method based on a single criterion. To reduce the complexity of frequency regulation control strategies, this paper proposes a cluster division method that synthesizes structural and functional indexes. First, the ability of DG within a cluster to provide flexibility to the system is analyzed. Then, a cluster response speed model is proposed to cope with the frequency regulation of demand flexibility on shorter time scales. Based on the above analysis, this paper proposes a distributed generation cluster (DGC) frequency regulation response speed index. The combined electrical distance based on the impedance–power reserve (I–PR) is defined by considering the power reserve of each node of the system. The I–PR is weighted to the structural indexes to improve the division. Meanwhile, in order to enhance the convergence speed of the algorithm for the division process, an adaptive genetic algorithm (GA) based on the encoding method of the weighted network adjacency matrix is used. Finally, distributed generation cluster division is performed on two systems to verify the validity of the proposed indexes in this paper.
1. Introduction
With the continuous development of DG, the distribution network has been transformed from a traditional radial passive network to an active network containing a large number of distributed generation sources [1], which has increased the pressure on the voltage regulation of the power grid. Voltage regulation and peak shifting in the power grid [2,3,4] have emerged, along with complicated problems such as voltage overruns at local nodes, increased network losses, and the backward transmission of power across voltage levels [5]. In addition, distributed renewable energy sources are usually characterized by small standalone capacity, decentralized access points, and diverse access methods, which obviously increases the difficulty of centralized control [6]. Therefore, in order to ensure that large-scale distributed generation can be connected to the power grid in an orderly, safe, reliable, and cost-effective manner, as well as to realize friendly coordination between large-scale renewable energy sources and the power grid and to maximize grid-connected consumption and absorption of distributed generation, a forward-looking solution has been developed to divide distributed generation into clusters and carry out planning, scheduling, and control based on the clusters [7].
Scholars have conducted research on the division and regulation of distributed generation clusters (DGCs), which were defined by Ding et al. as a collection of branch circuits that are electrically close to each other, with locally balanced reactive power and complementary active power timing [8]. Studies [9,10] have proposed an index system combining functional indexes of dissipation capacity and structural indexes of modularity which used a genetic algorithm [11] to divide DGCs. Another study [12] performed cluster division based on the electrical distance, cluster size, number, and connectivity and combined traditional graph division algorithms with evolutionary algorithms to optimize grid transmission planning and rotational inertia reserve capacity. Another study [13] proposed a hierarchical voltage control strategy based on active–reactive clusters. Other authors [14] established a cluster division methodology that considered flexibility balancing based on the concept of flexibility. To date, most DGC division studies have started with satisfying the voltage regulation and control needs [15,16,17,18]. These studies mainly focused on reactive power and voltage control for distributed generation cluster division. There is a lack of discussion on the active power balance to realize renewable energy consumption and frequency regulation.
In order to understand how DGCs can have friendly grid connection characteristics and regulation capabilities similar to those of traditional generators with respect to the external grid, a series of index sets has been proposed from the perspective of cluster power balance, such as the active balance degree [6] and the consumption capacity index [19]. Although the cluster division method based on planning classes proposed in a previous study [20] takes into account the complementary power characteristic relationship between nodes and solves the problem of source–load matching, the regulation capability of source–network–load–storage, etc., has not been sufficiently considered in cluster division [21,22]. In another study [23,24,25], the authors differentiated the distribution network from the perspective of either reducing the control complexity or increasing the capacity of DG consumption. These types of indexes reflect the static power balance characteristics of power complementarity between nodes in clusters in a certain time period, but the power regulation of energy storage, load, and other control devices in a short time period has not yet been clarified, and the active response capacity has not been fully utilized to improve frequency regulation control performance. The studies mentioned above mainly focused on cluster division considering voltage control and power balance but did not take into account the impact of strong volatility and uncertainty in the PV output on the system operation state, especially the frequency regulation ability.
Motivated by this issue, in this paper we start with the characteristics of renewable energy power generation and propose new functional indexes considering frequency regulation response speed to realize the cluster division of distributed generation and lay a foundation for subsequent frequency regulation control. This paper proposes a cluster division method based on a comprehensive performance index system and an improved GA, taking into account intra-cluster climbing demand flexibility and supply–demand balance flexibility and the subsequent operation and scheduling requirements, in order to give full play to the cluster autonomy capability and improve the frequency regulation capability. The method comprehensively considers the complementarity and correlation between nodes within clusters and pays attention to the dynamic balance of the active power of the system based on ensuring a reasonable match between the source and the load within the clusters. Finally, these indexes were combined with the modularity indexes, and an adaptive GA based on the weighted neighbor matrix was used to improve the IEEE 33-node system as an example. The comprehensive indexes proposed in this article were applied to DGC division.
2. Supply and Demand Flexibility of DGC for Cluster Division
2.1. Supply and Demand Flexibility Capacity
The demand flexibility of the cluster is mainly determined by two parts: renewable energy DG and load. Figure 1 shows the original load and the net load curve considering wind and solar DG. Compared with the original load curve, the net load curve, after considering wind power, is more unstable and fluctuates more, which causes the system’s demand flexibility to increase.
Figure 1.
Net load and load curve considering wind and photovoltaic distributed generation.
On the other hand, the DGs within the cluster that can provide resource flexibility include energy storage equipment and gas turbines. The advantage of energy storage devices over other devices is that they have both charging and discharging capabilities and can respond in a timely manner to the volatility of renewable energy output. Gas turbines (GTs) can provide bidirectional regulation under less than full load conditions and have the ability to flexibly adjust supply upward and downward.
According to the analysis above of the climbing DGC demand flexibility and supply flexibility of each DG within the DGC, this paper describes the cluster climbing supply–demand flexibility equilibrium in terms of a demand flexibility shortage. The cluster supply–demand flexibility equilibrium degree refers to the demand flexibility of each cluster within a certain time period after fully considering the flexibility regulation capability of each cluster. The mathematical expression is as follows:
where is the cluster demand flexibility, characterizing the time-series climbing power of the net cluster load, which has the mathematical expression
where and are the net load power of node at moments and 2, respectively. is the cluster supply flexibility capacity, which characterizes the comprehensive capacity of flexible resource regulation of all source load storage within the cluster, and its mathematical expression is as follows:
where , , and are the supply flexibility capacity of conventional units, interruptible loads, and energy storage systems, respectively.
2.2. Frequency Regulation Flexibility Response
When the net load of the system fluctuates in a short time scale of less than 15 min, it is necessary for every DG that can be used for scheduling to respond quickly. In order to explore the speed at which the cluster will respond to the frequency regulation of the system, the response characteristics of the components within the cluster need to be analyzed, most notably the available DG flexibility. The responsive capacity is the remaining capacity of each DG after satisfying the supply–demand balance of upward/downward ramping flexibility of the system, and the expression is as follows:
where is the maximum capacity of the ith DG, is the output of the ith DG at time , and is the change in output of the ith DG at time to satisfy the supply and demand balance.
In addition to the response capacity, the cluster response characteristics are related to internal DG ramp rate R. The main factor is the DG response time, which is . Assuming that there are three DGs in the cluster with climbing speeds , , and , and , the total responsive capacity is shown in the following expression:
According to the analysis above, if a faster climbing device can respond to more capacity, then the cluster response time will be shorter. The resulting equivalent response speed at time is shown in Equation (6):
Due to the characteristic fast regulation of energy storage, when a system frequency fluctuation occurs, more energy storage will increase the output in response to the adjustment of the system’s frequency. In order to meet the cluster flexibility based on the balance of supply and demand, the cluster response speed should be maximized: if the cluster has a demand for uphill climbing at time , the slower DG will be given priority to increase the output and the storage output will be increased; if the cluster has a demand for downhill climbing at time , reducing the storage output will be given priority, and the DG with a faster climbing speed will be given reduced priority.
3. Comprehensive Cluster Division Index Considering Frequency Regulation Response Speed
The choice of a cluster division index system is determined by the objectives and principles under consideration. A cluster division method with the objective of improving the frequency regulation capability of renewable energy is mainly based on the principle of power balance in order to give full play to the source–network–load coordination and complementarity between nodes and improve the dynamic balance of active power in the cluster. Its evaluation indexes are characterized by a comprehensive index system. Based on satisfying logic, the index system can be divided into two parts: structural and functional.
In terms of structure, the close electrical connection between nodes within a cluster and the loose connection between clusters facilitate the operation and management of clusters, and the evaluation indexes are expressed by a modular degree based on the electrical distance. Functionally, in order to replace the traditional node planning method, meet the power matching principle, and improve the degree of active power complementarity, the evaluation index is expressed by the active power balance degree. In order to take into account the control performance, further improve the renewable energy active response capability, adapt the resource flexibility within the cluster to the net cluster load at a certain cost, and satisfy the dynamic balance of active power within the cluster at a certain scale, the evaluation index is expressed by the supply and demand balance flexibility index. Accordingly, as shown in Figure 2, this paper proposes a comprehensive performance index with modularity, active power balance, and supply–demand balance flexibility as the core principles.
Figure 2.
Comprehensive system of indexes.
3.1. Modularity Index Considering Node Power Reserves
The concept of modularity, which was first proposed by Newman and Girvan and was later extended to weighted network division, is commonly used in community detection of complex networks to measure the strength of the community structure of the network. The modularity metric can be calculated directly from the algorithm to find the optimal number of clusters.
The main factor affecting the modularity index is the network edge power, and modularity has different meanings depending on the definition of edge power. Considering frequency regulation as the target division, this paper uses the impedance method to weight the electrical distance, which strengthens intra-cluster node connections, weakens the external connections of clusters, and is more in line with engineering practice.
The cluster frequency control of the distribution network mainly relies on the nodes to flexibly regulate the active output of the PV grid-connected inverters in each cluster. The output is flexibly regulated, which requires each cluster node to have a large regulation capacity, i.e., it should have a large active reserve. Therefore, in this paper, the smaller the power reserve degree, the larger the power reserve between nodes, and the electrical distance described in this way in the whole system space is manifested as the node with less adjustable power approaching the node with more adjustable power.
The electrical distance between any two nodes and described by the degree of active reserve at time is expressed as follows:
where is the active power that can be provided by the PV inverters at two nodes at time , and is the active demand between two nodes at time t during node power regulation.
Combining the electrical distances described in terms of impedance and power reserves, the I–PR integrated electrical distance between any two nodes i, j at time t is defined as
where and are the weighting coefficients for and , respectively.
The degree of electrical coupling between nodes is described using a modularity definition based on electrical distance weights, as shown in the following equation:
3.2. Functional Index Considering Frequency Regulation Speed
3.2.1. Frequency Regulation Flexibility Response Speed Index
Based on the analysis in Section 1, this paper adopts the cluster response speed index as one of the bases for cluster division, and the value of the index reflects the speed of response of the cluster. The index is used for functional division and is normalized to propose the cluster frequency regulation flexibility response speed index with the expression shown below:
where is the cluster frequency regulation flexibility response speed index, is the total number of clusters, and is the study period. is the sum of the remaining capacity of all energy storage devices in the cth cluster.
The frequency regulation response speed index assesses the net power magnitude of a cluster on a short time scale, and the exact calculation procedure can be found in Section 2. When a cluster has more surplus power only by consuming more generated power from renewable energy units, it has more potential and speed for frequency regulation.
3.2.2. Active Power Balance Index
In the case of uneven installed capacity of distributed generation, in order to achieve collaborative planning, the net power balance degree can be used to classify clusters. The value indicates the degree of matching between the installed capacity and output power of the existing distributed power supply and the load. The active balance degree, which describes the net power characteristics of a cluster based on a typical time-varying scenario of the network, is as follows:
where is the active balance degree of cluster ; is the net power characteristic of cluster , which can be obtained based on typical time-varying scenarios at each node; is the duration of a typical time-varying scenario; and is the active balance index.
Active balance refers to the coordination of the combination of nodes in the network in order to realize the autonomous capacity of the cluster. According to the time-varying power output characteristics of the nodes, the nodes are used to complement each other, i.e., source–source complementarity between renewable energy sources and source–load complementarity between them and the load in order to mitigate the volatility and intermittency of the renewable energy output while achieving a certain balance in the cluster power. The active balance index quantifies the degree of balance of all power sources and loads within a cluster over a period of time, while the cluster frequency regulation response speed index measures the degree of power balance at the current moment, and the two complement each other.
3.3. Comprehensive Index
Based on the analysis above, we comprehensively consider the structural nature of clusters, the degree of source–load matching, and the demand for cluster flexibility in order to tap the ability to support the system’s frequency stabilization, as well as propose a comprehensive index combining the modularity index, the degree of active balance index, and the flexibility response speed index. In order to obtain the final cluster division, the unified objective method is used to convert multiple objectives into a single objective with corresponding weights to reflect the importance of each index. The objective function is shown below:
In the formula, , , and are the target weights of the three indexes. The larger the proportion of modularity index, the tighter the cluster structure; the larger the proportion of active balance index, the better the system source–load matching degree; and the larger the proportion of flexibility response speed index, the higher the utilization speed of system flexibility resources and the better the cluster flexibility characteristics.
4. Cluster Division Solution Based on Adaptive GA
4.1. Proposed Method
The proposed cluster performance index quantifies the structural strength of clusters and the performance of the system in providing frequency support, according to which the direction of cluster division can be guided. The metric system proposed in this paper mainly considers the structural and functional aspects of clusters. Given the complexity of the actual divided network, the attribution of nodes within clusters and the mutations of the power of each node have a significant impact on the performance of divided small clusters, and it is difficult for the conventional solution algorithm to search for the global optimal performance metric. Therefore, this paper uses a GA that takes into account the global search capability for cluster division, and the solution process ensures that the global optimal solution is gradually approached as the number of iterations increases. Traditional GAs are encoded in binary or floating point numbers and usually solve numerical optimization problems. In order to adapt to cluster division and further improve the convergence speed and global search capability of the algorithm, this paper improves the GA in two aspects: encoding and self-adaptability.
The first problem is chromosome encoding. Considering the specificity of the cluster division problem, i.e., the connectivity constraint of individuals within a cluster, this paper takes the adjacency matrix of the network as the basis for encoding the chromosome. This encoding method not only ensures the connectivity of nodes but also greatly reduces the search range of the GA and the search time as each individual is a connected individual. At the same time, this encoding method does not have the node merging process of the general algorithm; it uses a probabilistic mechanism for iteration and has a strong search capability for irregular clusters. Figure 3 illustrates the adjacency matrix encoding approach.
Figure 3.
Chromosome coding based on adjacency matrix.
The second problem is adaptation, which is mainly reflected in the improved convergence speed and global search capability of the GA, which adaptively adjusts the crossover and mutation rates. The adjustment formula follows the following principle: if the individual is poor, i.e., its fitness value is smaller than the average fitness value, it is given a larger crossover probability and a smaller mutation probability; if the individual is good, i.e., the individual fitness value is larger than the average fitness value, it is given a corresponding crossover and mutation probability according to its iteration status. The higher the number of iterations, the more similar the pattern of individuals, i.e., the closer the clusters are to each other. Accordingly, the high individual crossover probability loses its meaning, and the mutation probability should be increased appropriately to improve the local search capability of the algorithm. In this paper, the reconciliation method proposed by Srinivas et al. is used, as shown in Equations (8) and (9):
where and are the crossover and mutation probability, respectively, and , , , and are the maximum and minimum values of crossover and mutation probability, respectively. The crossover probability is typically taken to be 0.4–0.99, and the variance probability is typically taken to be 0.0001–0.1. is the number of iterations, is the maximum number of iterations, is the larger fitness value of the two individuals performing the crossover operation, is the fitness value of the individual performing the mutations operation, and is the average fitness of the population.
4.2. Solution Procedure
The active distribution network cluster division process based on the adaptive GA proposed in this paper was implemented in MATLAB 2022. The flowchart is shown in Figure 4, and the pseudo-code is given in Algorithm 1 to clarify the overall procedure for applying the proposed cluster division framework. The specific steps are as follows:
Figure 4.
Flowchart of proposed method.
Step 1: The actual distribution system retains the key information to be distilled into a nodal graph, which reads the line impedance, capacity of various power sources, generation power, and other required parameters described in Section 3. The GA parameters are also initialized.
Step 2: The pass-through relationship between every two nodes is represented by 0 and 1 through the neighbor-matrix-based genetic algorithm presented in Section 4. In this case, each set of collocation matrices represents an individual chromosome.
Step 3: The construction of the index system described in Section 3 assesses the size of the individual frequency regulation potential and the ability to consume renewable energy, through which the current individual can be scored.
Step 4: It is determined whether the algorithm satisfies the iteration termination condition, i.e., whether the current number of individual score calculations reaches the set value. If the termination condition is satisfied, the loop ends and we go to step 6; if the relevant condition is not satisfied, the number of iterations is increased by one and we move to step 5.
Step 5: The fitness of the current individual is judged to determine whether it is greater than the average value; if it is, return to step 3, and if not, modify the crossover and variance probability in accordance with Equations (14) and (15), and return to step 3.
Step 6: The best individual that satisfies the fitness function during the iteration process is selected. The optimal chromosome currently found, i.e., the adjacency matrix, is reduced to one division of the distribution system to obtain the final division.
| Algorithm 1: Pseudo-code of cluster division based on adaptive GA. |
| Input: distribution network system and operation data. Output: cluster division result. Initialize the parameters of the adaptive GA. Conduct coding based on the adjacency matrix and obtain the initial population. While do calculate the fitness of the current individual using (13) and update the current adjacency matrix according to the optimal fitness. If , then change the values of and using (14) and (15); cross and mutation according to current and . If , then cross and mutation according to normal and . End if. End while. Decode the adjacency matrix. Return the optimal cluster division result. |
5. Case Study
5.1. Simulation System
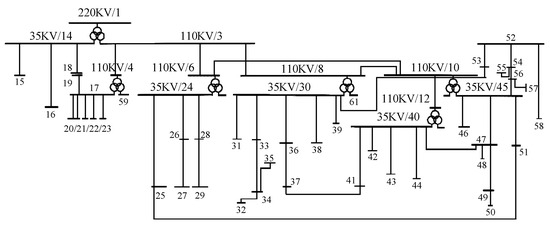
The IEEE 33-node system consists of 18 distributed photovoltaic nodes with a total capacity of 2770 kW; 13 distributed wind power nodes with a total capacity of 480 kW and a distributed power capacity penetration rate of 86.8%; 4 distributed energy storage nodes with a total capacity of 1480 kWh; and 4 micro gas turbine nodes with a total capacity of 2440 kW. The access to renewable energy is shown in Table A1, and the access to distributed energy storage and micro gas turbines is shown in Table A2. The improved IEEE 33-node system network topology is shown in Figure 5. An improved GA is used for cluster division calculations, with the number of populations set to 200 and the maximum number of iterations to 800, and an elite retention strategy is used to ensure convergence of the algorithm [23].
Figure 5.
Network topology of improved IEEE 33-node system.
To verify the effectiveness of the metrics proposed in this paper, we used different schemes for comparative analysis. Scheme 1 uses the electrical-distance-based modularity index for division, scheme 2 uses the modularity and active balance index, and scheme 3 uses the index proposed in this paper, with the prioritized goal being the maximum participation of the cluster in the system power regulation. Figure 6 illustrates the advantages of the adaptive GA. The division results of different schemes are shown in Figure 7, where the ordinal numbers represent the numbers of small clusters. A comparison of the index results is shown in Table 1. The results of each scheme in terms of usable capacity for each response time (15 min) in the planning cycle (24 h) are shown in Table 2.
Figure 6.
Comparison of the convergence speed of two genetic algorithms.

Figure 7.
Results of division under three index systems: (a) modularity index; (b) modularity and active balance index; and (c) comprehensive index system.
Table 1.
Values of three indexes under different division schemes.
Table 2.
Sum of capacity available during system frequency regulation time.
Figure 6 illustrates the convergence speed of different GAs with respect to the computational modularity index. The image demonstrates that the improved adaptive GA in this paper can approach the fitness optimum faster under the same hardware conditions. The results of cluster division should ensure strong coupling of nodes within clusters, while it should also satisfy the coordination and complementarity of power between nodes to achieve the purpose of a stronger active response capability. Therefore, the improved comprehensive performance index proposed in this paper was evaluated from two aspects: structural and active dynamic balance performance. Structural refers to the external characteristics, including the size of the cluster and the strength of intra-cluster and inter-cluster connections. The larger the value, the better the cluster coupling, and it usually takes a value between 0.3 and 0.7 [21]. The active balance degree and frequency regulation response speed indexes pay more attention to the balance flexibility characteristics, which will help improve the accuracy for planners in optimizing the allocation of cluster resource flexibility in future distribution network planning with a high degree of distributed generation and operation control needs.
Scheme 1 only considers the modularity index, and the number of clusters after division is six. The number of clusters is higher, and the structural performance is stronger, but it neglects the matching of source and load storage in the clusters, and the usable capacity in the clusters is less, which cannot realize power autonomy and the ability to respond to the frequency adjustment of the system in the various clusters.
Scheme 2 considers the modularity index and the active balance index, and the number of clusters after division is four. The performance of the cluster structure is stronger; meanwhile, compared with scheme 1, each cluster has stronger power autonomy, but the frequency regulation response speed index is neglected and the residual DG capacity within each cluster is not reasonably configured in the process of cluster division, so the frequency regulation cannot be utilized fully.
Scheme 3 comprehensively considers the module degree index and the frequency regulation functionality index. The number of clusters is four, the same as in scheme 2. The performance of the cluster structure is weaker than that in scheme 1, and the module degree index is smaller, but it is not much different from that in scheme 2, which is also greater than 0.5, and it has better structural performance. Compared to scheme 2, scheme 3 considers the instantaneous power balance between renewable energy units and loads, i.e., it introduces the frequency regulation response speed index. Table 2 shows that this division can promote renewable energy consumption and storage can leave more power. Comparing schemes 2 and 3, there is not much difference in the active balance degree, but scheme 3 has more remaining DG capacity and more potential for frequency regulation.
The results of the analysis show that the active balance index proposed in this paper improves the power autonomy and active response capability within clusters on the basis of satisfying better source–load matching. The response speed index can accurately describe the frequency regulation response characteristics of the resource flexibility within clusters, match the response speed of resource flexibility with demand flexibility based on matching the supply and demand flexibility, maximize the cluster response speed, and improve the ability of clusters to participate in frequency adjustment, as well as provide a theoretical basis for cluster-assisted regulation of the frequency fluctuation of the system. In addition, by setting different weights for each index, cluster division under different regulation objectives can be satisfied.
5.2. Actual System Validation
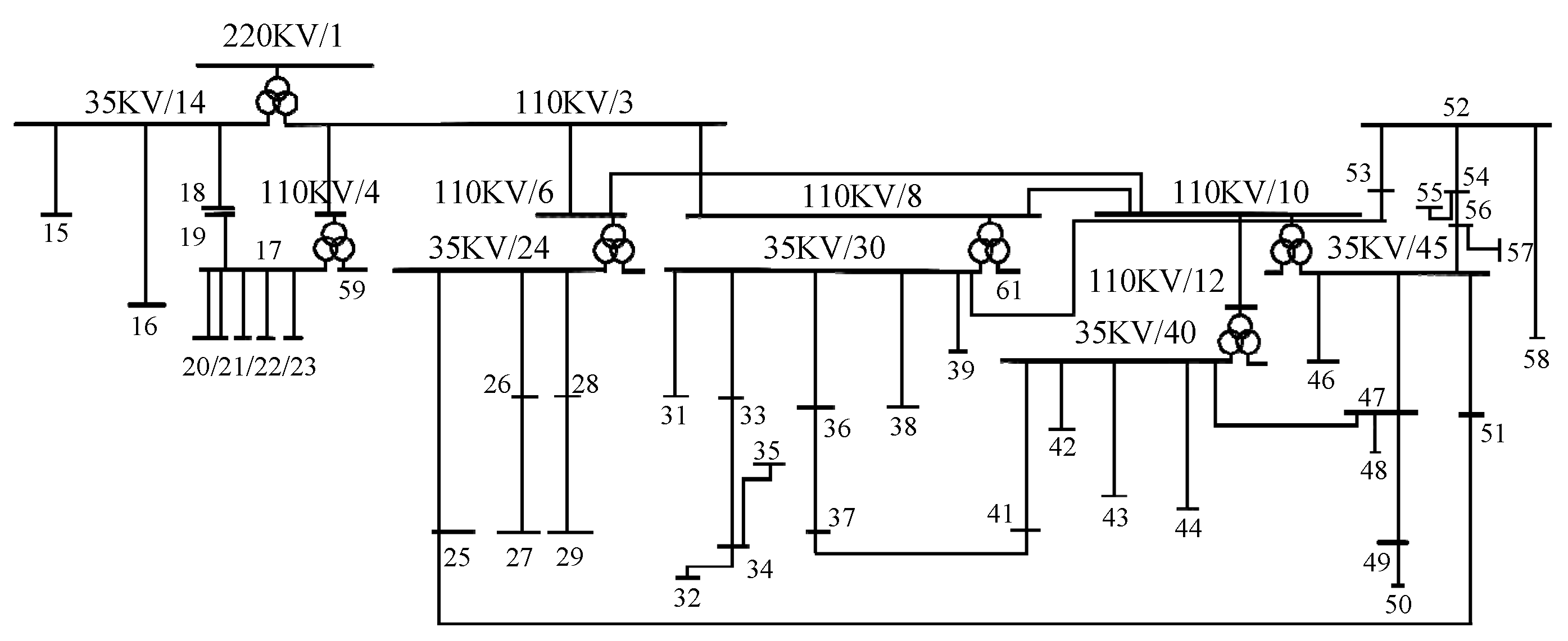
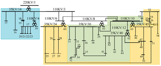
In this paper, a power distribution system in China is analyzed to verify the effectiveness of the proposed cluster division method. The 35 kV network of the distribution system is the object of division, and each 35 kV station is a node. There are 43 nodes in the network, and the nodes containing renewable energy are all over the system, mainly PV and some hydroelectric under the bus of nodes 40 and 45. The access forms of PV nodes are mainly household rooftop PV panels and village collective small-scale PV power stations in medium- and low-voltage distribution networks. The locations of the nodes that exhibit load characteristics are more centrally located, mainly at nodes subordinate to the 17-, 24-, and 30-node buses. The available power conditioning options in the system are located at node 53 and include energy storage devices (total power of 4 MW, total capacity of 20 MW·h) and partially controllable loads. To simplify the calculations, the real-time controllable loads of the nodes are calculated with a constant value of 3 MW. The network topology is shown in Figure 8.
Figure 8.
Topology diagram of actual distribution system structure.
The genetic algorithm parameter settings are the same as in the previous section. Since the renewable energy in the actual distribution system is mainly PV, the daily power output characteristics in the same area are somewhat similar; thus, the same typical (10:00 a.m.) power data of each node are selected for cluster division analysis.
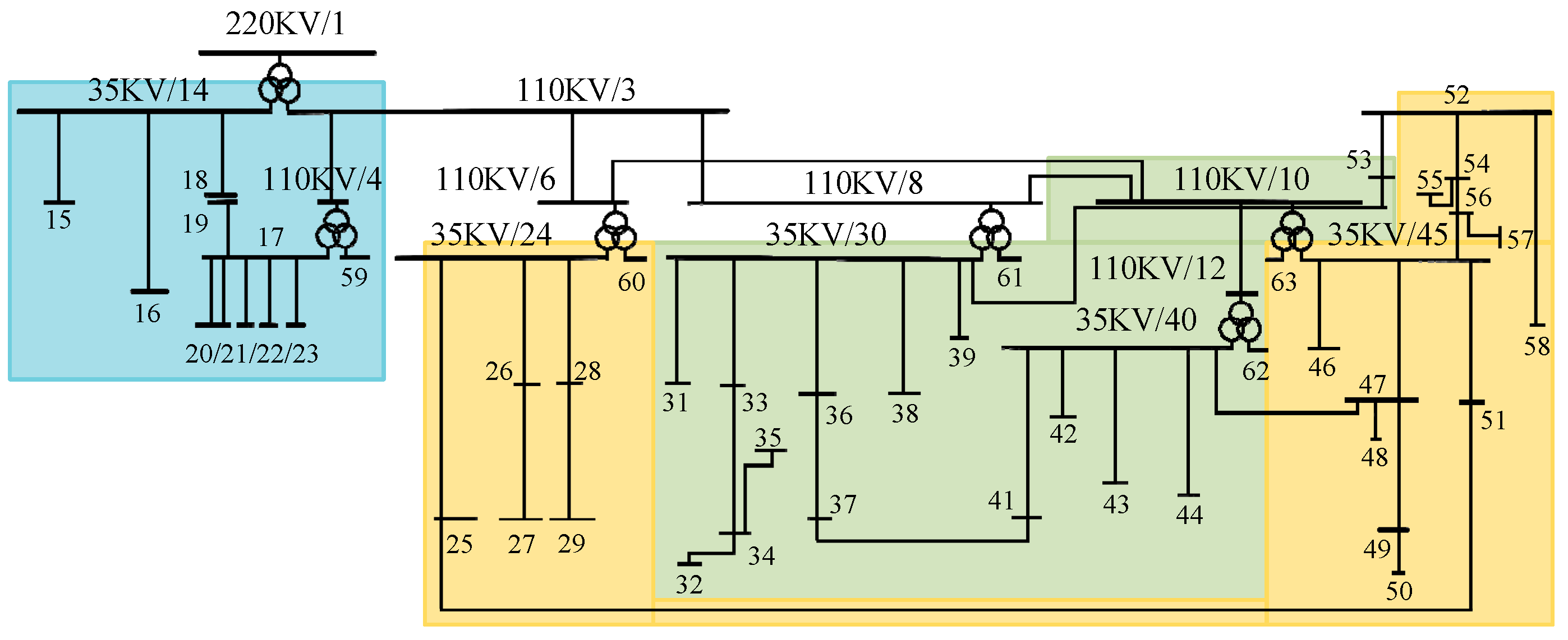
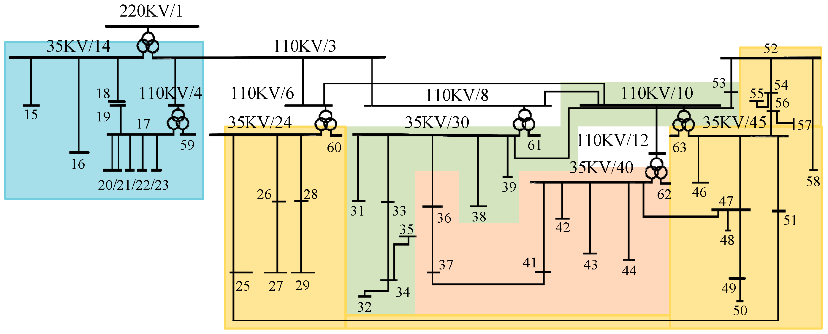
In order to verify the effectiveness of the method proposed in this paper, scheduling simulations are carried out based on the results of different cluster divisions to calculate the net power that can be used for frequency regulation within the clusters, and then the differences in dissipation capacity of the different methods are compared. Scenario A does not adopt the division scheme but adopts the method of nearby source–load complementary power scheduling; scenario B adopts the scheme of Wang et al. [26] for the division and carries out power scheduling within small clusters after division; and scenario C is based on the cluster results obtained by the improved comprehensive performance index proposed in this paper and carries out power scheduling in the same way as scenario B. The results of cluster division are shown in Figure 9 and Figure 10. Since the analysis of the theoretical data of the indexes was conducted in the previous section, this section does not include explanations and demonstrations.
Figure 9.
Division results under scheme B.
Figure 10.
Division results under scheme C.
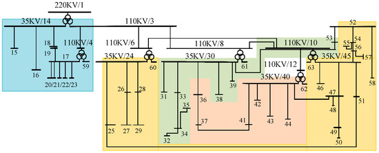
The enhancement of cluster frequency regulation depends on the power regulation capability of the nodes, so the analysis focuses on clusters containing nodes with power regulation capability. A small cluster division is selected to analyze the change in net power of the source load over a 24 h period.
From Figure 11, it can be seen that the power balance with cluster division is better after the division, showing that the net system power is greater in the 24 h time scale. Compared with scheme B, the proposed scheme more fully takes into account the power coordination between renewable energy sources, and therefore can make full use of the energy storage and responsive load regulation capability. This is shown in Figure 4, where the area of power is larger, and Table 3, which indicates that the whole system has a higher surplus of power, and thus has greater frequency regulation potential.
Figure 11.
Net power of related clusters in certain periods.
Table 3.
Cluster indexes under different division schemes.
6. Conclusions
In this paper, an index system containing structure and function is constructed to quantify the performance of cluster frequency regulation, and the optimal division is solved based on an improved genetic algorithm. According to the theoretical data provided in this paper, this index can help in the planning of grid construction and the stable operation of renewable energy grid connection. Innovative indexes are proposed in the context of the power dynamic balance problem of large-scale distributed generation at the structural and functional levels. The I–PR integrated electrical distance is defined considering renewable energy output volatility and uncertainty. In order to exploit the frequency regulation potential of the whole system, a frequency regulation response speed index is proposed. A segmentation study of two simulated systems based on the adaptive genetic algorithm is carried out. The results show the following:
- By analyzing arithmetic examples at two levels, the index system proposed in this paper is verified to be basically able to measure the frequency regulation potential of a distribution network system based on the judgment of the network’s surplus power, the net power of clusters, and the available resource flexibility.
- At the system level, after the cluster division is completed, the response speed index proposed in this paper can be used to re-optimize the response characteristics of resource flexibility within clusters on the basis of ensuring the structural nature of the clusters and enhancing the ability of each DGC to participate in the frequency regulation of the power system.
- By quantifying the frequency regulation potential of distributed distribution networks containing renewable energy sources, this paper offers distribution network planners a control framework that emphasizes frequency regulation capability. The evaluation of the indexes and the delineation of the algorithms provide guidance for operator scheduling programs and a basis for subsequent frequency regulation programs for renewable energy units.
There are many constraints in the scheduling of distribution networks in actual systems that are not considered in this paper, such as changes in the network structure during the scheduling process. In the operator’s actual scheduling process, economic benefit is also a factor that cannot be ignored; therefore, how to realize better economic benefits based on the interoperability of renewable energy units in the distribution network is a part of this research that should be supplemented. Finally, the control strategy between and within small clusters after division is also a direction worth studying.
Author Contributions
The research presented in this paper was a collaborative effort among all authors. Conceptualization, Y.X. and T.Z.; Methodology, P.H. and F.Z.; Visualization, P.H.; Formal analysis, F.Z.; Writing, original draft, Y.X.; Writing—Review & Editing, T.Z. All authors have read and agreed to the published version of the manuscript.
Funding
This work is supported by the Natural Science Foundation of Jiangsu Province (No. BK20220216) and the Fundamental Research Funds for the Central Universities (No. 30922010709).
Institutional Review Board Statement
Not applicable.
Informed Consent Statement
Not applicable.
Data Availability Statement
Data is contained within the article.
Conflicts of Interest
Authors Yan Xu and Peng Hu were employed by the company Jiangsu Frontier Electric Technology Co., Ltd. The remaining authors declare that the re-search was conducted in the absence of any commercial or financial relationships that could be construed as a potential conflict of interest.
Appendix A
Table A1.
Renewable energy DG access on the system.
Table A2.
Distribution of DGs in the system.
References
- Li, C.; Xia, B.; Leng, Z. A Multi-View Clustering based Dynamic Partitioning Method for Distribution Network. In Proceedings of the 2023 IEEE 3rd International Conference in Power Engineering Applications (ICPEA), Putrajaya, Malaysia, 6–7 March 2023; pp. 141–144. [Google Scholar]
- Li, Z.; Chen, S.; Fu, Y.; Dong, C.; Zhang, J. Optimal allocation of ESS in distribution network containing DG base on Timing-Voltage-Sensitivity analysis. Proc. CSEE 2017, 37, 4630–4640. [Google Scholar]
- Abdmouleh, Z.; Gastli, A.; Ben-Brahim, L.; Haouari, M.; Al-Emadi, N.A. Review of optimization techniques applied for the integration of distributed generation from renewable energy sources. Renew. Energy 2017, 113, 266–280. [Google Scholar] [CrossRef]
- Zhao, J.; He, X.; Zhu, R. Study on the combination model of wind and solar storage to improve the flexibility of power system. Hydroelectr. Energy Sci. 2019, 37, 128–132. [Google Scholar]
- Long, Y.; Li, Y.; Jiang, J.; Zhang, Y. Power supply unit optimization division method considering load spatial distribution clus-tering. In Proceedings of the 2022 China International Conference on Electricity Distribution (CICED), Changsha, China, 7–8 September 2022; pp. 604–608. [Google Scholar]
- Chuanliang, X.; Bo, Z.; Jinhui, Z.; Peng, L.; Ming, D. Voltage control of high proportional distributed PV clusters in distribution networks based on network divisioning. Electr. Power Syst. Autom. 2017, 41, 147–155. [Google Scholar]
- Sheng, W.; Wu, M.; Ji, Y.; Kou, L.; Pan, J.; Shi, H.; Niu, G.; Wang, Z. Key technologies and engineering practices for grid-connected consumption of distributed renewable energy power clusters. China J. Electr. Eng. 2019, 39, 2175–2186. [Google Scholar]
- Ming, D.; Pingping, G.; Rui, B. Cluster division method for high-permeability renewable energy considering flexibility. Proc. CSU-EPSA 2021, 33, 115–122, 150. [Google Scholar]
- Wei, Z. Overview of complex networks community structure and its application in electric power network analysis. Proc. CSEE 2015, 35, 1567–1577. [Google Scholar]
- Nguyen, S.D.; Nguyen, V.S.T.; Pham, N.T. Determination of the Optimal Number of Clusters: A Fuzzy-Set Based Method. IEEE Trans. Fuzzy Syst. 2022, 30, 3514–3526. [Google Scholar] [CrossRef]
- Srinivas, M.; Patnaik, L.M. Adaptive probabilities of crossover and mutation in genetic algorithms. IEEE Trans. Syst. Man Cybern. 2002, 24, 656–667. [Google Scholar] [CrossRef]
- Preda, T.N.; Uhlen, K.; Nordgård, D.E. Clustering Distributed Generation using the instantaneous Euclidean Distance in polar coordinates. In Proceedings of the 2013 4th IEEE/PES Innovative Smart Grid Technologies, Lyngby, Denmark, 6–9 October 2013. [Google Scholar]
- Bahramipanah, M.; Nick, M.; Cherkaoui, R.; Paolone, M. Network clustering for voltage control in active distribution network including energy storage systems. In Proceedings of the 2015 IEEE Power and Energy Society Innovative Smart Grid Technologies Conference, Washington, DC, USA, 18–20 February 2015. [Google Scholar]
- Biserica, M.; Foggia, G.; Chanzy, E.; Passelergue, J.C. Network division for coordinated control in active distribution net works. In Proceedings of the 2013 IEEE Grenoble Power Tech, Grenoble, France, 16–20 June 2013. [Google Scholar]
- Zhao, B.; Xu, Z.; Xu, C.; Wang, C.; Lin, F. Network Division-Based Zonal Voltage Control for Distribution Networks with Distributed PV Systems. IEEE Trans. Smart Grid 2017, 9, 4087–4098. [Google Scholar] [CrossRef]
- Ruan, H.; Gao, H.; Liu, Y.; Wang, L.; Liu, J. Distributed Voltage Control in Active Distribution Network Considering Renewable Energy: A Novel Network Divisioning Method. IEEE Trans. Power Syst. 2020, 35, 4220–4231. [Google Scholar] [CrossRef]
- Chai, Y.; Guo, L.; Wang, C.; Zhao, Z.; Du, X.; Pan, J. Network Division and Voltage Coordination Control for Distribution Networks with High Penetration of Distributed PV Units. IEEE Trans. Power Syst. 2018, 33, 3396–3407. [Google Scholar] [CrossRef]
- Zhang, Q.; Ding, J.; Zhang, D.; Wang, Q.; Ma, J. Reactive power optimization of high-penetration distributed generation system based on clusters division. Autom. Electr. Power Syst. 2019, 43, 130–137. [Google Scholar]
- Liu, X. Research on the Division Method of Distributed Renewable Energy Generation Clusters with High Penetration Rate; Hefei University of Technology: Hefei, China, 2019. [Google Scholar]
- Ding, M.; Liu, X.; Bi, R.; Hu, D.; Ye, B. Method for cluster division of high-penetration distributed generators based on comprehensive performance index. Autom. Electr. Power Syst. 2018, 42, 47–52. [Google Scholar]
- Li, Z.; Chen, L.; Lu, X.; Zhang, Y.; Xu, F.; Yan, G.G. Assessment of renewable energy accommodation based on system flexibility analysis. Power Syst. Technol. 2017, 41, 2187–2194. [Google Scholar]
- Lu, Z.; Li, H.; Qiao, Y. Flexibility evaluation and supply/demand balance principle of power system with high-penetration renewable electricity. Proc. CSEE 2017, 37, 9–19. [Google Scholar]
- Cao, D.; Zhao, J.; Hu, W.; Ding, F.; Huang, Q.; Chen, Z.; Blaabjerg, F. Data-driven multi-agent deep reinforcement learning for distribution system decentralized voltage control with high penetration of PVs. IEEE Trans. Smart Grid 2021, 12, 4137–4150. [Google Scholar] [CrossRef]
- Gao, Y.; Wang, W.; Yu, N. Consensus multi-agent reinforcement learning for volt-VAR control in power distribution networks. IEEE Trans. Smart Grid 2021, 12, 3594–3604. [Google Scholar] [CrossRef]
- Ding, M.; Fang, H.; Bi, R.; Liu, X.; Pan, J.; Zhang, J. Optimal siting and sizing of distributed PV-storage in distribution network based on cluster division. Proc. CSEE 2019, 39, 2187–2201. [Google Scholar]
- Wang, M.; Li, F.; Hong, F.; Wang, S. Application of Improved Cluster Division Method in Active Distribution Network. In Proceedings of the 2021 5th International Conference on Green Energy and Applications (ICGEA), Singapore, 14–16 March 2021; pp. 21–25. [Google Scholar]
Disclaimer/Publisher’s Note: The statements, opinions and data contained in all publications are solely those of the individual author(s) and contributor(s) and not of MDPI and/or the editor(s). MDPI and/or the editor(s) disclaim responsibility for any injury to people or property resulting from any ideas, methods, instructions or products referred to in the content. |
© 2024 by the authors. Licensee MDPI, Basel, Switzerland. This article is an open access article distributed under the terms and conditions of the Creative Commons Attribution (CC BY) license (https://creativecommons.org/licenses/by/4.0/).











