Analysis and Design of an SiC CMOS Three-Channel DC-DC Synchronous Buck Converter for High-Temperature Applications
Abstract
1. Introduction
2. DC-DC Synchronous Buck Converter
2.1. 2 μm 4H-SiC CMOS Technology Overview
2.2. Design Specification
2.3. General Operation
- Operational State S1: In the first operational state, the PMOS transistor is turned on, allowing the current to flow from the input through the inductor to the output, charging the output capacitor and supplying the load . During this phase, the NMOS transistor is off, preventing any backflow of current.
- Operational State S2: With the PMOS transistor off, the NMOS transistor fully takes over, allowing current to continue flowing through the inductor to the output, but now through the NMOS transistor . This stage is critical for improving efficiency by reducing power losses that would otherwise occur if a diode were used instead of a synchronous NMOS.
- Operational State S3: In this state, both transistors and are turned off if the output voltage reaches the desired level. The energy stored in the inductor and capacitor is used to maintain the output voltage and the current flows through the body diode of transistor . This stage serves as a dead time and is always placed between the other two stages to prevent source short circuits.
3. Circuit Level Design
3.1. Power Stage MOSFETs
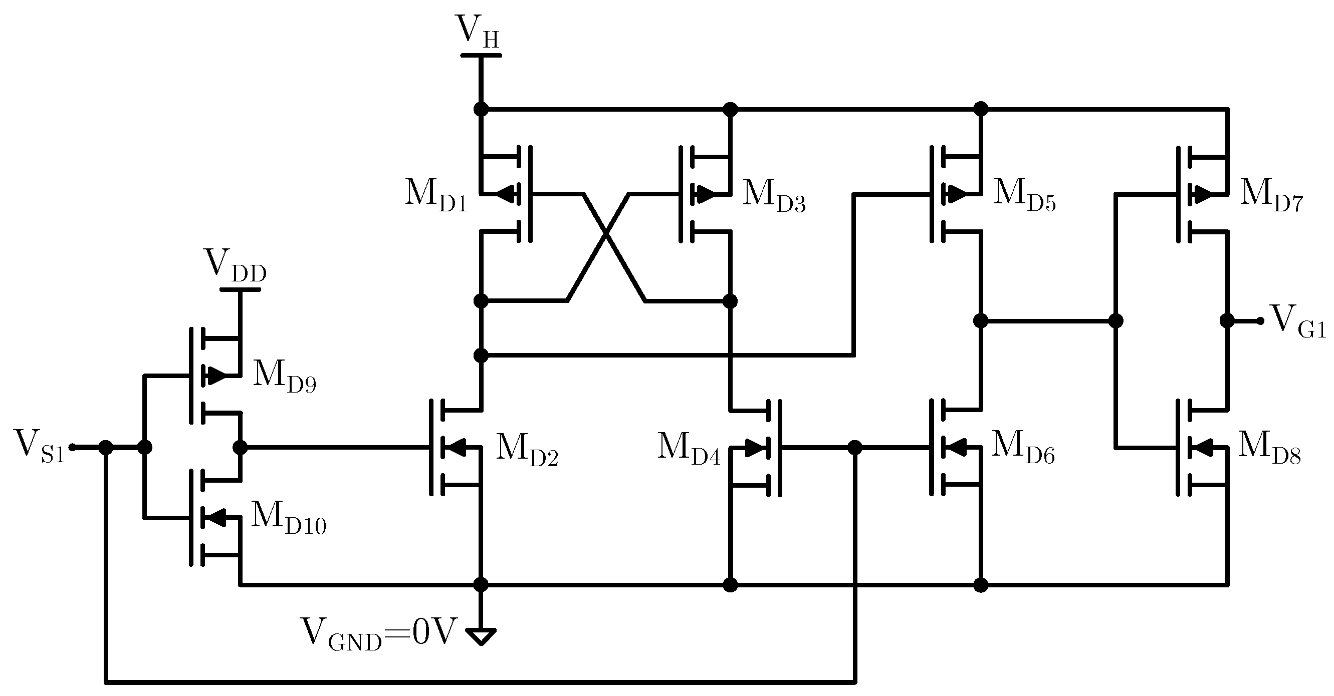
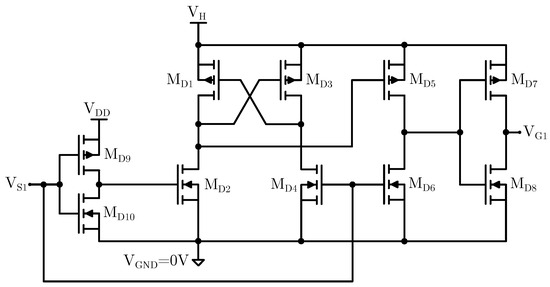
3.2. Gate Driver Circuit Design
3.3. Top Level Design
4. System Implementation and Simulation Results
4.1. Physical Implementation
4.2. System Level Simulation
4.3. Efficiency Analysis
5. Conclusions
Author Contributions
Funding
Institutional Review Board Statement
Informed Consent Statement
Data Availability Statement
Conflicts of Interest
References
- Wicht, B. Design of Power Management Integrated Circuits; John Wiley & Sons: Hoboken, NJ, USA, 2024. [Google Scholar]
- Villamor, A. Power ICs: A $21B Market Evident in All Applications. Semicond. Dig. 2022, 4, 23–27. [Google Scholar]
- Li, Y.; Li, Y.W. The Evolutions of Multilevel Converter Topology: A Roadmap of Topological Invention. IEEE Ind. Electron. Mag. 2022, 16, 11–18. [Google Scholar] [CrossRef]
- Pilawa-Podgurski, R. The Future of Power Electronics Circuits: New Technologies and Managed Complexity Will Drive the Future. IEEE Power Electron. Mag. 2020, 7, 41–43. [Google Scholar] [CrossRef]
- Golkar, A.; Salado, A. Definition of New Space—Expert Survey Results and Key Technology Trends. IEEE J. Miniaturization Air Space Syst. 2021, 2, 2–9. [Google Scholar] [CrossRef]
- Mehregany, M.; Zorman, C.; Rajan, N.; Wu, C.H. Silicon carbide MEMS for harsh environments. Proc. IEEE 1998, 86, 1594–1609. [Google Scholar] [CrossRef]
- Wijesundara, M.; Azevedo, R. Silicon Carbide Microsystems for Harsh Environments; Springer Science & Business Media: New York, NY, USA, 2011; pp. 15–26. [Google Scholar]
- Xiao, Y.; Zhang, Z.; Duraij, M.S.; Zsurzsan, T.G.; Andersen, M.A.E. Review of High-Temperature Power Electronics Converters. IEEE Trans. Power Electron. 2022, 37, 14831–14849. [Google Scholar] [CrossRef]
- Edpuganti, A.; Khadkikar, V.; Moursi, M.S.E.; Zeineldin, H.; Al-Sayari, N.; Al Hosani, K. A Comprehensive Review on CubeSat Electrical Power System Architectures. IEEE Trans. Power Electron. 2022, 37, 3161–3177. [Google Scholar] [CrossRef]
- Lauenstein, J.M.; Casey, M.C.; Ladbury, R.L.; Kim, H.S.; Phan, A.M.; Topper, A.D. Space Radiation Effects on SiC Power Device Reliability. In Proceedings of the 2021 IEEE International Reliability Physics Symposium (IRPS), Monterey, CA, USA, 21–25 March 2021; pp. 1–8. [Google Scholar] [CrossRef]
- Górecki, P. Compact Thermal Modeling of Power Semiconductor Devices with the Influence of Atmospheric Pressure. Energies 2022, 15, 3565. [Google Scholar] [CrossRef]
- Kolawa, E.A.; Chen, Y.; Mojarradi, M.M.; Weber, C.T.; Hunter, D.J. A motor drive electronics assembly for Mars Curiosity Rover: An example of assembly qualification for extreme environments. In Proceedings of the 2013 IEEE International Reliability Physics Symposium (IRPS), Monterey, CA, USA, 14–18 April 2013; pp. 2E.2.1–2E.2.9. [Google Scholar] [CrossRef]
- Ferreira, F.J.T.E.; Baoming, G.; de Almeida, A.T. Reliability and Operation of High-Efficiency Induction Motors. IEEE Trans. Ind. Appl. 2016, 52, 4628–4637. [Google Scholar] [CrossRef]
- Johnson, R.; Evans, J.; Jacobsen, P.; Thompson, J.; Christopher, M. The changing automotive environment: High-temperature electronics. IEEE Trans. Electron. Packag. Manuf. 2004, 27, 164–176. [Google Scholar] [CrossRef]
- Bader, S.J.; Lee, H.; Chaudhuri, R.; Huang, S.; Hickman, A.; Molnar, A.; Xing, H.G.; Jena, D.; Then, H.W.; Chowdhury, N.; et al. Prospects for Wide Bandgap and Ultrawide Bandgap CMOS Devices. IEEE Trans. Electron Devices 2020, 67, 4010–4020. [Google Scholar] [CrossRef]
- Kimoto, T.; Cooper, J.A. Fundamentals of Silicon Carbide Technology: Growth, Characterization, Devices and Applications; Wiley-IEEE Press: Singapore, 2014; pp. 11–38. [Google Scholar] [CrossRef]
- Trescases, O.; Murray, S.K.; Jiang, W.L.; Zaman, M.S. GaN Power ICs: Reviewing Strengths, Gaps, and Future Directions. In Proceedings of the 2020 IEEE International Electron Devices Meeting (IEDM), San Francisco, CA, USA, 12–18 December 2020; pp. 27.4.1–27.4.4. [Google Scholar] [CrossRef]
- Pintacuda, F.; Cantarella, V.; Muschitiello, M.; Massetti, S. Prototyping and characterization of radiation hardened SiC MOS structures. In Proceedings of the 2019 European Space Power Conference (ESPC), Juan-les-Pins, France, 30 September–4 October 2019; pp. 1–8. [Google Scholar] [CrossRef]
- Ferreira, B. International technology roadmap for wide band-gap power semiconductor ITRW. In Proceedings of the 2016 International Symposium on 3D Power Electronics Integration and Manufacturing (3D-PEIM), Raleigh, NC, USA, 13–15 June 2016; pp. 1–13. [Google Scholar] [CrossRef]
- Buffolo, M.; Favero, D.; Marcuzzi, A.; De Santi, C.; Meneghesso, G.; Zanoni, E.; Meneghini, M. Review and Outlook on GaN and SiC Power Devices: Industrial State-of-the-Art, Applications, and Perspectives. IEEE Trans. Electron Devices 2024, 71, 1344–1355. [Google Scholar] [CrossRef]
- Mo, J.; Li, J.; Zhang, Y.; Romijn, J.; May, A.; Erlbacher, T.; Zhang, G.; Vollebregt, S. A Highly Linear Temperature Sensor Operating up to 600 °C in a 4H-SiC CMOS Technology. IEEE Electron Device Lett. 2023, 44, 995–998. [Google Scholar] [CrossRef]
- Górecki, P.; Myśliwiec, M.; Górecki, K.; Kisiel, R. Influence of Packaging Processes and Temperature on Characteristics of Schottky Diodes Made of SiC. IEEE Trans. Compon. Packag. Manuf. Technol. 2019, 9, 633–641. [Google Scholar] [CrossRef]
- Yang, F.; Wang, L.; Kong, H.; Zhu, M.; Liu, X.; Lu, X.; Qin, M.; Zhang, T.; Gan, Y.; Jia, L. Compact-Interleaved Packaging Method of Power Module with Dynamic Characterization of 4H-SiC MOSFET and Development of Power Electronic Converter at Extremely High Junction Temperature. IEEE Trans. Power Electron. 2023, 38, 417–434. [Google Scholar] [CrossRef]
- EUROPRACTICE. FRAUNHOFER IISB: Access and Contacts; EUROPRACTICE. 2024. Available online: https://europractice-ic.com/technologies/asics/fraunhofer-iisb/access-contacts/ (accessed on 25 September 2024).
- Wibben, J.; Harjani, R. A High-Efficiency DC–DC Converter Using 2 nH Integrated Inductors. IEEE J. Solid-State Circuits 2008, 43, 844–854. [Google Scholar] [CrossRef]
- Abedinpour, S.; Bakkaloglu, B.; Kiaei, S. A Multistage Interleaved Synchronous Buck Converter with Integrated Output Filter in 0.18 μm SiGe Process. IEEE Trans. Power Electron. 2007, 22, 2164–2175. [Google Scholar] [CrossRef]
- Urkin, T.; Kuperman, A.; Peretz, M.M. Digital Multiphase PWM Integrated Module Generated From a Single Synchronization Source. IEEE Trans. Power Electron. 2022, 37, 1570–1578. [Google Scholar] [CrossRef]
- Fritz, N.; Engelmann, G.; Stippich, A.; Lüdecke, C.; Philipps, D.A.; Doncker, R.W.D. Toward an In-Depth Understanding of the Commutation Processes in a SiC MOSFET Switching Cell Including Parasitic Elements. IEEE Trans. Ind. Appl. 2020, 56, 4089–4101. [Google Scholar] [CrossRef]
- Romijn, J.; Vollebregt, S.; Middelburg, L.M.; Mansouri, B.E.; van Zeijl, H.W.; May, A.; Erlbacher, T.; Zhang, G.; Sarro, P.M. Integrated Digital and Analog Circuit Blocks in a Scalable Silicon Carbide CMOS Technology. IEEE Trans. Electron Devices 2022, 69, 4–10. [Google Scholar] [CrossRef]
- Mo, J.; Niu, Y.; May, A.; Rommel, M.; Rossi, C.; Romijn, J.; Zhang, G.; Vollebregt, S. An analog to digital converter in a SiC CMOS technology for high-temperature applications. Appl. Phys. Lett. 2024, 124, 152105. [Google Scholar] [CrossRef]
- Rinaldi, N.; Liguori, R.; May, A.; Rossi, C.; Rommel, M.; Rubino, A.; Licciardo, G.D.; Di Benedetto, L. A 4H-SiC CMOS Oscillator-Based Temperature Sensor Operating from 298 K up to 573 K. Sensors 2023, 23, 9653. [Google Scholar] [CrossRef] [PubMed]
- Albrecht, M.; Pérez, D.; Martens, R.C.; Bauer, A.J.; Erlbacher, T. Impact of Channel Implantation on a 4H-SiC CMOS Operational Amplifier for High Temperature Applications. Mater. Sci. Forum 2020, 1004, 1123–1128. [Google Scholar] [CrossRef]
- May, A.; Rommel, M.; Abbasi, A.; Erlbacher, T. Threshold Voltage Adjustment on 4H-SiC MOSFETs Using P-Doped Polysilicon as a Gate Material. Key Eng. Mater. 2023, 947, 57–62. [Google Scholar] [CrossRef]
- Rinaldi, N.; May, A.; Rommel, M.; Liguori, R.; Rubino, A.; Licciardo, G.D.; Benedetto, L.D. A 4H-SiC CMOS SPICE Level 3 Model for Circuit Simulations. IEEE Electron Device Lett. 2024, 45, 1409–1412. [Google Scholar] [CrossRef]
- Tolbert, L.M.; Shi, X.; Liu, Y. Power Electronics Handbook; Butterworth-Heinemann: Oxford, UK, 2024; pp. 407–435. [Google Scholar] [CrossRef]
- Razavi, B. Design of Analog CMOS Integrated Circuits; McGraw-Hill: New York, NY, USA, 2001; pp. 35–36. [Google Scholar]
- Scognamillo, C.; Catalano, A.P.; D’Alessandro, V.; Riccio, M.; Borghese, A.; Maresca, L.; Irace, A.; Breglio, G.; Rahimo, M.; Nistor, I.; et al. TCAD-Based Investigation of a 3.3 kV Planar SiC MOSFET: BV-RON Trade-Off Optimization. In Proceedings of the 2024 IEEE 18th International Conference on Compatibility, Power Electronics and Power Engineering (CPE-POWERENG), Gdynia, Poland, 24–26 June 2024; pp. 1–4. [Google Scholar] [CrossRef]
- Liu, S.; Song, X.; Zhang, J.; Zhao, S.; Luo, J.; Zhang, H.; Zhang, Y.; Zhang, W.; Zhou, H.; Liu, Z.; et al. Comprehensive Design of Device Parameters for GaN Vertical Trench MOSFETs. IEEE Access 2020, 8, 57126–57135. [Google Scholar] [CrossRef]
- May, A.; Baier, L.; Rommel, M. Temperature Dependence of 4H-SiC Gate Oxide Breakdown and C-V Properties from Room Temperature to 500 °C. Solid State Phenom. 2024, 358, 51–58. [Google Scholar] [CrossRef]
- Weiße, J.; Matthus, C.; Schlichting, H.; Mitlehner, H.; Erlbacher, T. RESURF n-LDMOS Transistor for Advanced Integrated Circuits in 4H-SiC. IEEE Trans. Electron Devices 2020, 67, 3278–3284. [Google Scholar] [CrossRef]
- Jespers, P.; Murmann, B. Systematic Design of Analog CMOS Circuits: Using Pre-Computed Lookup Tables; Cambridge University Press: Cambridge, UK, 2017; pp. 48–67. [Google Scholar]
- Wang, Y.; Aksoz, A.; Geury, T.; Ozturk, S.B.; Kivanc, O.C.; Hegazy, O. A Review of Modular Multilevel Converters for Stationary Applications. Appl. Sci. 2020, 10, 7719. [Google Scholar] [CrossRef]
- Gak, J.; Miguez, M.; Arnaud, A. CMOS level shifters from 0 to 18 V output. Analog. Integr. Circuits Signal Process. 2021, 107, 617–628. [Google Scholar] [CrossRef]
- Lee, J.P.; Honnyong, C.; Dongsul, S.; Kyoung-Jun, L.; Dong-Wook, Y.; Ji-Yoon, Y. Analysis and Design of Coupled Inductors for Two-Phase Interleaved DC-DC Converters. IEEE Trans. Power Electron. 2013, 13, 339–348. [Google Scholar] [CrossRef]
- Alatai, S.; Salem, M.; Ishak, D.; Das, H.S.; Alhuyi Nazari, M.; Bughneda, A.; Kamarol, M. A Review on State-of-the-Art Power Converters: Bidirectional, Resonant, Multilevel Converters and Their Derivatives. Appl. Sci. 2021, 11, 10172. [Google Scholar] [CrossRef]
- Hastings, R. The Art of Analog Layout; Prentice Hall: Hoboken, NJ, USA, 2001; pp. 499–505. [Google Scholar]
- BS IEC 60747-8:2010+A1:2021; Semiconductor Devices. Discrete Devices—Field-Effect Transistors. International Electrotechnical Commission (IEC): Geneva, Switzerland, 2021.
- Lima, F.; Santos, M.; Barata, J.; Aguiar, J. Dead-Time Control System for a Synchronous Buck dc-dc Converter. In Proceedings of the 2007 International Conference on Power Engineering, Energy and Electrical Drives, Setubal, Portugal, 12–14 April 2007; pp. 423–428. [Google Scholar] [CrossRef]
- Lee, S.; Jung, S.; Park, C.; Rim, C.T.; Cho, G.H. Accurate Dead-Time Control for Synchronous Buck Converter with Fast Error Sensing Circuits. IEEE Trans. Circuits Syst. I Regul. Pap. 2013, 60, 3080–3089. [Google Scholar] [CrossRef]
- Infineon Technologies AG. Calculate and Minimize the Dead Time for IGBTs, V.1.10; Infineon Technologies AG.: Neubiberg, Germany, 2021. [Google Scholar]
- Cui, M.; Sun, R.; Bu, Q.; Liu, W.; Wen, H.; Li, A.; Liang, Y.C.; Zhao, C. Monolithic GaN Half-Bridge Stages with Integrated Gate Drivers for High Temperature DC-DC Buck Converters. IEEE Access 2019, 7, 184375–184384. [Google Scholar] [CrossRef]
- Zhao, S.H.; Jin, Y.; Yu, D.L. A Wide Input Range High Temperature Resistant Buck DC-DC Converter. In Proceedings of the 2023 International Technical Conference on Circuits/Systems, Computers, and Communications (ITC-CSCC), Jeju, Republic of Korea, 25–28 June 2023; pp. 1–4. [Google Scholar] [CrossRef]
- Al-bayati, A.M.S.; Alharbi, S.S.; Alharbi, S.S.; Matin, M. A comparative design and performance study of a non-isolated DC-DC buck converter based on Si-MOSFET/Si-Diode, SiC-JFET/SiC-schottky diode, and GaN-transistor/SiC-Schottky diode power devices. In Proceedings of the 2017 North American Power Symposium (NAPS), Morgantown, WV, USA, 17–19 September 2017; pp. 1–6. [Google Scholar] [CrossRef]
- Van Cuong, V.; Meguro, T.; Ishikawa, S.; Maeda, T.; Sezaki, H.; Kuroki, S.I. Amplifier Based on 4H-SiC MOSFET Operation at 500 °C for Harsh Environment Applications. IEEE Trans. Electron Devices 2022, 69, 4194–4199. [Google Scholar] [CrossRef]













| Parameters | Symbol | N-Channel MOS (NMOS) | P-Channel MOS (PMOS) |
|---|---|---|---|
| Transistor Width | W [m] | [3, 20] | [10, 100] |
| Transistor Length | L [m] | [2, 10] | [6, 10] |
| Gate-Source Voltage | [V] | [0, 20] | [−20, 0] |
| Drain-Source Voltage | [V] | [0, 20] | [−20, 0] |
| Temperature | T [°C] | [25, 300] | [25, 300] |
| Description | Symbol | Value |
|---|---|---|
| Input Voltage | [V] | 20 |
| Output Voltage | [V] | 12/9/5/3.3 |
| Output Current (per channel) | [mA] | 100 |
| Maximum Power (per channel) | - [W] | 1.3 |
| Peak Efficiency | - | >80% |
| Switching Frequency | [kHz] | 75 |
| Operational State | ||||
|---|---|---|---|---|
| S1 | ON | OFF | ↑ (increase) | 20 V |
| S2 | OFF | ON | ↓ (reduce) | 0 V |
| S3 | OFF | OFF | ∼ | ∼ |
| Description | Symbol | ||
|---|---|---|---|
| Width | W [m] | 100 | 20 |
| Length | L [m] | 6 | 2 |
| Multiplier 1 | Mult | 1406 | 896 |
| On resistance | 17.39 | 5.05 | |
| Gate-source capacitance | [pF] | 465.1 | 38.3 |
| Total transistor area | A [] | 3.74 | 0.82 |
| Transistor | Length (L) | Width (W) | G.Driver Mult | G.Driver Mult |
|---|---|---|---|---|
| , , | 6 m | 10 m | 36 | 6 |
| , , | 2 m | 20 m | 18 | 4 |
| 6 m | 100 m | 36 | 6 | |
| 2 m | 20 m | 18 | 4 | |
| 6 m | 100 m | 72 | 12 | |
| 2 m | 20 m | 36 | 8 |
| This Work | [51] | [52] | [53] | |
|---|---|---|---|---|
| Technology | 2 m 4H-SiC CMOS | GaN MIS-HFETs | 180 nm Si CMOS | SiC JFET/SiC Diode |
| Integrated | Yes | Yes | Yes | No |
| Temperature [°C] | [25, 295] | [25, 250] | [−40, 175] | 150 |
| Efficiency % | [84.8, 89.6] a | - | - | 96 |
| Input voltage/output voltage [V] | 20/3.3–12 | 15–25/2.5–20 | 12–45/5 | 140–240/48 |
| Output current [A] | 0.3 | - | [0, 1] | 5 |
| Switching Frequency [kHz] | 75 | 100 | 200 | 100 |
Disclaimer/Publisher’s Note: The statements, opinions and data contained in all publications are solely those of the individual author(s) and contributor(s) and not of MDPI and/or the editor(s). MDPI and/or the editor(s) disclaim responsibility for any injury to people or property resulting from any ideas, methods, instructions or products referred to in the content. |
© 2024 by the authors. Licensee MDPI, Basel, Switzerland. This article is an open access article distributed under the terms and conditions of the Creative Commons Attribution (CC BY) license (https://creativecommons.org/licenses/by/4.0/).
Share and Cite
Martinez, A.; Torres, F.; Marin, J.; Rojas, C.A.; Gak, J.; Rommel, M.; May, A.; Wilson-Veas, A.H.; Miguez, M.; Rossi, C.; et al. Analysis and Design of an SiC CMOS Three-Channel DC-DC Synchronous Buck Converter for High-Temperature Applications. Appl. Sci. 2024, 14, 9789. https://doi.org/10.3390/app14219789
Martinez A, Torres F, Marin J, Rojas CA, Gak J, Rommel M, May A, Wilson-Veas AH, Miguez M, Rossi C, et al. Analysis and Design of an SiC CMOS Three-Channel DC-DC Synchronous Buck Converter for High-Temperature Applications. Applied Sciences. 2024; 14(21):9789. https://doi.org/10.3390/app14219789
Chicago/Turabian StyleMartinez, Andres, Felipe Torres, Jorge Marin, Christian A. Rojas, Joel Gak, Mathias Rommel, Alexander May, Alan H. Wilson-Veas, Matias Miguez, Chiara Rossi, and et al. 2024. "Analysis and Design of an SiC CMOS Three-Channel DC-DC Synchronous Buck Converter for High-Temperature Applications" Applied Sciences 14, no. 21: 9789. https://doi.org/10.3390/app14219789
APA StyleMartinez, A., Torres, F., Marin, J., Rojas, C. A., Gak, J., Rommel, M., May, A., Wilson-Veas, A. H., Miguez, M., Rossi, C., Schraml, M., & Calarco, N. (2024). Analysis and Design of an SiC CMOS Three-Channel DC-DC Synchronous Buck Converter for High-Temperature Applications. Applied Sciences, 14(21), 9789. https://doi.org/10.3390/app14219789

