Properties and Production Assumptions of Organic Biofertilisers Based on Solid and Liquid Waste from the Food Industry
Abstract
1. Introduction
2. Materials and Methods
2.1. Raw Materials for Organic Biofertiliser Production
2.2. Plant Nutrient Concentration
2.3. Organic Matter Content
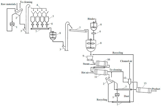
2.4. Granulation of Biofertilisers
2.5. Size Distribution of Granular Biofertilisers
2.6. Moisture Content of Granules
2.7. Static Crushing Strength of Granules
2.8. pH Determination
2.9. Tapped Bulk Density
2.10. Hygroscopicity of Granular Biofertilisers
2.11. Scanning Electron Microscopy and Energy-Dispersive Spectroscopy Analysis
2.12. Statistical Analysis
3. Results and Discussion
- 20% BHA + 40% BH + 40% BBM + BE
- 20% BHA + 40% BH + 40% BBM + MS
- 40% BHA + 30% BH + 30% BBM + BE
- 40% BHA + 30% BH + 30% BBM + MS
- 20% BHA + 20% BH + 20% BBM + 40% BM +BE
- 20% BHA + 20% BH + 20% BBM + 40% BM +MS
- 40% BHA + 10% BH + 10% BBM + 40% BM +BE
- 40% BHA + 10% BH + 10% BBM + 40% BM +MS
4. Conclusions
Author Contributions
Funding
Institutional Review Board Statement
Informed Consent Statement
Data Availability Statement
Conflicts of Interest
References
- The World Bank. Research Newsletter: Food and Nutrition Security. 2024. Available online: https://www.worldbank.org/en/research/brief/research-newsletter-food-and-nutrition-security-february-2024 (accessed on 5 April 2024).
- Ranganathan, J.; Waite, R.; Searchinger, T.; Hanson, C. How to Sustainably Feed 10 Billion People by 2050, in 21 Charts. World Resources Institute, 2018. Available online: https://www.wri.org/insights/how-sustainably-feed-10-billion-people-2050-21-charts (accessed on 14 May 2024).
- Agricen. Growing for the Future. Available online: https://www.agricen.com/access-growing-future-booklet (accessed on 12 April 2024).
- Sutton, M.A.; Bleeker, A.; Howard, C.M.; Erisman, J.W.; Abrol, Y.P.; Bekunda, M.; Datta, A.; Davidson, E.; Vries, W.d.; Oenema, O.; et al. Our Nutrient World Centre for Ecology and Hydrology (CEH); UK Centre for Ecology & Hydrology: Edinburgh UK, 2013; p. 128. ISBN 978-1-906698-40-9. [Google Scholar]
- Javed, A.; Ali, E.; Afzal, K.B.; Osman, A.; Riaz, S. Soil Fertility: Factors Affecting Soil Fertility, and Biodiversity. Responsible for Soil Fertility. Int. J. Plant Anim. Environ. Sci. 2022, 12, 21–33. [Google Scholar] [CrossRef]
- YARA. Kowledge Grows. Why Do Plants Need Fertilizers? 2024. Available online: https://www.yara.com/knowledge-grows/why-do-plants-need-fertilizers/ (accessed on 14 May 2024).
- IFA. Micronutrients. How Fertilizers Help to Address the Problems of Hunger and Malnutrition. 2023. Available online: https://www.fertilizer.org/key-priorities/human-nutrition/micronutrients/ (accessed on 12 April 2024).
- Pahalvi, H.N.; Rafiya, L.; Rashid, S.; Nisar, B.; Kamili, A.N. Chemical Fertilizers and Their Impact on Soil Health. Microbiota and Biofertilizers. 2021, Volume 2, pp. 1–20. Available online: https://link.springer.com/chapter/10.1007/978-3-030-61010-4_1 (accessed on 4 June 2024).
- Roy, R.N.; Finck, A.; Blair, G.J.; Tandon, H.L.S. Plant Nutrition for Food Security. FAO Fertilizer and Plant Nutrition Bulletin 16. Available online: https://www.fao.org/3/a0443e/a0443e.pdf (accessed on 14 May 2024).
- IFA. Re-Thinking the Role of Plant Nutrients. Food System Summit. 2022. Available online: https://www.scribd.com/document/521183161/2021-IFA-Re-thinking-the-Role-of-Plant-Nutrients (accessed on 12 April 2024).
- Ayilara, M.S.; Olanrewaju, O.S.; Babalola, O.O.; Odeyemi, O. Waste Management through Composting: Challenges and Potentials. Sustainability 2020, 12, 4456. [Google Scholar] [CrossRef]
- Szymańska, M.; Gubiec, W.; Smreczak, B.; Ukalska-Jaruga, A.; Sosulski, T. How Does Specialization in Agricultural Production Affect Soil Health? Agriculture 2024, 14, 424. [Google Scholar] [CrossRef]
- Buneviciene, K.; Drapanauskaite, D.; Mazeika, R.; Baltrusaitis, J.A. Mixture of Green Waste Compost and Biomass Combustion Ash for Recycled Nutrient Delivery to Soil. Agronomy 2021, 11, 641. [Google Scholar] [CrossRef]
- Wambacq, E.; Alloul, A.; Grunert, O.; Carrette, J.; Vermeir, P.; Spanoghe, J.; Sakarika, M.; Vlaeminck, S.E.; Haesaert, G. Aerobes and phototrophs as microbial organic fertilizers: Exploring mineralization, fertilization and plant protection features. PLoS ONE 2022, 17, e0262497. [Google Scholar] [CrossRef] [PubMed]
- A New Paradigm for Plant Nutrition. The Scientific Group for the UN Food Systems Summit. 2021. Available online: https://sc-fss2021.org/wp-content/uploads/2021/03/FSS_Brief_New_Paradigm_for_Plant_Nutrition.pdf (accessed on 7 May 2024).
- Yadav, K.K.; Sarkar, S.S. Biofertilizers, Impact on Soil Fertility and Crop Productivity under Sustainable Agriculture. 2018. Available online: https://www.researchgate.net/publication/329238918_Biofertilizers_Impact_on_Soil_Fertility_and_Crop_Productivity_under_Sustainable_Agriculture (accessed on 14 June 2024).
- The World Bank. Press Realease. Global Waste to Grow by 70 Percent by 2050 Unless Urgent Action is Taken: World Bank Report. 2018. Available online: https://www.worldbank.org/en/news/press-release/2018/09/20/global-waste-to-grow-by-70-percent-by-2050-unless-urgent-action-is-taken-world-bank-report (accessed on 4 April 2024).
- FAO. Food Wastage Footprint. Impacts on Natural Resources. Summary Raport. 2013. Available online: https://www.fao.org/3/i3347e/i3347e.pdf (accessed on 8 April 2024).
- Karps, O.; Aboltins, A.; Palabinskis, J. Biomass ash utilization opportunities in agriculture. In Proceedings of the 8th International Scientific Conference, Kaunas, Lithuania, 23–24 November 2017; Aleksandras Stulginskis University: Kaunas, Lithuania, 2017; pp. 193–198. [Google Scholar] [CrossRef]
- Stankowski, S.; Chajduk, E.; Osińska, B.; Gibczyńska, M. Biomass ash as a potential raw material for the production of mineral fertilisers. Agron. Res. 2021, 19, 1999–2012. [Google Scholar] [CrossRef]
- Chew, K.W.; Chia, S.R.; Yen, H.-W.; Nomanbhay, S.; Ho, Y.-C.; Show, P.L. Transformation of Biomass Waste into Sustainable Organic Fertilizers. Sustainability 2019, 11, 2266. [Google Scholar] [CrossRef]
- Greinert, A.; Mrówczyńska, M.; Szefner, W. Study on the Possibilities of Natural Use of Ash Granulate Obtained from the Combustion of Pellets from Plant Biomass. Energies 2019, 12, 2569. [Google Scholar] [CrossRef]
- Bhatia, L.; Jha, H.; Sarkar, T.; Sarangi, P.K. Food Waste Utilization for Reducing Carbon Footprints towards Sustainable and Cleaner Environment: A Review. Int. J. Environ. Res. Public Health 2023, 20, 2318. [Google Scholar] [CrossRef]
- Yang, M.; Chen, L.; Wang, J.; Msigwa, G.; Osman, A.I.; Fawzy, S.; Rooney, D.W.; Yap, P.-S. Circular economy strategies for combating climate change and other environmental issues. Environ. Chem. Lett. 2023, 21, 55–80. [Google Scholar] [CrossRef]
- Thomson, A.; Price, G.; Arnold, P.; Dixon, M.; Graham, T. Review of the potential for recycling CO2 from organic waste composting into plant production under controlled environment agriculture. J. Clean. Prod. 2022, 333, 130051. [Google Scholar] [CrossRef]
- Chemicals & Waste. 2023. Available online: https://www.foodpackagingforum.org/news/world-health-assembly-adopts-resolution-on-chemicals-waste-and-pollution (accessed on 14 March 2024).
- Rayara, T.; Basheer-Salimia, R.; Hawamde, F.; Sánchez, A. Recycling of Organic Wastes through Composting: Process Performance and Compost Application in Agriculture. Agronomy 2020, 10, 1838. [Google Scholar] [CrossRef]
- Hajam, Y.A.; Kumar, R.; Kumar, A. Environmental waste management strategies and vermi transformation for sustainable development. Environ. Chall. 2023, 13, 100747. [Google Scholar] [CrossRef]
- Elema, W.R. Preparation and characterization of vermicompost made from different sources of materials. Environ. Sci. Agric. Food Sci. 2021, 6, 42–48. [Google Scholar] [CrossRef]
- Choudhary, A.K.; Suri, V.K. Low-Cost Vermi-Composting Technology and Its Application in Bio-Conversion of Obnoxious Weed Flora of North-Western Himalayas into Vermi-Compost. Commun. Soil Sci. Plant Anal. 2018, 49, 1429–1441. [Google Scholar] [CrossRef]
- Al-Rumaihi, A.; Shahbaz, M.; Mckay, G.; Mackey, H.; Al-Ansari, T. A review of pyrolysis technologies and feedstock: A blending approach for plastic and biomass towards optimum biochar yield. Renew. Sustain. Energy Rev. 2022, 167, 112715. [Google Scholar] [CrossRef]
- Tripathi, M.; Sahu, J.N.; Ganesan, P. Effect of process parameters on production of biochar from biomass waste through pyrolysis: A review. Renew. Sustain. Energy Rev. 2016, 55, 467–481. [Google Scholar] [CrossRef]
- Biogreen Apart of VOW. Pyrolisis-Definition. Available online: https://www.biogreen-energy.com/what-is-pyrolysis (accessed on 12 April 2024).
- Bacher, C.; Olsen, P.M.; Bertelsen, P.; Sonnergaard, J.M. Compressibility and compactibility of granules produced by wet and dry granulation. Int. J. Pharm. 2008, 358, 69–74. [Google Scholar] [CrossRef]
- Burchart-Korol, D.; Korol, J.; Francik, P. Application of the new mixing and granulation technology of raw materials for iron ore sintering process. Metal. Zagreb 2012, 51, 187–190. [Google Scholar]
- Espacenet Patent Search. Screen Drum Device for Drying and Screening Granular Organic Fertilizer. CN216368875U, 26 April 2022. Available online: https://worldwide.espacenet.com/patent/search/family/081247970/publication/CN216368875U?q=CN216368875U (accessed on 12 April 2024).
- Espacenet Patent Search. Granular Bio-Organic Fertilizer and Production Process Thereof. CN115710139A, 24 February 2023. Available online: https://worldwide.espacenet.com/patent/search/family/085236095/publication/CN115710139A?q=CN115710139A (accessed on 12 April 2024).
- Fertilizers Europe. Guidance for the Storage, Handling and Transportation of Solid Mineral Fertilizers. 2015. Available online: https://www.fertilizerseurope.com/wp-content/uploads/2007/08/Final-version-Storage-handling-and-transport-of-solid-fertilizers-18112015.pdf (accessed on 3 May 2024).
- Malman, J. Granulation of Fertilizers: Overview and Equipment Selection. Metso. 2020. Available online: https://www.metso.com/insights/blog/mining-and-metals/granulation-of-fertilizers-overview-and-equipment-selection/ (accessed on 6 April 2024).
- Espacenet Patent Search. Granular Organic Fertilizer Production Line. CN202829863U, 27 March 2013. [Google Scholar]
- Espacenet Patent Search. Roller Granulator for Producing Granular Organic Fertilizer. CN215783204U, 11 February 2022. [Google Scholar]
- De Simone, V.; Caccavo, D.; Lamberti, G.; D’Amore, M.; Barba, A.A. Wet-granulation process: Phenomenological analysis and process parameters optimization. Powder Technol. 2018, 340, 411–419. [Google Scholar] [CrossRef]
- Le Capitaine, S. Systems for Granular Fertilizer and Soil Amendment Production. Feeco International. Available online: https://feeco.com/systems-for-granular-fertilizer-and-soil-amendment-production/ (accessed on 6 March 2024).
- Reserch and Markets. Organic Fertilizer Market: Trends, Opportunities and Competitive Analysis to 2030. Available online: https://www.researchandmarkets.com/reports/5691830/global-organic-fertilizer-market-to-2027 (accessed on 6 April 2024).
- Jha, R.; Zhang, K.; He, Y.; Mendler-Drienyovszki, N.; Magyar-T’abori, K.; Quinet, M.; Germ, M.; Kreft, I.; Meglic, V.; Ikeda, K.; et al. Global nutritional challenges and opportunities: Buckwheat, a potential bridge between nutrient deficiency and food security. Trends Food Sci. Technol. 2024, 145, 104365. [Google Scholar] [CrossRef]
- Pociene, O.; Slinksiene, R. Studies on the Possibilities of Processing Buckwheat Husks and Ash in the Production of Environmentally Friendly Fertilizers. Agric. Basel 2022, 12, 193. [Google Scholar] [CrossRef]
- BIOVAST. Available online: https://www.biovast.lt/en/apie-mus/rietavas-2/ (accessed on 23 April 2024).
- LST EN 17053:2018. 2018. Available online: https://lsd.lrv.lt/uploads/lsd/documents/files/Biuletinis/2018/LSTbiuletenis201804.pdf (accessed on 3 May 2024).
- FAOLEX Database. Commission Regulation (EC) No. 152/2009 Laying Down the Methods of Sampling and Analysis for the Official Control of Feed. Available online: https://www.fao.org/faolex/results/details/en/c/LEX-FAOC085543/ (accessed on 14 March 2024).
- EUROPEAN STANDARDS BS EN 17053:2018; Animal Feeding Stuffs: Methods of Sampling and Analysis. Determination of Trace Elements, Heavy Metals and Other Elements in Feed by ICP-MS (Multi-Method). Available online: https://standards.iteh.ai/catalog/standards/cen/5d8612ed-c2c0-416d-8d96-212f130d1156/en-17053-2018?srsltid=AfmBOorF4_994YRL5naa-B6D0NcAcEiY_uBXRS_0UMfsEqDpW5fn8TO1 (accessed on 29 March 2024).
- LST EN 13654-1:2002; Soil Improvers and Growing Media—Determination of Nitrogen—Part 1: Modified Kjeldahl Method. Lithuanian Department of Standardization: Vilnius, Lithuania, 2002.
- LST EN 13650:2006; Soil Improvers and Growing Media—Extraction of Aqua Regia Soluble Elements. Lithuanian Department of Standardization: Vilnius, Lithuania, 2006.
- UNE EN 13039:2012; Soil Improvers and Growing Media—Determination of Organic Matter Content and Ash. 2012. Available online: https://standards.iteh.ai/catalog/standards/cen/825ecadd-2c72-4dc9-a38c-1e4bdeac857f/en-13039-2011?srsltid=AfmBOooz_F9IxYAtrlG6fAUUKstnc6_Ha2dtLUXzQiLiIFRFQq-rXtzp (accessed on 2 April 2024).
- Lance, G.E.N. Handbook of Solid Fertilizer Blending, Code of Good Practice for Quality; EFBA/AFCOME Quality Committee: Laval, France, 2013. [Google Scholar]
- LebanonTurf. Turf Fertilizer. Choosing the Right Granular Fertilizer. 2019. Available online: https://www.lebanonturf.com/education-center/turf-fertilizer/choosing-the-right-granular-fertilizer (accessed on 14 June 2024).
- Atkinson, J. Getting the Most out of Granular Blends—Fertilizer Physical Characteristics. 2022. Available online: https://harrells.com/Blog/Post/getting-the-most-out-of-granular-blends-%E2%80%93-fertilizer-physical-characteristics (accessed on 29 March 2024).
- Jiggens, M. Making Sense of the Numbers. 2012. Available online: https://www.turfandrec.com/making-sense-of-the-numbers-2954/ (accessed on 23 April 2024).
- EUROPEAN STANDARDS DIN EN 1236 Fertilizers—Determination of Bulk Density (Loose) (ISO 3944:1992, Modified). Available online: https://www.en-standard.eu/din-en-1236-fertilizers-determination-of-bulk-density-loose-iso-3944-1992-modified/ (accessed on 2 April 2024).
- Barker, A.V. Fertilizers. 2019, pp. 134–144. Available online: https://www.sciencedirect.com/topics/chemistry/bone-meal (accessed on 2 April 2024).
- Sulabo, R.; Stein, H.H. Digestibility of Phosphorus and Calcium in Meat and Bone Meal Fed to Growing Pigs. 2012. Available online: https://www.researchgate.net/publication/233892665_Digestibility_of_phosphorus_and_calcium_in_meat_and_bone_meal_fed_to_growing_pigs (accessed on 14 June 2024).
- Fulton, J.; Port, K. Physical Properties of Granular Fertilizers and Impact on Spreading. OSU.EDU. 2016. Available online: https://ohioline.osu.edu/factsheet/fabe-5501 (accessed on 14 June 2024).
- Wang, W.; Song, S. Impacts of Antecedent Soil Moisture on the Rainfall-Runoff Transformation Process Based on High-Resolution Observations in Soil Tank Experiments. Water 2019, 11, 296. [Google Scholar] [CrossRef]
- Regulation (EC) No 2003/2003 of the European Parliament and of the Council. 2003. Available online: https://www.legislation.gov.uk/eur/2003/2003/attachments (accessed on 15 April 2024).
- GRDC. 2023. Available online: https://groundcover.grdc.com.au/agronomy/soil-and-nutrition/new-resources-for-growers-considering-fertiliser-options-amid-shortages (accessed on 3 May 2024).
- Malmgren, A.; Riley, G. Biomass Power Generation. In Reference Module in Earth Systems and Environmental Sciences; Elsevier: Amsterdam, The Netherlands, 2018. [Google Scholar] [CrossRef]
- Pacific Fertilizers. 2017. Available online: https://pacificfertiliser.com/2017/05/fertiliser-bulk-densities/ (accessed on 6 May 2024).
- Ulusal, A.; Avsar, C. Understanding Caking Phenomena in Industrial Fertilizers: A Review. Chem. Biochem. Eng. Q. 2021, 34, 209–222. [Google Scholar] [CrossRef]
- Novotny, E.H.; Mattos, B.B.; de Carvalho, C.M.; de Oliveira, R.S.; Rech, J.; Polidoro, J.C.; Teixeira, P.C.; Bonagamba, T.J. NMR Relaxometry for Hygroscopicity Evaluation in Fertilizers. In Proceedings of the 17th NMR Users Meeting, Rio de Janeiro, Brazil, 3–7 August 2019. [Google Scholar]
- YARA. Fertiliser Handling and Safety. 2023. Available online: https://www.yara.co.uk/crop-nutrition/fertiliser-handling-and-safety2/physical-properties-of-fertilisers/ (accessed on 3 May 2024).
- Shaji, H.; Chandran, V.; Mathew, L. Organic Fertilizers as a Route to Controlled Release of Nutrients. In Controlled Release Fertilizers for Sustainable Agriculture; Elite Publishing House: Delhi, India, 2021; pp. 231–245. Available online: https://www.researchgate.net/publication/346275809_Organic_fertilizers_as_a_route_to_controlled_release_of_nutrients (accessed on 14 June 2024).







| Composition V | Composition VI | Composition VII | Composition VIII | ||||||||||||
|---|---|---|---|---|---|---|---|---|---|---|---|---|---|---|---|
| 1 | 2 | 3 | 4 | 5 | 6 | 7 | 8 | 9 | 10 | 11 | 12 | 13 | 14 | 15 | 16 | 
| 192 | 181 | 231 | – | – | 170 | 166 | – | – | 177 | 187 | 236 | – | 241 | 259 | 257 | 
| Sam-ple No. | Moisture Content of Raw Materials Mixture, % | The Main Properties of Organic Biofertilisers | ||||||||
|---|---|---|---|---|---|---|---|---|---|---|
| Amount of Commercial Fraction, % | Static Crushing Strength of Granules, N/Granule | Bulk Density (Tapped) of Granules, kg/m3 | Moisture Content of Granules, % | pH of 10% Fertiliser Solution | ||||||
| 2–3.15 mm | 3.15–4 mm | 2–3.15 mm | 3.15–4 mm | 2–3.15 mm | 3.15–4 mm | 2–3.15 mm | 3.15–4 mm | |||
| V. 20% BHA + 20% BH + 20% BBM + 40% BM +BE | ||||||||||
| 1 | 31.34 | 34.43 ± 0.42 | 18.09 ± 0.13 | 7.89 ± 0.52 | 8.50 ± 0.26 | 446.01 ± 2.41 | 435.73 ± 4.22 | 6.63 ± 0.15 | 6.80 ± 0.30 | 9.75 ± 0.11 | 
| 2 | 33.08 | 37.68 ± 0.61 | 19.46 ± 0.18 | 9.21 ± 0.21 | 10.97 ± 0.41 | 454.59 ± 3.70 | 441.31 ± 2.21 | 4.69 ± 0.27 | 5.31 ± 0.42 | 9.65 ± 0.42 | 
| 3 | 35.11 | 31.64 ± 0.21 | 23.99 ± 0.52 | 8.74 ± 0.17 | 9.60 ± 0.14 | 477.52 ± 3.29 | 473.38 ± 3.33 | 5.75 ± 0.21 | 5.77 ± 0.21 | 9.65 ± 0.16 | 
| 4 | 36.82 | 16.69 ± 0.21 | 23.65 ± 0.12 | 9.71 ± 0.54 | 13.46 ± 0.33 | 503.02 ± 7.11 | 500.43 ± 3.94 | 4.71 ± 0.02 | 4.90 ± 0.12 | 9.90 ± 0.57 | 
| VI. 20% BHA + 20% BH + 20% BBM + 40% BM +MS | ||||||||||
| 5 | 33.21 | 37.32 ± 0.33 | 11.64 ± 0.59 | 8.44 ± 0.18 | 10.35 ± 0.28 | 521.03 ± 1.78 | 489.67 ± 3.23 | 3.84 ± 0.54 | 3.93 ± 0.11 | 9.45 ± 0.22 | 
| 6 | 34.56 | 44.83 ± 0.59 | 17.83 ± 0.36 | 7.98 ± 0.44 | 12.39 ± 0.41 | 492.12 ± 6.24 | 488.77 ± 2.28 | 3.33 ± 0.30 | 3.48 ± 0.02 | 9.45 ± 0.16 | 
| 7 | 35.21 | 48.79 ± 0.56 | 18.20 ± 0.12 | 9.12 ± 0.56 | 10.54 ± 0.33 | 512.63 ± 5.01 | 500.91 ± 2.13 | 3.26 ± 3.30 | 4.03 ± 0.08 | 6.32 ± 0.26 | 
| 8 | 36.33 | 10.72 ± 0.46 | 25.97 ± 0.19 | 11.68 ± 0.71 | 13.22 ± 0.14 | 505.14 ± 3.76 | 500.62 ± 6.34 | 3.48 ± 1.32 | 4.66 ± 0.38 | 9.45 ± 0.33 | 
| VII. 40% BHA + 10% BH + 10% BBM + 40% BM +BE | ||||||||||
| 9 | 31.19 | 37.09 ± 0.44 | 12.87 ± 0.20 | 7.92 ± 0.18 | 10.94 ± 0.11 | 511.68 ± 4.91 | 497.82 ± 3.18 | 5.68 ± 0.26 | 5.82 ± 0.54 | 10.30 ± 0.18 | 
| 10 | 32.10 | 42.97 ± 0.59 | 25.23 ± 0.16 | 11.84 ± 0.44 | 12.17 ± 0.18 | 530.28 ± 6.13 | 531.53 ± 5.10 | 5.63 ± 0.42 | 5.90 ± 0.33 | 10.35 ± 0.26 | 
| 11 | 33.28 | 29.14 ± 0.33 | 27.13 ± 0.21 | 10.43 ± 0.34 | 15.57 ± 0.62 | 567.81 ± 5.14 | 565.78 ± 1.01 | 4.67 ± 0.06 | 4.94 ± 0.18 | 10.35 ± 0.21 | 
| 12 | 34.44 | 23.46 ± 0.12 | 27.44 ± 0.30 | 8.60 ± 0.26 | 13.42 ± 0.08 | 549.72 ± 3.04 | 531.33 ± 2.62 | 4.89 ± 0.11 | 4.90 ± 0.08 | 10.35 ± 0.11 | 
| VIII. 40% BHA + 10% BH + 10% BBM + 40% BM +MS | ||||||||||
| 13 | 30.93 | 30.35 ± 0.12 | 8.34 ± 0.31 | 8.35 ± 0.36 | 10.63 ± 0.11 | 554.42 ± 4.81 | 551.22 ± 2.12 | 3.70 ± 0.08 | 3.79 ± 0.04 | 10.25 ± 0.54 | 
| 14 | 32.72 | 40.45 ± 0.56 | 18.66 ± 0.52 | 10.83 ± 0.50 | 18.73 ± 0.21 | 608.63 ± 6.67 | 607.11 ± 5.54 | 5.45 ± 0.30 | 6.10 ± 0.13 | 10.30 ± 0.33 | 
| 15 | 33.50 | 43.04 ± 0.51 | 24.85 ± 0.42 | 14.61 ± 0.11 | 14.87 ± 0.18 | 619.88 ± 4.56 | 607.69 ± 3.13 | 5.68 ± 0.17 | 6.17 ± 0.11 | 10.30 ± 0.33 | 
| 16 | 34.21 | 31.21 ± 0.28 | 30.64 ± 0.59 | 11.41 ± 0.41 | 15.82 ± 0.36 | 596.14 ± 2.21 | 591.23 ± 5.38 | 4.80 ± 0.21 | 5.64 ± 0.21 | 10.35 ± 0.42 | 
| Sample | Primary and Secondary Macronutrients, % | Organic Matter, % | ||||
|---|---|---|---|---|---|---|
| Ntotal | P2O5 | K2O | CaO | MgO | ||
| 2 | 4.73 | 4.26 | 6.47 | 2.94 | 1.45 | 32.46 | 
| 7 | 3.87 | 5.29 | 8.28 | 2.10 | 1.13 | 31.31 | 
| 10 | 4.42 | 6.23 | 12.15 | 3.43 | 1.58 | 22.18 | 
| 15 | 3.56 | 5.96 | 12.37 | 3.85 | 2.06 | 22.25 | 
| Disclaimer/Publisher’s Note: The statements, opinions and data contained in all publications are solely those of the individual author(s) and contributor(s) and not of MDPI and/or the editor(s). MDPI and/or the editor(s) disclaim responsibility for any injury to people or property resulting from any ideas, methods, instructions or products referred to in the content. | 
© 2024 by the authors. Licensee MDPI, Basel, Switzerland. This article is an open access article distributed under the terms and conditions of the Creative Commons Attribution (CC BY) license (https://creativecommons.org/licenses/by/4.0/).
Share and Cite
Pocienė, O.; Šlinkšienė, R. Properties and Production Assumptions of Organic Biofertilisers Based on Solid and Liquid Waste from the Food Industry. Appl. Sci. 2024, 14, 9784. https://doi.org/10.3390/app14219784
Pocienė O, Šlinkšienė R. Properties and Production Assumptions of Organic Biofertilisers Based on Solid and Liquid Waste from the Food Industry. Applied Sciences. 2024; 14(21):9784. https://doi.org/10.3390/app14219784
Chicago/Turabian StylePocienė, Odeta, and Rasa Šlinkšienė. 2024. "Properties and Production Assumptions of Organic Biofertilisers Based on Solid and Liquid Waste from the Food Industry" Applied Sciences 14, no. 21: 9784. https://doi.org/10.3390/app14219784
APA StylePocienė, O., & Šlinkšienė, R. (2024). Properties and Production Assumptions of Organic Biofertilisers Based on Solid and Liquid Waste from the Food Industry. Applied Sciences, 14(21), 9784. https://doi.org/10.3390/app14219784
 
        


 
       