An Enhanced SL-YOLOv8-Based Lightweight Remote Sensing Detection Algorithm for Identifying Broken Strands in Transmission Lines
Abstract
1. Introduction
2. Methods and Data
2.1. YOLOv8 Network Models
2.2. New Algorithmic Ateps
2.2.1. SENet_v2 Module
2.2.2. LSK Module
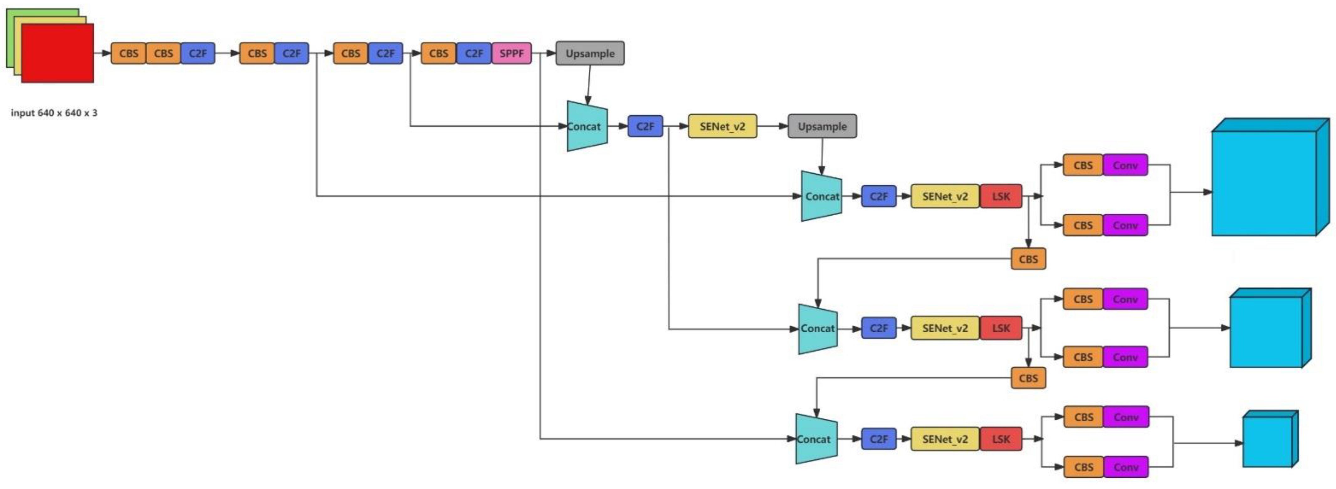
2.2.3. SL-YOLOv8
2.3. Data and Experimental Environment
2.3.1. Dataset
2.3.2. Experimental Environment
3. Experiment and Analysis
3.1. Evaluation Index
3.2. Ablation Experiment
3.3. Comparative Experiment
4. Conclusions
Author Contributions
Funding
Institutional Review Board Statement
Informed Consent Statement
Data Availability Statement
Conflicts of Interest
References
- Swain, A.; Abdellatif, E.; Mousa, A.; Pong, P.W.T. Sensor Technologies for Transmission and Distribution Systems: A Review of the Latest Developments. Energies 2022, 15, 7339. [Google Scholar] [CrossRef]
- Li, X.; Li, Z.; Wang, H.; Li, W. Unmanned Aerial Vehicle for Transmission Line Inspection: Status, Standardization, and Perspectives. Front. Energy Res. 2021, 9, 713634. [Google Scholar] [CrossRef]
- Toussaint, K.; Pouliot, N.; Montambault, S. Transmission Line Maintenance Robots Capable of Crossing Obstacles: State-of-the-art Review and Challenges Ahead. J. Field Robot. 2009, 26, 477–499. [Google Scholar] [CrossRef]
- Wu, G.; Xiao, H.; Xiao, X.; Huang, Z.; Li, Y. Transmission Line Inspection Robot and Deicing Robot: Key Technologies, Prototypes and Applications. In Proceedings of the 2010 1st International Conference on Applied Robotics for the Power Industry, Montreal, QC, Canada, 5–7 October 2010; IEEE: Montreal, QC, Canada, 2010; pp. 1–6. [Google Scholar]
- Rodriguez-Conde, I.; Campos, C.; Fdez-Riverola, F. Optimized Convolutional Neural Network Architectures for Efficient On-Device Vision-Based Object Detection. Neural Comput. Applic. 2022, 34, 10469–10501. [Google Scholar] [CrossRef]
- Chen, G.; Wang, S.; Liu, Y.; Li, J.; Qin, G.; Wang, J.; Sun, A.; Yuan, L. Research on Transmission Line Hardware Identification Based on Improved YOLOv5 and DeblurGANv2. IEEE Access 2023, 11, 133351–133362. [Google Scholar] [CrossRef]
- Wu, X.; Sahoo, D.; Hoi, S.C.H. Recent Advances in Deep Learning for Object Detection. Neurocomputing 2020, 396, 39–64. [Google Scholar] [CrossRef]
- Girshick, R.; Donahue, J.; Darrell, T.; Malik, J. Rich feature hierarchies for accurate object detection and semantic segmentation. In Proceedings of the IEEE Conference on Computer Vision and Pattern Recognition, Columbus, OH, USA, 23–28 June 2014; pp. 580–587. [Google Scholar]
- Girshick, R. Fast R-CNN. In Proceedings of the 2015 IEEE International Conference on Computer Vision (ICCV), Santiago, Chile, 7–13 December 2015; IEEE: Santiago, Chile, 2015; pp. 1440–1448. [Google Scholar]
- Ren, S.; He, K.; Girshick, R.; Sun, J. Faster R-CNN: Towards Real-Time Object Detection with Region Proposal Networks. IEEE Trans. Pattern Anal. Mach. Intell. 2017, 39, 1137–1149. [Google Scholar] [CrossRef]
- Zheng, R.; Zhu, L.; Hu, T.; Li, J. Detection of Fault Insulator of Power Transmission Line Based on Region-CNN. In Proceedings of the 2020 35th Youth Academic Annual Conference of Chinese Association of Automation (YAC), Zhanjiang, China, 16–18 October 2020; IEEE: Zhanjiang, China, 2020; pp. 73–76. [Google Scholar]
- Li, X.; Shang, M.; Qin, H. Fast Accurate Fish Detection and Recognition of Underwater Images with Fast R-CNN. In Proceedings of the OCEANS 2015-MTS/IEEE Washington, Washington, DC, USA, 19–22 October 2015; IEEE: Washington, DC, USA, 2015; pp. 1–5. [Google Scholar]
- Xu, X.; Zhao, M.; Shi, P.; Ren, R.; He, X.; Wei, X.; Yang, H. Crack Detection and Comparison Study Based on Faster R-CNN and Mask R-CNN. Sensors 2022, 22, 1215. [Google Scholar] [CrossRef]
- Liu, W.; Anguelov, D.; Erhan, D.; Szegedy, C.; Reed, S.; Fu, C.-Y.; Berg, A.C. SSD: Single Shot MultiBox Detector. In Computer Vision—ECCV 2016; Leibe, B., Matas, J., Sebe, N., Welling, M., Eds.; Lecture Notes in Computer Science; Springer International Publishing: Cham, Switzerland, 2016; Volume 9905, pp. 21–37. ISBN 978-3-319-46447-3. [Google Scholar]
- Redmon, J.; Farhadi, A. YOLO9000: Better, Faster, Stronger. In Proceedings of the 2017 IEEE Conference on Computer Vision and Pattern Recognition (CVPR), Honolulu, HI, USA, 21–26 July 2017. [Google Scholar]
- Redmon, J.; Farhadi, A. YOLOv3: An Incremental Improvement. arXiv 2018, arXiv:1804.02767. [Google Scholar]
- Bochkovskiy, A.; Wang, C.Y.; Liao, H.Y. YOLOv4: Optimal Speed and Accuracy of Object Detection. arXiv 2020, arXiv:2004.10934. [Google Scholar]
- Ultralytics YOLOv5. Available online: https://github.com/ultralytics/yolov5 (accessed on 20 August 2023).
- Li, C.; Li, L.; Jiang, H.; Weng, K.; Geng, Y.; Li, L.; Ke, Z.; Li, Q.; Cheng, M.; Nie, W.; et al. YOLOv6: A Single-Stage Object Detection Framework for Industrial Applications. arXiv 2022, arXiv:2209.02976. [Google Scholar]
- Wang, C.Y.; Bochkovskiy, A.; Liao, H.Y. YOLOv7: Trainable bag-of-freebies sets new state-of-the-art for real-time object detectors. arXiv 2022, arXiv:2207.02696. [Google Scholar]
- Ge, Z.; Liu, S.; Wang, F.; Li, Z.; Sun, J. YOLOX: Exceeding YOLO Series in 2021. arXiv 2021, arXiv:2107.08430. [Google Scholar]
- Maduako, I.; Igwe, C.F.; Abah, J.E.; Onwuasaanya, O.E.; Chukwu, G.A.; Ezeji, F.; Okeke, F.I. Deep Learning for Component Fault Detection in Electricity Transmission Lines. J. Big Data 2022, 9, 81. [Google Scholar] [CrossRef]
- Wang, B.; Ding, H.; Teng, F.; Wang, Z.; Liu, H. Damage Object Detection of Steel Wire Rope-Core Conveyor Belts Based on the Improved YOLOv5. Int. J. Image Grap. 2024, 2550057. [Google Scholar] [CrossRef]
- Sheng, L.; Fang, S.; Yang, L.; Xiaokun, Y.; Dandan, L.; Longfei, L.; Yan, J. A Method and Implementation of Transmission Line’s Key Components and Defects Identification Based on YOLO. In Proceedings of the 2022 IEEE 10th Joint International Information Technology and Artificial Intelligence Conference (ITAIC), Chongqing, China, 23–25 June 2022; IEEE: Chongqing, China, 2022; pp. 144–148. [Google Scholar]
- Ultralytics YOLOV8. Available online: https://github.com/ultralytics/ultralytics (accessed on 12 October 2023).
- Han, B.; Lu, Z.; Dong, L.; Zhang, J. Lightweight Non-Destructive Detection of Diseased Apples Based on Structural Re-Parameterization Technique. Appl. Sci. 2024, 14, 1907. [Google Scholar] [CrossRef]
- Wu, Y.; Han, Q.; Jin, Q.; Li, J.; Zhang, Y. LCA-YOLOv8-Seg: An Improved Lightweight YOLOv8-Seg for Real-Time Pixel-Level Crack Detection of Dams and Bridges. Appl. Sci. 2023, 13, 10583. [Google Scholar] [CrossRef]
- Nie, H.; Pang, H.; Ma, M.; Zheng, R. A Lightweight Remote Sensing Small Target Image Detection Algorithm Based on Improved YOLOv8. Sensors 2024, 24, 2952. [Google Scholar] [CrossRef]
- Zhang, J.; Yang, W.; Lu, Z.; Chen, D. HR-YOLOv8: A Crop Growth Status Object Detection Method Based on YOLOv8. Electronics 2024, 13, 1620. [Google Scholar] [CrossRef]
- Narayanan, M. SENetV2: Aggregated Dense Layer for Channelwise and Global Representations 2023. arXiv 2023, arXiv:2311.10807. [Google Scholar]
- Li, Y.; Hou, Q.; Zheng, Z.; Cheng, M.-M.; Yang, J.; Li, X. Large Selective Kernel Network for Remote Sensing Object Detection. In Proceedings of the 2023 IEEE/CVF International Conference on Computer Vision (ICCV), Paris, France, 1–6 October 2023; IEEE: Paris, France, 2023; pp. 16748–16759. [Google Scholar]
- Salazar, A.; Vergara, L.; Vidal, E. A Proxy Learning Curve for the Bayes Classifier. Pattern Recognit. 2023, 136, 109240. [Google Scholar] [CrossRef]














| Item | Name |
|---|---|
| Operating system | Windows 11 |
| CPU | 11th Gen Intel® Core™ i7-11800H |
| GPU | NVIDIA GeForce RTX 3050 |
| RAM | 16.0 GB |
| Deep learning framework | PyTorch (2.1.0) |
| Interpreter | Python 3.9 |
| CUDA version | Cuda (11.8) |
| YOLOv8 | LSK | SENet_v2 | Precision% | Recall% | mAP@0.5% | F1% |
|---|---|---|---|---|---|---|
| √ | × | × | 80.7 | 82.4 | 89.9 | 81.48 |
| √ | √ | × | 83.5 | 90.8 | 90.5 | 86.98 |
| √ | × | √ | 81.9 | 92.7 | 93.5 | 87.08 |
| √ | √ | √ | 84.6 | 94.6 | 94.1 | 89.28 |
| YOLOv8 | LSK | SENet_v2 | Precision% | Recall% | mAP@0.5% | F1% |
|---|---|---|---|---|---|---|
| √ | × | × | 91.1 | 88.4 | 91.1 | 81.55 |
| √ | √ | × | 91.6 | 89.3 | 91.8 | 86.76 |
| √ | × | √ | 92.7 | 89.2 | 91.5 | 86.73 |
| √ | √ | √ | 93.8 | 90.7 | 92.3 | 89.30 |
| Model | Normal | Damage | Break1 | Break2 | Break3 | Break4 | Break5 | Break6 | Break7 | mAP@0.5(%) |
|---|---|---|---|---|---|---|---|---|---|---|
| Faster R-CNN | 0.602 | 0.741 | 0.841 | 0.870 | 0.900 | 0.880 | 0.901 | 0.838 | 0.874 | 83.9 |
| SSD | 0.552 | 0.695 | 0.818 | 0.826 | 0.851 | 0.826 | 0.844 | 0.792 | 0.824 | 80.3 |
| RetinaNet | 0.626 | 0.774 | 0.866 | 0.914 | 0.933 | 0.901 | 0.923 | 0.865 | 0.894 | 84.6 |
| EfficientDet | 0.582 | 0.735 | 0.859 | 0.902 | 0.926 | 0.894 | 0.883 | 0.823 | 0.877 | 82.5 |
| CenterNet | 0.505 | 0.685 | 0.784 | 0.824 | 0.852 | 0.835 | 0.817 | 0.766 | 0.804 | 75.5 |
| Deformable DETR | 0.621 | 0.767 | 0.875 | 0.915 | 0.921 | 0.893 | 0.888 | 0.847 | 0.853 | 83.2 |
| YOLOv5 | 0.694 | 0.826 | 0.914 | 0.958 | 0.972 | 0.936 | 0.955 | 0.916 | 0.945 | 87.4 |
| YOLOv6 | 0.709 | 0.832 | 0.923 | 0.963 | 0.987 | 0.944 | 0.969 | 0.924 | 0.955 | 88.5 |
| YOLOv7 | 0.715 | 0.849 | 0.934 | 0.971 | 0.942 | 0.957 | 0.972 | 0.933 | 0.965 | 89.5 |
| YOLOv8s | 0.721 | 0.857 | 0.946 | 0.986 | 0.926 | 0.968 | 0.988 | 0.945 | 0.975 | 90.5 |
| YOLOv8n | 0.732 | 0.865 | 0.954 | 0.974 | 0.944 | 0.979 | 0.946 | 0.956 | 0.985 | 91.5 |
| SL-YOLOv8 | 0.742 | 0.881 | 0.971 | 0.995 | 0.995 | 0.991 | 0.971 | 0.926 | 0.995 | 94.1 |
| Model | Break | Thunderbolt | mAP@0.5 (%) | Para (M) | FLOPs (G) |
|---|---|---|---|---|---|
| Faster R-CNN | 0.75 | 0.883 | 82.5 | 50.0 | 200.0 |
| SSD | 0.70 | 0.865 | 80.5 | 25.0 | 100.0 |
| RetinaNet | 0.77 | 0.907 | 84.3 | 55.0 | 210.0 |
| EfficientDet-D1 | 0.75 | 0.825 | 83.2 | 6.6 | 6.2 |
| CenterNet-DLA | 0.73 | 0.745 | 78.7 | 22.5 | 102.2 |
| Deformable DETR | 0.71 | 0.725 | 73.0 | 34.0 | 188.0 |
| YOLOv5 | 0.79 | 0.926 | 86.7 | 15.0 | 30.0 |
| YOLOv6 | 0.81 | 0.934 | 87.8 | 12.0 | 28.0 |
| YOLOv7 | 0.82 | 0.942 | 88.4 | 11.0 | 27.0 |
| YOLOv8s | 0.83 | 0.955 | 89.6 | 10.5 | 26.5 |
| YOLOv8n | 0.84 | 0.979 | 90.2 | 10.2 | 25.5 |
| SL-YOLOv8 | 0.85 | 0.983 | 92.3 | 10.0 | 25.0 |
Disclaimer/Publisher’s Note: The statements, opinions and data contained in all publications are solely those of the individual author(s) and contributor(s) and not of MDPI and/or the editor(s). MDPI and/or the editor(s) disclaim responsibility for any injury to people or property resulting from any ideas, methods, instructions or products referred to in the content. |
© 2024 by the authors. Licensee MDPI, Basel, Switzerland. This article is an open access article distributed under the terms and conditions of the Creative Commons Attribution (CC BY) license (https://creativecommons.org/licenses/by/4.0/).
Share and Cite
Zhang, X.; Zhang, J.; Jia, X. An Enhanced SL-YOLOv8-Based Lightweight Remote Sensing Detection Algorithm for Identifying Broken Strands in Transmission Lines. Appl. Sci. 2024, 14, 7469. https://doi.org/10.3390/app14177469
Zhang X, Zhang J, Jia X. An Enhanced SL-YOLOv8-Based Lightweight Remote Sensing Detection Algorithm for Identifying Broken Strands in Transmission Lines. Applied Sciences. 2024; 14(17):7469. https://doi.org/10.3390/app14177469
Chicago/Turabian StyleZhang, Xiang, Jianwei Zhang, and Xiaoqiang Jia. 2024. "An Enhanced SL-YOLOv8-Based Lightweight Remote Sensing Detection Algorithm for Identifying Broken Strands in Transmission Lines" Applied Sciences 14, no. 17: 7469. https://doi.org/10.3390/app14177469
APA StyleZhang, X., Zhang, J., & Jia, X. (2024). An Enhanced SL-YOLOv8-Based Lightweight Remote Sensing Detection Algorithm for Identifying Broken Strands in Transmission Lines. Applied Sciences, 14(17), 7469. https://doi.org/10.3390/app14177469

