Study on the Fluctuating Load Characteristics of the Submerged Radial Gate in the High-Head Flood Discharge Outlet
Abstract
1. Introduction
2. Methodology
2.1. Principle of the CEEMDAN Algorithm
- (1)
- The operator in EMD decomposes the original signal in kth mode, and the operator is used to generate the local mean of the signal.
- (2)
- Construct the additive noise signal and compute the first-order residual . Where is added at the initial stage to remove noise and is the inverse of desired signal-to-noise ratio between the first additive noise signal and the analyzed signal. i denotes the number of times the noise is added, std denotes the standard deviation, and the operator denotes averaging over the whole.
- (3)
- When k = 1, the 1st IMF component is calculated as follows: .
- (4)
- The 2nd residuals and IMF components are obtained using the average of local means as follows:
- (5)
- Derivation of the kth mode is as follows:
- (6)
- Repeat step 5 to obtain all residuals and IMF components.
2.2. Principle of the HHT Algorithm
2.3. Principle of the SSA Algorithm
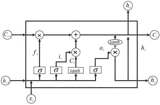
2.4. Principle of the LSTM Algorithm
3. Experiment Setup and Data Acquisition
3.1. Experiment Setup
3.2. Data Acquisition
4. Pressure Characteristics on the Gate Panel
4.1. The Pressure Distribution Characteristics on the Gate Panel
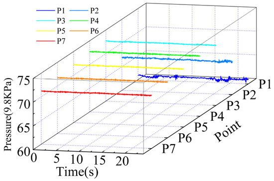
4.1.1. Pressure Time-Domain Analysis
4.1.2. IHHT Analysis of Pressure
4.2. The Pressure Prediction on the Gate Panel
4.2.1. Parameter Settings
4.2.2. Prediction and Comparative Analysis
5. Discussion
6. Conclusions
- (1)
- The load acting on the gate panel is primarily time averaged, with the RMS of fluctuating pressure constituting less than 10% of the time-average pressure. The RMS of fluctuating pressure near the bottom is significantly higher than that in the middle and top of the gate, while the time-average pressure in the middle is higher than that at the bottom and top of the gate. It is noteworthy that there is a notable disparity between the distribution of fluctuating pressure and hydrostatic pressure at the gate.
- (2)
- Decomposing the fluctuating pressure signal of the gate panel reveals that the time-domain data of water fluctuating pressure are weakly non-stationary but can be considered stationary to some extent. Based on this, applying the improved Hilbert transform to each IMF component yields different frequency-band components, which can be interpreted as a decomposition of turbulent water flow into vortices at various scales. Moreover, the modal aliasing of fluctuating pressures of each component indicates that the turbulent vortex structure contains multi-scale vortices, whose random diffusion and mixing collectively contribute to the turbulent behavior of the flow.
- (3)
- A fluctuating pressure prediction method based on ICEEMDAN-SSA-LSTM was proposed to improve the accuracy of the gate panel fluctuating pressure signal compared to the LSTM and ICEEMDAN-LSTM prediction methods. This method can provide technical support for subsequent gate vibration signal detection and fault diagnosis.
Author Contributions
Funding
Informed Consent Statement
Data Availability Statement
Conflicts of Interest
References
- Kanthakasikam, R.; Charatpangoon, B.; Hansapinyo, C.; Buachart, C.; Kiyono, J. Seismic Safety Analysis of Dam Appurtenant Structures in Northern Thailand. KSCE J. Civ. Eng. 2024, 28, 2885–2896. [Google Scholar] [CrossRef]
- Faridmehr, I.; Farokhi Nejad, A.; Baghban, M.H.; Ghorbani, R. Numerical and Physical Analysis on the Response of a Dam’s Radial Gate to Extreme Loading Performance. Water 2020, 12, 2425. [Google Scholar] [CrossRef]
- Wang, Z.; Zhang, X.; Liu, J. Advances and developing trends in research of large hydraulic steel gates. J. Hydroelectr. Eng. 2017, 36, 1–18. (In Chinese) [Google Scholar] [CrossRef]
- Lu, Y.; Liu, Y.; Zhang, D.; Cao, Z.; Fu, X. Chaotic Characteristic Analysis of Spillway Radial Gate Vibration under Discharge Excitation. Appl. Sci. 2023, 14, 99. [Google Scholar] [CrossRef]
- Xu, C.; Liu, J.; Zhao, C.; Liu, F.; Wang, Z. Dynamic failures of water controlling radial gates of hydro-power plants: Advancements and future perspectives. Eng. Fail. Anal. 2023, 148, 107168. [Google Scholar] [CrossRef]
- Xu, C.; Wang, Z. New insights into dynamic instability regions of spillway radial gate owing to fluid-induced parametric oscillation. Nonlinear Dyn. 2022, 111, 4053–4070. [Google Scholar] [CrossRef]
- Wang, C.; Hou, D.; Li, L.; Xia, Y. Study of shape design of the aerator with sudden lateral enlargement and bottom drop behind high-head radial gate and its engineering applicaton. J. Hydroelectr. Eng. 2012, 35, 107–113. (In Chinese) [Google Scholar]
- Chen, J.; Zhou, G.G.D.; Chen, X.; Zhang, J.; Li, S. Characteristics of aeration in the flow downstream of a radial gate with a sudden fall-expansion aerator in a discharge tunnel. Water Supply 2018, 18, 790–798. [Google Scholar] [CrossRef]
- Lei, G.; Huang, H.; Fan, X.; Su, J.; Wang, Q.; Wang, X.; Peng, K.; Zhang, J. Influence of the transition section shape on the cavitation characteristics at the bottom outlet. Water Supply 2023, 23, 3061–3077. [Google Scholar] [CrossRef]
- Jamali, T.; Manafpour, M.; Ebrahimnezhadian, H. Evolution of pressure and cavitation in transition region walls for supercritical flow. J. Water Supply Res. Technol. Aqua 2023, 72, 62–82. [Google Scholar] [CrossRef]
- Li, J.; Wang, C.; Wang, Z.; Ren, K.; Zhang, Y.; Xu, C.; Li, D. Numerical Analysis of Flow-Induced Vibration of Deep-Hole Plane Steel Gate in Partial Opening Operation. Sustainability 2022, 14, 13616. [Google Scholar] [CrossRef]
- Yan, G.; Yan, S.; Fan, B.; Luo, S.; Chen, F.; Wang, Z.; Chan, Q.; Teng, S. Study of Flow-induced Vibration for the High-head and Large Di mension Gate. J. Hydroelectr. Eng. 2001, 4, 65–75. (In Chinese) [Google Scholar]
- Lian, J.; Chen, L.; Ma, B.; Liang, C. Analysis of the Cause and Mechanism of Hydraulic Gate Vibration during Flood Discharging from the Perspective of Structural Dynamics. Appl. Sci. 2020, 10, 629. [Google Scholar] [CrossRef]
- Zhang, W.; Yan, G.; Chen, F.; Dong, J. Static and dynamic characteristics of high pressure radial gate and its flow-induced vibration. Hydro-Sci. Eng. 2016, 2, 111–119. [Google Scholar] [CrossRef]
- Lee, S.O.; Seong, H.; Kang, J.W. Flow-induced vibration of a radial gate at various opening heights. Eng. Appl. Comput. Fluid Mech. 2018, 12, 567–583. [Google Scholar] [CrossRef]
- Daneshmand, F.; Adamowski, J.; Liaghat, T. Bottom outlet dam flow: Physical and numerical modelling. Proc. Inst. Civ. Eng. Water Manag. 2014, 167, 176–184. [Google Scholar] [CrossRef]
- Wang, Y.; Tian, T.; Xu, G.; Liu, F. Calculation method of panel hydrodynamic pressure of radial gate. J. Huazhong Univ. Sci. Tech. (Nat. Sci. Ed.) 2021, 49, 102–107. (In Chinese) [Google Scholar] [CrossRef]
- Zhang, B.; Jing, X. Theoretical analysis and simulation calculation of hydrodynamic pressure pulsation effect and flow induced vibration response of radial gate structure. Sci. Rep. 2022, 12, 21932. [Google Scholar] [CrossRef]
- Hu, G.; Kwok, K.C.S. Predicting wind pressures around circular cylinders using machine learning techniques. J. Wind. Eng. Ind. Aerodyn. 2020, 198, 104099. [Google Scholar] [CrossRef]
- Sudharsun, G.; Warrior, H.V. Enhancing turbulence modeling: Machine learning for pressure-strain correlation and uncertainty quantification in the Reynolds stress model. Phys. Fluids 2023, 35, 125112. [Google Scholar] [CrossRef]
- Zhao, S.X.; Ma, L.S.; Xu, L.Y.; Liu, M.N.; Chen, X.L. A Study of Fault Signal Noise Reduction Based on Improved CEEMDAN-SVD. Appl. Sci. 2023, 13, 10713. [Google Scholar] [CrossRef]
- Hou, G.; Xu, K.; Lian, J.J.; Cai, O. Vibration prediction of offshore wind turbines based on long short-term memory network. Ships Offshore Struct. 2023, 1–11. [Google Scholar] [CrossRef]
- Agga, A.; Abbou, A.; Labbadi, M.; El Houm, Y.; Ali, I.H.O. CNN-LSTM: An efficient hybrid deep learning architecture for predicting short-term photovoltaic power production. Electr. Power Syst. Res. 2022, 208, 107908. [Google Scholar] [CrossRef]
- Colominas, M.A.; Schlotthauer, G.; Torres, M.E. Improved complete ensemble EMD: A suitable tool for biomedical signal processing. Biomed. Signal Process. Control 2014, 14, 19–29. [Google Scholar] [CrossRef]
- Huang, N.E.; Shen, Z.; Long, S.R.; Wu, M.L.C.; Shih, H.H.; Zheng, Q.N.; Yen, N.C.; Tung, C.C.; Liu, H.H. The empirical mode decomposition and the Hilbert spectrum for nonlinear and non-stationary time series analysis. Proc. R. Soc. A-Math. Phys. Eng. Sci. 1998, 454, 903–995. [Google Scholar] [CrossRef]
- Jia, W.; Diao, M.; Jiang, L.; Huang, G. Fluctuating Characteristics of the Stilling Basin with a Negative Step Based on Hilbert-Huang Transform. Water 2021, 13, 2673. [Google Scholar] [CrossRef]
- Xue, J.; Shen, B. A novel swarm intelligence optimization approach: Sparrow search algorithm. Syst. Sci. Control Eng. 2020, 8, 22–34. [Google Scholar] [CrossRef]
- Hochreiter, S.; Schmidhuber, J. Long short-term memory. Neural Comput. 1997, 9, 1735–1780. [Google Scholar] [CrossRef]
- Mishra, M.; Byomakesha Dash, P.; Nayak, J.; Naik, B.; Kumar Swain, S. Deep learning and wavelet transform integrated approach for short-term solar PV power prediction. Measurement 2020, 166, 108250. [Google Scholar] [CrossRef]
- Pfister, M.; Hager, W.H. Chute Aerators. I: Air Transport Characteristics. J. Hydraul. Eng. 2010, 136, 352–359. [Google Scholar] [CrossRef]
- Gioffrè, M.; Gusella, V. Damage accumulation in glass plates. J. Eng. Mech. 2002, 128, 801–805. [Google Scholar] [CrossRef]
- Lu, Y.; Yin, J.; Yang, Z.; Wei, K.; Liu, Z. Numerical Study of Fluctuating Pressure on Stilling Basin Slab with Sudden Lateral Enlargement and Bottom Drop. Water 2021, 13, 238. [Google Scholar] [CrossRef]
- Khan, Z.A.; Hussain, T.; Ullah, A.; Rho, S.; Lee, M.; Baik, S.W. Towards Efficient Electricity Forecasting in Residential and Commercial Buildings: A Novel Hybrid CNN with a LSTM-AE based Framework. Sensors 2020, 20, 1399. [Google Scholar] [CrossRef] [PubMed]
















| The dimensions of the radial gate | 5.5 m × 8 m (width × height) | The density of water | 1000 kg/m3 |
| The cross-sectional size | From 5.5 m × 12 m to 5.5 m × 8 m | The temperature of water | 20 °C |
| The length of the pressurized slope section | 20.0 m | The model Reynolds number | Surpasses 1 × 105 |
| The slope ratio of the pressurized slope section | 1:5 | The model flow velocity | Exceeding 6 m/s |
Disclaimer/Publisher’s Note: The statements, opinions and data contained in all publications are solely those of the individual author(s) and contributor(s) and not of MDPI and/or the editor(s). MDPI and/or the editor(s) disclaim responsibility for any injury to people or property resulting from any ideas, methods, instructions or products referred to in the content. |
© 2024 by the authors. Licensee MDPI, Basel, Switzerland. This article is an open access article distributed under the terms and conditions of the Creative Commons Attribution (CC BY) license (https://creativecommons.org/licenses/by/4.0/).
Share and Cite
Lu, X.; Liu, Y.; Tan, S.; Bao, W.; Lu, Y.; Zhao, X. Study on the Fluctuating Load Characteristics of the Submerged Radial Gate in the High-Head Flood Discharge Outlet. Appl. Sci. 2024, 14, 7470. https://doi.org/10.3390/app14177470
Lu X, Liu Y, Tan S, Bao W, Lu Y, Zhao X. Study on the Fluctuating Load Characteristics of the Submerged Radial Gate in the High-Head Flood Discharge Outlet. Applied Sciences. 2024; 14(17):7470. https://doi.org/10.3390/app14177470
Chicago/Turabian StyleLu, Xiudi, Yakun Liu, Shoulin Tan, Wei Bao, Yangliang Lu, and Xinmeng Zhao. 2024. "Study on the Fluctuating Load Characteristics of the Submerged Radial Gate in the High-Head Flood Discharge Outlet" Applied Sciences 14, no. 17: 7470. https://doi.org/10.3390/app14177470
APA StyleLu, X., Liu, Y., Tan, S., Bao, W., Lu, Y., & Zhao, X. (2024). Study on the Fluctuating Load Characteristics of the Submerged Radial Gate in the High-Head Flood Discharge Outlet. Applied Sciences, 14(17), 7470. https://doi.org/10.3390/app14177470
