Dynamic Simulation Model-Driven Fault Diagnosis Method for Bearing under Missing Fault-Type Samples
Abstract
:1. Introduction
- (1)
- A rotor-bearing system simulation model is built to obtain simulation signal of the missing fault type samples.
- (2)
- A novel WGAN-GN method is proposed to generate replaced data under missing sample conditions.
- (3)
- The generated simulated data is joined with the raw data to create a complete dataset for SAE network training to achieve the extraction of features and fault classification.
2. Theoretical Background
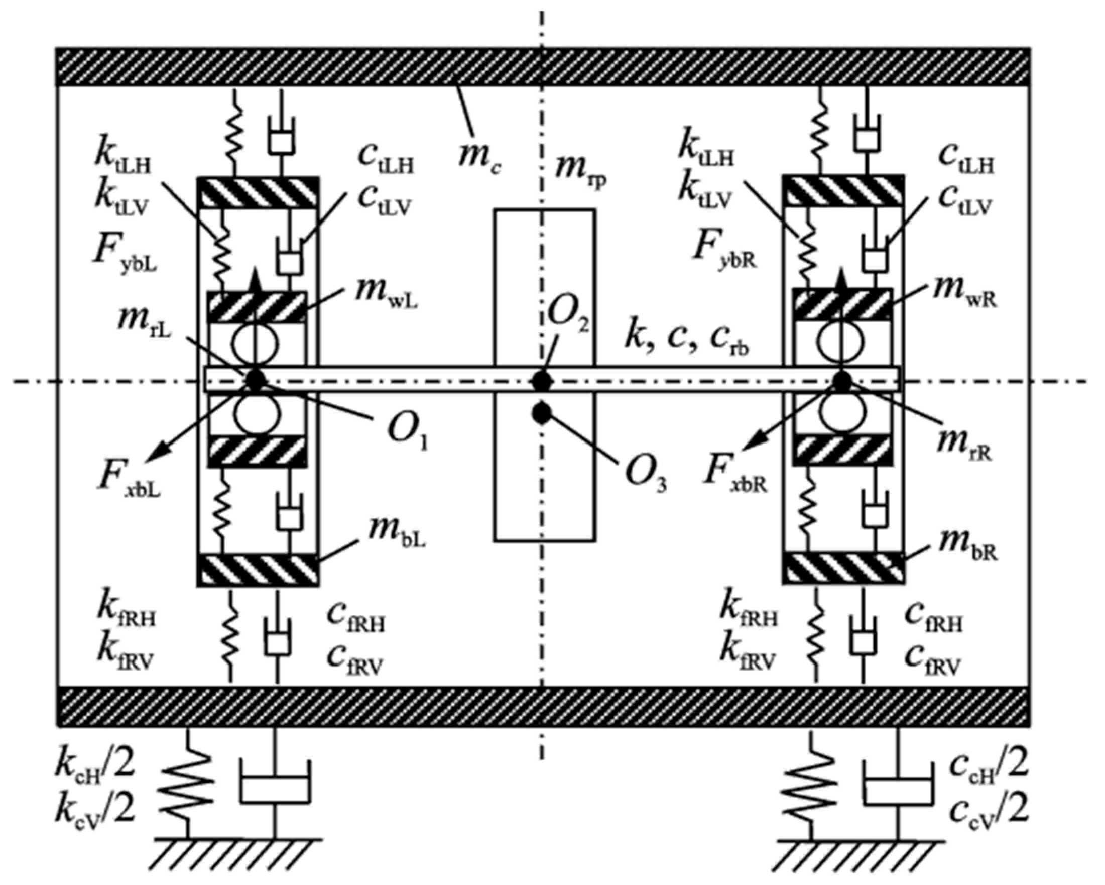
2.1. Construction and Acquisition of Simulation Signal
2.2. Wasserstein Generative Adversarial Networks with Gradient Normalization (WGAN-GN)
- (1)
- Constraint on a model or module. Model-level restriction, in our opinion, is preferable to module-level constraint because it will limit the model capacity of layers, drastically lowering the potential of neural networks.
- (2)
- Constraint that are sample-based or not. The non-sampling-based method performs better than the sampling-based method since the latter may not be applicable to data that has not already been sampled.
- (3)
- Firm or flexible restriction. Since the continuous Lipschitz constant ensures gradient stability against unobserved data, the hard constraint outperforms the soft constraint.
3. System Framework and Model Training
3.1. System Framework Design
3.2. Model Training Procedure WGAN-GN-SAE
- (1)
- The system dynamics model of rolling bearing is established to perform the bearing fault modeling, and the missing fault simulation vibration signal of rolling bearing is obtained.
- (2)
- The signal is pre-processed by fast Fourier transform (FFT) and Hilbert transform to acquire the envelope signal, then the training and testing data are equally separated.
- (3)
- The training data is input into WGAN-GN for data enhancement.
- (4)
- The simulated data generated by WGAN-GN are coupled with the original data to enhance the dataset and form a complete fault dataset.
- (5)
- The complete fault dataset is used as training data of the SAE network, and the testing data are used for model testing.
4. Experimental Verification
4.1. Case 1: Bearing Dataset with One Missing Failure Sample
4.1.1. Data Pre-Processing
4.1.2. Generate Visual Evaluation of the Sample
4.1.3. Comparison of Neural Network Model Training Results
4.2. Case 2: Bearing Dataset with Two Missing Failure Samples
Diagnosis Results
5. Conclusions
- It is demonstrated that the developed dynamic simulation model can generate high-quality replacement samples with missing fault samples to some extent.
- The effective feature extraction and data generation capability of the proposed model is illustrated by the features learned continuously from the hidden layer of WGAN-GN.
- The experimental results show that using the proposed method can help to improve the accuracy of diagnosis when the types of fault sample data are insufficient.
- Both the applicability to other mechanisms and the problem regarding the in-fluence of noise are part of our future research objectives.
Author Contributions
Funding
Institutional Review Board Statement
Informed Consent Statement
Data Availability Statement
Acknowledgments
Conflicts of Interest
References
- Jiang, X.; Song, Q.; Wang, H.; Du, G.; Guo, J.; Shen, C.; Zhu, Z. Central frequency mode decomposition and its applications to the fault diagnosis of rotating machines. Mech. Mach. Theory 2022, 174, 104919. [Google Scholar] [CrossRef]
- Zhang, Z.; Wang, J.; Li, S.; Han, B.; Jiang, X. Fast nonlinear blind deconvolution for rotating machinery fault diagnosis. Mech. Syst. Signal Process. 2023, 187, 109918. [Google Scholar] [CrossRef]
- Zhang, X.; Wang, J.; Jia, S.; Han, B.; Zhang, Z. Partial Domain Adaptation Method Based on Class-weighted Alignment for Fault Diagnosis of Rotating Machinery. IEEE Trans. Instrum. Meas. 2022, 71, 3514414. [Google Scholar] [CrossRef]
- Pan, H.; Xu, H.; Zheng, J.; Su, J.; Tong, J. Multi-class fuzzy support matrix machine for classification in roller bearing fault diagnosis. Adv. Eng. Inform. 2022, 51, 101445. [Google Scholar] [CrossRef]
- Kavianpour, M.; Ramezani, A.; Beheshti, M.T.H. A class alignment method based on graph convolution neural network for bearing fault diagnosis in presence of missing data and changing working conditions. Measurement 2022, 199, 111536. [Google Scholar] [CrossRef]
- Yan, S.; Shao, H.; Xiao, Y.; Liu, B.; Wan, J. Hybrid robust convolutional autoencoder for unsupervised anomaly detection of machine tools under noises. Robot Comput. Integr. Manuf. 2023, 79, 102441. [Google Scholar] [CrossRef]
- He, Z.; Shao, H.; Wang, P.; Lin, J.J.; Cheng, J.; Ang, Y. Deep transfer multi-wavelet auto-encoder for intelligent fault diagnosis of the gearbox with few target training samples. Knowl. Based Syst. 2020, 191, 105313. [Google Scholar] [CrossRef]
- Wang, H.; Pu, L. Bearing Fault Diagnosis of Split Attention Network Based on Deep Subdomain Adaptation. Appl. Sci. 2022, 12, 12762. [Google Scholar] [CrossRef]
- Huang, Y.J.; Liao, A.H.; Hu, D.Y.; Shi, W.; Zheng, S.B. Multi-scale convolutional network with channel attention mechanism for rolling bearing fault diagnosis. Measurement 2022, 203, 111935. [Google Scholar] [CrossRef]
- Jiang, X.; Wang, J.; Shen, C.; Shi, J.; Huang, W.; Zhu, Z.; Wang, Q. An adaptive and efficient variational mode decomposition and its application for bearing fault diagnosis. Struct. Health Monit. 2021, 20, 2708–2725. [Google Scholar] [CrossRef]
- Goodfellow Ian, J.; Jean, P.A.; Mehdi, M.; Bing, X.; David, W.F.; Sherjil, O.; Courville Aaron, C. Generative adversarial nets. In Proceedings of the 27th International Conference on Neural Information Processing Systems, Montreal, QC, Canada, 8–13 December 2014; Volume 2, pp. 2672–2680. [Google Scholar]
- Han, B.; Jia, S.; Liu, G.; Wang, J. Imbalanced fault classification of bearing via wasserstein generative adversarial networks with gradient penalty. Shock. Vib. 2020, 2020, 8836477. [Google Scholar] [CrossRef]
- Li, W.; Zhong, X.; Shao, H.; Cai, B.; Yang, X. Multi-mode data augmentation and fault diagnosis of rotating machinery using modified ACGAN designed with new framework. Adv. Eng. Inform. 2022, 52, 101552. [Google Scholar] [CrossRef]
- Shao, H.; Li, W.; Cai, B.; Wan, J.; Xiao, Y.; Yan, S. Dual-Threshold Attention-Guided Gan and Limited Infrared Thermal Images for Rotating Machinery Fault Diagnosis Under Speed Fluctuation. EEE Trans. Ind. Inform. 2023, 1–10. [Google Scholar] [CrossRef]
- Bhaskara, V.S.; Aumentado-Armstrong, T.; Jepson, A.D.; Jepson, A.D.; Levinshtein, A. GraN-GAN: Piecewise Gradient Normalization for Generative Adversarial Networks. In Proceedings of the IEEE/CVF Winter Conference on Applications of Computer Vision, Waikoloa, HI, USA, 3–8 January 2022; pp. 3821–3830. [Google Scholar]
- Wu, Y.L.; Shuai, H.H.; Tam, Z.R.; Chiu, H.Y. Gradient normalization for generative adversarial networks. In Proceedings of the IEEE/CVF International Conference on Computer Vision, Montreal, QC, Canada, 10–17 October 2021; pp. 6373–6382. [Google Scholar]
- Chen, G. Dynamic analysis of ball bearing faults in rotor-ball bearing-stator coupling system. J. Vib. Eng. Technol. 2008, 21, 577–587. [Google Scholar]
- Smith, W.A.; Randall, R.B. Rolling element bearing diagnostics using the Case Western Reserve University data: A benchmark study. Mech. Syst. Signal Process. 2015, 64, 100–131. [Google Scholar] [CrossRef]
- Hinton, G.; van der Maaten, L. Visualizing data using t-SNE. J. Mach. Learn. Res. 2008, 9, 2579–2605. [Google Scholar]


















| Description of Parameters | Values of Parameters |
|---|---|
| The radius of outer race/mm | 17.0 |
| The radius of inner race/mm | 39.9 |
| Pitch diameter/mm | 28.3 |
| Diameter of rolling element/mm | 6.8 |
| Number of balls | 8 |
| Contact angle/° | 0° |
| Category | Fault Location | Signal Source Dataset B | Sample Size (Train/Test) |
|---|---|---|---|
| NC | Normal | Measurement | 100/100 |
| RF | Ball | Measurement | 100/100 |
| IF | Inner Race | Measurement | 100/100 |
| OF | Outer Race | Measurement | 100/100 |
| Category | Fault Location | Signal Source Dataset B | Sample Size (Train/Test) |
|---|---|---|---|
| NC | Normal | Measurement | 100/100 |
| RF | Ball | Measurement | 100/100 |
| IF | Inner Race | Measurement | 100/100 |
| OF | Outer Race | Simulation | 100/100 |
| Category | Fault Location | Signal Source Dataset C | Sample Size (Train/Test) |
|---|---|---|---|
| NC | Normal | Measurement | 100/100 |
| RF | Ball | Measurement | 100/100 |
| IF | Inner Race | Simulation | 100/100 |
| OF | Outer Race | Simulation | 100/100 |
Disclaimer/Publisher’s Note: The statements, opinions and data contained in all publications are solely those of the individual author(s) and contributor(s) and not of MDPI and/or the editor(s). MDPI and/or the editor(s) disclaim responsibility for any injury to people or property resulting from any ideas, methods, instructions or products referred to in the content. |
© 2023 by the authors. Licensee MDPI, Basel, Switzerland. This article is an open access article distributed under the terms and conditions of the Creative Commons Attribution (CC BY) license (https://creativecommons.org/licenses/by/4.0/).
Share and Cite
Ma, J.; Jiang, X.; Han, B.; Wang, J.; Zhang, Z.; Bao, H. Dynamic Simulation Model-Driven Fault Diagnosis Method for Bearing under Missing Fault-Type Samples. Appl. Sci. 2023, 13, 2857. https://doi.org/10.3390/app13052857
Ma J, Jiang X, Han B, Wang J, Zhang Z, Bao H. Dynamic Simulation Model-Driven Fault Diagnosis Method for Bearing under Missing Fault-Type Samples. Applied Sciences. 2023; 13(5):2857. https://doi.org/10.3390/app13052857
Chicago/Turabian StyleMa, Junqing, Xingxing Jiang, Baokun Han, Jinrui Wang, Zongzhen Zhang, and Huaiqian Bao. 2023. "Dynamic Simulation Model-Driven Fault Diagnosis Method for Bearing under Missing Fault-Type Samples" Applied Sciences 13, no. 5: 2857. https://doi.org/10.3390/app13052857
APA StyleMa, J., Jiang, X., Han, B., Wang, J., Zhang, Z., & Bao, H. (2023). Dynamic Simulation Model-Driven Fault Diagnosis Method for Bearing under Missing Fault-Type Samples. Applied Sciences, 13(5), 2857. https://doi.org/10.3390/app13052857

