Abstract
The permanent magnetic suspension (PMS) train has distinct advantages in reducing energy consumption and increasing the suspension air gap. Aiming at the problems of uncontrollable magnetic field and underdamping of the PMS system, the electromagnetic damping structure is introduced, and a fuzzy linear active disturbance rejection control (Fuzzy-LADRC) method with an air gap deviation integrator is proposed. Firstly, the permanent magnet electromagnetic hybrid suspension (PEMS) system is constructed, and the model analysis is carried out to prove that the system is controllable and observable, and the hardware experimental platform is built. Secondly, a LADRC method is designed based on the model of the platform suspension control unit, and fuzzy control is introduced into the LADRC state error feedback control theory for parameter self-tuning to improve the adaptability and robustness of the platform. At the same time, an air gap deviation integrator is introduced to further improve the control accuracy. Finally, the comparison experiments with LADRC and PID control methods are carried out in terms of stability, anti-interference, robustness and adaptability. The experimental results show that the proposed Fuzzy-LADRC method has the best control effect. It provides practical reference for improving the stability of the PMS train.
1. Introduction
Maglev rail transit is a non-contact transportation technology that realizes levitation, guidance and traction through magnetic force. Due to its superior potential character in high-speed and environmental protection, maglev train is considered as one of the main development trends of the next generation of public transport [1,2]. With the continuous development of the technology of permanent magnet materials, such as neodymium, iron and boron [3], the magnetic force generated by one permanent magnet unit has been greatly improved. This has effectively promoted the application of permanent magnet materials in the field of magnetic levitation and led to the birth of new permanent magnetic levitation rail transit systems [4], such as Magplane in the United States [5], the Sky Tran system in Israel [6,7], the Urban Maglev system in Italy [8] and the Red Rail system in China [9,10], which has opened up new directions and application scenarios for the magnetic levitation technology.
The permanent magnetic suspension (PMS) train uses the magnetic force provided by the permanent magnet to achieve non-contact support with the track. This suspension mode has a large air gap, which can reduce the requirements for track accuracy and improve the effective load of the train, and has zero power consumption during suspension, which solves the problems of coil heating and high energy consumption caused by the electromagnetic suspension (EMS) device when under continuous operation. Due to the underdamping characteristic of the PMS and its uncontrollability, the system is prone to oscillate when it is disturbed externally, and restoring the stability will take a long time. Therefore, many scholars at home and abroad have carried out relevant research on stable PMS technology. Zhao et al. [11] proposed the control method of fixed air gap and fixed angle based on PID, which is applied to the PMS system with variable magnetic flux path, and the power consumption of the system in stable state is reduced by actively adjusting the balance position of the system. Ham et al. [12] proposed a hybrid magnetic array composed of permanent magnet and electromagnetic spacing, which actively controls the space magnetic field and electromagnetic force through electromagnets. Luo et al. [13] studied a permanent magnet electromagnetic hybrid Halbach array electric suspension system, and designed a PID controller based on air gap feedback to quickly realize dynamic stability of the system. Wang et al. [14] proposed a control strategy based on the overall joint structure model to be applied to the permanent magnetic suspension system of the maglev train, effectively improving the riding performance and suspension stability of the high-speed permanent magnetic suspension train.
The PID control method is widely used in the levitation control of the maglev train nowadays. The PID control method is passive for system disturbance processing. The control method, based on error, in eliminating the error has a hysteresis effect and limited anti-interference ability. Based on this, in view of the inherent shortcomings of PID, Han Jingqing proposed an active disturbance rejection control method [15], which combines the research results of PID, a tracking differentiator and an extended state observer. Its principle is to treat the inside and outside of the controlled object as a “generalized disturbance”, estimate and compensate the disturbance by using the extended state observer and then design the control law according to the principle of PID. However, due to its complex structure, many parameters need to be adjusted and the actual application process is more complex [16]. Therefore, Professor Gao Zhiqiang proposed a linear active disturbance rejection control method to simplify the control structure [17], which consists of an extended state observer and a PD control law. It has a fixed structure and inherits the core of active disturbance rejection technology—a state observer, and the number of the parameters that need adjustment is greatly reduced. Therefore, linear active disturbance rejection control is regarded as an ideal technology to replace PID control. At present, scholars have done research on applying linear active disturbance rejection control to the magnetic suspension control. Zhang et al. [18] applied the active disturbance rejection control technology to the magnetic suspension platform with three degrees of freedom. Compared with PID control, it has been proved that the proposed controller has good transient response performance and the system is robust to parameter uncertainties and external disturbances. Guan et al. [19] designed a linear active disturbance rejection control method for the five-degrees-of-freedom magnetic bearing control system and compared it with the traditional PD and PID control strategies. The results show that linear active disturbance rejection can effectively improve the dynamic and static performance of the system, improve the control accuracy and meet the requirements of rapid response of the system. Huang et al. [20] applied the active disturbance rejection technology to the composite vibration isolation control of the mechanical-electromagnetic suspension system and verified the effectiveness of the controller through experiments, which can meet the needs of the broadband vibration control and avoid problems such as the insufficient broadband vibration isolation effect of the system caused by PID control and the reduction of the dynamic response characteristics of the system caused by the integration link. The linear active disturbance rejection control method has a strong ability to suppress the uncertain disturbance in the system, and can solve the problem that the traditional control method relies too much on the precise model of the controlled object. However, setting the control law parameters in LADRC is difficult to adapt to the state of the dynamic system at different times, while the fuzzy control has the ability of adaptive reasoning and parameter estimation and can dynamically adjust the control law parameters according to the actual state of the system, and then improve the control performance of the system.
Based on the above research and the permanent magnet Halbach array suspension system of the red rail system shown in Figure 1, in order to improve the stability of the PMS system the electromagnetic damping structure is introduced, the permanent magnet hybrid suspension experiment (PEMS) platform is built and a fuzzy linear active disturbance rejection control (Fuzzy-LADRC) method is proposed with an air gap deviation integrator to improve the dynamic and static performance of the PEMS system. The structure and dynamic model of the suspension control unit are introduced. The decentralized control strategy is adopted to stabilize the suspension of the platform. Compared with the LADRC and PID control methods in stability, anti-interference, robustness and adaptability, the results show that the proposed control methods have better control effect and can effectively improve the control performance of the suspension platform.
Figure 1.
China red rail system.
2. Suspension Platform Structure and Control Unit Model
2.1. Suspension Platform
The PEMS platform structure is shown in Figure 2. The system is composed of a non-ferromagnetic frame, a non-ferromagnetic suspension platform, a rail permanent magnet, a platform permanent magnet, an electromagnetic coil, a transverse and longitudinal limit wheel and an angle-limit iron and laser displacement sensor; the electromagnetic coils at the four corners of the suspension platform correspond to four suspension control units. The track permanent magnet of the suspension system is composed of two groups of several permanent magnets according to the Halbach array, which are located under both sides of the suspension platform. The same Halbach permanent magnet structure is used on both sides of the platform permanent magnet. The mutual repulsion force between the track permanent magnet group and the platform permanent magnet group is used to realize the suspension of the platform. Through the dynamic adjustment on the magnetic force of the system generated by the electromagnet in the four suspension control units, the control mode of a “permanent magnetic field as the basic bearing and electromagnetic control as the auxiliary means” is formed, effectively improving the dynamic and static performance and maximum bearing capacity of the system.
Figure 2.
PEMS platform module.
The structure of suspension control unit is shown in Figure 3, which is composed of a controller, a power amplifier, a laser sensor and an electromagnet and permanent magnet suspension group. The controller is used to adjust the conduction time and direction of the chopper in real time, according to the given value of the air gap and the signal value of the air gap collected by the laser sensor, so as to dynamically adjust the magnitude or direction of the generated electromagnetic force, which is superimposed with the static magnetic field generated by the permanent magnet and, together, makes the floating plate stable and has certain robustness.
Figure 3.
Suspension control unit module of PEMS platform.
2.2. Suspension Control Unit Modeling
In the actual system, there are uncertainties, such as the fact that the track, the ground and the suspension platform cannot be completely parallel, the magnetic characteristics of each suspension control unit are different and the coupling between the units is strong, resulting in the tilt of the suspension platform at the balance position. When the system is disturbed, the variation of levitation air gap of each unit is inconsistent, which is easily leads to instability. Therefore, the decentralized control strategy is adopted in this paper to eliminate the magnetic difference between the levitation control units and reduce the coupling [21]. When establishing the model of a single suspension control unit, in order to facilitate analysis, the following assumptions are made [22,23,24]:
- There is no magnetic field coupling relationship between electromagnet and permanent magnet Halbach array;
- The suspension control unit does not affect one another;
- The phenomena of remanence, hysteresis and magnetic saturation are ignored.
Based on the above assumptions, the dynamic equation of the suspension control unit can be expressed as:
where is the average mass weighed on the suspension unit affected by the suspension platform; is the acceleration of gravity; is the instantaneous current in the electromagnet; is the instantaneous air gap from the guide rail to the magnetic pole surface of the electromagnet; is the balance current in the electromagnet; is the balance air gap and is combined of magnetic force of electromagnetic and static magnetic force of the permanent magnetic .
The electromagnetic force in the suspension control unit can be expressed as:
where is vacuum permeability; is the magnetic cross-section area of iron core; is the number of turns of the solenoid coil and is the constant coefficient.
The permanent magnet static magnetic field force in the suspension control unit can be expressed as [9]:
where are constant coefficients .
From the Taylor series expansion of the magnetic field force in Equation (1) at the equilibrium position and ignoring the higher-order term, it can be obtained that:
and can be obtained from the differential partial derivative calculation:
where are the computed results of .
It can be obtained from the above two equations that:
The system model equation after linearization at the equilibrium point can be obtained as follows:
Take and the motion speed of the solenoid as the state variable, which is , the system input as and the system output as , then the system state equation can be obtained as:
According to Equation (8), the characteristic equation of the system is:
where is the root of the characteristic equation of the system.
According to the characteristic equation of the system, there is a pole point of the right-half plane in the complex plane of the system. According to the Routh Criterion, the hybrid suspension structure composed of permanent magnet Halbach array and electromagnetic damping system is a self-unstable structure.
According to the analysis of the system model based on the rank criterion, the system can be observed and controlled, and the stability of the suspension system can be achieved by designing feedback controllers and observers.
3. Design of Suspension Controller
It is important to consider that the system will be affected by various uncertainties in the actual operation, such as modeling error, electromagnet temperature change and track irregularity, resulting in poor control performance. Therefore, for the system state equation expressed in Equation (8), assuming that the total disturbance inside and outside the system is and is differentiable, the total disturbance of the system is extended to a new state , and the state equation of the system expressed in Equation (8) can be updated as:
where , is known disturbance and is unknown disturbance, .
3.1. Design of LADRC Controller
LADRC is simplified from ADRC [25,26], and mainly consists of a linear extended state observer (LESO) and linear state error feedback (LSEF). Using LADRC can not only ensure that the control accuracy and speed requirements are met, but also reduce the difficulty of parameter adjustment, estimate the sum of system uncertain disturbances in real time and suppress the impact of disturbances on system output. The structure is shown in Figure 4.
Figure 4.
The structure of LADRC.
In Figure 4, is the given signal of the system and is the actual output signal of the control system; is the differential of the observed signal and the observed signal of ; is the estimated state observation of uncertain interference; is the compensation factor; is LSEF output and is the input of the controlled object after disturbance compensation.
LESO estimates the total unknown factors of the whole system, observes these as the total interference accurately and introduces compensation in the control loop, so as to achieve the purpose of anti-interference. According to the observer theory proposed by Luenberger, the state equation in Equation (10) is reconstructed. The state observer of the expanded system can be designed as follows:
where is the tracking output error of the observer, are the observed values of the system state and is the gain parameter of the observer.
The characteristic equation of the observer is obtained as follows:
where is the feature matrix of , is the third-order matrix which represents the observer, is a third-order unit matrix and is the eigenvalue.
According to the system stability criterion, the appropriate observer gain parameter is selected, so that the characteristic roots of Equation (12) are all distributed in the left-half plane of the complex plane, and then a stable state observer can be designed. With the bandwidth concept, the three pole points of the observer are all allocated to the real axis , so as to determine the observer gain, given as:
where is the bandwidth of the observer. Then:
LSEF uses the target command and the estimated position signal and speed signal to calculate the initial control parameter and transforms the system into an integral series type through dynamic compensation of the estimated total disturbance. LSEF can be designed as:
where: is the initial control quantity; , are the gain coefficients of LESF and and are the given values of air gap target and speed, respectively.
Then, combined with LESO to compensate the estimated total disturbance, the final control parameter is:
3.2. Integrated Fuzzy Control Design of LADRC Controller
In practical application, the parameter tuning in LSEF is similar to the parameter tuning in PID controller, which requires manual adjustment of parameters for different control states, which shows poor adaptability [27]. Conversely, fuzzy control uses control rules and reasoning to adaptively adjust the gain parameters in LSEF according to the error and error change between the given air gap and the actual air gap, so that the active disturbance rejection parameters can meet the needs of and , and improve the control performance of the active disturbance rejection controller [28,29,30].
First of all, according to the debugging experience of PID and ADRC, set the input variables and of the fuzzy controller—whose universe is [−0.2, 1.4] and [−8, 8], respectively—and the corresponding language variables are and . According to the parameters of the control law in the LADRC experiment, the output variables and of the fuzzy controller are set with the universe of [−200, 200] and [−10, 10], respectively, and the corresponding language variables are and , respectively. Secondly, in order to improve the control accuracy, seven subsets of fuzzy language are defined within the universe of the input and output variables of each fuzzy controller, which are {negative large (NB), negative middle (NM), negative small (NS), zero (ZO), positive small (PS), positive middle (PM), positive large (PB)}. In the levitation control experiment, the defined fuzzy language sublets represent the description of the deviation distance and speed of the levitation air gap from the set air gap and the range of the fuzzy output value, where positive and negative represent the direction of the deviation. Large, medium and small indicate the degree of deviation. According to expert experience method and common fuzzy distribution function, and are connected with fuzzy language using triangular membership function. Then, use fuzzy reasoning combined with the Mamdani interface system to realize the rules of ‘if A and B, then C’, and its reasoning is simple and intuitive. It can be obtained according to the dynamic rules and control experience of the suspension control unit. The control rules of the inputs and outputs are established, which are shown in Table 1.
Table 1.
Fuzzy rule table of and .
Finally, the centroid method is selected to solve the ambiguity, which can take all the information in the fuzzy subset into account and more accurately convert the fuzzy value obtained by fuzzy reasoning into the accurate value expressed in the range of the output . The three-dimension effect picture is obtained and shown in Figure 5. Through scale change and superposition of initial parameters, the actual parameters and , which are input to the error feedback control law, are obtained:
where , are the initial values of gain parameters in LESF and , are scale factors.
Figure 5.
Fuzzy rule 3D effect. The colors in the graph indicate the magnitude of the corresponding z-axis values, with dark blue being the smallest and dark yellow being the largest.
Combined with the LADRC parameter-tuning principle, the fuzzy linear active disturbance rejection controller of the suspension control unit can be obtained. The other three suspension control units can follow the same design method to complete the controllers design.
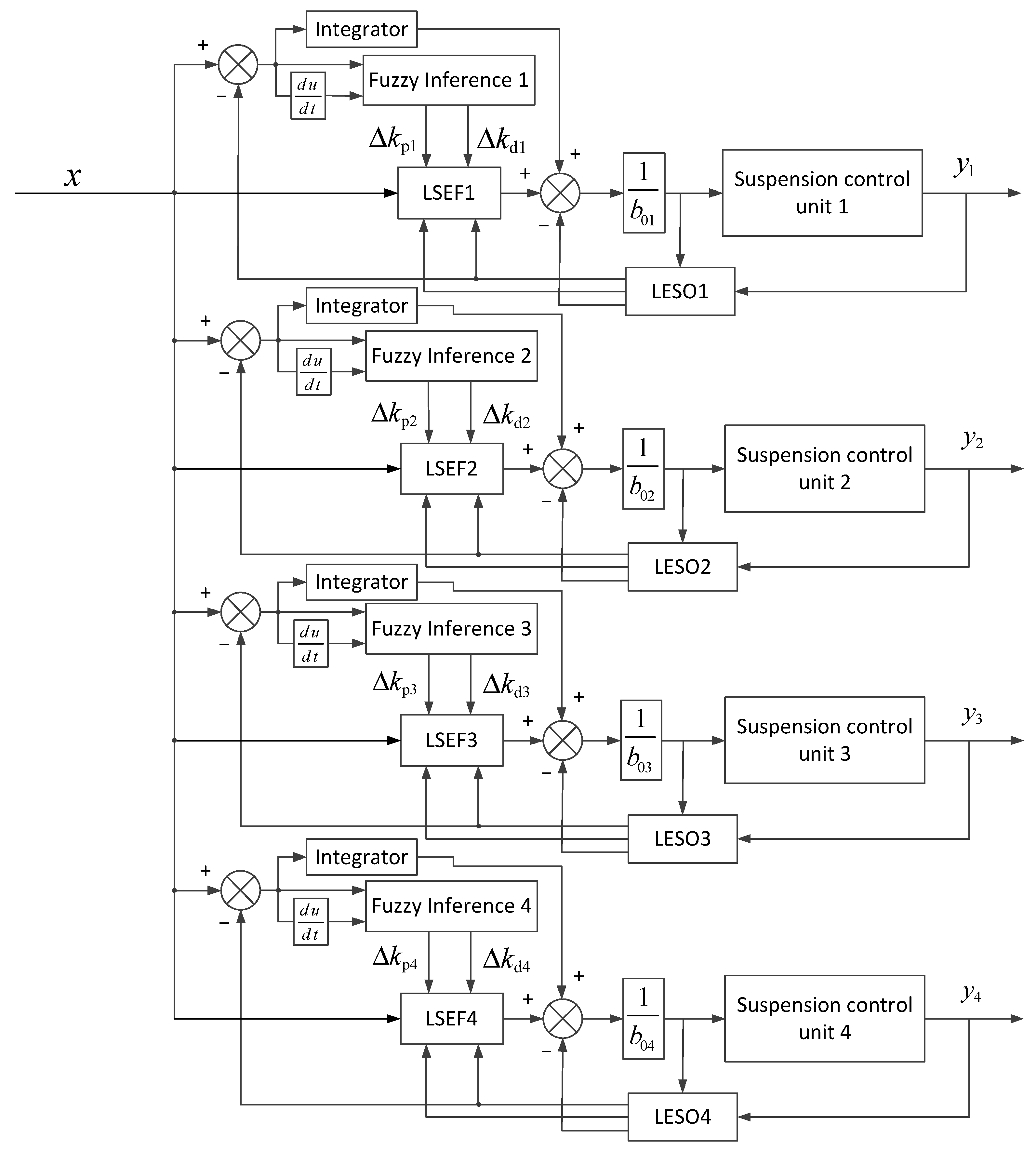
In particular, the extended state observer can accurately estimate the total disturbance, modify the control object and simplify the control object into an integrator series system so that the ADRC can achieve static error-free control. However, in the actual system, due to the influence of factors such as inaccurate model, time-varying parameters and other unknown disturbances, the controlled object often cannot be simplified into an integrator series system, which makes it difficult for ADRC to completely eliminate the steady-state error of the control system [31]. Therefore, after the control object is calculated by the fuzzy linear active disturbance rejection controller, the air gap deviation integrator control is added to improve the steady-state accuracy of the control system. The fuzzy linear active disturbance rejection control diagram on the PEMS platform is shown in Figure 6.
Figure 6.
Fuzzy-LADRC diagram on PEMS platform.
4. Simulation and Experiment of Suspension System
4.1. Simulation of Suspension Control Unit
To verify the effectiveness of the designed suspension controller, a simulation model of the suspension control unit is built in Matlab/Simulink. The parameter values of the suspension control unit system are shown in Table 2.
Table 2.
Parameters of suspension control unit.
Substitute the parameter values in Table 2 into Equation (8), and the state equation of suspension control unit can be expressed as:
The PID, LADRC and Fuzzy-LADRC controllers are compared and simulated from three aspects, which are adaptability, anti-interference ability and noise suppression performance, to verify the superiority of Fuzzy-LADRC method. See Table 3 for the simulation parameters of each controller.
Table 3.
Simulation parameters of three controllers.
- (1)
- Adaptability analysis
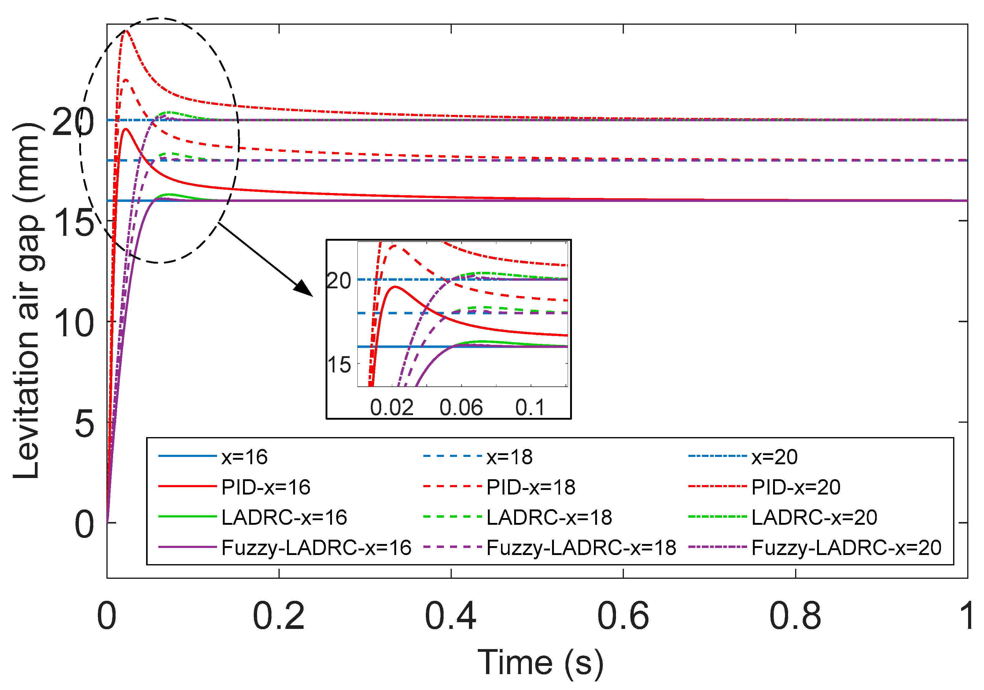
With the control parameters unchanged, change the reference given signal into x = 16, 18, 20 and experiment with the adaptability of the controller. The response curves of PID, LADRC and Fuzzy-LADRC control methods are shown in Figure 7.
Figure 7.
Response curves of three control methods under different settings.
It can be seen from Figure 7 that the three control methods of PID, LADRC and Fuzzy-LADRC can make the platform reach the given position and stably levitate, and the Fuzzy-LADRC method is superior to PID and LADRC methods in overshoot, adjustment time and other performance indicators. If using the curve response does not exceed 2% of the given value as the criterion for judging the stability of the system when the given signal x = 18 mm, the maximum overshoot of the system is 4 mm and the adjustment time is 0.26 s under the PID control, then the adjustment time of LADRC and Fuzzy-LADRC is almost synchronous: 0.049 s. The maximum overshoot of LADRC is 0.35 mm, while the maximum overshoot of Fuzzy-LADRC is 0.13 mm. On the basis of ensuring the adjustment time, the overshoot of the system is greatly reduced.
- (2)
- Anti-interference performance analysis
On the basis of stable suspension at the given suspension air gap x = 18 mm, a 5 V step interference is applied to the controller at t = 2 s and the interference is removed at t = 4 s. The anti-interference performance of the controller was tested. The response curves of PID, LADRC, and Fuzzy-LADRC control methods are shown in Figure 8.
Figure 8.
Response curves of three control methods under step interference.
It can be seen from Figure 8 that PID, LADRC and Fuzzy-LADRC have certain anti-interference ability. When the system is under step interference, the system is greatly affected when using PID, resulting in a deviation of 0.92 mm, and the adjustment time is 0.28 s. Under the control of LADRC and Fuzzy-LADRC, the system is basically not affected by the disturbance, but the maximum deviation of Fuzzy-LADRC is 0.15 mm smaller than that of LADRC and it can return to the original position in a faster time, which is 0.081 s faster than that of LADRC.
- (3)
- Noise suppression performance
Given the suspension air gap x = 18 mm, add a random noise signal with amplitude of [−2.5 V, 2.5 V] into the system to experiment the noise suppression performance of the controller. The response curves of PID, LADRC and Fuzzy-LADRC control methods are shown in Figure 9.
Figure 9.
Response curves of three control methods under the influence of noise.
It can be seen from Figure 9 that when the system is affected by noise, the PID control method jitters obviously, with 0.29 mm fluctuation error. Under the control of LADRC, there is 0.089 mm fluctuation error, while the Fuzzy-LADRC method has better robustness with only 0.059 mm fluctuation error, which further suppresses the impact of noise on the system.
Compared with PID and LADRC, using Fuzzy-LADRC can make the platform reach the given position without overshoot in a shorter time, and can quickly return to the original stable state when disturbed, and has stronger robustness to noise, effectively improving the control performance of the control unit of the permanent magnet electromagnetic hybrid suspension platform.
4.2. PEMS Platform Suspension Experiment
In order to verify the stability control effect of the Fuzzy-LADRC controller on the PEMS system, experiments were carried out on the PEMS platform, shown in Figure 10.
Figure 10.
Physical picture of PEMS platform.
Due to certain simplification made to the system during modeling, there will be some differences between the simulation and the real model, resulting in the controller parameters of the simulation and experiment that are not completely consistent. It is necessary to adjust and optimize the real system control parameters considering the simulation parameters. See Table 4 for the experimental parameters of each suspension unit controller.
Table 4.
Simulation parameters of three controllers.
The following experimental scheme is designed: (1) Levitation experiment: in the initial state, the distance between each control unit and the guide rail is the permanent magnetic levitation distance. After the platform is powered on, the given levitation air gap is 18 mm, and the variation of the levitation air gap of each unit is recorded; (2) Immunity experiment: when the PEMS platform is stably suspended at a given air gap, the step interference of 5 V control amount is added and decreased to the system, and the change in the suspended air gap of each unit is recorded; (3) Robustness experiment: when the PEMS platform is stably suspended at a given air gap, an object weighing 2 kg will fall freely from 0.5 m above the external interference experiment point of the platform, and the weight will be removed after 4 s, and the change of the suspended air gap of each unit will be recorded; (4) Adaptability experiment: when the PEMS platform is stably suspended at a given air gap, make the platform move back and forth and record the change of the suspended air gap of each unit.
- (1)
- Suspension experiment
In the initial state, the suspension air gap of each suspension unit is shown in Figure 11a. After the system is powered on, the given levitation air gap is 18 mm. Under three control methods, the according air gap changes of each levitation control unit are shown in Figure 11b–d.
Figure 11.
Platform suspension experiment results with given air gap. (a) Air gap of each suspension unit in initial state; (b) Air gap of each suspension unit under PID control; (c) Air gap of each suspension unit under LADRC control; (d) Air gap of each suspension unit under Fuzzy-LADRC control.
It can be seen from Figure 11 that in the initial state, the distance between each suspension knowable unit and the guide rail is 17.53 mm, 17.68 mm, 17.35 mm and 17.38 mm respectively; after the suspension air gap is given, each suspension control unit starts to adjust under the control of different controllers. Under the control of PID, the air gap of suspension units 1~4 can be stabilized at about 18 mm after suspension, with a steady-state error of 0.062 mm. Under LADRC, because LSEF adopts a principle similar to PD control, the controlled object cannot be simplified into an integral series system, so there is a certain error between the air gap of each suspension unit and the reference air gap, resulting in a certain tilt of the platform during suspension. Under the effect of Fuzzy-LADRC with an integrator, the levitation air gap of each levitation unit is 18 mm and the steady-state error is 0.051 mm; the steady-state accuracy of LADRC is improved, which is about 17.74% lower than PID control.
- (2)
- Anti-interference experiment
Given that the suspension air gap of PEMS platform is 18 mm, on the basis of the stable suspension of the platform, when t = 4 s, a step interference of 5 V is suddenly added to the system and when t = 6 s, the interference is removed. Under the three control methods, the air gap changes of each suspension control unit are shown in Figure 12.
Figure 12.
Suspension experiment results when the platform is under internal interference. (a) Air gap of each suspension unit under PID control; (b) Air gap of each suspension unit under LADRC control; (c) Air gap of each suspension unit under Fuzzy-LADRC control.
It can be seen from Figure 12 that under the same step interference and under the control of PID, the peak value of platform air gap fluctuation is 0.58 mm and the time to return to the original steady state is 1.08 s. Under the control of LADRC, the system cannot return to the original steady state in a limited time until the interference disappears, and the peak value of the platform air gap fluctuation is 0.44 mm. Under the control of Fuzzy-LADRC, the system can return to the original steady state in a limited time. The peak value of platform air gap fluctuation is 0.48 mm, which is about 17.24% lower than PID, and the time to return to the original steady state is 0.58 s, which is about 46.29% faster than PID. It shows that among the three controllers, Fuzzy-LADRC has the best anti-interference performance and can quickly return to the original stable state when disturbed.
- (3)
- Robustness experiment
Given that the suspension air gap of the PEMS platform is 18 mm and on the basis of stable suspension of the platform, an object weighing 2 kg is made to fall freely at 0.5 m above the “X” point of the external interference experiment mark of the platform, and the heavy object will be removed after 4 s. Under the three control methods, the according air gap changes of each suspension control unit are shown in Figure 13.
Figure 13.
Suspension experiment results when the platform is under external interference. (a) Air gap of each suspension unit without control; (b) Air gap of each suspension unit under PID control; (c) Air gap of each suspension unit under LADRC control; (d) Air gap of each suspension unit under Fuzzy-LADRC control.
It can be seen from Figure 13 that when the system is under external interference and without any control methods, the peak value of the platform air gap fluctuation is 2.58 mm, which reaches a new stable state after 21 cycles of oscillation attenuation; the time to reach the stable state is 2.82 s. Under the control of PID, the peak value of air gap fluctuation of the platform is 4.01 mm, and it returns to the original stable state after seven cycles of oscillation attenuation; the time to reach the stable state is 0.84 s. Under the control of LADRC, the peak value of the platform air gap fluctuation is 2.86 mm, and it returns to the original stable state after five cycles of oscillation attenuation; the time to reach the stable state is 0.41 s. Under the control of Fuzzy-LADRC, the peak value of the platform air gap fluctuation is 2.06 mm, and it returns to the original steady state after two cycles of oscillation attenuation; the time to reach the steady state is 0.19 s. When the external interference is removed and no control method is applied, the platform fluctuation peak is 0.31 mm, and the time to reach the steady state is 0.48 s. Under the action of PID, the peak value of platform fluctuation is 0.23 mm, and the time to reach steady state is 0.39 s; the platform is basically unaffected when under the control of LADRC or Fuzzy-LADRC.
In contrast, Fuzzy-LADRC with an integrator can achieve a consistent steady-state air gap, and has stronger robustness when external interference is applied. The peak value of platform fluctuation is 20.16% lower than that without control, 48.63% lower than that with PID and 27.97% lower than that with LADRC. The stabilization time is 93.26% faster than that without control, 77.38% faster than that with PID and 53.66% faster than that with LADRC. When removing external interference, Fuzzy-LADRC also shows stronger robustness.
- (4)
- Adaptability experiment
Considering the irregularity of the joints between the tracks of the maglev train, which is likely to lead to the fluctuation of the suspension gap when the train is running, it is necessary to study the effect of the suspension control method on maintaining the suspension state when the platform is moving. Under the three control methods, the air gap changes of each suspension control unit are shown in Figure 14.
Figure 14.
Suspension experiment results when the platform is moving. (a) Air gap of each suspension unit without control; (b) Air gap of each suspension unit under PID control; (c) Air gap of each suspension unit under LADRC control; (d) Air gap of each suspension unit under Fuzzy-LADRC control.
It can be seen from Figure 14 that when the platform reciprocates without control, the platform air gap fluctuates in the range of 16.86~17.86 mm. Under the control of PID, the platform air gap fluctuates between 17.61 and 18.39 mm. Under the control of LADRC, the platform air gap fluctuates between 17.67 and 18.37 mm. Under the control of Fuzzy-LADRC, the platform air gap fluctuates in the range of 17.79~18.19 mm, which is about 60% lower than that without control, about 48.72% lower than that with PID and about 42.86% lower than that with LADRC. It shows that among the three controllers, Fuzzy-LADRC has better adaptability when the platform is moving and can maintain the given suspension state well.
5. Conclusions
In view of the uncontrollable and underdamping characteristics of the permanent magnet suspension system, the red rail of China, the electromagnetic damping structure is introduced in this paper, a permanent magnet electromagnetic hybrid suspension experiment platform is built, a fuzzy linear active disturbance rejection control method with an air gap deviation integrator is proposed, the stability control of the suspension platform is studied and the following conclusions are obtained through theoretical analysis and experiments:
(1) Based on the structure analysis of the permanent magnet electromagnetic hybrid suspension platform, the model of the suspension control unit is improved by combining the existing information. The stability, observability and controllability of the system are analyzed, the design of the controller is simplified and the time of parameter tuning of the controller is shortened.
(2) Combined with a fuzzy control and linear active disturbance rejection control method, the parameters of the state error feedback control theory in linear active disturbance rejection can be self-adjusted considering the actual working conditions of the suspension platform, effectively improving the adaptability and robustness of the system. To solve the problem that in the practical application of linear active disturbance rejection the controlled object cannot be simplified into an integral series system, the air gap deviation integrator is introduced to improve the control accuracy of the system.
(3) The experiment’s results show that compared with linear active disturbance rejection and PID control methods, the proposed fuzzy linear active disturbance rejection control method not only improves the stability, anti-interference and robustness of the system, but also has stronger adaptability when the system is in operation and can better maintain the given suspension state.
The method proposed in this paper provides good theoretical support for further promoting the engineering application of hybrid suspension technology. It can also be applied to magnetic bearing, UAV control and APT system control of the space optical communication, and has good application prospects.
Lastly, introducing the integrator into the fuzzy linear active disturbance rejection also leads to integral saturation and can cause a large overshoot and long adjustment time. Therefore, the next stage of research is to optimize the integrator design to achieve the control effect that can not only improve the steady-state accuracy of the system, but also inhibit the integral saturation.
Author Contributions
Conceptualization, J.Y.; data curation, Y.Q. and H.G.; formal analysis, J.Y. and H.G.; investigation, Y.Q.; methodology, Y.Q.; project administration, J.Y.; software, Y.W. and Y.Q.; validation, Y.Q.; writing—original draft preparation, Y.Q.; writing—review and editing, H.G.; All authors have read and agreed to the published version of the manuscript.
Funding
This research was funded by a grant from the National Natural Science Foundation of China (No. 62063009), the cultivation project of the State key Laboratory of Green Development and High-value Utilization of Ionic Rare Earth Resources in Jiangxi Province (No. 20194AFD44003),and by a grant from the Research Projects of Ganjiang Innovation Academy, Chinese Academy of Sciences. (No. E255J001).
Institutional Review Board Statement
Not applicable.
Informed Consent Statement
Not applicable.
Data Availability Statement
Not applicable.
Conflicts of Interest
The authors declare no conflict of interest.
References
- Ma, W.; Luo, S.M.Z. Research review on medium and low speed maglev vehicle. Jiaotong Yunshu Gongcheng Xuebao/J. Traffic Transp. Eng. 2021, 21, 199–216. [Google Scholar] [CrossRef]
- Long, Z.; Li, X.M. A New Strategy for Improving the Tracking Performance of Magnetic Levitation System in Maglev Train. Symmetry 2019, 11, 1053. [Google Scholar] [CrossRef]
- Magdaleno-Adame, S.; Cunningham, G.J.D.S. Calculation of the Remnant Magnetization and Magnetic Saturation Characteristics for Sintered NdFeB Permanent Magnets Utilizing Finite Element Transient Simulations. IEEE Trans. Magn. 2019, 55, 1–9. [Google Scholar] [CrossRef]
- Gao, T.; Yang, J.L.Z.Y. Study on Dynamic Characteristics of Permanent Magnet Suspension System Based on Mechanical Damping Structure. J. China Railw. Soc. 2021, 43, 61–68. [Google Scholar]
- Montgomery, D.B. Overview of the 2004 Magplane Design. In Proceedings of the MAGLEV’2004 proceedings, Shanghai, China, 26–28 October 2004. [Google Scholar]
- Wiseman, Y. Safety Mechanism for SkyTran Tracks. Int. J. Control Autom. 2017, 10, 51–60. [Google Scholar] [CrossRef]
- Malewicki, D. Data entry—March 31, 2052: A retrospective of solid-state transportation systems. Proc. IEEE 1999, 87, 680–687. [Google Scholar] [CrossRef]
- Site, M.C.D. A new concept of modular magnetic levitation train for urban transport. Transp. Syst. Technol. 2018, 4, 107–119. [Google Scholar]
- Yang, J.; Gao, T.; Yang, B. Research and design of permanent magnetic levitation air-rail system. Railw. Trans. 2020, 42, 30–37. [Google Scholar] [CrossRef]
- Gao, T.; Yang, J.; Jia, L.; Deng, Y.; Zhang, W.; Zhang, Z. Design of New Energy-Efficient Permanent Magnetic Maglev Vehicle Suspension System. IEEE Access 2019, 7, 135917–135932. [Google Scholar] [CrossRef]
- Oka, K.; Zhao, C.; Sun, F.; Jin, J.; Tang, J.; Li, Q. Analysis of Quasi-Zero Power Characteristic for a Permanent Magnetic Levitation System With a Variable Flux Path Control Mechanism. IEEE/ASME Trans. Mechatron. 2021, 26, 437–447. [Google Scholar]
- Ham, C.; Ko, W.; Lin, K.-C.; Joo, Y. Study of a hybrid magnet array for an electrodynamic maglev control(Article). J. Magn. 2013, 18, 370–374. [Google Scholar] [CrossRef]
- Jing, Y.; Cheng, L.; Zhang, K. Stability control of permanent magnet and electromagnetic hybrid Halbach array electrodynamic suspension system. COMPEL-Int. J. Comput. Math. Electr. Electron. Eng. 2021, 40, 905–920. [Google Scholar] [CrossRef]
- Wang, Z.; Long, Z.; Li, X. Levitation control of permanent magnet electromagnetic hybrid suspension maglev train. Proc. Inst. Mech. Eng. Part I J. Syst. Control Eng. 2018, 232, 315–323. [Google Scholar]
- Han, J. From PID technology to “auto disturbance rejection control” technology. Control Eng. 2002, 9, 13–18. [Google Scholar] [CrossRef]
- Cui, W.; Wang, Y.W. Approximation of linear active disturbance rejection control with PID control(Article). Control Theory Appl. 2020, 37, 1781–1789. [Google Scholar] [CrossRef]
- Gao, Z. Active disturbance rejection control: A paradigm shift in feedback control system design. In Proceedings of the 2006 American Control Conference, Minneapolis, MN, USA, 14–16 June 2006; pp. 2399–2405. [Google Scholar]
- Zhang, J.; Mei, X.; Zhang, D.; Jiang, G.; LIU, Q. Application of decoupling fuzzy sliding mode control with active disturbance rejection for MIMO magnetic levitation system. Proc. Inst. Mech. Eng. Part C J. Mech. Eng. Sci. 2013, 227, 213–229. [Google Scholar] [CrossRef]
- Guan, H.; Jianming, Z.M. Control strategy of magnetic levitation bearing based on linear Active disturbance rejection control. J. Beihua Univ. Nat. Sci. Ed. 2020, 21, 675–681. [Google Scholar]
- Huang, C.; Li, X.Z.Y. Mechanical-Electromagnetic Suspension Compound Vibration Isolation Control Based on Active Disturbance Rejection Technology. J. Southwest Jiaotong Univ. 2022, 57, 582. [Google Scholar]
- Lee, J.-W.; Oh, K. New Decentralized Actuator System Design and Control for Cost-Effective Active Suspension. IEEE Access 2022, 10, 113214–113233. [Google Scholar] [CrossRef]
- Xia, W.; Long, Z.F. System modeling and control system performance optimization of magnetic suspension and balance system. Int. J. Appl. Electromagn. Mech. 2022, 68, 105–122. [Google Scholar] [CrossRef]
- Jing, Y.; Feng, W.; Wang, S.; Ma, X.; Hao, J.; Dong, J. Suspension control strategy based on adaptive non-singular terminal sliding mode. Xinan Jiaotong Daxue Xuebao/J. Southwest Jiaotong Univ. 2022, 57, 566–573. [Google Scholar] [CrossRef]
- Kumar, S.; Medhavi, A.R. Modeling of an active suspension system with different suspension parameters for full vehicle. Indian J. Eng. Mater. Sci. 2021, 28, 55–63. [Google Scholar] [CrossRef]
- Liu, Y.; Hu, Z.J. Gear-driven turbofan engine control based on linear auto-disturbance rejection. Aircr. Eng. 2021, 233, 78–85. [Google Scholar] [CrossRef]
- Ding, X.; Hu, Y.; Jia, R.; Guo, J. A Novel Disturbance Rejection Control of Roll Channel for Small Air-to-Surface Missiles. Appl. Sci. 2023, 13, 389. [Google Scholar] [CrossRef]
- Wang, Z.; Yu, C.; Li, M.; Yao, B.; Lian, L. Vertical profile diving and floating motion control of the underwater glider based on fuzzy adaptive ladrc algorithm. J. Mar. Sci. Eng. 2021, 9, 698. [Google Scholar] [CrossRef]
- Cheng, L.; Lan, Y.P.Y.P. Fuzzy fractional sliding mode control of magnetic levitation system of linear synchronous motors. Dianji yu Kongzhi Xuebao/Electr. Mach. Control 2022, 94–100. [Google Scholar]
- Zhang, Y.; Lan, Y. Research on TS type fuzzy control of linear synchronous motor of magnetic suspension platform. Mot. Control Appl. 2021, 48, 1–6. [Google Scholar] [CrossRef]
- Han, S.-Y.; Dong, J.-F.; Zhou, J.; Chen, Y.-H. Adaptive Fuzzy PID Control Strategy for Vehicle Active Suspension Based on Road Evaluation. Electronics 2022, 11, 921. [Google Scholar] [CrossRef]
- Liu, F.; Jia, Y.S. Integral linear auto-disturbance rejection control for pneumatic loading system. Control Theory Appl. 2015, 32, 1090–1097. [Google Scholar] [CrossRef]
Disclaimer/Publisher’s Note: The statements, opinions and data contained in all publications are solely those of the individual author(s) and contributor(s) and not of MDPI and/or the editor(s). MDPI and/or the editor(s) disclaim responsibility for any injury to people or property resulting from any ideas, methods, instructions or products referred to in the content. |
© 2023 by the authors. Licensee MDPI, Basel, Switzerland. This article is an open access article distributed under the terms and conditions of the Creative Commons Attribution (CC BY) license (https://creativecommons.org/licenses/by/4.0/).