Next Article in Journal
Image Scanning Microscopy to Investigate Polycomb Protein Colocalization onto Chromatin
Previous Article in Journal
Model Test Study of the Synergistic Interaction between New and Existing Components of Sheet Pile Walls
 
 
Font Type:
Arial Georgia Verdana
Font Size:
Aa Aa Aa
Line Spacing:
Column Width:
Background:
Article

Cooperative Use of IMD and GPT in a 3-Phase Ungrounded Distribution System Linked to a Transformerless Photovoltaic Power Generation Facility

1
Distribution Planning Group, Smart Power Distribution Laboratory, KEPCO Research Institute, Daejeon 34056, Republic of Korea
2
School of Electric Engineering, Chungbuk National University, Cheongju 28644, Republic of Korea
*
Author to whom correspondence should be addressed.
Appl. Sci. 2023, 13(3), 1558; https://doi.org/10.3390/app13031558
Submission received: 20 December 2022 / Revised: 20 January 2023 / Accepted: 23 January 2023 / Published: 25 January 2023
(This article belongs to the Topic Power System Protection)

Abstract

Distributed generations, using solar photovoltaic (PV) generation systems, are generally connected to ungrounded distribution systems to ensure operational continuity and avoid electro-chemical corrosions. The ungrounded power distribution system possesses an advantage of continuous operation regardless of primary fault occurrence due to a small fault current. Conversely, a subsequent secondary fault can induce a large fault current representing that of other electrical grounding types, resulting in inevitable power shutdowns. As preventative methods, both insulation status monitoring and primary failure detection have become of high importance. This paper presents a method enabling the cooperative use of IMD (Insulation Monitoring Device) and GPT (Ground Potential Transformer) in an ungrounded distribution system connected with a transformerless inverter. Moreover, factors leading to errors during IMD insulation monitoring, CLR (Current Limit Resistor) burnout of a GPT, and malfunctions of related protection devices are presented. Furthermore, a method for selecting the inductor and capacitor in consideration of the operating characteristics of IMD and GPT is discussed. The proposed cooperative operation method enables the accurate measurement of insulation resistance using IMD, while concurrently reducing the constitutively induced zero-sequence voltage in the CLR of a GPT to prevent CLR burnouts and malfunctions of connected protection devices. Hence, the method is anticipated to contribute to the stable operation of alternating current (AC) and Direct Current (DC) combined systems connected with transformerless inverters.

1. Introduction

Energy transition from fossil fuels to renewable energy has become the core interest of the current society. In response to climate change, investments in renewable energy sources have rapidly increased in the attempt of reducing carbon emissions worldwide, and research on introducing and utilizing renewable energy sources is actively ongoing. Moreover, in response to a decrease in the unit cost, the proportion of renewable energy source utilization for power generation and target market share is continuously expanding. Amongst various renewable energy sources, the solar power generation system is anticipated to soon occupy the largest portion [1,2,3].
Solar photovoltaic (PV) power systems generate direct current (DC) power. Hence, an inverter is used for connection to an alternating current (AC) grid. Inverters are largely classified into transformer-based inverters, which are insulated, and transformerless inverters, which are not. Recently, transformerless inverters have received higher appreciation due to multiple advantages in power generation efficiency, economic feasibility, size, and weight. Most solar PV power generation systems are connected to Δ ungrounded systems due to operational continuity and electro-chemical corrosions [4,5,6].
An ungrounded system enables the uninterrupted power supply in the presence of a primary fault and inflicts minimal damage to the existing system in response to the fault. However, such a characteristic complicates the fault detection due to a small fault current. Moreover, the occurrence of a subsequent secondary fault causes a large fault current representing that of other system grounding methods, thereby power shutdown is inevitable. In consideration of the system characteristics, accurate insulation monitoring and a rapid response time in the event of a primary fault are both required to ensure a safe and uninterrupted system operation [7,8,9]. IEC 60364-4-41 specifies a device that sounds an alarm in response to a primary fault, monitors the insulation of a power line, and finally detects and blocks ground faults [10]. Specifically, in South Korea, when distributed generation with DC power sources are connected, a separate installation of individual DC ground fault breakers for each system grounding method is the requisite. Therefore, IMD (Insulation Monitoring Devices), RCD (Residual Current Devices), GPT (Ground Potential Transformer), etc., are recommended [11].
The RCD plays a role in detecting a blocking leakage current when it flows. Type B, which can detect all types of residual current, is mainly used in systems with power converters, such as PV generation systems. In the case of a DC system, it is composed of an ungrounded system because the electrical corrosion of the grounding electrode is severe compared to the AC system. However, when the RCD is connected to the DC ungrounded system, there is a disadvantage of causing the electrical corrosion. This is because a resistance of several thousand [ Ω ] must be inserted at the anode of the cathode for the RCD to detect the leakage current. Therefore, RCDs may not be suitable for DC ungrounded systems [12,13,14].
The IMD is used to monitor insulation inside PV arrays or energy storage systems and holds the capacity of concurrently monitoring insulation while detecting ground faults within DC and AC systems. The duration of insulation monitoring is proportional to the RC time constant of the connected system and is prolonged for several [s] at least. Since the possibility of a second fault occurring prior to detecting the first fault (insulation measurement time) cannot be excluded, the most fatal situation of having to shut down power in the ungrounded system operation may be encountered [15,16,17].
To resolve the shortcoming of IMD and improve the overall safety of the ungrounded system operation, the cooperative use of IMD and GPT may be considered. GPT is responsible for detecting zero phase voltages in the event of a Single Line to Ground Faults (SLG Faults), which occurs frequently in the ungrounded system. GPT is generally used in conjunction with Over Voltage Ground Relay (OVGR) or Selective Ground Relay (SGR). The drawback of the IMD insulation measurement time may be compensated by implementing GPT, since the duration of GPT to detect and isolate a fault is less than 0.5 [s]. Moreover, additional installation costs may be avoided, as GPTs are generally preinstalled in conventional ungrounded systems [18,19,20].
However, international standards and specifications, including the International Electrotechnical Commission (IEC), prohibit the combined use of IMD and GPT. In South Korea, the parallel use, including separating the neutral line of potential transformers such as GPT from the ground when measuring IMD insulation resistance, is disallowed. Furthermore, the parallel installation of IMD and GPT within new systems is unallowed [21].
This paper features series grounding of the inductor and capacitor on the primary side of the GPT for cooperative use of IMD and GPT within an ungrounded system connected to a transformerless inverter. In addition, the effect of IMD insulation resistance measurement and GPT zero-phase voltage according to the inductor–capacitor capacity is considered. The proposed method blocks the DC current flowing to the primary side of the GPT, guaranteeing accurate insulation resistance measurement of the IMD even when used in combination with the GPT. Moreover, decreasing the zero-phase current, which constitutively flows to the primary side of the GPT, can reduce the induced zero-phase voltage at steady state. Accordingly, the method may serve as a preventative measure for the CLR burnout and malfunction of the connected protection devices.

2. Ground Fault Protection of Ungrounded System

2.1. Characteristics of Ungrounded Systems

According to IEC 60364-1, the grounding method of distribution lines can be classified into three types: The TT system, TN system, and IT system. The first character represents the connection between the neutral point of the power facility and the ground, and the second character represents the connection between the enclosure of the load facility and the ground. The letter T (Terra) indicates direct grounding, N (Neutral) denotes direct connection to the neutral conductor, and I (Isolation) refers to ungrounded or high-impedance grounding exceeding 2000 [Ω] [22].
Amongst the three systems, the IT system is completely insulated from the earth or grounded through high-impedance grounding. Hence, only the enclosure of the load facility is grounded. The ungrounded method is mainly used for systems with short feeders and low voltage. Due to an absence in grounding, the occurrence of electrical corrosions of the ground electrodes are less frequent. Therefore, the method is adequate for the DC distribution systems where corrosions are of serious concern [7].
Unlike the case of grounded systems, when a SLG occurs in an ungrounded system, a return path for the fault current is not formed through the power supply. Since the induced fault current is small in magnitude, being several [A] or less, there is indeed an advantage of continuous power supply. Moreover, if necessary, the power supply can be continued by switching to a V-connection. Considering these characteristics, ungrounded systems are generally applied to airports, hospitals, and large-scale factory facilities, where considerable economic damage may be inflicted in the event of power outages or accidents, which may pose a risk to public safety [8,9].
On the other hand, since a SLG fault current of the ungrounded system is very small, complications occur when detecting the fault. If the first fault is left unattended, the electric potential of the sound phase can escalate to 6–8 folds of the phase voltage. Hence, the primary fault must be accurately detected and rapidly restored to prevent accident propagation or device damages. In the case of a secondary fault, as with other system grounding methods, a large fault current is induced, and the power is consequently cut off.

2.2. IMD (Insulation Monitoring Device)

IMD is a device that monitors the insulation status of connected devices or power lines. When the insulation resistance is measured to be under the threshold value set by the user, an alarm is output or a relay signal for switching is generated.
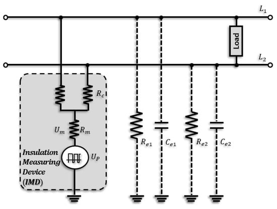
Internal components of an IMD include an auxiliary signal source, which injects signals into the system, a coupling circuit which protects devices from high voltage levels of the system and injects signals without distortion, and a measuring circuit, which measures returned signals due to the insulation resistance between the power line and the ground.
An example of an IMD connected to two power lines is shown in Figure 1. U p is the voltage of an auxiliary signal source. R m is the resistance of measuring circuit, and the voltage induced across it is U m . R c is the coupling resistance, and R e is the equivalent insulation resistance that exists between the power line and the ground as the subject of IMD monitoring. C e represents the distributed capacitance in the system. The equivalent insulation resistance of a system is calculated using the voltage of the measuring circuit, and transients appear in the measured voltage due to the capacitance component between the system and the line-to-ground. IMD can be largely categorized into two groups depending on the injected wave. The measurements and calculations by IMD are conducted by injecting either a sine wave or a square wave. In this paper, the universally utilized square wave injection type IMD is used, and the insulation impedance of the system and the simplified equivalent circuit of the IMD are depicted in Figure 2.

2.3. GPT (Ground Potential Transformer)

GPT is a protective device that detects ground faults through the magnitude of sequence voltage induced in response to a ground fault by forming a loop through which the ground fault current can flow. The internal configuration of GPT is depicted in Figure 3. The primary side of GPT is Y-connected and its neutral point is directly grounded. The secondary side of GPT is also Y-connected to ground the neutral point, and the tertiary side is composed of an open Δ connection using a CLR. When in occurrence of a ground fault in the system, a closed circuit is formed through the fault point and the neutral point of the primary side of the GPT, causing the fault current to flow. Accordingly, the current of the tertiary side of the GPT is induced and the zero-phase voltage is induced across the current limiting resistor. Based on the magnitude of the corresponding zero-phase voltage, GPT is used as an operating element of the linked OVGR or SGR.

3. Problem Formulation

3.1. System Configuration

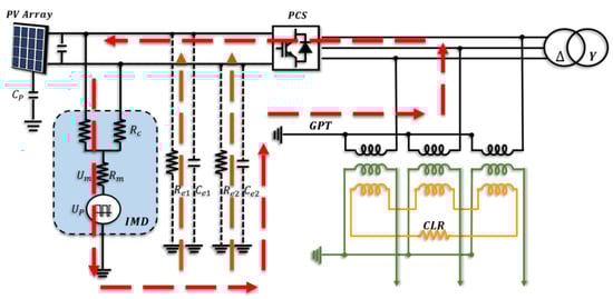
The system configuration of the problem scenario presented in this paper is depicted in Figure 4. First, a transformerless PV generation system is connected to an ungrounded system. It is connected to a PV array and Power Conversion Systems (PCS) that converts DC power into AC power. C p is a parasitic capacitance component that exists between the solar PV module and the ground due to the structure of the solar panel. Moreover, an IMD is connected to the DC side of the transformerless inverter, and a GPT is connected to the AC side. Within the configuration, the IMD can monitor the insulation of both the DC and AC grids, and GPT can form a current loop in the ungrounded system to detect leakage and the ground fault current.

3.2. Insulation Resistance Measurement by IMD

In the system configuration of Figure 4, complications may occur during the insulation resistance measurement using IMD, including low measurement values, false alarms, and malfunctions of the related protective relays. Further explanations are to be provided through a comparison between Figure 5 and Figure 6. Figure 5 depicts an ungrounded system, in which IMD is connected to the DC line of a transformerless PV power generation system, while in the absence of GPT connection. The current loop for IMD insulation resistance measurement is formed through the insulation impedance R e C e of the system, the coupling resistance R c , and the resistance R m of the measuring circuit. The leakage current flows through the loop, which generates a voltage U m across the resistance R m   of the measuring circuit. Hence, the combined insulation resistance of the system can be calculated. As a transformerless solar power generation system is not electrically isolated, it is possible to monitor the insulation state of the AC side.
Figure 6 depicts a current loop according to the IMD square wave injection occurring when GPT is linked to the AC output side of the PV power generation system shown in Figure 5. Through the GPT connection, an additional current loop through the primary-side of GPT is formed (red dotted-line). Since the series resistance of the formed loop is minute compared to the existing system insulation resistance, the IMD current for insulation resistance measurement generally flows to the neutral point of the primary side of the GPT. This induces a measurement error of IMD, resulting in a low insulation resistance measurement (virtual short circuit), even when the insulation of the system is intact. Misdiagnosis of insulation failures or ground faults can release a false alarm by IMD and result in the malfunction of associated relays.

3.3. Induction of Zero-Phase Voltage of GPT

A second problem to consider is an induction of a zero-phase voltage of GPT even in the absence of a ground fault. The phenomenon can be attributed to both the harmonic current due to the switching of the transformerless inverter and the current flowing to the primary side of the GPT due to the square wave injection of the IMD.
First, the harmonic current effect due to switching of the transformerless inverter is described. Corresponding harmonic currents circulate as current loops are formed through elements such as the GPT primary ground and parasitic capacitance components of solar modules or energy storage devices. A harmonic current is generated due to switching, which consequently flows through the neutral line on the primary side of the GPT and induces zero-phase voltage on the tertiary side of the GPT regardless of the ground fault occurrence. This problem may cause burnouts of the CLR and GPT due to exceeding the rated load of CLR. Moreover, malfunctions may occur if the operating reference voltage of OVGR or SGR linked to GPT is surpassed, as depicted in Figure 7.
While capable of inducing a zero-phase voltage of GPT, IMD may be disregarded as a major factor for the proposed scenario for the reasons as follows. The IMD square wave voltage source utilizes a voltage of several tens of Vs. On the other hand, the resistance of the measuring circuit and the coupling resistance corresponding to the internal configuration of the IMD are connected in series; hence, the size being several hundreds of [ k Ω ] . When a current loop is formed through the IMD and the primary side of the GPT, even when line impedance or other impedances are not considered, the resulting current flowing to the primary side of the GPT is minute because the magnitude of resistance, due to the IMD configuration being substantial compared to the size of the IMD square wave voltage. For this reason, the zero-phase voltage induced on the tertiary side of the GPT by the IMD can be considered negligible.

4. Proposed Cooperative Operation Method

4.1. Proposed Method

The proposed method for the cooperative operation of IMD and GPT refers to grounding the inductor and capacitor in series on the primary side of the GPT. The proposed system is depicted in Figure 8.
The rationale for grounding the capacitor is as follows. The capacitor functions as an infinite impedance at steady state for the IMD square wave voltage source. Hence, the current loop formation in the primary side of the GPT during insulation resistance measurement using IMD can be blocked. As the impact of the current loop can be excluded from a scenario where low insulation resistance would be measured through the GPT primary side, an accurate measurement of the combined insulation resistance of the existing system can be guaranteed.
The inductor is grounded in series for two reasons. First, grounding the capacitor to secure the operability of the IMD hinders the operability of the existing GPT. If the ground impedance of the primary side of the GPT increases due to capacitor grounding, a zero-phase current induced by a ground fault, which flows through the primary side of the GPT, is blocked. Hence, the zero-phase voltage induced in the tertiary side of the GPT is reduced, and the sensitivity of ground fault detection by GPT is decreased. To minimize the impact on the existing GPT, the ground impedance is adjusted by additionally grounding the inductor in series. The second reason is regarding harmonics caused by inverter switching. Power converters such as inverters generate harmonics due to switching. Harmonics include switching frequency and high-frequency components corresponding to integer multiples of the switching frequency according to control characteristics. An effective measure to reduce harmonics is to ground the inductor in series. Reducing the harmonic current flowing to the primary side of the GPT can decrease the zero-phase voltage, which is constitutively induced in the tertiary side. Therefore, previously discussed complications such as CLR and GPT burnouts and malfunction of connected protection devices may be circumvented.

4.2. Capacity Selection

Implementation of the proposed method requires adequate selections of the inductor and capacitor capacitance for two reasons, as follows.
First, if the capacitor is additionally grounded, while the operation of the IMD can be secured, the time expended to measure the insulation resistance increases. The additional grounding of the capacitor on the primary side of the GPT increases the parallel capacitance component of the entire system. Hence, being integrated with the capacitance of the existing system, it acts as a larger time constant for the voltage of the IMD measurement circuit. Therefore, instead of enabling the use of the IMD, it is necessary to consider how much the increase in insulation resistance measurement time will be acceptable.
Second, the reductions in the sensitivity of ground fault detection using GPT should be avoided. Ground fault detection of GPT is accomplished by detecting the tertiary side zero-phase voltage induced by the current flowing in the GPT primary side neutral line in case of a fault. If the inductor and capacitor are additionally grounded, the GPT primary-side grounding impedance changes, which affects the zero-phase current flowing through the GPT and reduces the ground-fault detection sensitivity due a change in the GPT zero-phase voltage. Therefore, it is necessary to select an inductor capacitor capacity that can minimize the decreases in ground fault detection sensitivity.
Considering the two discussion points, an ideal inductor-capacitor (LC) capacitance selection method proposed in this paper is to set the LC series resonant frequency at 60 [Hz] and maintain the capacitor capacitance as small as possible. The LC series resonant frequency is suggested to be set at 60 [Hz] in consideration of the zero-phase current in the case of a 1-line ground fault in the system possessing the characteristics of a commercial frequency (60 [Hz]). If the LC series resonant frequency is set at 60 [Hz], the magnitude of the reactance for the current component of 60 [Hz] becomes 0, and only the existing CLR resistance component is involved as the primary ground impedance of the GPT. As a result, even though the LC is additionally grounded in series on the primary side of the GPT, the sensitivity of ground fault detection may be equivalent to when the primary side is directly grounded. In addition, since the reactance component increases in other frequency bands, there is an additional advantage of a reduced harmonic current flowing to the primary side of the GPT. Moreover, a decreased capacitor capacitance was suggested to minimize the increases in duration for insulation resistance measurement using IMD.
However, designing the LC series resonant frequency at 60 [Hz] has limitations in device size and cost. This is because a larger passive element is required for a lower resonance frequency, and a larger inductor is required as the capacitor capacitance is reduced. Hence, realistic inductor and capacitor capacities should be selected considering increases in IMD insulation resistance measurement time and decreases in GPT detection sensitivity. In this paper, when an inductor or capacitor element of arbitrary capacity is used, the increase in IMD insulation measurement time and the change in the GPT zero-phase voltage are described, as follows.
When a capacitor of arbitrary capacitance is utilized, the time constant involved in the IMD insulation resistance measurement time can be expressed as Equation (1). The additional grounding of the capacitor on the primary side of the GPT increases the parallel capacitance component of the system, increasing the time constant of the RC series/parallel circuit for IMD to measure insulation resistance. Hence, the duration for IMD to measure the insulation resistance of the system is extended.
T i m e C o n s t a n t = R e × ( C e + C G P T )
R e = Combined System Insulation Resistance
C e = Combined System Capacitance
C G P T = Additional Grounded Capacitance.
When an inductor and capacitor of arbitrary capacities are used, the zero-phase voltage induced at the tertiary side of the GPT in response to a ground fault can be calculated as follows. Figure 9 depicts a current I N flowing through the neutral line on the primary side of the GPT in response to a bolted SLG fault occurring on the first line of the AC side of a system, in which an inductor and capacitor are additionally grounded in series. The current I C L R flowing to the tertiary side of the GPT and the induced zero-phase voltage V C L R can be calculated according to Equations (2)–(4). This indicates that when the inductor-capacitor is additionally grounded, the zero-phase current flowing through the GPT is reduced and the induced zero-phase voltage is reduced.
I N = E R g + r n + j ω ( L G P T + L g p t ) + 1 j ω C G P T
I C L R = n 3 × I N = n 3 × E R g + r n + j ω ( L G P T + L g p t ) + 1 j ω C G P T
V C L R = R C L R × I C L R = R C L R × n 3 × I N
I N = Current flowing in GPT primary side neutral wire in response to SLG fault
E = Grid phase voltage
R g = Fault resistance
n = Turn ratio of primary side and tertiary side of GPT
r n = Resistance when converting CLR to GPT primary side
L G P T = Reactor grounded to primary side of GPT
L g p t = GPT inductance of primary side
C G P T = Capacitor grounded to GPT primary side
R C L R = CLR resistance
I C L R = Current flowing to tertiary side of GPT
V C L R = GPT tertiary zero-phase voltage.

5. Simulation Validation and Discussion

In this section, the cooperative use of IMD and GPT is to be evaluated using PSCAD/EMTDC. Problem case scenarios representing drawbacks of connecting existing IMD and GPT are simulated, and these results are compared with simulations of implementation of the proposed cooperative operation method. Results demonstrate the feasibility of the cooperative use of IMD and GPT, and the operating characteristics of IMD and GPT according to the capacities of the inductor and capacitor will be discussed in further sections.

5.1. Simulation Setup

The simulation configuration diagram is shown in Figure 8 and presented in Section 4.1. It represents the system configuration of an ungrounded system linked to a transformerless PV power generation system connected to an IMD and GPT. Specifically, the PV power generation system is connected to the low-voltage ungrounded system, the IMD is linked to the DC line from the PV array to the input side of the power converter, and the GPT is linked to the AC output side of the PV power generation system. Parameters and simulation conditions of each system are summarized in Table 1.

5.2. Analysis of Simulation Results

Simulation results of implementing the proposed method are compared with that of problem case scenarios representing drawbacks of connecting existing IMD and GPT problem situations. The operability of IMD and GPT are compared separately.

5.2.1. Analysis and Discussions on Insulation Monitoring Results

Figure 10 depicts the voltage U m across the resistance of the IMD measuring circuit in problem case scenarios where the proposed method is not implemented. Figure 11 delineates the voltage waveform of the IMD measuring unit according to the change in capacitance of the capacitor when the inductor capacitor is grounded in series. In addition, the insulation resistance calculation results and required time according to each simulation condition in Figure 10 and Figure 11 are summarized in Table 2.
First, the measured insulation resistance result of the existing problem situation is—1.0 [ k Ω ] . This is an error of approximately 100 [%] compared to the system composite insulation resistance of 500   [ k Ω ] . Due to formation of a current loop through the GPT primary-side neutral, the combined insulation resistance is measured to be very low despite an adequate insulation within the system.
Insulation resistance measurements of the simulation applying the proposed method are summarized in Table 2. By grounding the capacitor, the drawback of low impedance measurements such as virtual short-circuits was resolved, and an insulation resistance close to the system insulation resistance of 500 [ k Ω ] could be measured. The duration of insulation resistance measurement increased in proportion to the capacitor capacity. Methods for reducing the insulation resistance measurement error are existent as follows: setting a sufficient square wave injection period or removing measurement voltage noise through filtering. However, these approaches will not be further discussed as increasing insulation resistance accuracy of IMD exceeds beyond the scope of the paper. In sum, simulation results demonstrate proper measurement of insulation resistance by securing the operability of the IMD through the implementation of the proposed method.

5.2.2. Analysis and Consideration of GPT Zero-Phase Voltage Results

Analysis of the GPT zero-phase voltage result was simulated through demonstrating a scenario in which an AC-side bolted SLG fault occurred at 1.2 [s] during normal operation. The GPT zero-phase voltage result was derived by dividing values before and after the fault occurrence. Therefore, the magnitude of the zero-phase voltage constantly induced during normal operation according to the capacity of the inductor-capacitor element and the magnitude of the zero-phase voltage induced in the tertiary side of the GPT when a failure occurs can be analyzed. Figure 12 shows the zero-phase voltage   V C L R   induced on the tertiary side of GPT when linking existing IMD to GPT without implementing the proposed method. Figure 13 depicts the GPT zero-phase voltage results for each capacity of the inductor additionally grounded using the proposed method. Finally, Figure 14 shows the GPT zero-phase voltage results for each capacitance of the additionally grounded capacitor.
The Table 3 above summarizes GPT zero-phase voltage results for existing problem situations and when implementing the proposed method of grounding the inductor-capacitor in series. First, for existing problem situations, the zero-phase voltage induced in the tertiary side of the GPT is 85–95 [V], despite the presence of fault occurrence. When a complete ground fault occurred at 1.2 [s], the GPT tertiary zero-phase voltage increased to 195 [V]. Even in the absence of ground faults, if the GPT tertiary zero-phase voltage exceeds 60 [V], it can cause burnouts of CLR and GPT, and lead to malfunctions in connected devices, as the voltage magnitude correction value of OVGR or SGR is exceeded. Hence, measures are required.
When implementing the proposed method, the zero-phase voltage induced in the tertiary side of the GPT at a steady state tends to decrease in proportion to the inductor capacity. In addition, the GPT zero-phase voltage induced in response to a ground fault demonstrated a tendency to increase as the inductor and capacitor capacitances increased, and in particular, the capacitor was dominantly affected. Since the ground fault current possesses commercial frequency (60 [Hz]) characteristics, the impact of a capacitor having a high impedance at a low frequency is significant.
In summary, as inductors and capacitors with large capacities are used, the magnitude of the constantly induced zero-phase sequence voltage is small, and the ground fault detection sensitivity of GPT may not be reduced. First, the inductor is effective for harmonics flowing to the primary side of the GPT. By reducing the harmonics due to the dominant influence of the inductor acting as a large impedance to the harmonics, the zero-phase voltage can be reduced. Next, a larger the device capacitance of the inductor-capacitor leads to a series resonance frequency close to 60 [Hz]. This is because the reactance value is minimized when in the vicinity of the corresponding resonance frequency band, and the common frequency component passes without being reduced. Grid operators will need to select an inductor-capacitor device capable of having an appropriate voltage size at steady state while having increased ground fault sensitivity in a fault situation, considering the characteristics of the existing system.

6. Conclusions

With an increased implementation of solar and wind power facilities alongside the introduction of distributed generation such as energy storage devices, ungrounded systems, which serve as a connection, have consequently increased. Currently, IMD is utilized to monitor the internal insulation of solar arrays and energy storage devices while maintaining a continuous operation of the ungrounded system. Conversely, IMD carries a major drawback, in which a minimum duration of several [s] is required to detect insulation deteriorations or ground faults. Hence, the occurrence of a secondary fault prior to processing the first fault may provoke fatal situations of power shutdowns. To prevent such damage, the cooperative use of IMD and GPT, which is commonly installed as a ground fault protection device in an ungrounded system, has been considered. However, international standards have prohibited the concurrent use of IMD and GPT.
In this paper, series grounding of the inductor and capacitor on the primary side of GPT is proposed for the cooperative use of IMD and GPT within a distribution system connected with a transformerless inverter. First, the capacitor functions in securing the operability of the IMD. When measuring the insulation resistance of the existing IMD, a current loop is formed through the primary side of the GPT, which results in the measurement of a low insulation resistance, regardless of the intactness of the system insulation. To resolve the issue, a capacitor operating with an infinite impedance to DC voltage at a normal state was additionally grounded, and accurate measurements of insulation resistance using IMD was possible. Moreover, the inductor was grounded to ensure a small impedance with respect to the common frequency characteristics of the ground fault current and at the same time to reduce the zero-phase voltage constantly induced to the GPT at steady state. This has the advantage of reducing burnouts of the CLR and GPT and diminish occurrences of associated protection device malfunctions. Through verification using PSCAD/EMTDC, the cooperative use of IMD and GPT within the applied distribution system was confirmed. In addition, the operating characteristics of the IMD and GPT were considered according to the capacities of inductors and capacitors to be grounded. In conclusion, the proposed method is expected to contribute to improving the insulation monitoring and stable system operations of the DC mixed systems connected with transformerless distributed power sources.

Author Contributions

Conceptualization, W.-H.K. and J.-E.K.; methodology, H.-M.L.; software, H.-M.L.; validation, H.-M.L. and W.-K.C.; visualization, W.-H.K.; project administration, J.-E.K. All authors have read and agreed to the published version of the manuscript.

Funding

This research was funded by the Korea Electric Power Research Institute (Grant Number: R20DA24).

Institutional Review Board Statement

Not applicable.

Informed Consent Statement

Not applicable.

Data Availability Statement

Data sharing not applicable.

Conflicts of Interest

The authors declare no conflict of interest.

References

  1. Muhammad, R.; Ali, Y. Social, environmental and economic impacts of adopting clean energy use. Int. J. Decis. Support Syst. 2019, 11, 21. [Google Scholar]
  2. Ahmadian, E.; Bingham, C.; Elnokaly, A.; Sodagar, B.; Verhaert, I. Impact of climate change and technological innovation on the energy performance and built form of future cities. Energies 2022, 15, 8592. [Google Scholar] [CrossRef]
  3. Ismael, S.M.; Abdel, A.S.H.E.; Abdelaziz, A.Y.; Zobaa, A.F. State-of-the-art of hosting capacity in modern power systems with distributed generation. Renew. Energy 2019, 130, 1002–1020. [Google Scholar] [CrossRef]
  4. Aslam, A.; Ahmed, N.; Qureshi, S.; Assadi, M.; Ahmed, N. Advances in solar PV systems: A comprehensive review of PV performance, influencing factors, and mitigation techniques. Energies 2022, 15, 7595. [Google Scholar] [CrossRef]
  5. Aljafari, B.; Loganathan, A.; Vairavasundaram, I.; Ramachadran, S.; Nagarajan, A. Analysis of a photovoltaic system based on a highly efficient single-phase transformerless inverter. Energies 2022, 15, 6145. [Google Scholar] [CrossRef]
  6. Kouro, S.; Leon, J.I.; Vinnikov, D.; Franquelo, L.G. Grid-connected photovoltaic systems: An overview of recent research and emerging PV converter technology. IEEE Ind. Electron. Mag. 2015, 9, 47–61. [Google Scholar] [CrossRef]
  7. Bierals, G.P. Grounded and ungrounded systems system grounding. In Grounding Electrical Distribution Systems; River Publishers: Gistrup, Denmark, 2021; pp. 1–27. [Google Scholar] [CrossRef]
  8. Sun, H.; Nikovski, D.; Takano, T.; Kojima, Y.; Ohno, T. Line fault analysis of ungrounded distribution systems. In Proceedings of the 2013 North American Power Symposium (NAPS), Manhattan, KS, USA, 22–24 September 2013. [Google Scholar] [CrossRef]
  9. Baldwin, T.; Renovic, F.; Saunders, L.; Lubkeman, D. Fault locating in ungrounded and high-resistance grounded systems. In Proceedings of the IEEE Industrial and Commercial Power Systems Technical Conference, New Orleans, LA, USA, 15–16 May 2001; pp. 163–169. [Google Scholar] [CrossRef]
  10. IEC 60364-4-41; IEC Technical Specification, Protection for Safety: Protection against Electric Shock. IEC: Geneva, Switzerland, 2005.
  11. Korea Electric Association (KEA). Code 54: Ground Fault Protect Devices Installation for Photovoltaic Generation System. Technical Regulation in Electricity Business Act. 2021. Available online: http://kec.kea.kr/ebook/2021/book4/index.html (accessed on 6 December 2022).
  12. Liu, Y.C.; Lin, C.Y. Insulation fault detection circuit for unground DC power supply systems. In Proceedings of the SENSORS, Taipei, Taiwan, 28–31 October 2012; pp. 163–169. [Google Scholar] [CrossRef]
  13. Kristof, E.; Erik, L.S.; Pieter, V.; Lef, P.; Reinhilde, D.; Johan, D.; Ronnie, B. The feasibility of small-scale residential DC distribution systems. In Proceedings of the IEEE IECON 2006—32nd Annual Conference on IEEE industrial Electronics, Paris, France, 6–10 November 2007; pp. 2618–2623. [Google Scholar] [CrossRef]
  14. Sutaira, J.; Espín-Delgado, A.; Rönnberg, S. Measurements and modeling of the frequency behavior of residual current devices—From 4 Hz to 40 kHz. Electr. Power Syst. Res. 2022, 209, 108052. [Google Scholar] [CrossRef]
  15. Chen, H.D.; Li, X.W.; Tian, Y.S.; Lei, D. Improvement of DC system insulation monitoring device. Appl. Mech. Mater. 2013, 333–335, 2364–2370. [Google Scholar] [CrossRef]
  16. Du, J.; Zheng, T.; Yan, Y.; Zhao, H.; Zeng, Y.; Li, H. Insulation monitoring method for DC systems with ground capacitance in electric vehicles. Appl. Sci. 2019, 9, 2607. [Google Scholar] [CrossRef]
  17. Barkavi, K. Online insulation monitoring of low-voltage unearthed distribution systems. In Advances in Smart Grid Technology, Lecture Notes in Electrical Engineering, 688, Proceedings of PECCON 2019—Volume II, Chennai, India, 12–14 December 2019; Springer: Berlin/Heidelberg, Germany, 2021; pp. 3–18. [Google Scholar] [CrossRef]
  18. Louis, V.D. A ground fault protection method for ungrounded systems. In Proceedings of the 2008 IEEE Canada Electric Power Conference, Vancouver, BC, Canada, 6–7 October 2008. [Google Scholar] [CrossRef]
  19. Supriyanto, S.; Hari, P.; Heri, B.U. Ground fault protection using open break delta grounding transformer in ungrounded system. Log. J. Ranc. Bangun Teknol. 2019, 19, 34. [Google Scholar] [CrossRef]
  20. Hyong-Ik, Y.; Yang-Hyun, N.; Min-Kwan, K.; Se-Yeon, L.; Gab-Suk, K.; Dae-Seok, R. Analysis of operation characteristics for protective device by single line short circuit of GVT 3th winding in ungrounded power system. Korea Acad. Ind. Coop. Soc. Annu. Conf. 2018, 19, 171–175. [Google Scholar]
  21. Korea Electrical Safety Corporation (KESCO). Code 610-8: Ground Fault Protect Devices. Electrical Inspection judgment Standard. 2020. Available online: https://www.nfpa.org/assets/files/AboutTheCodes/70/NEC_Style_Manual_2020.pdf (accessed on 6 December 2022).
  22. IEC 60364-1; IEC Technical Specification, Electrical Installations of Buildings: Scope, Object and Fundamental Principle. IEC: Geneva, Switzerland, 2006.
Figure 1. Example of square wave injection type insulation monitoring device (IMD) connected to ungrounded system.
Figure 1. Example of square wave injection type insulation monitoring device (IMD) connected to ungrounded system.
Applsci 13 01558 g001
Figure 2. Equivalent circuit of isolation impedance and IMD.
Figure 2. Equivalent circuit of isolation impedance and IMD.
Applsci 13 01558 g002
Figure 3. Configuration of ground potential transformer (GPT) connected ungrounded system.
Figure 3. Configuration of ground potential transformer (GPT) connected ungrounded system.
Applsci 13 01558 g003
Figure 4. System configuration of problem scenario.
Figure 4. System configuration of problem scenario.
Applsci 13 01558 g004
Figure 5. Leakage current loop in ungrounded system connected to transformerless solar photovoltaic (PV) generation facility with IMD.
Figure 5. Leakage current loop in ungrounded system connected to transformerless solar photovoltaic (PV) generation facility with IMD.
Applsci 13 01558 g005
Figure 6. Leakage current loop in ungrounded system connected to transformerless PV generation facilities with IMD and GPT.
Figure 6. Leakage current loop in ungrounded system connected to transformerless PV generation facilities with IMD and GPT.
Applsci 13 01558 g006
Figure 7. GPT zero-phase voltage factor.
Figure 7. GPT zero-phase voltage factor.
Applsci 13 01558 g007
Figure 8. Method of cooperative use of IMD and GPT.
Figure 8. Method of cooperative use of IMD and GPT.
Applsci 13 01558 g008
Figure 9. Equivalent circuit of current flowing to primary side of GPT in response to 1-wire ground fault.
Figure 9. Equivalent circuit of current flowing to primary side of GPT in response to 1-wire ground fault.
Applsci 13 01558 g009
Figure 10. IMD measurement voltage when connecting existing IMD and GPT.
Figure 10. IMD measurement voltage when connecting existing IMD and GPT.
Applsci 13 01558 g010
Figure 11. IMD measurement voltage of system applying proposed method.
Figure 11. IMD measurement voltage of system applying proposed method.
Applsci 13 01558 g011
Figure 12. GPT zero-phase voltage when connecting existing IMD and GPT.
Figure 12. GPT zero-phase voltage when connecting existing IMD and GPT.
Applsci 13 01558 g012
Figure 13. GPT zero-phase voltage (according to inductor capacity).
Figure 13. GPT zero-phase voltage (according to inductor capacity).
Applsci 13 01558 g013
Figure 14. GPT zero-phase voltage (according to capacitor capacity).
Figure 14. GPT zero-phase voltage (according to capacitor capacity).
Applsci 13 01558 g014
Table 1. Simulation configuration and system parameters.
Table 1. Simulation configuration and system parameters.
IndexValue
Distributed Generation (transformerless PV)
Rated Power of DG9 [kW]
Voltage of DC side620 [V]
Voltage of AC side380 [V] (Line to Line)
Parasitic Capacitance900 [nF]
System Insulation Resistance500 [ k Ω ]
Insulation Monitoring Device
Auxiliary Signal Source ± 50   [V] (Pulse Injection)
Resistance of Measuring Circuit2 [ k Ω ]
Resistance of Coupling Circuit360 [ k Ω ]
Grounded Potential Transformer
Rated Voltage of GPT 380 / 3 :   110 / 3 :   110 / 3 [V]
Current Limit Resistor433 [ Ω ]
Table 2. Simulation result of IMD (according to capacitor capacity).
Table 2. Simulation result of IMD (according to capacitor capacity).
Simulation
Conditions
(Capacitor Capacity [uF])
Duration of Insulation Resistance Measurement [s]IMD Measurement Voltage
U m   [ V ]
Measured Insulation Resistance
R e     [ k Ω ]
No Capacitor -0.55−1.0
3Greater than 30.16443
5Greater than 70.155463
10Greater than 120.155463
20Greater than 200.15485
Table 3. Simulation result of GPT zero-phase voltage (according to inductor and capacitor capacity).
Table 3. Simulation result of GPT zero-phase voltage (according to inductor and capacitor capacity).
Simulation Conditions
(Capacity of L and C)
V C L R   [ V ]
L [mH]C [uF]Zero-Phase Voltage at Normal ConditionZero-Phase Voltage at Fault Condition
0085–95193–196
31056–66178–181
51046–55178–182
101031–37179–182
201019–22179–182
10331–36108–110
10531–37145-148
101032–37179–181
102032–37191–196
Disclaimer/Publisher’s Note: The statements, opinions and data contained in all publications are solely those of the individual author(s) and contributor(s) and not of MDPI and/or the editor(s). MDPI and/or the editor(s) disclaim responsibility for any injury to people or property resulting from any ideas, methods, instructions or products referred to in the content.

Share and Cite

MDPI and ACS Style

Lee, H.-M.; Chae, W.-K.; Kim, W.-H.; Kim, J.-E. Cooperative Use of IMD and GPT in a 3-Phase Ungrounded Distribution System Linked to a Transformerless Photovoltaic Power Generation Facility. Appl. Sci. 2023, 13, 1558. https://doi.org/10.3390/app13031558

AMA Style

Lee H-M, Chae W-K, Kim W-H, Kim J-E. Cooperative Use of IMD and GPT in a 3-Phase Ungrounded Distribution System Linked to a Transformerless Photovoltaic Power Generation Facility. Applied Sciences. 2023; 13(3):1558. https://doi.org/10.3390/app13031558

Chicago/Turabian Style

Lee, Hyeon-Myeong, Woo-Kyu Chae, Woo-Hyun Kim, and Jae-Eon Kim. 2023. "Cooperative Use of IMD and GPT in a 3-Phase Ungrounded Distribution System Linked to a Transformerless Photovoltaic Power Generation Facility" Applied Sciences 13, no. 3: 1558. https://doi.org/10.3390/app13031558

APA Style

Lee, H.-M., Chae, W.-K., Kim, W.-H., & Kim, J.-E. (2023). Cooperative Use of IMD and GPT in a 3-Phase Ungrounded Distribution System Linked to a Transformerless Photovoltaic Power Generation Facility. Applied Sciences, 13(3), 1558. https://doi.org/10.3390/app13031558

Note that from the first issue of 2016, this journal uses article numbers instead of page numbers. See further details here.

Article Metrics

Back to TopTop