Model Test Study of the Synergistic Interaction between New and Existing Components of Sheet Pile Walls
Abstract
1. Introduction
2. Similarity Theory and the Model’s Test Parameters
2.1. The Model’s Test Parameters
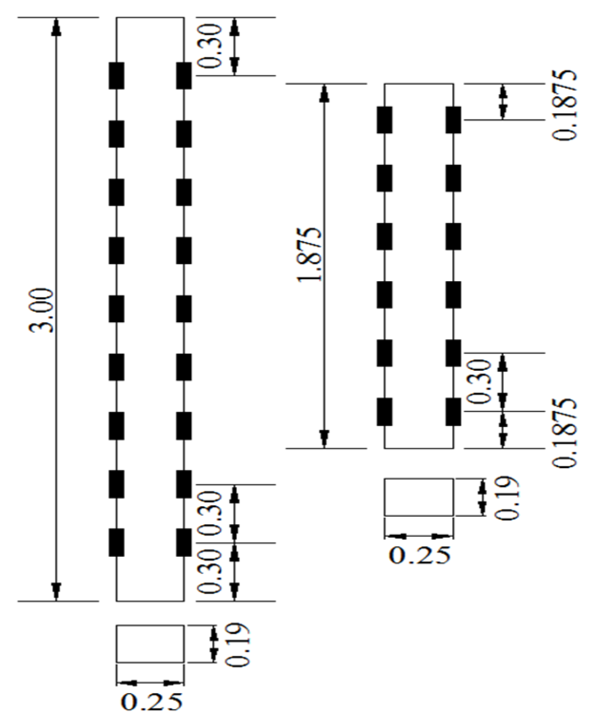
2.2. Test Component Configuration
- (1)
- Configuration of pile strain gauges
- (2)
- Pressure-sensor configuration
- (3)
- Horizontal displacement test of the pile
2.3. Geotechnical Testing
2.4. Model Filling and Compaction
- (1)
- The bottom layer was filled with pebble soil using controlled compaction of 0.85 (to achieve a density of 1.7 g/cm3). Filling occurred in layers to a height of 0.6 m.
- (2)
- The new and existing piles were placed in their locations.
- (3)
- The pebble soil was filled to a height of 1.58 m and compacted to the specified density.
- (4)
- The filling soil was added and compacted in three layers to a thickness of 1.1 m and a density of about 1.5 g/cm3 (compaction of 0.85). The moisture content was 12%.
- (5)
- The subgrade fill was compacted in layers, and the sheets (existing sheets) were installed at the height of the existing piles.
- (6)
- The subgrade filling was completed to obtain a slope ratio of 1:1.75.
- (7)
- The stacked freight line load was pre-pressed to consolidate the soil. The remaining new piles were installed and tested until their strength satisfied the design requirements.
- (8)
- The subgrade filling soil was added to achieve the desired width, and the retaining plates of the new pile were added. The loading devices were installed.
2.5. Loading and Data Collection
- (1)
- Model test loading scheme
- (2)
- Test data collection and processing
- ➀
- Calculation of pile bending moment
- ➁
- Earth pressure calculation
3. Results and Discussion
3.1. Earth Pressure Analysis of the Composite Structure
3.2. Bending Moment of the Piles
3.3. Lateral Displacement of the Piles
3.4. Synergetic Mechanism of Combined Structure Analysis
4. Recommendations and Conclusions
4.1. Recommendations
4.2. Conclusions
Author Contributions
Funding
Institutional Review Board Statement
Informed Consent Statement
Data Availability Statement
Conflicts of Interest
References
- Yao, J.; Cai, D.; Cheng, G.; Li, S.; Xie, J. The Key Technology of High-Speed Railway Foamed Lightweight Soil Subgrade. In Advances in Transportation Geotechnics IV; Tutumluer, E., Nazarian, S., Al-Qadi, I., Qamhia, I.I., Eds.; Springer: Cham, Switzerland, 2022; Volume 164, pp. 489–501. [Google Scholar]
- Lazorenko, G.; Kasprzhitskii, A.; Kukharskii, A.; Kochur, A.; Yavna, V. Failure analysis of widened railway embankment with different reinforcing measures under heavy axle loads: A comparative FEM study. Transp. Eng. 2020, 2, 100028. [Google Scholar] [CrossRef]
- Kim, D.S.; Kim, U.; Park, Y.K. Interlocking Settlement Induced by Widening Subgrade of Railway Line. Appl. Sci. 2022, 12, 6638. [Google Scholar] [CrossRef]
- Shi, X.; Huang, J.; Su, Q. Experimental and numerical analyses of lightweight foamed concrete as filler for widening embankment. Constr. Build. Mater. 2020, 250, 118897. [Google Scholar] [CrossRef]
- Bilgin, Ö. Lateral earth pressure coefficients for anchored sheet pile walls. Int. J. Geomech. 2012, 12, 584–595. [Google Scholar] [CrossRef]
- Tang, L.; Cong, S.; Xing, W.; Ling, X.; Geng, L.; Nie, Z.; Gan, F. Finite element analysis of lateral earth pressure on sheet pile walls. Eng. Geol. 2018, 244, 146–158. [Google Scholar] [CrossRef]
- Zhang, R.; Goh, A.T.C.; Li, Y.; Hong, L.; Zhang, W. Assessment of apparent earth pressure for braced excavations in anisotropic clay. Acta Geotech. 2021, 16, 1615–1626. [Google Scholar] [CrossRef]
- Fall, M.; Gao, Z.; Ndiaye, B.C. Three-dimensional response of double anchored sheet pile walls subjected to excavation and construction sequence. Heliyon 2019, 5, e01348. [Google Scholar] [CrossRef]
- Xu, C.J.; Ding, H.B.; Luo, W.J.; Tong, L.H.; Chen, Q.S.; Deng, J.L. Experimental and numerical study on performance of long-short combined retaining piles. Geomech. Eng. 2020, 20, 255–265. [Google Scholar]
- Ohori, K.; Takahashi, K.; Kawai, Y.; Shiota, K. Static analysis model for double sheet-pile wall structures. J. Geotech. Eng. 1988, 114, 810–825. [Google Scholar] [CrossRef]
- Sawaguchi, M. Lateral behavior of a double sheet pile wall structure. Soils Found. 1974, 14, 45–59. [Google Scholar] [CrossRef]
- Finno, R.J.; Lawrence, S.A.; Allawh, N.F.; Harahap, I.S.H. Analysis of Performance of Pile Groups Adjacent to Deep Excavation. J. Geotech. Eng. 1991, 117, 934–955. [Google Scholar] [CrossRef]
- Kannaujiya, P.; Chauhan, V.B. Behavior of Anchored Sheet Pile Wall. In Sustainable Thoughts in Ground Improvement and Soil Stability; Springer: Berlin, Germany, 2020; pp. 184–195. [Google Scholar]
- Kadekeshova, K. Performance of Sand Granulated Rubber Mixture for Soil Stabilization Using Discrete Element Method (DEM). Master’s Thesis, Izmir Institute of Technology, Urlla, Türkiye, 2022. [Google Scholar]
- Mustafa, R.; Samui, P.; Kumari, S. Reliability Analysis of Gravity Retaining Wall Using Hybrid ANFIS. Infrastructures 2022, 7, 121. [Google Scholar] [CrossRef]
- Zhang, S.; Zhang, X.; Pei, X.; Wang, S.; Huang, R.; Xu, Q.; Wang, Z. Model test study on the hydrological mechanisms and early warning thresholds for loess fill slope failure induced by rainfall. Eng. Geol. 2019, 258, 105135. [Google Scholar] [CrossRef]
- Zhang, X.; Wang, T.; Zhao, C.; Jiang, M.; Xu, M.; Mei, G. Supporting mechanism of rigid-flexible composition retaining structure in sand ground using discrete element method. Comput. Geotech. 2022, 151, 104967. [Google Scholar] [CrossRef]
- Wang, H.; Cheng, J.; Li, H.; Dun, Z.; Cheng, B. Full-scale field test on construction mechanical behaviors of retaining structure enhanced with soil nails and prestressed anchors. Appl. Sci. 2021, 11, 7928. [Google Scholar] [CrossRef]
- Bourada, F.; Bousahla, A.A.; Tounsi, A.; Bedia, E.A.; Mahmoud, S.R.; Benrahou, K.H.; Tounsi, A. Stability and dynamic analyses of SW-CNT reinforced concrete beam resting on elastic-foundation. Comput. Concr. 2020, 25, 485–495. [Google Scholar]
- Tao, X.; Qiang, L.; Liang, Z.; Jifeng, L.; Cheng, Z. Deformation characteristics of embankment supported by sheet-pile wall on steep slope ground in high-speed railway. J. China Railw. Soc. 2020, 42, 127–135. [Google Scholar]
- Zhang, D.B.; Jiang, Y.; Yang, X.L. Estimation of 3D active earth pressure under nonlinear strength condition. Geomech. Eng. 2019, 17, 515–525. [Google Scholar]
- Patel, S.; Deb, K. Study of active earth pressure behind a vertical retaining wall subjected to rotation about the base. Int. J. Geomech. 2020, 20, 04020028. [Google Scholar] [CrossRef]
- Singh, A.P.; Chatterjee, K. Influence of soil type on static response of cantilever sheet pile walls under surcharge loading: A numerical study. Arab. J. Geosci. 2020, 13, 1–11. [Google Scholar] [CrossRef]
- Clayton, C.R.I.; Woods, R.I.; Milititsky, J. Earth Pressure and Earth-Retaining Structures; CRC Press: Boca Raton, FL, USA, 2014. [Google Scholar]
- Farzaneh, O.; Askari, F.; Fatemi, J. Active earth pressure induced by strip loads on a backfill. Int. J. Civ. Eng. 2014, 12, 281–291. [Google Scholar]
- Moriyasu, S.; Ikeda, M.; Matsumoto, T.; Kobayashi, S.; Shimono, S. Influence of different pile installation methods on vertical and horizontal resistances. In Proceedings of the Second International Conference on Press-in Engineering 2021, Kochi, Japan, 24 June 2021. [Google Scholar]
- Kumar, M.M.; Murali Krishna, A. Combined Effect of Vertical and Horizontal Loads on the Behavior of Pile Foundations in Layered Soils. In Proceedings of the 7th Indian Young Geotechnical Engineers Conference; Springer: Singapore, 2022. [Google Scholar]
- Pradeep, T.; GuhaRay, A.; Bardhan, A.; Samui, P.; Kumar, S.; Armaghani, D.J. Reliability and Prediction of Embedment Depth of Sheet pile Walls Using Hybrid ANN with Optimization Techniques. Arab. J. Sci. Eng. 2022, 47, 12853–12871. [Google Scholar] [CrossRef]
- Mustafa, R.; Samui, P.; Kumari, S. Probabilistic analysis of gravity retaining wall using ANFIS-based optimization techniques. Innov. Infrastruct. Solut. 2022, 7, 366. [Google Scholar] [CrossRef]
- Mishra, P.; Samui, P.; Mahmoudi, E. Probabilistic Design of Retaining Wall Using Machine Learning Methods. Appl. Sci. 2021, 11, 5411. [Google Scholar] [CrossRef]













| Type | Grading Test | Compaction Test | Shear Test | |||
|---|---|---|---|---|---|---|
| Cu | Cc | Wo/% | ρo/(g/cm3) | c/kPa | φ/° | |
| Subgrade filling | 49 | 0.3 | 5.7 | 2.05 | 13.82 | 35.4 |
| Filling soil | — | — | 16.4 | 1.81 | 10.1 | 35.3 |
| Pebble soil | 23.5 | 1.15 | 8.5 | 2.03 | 5.2 | 36.1 |
Disclaimer/Publisher’s Note: The statements, opinions and data contained in all publications are solely those of the individual author(s) and contributor(s) and not of MDPI and/or the editor(s). MDPI and/or the editor(s) disclaim responsibility for any injury to people or property resulting from any ideas, methods, instructions or products referred to in the content. |
© 2023 by the authors. Licensee MDPI, Basel, Switzerland. This article is an open access article distributed under the terms and conditions of the Creative Commons Attribution (CC BY) license (https://creativecommons.org/licenses/by/4.0/).
Share and Cite
Zhao, W.; Wu, X.; Ma, X. Model Test Study of the Synergistic Interaction between New and Existing Components of Sheet Pile Walls. Appl. Sci. 2023, 13, 1557. https://doi.org/10.3390/app13031557
Zhao W, Wu X, Ma X. Model Test Study of the Synergistic Interaction between New and Existing Components of Sheet Pile Walls. Applied Sciences. 2023; 13(3):1557. https://doi.org/10.3390/app13031557
Chicago/Turabian StyleZhao, Wenhui, Xiaomin Wu, and Xuening Ma. 2023. "Model Test Study of the Synergistic Interaction between New and Existing Components of Sheet Pile Walls" Applied Sciences 13, no. 3: 1557. https://doi.org/10.3390/app13031557
APA StyleZhao, W., Wu, X., & Ma, X. (2023). Model Test Study of the Synergistic Interaction between New and Existing Components of Sheet Pile Walls. Applied Sciences, 13(3), 1557. https://doi.org/10.3390/app13031557

