Abstract
To enhance the dynamic performance of half-vehicle seat systems and reduce vibrations in both the vertical and pitching directions, a nonlinear energy sink inerter (NESI) can be introduced and aligned with lightweight design principles. A dynamic model of a half-vehicle seat system integrated with NESIs is constructed using Newton’s second law. The dynamic response of the system under pavement harmonic and random excitations is obtained using the pseudo-arc-length and harmonic balance methods and the numerical method, respectively. The dynamic behavior of the system is assessed using eight evaluation indexes. The optimal structural parameters of the NESIs are determined through the genetic algorithm. The results indicate that using NESIs attenuates resonance peaks and reduces root mean square (RMS) values for vehicle seat suspension strokes, front and rear suspension system strokes, and front and rear dynamic tire loads. However, the resonance peaks and RMS values for other performance indexes, which are vehicle seat vertical acceleration, the bodywork vertical, and pitching accelerations, exhibit an increase. When the structural parameters of the NESIs are optimized and contrasted with the original NESIs, the RMS values of the bodywork’s vertical and pitching acceleration, seat vertical acceleration, and seat suspension stroke will decrease by 23.97%, 27.48%, 23.59%, and 14.29%, respectively, and the other evaluation indexes will satisfy the limit conditions.
1. Introduction
Pavement excitation usually affects vehicle performance and passenger ride experiences and even influences the health of drivers and passengers. For instance, the pavement conditions of military vehicles, agricultural vehicles, mining vehicles, and other special vehicles are very poor; the drivers usually drive these vehicles in a harsh environment over a long period, and they are likely to suffer cervical spondylosis, spinal fracture, and other injuries. Therefore, it is important for vehicle vibration reduction designs to cut off the adverse vibration transmissions between pavement and the main system, which aims to offer drivers and passengers a comfortable ride environment [1]. Vibration reduction can be achieved through the vibration transmission path, which is vehicle tires [2], vehicle suspension [3], and vehicle seats [4]. Of these three measures, vehicle suspension is the most frequently adopted measure; by designing different suspension types and operating principles, the vehicle’s ride comfort can be improved to different degrees [5]. Vehicle tires are the carrier between the vehicle and the pavement for force transmission; although reducing tires’ vertical stiffness and pressure can improve vehicle comfort, this can lead to greater rolling resistance and generate greater friction heat, which, furthermore, shortens the tires’ service life [6]. Designing vehicle seat suspension with superior vibration isolation performance is a convenient and direct way to improve passenger comfort, and it has less impact on other vehicle performance parameters [7].
The dynamic vibration absorber (DVA) is another method used in the vehicle vibration area; it reduces the main system vibration with an attached mass-spring-damper device [8]. A hydraulic semi-active DVA was constructed by Mo and Sunwoo for vehicle suspension with the application of the bi-state control algorithm, which enhances the passenger ride experience and vehicle performance [9]. Kumaraswamidhas et al. [10] devised two types of DVAs for vehicle seats, which effectively reduced the turbulence of the vehicle seat. Wang et al. [11] proposed an active vehicle suspension with an attached DVA for electric vehicles and decreased the maximum force acting on the in-wheel motor bearing. Reina and Rose [12] presented an active DVA based on the linear quadratic regulation (LQR) control method for vehicle suspension, which enhances the vehicle’s dynamic performance. Liu et al. [13] built an electric vehicle in-wheel DVA to weaken motor vibrations. In summary, the DVA has been used in vehicle engineering to reduce vehicle vibration with its simple structure; while the effective vibration suppression bandwidth of a linear DVA is relatively narrow, and its robustness is restricted, the vibration suppression performance of a linear DVA can change a lot when its structural parameters slightly vary. In recent years, as a type of nonlinear DVA, nonlinear energy sinks (NESs) have caused extensive concern and have been deeply studied [14]. A NES mainly has nonlinear stiffness properties; it couples with the main system through nonlinear stiffness and linear damping, which absorb and dissipate the energy that passes one way from the main system to itself. By attaching a NES, the main system can have less vibration amplitude and a wider vibration suppression bandwidth than a linear DVA; NESs have been applied in mechanical engineering [15,16], civil engineering [17,18], and aerospace engineering [19,20] because of its advantages.
One primary goal in the vehicle design stage is meeting the lightweight design criteria, which can reduce fuel consumption per one hundred kilometers, increase vehicle mileage, and maintain vehicle durability and safety. A NES can reduce the main system’s vibration effectively at the expense of a relatively large mass, which is against the goal of lightweight vehicle design. In addressing this inherent contradiction, the inerter, characterized by a two-terminal structure, emerges as a valuable solution, and it exerts a matching force on both ends that is directly proportional to the relative acceleration between these ends; this ratio is quantified by a parameter known as inertance, measured in kilograms [21]. The inerter has an inertial structure and has mass magnification properties; it provides an inertance far exceeding its mass without increasing the additional weight, which is in accordance with the vehicle design criteria. Based on the above mechanical properties, inerters have been utilized in vehicle suspension [22,23], train suspension [24,25], vibration isolation systems [26,27,28,29], and DVAs [30,31] because of their mechanical properties. Some scholars have combined NESs and inerters to construct a new type of NES, the nonlinear energy sink inerter (NESI), and carried out some studies. Zhang et al. [32] devised a parallel configuration for the NESI; its cubic spring, damper, and inerter are interconnected in parallel, and this design choice has been demonstrated to be more effective in attenuating vibrations within the primary system compared with traditional NES configurations. Zhang et al. [33] constructed a NESI with a damper and a nonlinear cubic spring that are first interconnected in parallel and then in series with the inerter, which decreases vibration amplitude more effectively. Wang et al. [34] designed an asymmetric NESI to build structural vibration mitigation under harmonic and seismic excitations that has better vibration suppression effects and strong robustness for excitation changes. Dang et al. [35] proposed a two-stage NESI for further reduced vibration transmissibility with tunable properties. In vehicle engineering, Zeng et al. [36] applied a NESI and quasi-zero stiffness to a quarter-vehicle-suspension model, which improved vehicle vibration-damping characteristics. Furthermore, Wang et al. [37] assessed the dynamic behavior of a half-vehicle system incorporating a NESI when exposed to both pavement shock and harmonic excitations. In general, a NESI uses more inertia with an inerter with less mass and reduces the mass of the NES, which further reduces the main system’s displacement and meets the lightweight design criteria.
In this paper, a NESI is strategically employed in both the bodywork and the vehicle seat components, which are positioned between the bodywork and two tires and between the vehicle seat and the bodywork, respectively. A half-vehicle seat system with five degrees of freedom (DOFs) is adopted for analysis; it considers the vertical motion of the vehicle seat, the bodywork, front and rear tires, and the pitching motion of the bodywork. For coupling analysis of vertical and pitching motion, Nair and Collette [38] designed a double link sensor that is sensitive to translation and negligibly sensitive to tilt; therefore, it can mitigate the problem of tilt horizontal coupling when exposed to translation or tilt. Bondada and Nair [39] studied the dynamics of a multiple-pendulum system under a translating and tilting pivot, which was applied to the inertial sensing area for high-precision instrumentation. Here, a NESI is adopted between the vehicle seat and the bodywork, which reduces seat vibration in the vertical direction. NESIs are adopted between the bodywork and two tires, which decreases vehicle vibration both in the pitching and vertical directions. Given the introduction of the nonlinear stiffness of the NESI, the half-vehicle seat system integrated with the NESI is a complicated system. The dynamic response of a system subjected to pavement harmonic and random excitations can be obtained using the pseudo-arc length method (PALM) and the harmonic balance method (HBM) [40] and the numerical method, respectively. The dynamic behavior of the system is investigated and evaluated with eight evaluation indexes: vehicle seat and bodywork vertical accelerations, bodywork pitching acceleration, front and rear suspension strokes, and front and rear tire dynamic loads. Furthermore, the structural parameters of the NESI are optimized based on the genetic algorithm to further enhance vehicle dynamics. In this context, we aim to contrast the vibration reduction effect of the half-vehicle seat system integrated with the NESI against the dynamic behavior of the original half-vehicle seat system and the half-vehicle seat system integrated with traditional NESs; the objective is to elucidate the impact of the inerter component; additionally, we delve into a comprehensive analysis of how the installation positions of the NESI influence its effectiveness.
The structure of the research is arranged as follows: In Section 2, we present a simplified model of the half-vehicle seat system integrated with NESIs, and the nonlinear dynamic equation of the model is formulated utilizing Newton’s second law. In Section 3, the HBM and the PALM are utilized to obtain the response of a half-vehicle seat system integrated with NESIs suffering pavement harmonic excitation, the dynamic performance is assessed with eight evaluation indexes, and the influence of the structural parameters and installation positions of the NESIs are analyzed in detail. In Section 4, the half-vehicle seat system integrated with NESIs suffering from random pavement excitation is investigated, and the structural parameters of the NESI are optimized with the genetic algorithm. Section 5 concludes the paper.
2. Half-Vehicle Seat System Integrated with NESIs
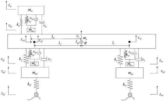
The schematic diagram of the half-vehicle seat system integrated with NESIs is shown in Figure 1. The three NESIs are mounted between the bodywork and the seat and between the bodywork and two tires, which are parallel with the seat and suspensions, respectively, and are designed to dampen the vibration of the half-vehicle seat system. The seat is connected to the bodywork through the seat suspension and NESI, which can move vertically with respect to the bodywork. The bodywork is linked to the vehicle tires at each corner through the front and rear vehicle suspensions and NESIs, which can move freely in the vertical and pitch directions. Both the vehicle’s front and rear tires can move vertically with regard to the bodywork. In addition, taking into account the vertical motions of the bodywork, tires, and NESIs, the pitching motion of the bodywork is also considered, which indicates that the system has eight DOFs.
Figure 1.
Half-vehicle seat system integrated with NESIs.
As displayed in Figure 1, ma and ms are the vehicle seat and bodywork masses, respectively; muf (mur) is the front (rear) tire mass; Iφ is the inertial pitch motion of the bodywork; la, lf, and lr are, seriatim, the lengths from the vehicle seat and the front and rear axles to the middle of the bodywork; ka and ca are the vehicle seat suspension stiffness and damping, respectively; kf (kr) and cf (cr) are the front (rear) suspension stiffness and damping, respectively; ktf (ktr) is the front (rear) tire stiffness; kba, cba, and ba are the cubic stiffness, damping, and inertance of the NESI mounted between the vehicle seat and bodywork; kbf (kbr), cbf (cbr), and bf (br) are the cubic stiffness, damping, and inertance of the NESI installed between the bodywork and the front (rear) tire. za is the vehicle seat displacement; zs, zsf, and zsr are the middle, front, and rear bodywork displacements, respectively; φ is the pitching angle of the bodywork; zba, zbf, and zbr are the vertical displacements of the connection points for the three NESIs; zuf (zur) is the front (rear) tire vertical displacement; zrf (zrr) is the front (rear) pavement vertical input excitation. Table 1 displays all of the above structural parameters of the half-vehicle seat system integrated with the NESIs [41,42].
Table 1.
Structural parameters of the half-vehicle seat system integrated with NESIs.
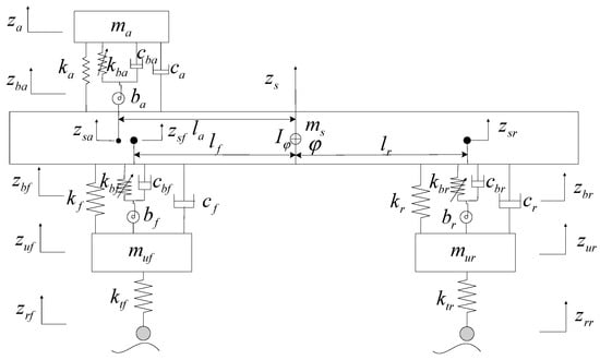
Assuming that the half-vehicle seat system integrated with NESIs has vertical displacement and pitching angles in the vertical and pitch directions, the deflection shape of the system is shown in Figure 2. The nonlinear dynamic equations of the half-vehicle seat system integrated with NESIs are acquired based on Newton’s second law and are built on the static balance locations of the vehicle seat, bodywork, NESIs, and tires.
Figure 2.
The deflection shape of the half-vehicle seat system integrated with NESIs.
The dynamic equations established for the bodywork in the vertical and pitch directions are
In the vertical direction, the dynamic equations of the front and rear tires are established as
In the vertical direction, the dynamic equation of the seat is established as
In the vertical direction, the dynamic equation of the NESI mounted between the bodywork and vehicle seat is established as
In the vertical direction, the dynamic equations of two NESIs mounted between the bodywork and two tires are established as
Supposing that the pitching angle of the bodywork is small, then the relationships between zs and zsf, zsr, and zsa can be approximated as
Substituting Equation (9) into Equations (1)–(8) results in the following equations:
Furthermore, Equation (10) can be converted into a matrix form, which is provided as
In Equation (11), M is the mass matrix, C is the damping matrix, K is the stiffness matrix, H(Z) is the nonlinear term matrix, F is the excitation matrix, and Z is the displacement matrix, which is provided by
The dynamic equations of the linear system corresponding to the half-vehicle seat system integrated with NESIs can be obtained by setting the nonlinear term matrix, H(Z), to zero, which is provided as
The natural frequencies of the linear system can be determined based on its characteristic equation; the characteristic equation is provided by
where ωn denotes the natural frequency, and I is the identity matrix. Substituting the structural parameters shown in Table 1 into Equation (14), the natural frequencies of the linear system are equal to 5.835 rads−1, 8.059 rads−1, 11.716 rads−1, 70.289 rads−1, and 73.853 rads−1.
3. Pavement Harmonic Excitation
Firstly, when considering pavement harmonic excitation, the front and rear tires are used as the input excitation to demonstrate the response characteristics of the half-vehicle seat system integrated with NESIs in the frequency domain. For the vehicle’s front tire, the pavement harmonic excitation is expressed as
where A is the amplitude, ω is the excitation frequency, and the vehicle’s rear tire pavement input excitation has a time delay, τ, with regard to the front tire; the time delay and input excitation for the rear tire are provided by
As shown in Equation (10), because of the introduction of NESIs, the nonlinear dynamic equations of the half-vehicle seat system integrated with NESIs have nonlinear stiffness terms, which show that it is a nonlinear mechanical system; the HBM and the PALM are applied to determine its dynamic response, and the approximate solution is supposed as a form of superposition for a set of first-order harmonic terms, which are provided by
Substituting Equation (17) into Equation (10), balancing the factors of the first-order harmonic terms (cos(ωt), sin(ωt)), and ignoring higher-order harmonic terms in the equations, which contributes to a set of nonlinear algebraic equations,
Setting the factors of the first-order harmonic terms in Equation (18) to equal zero provides
where the sixteen equations (f1(a1,…i1,a2,…i2,ω), …, f16(a1,…i1, a2,…i2,ω)) are shown in the Appendix A, and the equations determine the response of the half-vehicle seat system integrated with NESIs; hence, the steady-state amplitudes suffering from pavement harmonic excitation are
The fitting of the numerical and analytical solutions to the dynamic response of the half-vehicle seat system integrated with NESIs suffering from pavement harmonic excitation is shown in Figure 3, where the HBM and the PALM are adopted, and the structural parameter values of the three NESIs are equal for simple and convenient analysis. The vehicle speed is chosen as 15 ms−1 (moderate speed), and two different nonlinear stiffness cases of the NESIs (kba = kbf = kbr = 1 × 106 Nm−1, kba = kbf = kbr = 6.45 × 106 Nm−1) are considered, which show two typical dynamic responses. Multiple resonant peaks exist in the dynamic response, corresponding to displacement and the pitching angle of the bodywork, because of the time lag of the pavement input excitation between the front and rear tires. When the nonlinear stiffness of the three NESIs is chosen as 1 × 106 Nm−1, the dynamic response is one-valued and displays linear properties, but when the nonlinear stiffness of the three NESIs is chosen as 6.45 × 106 Nm−1 (larger values), the dynamic response of the low-frequency band bends to the right, exhibits nonlinear property, and has multiple values corresponding to a single excitation frequency, which leads to a larger resonance peak. The numerical results are also shown in Figure 3 for comparison, and the solution to Equation (10) is obtained using the Runge-Kutta method; the numerical outcomes match well with the analytical outcomes, which confirms the veracity of the analytical results and further validates the applicability of the HBM and the PALM in solving such complex nonlinear systems effectually.
Figure 3.
Dynamic response of the half-vehicle seat system integrated with NESIs suffering from pavement harmonic excitation (ba = bf = br = 100 kg, cba = cbf = cbr = 1000 Nsm−1, A = 0.04 m, v = 15 ms−1).
The damping effect of the half-vehicle seat system integrated with NESIs is assessed via bodywork vertical acceleration (, zsa), bodywork pitching acceleration (, φa), vehicle seat vertical acceleration (, zaa), front suspension system stroke (zsf − zuf, Jsssf), rear suspension system stroke (zsr − zur, Jsssr), vehicle seat suspension stroke (za − zsa, Jsssa), front dynamic tire load (ktf(zuf − zrf), JDTLf), and rear dynamic tire load (ktr(zur − zrr), JDTLr). The subscript terms “sssf” and “sssr” denote the front and rear suspension system strokes, respectively. The subscript term “sssa” denotes the vehicle seat suspension stroke. The subscript terms “DTLf” and “DTLr” denote the front and rear dynamic tire loads, respectively. The expressions of the eight evaluation indexes are
The dynamic response of the half-vehicle seat system integrated with NESIs is first compared with the original half-vehicle seat system to show the effect of the NESIs and further compared with the half-vehicle seat system integrated with traditional NESs to show the benefit of the inerters.
The mathematical model of the original half-vehicle seat system is given as
The schematic diagram of the half-vehicle seat system integrated with traditional NESs is shown in Figure 4. The traditional NESs are composed of mass, cubic stiffness, and damping. The three traditional NESs are mounted between the bodywork and the seat and between the bodywork and two tires, which are parallel with the seat and vehicle suspensions, respectively. mba is the mass of the NES installed between the vehicle seat and the bodywork, mbf (mbr) is the mass of the NES installed between the bodywork and front (rear) tire; the other structural parameters are the same as those of the half-vehicle seat system integrated with NESIs.
Figure 4.
Half-vehicle seat system integrated with traditional NESs.
The mathematical model of the half-vehicle seat system integrated with traditional NESs is provided as
The dynamic responses of the original half-vehicle seat system and half-vehicle seat system integrated with traditional NESs are also acquired utilizing the HBM and the PALM; the eight evaluation indexes are like those provided in Equation (21).
A comparison of the eight evaluation indexes of the original half-vehicle seat system and the half-vehicle seat systems integrated with traditional NESs and NESIs in a speed range of 5 ms−1, 15 ms−1, and 30 ms−1 is illustrated in Figure 5. The terms ”original”, “NES”, and “NESI” in Figure 5 indicate the original half-vehicle seat system, the half-vehicle seat systems integrated with traditional NESs and NESIs, respectively, the terms in the following figures also have the same meanings. The mass of the three NESs equals 100 kg, and the other structural parameters are the same as those of the NESIs. For the three vehicle speeds, compared with the original half-vehicle seat system, the peak amplitudes of resonances observed for Jsssa, Jsssf, and Jsssr are notably reduced in magnitude when the half-vehicle seat system is integrated with NESIs; similarly, the peak amplitudes of the resonances of JDTLf and JDTLr also exhibit a reducing trend; the peak amplitudes of the resonances of zaa, zsa, and φa exhibit a growing trend; however, it is important to note that the first-order peak amplitudes of the resonances of these three evaluation indexes are diminished. It should be noted that the three evaluation indexes zsa, φa, and zaa are greatly affected by the excitation frequency, which can be clearly seen in Equation (21) because of the time lag of the pavement input excitation between the front and rear tires; the three acceleration evaluation indexes have multiple resonant peaks, which have no clear peaks and are different from the other evaluation indexes; the changing trend can be also seen in the dynamic response shown in Figure 3. Compared with the NES application, using NESIs can reduce Jsssf, Jsssr, Jsssa, JDTLf, and JDTLr, while the other three acceleration evaluation indexes are larger.
Figure 5.
Comparison of the eight evaluation indexes of the original half-vehicle seat system and half-vehicle seat system integrated with traditional NESs and NESIs for three different vehicle speeds suffering from pavement harmonic excitation (mba = mbf = mbr = ba = bf = br = 100 kg, cba = cbf = cbr = 1000 Nsm−1, kba = kbf = kbr = 1 × 106 Nm−1, A = 0.04 m).
Applying NESs in the context of the half-vehicle seat system results in a slight reduction in the low-order peak amplitudes of the resonances of the eight evaluation indexes, while the higher-order peak amplitudes of the resonances remain largely unchanged, but the mass of the NESs is large (mba = mbf = mbr = 100 kg), which is against the lightweight design requirement and should not be used in the vehicle industry. In summary, using an inerter instead of the mass of the NESs that constitute the NESIs meets the lightweight design requirement; using NESIs can greatly reduce the peak amplitudes of the resonances of Jsssf, Jsssr, Jsssa, JDTLf, and JDTLr for the half-vehicle seat system, which deteriorates the other three acceleration evaluation indexes, and the structural parameters of the NESIs should be optimized to improve it.
The eight evaluation indexes of the half-vehicle seat system integrated with NESIs for different structural parameters of NESIs suffering from pavement harmonic excitation are shown in Figure 6, Figure 7 and Figure 8; because of the same effect for the structural parameters of the NESIs on the eight evaluation indexes at 5 ms−1 (low speed), 15 ms−1 (medium speed), and 30 ms−1 (high speed), the 15 ms−1 (medium speed) is chosen for analysis. As shown in Figure 6, when the inertance of the NESIs increases, the peak amplitudes of the resonances of zsa and φa become slightly larger, and the peak amplitude of the resonance of zaa gradually increases; the peak amplitudes of the resonances of Jsssa, Jsssf, JDTLf, and JDTLr gradually decrease, while the peak amplitude of the resonance of Jsssr first grows and then reduces.

Figure 6.
The eight evaluation indexes of the half-vehicle seat system integrated with NESIs for different inertance values suffering from pavement harmonic excitation (kba = 1 × 106 Nm−1, cba = 1000 Nsm−1, A = 0.04 m, v = 15 ms−1).

Figure 7.
The eight evaluation indexes of the half-vehicle seat system integrated with NESIs for different damping values suffering from pavement harmonic excitation (ba = 100 kg, kba = 1 × 106 Nm−1, A = 0.04 m, v = 15 ms−1).

Figure 8.
The eight evaluation indexes of the half-vehicle seat system integrated with NESIs for different nonlinear stiffness values suffering from pavement harmonic excitation (ba = 100 kg, cba = 1000 Nsm−1, A = 0.04 m, v = 15 ms−1).
As shown in Figure 7, when the damping of the NESIs increases, the low-frequency resonance peaks of zsa and φa increase gradually, while the high-frequency resonance peaks increase first and then decrease; the low-frequency resonance peak of zaa decreases gradually, while the high-frequency resonance peak increases gradually; the low-frequency resonance peaks of Jsssf and JDTLf increase first and then decrease, and the high-frequency resonance peaks decrease first and then increase; the low-frequency resonance peaks of Jsssr, Jsssa, and JDTLr increase gradually, while the high-frequency resonance peaks decrease gradually.
As shown in Figure 8, when the nonlinear stiffness of the NESIs increases and the system displays linear properties, the dynamic response of the system is one-valued, and results in the one-valued evaluation index correspond to a single excitation frequency. The peak amplitudes of the resonances of the Jsssf, Jsssr, Jsssa, JDTLf, and JDTLr gradually reduce, and the peak amplitudes of the resonances of the zaa, zsa, and φa remain almost the same; when the nonlinear cubic stiffness increases to a larger value (6.45 × 106 Nm−1), the dynamic response of the system in the low-frequency band bends to the right, exhibits nonlinear properties, and has a larger low-frequency resonance peak. This can be clearly seen in Figure 3 and results in the larger low-frequency resonance peak of the evaluation index, especially the bodywork vertical acceleration, zsa; the bodywork pitching acceleration, φa; the rear suspension system stroke, Jsssr; and the rear dynamic tire load, JDTLr. These larger, low-frequency resonance peaks significantly worsen the dynamic performance of the system. Thus, the nonlinear stiffness of the NESIs should have a smaller value to make the half-vehicle seat system integrated with NESIs show linear properties, and a larger value should not be chosen to show nonlinear properties, which can lead to a larger low-frequency resonance peak for the evaluation index.
Furthermore, the effect of the NESI installation positions on the eight evaluation indexes of the half-vehicle seat system is investigated, where a NESI is only mounted between the vehicle seat and bodywork, and two NESIs are only mounted between the bodywork and two tires. Both cases are considered. When installing a NESI only between the vehicle seat and the bodywork, the corresponding dynamic equations are provided as
When installing two NESIs only between the bodywork and two tires, the corresponding equations are provided by
The dynamic response of these two systems can be also acquired from the HBM and the PALM, and the eight evaluation indexes are also equal to those listed in Equation (21).
Then we can compare the eight evaluation indexes of the half-vehicle seat system integrated with NESIs for different installation positions and vehicle speeds suffering from pavement harmonic excitation, which is shown in Figure 9. The terms “NESI(seat)”, “NESI(suspension)”, and “NESI(seat + suspension)” in Figure 9 indicate the installation of a NESI only between the vehicle seat and bodywork, the installation of two NESIs only between the bodywork and two tires, the installation of NESIs both between the vehicle seat and bodywork and between the bodywork and two tires. Compared with the original half-vehicle seat system, when a NESI is only mounted between the vehicle seat and the bodywork, it can slightly decrease the peak amplitudes of the resonances of zsa, φa, and Jsssr. During the time that the peak amplitudes of the resonances of zaa and Jsssf increase, the peak amplitudes of the resonances of JDTLf and JDTLr are almost equivalent; although the first peak amplitude of the resonance of Jsssa is slightly larger, the other peak amplitudes of the resonances are smaller. When two NESIs are only mounted between the bodywork and two tires, compared with the original half-vehicle seat system, it can decrease the peak amplitudes of the resonances of Jsssf, Jsssr, JDTLf, and JDTLr; moreover, the peak amplitudes of the resonances of the three acceleration evaluation indexes are larger; although the first peak amplitude of the resonance of Jsssa is lower, the peak amplitudes of resonances of the other evaluation indexes are larger.

Figure 9.
Comparison of the eight evaluation indexes of the half-vehicle seat system integrated with NESIs for three diverse installation positions and vehicle speeds suffering from pavement harmonic excitation (ba = bf = br = 100 kg, cba = cbf = cbr = 1000 Nsm−1, kba = kbf = kbr = 1 × 106 Nm−1, A = 0.04 m, v = 15 ms−1).
When NESIs are mounted between the vehicle seat and bodywork and between the bodywork and two tires, compared with the former installation case, the peak amplitudes of the resonances of Jsssf, Jsssr, Jsssa, JDTLf, and JDTLr are lower, while the peak amplitudes of the resonances of the other three acceleration evaluation indexes are larger; compared with the latter installation case, the peak amplitude of the resonance of Jsssa is smaller, while the peak amplitude of resonance of zaa is bigger; the peak amplitudes of the resonances of zsa, φa, Jsssf, Jsssr, JDTLf, and JDTLr remain almost the same.
4. Pavement Random Excitation
Then, the pavement random excitation is considered as the input excitation and applied to the vehicle’s tires to exhibit the dynamic characteristic of the half-vehicle seat system integrated with NESIs in the time domain. The following analysis involves the acquisition of the root mean square (RMS) values that correspond to the eight evaluation indexes. The pavement random excitation is different for different pavement grades and vehicle speeds. Here, the C-level pavement profile is considered, and the pavement random excitation is modeled using the filtered white noise method; thus, for the front tire, the pavement random excitation is provided as
where f0 is the time-frequency; Gq(n0) is the pavement surface roughness coefficient and selected as 64 × 10−6 m3 for the C-level pavement profile; n0 represents the reference spatial frequency and set at 0.1 m−1; the vehicle speed, v, is chosen to be 15 ms−1; and ω(t) is the Gaussian white noise with a mean value of zero and an intensity of one. Similar to the pavement harmonic excitation, the pavement random excitation acting on the rear tire of the vehicle has a time delay, τ, with regard to the front tire, which is provided by
A comparison of the eight evaluation indexes for the original half-vehicle seat system and the half-vehicle seat system integrated with NESIs suffering from pavement random excitation is shown in Figure 10. The exact RMS values of the eight evaluation indexes are provided in Table 2. When the vehicle drives on the C-class pavement and coupled with the NESIs, compared with the original half-vehicle seat system, RMS(Jsssa), RMS(Jsssf), and RMS(Jsssr) decrease by 30.00%, 12.50%, and 15.25%, respectively; RMS(JDTLf) and RMS(JDTLr) decrease by 13.50% and 14.91%, respectively, while RMS(zaa), RMS(zsa), and RMS(φa) are larger and increase by 3.50%, 3.89%, and 7.10%, respectively. Therefore, when a NESI is mounted on the vehicle seat and vehicle suspension parts, it greatly reduces RMS(Jsssa), RMS(Jsssf), RMS(Jsssr), RMS(JDTLf), and RMS(JDTLr) for the half-vehicle seat system, whereas the RMS values of the other three acceleration evaluation indexes are bigger, which is similar to the pavement harmonic excitation case.
Figure 10.
Comparison of the eight evaluation indexes for the two half-vehicle seat systems suffering from pavement random excitation (ba = bf = br = 100 kg, cba = cbf = cbr = 1000 Nsm−1, kba = kbf = kbr = 1 × 106 Nm−1, v = 15 ms−1). (a) Bodywork vertical acceleration, bodywork pitching acceleration and vehicle seat vertical ac-celeration; (b) Front suspension system stroke, rear suspension system stroke and vehicle seat sus-pension stroke; (c) Front dynamic tire load and rear dynamic tire load.
Table 2.
The RMS values of the eight evaluation indexes for the two half-vehicle seat systems suffering from pavement random excitation (ba = bf = br = 100 kg, cba = cbf = cbr = 1000 Nsm−1, kba = kbf = kbr = 1 × 106 Nm−1, v = 15 ms−1).
The RMS values of the eight evaluation indexes of the half-vehicle-seat system integrated with NESIs for different structural parameters of the NESIs under pavement random excitation are provided in Figure 11; the detailed values are displayed in Table 3, Table 4 and Table 5. As inertance increases, RMS(zsa), RMS(φa), RMS(zaa), RMS(JDTLf), and RMS(JDTLr) decrease continuously; RMS(Jsssf), RMS(Jsssr), and RMS(Jsssa) first decrease and then approach a fixed value. As the damping increases, RMS(zaa), RMS(zsa), and RMS(φa) show an increasing trend; RMS(Jsssf) and RMS(Jsssr) first reduce and then remain unchanged; RMS(Jsssa) first mildly decreases and then increases to a fixed value; RMS(JDTLf) and RMS(JDTLr) first reduce and then increase. As the nonlinear stiffness increases, the effect is not more obvious than those of the inertance and damping; the RMS values of the eight evaluation indexes remain almost the same as the nonlinear stiffness rises.
Figure 11.
RMS values of the eight evaluation indexes of the half-vehicle seat system integrated with NESIs for different structural parameters of the NESIs suffering from pavement random excitation. (a) The RMS values of bodywork vertical acceleration, bodywork pitching acceleration and vehicle seat vertical acceleration; (b) The RMS values of front suspension system stroke, rear suspension system stroke and vehicle seat suspension stroke; (c) The RMS values of front dynamic tire load and rear dynamic tire load.
Table 3.
RMS values of the eight evaluation indexes of the half-vehicle seat system integrated with NESIs for several inertances suffering from pavement random excitation (kba = kbf = kbr = 1 × 106 Nm−1, cba = cbf = cbr = 1000 Nsm−1).
Table 4.
RMS values of the eight evaluation indexes of the half-vehicle seat system integrated with NESIs for several damping values suffering from pavement random excitation (ba = bf = br = 100 kg, kba = kbf = kbr = 1 × 106 Nm−1).
Table 5.
RMS values of the eight evaluation indexes of the half-vehicle seat system integrated with NESIs for several nonlinear stiffness values suffering from pavement random excitation (ba = bf = br = 100 kg, cba = cbf = cbr = 1000 Nsm−1).
When the NESIs are used in the half-vehicle seat system, and the above structural parameter values of the NESIs are chosen, zaa, zsa, and φa are larger, which results in worse dynamic performance. Therefore, the structural parameters of the NESI should be optimized, specifically including inertance (ba, bf, br), damping (cba, cbf, cbr), and nonlinear stiffness (kba, kbf, kbr), with the genetic algorithm adopted for optimization. The objective of structural parameter optimization is to reduce zaa, zsa, and φa and to guarantee Jsssf, Jsssr, Jsssa, JDTLf, and JDTLr are maintained within a reasonable range. Thus, the objective function of dynamic performance optimization for the half-vehicle seat system integrated with NESIs is
where ρ3, ρ1, and ρ2 are the weight coefficients of the vehicle seat’s acceleration in the vertical direction and the bodywork’s acceleration in the vertical and pitching directions, respectively, which are set as 0.4, 0.3, and 0.3. RMS(zaa0), RMS(zsa0), RMS(φa0), RMS(zaa), RMS(zsa), and RMS(φa) are the RMS values of the vehicle seat’s acceleration in the vertical direction, the bodywork’s acceleration in the vertical and pitching directions for the original half-vehicle seat system and the half-vehicle seat system integrated with NESIs.
So as to prevent collisions between the vehicle seat and the bodywork and between the bodywork and tires, RMS(Jsssf), RMS(Jsssr), and RMS(Jsssa) should not exceed one-third of the RMS values of the seat and suspension limit strokes, and RMS(JDTLf) and RMS(JDTLr) should not exceed one-third of the RMS values of the static load. Therefore, the specific limit condition equations are shown as
where the corresponding structural parameter values are given in Table 1. The optimization ranges of the structural parameters for all NESIs are provided by
The structural parameters of the NESIs are optimized using the genetic algorithm, which is implemented using the MATLAB Genetic Algorithm Toolbox, which is an optimization algorithm based on the theory of biological evolution, which searches for optimal solutions by simulating natural selection, genetic variation, and crossover. It is a strong, robust optimization algorithm, and the corresponding optimization process is shown in Figure 12. Based on the dynamic equations of the half-vehicle seat system integrated with NESIs and the Genetic Algorithm Toolbox established by MATLAB/Simulink, the optimized structural parameters of the NESIs can be obtained.
Figure 12.
Genetic algorithm optimization process.
The optimization process of the optimized structural parameters of the NESIs with different genetic algorithm iterations is shown in Figure 13, where the iterations are chosen as 30, 50, and 70 for comparison; the corresponding detailed values of the optimized structural parameters of the NESIs and the RMS values of the eight evaluation indexes are displayed in Table 6 and Table 7, respectively. The values of the optimized structural parameters of the NESIs and the resulting RMS values of the eight evaluation indexes are different when the genetic algorithm iterations are different. When the iteration increases, the optimization calculation time becomes longer. As shown in Table 7, when the iteration equals 70, compared with the iterations for 30 and 50, RMS(zsa), RMS(φa), RMS(zaa), RMS(Jsssr) and RMS(JDTLr) are slightly smaller, and the RMS values of the other three evaluation indexes are almost the same. Therefore, it can be seen that when the iteration is larger than 50, the dynamic performance optimization effect is not obvious, and the optimization calculation time is longer. Here, the optimization results for the NESIs are determined when the iteration is chosen as 70.

Figure 13.
The optimization process for the optimized structural parameters of NESIs with different genetic algorithm iterations.
Table 6.
The values of optimized structural parameters of NESIs with different genetic algorithm iterations.
Table 7.
RMS values of the eight evaluation indexes of the half-vehicle seat system integrated with optimized NESIs for different genetic algorithm iterations suffering from pavement random excitation.
A comparison of zsa and φa for the half-vehicle seat system integrated with the original and optimized NESIs under pavement random excitation conditions is shown in Figure 14; a comparison of RMS values for the eight evaluation indexes is provided in Table 8. Compared with the original NESIs, using the optimized NESIs based on the genetic algorithm reduces the bodywork acceleration in the vertical and pitching directions significantly, with the RMS(zsa) and RMS(φa) values decreasing by 23.97% and 27.48%, respectively; RMS(zaa) and RMS(Jsssa) are also smaller, decreasing by 23.59% and 14.29%, respectively; although RMS(Jsssf), RMS(Jsssr), RMS(JDTLf), and RMS(JDTLr) are a bit larger, they satisfy the limit conditions. Compared with the original half-vehicle seat system, the half-vehicle seat system using the optimized NESIs can reduce all eight evaluation indexes where the corresponding RMS values are all small.
Figure 14.
Comparison of zsa and φa for the half-vehicle seat system integrated with original and optimized NESIs suffering from pavement random excitation.
Table 8.
Comparison of the RMS values of the eight evaluation indexes for the half-vehicle seat system integrated with original and optimized NESIs suffering from pavement random excitation.
5. Conclusions
This research employs NESIs within a half-vehicle seat system to enhance the performance of the vehicle in terms of vertical and pitching movements; develops a dynamic model for the half-vehicle seat system integrated with NESIs; analyzes its response to suffering from pavement harmonic excitation using the HBM and the PALM; and studies the performance using eight evaluation indexes. The optimal structural parameters of the NESIs are also acquired according to the genetic algorithm. In conclusion, the findings can be summarized as follows:
(1) The half-vehicle seat system integrated with NESIs is a nonlinear mechanical system; it used eight DOFs and nonlinear cube stiffness terms generated by the NESIs, and the analytical results acquired by the HBM and the PALM match well with the numerical solutions, which validates the applicability of the HBM and the PALM for solving such complex nonlinear systems effectively.
(2) For pavement harmonic and random excitations, using a NESI can decrease the resonance peaks and RMS values of Jsssf, Jsssr, Jsssa, JDTLf, and JDTLr for a half-vehicle seat system, and the resonance peaks and RMS values of the other three acceleration evaluation indexes are larger.
(3) The structural parameters of the NESIs are optimized by using the genetic algorithm; compared with the initial NESIs, the RMS(zsa), RMS(φa), RMS(zaa), and RMS(Jsssa) of the half-vehicle seat system integrated with the optimized NESIs decrease by 23.97%, 27.48%, 23.59%, and 14.29%, respectively; furthermore, RMS(Jsssf), RMS(Jsssr), RMS(JDTLf) and RMS(JDTLr) satisfy the limit conditions; in contrast with the original half-vehicle seat system, the system integrated with the optimized NESIs can improve all eight evaluation indexes.
Therefore, substituting the inerter in place of the mass of the NES that constitute the NESI meets lightweight design requirements, and using NESIs in a half-vehicle seat system can improve its dynamic performance, which offers an efficient option for vibration attenuation in vehicle engineering.
Author Contributions
Conceptualization, formal analysis, Y.Z. Data curation, writing—original draft, C.R. Validation, writing—editing, H.M. Supervision, writing—review, Y.W. All authors have read and agreed to the published version of the manuscript.
Funding
The research described in this paper is supported by the National Natural Science Foundation of China (Grant No. 12172153, 51805216), the China Postdoctoral Science Foundation (Grant No. 2023M731668), the Major Project of Basic Science (Natural Science) of the Jiangsu Higher Education Institutions (22KJA410001), and a project funded by the Youth Talent Cultivation Program of Jiangsu University.
Data Availability Statement
The data presented in this study are available on request from the corresponding author. The data are not publicly available due to privacy.
Conflicts of Interest
The authors declare no potential conflict of interest concerning the research, authorship, and/or publication of this article.
Appendix A
The sixteen nonlinear equations in Equation (19) are listed as follows:
References
- Rajamani, R. Vehicle Dynamics and Control; Springer: New York, NY, USA, 2012. [Google Scholar]
- Lukosevicius, V.; Makaras, R.; Darguzs, A. Assessment of tire features for modeling vehicle stability in case of vertical road excitation. Appl. Sci. 2021, 11, 6608. [Google Scholar] [CrossRef]
- Li, G.; Ruan, Z.Y.; Gu, R.H.; Hu, G.L. Fuzzy sliding mode control of vehicle magnetorheological simi-active air suspension. Appl. Sci. 2021, 11, 10925. [Google Scholar] [CrossRef]
- Davoodi, E.; Safarpour, P.; Pourgholi, M.; Khazaee, M. Design and evaluation of vibration reducing seat suspension based on negative stiffness structure. Proc. Inst. Mech. Eng. Part C J. Mech. Eng. Sci. 2020, 234, 4171–4189. [Google Scholar] [CrossRef]
- Nguyen, T.C.; Do Cong, K.D.; Dinh, C.T. Rolling tires on the flat road: Thermo-investigation with changing conditions through numerical simulation. Appl. Sci. 2023, 13, 4834. [Google Scholar] [CrossRef]
- Zhao, W.P.; Gu, L. Hybrid particle swarm optimization genetic LQR controller for active suspension. Appl. Sci. 2023, 13, 8204. [Google Scholar] [CrossRef]
- Heidarian, A.; Wang, X. Review on seat suspension system technology development. Appl. Sci. 2019, 9, 2834. [Google Scholar] [CrossRef]
- Shen, Y.J.; Xing, Z.Y.; Yang, S.P.; Sun, J.Q. Parameters optimization for a novel dynamic vibration absorber. Mech. Syst. Signal Process. 2019, 133, 106282. [Google Scholar] [CrossRef]
- Mo, C.; Sunwoo, M. A semiactive vibration absorber (SAVA) for automotive suspensions. Int. J. Veh. Des. 2001, 29, 83–95. [Google Scholar] [CrossRef]
- Kumaraswamidhas, L.A.; Sudharsan, B.; Girish Krishna, S.; Velmurugan, P. Modelling and simulation of non-linear vibration absorber attached to automotive system. Int. J. Veh. Syst. Model. Test. 2012, 7, 390–404. [Google Scholar] [CrossRef]
- Wang, R.R.; Jing, H.; Yan, F.J.; Karimi, H.R.; Chen, N. Optimization and finite-frequency H∞ control of active suspensions in in-wheel motor driven electric ground vehicles. J. Frankl. Inst. 2015, 352, 468–484. [Google Scholar] [CrossRef]
- Reina, G.; Rose, G.D. Active vibration absorber for automotive suspensions: A theoretical study. Int. J. Heavy Veh. Syst. 2016, 23, 21–39. [Google Scholar] [CrossRef]
- Liu, M.C.; Gu, F.H.; Zhang, Y.Z. Ride comfort optimization of in-wheel-motor electric vehicles with in-wheel vibration absorbers. Energies 2017, 10, 1647. [Google Scholar] [CrossRef]
- Ding, H.; Chen, L.Q. Designs, analysis, and applications of nonlinear energy sinks. Nonlinear Dynam. 2020, 100, 3061–3107. [Google Scholar] [CrossRef]
- Ding, H.; Shao, Y.F. NES cell. Appl. Math. Mech. 2022, 43, 1793–1804. [Google Scholar] [CrossRef]
- Geng, X.F.; Ding, H.; Mao, X.Y.; Chen, L.Q. Nonlinear energy sink with limited vibration amplitude. Mech. Syst. Signal Process. 2021, 156, 107625. [Google Scholar] [CrossRef]
- Chen, Y.Y.; Qian, Z.C.; Chen, K.; Tan, P.; Tesfamariam, S. Seismic performance of a nonlinear energy sink with negative stiffness and sliding friction. Struct. Control Health Monit. 2019, 26, e2437. [Google Scholar] [CrossRef]
- Li, X.; Mojahed, A.; Chen, L.Q.; Bergman, L.A.; Vakakis, A.F. Shock response mitigation of a large-scale structure by modal energy redistribution facilitated by a strongly nonlinear absorber. Acta Mech. Sin. 2022, 38, 121464. [Google Scholar] [CrossRef]
- Yang, K.; Zhang, Y.W.; Ding, H.; Yang, T.Z.; Li, Y.; Chen, L.Q. Nonlinear energy sink for whole-spacecraft vibration reduction. J. Vib. Acoust. 2017, 139, 021011. [Google Scholar] [CrossRef]
- Wang, Y.; Zhang, T.; Jin, X.Y.; Yin, Y. Shimmy suppression of an aircraft nose landing gear using torsional nonlinear energy sink. J. Comput. Nonlin. Dyn. 2023, 18, 101002. [Google Scholar] [CrossRef]
- Smith, M.C. Synthesis of mechanical networks: The inerter. IEEE T. Automat. Contr. 2002, 47, 1648–1662. [Google Scholar] [CrossRef]
- Zhang, X.L.; Geng, C.; Nie, J.M.; Gao, Q. The missing mem-inerter and extended mem-dashpot found. Nonlinear Dynam. 2020, 101, 835–856. [Google Scholar] [CrossRef]
- Hu, Y.L.; Hua, T.Y.; Chen, M.Z.Q.; Shi, S.; Sun, Y.H. Instability analysis for semi-active control systems with semi-active inerters. Nonlinear Dyn. 2021, 105, 99–112. [Google Scholar] [CrossRef]
- Lewis, T.D.; Jiang, J.Z.; Neild, S.A.; Gong, C.; Iwnicki, S.D. Using an inerter-based suspension to improve both passenger comfort and track wear in railway vehicles. Veh. Syst. Dyn. 2020, 58, 472–493. [Google Scholar] [CrossRef]
- Zhu, M.; Zhang, S.Y.; Jiang, J.Z.; Macdonald, J.; Neild, S.A.; Antunes, P.; Pombo, J.; Cullingford, S.; Askill, M.; Fielder, S. Enhancing pantograph-catenary dynamic performance using an inertance-integrated damping system. Vehicle Syst. Dyn. 2022, 60, 1909–1932. [Google Scholar] [CrossRef]
- Wang, Y.; Li, H.X.; Cheng, C.; Ding, H.; Chen, L.Q. Dynamic performance analysis of a mixed-connected inerter-based quasi-zero stiffness vibration isolator. Struct. Control Health Monit. 2020, 27, e2604. [Google Scholar] [CrossRef]
- Yang, J.; Jiang, J.Z.; Neild, S.A. Dynamic analysis and performance evaluation of nonlinear inerter-based vibration isolators. Nonlinear Dynam. 2020, 99, 1823–1839. [Google Scholar] [CrossRef]
- Wang, Y.; Li, H.X.; Jiang, W.A.; Ding, H.; Chen, L.Q. A base excited mixed-connected inerter-based quasi-zero stiffness vibration isolator with mistuned load. Mech. Adv. Mater. Struc. 2022, 29, 4224–4242. [Google Scholar] [CrossRef]
- Čakmak, D.; Tomičević, Z.; Wolf, H.; Božić, Ž.; Semenski, D. Stability and performance of supercritical inerter-based active vibration isolation systems. J. Sound Vib. 2022, 518, 116234. [Google Scholar] [CrossRef]
- Hu, Y.; Chen, M.Z.Q. Performance evaluation for inerter-based dynamic vibration absorbers. Int. J. Mech. Sci. 2015, 99, 297–307. [Google Scholar] [CrossRef]
- Zhang, S.Y.; Jiang, J.Z.; Neild, S.A. Optimal configurations for a linear vibration suppression device in a multi-storey building. Struct. Control Health Monit. 2017, 24, e1887. [Google Scholar] [CrossRef]
- Zhang, Y.W.; Lu, Y.N.; Zhang, W.; Teng, Y.Y.; Yang, H.X.; Yang, T.Z.; Chen, L.Q. Nonlinear energy sink with inerter. Mech. Syst. Signal Process. 2019, 125, 52–64. [Google Scholar] [CrossRef]
- Zhang, Z.; Lu, Z.Q.; Ding, H.; Chen, L.Q. An inertial nonlinear energy sink. J. Sound Vib. 2019, 405, 34–47. [Google Scholar] [CrossRef]
- Wang, J.J.; Zhang, C.; Zheng, Y.Q. An inerter-enhanced asymmetric nonlinear energy sink for response mitigation of structures suffer the harmonic and seismic ground excitations. Struct. Control Health Monit. 2022, 29, e3104. [Google Scholar] [CrossRef]
- Dang, W.H.; Liu, S.L.; Chen, L.Q.; Yang, T.Z. A dual-stage inerter-enhanced nonlinear energy sink. Nonlinear Dynam. 2023, 111, 6001–6015. [Google Scholar] [CrossRef]
- Zeng, Y.C.; Ding, H.; Du, R.H.; Chen, L.Q. A suspension system with quasi-zero stiffness characteristics and inerter nonlinear energy sink. J. Vib. Control 2022, 28, 143–158. [Google Scholar] [CrossRef]
- Wang, Y.; Xu, B.B.; Dai, J.G.; Chen, L.Q. Enhanced dynamic performance of a half-vehicle system using inerter-based nonlinear energy sink. J. Vib. Control 2023, 10775463231186301. [Google Scholar] [CrossRef]
- Nair, V.G.; Collette, C. Double link sensor for mitigating tilt-horizontal coupling. J. Instrum. 2022, 17, P04012. [Google Scholar] [CrossRef]
- Bondada, A.; Nair, V.G. Dynamics of multiple pendulum system under a translating and tilting pivot. Arch. Appl. Mech. 2023, 93, 3699–3740. [Google Scholar] [CrossRef]
- Wang, X.; Ma, T.B.; Ren, H.L.; Ning, J.G. A local pseudo arc-length method for hyperbolic conservation laws. Acta Mech. Sin.-PRC 2014, 30, 956–965. [Google Scholar] [CrossRef]
- Du, H.; Zhang, N. Constrained H∞ control of active suspension for a half-car model with a time delay in control. Proceedings of the Institution of Mechanical Engineers. Proc. Inst. Mech. Eng. Part D J. Automob. Eng. 2008, 222, 665–684. [Google Scholar] [CrossRef]
- Zhang, Y.; Ren, C.; Ma, K.; Xu, Z.; Zhou, P.; Chen, Y. Effect of delayed resonator on the vibration reduction performance of vehicle active seat suspension. J. Low Freq. Noise Vib. Act. Control 2022, 41, 387–404. [Google Scholar] [CrossRef]
Disclaimer/Publisher’s Note: The statements, opinions and data contained in all publications are solely those of the individual author(s) and contributor(s) and not of MDPI and/or the editor(s). MDPI and/or the editor(s) disclaim responsibility for any injury to people or property resulting from any ideas, methods, instructions or products referred to in the content. |
© 2023 by the authors. Licensee MDPI, Basel, Switzerland. This article is an open access article distributed under the terms and conditions of the Creative Commons Attribution (CC BY) license (https://creativecommons.org/licenses/by/4.0/).