Abstract
In a context where there is an increasing need for thermal treatments of wooden products, the current research contributes a description of the torrefaction treatment of two of the composite wood materials available on the international market. The present paper presents the importance of the torrefaction process for poplar plywood and medium-density fiberboard. In this paper, the positive aspects of the torrefaction process (decrease in water absorption, thickness swelling and shrinkage, and color) but also the negative aspects of mechanical resistance to static bending are presented. Poplar plywood (PW) and medium-density fiberboard (MDF) panels, with the initial dimensions of 2000 × 1250 mm, were used. From these, 300 × 300 mm samples were cut and torrefied using two different temperatures (170 and 190 °C) and two different periods (for 1 and 2 h). After the treatment, the samples were cut in different sizes (as necessary for each type of evaluation method) from different zones of the panels and used to evaluate the water absorption and thickness swelling, to determine their modulus of rupture, roughness, and color changes. The obtained results emphasize that the mass loses increase at high temperature as the main disadvantageous characteristics of torrefaction. Also, while the calorific power increases with the increase in the parameters of the torrefaction regime, the hygroscopicity and some mechanical properties of the material simultaneously decrease.
1. Introduction
The main properties of wood vary between forest species, but also between the same wood species; thus, the properties of wood cannot be controlled during different processing stages. Moreover, there are differences between wood-based composite materials, which are made of technical veneer (plywood), fibers (wood fiber boards), and chips (wood chip boards—PB—and long oriented chip boards—OSB), from fine sawdust (WPC boards) and timber (GLULAM) to wood chips (boards with mineral binders).
In Europe, the consumption of wood and wood-based composite materials has increased year by year. The demand for these materials is differentiated from country to country. Even if the increase in people’s needs was not the same in different areas of the globe, there was a total increase in the level of the consumption of wood and wood-based composite materials. So, the consumption of composite materials recorded an increase up to the level of 2010, followed by a stagnation period for wood chipboards and plywood and an increase in oriented strand boards (OSB) and medium-density fiberboards (MDF) [1,2,3,4,5].
Wood-based composite materials are used for applications in the furniture industry, construction, aviation, and musical instruments, showing many advantages over other materials, such as high temperature resistance, stiffness, very good durability, strengths, and higher rigidity and adhesion, in relation to metals or plastics [2,6]. Considering the quality coefficients (the ratio between strength and density), sometimes, wood-based composite materials come close to the strongest materials, such as steel, cast iron, and Kevlar [7,8]. The main advantage of these composite materials exceeds the area of their superior properties, through the use of residues obtained from the exploitation of forests, vines, and orchards; from the processing of round wood in the form of logs and other wood materials; but also from the use of wood products taken out of use (cabins, wooden buildings, temporary civil constructions, furniture, crates, etc.). From this point of view, wood-based boards are renewable, by the fact that, at certain time intervals, a base of raw material is created, through the collected remains and wood waste. Aside from all these advantages, composite materials also have the disadvantage of the use of adhesives for gluing, which are non-ecological materials with serious impact on human health [9]. And yet, through using natural adhesives, the attractiveness of these composite products increases significantly, becoming essential to current human activities.
The quality of composite materials can be evaluated through observing their physico-mechanical properties through following specific tests, as well as through micro- and macroscopic evaluations of fibers, chops, veneers, sawdust, chips, or timber [1].
Two of the most important wood-based composite materials are plywood and medium-density fiberboard. Plywood is a very durable composite material; it is waterproof and is heavier than MDF [4]. Plywood has very good strength in relation to its weight and presents superior rigidity on both of it sides [10,11,12,13,14,15,16,17,18,19]. It can be used as a structural material, in which case its dimensions and properties must be precisely calculated [20]. The mechanical resistance of plywood decreases with increasing humidity and water [21,22,23,24]. Dimensional changes in longitudinal and transverse direction are on average 0.015% for every 1% change in its humidity [13,17].
Medium-density fiberboards are produced from a series of lignocellulosic fibers, following a thermal and mechanical process of defibration that uses the combined action of heat with mechanical energy to break the bonds between cells [6,23]. Depending on the manufacturing process of MDF, fibers with a high degree of fibrilization are used for the wet process, and long and thin fibers are used for the dry process [9,25,26,27,28,29,30,31]. To obtain MDF, small-diameter fibers are used, so that a degree of compressibility is achieved without additional energy consumption [29]. Plywood and medium-density fiberboard are dimensionally stable, as they have a density of about 750–800 kg/m3, compared to wood chipboards with a density of 650–750 kg/m3 [11,20]. Medium-density fiberboard is used as a raw material for high-quality furniture, having a much denser composition than wood chipboards [31,32,33,34].
MDF and plywood do not have moisture resistance, but painted or laminated, they behave well in wet or humid environments [8,34,35,36]. In order to increase the moisture resistance of the two composite materials and to extend their field of use in humid environments, heat treatment at high temperatures between 170–220 °C in an oxygen-poor environment, or even at higher temperatures under a nitrogen environment, can be used [37,38,39,40]. This treatment is called torrefaction [26]. Through the torrefaction process, the molecular structure of the wood is changed, its dimensional stability is improved by 30–50%, the hygroscopicity is reduced, and, implicitly, the calorific value is increased [41,42,43]. In addition to the advantages highlighted above, torrefied wood-based composites (MDF and PW) have also some disadvantages, like a slight decrease in density and mechanical resistance [26,30].
The aim of this work was to study two of the properties of the most used wood-based composites, namely plywood (PW) and medium-density fiberboard (MDF), to reduce water absorption, in order to use them in wet environments such as bathrooms and kitchens. They were thermally treated at high temperatures, and for comparison, unmodified PW and MDF were used.
2. Materials and Methods
Poplar plywood (PW) and medium-density fiberboard (MDF) panels, with the initial dimensions of 2000 × 1250 mm, were used. These are commercially available panels and were purchased from Compozite S.R.L. Brasov, Romania. The poplar PW consists of seven veneer sheets, glued using ureo-formaldehyde resin, with a moisture content of 8%. The MDF had a moisture content 9%. The calculated density for the poplar PW was 671.98 kg/m3, and for MDF, it was 752.48 kg/m3. From these, 30 pieces of 300 × 300 mm were cut with a circular saw in order to be used for the torrefaction process. Before and after the modification, the samples were weighed with a Kern 250 scale (Düsseldorf, Germany), and their thickness was measured with an electronic caliper.
Torrefaction process. After conditioning, the samples were placed in a laboratory oven type Memmert (Berlin, Germany) for drying at 105 ± 3 °C for 10 h. Then, they were weighed, and after another hour of drying, the thickness of the samples was determined. The torrefaction process was performed, at temperatures of 170 °C (T1) and 190 °C (T2), for 1 h (t1) and 2 h (t2), respectively. Through combining times with temperatures, there were 4 types of thermal hardening regimes, namely T1t1, T1t2, T2t1, and T2t2.
Firstly, in order to determine the main parameter of torrefaction process, the mass loss was calculated, using the following equation (Equation (1)):
where mi is the initial mass of the sample, before torrefaction; mf is the final mass of the sample.
Water absorption. Samples measuring 50 × 50 mm were cut from different zones of the panel and used to determine the water absorption and thickness swelling. For each sample, 5 replicates were used.
The untreated and torrefied samples were dried in an oven at 105 °C until constant weight was observed. After that, the samples were conditioned at 65% RH and 20 °C and then placed in an immersion tank with distilled water at room temperature (of 20 °C), 20 mm below the water level. The samples were placed horizontally on special grids. After 2 and 24 h, the samples were extracted, the excess of water was removed with filter paper, and the mass and their dimensions were measured again. The experiment was realized according to the EN 317:1993 standard [19].
Water absorption was determined using the following equation (Equation (2)):
where mi is the mass of the sample for each period of time (2 or 24 h), moi is the initial dry mass of the sample, and i = 2 or 24 h. Customizing equation (2) for immersion durations of 2 and 24 h, the following two equations are obtained (Equation (3)):
where A2h is the water absorption percentage after 2 h of immersion in water; m2h is the mass of the samples after 2 h of immersion in water; m02h is the mass of absolutely dry samples for the case of samples immersed for 2 h in water; A24h is the water absorption percentage after 24 h immersion in water; m24h is the mass of the samples immersed for 24 h in water; m024h is the mass of dry samples for the case of immersion in water for a period of 24 h.
The thickness swelling of the samples was determined according to the variation in the thickness of the samples before and after immersion, using the data obtained during the measurements mentioned above and the following equation (Equation (4)):
where Si represents the swelling percentage in the thickness direction; gi is the thickness of the samples at time i (2 or 24 h); g0i is the initial thickness after drying, at time i (2 or 24 h).
Customizing the previous relationship (4) for immersion periods of 2 h and 24 h, the following two calculation formulas were obtained (Equation (5)):
where S2h is the percentage of swelling of the thickness of the samples after 2 h of immersion in water; g2h is the thickness recorded after 2 h immersion; g02h is the thickness of the absolutely dry samples before immersion in water for a period of 2 h; S24h is the swelling percentage of the thickness of the samples after 24 h of immersion in water; g24h is the thickness of wet samples, after immersion for a period of 24 h; g024h is the thickness of the absolutely dry samples before immersion in water for a period of 24 h.
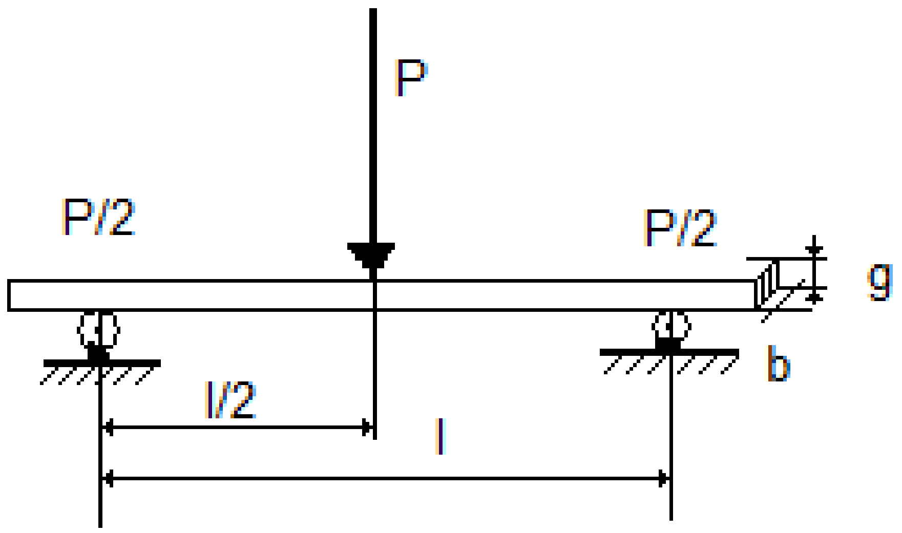
Modulus of rupture (MOR). These tests were performed according to EU standard EN 310: 1993 [44]. To determine the modulus of rupture, samples measuring 50 × 360 mm (width × length) were processed from poplar PW, and measuring 50 × 400 mm (width × length) from MDF. From each type of wooden composites (PW and MDF), 10 replicates were used, including the addition of 10 new control replicates. Before the measurements, the samples were conditioned at 20 °C and 65% relative humidity. To measure the deformation, a minimum force of 200 N and a maximum one of 600 N were applied. The MOR was calculated using the following equation (Equation (6)):
where MOR (N/mm2) is the modulus of rupture; Pmax (N) is the maximum breaking force of the sample; l (mm) is the distance between supports; b (mm) is the width of the samples of each type of wood-based composite; g (mm) is the thickness of the samples. A schematic representation of the determination of modulus of rupture is presented in Figure 1.
Figure 1.
Determination of modulus of rupture.
Roughness of PW and MDF. To determine the roughness, 30 samples with dimensions of 50 × 50 mm (width × length) from poplar PW and MDF were used. The roughness was expressed through three parameters: the arithmetic mean of irregularities (Ra), the mean height of irregularities (Rz), and the mean square root (Rq).
For the measurements, the Mitutoyo Surftest SJ-301 instrument (Mitutoyo company, Kawasaki, Japan) was used. The cut-off length was 2.5 mm, the sampling length was 12.5 mm, and the detection tip radius was 5 μm in the surface roughness measurements.
Color measurements of PW and MDF. A portable colorimeter type Tes-135 A, manufactured by Tes Electrical Electronic Corp (Taipei, Taiwan), was used to determine the color, using the CIELab system. The L* axis represents lightness and has the value 0 for black and 100 for white, with values in between being a series of shades of grey. The a* axis refers to the green–red opposition, with negative values towards green and positive values towards red. The b* axis quantifies the blue–yellow opposition, with negative values towards the blue zone and positive values towards the yellow zone [45]. Figure 2 defines the entire CIELab colorimetric space with the 3 components L, a, and b. From the L*, a*, and b* values, the color uniformity was calculated as the difference in the lightness and chromaticity parameters between heat-treated and control (untreated) poplar PW and MDF samples.
Figure 2.
The CIELab color space.
Based on the direct observations on the analyzed parts, it is predicted that after the heat treatment of torrefaction, the luminance will migrate towards black (i.e., it will decrease), the coefficient a* will migrate towards green (i.e., it will decrease slightly), while the coefficient b* will migrate towards yellow (i.e., it will increase slightly).
3. Results
3.1. Mass Losses of Torrefaction Process
As a first evaluation for the torrefaction process, the mass loss of all samples was calculated. The variation in the mass losses for the treated samples for different periods and temperatures can be observed in Figure 3. The regression curves that best highlight this are the polynomial ones. As can be seen, the mass loses present higher values for poplar PW compared to MDF, and this is due to its layered structure. An exception is observed the T2t2 treatment regime, where the mass loss for MDF is almost similar, with a slight increase, compared to poplar PW. The maximum mass loss for poplar PW was 7.65% for a torrefaction treatment at 170 °C and 2 h, and 11.50% for a torrefaction treatment at 190 °C and 2 h. The maximum mass loss for MDF was 6.86% for the treatment at 170 °C and 2 h, and 13.85% for the treatment at 190 °C and 2 h.
Figure 3.
Mass loss in poplar PW and MDF: T1t1—torrefaction treatment at 170 °C for 1 h; T1t2—torrefaction treatment at 170 °C for 2 h; T2t1—torrefaction treatment of at 190 °C for 1 h; T2t2—torrefaction treatment at 190 °C for 2 h.
3.2. Water Absorption after 2 and 24 h of Immersion
The water absorption percentage depends on the structure of the two materials (PW and MDF) [12]. Thus, for poplar PW, it is observed that the water absorption for 2 h was higher than the control sample in the case of the T1t1 regime (with 72.73%), while in the case of the T2t1 regime, the water absorption for 2 h was lower than the control sample (with 14.62%).
The water absorption percentage after 24 h was higher than the control sample for both regimes (T1t1 and T2t1) (with 76.79% and 9.07%, respectively). This evaluation was validated by the two polynomial curves, with the Pearson coefficient R2 =1 (see Figure 4a).

Figure 4.
Water absorption percentage for (a) poplar PW and (b) MDF.
The maximum water absorption for poplar PW control sample was 31.8% after 2 h and 54.76% after 24 h. The maximum water absorption for torrefied poplar (PW) in the T1t1 regime after 2 h was 48.53%, and after 24 h, it was 99.65%, respectively. The maximum water absorption for torrefied poplar PW in the T2t1 regime after 2 h was 23.19%, while after 24 h, it was 56.8%.
The maximum water absorption percentage for the control MDF was 8.66% after 2 h and 30.89% after 24 h. The maximum water absorption for torrefied MDF in the T1t1 regime after 2 h was 9.07%, and after 24 h, 34.92%. The maximum water absorption for torrefied MDF in the T2t1 regime after 2 h was 5.55%, while after 24 h, it was 26.71%.
For MDF, it is observed that the water absorption after 2 h was higher than for the control sample in the case of the T1t1 regime (with 3.61%), while in the case of the T2t1 regime, the water absorption was lower than the control sample (with 31.53%). In the case of water absorption for 24 h, the same trend was maintained as in the case of water absorption for 2 h (with 9.17% for the T1t1 regime and 16.81% for the T2t1 regime). Polynomial curves, with Pearson coefficient R2 = 1, highlighted this trend of water absorption (Figure 4b). Through comparing the used regimes, it was noticed that in all working regimes, poplar PW absorbs more water compared to MDF.
For the control poplar PW, the standard deviation for water absorption for 2 h was 3.97, while for water absorption for 24 h, it was 4.03, respectively. For poplar PW treated at 170 °C, the standard deviation for water absorption for 2 h was 1.17, while for water absorption for 24 h, it was 1.31, respectively. For poplar PW treated at 190 °C, the standard deviation for water absorption for 2 h was 2.09, while for water absorption for 24 h, it was 2.76, respectively.
In the case of the control MDF, the standard deviation for water absorption for 2 h was 1.71, while for water absorption for 24 h, it was 2.92, respectively. For MDF treated at 170 °C, the standard deviation for water absorption for 2 h was 1.82, and for water absorption for 24 h, it was 2.94, respectively. For MDF treated at 190 °C, the standard deviation for water absorption for 2 h was 1.18, while for water absorption for 24 h, it was 2.69.
3.3. Thickness Swelling after Immersion in Water
The dimensional stability of composite materials (PW and MDF) was exemplified by the parameter of thickness swelling after total immersion in distilled water. Only the swelling in thickness was used, because the swelling in the longitudinal direction was very small, almost imperceptible. This behavior is very well known from the properties of solid wood, where the ratio between the two directions is 1: (10–20).
For poplar PW, the thickness swelling after 2 h was lower than the control sample, for the two work regimes (17.48% for T1t1 and 12.02% for T2t1). The same trend was preserved for thickness swelling when the samples were immersed in water for 24 h (6.77% for T1t1 and 5.53% for T2t1, respectively) (see Figure 5a). This means that the swelling in thickness is different for the two composite materials studied and is determined by the nature of each composite material, respectively, by the layered nature of the poplar PW and the agglomerated–fibrous nature of the MDF.
Figure 5.
Thickness swelling of (a) poplar PW and (b) MDF; 2 h—2 h immersions in water; 24 h—24 h immersions in water; T1t1—treatment regime at 170 °C for 1 h; T2t1—treatment regime at 190 °C for 1 h.
The thickness swelling of the treated MDF in the T1t1 regime after 2 h immersion in water was lower than the values recorded for the control sample (3.74%) and higher than the control sample for the treated MDF in the T2t1 regime (with 1.14%) (Figure 5b). For treated MDF in the T1t1 regime, the thickness swelling after 24 h immersion in water was higher than the recorded values for the control sample (with 6.36%) and lower for the treated MDF in the T2t1 regime (with 17.95%), as Figure 5b shows us.
The variation in thickness swelling in poplar PW and MDF was evidenced by polynomial curves with Pearson coefficient (R) = 1. The maximum thickness swelling for poplar PW related to the control sample was 9.46% after 2 h and 11.77% after 24 h immersion in water. The maximum thickness swelling for treated poplar PW in the T1t1 regime was 10.71% after 2 h and 13.32% after 24 h. The maximum thickness swelling for treated poplar PW in the T2t1 regime was 8.06% after 2 h and 10.34% after 24 h.
The maximum thickness for MDF related to the control sample was 4.65% after 2 h and 23.14% after 24 h. The maximum thickness swelling for treated MDF in the T1t1 regime was 3.93% after 2 h, while after 24 h, it was 26.95%. The maximum thickness swelling for treated MDF in the T2t1 regime was 3.49% after 2 h, while after 24 h, it was 18.81%.
For the control poplar PW, the standard deviation for thickness swelling after immersion in water for 2 h was 1.68, and 2.04 after immersion for 24 h. For poplar PW treated at 170 °C, the standard deviation for the thickness swelling was 1.82 after immersion in water for 2 h, and 1.90 after immersion in water for 24 h, respectively. For poplar PW treated at 190 °C, the standard deviation for the thickness swelling was 1.73 after immersion in water for 2 h, and 1.98 after immersion in water for 24 h.
For the control MDF, the standard deviation for the thickness swelling was 1.79 after immersion in water for 2 h and 2.09 after immersion in water for 24 h. For MDF treated at 170 °C, the standard deviation for the thickness swelling was 1.82 after immersion in water for 2 h and 2.15 after immersion in water for 24 h, respectively. For MDF treated at 190 °C, the standard deviation for the thickness swelling was 1.36 after immersion in water for 2 h, and 2.75 after immersion in water for 24 h respectively.
3.4. Modulus of Rupture (MOR)
Another important property of composite materials is the resistance to bending strength or modulus of rupture (MOR). For poplar PW, the bending resistance decreases by 45.27% in the case of torrefied samples in the T1t2 regime and by 24.52% in the case of the T2t2 regime, compared to the control sample, as can be observed from Figure 6. This means that the increase in temperature negatively influences the resistance of this composite material, all due to the irreversible changes occurring in the structure of the wood during treatment at high temperatures. For MDF, the bending resistance decreases by 13.06% for the torrefied samples with the T1t2 regime and by 32.51% for the torrefied samples with the T2t2 regime, compared to control sample. The regression curves that highlighted the decrease in bending resistance for poplar PW and MDF were the polynomial ones of the second degree, with Pearson coefficient R2 = 1.
Figure 6.
Modulus of rupture for poplar PW and MDF.
The gluing quality is one of the most effective factors related to modulus of rupture of poplar PW because the improper gluing of veneer sheets in plywood manufacturing can cause the delamination of layers, and such samples exhibit a low modulus of rupture value. The maximum modulus of rupture for the control sample of poplar PW was 70.06 N/mm2. This value falls within the limits obtained by other researchers (95.65 N/mm2 for poplar plywood and 117.37 N/mm2 in the case of MDF) [39,46]. The maximum modulus of rupture for torrefied poplar PW at 170 °C was 64.39 N/mm2, and 40.47 N/mm2 for torrefied poplar PW at 190 °C. The maximum modulus of rupture for the control MDF sample was 46.46 N/mm2, while the maximum modulus of rupture for torrefied MDF at 170 °C was 45.86 N/mm2, and for torrefied MDF at 190 °C, it was 31.27 N/mm2.
3.5. Roughness of PW and MDF
Roughness is an important parameter because it characterizes the quality of the processed surfaces. The main parameters of roughness characterization are Ra (arithmetic mean of irregularities), Rz (average height of irregularities), and Rq (mean square root). It is noted that regarding poplar PW parallel to fibers and MDF, the optimal regime of roughness is for the torrefaction of the samples at 170 °C (see Figure 7 and Figure 8). The surface quality of solid wood products is one of the most important properties influencing further manufacturing processes such as finishing or the strength of adhesive joint.
Figure 7.
Roughness of poplar PW parallel to the surface of the fiber.
Figure 8.
Roughness of MDF.
Regarding the measurements for poplar PW perpendicular to the fibers, the torrefaction treatment does not influence the roughness for the samples treated at 170 °C (see Figure 9).
Figure 9.
Roughness of poplar PW perpendicular to the fibers.
Also, we observed that the roughness values obtained for poplar PW perpendicular to the fiber direction are much higher than those measured in the parallel direction.
3.6. CIELab Colour Results
The results regarding the color values in the CIELab space are presented in Figure 10. Firstly, regarding the difference in the brightness of the two analyzed composite materials, poplar PW is whiter than MDF (values decrease from 25.07 to 22.4).
Figure 10.
Color measurements for (a) poplar PW and (b) MDF.
Further, all values decrease after heat treatment regardless of the type of composite material analyzed. This means that the two composites approach black (luminance L is lower), the green shade decreases and approaches the shade of red (coefficient a is lower), without entering this field, and the yellow shade (positive component b) approaches blue shade without entering this field. The temperature had a much more remarkable impact on color changes than the duration of the torrefaction process. These results are in agreement with the results obtained by other researchers [33], where a more remarkable effect of temperature than time of torrefied poplar PW on color change was confirmed.
For poplar PW, L* values decreased from 21.1 (for 170 °C) to 17.5 (for 190 ° C), and a* values decreased from −9.7 (for 170 °C) to −9.4 (for 190 °C), while b* values decreased from 8.5 (for 170 °C) to 5.5 (for 190 °C). At the same time, for MDF, L* values decreased from 20.2 (for 170 °C) to 14.7 (for 190 °C), and a* values decreased from −8.7 (for 170 °C) to −8.4 (for 190 °C), while b* values decreased from 7.6 (for 170 °C) to 5.2 (for 190 °C).
The control poplar PW and torrefied samples at 170 °C and 190 °C are presented in Figure 11.
Figure 11.
Images of control and torrefied poplar PW samples at 170 °C and 190 °C.
In Figure 12, the control and torrefied MDF sample at 170 °C and 190 °C are presented.
Figure 12.
Images of control and torrefied MDF samples at 170 °C and 190 °C.
4. Discussion
The most commonly used furniture materials are plywood and particleboard; the latter one includes oriented strand board (OSB), as well as a low-density fiberboard (LDF), medium-density fiberboard (MDF), or high-density fiberboard (HDF) [5,18]. Also, thermally modified wood has numerous applications because of the enhancement in its properties (biotic resistance and color) [32].
Aydin and coworkers [33] tested the roughness of alder and beech veneers that were thermally modified at 110 °C and 180 °C. The obtained results showed a slight increase in surface roughness. The surface roughness of thermally modified wood is dependent on many factors, such the properties of the wood or the parameters used for the thermal modification process.
Thermally modified plywood decreased in surface roughness as the modification temperature was increased to 170 °C [34], while another study [35] outlined that thermal modification at 120 °C does not influence the surface roughness of pine wood. It is noted that increasing the temperature to 200 °C for 2h reduced Ra values by 6% and increased the Rz value by more than 7%.
In many studies on the influence of thermal modification on wood properties, it is recorded that thermal modifications lead to a decrease in the equilibrium moisture content [5], a decrease in the surface hydrophilicity of the treated material [16], an increase in dimensional stability [17], and a change of color [27,47].
The advantages of torrefying wood composite are the following: it improves its dimensional stability by 30–50%, it produces a pretty color, it decreases the hygroscopicity, and it increases the calorific value [7,33].
Another study [36] mentioned that there is good-quality adhesion between pieces of thermally modified wood when cold-setting melamine-urea-formaldehyde adhesive is used [36]. Further, Wang and its collaborators [41] shows the fact that the use of hot-setting melamine-urea-formaldehyde adhesive in the production of boards is important for increased air humidity conditions or outside applications. The variation in the torrefaction’s effects on depth is reduced, especially for samples with small thickness up to 20 mm [12,15]. Medium-density fiberboard has an advantage compared to timber, chipboard, and high-density fiberboard [14,22], because of its large and flat surface due to fine and uniform fibers.
The heat treatment provided a darkening of the surface of the poplar PW. At 170 °C, the changes in color are very low. This is because the important change in the samples was caused by the loss of water. The heat treatment of poplar PW and MDF samples reduces the lightness of color L* and the chromatic coordinates a* and b*.
During the high-temperature torrefaction process (190 °C), the color changes of poplar PW and MDF were more pronounced. L* decreased at all treatment temperatures, indicating that the color became darker.
5. Conclusions
Through the torrefaction process of composite materials (poplar plywood and medium-density fiberboard), it was observed that their density decreases, and water absorption and thickness swelling show good characteristics.
The mass loss increased with the increase in heat treatment duration and temperature.
In terms of modulus of rupture, its values decreased due to high-temperature torrefying processes. Thus, for both studied series of samples, poplar PW and MDF, the modulus of rupture decreased for all analyzed torrefaction regimes compared to the control sample.
Due to the fact that torrefied composite materials are less hydrophilic and more dimensionally stable, they can be used in the manufacture of furniture in humid conditions (kitchen, bathroom, etc.).
For plywood, it was observed that the water absorption after 2 h was higher than the control sample in the case of the T1t1 regime, while in the case of the T2t1 regime, the water absorption after 2 h was lower than for the control sample.
For MDF, it was observed that the water absorption after 2 h was higher than that for the control sample in the case of the T1t1 and T2t1 regimes, while in the case of the T2t1 regime, the water absorption was lower than the control sample.
The novelty of this study resides in the torrefaction process of composite panels. Companies should have additional torrefaction systems. The later ones are useful when a company has special requests from customers. Moreover, quality control institutions should include in their evaluation systems the quality assessment of these products, as well as their applicability domain.
Author Contributions
Conceptualization, C.S. and A.L.; methodology, C.S.; software, A.A.; validation, C.S., C.-M.P. and C.S.I.; formal analysis, C.S.I.; investigation, A.L.; resources, C.S.; data curation, C.-M.P.; writing—original draft preparation, A.A.; writing—review and editing, C.S. and C.-M.P.; visualization, A.L.; supervision, C.S.; project administration, C.S.; funding acquisition, C.S. All authors have read and agreed to the published version of the manuscript.
Funding
The APC was funded by Transilvania University of Brasov.
Institutional Review Board Statement
Not applicable.
Informed Consent Statement
Not applicable.
Data Availability Statement
Not applicable.
Conflicts of Interest
The authors declare no conflict of interest.
References
- Thybring, E.E.; Fredriksson, M. Wood and Moisture. In Springer Handbook of Wood Science and Technology; Springer Handbooks; Niemz, P., Teischinger, A., Sandberg, D., Eds.; Springer: Cham, Switzerland, 2023. [Google Scholar] [CrossRef]
- Windeisen, E.; Bãchle, H.; Zimmer, B.; Wegener, G. Relations between chemical changes and mechanical properties of thermally treated wood. Holzforschung 2009, 63, 773–778. [Google Scholar] [CrossRef]
- Aydin, I.; Demirkir, C.; Colak, S.; Salcă, E.A. The Effect of Veneers Roughness on Bonding and Some Mechanical Properties of Plywood. Pro Ligno 2013, 9, 41–49. [Google Scholar]
- Arruda, L.; Del Menezzi, C. Properties of a laminated wood composite produced with thermomechanically treated veneers. Adv. Mater. Sci. Eng. 2016, 2016, 8458065. [Google Scholar] [CrossRef]
- Bakar, B.F.A.; Hiziroglu, S.; Tahir, P.M. Properties of some thermally modified wood species. Mater. Des. 2013, 43, 348–355. [Google Scholar] [CrossRef]
- Bekhta, P.; Prozsyk, S.; Lis, B.; Krystofiak, T. Gloss of thermally densified alder (Alnus glutionosa Goertn), beech (Fagus sylvatica L.), birch (Betula verrucosa Ehrh), and pine (Pinus sylvestris L.) wood veneers. Eur. J. Wood Wood Prod. 2014, 72, 799–808. [Google Scholar] [CrossRef]
- Garcia Perez, A.; Salcă, E.A.; Maldonado, I.B.; Hiziroglu, S. Evaluation of surface quality of medium density fiberboards (MDF) and particleboards as function of weathering. Pro Ligno 2012, 8, 10–17. [Google Scholar]
- Ișleyen, U.; Karamanoğlu, M. The influence of machining parameters on surface roughness of MDF in milling operation. BioResources 2019, 14, 3266–3277. [Google Scholar] [CrossRef]
- Jehlickova, B.; Morris, R. Effectiveness of policy instruments for supporting the use of waste wood as a renewable energy resource in the Czech Republic. Energy Policy 2007, 35, 577–585. [Google Scholar] [CrossRef]
- Murata, K.; Watanabe, Y.; Nakano, T. Effect of thermal treatment of veneer on formaldehyde emissions of poplar plywood. Materials 2013, 6, 410–420. [Google Scholar] [CrossRef] [PubMed]
- Borrega, M.; Karenlampi, P.P. Higroscopicity of heat-treated Norway spruce (Picea abies) wood. Eur. J. Wood Wood Prod. 2010, 68, 233–235. [Google Scholar] [CrossRef]
- Bridgwater, A.V. Review of fast pyrolysis of biomass and product upgrading. Biomass Bioenergy 2012, 38, 68–94. [Google Scholar] [CrossRef]
- Candan, Z.; Hiziroglu, S.; McDonald, A.G. Surface quality of thermally compressed douglas fir veneer. Mater. Des. 2010, 31, 3574–3577. [Google Scholar] [CrossRef]
- CEN/TS 15679:2011; Thermal Modified Timber-DEFINITIONS and characteristics. European Committee for Standardization (CEN): Brussels, Belgium, 2011.
- Chen, W.H.; Cheng, W.Y.; Lu, K.M.; Wuang, Y.P. An evaluation on improvement of pulverized biomass property for solid through torrefaction. Appl. Energy 2011, 11, 3636–3644. [Google Scholar] [CrossRef]
- Chen, W.H.; Ye, S.C.; Sheen, H.K. Hydrothermal carbonization of sugarcane bagasse via wet torrefacton in Association with Microwave Heating. Bioresources Tecnol. 2012, 118, 195–203. [Google Scholar] [CrossRef] [PubMed]
- Demirbas, A. Biomass resource facilities and biomass conversion processing for fuels and chemicals. Energy Convers. Manag. 2001, 42, 1357–1378. [Google Scholar] [CrossRef]
- Derek, W.T.; Robert, A.K.; Philip, D.E. Thermal modification of color in red alder veneer. Effects of temperature, heating time and wood type. Wood Fiber Sci. 2005, 37, 653–661. [Google Scholar]
- EN 317:1993; Particleboards and Fibreboards-Determination of Swelling in Thickness after Immersion in Water. European Committee for Standardization: Brussels, Belgium, 1993.
- EN 636:2003; Plywood-Specifications. European Committee for Standardization: Brussels, Belgium, 2003.
- Feher, S.; Kolman, S.; Borcsok, Z.; Taschner, R. Modification of hardwood veneers by heat treatment for enhanced colors. Bioresources 2014, 9, 3456–3465. [Google Scholar] [CrossRef][Green Version]
- Grîu (Dobrev), T. The Appreciation and Increasing of Calorific Value for Wooden Biomass. Ph.D. Thesis, Transilvania University of Brasov, Brasov, Romania, 2014. [Google Scholar]
- Kocaefe, D.; Poncsak, S.; Dor’e, G.; Younsi, R. Effect of the heat treatment on the wettability of white ash and soft maple by water. Holz Als Roh-Werkst. 2008, 66, 355–361. [Google Scholar] [CrossRef]
- Korkut, S.; Bektas, I. The effects of heat treatment on physical properties of fir (Abies bornuellriana Mattf) and scots pine (Pinus sylvestris L.) wood. For. Prod. J. 2008, 58, 95–99. [Google Scholar]
- Kukla, M.; Wargula, L. Wood-based boards mechanical properties and their effects on the cutting process during shredding. BioResources 2021, 16, 8006–8031. [Google Scholar] [CrossRef]
- Laskowska, A.; Kozakiewicz, P.; Zbiec, M.; Zaton, P.; Olenska, S.; Beer, P. Surface characteristics of scots pine veneers produced with a peeling process in industrial conditions. BioResources 2018, 13, 8342–8357. [Google Scholar] [CrossRef]
- Lovrić, A.; Zdravković, V.; Furtula, M. Influence of thermal modification on colour of poplar (Populus X Euramericana) rotary cut veneer. Wood Res. 2014, 59, 661–670. [Google Scholar]
- Lovrić, A.; Zdravković, V.; Popadic, R.; Milic, G. Properties of plywood boards composed of thermally modified and non-modified poplar veneer. Bioresources 2017, 12, 8581–8594. [Google Scholar] [CrossRef]
- Lunguleasa, A.; Spîrchez, C. The characteristics of thermally treated MDF Panels. Bull. Transilv. Univ. Bras. 2015, 8, 55–60. [Google Scholar]
- Moya, R.; Tenorio, C. Fuel wood characteristics and its relation with extractives and chemical properties of ten fast-growth species in Costa Rica. Biomass Bioenergy 2013, 56, 14–21. [Google Scholar] [CrossRef]
- Nazerian, M.; Dahmardeh, M. Physical and mechanical properties of laminated veneer lumber manufactured by poplar veneer. J. Agric. Sci. Technol. 2011, 1, 1040–1045. [Google Scholar] [CrossRef]
- Nazerian, M.; Ghalchno, M.D.; Kashkooli, C. Effect of wood species, amount of juvenile wood and heat treatment on mechanical and physical properties of laminated veneer lumber. J. Appl. Sci. 2011, 11, 980–987. [Google Scholar] [CrossRef]
- Aydin, G.; Colakoglu, S.; Colak, S.; Demirkir, C. Effects of moisture content on formaldehyde emissions and mechanical properties of plywood. Build Environ. 2006, 10, 1311–1316. [Google Scholar] [CrossRef]
- Ozlusoylu, I.; Istek, A. Effects of surface lamination process parameters on medium density fiberboard (MDF) properties. Bioresources 2023, 18, 767–777. [Google Scholar] [CrossRef]
- Tasdemir, C.; Hiziroglu, S. Achieving cost efficiency through increased inventory leanness: Evidences from oriented strand board (OSB) industry. Int. J. Product. Econ. 2019, 208, 412–437. [Google Scholar] [CrossRef]
- Percin, O.; Peker, H.; Atilgan, A. The effect of heat on the some physical and mechanical properties of beech (Fagus Orientalis Lipsky) wood. Wood Res. 2016, 61, 443–456. [Google Scholar]
- Salcă, E.A.; Kobori, H.; Inagaki, T.; Kojima, Y.; Suzuki, S. Effect of heat treatment on colour changes of black alder and beech veneers. J. Wood Sci. 2016, 62, 297–304. [Google Scholar] [CrossRef]
- Schnabel, T.; Zimmer, B.; Petutschings, A.J.; Schonberger, S. An approach to classify thermally modified hardwoods by color. For. Prod. J. 2007, 57, 105–110. [Google Scholar]
- Sedlecky, M. Surface roughness of medium-density fiberboard (MDF) and edge-glued panel (EGP) after edge milling. BioResources 2017, 12, 8119–8133. [Google Scholar] [CrossRef]
- Shulga, G.; Betkers, T.; Brovkina, J.; Aniskevicha, O.; Ozolins, J. Relationship between composition of the lignin-based interpolymer complex and its structuring ablity. Envir. Eng. Manag. J. 2008, 7, 397–400. [Google Scholar] [CrossRef]
- Wang, M.; Wang, X.; Li, L.; Ji, H. Fire performance of plywood treated with ammonium polyphosphate and 4A Zeolite. BioResources 2022, 9, 4934–4945. [Google Scholar] [CrossRef]
- Zdravković, V.; Lovrić, A.; Stanković, B. Dimensional stability of plywood panels made from thermally modified poplar veneers in the conditions of variable air humidity. Drv. Ind. 2013, 64, 175–181. [Google Scholar] [CrossRef]
- Wikipedia—The Free Encyclopedia, CIELAB Color Space. Available online: https://en.wikipedia.org/wiki/CIELAB_color_space (accessed on 12 August 2022).
- EN 310:1993; Determination of Modulus of Elasticity in Bending and of Bending Strength. European Committee for Standardization: Brussels, Belgium, 1993.
- Teuch, O.; Hofeanuer, A.; Troger, F.; From, J. Basic properties of specific wood based materials carbonised in a nitrogen atmosphere. Wood Sci. Technol. 2004, 38, 323–333. [Google Scholar] [CrossRef]
- Percin, O.; Uzun, O. Physical and mechanical properties of laminated wood made from heat-treated scotch pine reinforced with carbon fiber. BioResources 2023, 18, 5146–5164. [Google Scholar] [CrossRef]
- Bekhta, P.; Niemz, P. Effect of high temperature on the Change in Color, Dimensional stability and mechanical properties of spruce wood. Holzforschung 2003, 57, 539–546. [Google Scholar] [CrossRef]
Disclaimer/Publisher’s Note: The statements, opinions and data contained in all publications are solely those of the individual author(s) and contributor(s) and not of MDPI and/or the editor(s). MDPI and/or the editor(s) disclaim responsibility for any injury to people or property resulting from any ideas, methods, instructions or products referred to in the content. |
© 2023 by the authors. Licensee MDPI, Basel, Switzerland. This article is an open access article distributed under the terms and conditions of the Creative Commons Attribution (CC BY) license (https://creativecommons.org/licenses/by/4.0/).












