A Fiducial-Aided Reconfigurable Artefact for the Estimation of Volumetric Errors of Multi-Axis Ultra-Precision Machine Tools
Abstract
:1. Introduction
2. Research Methodology
2.1. Reconfigurable Fiducial-Aided Positioning System Design
2.2. Gravity Effect on the 3D Artefact
2.3. Probing Fiducials with the On-Machine Measurement System
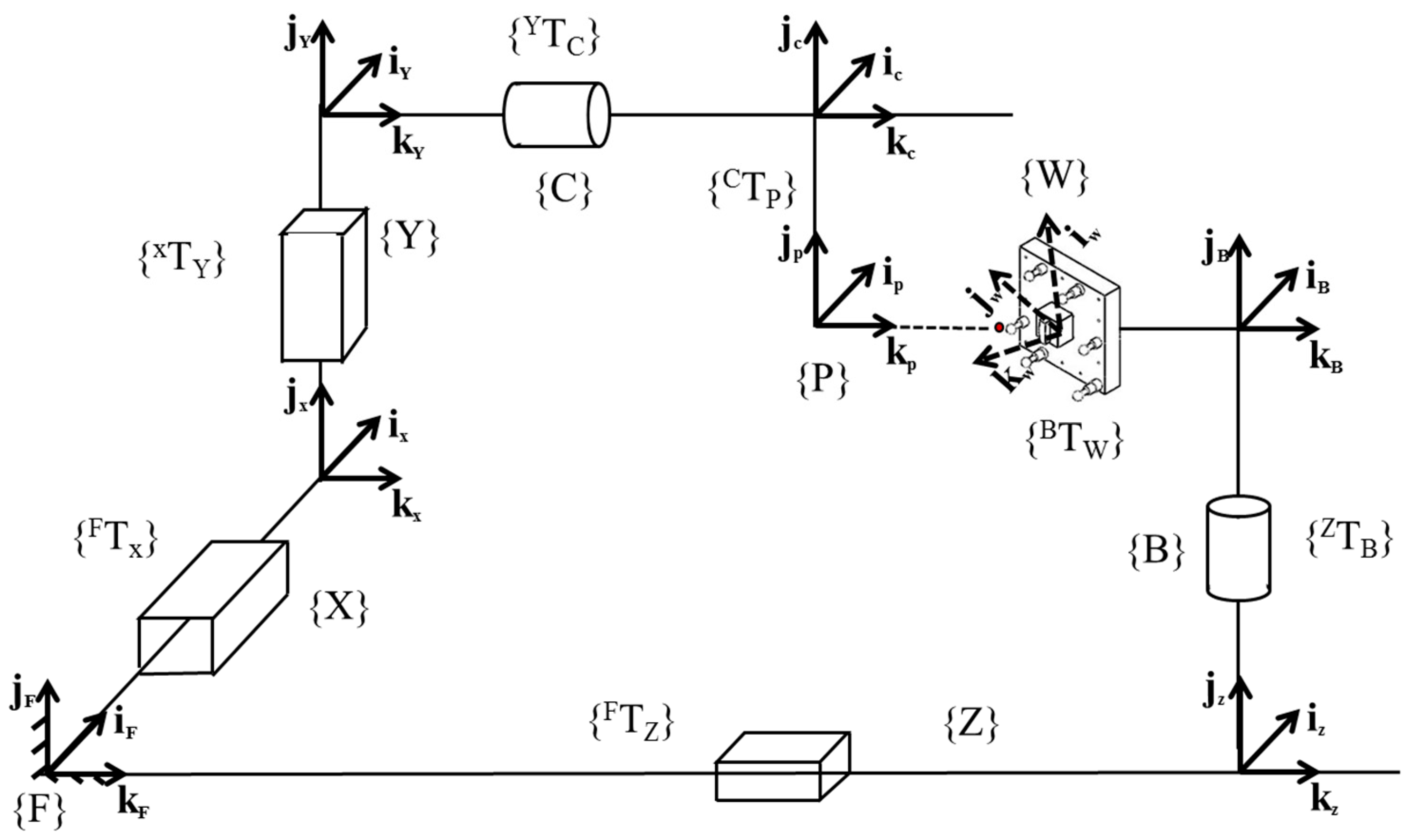
2.4. Machine Tool Kinematic Model
3. Experiments and Discussions
3.1. Measurement of the Gravity Effect
3.2. On-Machine Measurement
3.3. Discussion of the Volumetric Errors
4. Conclusions
Author Contributions
Funding
Acknowledgments
Conflicts of Interest
References
- Liebrich, T.; Bringmann, B.; Knapp, W. Calibration of a 3D-ball plate. Precis. Eng. 2009, 33, 1–6. [Google Scholar] [CrossRef]
- Zhu, S.; Ding, G.; Qin, S.; Lei, J.; Zhuang, L.; Yan, K. Integrated geometric error modeling, identification and compensation of CNC machine tools. Int. J. Mach. Tools Manuf. 2012, 52, 24–29. [Google Scholar] [CrossRef]
- ISO230-1; Test Code for Machine Tools Part 1: Geometric Accuracy of Machines Operating under No-Load or Quasi-Static Conditions. ISO: Geneva, Switzerland, 2012.
- Tian, W.; Gao, W.; Zhang, D.; Huang, T. A general approach for error modeling of machine tools. Int. J. Mach. Tools Manuf. 2014, 79, 17–23. [Google Scholar] [CrossRef]
- Okafor, A.C.; Ertekin, Y.M. Derivation of machine tool error models and error compensation procedure for three axes vertical machining center using rigid body kinematics. Int. J. Mach. Tools Manuf. 2000, 40, 1199–1213. [Google Scholar] [CrossRef]
- Jha, B.K.; Kumar, A. Analysis of geometric errors associated with five-axis machining centre in improving the quality of cam profile. Int. J. Mach. Tools Manuf. 2003, 43, 629–636. [Google Scholar] [CrossRef]
- Yang, J.; Altintas, Y. Generalized kinematics of five-axis serial machines with non-singular tool path generation. Int. J. Mach. Tools Manuf. 2013, 75, 119–132. [Google Scholar] [CrossRef]
- Xiang, S.; Altintas, Y. Modeling and compensation of volumetric errors for five-axis machine tools. Int. J. Mach. Tools Manuf. 2016, 101, 65–78. [Google Scholar] [CrossRef]
- Ibaraki, S.; Knapp, W. Indirect Measurement of Volumetric Accuracy for Three-Axis and Five-Axis Machine Tools: A Review. Int. J. Autom. Technol. 2012, 6, 110–124. [Google Scholar] [CrossRef] [Green Version]
- Wan, A.; Song, L.; Xu, J.; Liu, S.; Chen, K. Calibration and compensation of machine tool volumetric error using a laser tracker. Int. J. Mach. Tools Manuf. 2018, 124, 126. [Google Scholar] [CrossRef]
- Aguado, S.; Samper, D.; Santolaria, J.; Aguilar, J.J. Identification strategy of error parameter in volumetric error compensation of machine tool based on laser tracker measurements. Int. J. Mach. Tools Manuf. 2012, 53, 160. [Google Scholar] [CrossRef]
- Tsutsumi, M.; Saito, A. Identification and compensation of systematic deviations particular to 5-axis machining centers. Int. J. Mach. Tools Manuf. 2003, 43, 771–780. [Google Scholar] [CrossRef]
- Zargarbashi, S.H.H.; Mayer, J.R.R. Assessment of machine tool trunnion axis motion error, using magnetic double ball bar. Int. J. Mach. Tools Manuf. 2006, 46, 1823–1834. [Google Scholar] [CrossRef]
- Erkan, T.; Mayer, J.R.R.; Dupont, Y. Volumetric distortion assessment of a five-axis machine by probing a 3D reconfigurable uncalibrated master ball artefact. Precis. Eng. 2011, 35, 116–125. [Google Scholar] [CrossRef]
- Bringmann, B.; Küng, A.; Knapp, W.A. Measuring Artefact for true 3D Machine Testing and Calibration. CIRP Ann. Manuf. Technol. 2005, 54, 471–474. [Google Scholar] [CrossRef]
- Mayer, J.R.R. Five-axis machine tool calibration by probing a scale enriched reconfigurable uncalibrated master balls artefact. CIRP Ann. Manuf. Technol. 2012, 61, 515–518. [Google Scholar] [CrossRef]
- Mayer, J.R.R.; Hashemiboroujeni, H. A ball dome artefact for coordinate metrology performance evaluation of a five axis machine tool. CIRP Ann. Manuf. Technol. 2017, 66, 479–482. [Google Scholar] [CrossRef]
- Wang, S.; Cheung, C.; Ren, M.; Liu, M. Fiducial-aided on-machine positioning method for precision manufacturing of optical freeform surfaces. Opt. Express 2018, 26, 18928–18943. [Google Scholar] [CrossRef] [PubMed]







| Ball | X (mm) | Y (mm) | Z (mm) |
|---|---|---|---|
| 1 | 59.31108 | −0.25560 | 14.99509 |
| 2 | −58.74790 | 0.864597 | 14.29131 |
| 3 | −59.13960 | 59.79868 | 19.31120 |
| 4 | 59.49720 | 59.29094 | 24.40756 |
| 5 | 28.48006 | 59.94329 | 24.75141 |
| Position of the Rotary Axes | ① Measured (μm) | ② Mathematic Model (μm) | ①–② (μm) | ||||
|---|---|---|---|---|---|---|---|
| b | c | ||||||
| 0° | 0° | 0.9 | 0.4 | 0.8 | 0.4 | 0.1 | 0.0 |
| 0° | 5° | 5.5 | 1.3 | 5.1 | 1.2 | 0.4 | 0.1 |
| 0° | −5° | 5.4 | 1.1 | 5.3 | 1.1 | 0.1 | 0.0 |
| 5° | 0° | 1.1 | 0.6 | 0.8 | 0.4 | 0.3 | 0.2 |
| 5° | 5° | 5.6 | 1.6 | 5.5 | 1.5 | 0.1 | 0.1 |
| 5° | −5° | 5.7 | 1.4 | 5.4 | 1.5 | 0.3 | −0.1 |
| 10° | 0° | 1.6 | 0.6 | 1.3 | 0.8 | 0.3 | −0.2 |
| 10° | 5° | 6.8 | 2.3 | 6.2 | 2.0 | 0.6 | 0.3 |
| 10° | −5° | 6.4 | 2.2 | 6.1 | 1.8 | 0.3 | 0.4 |
| x (μm) | y (μm) | z (μm) | |
|---|---|---|---|
| Sphere 1 | 0.4 | 0.9 | 0.2 |
| Sphere 2 | 0.5 | 0.8 | 0.4 |
| Sphere 3 | 0.7 | 0.8 | 0.3 |
| Sphere 4 | 0.7 | 1.0 | 0.3 |
| Sphere 5 | 0.6 | 0.7 | 0.2 |
Publisher’s Note: MDPI stays neutral with regard to jurisdictional claims in published maps and institutional affiliations. |
© 2022 by the authors. Licensee MDPI, Basel, Switzerland. This article is an open access article distributed under the terms and conditions of the Creative Commons Attribution (CC BY) license (https://creativecommons.org/licenses/by/4.0/).
Share and Cite
Wang, S.; Cheung, C.; Kong, L. A Fiducial-Aided Reconfigurable Artefact for the Estimation of Volumetric Errors of Multi-Axis Ultra-Precision Machine Tools. Appl. Sci. 2022, 12, 1824. https://doi.org/10.3390/app12041824
Wang S, Cheung C, Kong L. A Fiducial-Aided Reconfigurable Artefact for the Estimation of Volumetric Errors of Multi-Axis Ultra-Precision Machine Tools. Applied Sciences. 2022; 12(4):1824. https://doi.org/10.3390/app12041824
Chicago/Turabian StyleWang, Shixiang, Chifai Cheung, and Lingbao Kong. 2022. "A Fiducial-Aided Reconfigurable Artefact for the Estimation of Volumetric Errors of Multi-Axis Ultra-Precision Machine Tools" Applied Sciences 12, no. 4: 1824. https://doi.org/10.3390/app12041824
APA StyleWang, S., Cheung, C., & Kong, L. (2022). A Fiducial-Aided Reconfigurable Artefact for the Estimation of Volumetric Errors of Multi-Axis Ultra-Precision Machine Tools. Applied Sciences, 12(4), 1824. https://doi.org/10.3390/app12041824

